Разработка системы связи для передачи непрерывных сообщений дискретными сигналами
Федеральное
агентство связи
Федеральное
Государственное Образовательное Бюджетное Учреждение Высшего Профессионального
Образования
Сибирский
Государственный Университет
Телекоммуникаций
и Информатики
Кафедра
радиотехнических систем
Курсовая
работа
по
дисциплине «Теория электрической связи»
Новосибирск
2014
Введение
Теория электрической связи (ТЭС) является
неотъемлемой частью общей теории связи и представляет собой единую научную
дисциплину, основу которой составляют: теория сигналов, теория
помехоустойчивости и теория информации. Принципы и методы курса ТЭС являются
теоретической основой для развития инженерных методов расчёта и проектирования
аналоговых и цифровых систем связи.
Современный инженер при разработке,
проектировании и эксплуатации систем связи различного назначения,
удовлетворяющим конкретным техническим требованиям, должен уметь оценивать,
насколько полно реализуются в них потенциальные возможности выбранных способов
передачи, модуляции, кодирования и определять пути улучшения характеристик
систем связи для приближения их к потенциальным.
Правильная эксплуатация систем связи также
требует знания основ теории передачи сигналов, выбора оптимального режима
работы, критериев оценки достоверности передачи сообщений, причин искажения
сигналов и т.д.
Главными задачами курсовой работы являются:
изучить фундаментальные закономерности,
связанные с получением сигналов, их передачей по каналам связи, обработкой и
преобразованием в радиотехнических устройствах;
закрепление навыков и формирование умений по
математическому описанию сигналов, определению их вероятностных и числовых
характеристик;
научиться выбирать математический аппарат для
решения конкретных научных и технических задач в области связи; видеть тесную
связь математического описания с физической стороной рассматриваемого явления.
Кроме этого, иметь глубокое знание обобщенной
структурной схемы системы передачи сообщений и осуществляемых в ней
многочисленных преобразований.
Курсовая работа учитывает устойчивые тенденции
перехода от аналоговых систем к цифровым системам передачи и обработки
непрерывных сообщений на основе дискретизации, квантования и импульсно-кодового
преобразования исходных непрерывных сообщений.
Она охватывает следующие ключевые вопросы теории
помехоустойчивости систем связи:
Составление обобщенной структурной схемы системы
передачи непрерывных сообщений дискретными сигналами и описание функциональных
преобразований сообщений и сигналов в ней с приведением графических иллюстраций
во временной и частотной областях.
Приём сигналов на фоне помех как статистическая
задача.
Критерии качества приёма дискретных сигналов.
Оптимальный приём дискретных сигналов в канале
связи с флуктуационной помехой.
Потенциальная помехоустойчивость приёма
дискретных сигналов при различных видах модуляции (ДАМ, ДЧМ, ДФМ.ДОФМ).
Оптимальный алгоритм приёма при полностью
известных сигналах (когерентный приём).
Оптимальный приём сигналов с неопределённой
фазой (некогерентный приём).
Реализация алгоритма оптимального приёма на
основе согласованного фильтра.
Скорость передачи информации, пропускная
способность и эффективность системы связи.
1. Разработка системы связи для
передачи непрерывных сообщений дискретными сигналами
Задание - разработать обобщенную структурную
схему системы связи для передачи непрерывных сообщений дискретными сигналами,
разработать структурную схему приемника и структурную схему оптимального
фильтра, рассчитать основные характеристики разработанной системы связи и
сделать обобщающие выводы по результатам расчетов.
Исходные данные
Курсовая работа выполняется для следующих
исходных данных:
Номер варианта N = 11.
Вид сигнала в канале связи ДАМ.
Скорость передачи сигналов V =55000 Бод.
Амплитуда канальных сигналов А = 8,12*10-3 В.
Дисперсия шума s2=
1,2396*10-5 Вт.
Априорная вероятность передачи символов
"1" p(1) = 0,9.
Способ приема сигнала НКГ.
Полоса пропускания реального приемника,
определяемая шириной спектра сигналов двоичных ДОФМ:
DfпрДОФМ = 2/T=110 КГц
где T = 1/V=1,818*10-5 - длительность элемента
сигнала, определяемая скоростью передачи (модуляции) сигналов V.
Значение отсчета принятой смеси сигнала и помехи
на входе решающей схемы приёмника при однократном отсчете Z(t0) =2,059 мВ.
Значения отсчетов принятой смеси сигнала и
помехи при приеме по совокупности трех независимых (некоррелированных) отсчетов
(t1)=2,059мВ, Z(t2) =1,235мВ, Z(t3) = 2,365мВ.
Максимальная амплитуда аналогового сигнала на
входе АЦП bmax = 5,3.
Пик-фактор входного сигнала П = 2,6.
исло разрядов двоичного кода (при передаче
сигналов методом ИКМ) n = 11.
Вид дискретной последовательности сложного
сигнала- 10011110010.
2. Структурная схема системы связи
Рисунок 1 - Структурная схема системы связи
АЦП - Аналогово-цифровой преобразователь.
ФНЧ - Фильтр нижних частот.
x - Помеха.
АМ - Амплитудный модулятор.
ЦАП - Цифро-аналоговый преобразователь.
Под системой электросвязи понимают совокупность
технических средств и среды распространения сигналов, обеспечивающих передачу
сообщения от источника к потребителю.
Источником информации является физический
объект, который формирует исходное сообщение.
Непрерывное сообщение a(t) передается в
первичный электрический сигнал (при помощи микрофона). Затем этот сигнал
передается на АЦП. Преобразование аналог - цифра состоит из трех операций:
Сначала непрерывное сообщение подвергается
дискретизации по времени через некоторые интервалы Dt,
полученные отчеты мгновенных значении квантуются и наконец полученная
последовательность квантованных значении представляется по средствам кодирования
в виде последовательности m-ичных кодовых комбинации. Такое преобразование
называется Импульсно-кодовой модуляцией. Чаще всего кодирование здесь сводится
к записи номера уровня в двоичной системе счисления.
С АЦП сигнал подается на АМ, где он модулируется
и передается в канал связи. На выходе линии связи мы получаем сумму
передаваемого сигнала с помехой x(t).
Демодулятор демодулирует сигнал и подает его на
вход ЦАП назначение, которого состоит в обратном преобразовании
(восстановлении) непрерывного сообщения по принятой последовательности кодовых
комбинаций.
В состав ЦАП входят - декодирующее устройство,
предназначенное для преобразование кодовых комбинации в квантованную
последовательность отчетов и согласованный фильтр восстанавливающий непрерывное
сообщение по квантовым значениям.
С выхода ЦАП сигнал подается напреобразователь
(например, громкоговоритель) и потребитель получает исходное сообщение.
Рисунок 2 - Сигнал после преобразования в
передатчике
Рисунок 3 - Сигнал после дискретизатора

Рисунок 5 - Сигнал после модулятора
Рисунок 6 - Сигнал после линии связи
Рисунок 7 - Сигнал после демодулятора
Рисунок 8 - Сигнал на выходе
3. Структурная схема приёмника ОФМ
Рисунок 9 - Структурная схема некогерентного
приёма сигналов ОФМ
Принцип работы:
На вход приемника поступает сигнал х = Acoswt.
После прохождения полосового фильтра ПФ с эффективной полосой пропускания Fэ,
достаточной для получения всех наиболее существенных компонент сигнала, сигнал
поступает на амплитудный детектор и ФНЧ, которые выделяют огибающую
принимаемого колебания.
С выхода ФНЧ в определенные моменты времени
(например, в середине посылки) сравнивается (сигнал) в РУ с некоторым пороговым
уровнем Uп. При выполнении неравенства U(t) >Uп регистрируется символ 1, в
противном случае - 0.
Принятие решения приемником по одному отсчету.
Сообщения передаются последовательностью
двоичных символов "1" и "0", которые появляются с
априорными вероятностями соответственно p(1) и р(0). Этим символам
соответствуют канальные сигналы S1(t) и S2(t), которые точно известны в месте
приема.
В канале связи на передаваемые сигналы
воздействует гауссовский стационарный шум со спектральной плотностью помехи N0.
Приемник, оптимальный по критерию идеального наблюдателя, принимает решение по
одному отсчету смеси сигнала и помехи
(t0) = Si(t0 )+ ς(t0)
на интервале элемента сигнала длительности Т.
При существовании помех сигналы искажаются и для
их описания приходится использовать вероятностное пространство. Сигналы с
помехами описываются функциями плотности вероятности W(z/s1) и W(z/s2).
Возможны 2 варианта ошибок: Переход 0 в 1 и
наоборот.
Когда последствия ошибок P(х1/S2) и P(х2/S1)
равнозначны, то средняя вероятность ошибки минимизируется:
pош.ср.
= P(S1)P(х2/S1) + P(S2)P(х1/S2)
Данный критерий носит название критерий
идеального наблюдателя. Для критерия идеального наблюдателя общим является
следующее правило принятия решения. Сравнивается P(S1)*W(z/s1)>P(S2)*W(z/s2)
и выносится решение в пользуS1(t) или S2(t).
Отношение P(S2)/ P(S1) называют пороговым
отношением правдоподобия и обозначается λ0.
Приемник работает в следующем порядке:
Вычисляет отношение правдоподобия на основании
поступившего сигнала λ.
По известным значениям априорных вероятностей
вычисляет пороговое отношение λ0.
Величина λ сравнивается
с λ0.
Если λ>
λ0 то
приемник выдает сигнал S1(t) иначе S2(t).
Рассчитаем и изобразим графики плотности
вероятности распределения W(ξ) и
условных вероятностей W(z/0) и W(z/1).
Рассчитаем отношение правдоподобия по исходным
данным:
, где

Пороговое отношение правдоподобия
определяется по формуле:
Найдем априорные вероятности
символов 0 и 1.(S1)=0.81
следовательно, P(S2)=0.19
Отсюдаλ0= P(S2)/
P(S1)=0,23.
λ<λ0 следовательно
на выходе будет сигнал S2(t) то есть 0.
Рассчитаем и построим функции
распределения плотности вероятности для W(ξ), W(z/0) и W(z/1).
;
;
;
Результаты расчета приведены в
таблице:
|
Z,
ξ *10-3
|
-20
|
-
15
|
-10
|
-7
|
0
|
7
|
10
|
15
|
20
|
|
W(ξ)
*10-3
|
0
|
0,013
|
2,014
|
15,723
|
113,26
|
15,723
|
2,14
|
0,013
|
0
|
|
W(z/1)
*10-3
|
0
|
0
|
0
|
0,011
|
7,93
|
107,63
|
98,28
|
0,385
|
|
W(z/0)
*10-3
|
0,385
|
16,852
|
98,28
|
107,63
|
7,93
|
0,011
|
0
|
0
|
0
|
Рисунок 10 - График рассчитанных плотностей
вероятностей
4. Вероятность ошибки на выходе
приемника
При использовании в системе связи дискретной ОФМ
на передаче включается блок внесения относительности на входе модулятора, а на
приёме относительность снимается по высокой частоте (в фазовом детекторе). Этот
способ приёма называется методом сравнения фаз (некогерентный приём)
- отношение сигнал / шум.=Рс/Рп,
где Рс - мощность сигнала Si, Рп -мощность
помехи.
= 4,035 отсюда h = 2
Средняя вероятность ошибки равнa:
ошсп =0.5* e-h2
здесь рфм - средняя вероятность
ошибки при классической ДФМ, которая определяется по формуле:
ошсп=0,009
Расчет зависимости РошОФМ=f(h) для
некогерентного приема показана на рисунке:
|
h
|
0
|
0,5
|
0,8
|
1
|
1,5
|
2
|
|
Pош
|
0,5
|
0,398
|
0,264
|
0,184
|
0,053
|
0,009
|
Рисунок 11 - Средняя вероятность
ошибки
5. Выигрыш в отношении сигнал/шум
при применении оптимального приемника
При когерентном приеме сигналов ДАМ
достигается потенциальная помехоустойчивость, если в приемнике осуществить
оптимальную фильтрацию сигнала. При этом достигается максимальное отношение
сигнал / шум, равное:
, (14)
где
, (15)
(15) - энергия элемента сигнала,
=
, (16)
(16) - спектральная плотность
мощности помехи. Далее по формулам (14),(15),(16).
,
Найдем энергетический выигрыш в
соотношении сигнал/шум при использовании оптимального приемника, т.е. при
оптимальной фильтрации принимаемого сигнала:
, (17)
Таким образом можно сделать вывод,
что при оптимальной фильтрации соотношение сигнал/шум увеличивается в два раза.
6. Максимально возможная помехоустойчивость
при заданном виде сигнала
В приёмнике с оптимальным фильтром
отношение сигнал/шум больше, чем в приёмнике с неоптимальным фильтром и,
соответственно, помехоустойчивость выше.
Приёмник с оптимальным фильтром и
когерентным способом приёма обеспечивает потенциальную помехоустойчивость для
дискретной амплитудной модуляции.
Потенциальная помехоустойчивость -
это предельно достижимая, максимально возможная помехоустойчивость при выборе
наилучших сигналов и наилучшего способа приема.
Для нахождения максимально возможной
помехоустойчивости подставим вместо h, в формуле (11), для вычисления
помехоустойчивости,
и получим:
, (18)
7. Принятие решения приемником по
трем независимым отсчетам
Для повышения помехоустойчивости приёма
дискретных двоичных сообщений решение о переданном символе принимается не по
одному отсчету на длительности элемента сигнала 0 £t£T,
а по 3 некоррелированным отсчетом, принимаемой смеси сигнала и помехи (метод
дискретного накопления).(t1) =2.059*10-3(t2) = 1.235*10-3(t3)= 2.365*10-3
Для принятия решения о переданном символе должна
быть определена совместная трехмерная плотность распределения вероятностей для
заданных трех отсчетов, т. е. W3 (Z/1) и W3(Z/0). Для случая гауссовского
стационарного шума некоррелированные отсчеты смеси сигнала и шума будут
независимыми. Следовательно, W3(Z/ai) равна произведению одномерных плотностей
распределения каждого из отсчётов.
, (19)
,
|
Z(ti)
|
2.059*10-3
|
1.235*10-3
|
2.365*10-3
|
|
W(Zi/S1)
|
33.898
|
21.662
|
|
W(Zi/S2)
|
2.043
|
4.016
|
1.711
|
По формуле (19)
,
Так как
, то в нашем
случае принимается “1”.
8. Вероятность ошибки при
использовании метода синхронного накопления
Приём методом многократных отсчётов
позволяет по сравнению с принятием решения по одному отсчёту увеличить отношение
сигнал / шум в mраз. В нашем варианте три независимых отсчета, значит m=3.
, (20)
Это обусловлено тем, что мощность
сигнала возрастает в
раз, а
мощность помехи - только в m раз. Характерно, что при приёме дискретных
сигналов методом многократных отсчётов можно получить сколь угодно значительное
отношение сигнал/шум (и, соответственно, высокую помехоустойчивость) путём
увеличения числа отсчётов на длительности элемента сигнала. Однако очевидно,
что это требует увеличения длительности элемента сигнала тоже в m раз, что, в
свою очередь, приводит к снижению скорости передачи сообщений также в m раз по
сравнению с вариантом принятия решения по одному отсчёту. Таким образом,
реализуется принцип обмена скорости передачи дискретных сообщений на
помехоустойчивость.
, (21)
тогда
, (22)
Найдем вероятность ошибки при
использовании метода синхронного накопления:
, (23)
, (24)
,
Применение импульсно-кодовой
модуляции для передачи аналоговых сигналов
Рисунок 12 -Преобразование непрерывного
сообщения в трехзначный ИКМ сигнал
Преобразование в АЦП состоит из трех
операций: сначала непрерывное сообщение подвергается дискретизации по времени
через интервалы
; полученные
отсчеты мгновенных значений b(k
) квантуются, затем полученная
последовательность квантованных значений bкв(k
) передаваемого сообщения представляется
посредством кодирования в виде последовательности типичных кодовых комбинаций.
Такое преобразование называется Импульсно-кодовой модуляцией. Чаще всего
кодирование здесь сводится к записи номера уровня в двоичной системе счисления.
Преобразование непрерывных сообщений
в цифровую форму в системах ИКМ сопровождается округлением мгновенных значений
до ближайших разрешенных уровней квантования (математическое округление).
Возникающая при этом погрешность представления является неустранимой, но контролируемой,
так как не превышает половины шага квантования. Выбрав малый шаг квантования,
можно обеспечить эквивалентность по заданному критерию исходного и
квантованного сообщений. Погрешность (ошибку) квантования, представляющую собой
разность между исходным сообщением и сообщением, восстановленным по
квантованным отсчетам, называют шумом квантования, который является недостатком
ИКМ.
Преимуществом ИКМ над другими видами
модуляции в том, что рост отношения мощности сообщения к мощности шума
квантования значительно быстрее.
Рассчитаем мощность шума
квантования:
, (25)
Рассчитаем соотношение сигнал/шум
квантования:
, (26)
Из вычислений видно, что влияние
шума квантования незначительны по сравнению с шумами в канале связи.
9. Использование сложных сигналов и
согласованного фильтра
Решение проблемы повышения
помехозащищённости систем связи и управления достигается использованием
различных методов и средств, в том числе и сигналов сложной формы (с большой
базой).
Широкое практическое применение
получили сложные сигналы на основе дискретных кодовых последовательностей,
которые представляют собой последовательности символов длительностью Т,
принимающих одно из двух значений: +1 или -1. Такие сигналы легко формируются и
обрабатываются с использованием элементов цифровой и вычислительной техники.
Сложные сигналы должны удовлетворять
ряду требований для достижения наибольшей достоверности их приёма:
а) корреляционная функция должна
содержать значительный максимум (пик);
б) взаимная корреляционная функция
(ВКФ)
, (30)
любой пары сигналов из используемого
ансамбля, определяющая степень их ортогональности, должна быть близка к нулю
при любом t..
Однако на практике для реальных
сигналов последнее условие не может быть выполнено. Поэтому для используемых
сигналов важно обеспечить возможно большое отношение
, оно будет
определять помехозащищенность приема сигналов.
Отличительная особенность ВКФ в том,
что она не является четной функцией аргумента t, т.е.
, а максимальный выброс достигается
не обязательно при t=0.
Влияние помехи в линии связи на
передаваемый сигнал будет проявляться в изменении знака (полярности) элемента
дискретного сигнала, т. е. в переходах вида 1 ®-1 и -1
® 1. При
приёме с помощью согласованного фильтра это будет приводить к изменению формы
сигнала на его выходе - уменьшению основного лепестка, увеличению боковых
выбросов и, следовательно, к снижению помехоустойчивости приёма. Поэтому
целесообразно выбрать оптимальную величину порога решающей схемы приёмника,
минимизирующую среднюю вероятность ошибки. При равновероятной передаче
сообщений оптимальный порог должен выбираться как среднее значение между
уровнем основного лепестка и максимальным уров1
нем выброса ВКФ.
Согласованный фильтр для дискретных
последовательностей может быть реализован в виде линии задержки с отводами (с
общим временем задержки, равным длительности сигнала Тс), фазовращателей
(инверторов) в отводах и суммирующей схемы, на выходе которой возникает
импульс, равный сумме амплитуд всех элементов сигнала. При применении в
демодуляторе приемника согласованных фильтров в сочетании с когерентным
способом приема можно добиться потенциальной помехоустойчивости.
Форма сигналов S
(t) и S
(t) при их
передаче дискретной последовательностью:
S
(t) S
(t)
t
T Tc
Рисунок 13 - Форма сигналов при
передачи по каналу связи
Тс - длительность сигнала.
,
, (31),(32)
Тс - длительность сигнала;-
длительность элемента сигнала;- скорость передачи сигналов:- число элементов
сложного сигнала.
Вычислим длительность сигнала Тс по
формулам (31),(32)
По условию V=55000 Бод,
10. Импульсная характеристика
согласованного фильтра
Импульсная характеристика системы
(оптимального фильтра) называется функция h(t) являющаяся откликом системы
(оптимального фильтра) на входной сигнал вида d(t) (дельта-функция). Это значит, что h(t)
удовлетворяет следующему уравнению:
(t)=ad(t), (33)
Поскольку система стационарная,
стационарна, аналогичное уравнение будет иметь место и в том случае, если
входное воздействие смещено во времени на произвольную величину
:
связь система приемник
помехоустойчивость
, (34)
Импульсная характеристика, так же
как и порождающая ее дельта-функция, есть результат разумной идеализации. С
физической точки зрения импульсная характеристика приближенно отображает
реакцию системы на входной импульсный сигнал произвольной формы с единичной
площадью при условии, что длительность этого сигнала пренебрежимо мала по
сравнению с характерным временем установлен6ия стационарного состояния системы.
Таким образом, импульсная
характеристика оптимпльного фильтра (согласованного фильтра) представляет собой
с точностью до постоянной ‘а’ зеркальное отображение временной функции входного
сигнала сдвинутого вправо по оси t на величину t
=T.
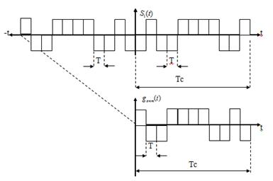
Построим импульсную характеристику
g(t) для сигнала
.
{1,-1,-1,1,1,1,1,-1,-1,1,-1}
Рисунок 14 - Импульсная
характеристика сигнала
Схема согласованного фильтра для
приема сложных сигналов. Форма сигналов на выходе согласованного фильтра при
передаче символов "1" и "0".
Рисунок 15 - Схема согласованного фильтра
синхронного способа приема
Схема согласованного фильтра ассинхронного
способа приема отличается от схемы согласованного фильтра для синхронного
приема тем, что:
) Имеет один пороговый уровень.
) Не имеет ключа.

На выходе согласованного фильтра
получаем под действием сигнала функцию корреляции сигнала, а под действием
помехи функцию взаимной корреляции сигнала и помехи. Если на входе фильтра
только помеха (без сигнала), на выходе получаем только функцию взаимной
корреляции помехи и сигнала, с которым, фильтр согласован. Если на вход
согласованного фильтра поступает флуктуационная помеха, то теоретически функция
взаимной корреляции В
должна быть
равна нулю, так как сигнал и помеха являются независимыми функциями времени.
Однако на практике В
0, так как
при вычислении функции взаимной корреляции требуется бесконечно большое время
интегрирования. В нашем же случае интегрирование ведется за время, равное Т.В
общем сигнал на выходе согласованного фильтра, при поступлении на его вход
сигнала с которым он согласован, представляет собой корреляционную функцию
сдвинутую в право по оси t на Тс - длительность сигнала. При поступлении на
вход согласованного фильтра последовательности произвольного вида, сигнал на
выходе представляет собой функцию взаимной корреляции сдвинутой по оси t наt.
Рассчитаем форму полезного сигнала
на выходе согласованного фильтра: 1 1. при передачи символа “1”:
={1-1-11111-1-11-1}
{-11-1-11111-1-11}вых(S1(t)=Bs1(Tc-t))=0,-1,2,-1,-2,3,0,-3,0,-3,0,11
Рисунок 17
Форма полезного сигнала на выходе
фильтра при передаче символа "1".
. Форма помехи, в предположении, что
на вход фильтра (в паузе) поступает непрерывная последовательность
знакопеременных символов:
x=
-1 1 -1 1-1 1 -1 1 -1 1-1
{-11-1-11111-1-11}пом=-1,2,-1,0,-1,0,-1,2,-2,0,1
Рисунок 18
Теперь изобразим форму этих
сигналов, но при это учтем, что сигналы будут абсолютно зеркальны.
Рисунок 19 - Функция корреляции
сигнала
и функция
взаимной корреляции сигнала
и помехи
Рассчитаем и изобразим форму
выходных сигналов согласованного фильтра при поступлении на его вход сигналов,
соответствующим передаваемым символам “1” и “0”.
Так как
, то в силу
этого равенства сигнал
будет
являться зеркальным отражением сигнала
Yвых(S1(t)=Bs1(Tc-t))=0,-1,2,-1,-2,3,0,-3,0,-3,0,11вых(S2(t)=Bs1(Tc-t))=0,1,-2,1,2,-3,0,3,0,3,0,-11
Рисунок 20 - Форма сигнала
на выходе
согласованного фильтра и форма сигнала
на выходе согласованного фильтра
11. Оптимальные пороги решающего
устройства при синхронном и асинхронном способах принятия решения при приеме
сложных сигналов согласованным фильтром
Оптимальный пороговый уровень - это
такой уровень, при котором средняя вероятность ошибки будет минимальна.
При синхронном приеме оптимальный
порог UП=0. В момент времени Т на выходе будет максимальный (положительный или
отрицательный в зависимости от того передается “0” или “1”).
, (35)
При асинхронном способе приема
используются два порога: один для приема символа “1” и второй для приема
символа “0”.
=(11+3)/2=7
= -7
12. Энергетический выигрыш при
применении согласованного фильтра
Согласованный фильтр обеспечивает
при флуктуационной помехе в канале типа “белого шума” в момент окончания
сигнала t0= Тс на своём выходе максимально возможное отношение пиковой мощности
сигнала к мощности помехи. Выигрыш в отношении сигнал / шум на выходе СФ по
сравнению со входом равняется базе сигнала (В = 2·Fс·Тс), т. е.
, (38)
где
Тс = N×Т, (39)
(39)- длительность сигнала ( N-
число элементов в дискретной последовательности);
, (40)
(40) - ширина спектра сигнала.
Таким образом, выигрыш q = (hвых)2 /
(hвх)2, обеспечиваемый СФ при приёме дискретных последовательностей, составляет
N раз. Следовательно, путём увеличения длины дискретных последовательностей,
отображающих символы сообщений ²1² и ²0², можно
обеспечить значительное повышение отношения сигнал/шум на входе решающей схемы
приёмника и, соответственно, повышение помехоустойчивости передачи дискретных
сообщений. Очевидно, что это будет приводить к снижению скорости передачи
сообщений, то есть реализуется принцип обмена скорости передачи дискретных
сообщений на помехоустойчивость их приёма путём увеличения энергии элемента
сигнала Eс = PсT.
В нашем случае N=9, таким образом
подставив в формулу вычисления q значения F
и Т
=N*T=11*1,818*10-4=2*10-3=1/2T=
*104
=11
получим, что энергетический выигрыш
равен 11.
Вероятность ошибки на выходе
приемника при применении сложных сигналов и согласованного фильтра.
Найдем значение соотношения сигнал/шум
на выходе согласованного фильтра:
h2сф=
=47.9
ф=
=6.92=7
Подставим в формулу вычисления вероятности
ошибки полученное значение:
,

13. Пропускная способность
разработанной системы связи
Информация - это совокупность
сведений о каком-либо событии, явлении или объекте, которые увеличивают знания
получателя о них. Информация, переданная за несколько отсчетов максимальна в
том случае, когда отсчеты сигналов независимы. Этого можно достичь, если сигнал
выбрать так, чтобы его спектральная плотность была равномерной в полосе F.
Отсчеты, разделенные интервалами, кратными 1/2F, взаимно некоррелированы, а для
гауссовских величин некоррелированность означает независимость. Максимально
возможная скорость передачи информации по каналу связи при фиксированных
ограничениях называется пропускной способностью канала. Поэтому пропускную способность
системы связи С можно найти:
=s2=0,000012396
- мощность шума,
Снепр=F

,
Когда принимается сообщение о
каком-либо событии, то наши знания о нем изменяются. Мы получаем при этом
некоторую информацию об этом событии. Сообщение о хорошо известном нам событии,
очевидно, никакой информации не несет. Напротив сообщение о малоизвестном
событии содержит много информации. Например, сообщение бюро погоды от 20 июня о
том, что в Одессе “завтра выпадет снег” несет больше информации, чем сообщение
“завтра ожидается ясная погода”. Первое сообщение является неожиданным, оно
несет сведения о редакции. Второе сообщение является весьма вероятным, оно
содержит мало нового и поэтому несет мало информации. Таким образом, количество
информации в сообщении о некотором событии существенно зависит от вероятности
этого события. Для определения количества информации, в принципе, можно
использовать любое монотонно убывающую функцию вероятности F[P(S)], где P(S)-
вероятность сообщения S. Что касается энтропии источника независимых сообщений,
то во многих случаях, когда требуется согласовать канал с источником сообщений,
возникает потребность в характеристиках, которые бы позволяли оценивать
информационные свойства источника сообщений в целом. Одной из важных
характеристик такого рода является среднее количество информации, приходящейся
на одно сообщение. Так как вероятности сообщений неодинаковы, то они несут
различное количество информации. Менее вероятные сообщения несут большое
количество информации и на оборот. Среднее количество информации, приходящейся
на одно сообщение источника, определяется как математическое ожидание.
,
(44)
Величина
называется
энтропией. В теории информации энтропия также характеризует неопределенность
ситуации до передачи сообщения, поскольку за ранее неизвестно, какое из
сообщений ансамбля источника будет передано. Чем больше энтропия, тем сильнее
неопределенность и тем большую информацию в среднем несет одно сообщений
источника.
В нашем случае, вычислим энтропию
источника сообщений, который характеризуется ансамблем, состоящим из двух
сообщений S1 и S2 с вероятностями
Р(S1)=0.9 и P(S2)=1-P(S1)=1-0.9=0.1
На основании этого энтропия такого
источника будет равно:

Количество информации создаваемое
источником сообщений в среднем за единицу времени, называется
производительностью источника. Эту величину удобно выразить через энтропию
источника
и
:
Из расчетов видно, что
производительность источника меньше пропускной способности канала связи. Это
говорит о том, что не будут возникать потери, и ошибки в канале связи
возникающих из-за пропускной способности канала связи.
Вычислим пропускную способность
дискретного канала связи с вероятностью ошибки вычисленную в разделе
“Вероятность принятия ошибки на выходе приемника” Т.е.
по формуле.
,
,
Оценим эффективность использования
пропускной способности канала связи при передачи дискретными сообщениями.
, тогда эффективность использования
пропускной способности канала связи при передачи дискретными сообщениями будет
иметь следующий вид.
(45)
14. Сравнительный анализ различных
способов приема сигналов
Сравнительный анализ вероятностей ошибки при
различных способах приема показал, что наиболее высокую помехоустойчивость
обеспечивает приемник с использованием в нем согласованного фильтра. Это
объясняется тем что энергия сигнала при этом возрастает.
Заключение
Теория достаточно четко указывает не только
возможности совершенствования существующих систем связи, но и пути создания
новых более современных систем.
При оформлении и расчете курсовой работы, я
использовал пакет прикладных программ MicrosoftWord и Mathc
Список литературы
1. Теория
передачи сигналов: Учебник для вузов / А.Г. Зюко, Д.Д. Кловский, Макаров А.А.,
Чиненков Л.А. Основы теории помехоустойчивости дискретных сигналов: Учеб.
пособие. - Новосибирск, СибГАТИ, 1997. - 42 с.
2. Макаров
А.А. Методы повышения помехоустойчивости систем связи. - Новосибирск, СИИС,
1991. - 58 с.
. Методические
указания к курсовой работе, по редакцией К.т.н., доцент И. И. Резван, доцент
к.т.н., Г. А. Чернецкий, к.т.н., доцент Л. А. Чиненков. СибГУТИ, 1998г.
. Конспект
лекций по дисциплине “ОТС”.
Приложение
Расчет исходных данных для заданного
варианта работы
=10=6=1.2
ДАМ
КГ