Проектирование и расчет фундаментов

  • Вид работы:
    Курсовая работа (т)
  • Предмет:
    Строительство
  • Язык:
    Русский
    ,
    Формат файла:
    MS Word
    251,29 Кб
  • Опубликовано:
    2015-07-04
Вы можете узнать стоимость помощи в написании студенческой работы.
Помощь в написании работы, которую точно примут!

Проектирование и расчет фундаментов

Министерство образования и науки Российской Федерации

Федеральное государственное бюджетное

Факультет кадастра и строительства








ПОЯСНИТЕЛЬНАЯ ЗАПИСКА

к курсовому проекту

по дисциплине «Основания и фундаменты»














Введение

В настоящее время проблема грамотного проектирования, расчета и обустройства фундаментов является очень актуальной, так как правильно выполненные вышеперечисленные работы являются залогом долговечной и надежной работы всей конструкции. Напротив ошибки в расчете и нарушение технологии возведения, могут привести к негативным последствиям, таким как, например, неравномерная осадка, что в свою очередь может спровоцировать образование трещин и преждевременное разрушение здания.

Цель: закрепление теоретических знаний, приобретение практических навыков проектирования фундаментов, знакомство с действующими нормами проектирования и расчетов фундаментов для дальнейшего практического использования при возведении конкретных объектов.

Задачи:

·        провести анализ результатов инженерно-геологических и инженерно-геологических изысканий на строительной площадке

·        провести анализ проектируемого здания и собрать нагрузки на фундаменты

·        подобрать колонны и назначить размеры подколонника

·        провести расчёт фундаментов мелкого заложения

Объект исследования - основания фундаментов мелкого заложения и свайных фундаментов.

Предмет исследования - фундаменты.

Фундаментом называется часть здания или сооружения, преимущественно подземная, которая воспринимает нагрузки от сооружения и передает их на естественное или искусственное основание, сложенное грунтами.

Основания - это грунтовая толща, которая воспринимает нагрузки от фундамента и передает их в нижележащие грунтовые слои.

Фундаменты могут быть мелкого и глубокого заложения. В курсовой работе рассматривается фундаменты мелкого заложения и свайные фундаменты. Тип и конструкция фундамента определяется на основе технико-экономического сравнения вариантов с учетом инженерно-геологических условий площадки, вида сооружений, размера и характера нагрузок, производственных возможностей строительной организации.

Проектирование оснований является неотъемлемой частью проектирования сооружения в целом. Требования, предъявляемые к основаниям: обеспечить прочность и эксплуатационных требований к сооружению при недопустимо больших деформациях, минимальная стоимость, трудоемкость и сроки строительства.

Последовательность проектирования оснований и фундаментов: оценка результатов инженерно-геологических изысканий, анализ проектируемого здания, выбор типа основания и фундамента, начиная с привязки здания к строительной площадке.

Основания рассчитывают по двум группам предельных состояний. По первой группе - по несущей способности. По второй группе - по деформациям (по осадкам, прогибам, подъемам и прочее). Целью этих расчетов является невозможность достижения основанием и фундаментом предельного состояния, так как это приводит к нарушению эксплуатационной или даже к невозможности использования здания по назначению.

инженерный геологический фундамент грунт

. Выбор исходных данных

.1      Характеристика географического положения, рельеф, климатические условия

Площадка строительства находится в районе города Свердловска (Екатеринбурга).Этот город находиться в умеренном климатическом поясе ;расчетная зимняя температура воздуха -35 ºС; температура воздуха в летний период времени +22 ºС; в холодный и теплый период года преобладают западные ветра.

Район не относится к сейсмичным.

Город находится во 3 снеговом районе. Снеговая нагрузка 1.8кПа

Нормативная глубина сезонного промерзания для города Свердловска- 1.98м.

1.2 Описание инженерно-геологического строения и литологического состава толщи грунтов строительной площадки

На строительной площадке выполнено 5 скважин глубиной 10 м, расстояния м/д скважинами 55.0 м. В пределах пройденных скважинами грунтов выявлено 4слоя:

·        растительный

·        песок пылеватый;

·        песок пылеватый;

·        песок средней крупности;

Пласты залегают с небольшим уклоном к горизонту. Горизонт грунтовых вод установлен на абсолютной отметке 25,00. Абсолютная отметка уровня планировки грунта - 28,35. (уровень пола 1-го этажа на отметке 28,50 м)

1.3 Анализ физико-механических характеристик грунтов в порядке их залегания












Первый слой:

.        По гранулометрическому составу - песок пылеватый.

.        По плотности сложения e = 0,60 - средней плотности.

.        По степени водонасыщения


- грунт насыщенный водой

4.      По сжимаемости E = 8,0 МПа - грунт среднесжимаемый

.        По пучинистости - т.к. песок пылеватый, то он склонен к пучению.

Второй слой:

.        По гранулометрическому составу - песок пылеватый.

.        По плотности сложения e = 0,65 - средней плотности.

.        По степени водонасыщения


- грунт насыщенный водой

4.      По сжимаемости E = 10 МПа - грунт среднесжимаемый

.        По пучинистости - т.к. песок пылеватый, то он склонен к пучению.

Третий слой:

.        По гранулометрическому составу - песок средней крупности.

.        По плотности сложения e = 0,60 - средней плотности.

.        По степени водонасыщения


- грунт насыщенный водой

4.      По сжимаемости E = 25,0 МПа - грунт среднесжимаемый

.        По пучинистости - т.к. песок средней крупности, то он не склонен к пучению.

Выводы:

І слой - песок пылеватый, насыщенный водой, среднесжимаемый, средней плотности, склонен к пучению - может служить естественным основанием.

ІІ слой - песок пылеватый, насыщенный водой, среднесжимаемый, средней плотности, склонен к пучению - может служить естественным основанием.

ІІІ слой - песок средней крупности, насыщенный водой, среднесжимаемый, плотный, не склонен к пучению - может служить естественным основанием.

Характеристики физико-механических свойств грунтов записываем в табличной форме (таблица 1).

Наименование грунта

Заданные характеристики

Вычисленные характеристики


Мощность слоя, м

Плотность грунта ρ, т/м3

Плотность частиц грунта ρs, т/м3

Природная влажность ω, доли ед.

Влажность на пределе текучести ωL, доли ед.

Влажность на пределе раскатывания ωР, доли ед.

Коэффициент фильтрации kф, м/сут.

Коэффициент пористости е

Плотность скелета грунта γd, т/м3

Число пластичности JP, %

Показатель текучести JL, доли ед.

Коэффициент водонасыщения Sr, доли ед.

Модуль деформации Е, кПа

1

2

3

4

5

6

7

8

9

10

11

12

13

14

Песок пылеватый

0,7-4,5

2

2,66

0,069

-

-

3.9·10-4

0,60

1,6

-

-

0,307

8000

Песок пылеватый

3,0-5,5

2

2,65

0,249

-

-

1,5·10-4

0,65

1,57

-

-

1.015

10000

Песок средней крупности

0,7-2,6

2,05

2,67

0,225

-

-

3.6·10-1

0,60

1,72

-

-

1.001

25000


Наименование грунта

Вычисленные характеристики


Для расчета основания


по несущей способности

по деформациям


Удельный вес γI, кН/м3

Угол внутреннего трения φI, град

Удельное сцепление сI, кПа

Удельный вес γII, кН/м3

Угол внутреннего трения φII, град

Удельное сцепление сII, кПа

1

15

16

17

18

19

20

Песок пылеватый

20

30

3

20

30

3

Песок пылеватый

20

30

4

20

32

2

Песок средней крупности

20,5

38

2.0

20,5

40

1


1.4 Учет морозного пучения грунтов

Для І слоя

.        Определяем глубину сезонного промерзания

,

где =0,6, =1.98

2.      Определяем УГВ.

3.      Определяем величину


.Сравниваем

> ()

.35 < 3,35- грунты пучинистые.

Для ІІ слоя

Грунт пучинистый.

Для ІІІ слоя

Т.к. третий слой песок средней крупности - грунт непучинистый.

2. Анализ проектируемого здания. Сбор нагрузок на фундаменты

2.1 Анализ проектируемого здания

Объект - одноэтажное промышленное здание, длина 360 м, ширина 54 м, имеет три пролёта: два пролёта по 12 м и один пролёт 30 м, шаг колонн 24 м. Архитектурная схема - здание каркасное с ж/б каркасом рамного типа, колонны внецентренно нагружены и являются несущими элементами. Расстояние от пола до стропильной системы в первом- 10,0м, во втором пролёте и третьем пролёте -10,6м.

Примечания. 1. Стены здания выполнены из панелей толщиной мм. 2. Температура внутри производственного корпуса,температура внутри бытовых помещений равна

2.2 Сбор нагрузок на фундаменты

Вертикальная сосредоточенная нагрузка NH, передающаяся от колонны на фундамент, подсчитывается как произведение заданной единичной нагрузки соответствующего пролета на грузовую площадь покрытия (или перекрытия), приходящуюся на рассматриваемую колонну.

В единичные значения нагрузок включены: собственный вес всех конструкций покрытия (перекрытия), собственный вес колонны, снеговая, крановая и другие виды временных нагрузок. Вертикальная сосредоточенная нагрузка от колонны считается приложенной в центре поперечного сечения колонны. Кроме вертикальной нагрузки от колонн, на которые опираются элементы покрытия или перекрытий, на фундаменты передаются моменты MH и горизонтальные силы QH, действующие в плоскости поперечника здания. Горизонтальные силы (QH) считаются приложенными в уровне обреза фундаментов. Направление действия моментов и горизонтальных сил в плоскости поперечника здания может быть принято для внутренних колонн любым, для наружных колонн вовнутрь помещения.

Нагрузки от собственного веса стен подсчитываются как произведение веса одного квадратного метра вертикальной поверхности стены на грузовую площадь, приходящуюся на фундамент. Вес стеновых панелей принимается равным 3 кПа (кН/м2) их вертикальной поверхности. В подсчете нагрузок от стен должны быть учтены коэффициенты уменьшения их веса за счет оконных и дверных проемов. Они принимаются для наружных стен цехов промышленных зданий К = 0,5; для бытовых помещений К = 0,6.

Сбор нагрузок от колонн проводим в табличной форме (таблица 2)

Таблица 2 - Нагрузки от колонн

Номер фундамента (оси)               Номер колонны Грузовая площадь, м2        Единичная нагрузка кН/м2                  Продольная сила сжатия , кНМомент

,

кН∙мГоризонтальная сила , кН



 

1

2

3

4

5

6

7

10

90

15

1350

67.5

8.1

6

144

12

1728

86.4

10,368

6

90

12

1080

86.4

10.8


Нагрузки от стен собираем в табличной форме (таблица 3)

Таблица 3 - Нагрузки от стен

Номер фундамента

Грузовая площадь, м2

Единичная нагрузка, кН/м2

Коэффициент ослабления нагрузки

Нагрузка от стен , кН

1

2

3

4

5

108

3

0.5

162


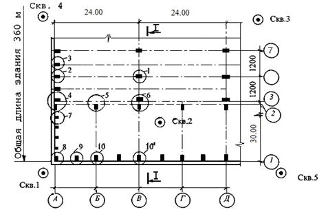
Здание на строительной площадке располагаем таким образом чтобы оно разместилось между крайними скважинами, а средняя скважина оказалась примерно в середине здания:

ПЛАН ЗДАНИЯ


Номер варианта

Длина пролета, м

Высотные отметки здания, м

Нагрузка в пролете, кПа


L1

L2

L3

H1

H2

H3

H4

H5

I

II

III

20

30.00

24.00

24.00

10.00

19.20

21.80

10.60

18.60

15

12

12


В соответствии с анализом инженерно-геологических условий строительной площадки за несущий слой принимаем песок пылеватый (насыщенный водой, среднесжимаемый, средней плотности, склонен к пучению - может служить естественным основанием).

Для отапливаемого здания с температурой внутри помещения +14ºС при производстве работ нулевого цикла в летнее время расчётную глубину сезонного промерзания определяем по формуле:


При конструкции пола по грунту принимаем =0,6.

Глубину заложения фундамента под наружную колонну принимаем не менее величины .

С учётом того, что подошва фундамента должна быть размещена в несущем слое на глубине не менее 10 см, глубина заложения фундамента должна быть:


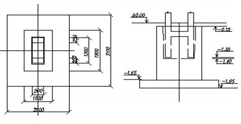
Принимаем глубину заложения фундамента 1,8 м.

Учёт конструктивных особенностей фундамента

Подвалы отсутствуют. С учётом высоты подколонника глубина заложения фундамента из конструктивных особенностей будет равна 1,35 м.(<1,8 м)

Вывод: за глубину заложения фундамента принимаем большее из полученных значений. Глубину заложения фундамента под внутреннюю колонну назначаем без учёта расчётной глубины сезонного промерзания, но исходя из условия что все фундаменты здания должны находиться на одной отметке:

С учётом пролёта, шага колонн и отметки верха колонн выбираем двухветвевую колонну:


Расчетные нагрузки:

Из расчета по І предельному состоянию:

По оси 1-В:

 кН

 кН∙м

 кН

 кН

По оси2-В, 3-В (2 колонны):

кН

 кН∙м

 кН

 кН

 кН∙м

 кН

Из расчета по ІІ предельному состоянию:

По оси 1-В:

 кН

 кН∙м

 кН

 кН

По оси2-В, 3-В (2 колонны)

 кН

 кН∙м

 кН

 кН

 кН∙м

 кН

3. Расчет фундаментов мелкого заложения

.1 Определение расчётного сопротивления грунтов основания


=1,1, =1- коэффициенты условий работы;

k = 1 - если прочностные характеристики грунта (φ и с) определены непосредственными испытаниями;

Мγ = 1.15, Мq = 5.59, Мс = 7.95 - коэффициенты, зависящие от угла внутреннего трения φII;

k z - коэффициент, принимаемый равным: при b < 10 м - k z =1




h1 = 0,15 м - толщина первого слоя;

h2 = 2,5 м - толщина второго слоя;

h3 = 4,5 м - толщина третьего слоя;

h4 = 1,6 м - толщина четвёртого слоя;

сII = 3 кПа - расчетное значение удельного сцепления грунта, залегающего непосредственно под подошвой фундамента.




3.2 Определение размеров подошвы фундамента

Для оси 1-В:

1. Определим суммарную вертикальную нагрузку на фундамент в уровне обреза:


где NH - нагрузка на фундамент от колонн, кН;

. Определим площадь подошвы фундамента


. Определим размеры сторон прямоугольного фундамента задаваясь соотношениями сторон:


большая сторона, меньшая сторона


. Округляем полученные значения l и b до размеров кратных 0,1м

;

4.      Конструируем плитную часть фундамента. Определяем количество ступеней плитной части по сторонам l и b и высоту плитной части




. Определяем вес фундамента и грунта обратной засыпки на его уступах.

, где

Вес грунта на уступах:


. Определяем суммарную вертикальную нагрузку в уровне подошвы фундамента:


. Определяем сумму моментов относительно центров подошвы фундамента:


. Определим эксцентриситеты в приложении равнодействующей, относительно центра подошвы фундамента:

Определение экцентриситета

. Определим давление в уровне подошвы фундамента.


. Уточняем расчётное сопротивление грунта по формуле раздела 4.3, подставив в неё рассчитанные размеры подошвы фундамента b и характеристики грунтов основания конкретного фундамента.

. Проверяем выполнение условий:

. Сравниваем  с R. Расхождения между ними не должны превышать 15-20%.


. Построим эпюру распределения напряжения под подошвой фундамента:

Эпюра распределения напряжения


Для оси 2В,3В.


. Определим суммарную нагрузку вертикальную нагрузку на фундамент в уровне обреза:


. Определим площадь подошвы фундамента


. Определим размеры сторон прямоугольного фундамента задаваясь соотношениями сторон:


. Округляем полученные значения l и b до размеров кратных 0,1м

;

. Конструируем плитную часть фундамента. Определяем количество ступеней плитной части по сторонам l и b и высоту плитной части.



Определение длины и ширины плитной части

. Определяем вес фундамента и грунта обратной засыпки на его уступах.

, где

Вес грунта на уступах:


. Определяем суммарную вертикальную нагрузку в уровне подошвы фундамента:

. Определяем сумму моментов относительно центров подошвы фундамента:

 кН*м


9. Определим эксцентриситеты в приложении равнодействующей, относительно центра подошвы фундамента.

Определение эксцентриситета

. Уточняем расчётное сопротивление грунта по формуле раздела 4.3, подставив в неё рассчитанные размеры подошвы фундамента b и характеристики грунтов основания конкретного фундамента.

. Определим давление в уровне подошвы фундамента. ex = -1092,96/3425,85=-0,319м

еy = 82,02/3425.85 = 0.02 м

 кПа

 кПа

Pср = (336,66+118,59+321,19+134,04)/4 = 227,63 кН < R

4. Расчёт конечной осадки фундамента по методу послойного суммирования

4.1 Для оси 1-В

Конечную осадку основания (с учётом завершившегося процесса консолидации) определяем с использованием расчётной схемы в виде линейно-деформируемого полупространства.

. Определим напряжения от собственного веса грунта (природные, бытовые напряжения) в уровне подошвы фундамента

кН/м2.

. Определим дополнительные вертикальные напряжения в уровне подошвы фундамента


. Разобьём каждый слой грунта, находящийся в пределах грунтовой толщи на элементарные слои толщиной

4. Определим напряжения от собственного веса грунта (природные напряжения) на границах элементарных слоёв толщиной .

,

где , удельный вес частиц грунта, кН/м³; удельный вес воды, кН/м³; коэффициент пористости грунта.

. Определяем дополнительные вертикальные напряжения в уровне подошвы каждого элементарного слоя грунта


Подсчёт напряжений на границах элементах слоёв сводим в таблицу.

Таблица 4 - Параметры для определения величины осадки фундамента


. Определим осадку фундамента


. Вычисленную осадку сравниваем с предельно допустимой осадкой для данного сооружения:

,

где 10 см - предельно допустимое значение осадки, установленное нормами проектирования

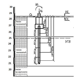
. Построим эпюры распределения напряжений. Колонна 10.

Расчетная схема определения осадок методом послойного суммирования.

4.2 Для оси 2В,3В

. кН/м2.

.

.

Подсчёт напряжений на границах элементах слоёв сводим в таблицу.

Таблица 5 - Параметры для определения величины осадки фундамента


6.


.

. Построим эпюры распределения напряжений. Колонна 6.

Расчетная схема определения осадок методом послойного суммирования.

. Определим относительную разность осадок


,002 - предельно допустимое значение разности осадок, установленное нормами проектирования.

5. Расчет свайных фундаментов

.1 Назначение глубины заложения ростверка

Принимаем глубину заложения ростверка с учётом инженерно-геологических условий площадки, расчётной глубины сезонного промерзания грунтов и конструкционных особенностей здания равной 1.8 м.

5.2 Назначение длины сваи

Длину сваи выбираем с использованием инженерно-геологического разреза, с учётом физико-механических свойств грунтов и величин, действующих на фундамент нагрузок. Нижний конец свай, как правило, следует заглубить в прочные грунты, прорезая более слабые напластования. Сваю заглубляем во второй слой (пески пылеватые).

Принимаем призматическую сваю квадратного сечения с размерами сторон 30х30 см, длиной 6 м

Расчетная схема определения осадок

5.3 Определение несущей способности сваи по сопротивлению грунта в основании сваи

Несущую способность Fd висячей сваи и сваи-оболочки, погружаемых без выемки грунта, работающих на сжимающую нагрузку, определяют по формуле:

,

где γс = 1 - коэффициент условий работы сваи в грунте;

- коэффициенты условий работы грунта соответственно под нижним концом и на боковой поверхности сваи, учитывающие влияние способа погружения сваи на расчетной сопротивление грунта;

R = 2300 кПа - расчетное сопротивление грунта под нижним концом сваи;

Глубина погружения сваи 6 м.

А = 0,09 м2 - площадь опирания на грунт сваи, м;

u = 1,2 м - наружный периметр поперечного сечения сваи, м;

fi - расчетное сопротивление i-го слоя грунта основания на боковой поверхности сваи, м;

hi - толщина i-го слоя грунта, соприкасающегося с боковой поверхностью сваи, м.

Для определения значений расчетного сопротивления грунта на боковой поверхности сваи поступают следующим образом:

все слои грунта, которые прорезает свая, начиная от подошвы ростверка, расчленяют на элементарные слои, толщиной не более 2 м;

определяют расстояние Zi, до середины каждого элементарного слоя hi;

для каждого значения Zi, находят значения расчетных сопротивлений fi.

 кН

.4 Определение допустимой расчётной нагрузки на сваю

Допускаемая расчетная нагрузка на сваю F определяется по формуле:

;

где Fd - расчетная несущая способность грунта основания одиночной сваи;

γk - коэффициент надежности, принимаемый равным 1.4.

.

Схема к определению несущей способности висячей сваи

5.5 Расчёт свайных фундаментов по несущей способности

.5.1 Расчёт фундамента по оси 1-В

Определяем суммарную нагрузку в уровне обреза ростверка из расчёта фундамента по I группе предельных состояний.


Определяем количество свай в ростверке:

Необходимое количество свай и в свайном фундаменте в первом приближении можно определить по формуле

,

где NI = 1512 кН - расчетная вертикальная нагрузка в уровне обреза фундамента.

Конструктивно принимаем 6 сваи.

Похожие работы на - Проектирование и расчет фундаментов

 

Не нашли материал для своей работы?
Поможем написать уникальную работу
Без плагиата!
Без нейросетей!