Расчет и проектирование железнодорожного пути на обходе
Содержание
Введение
1. Проектирование пойменной насыпи
1.1
Проектирование основной площадки
.2
Проектирование основной площадки
.2.1 Выбор
типа укрепления
.2.2
Назначение крутизны откосов
.2.3 Размеры
берм
.3 Требуемая
плотность грунта насыпи
.3.1 Методика
расчета плотности и напряжений грунта насыпи
.3.2
Расчетная схема и действующие нагрузки
.4
Проектирование поперечного профиля насыпи с обеспечением устойчивости откоса
.4.1 Цель и
методика расчёта
.4.2
Расчётная схема и исходные характеристики
.4.3 Определение
коэффициента общей устойчивости
.5 Заключение
к проекту пойменной насыпи
.6
Определение мощности верхнего строения пути
.6.1 Выбор
типа балластной призмы
.6.2 Расчёты
возвышения наружной рельсовой нити в кривой
2. ПРОЕКТИРОВАНИЕ РЕЛЬСОВОЙ КОЛЕИ
2.1
Особенности устройства рельсовой колеи на кривых участках
.2. Расчеты
возвышения наружной рельсовой нити в кривой24
.3
Проектирование переходных кривых
.4 Расчет
числа укороченных рельсов на внутренних нитях кривых
3. Расчёт и проектирование обыкновенного одиночного стрелочного
перевода
3.1
Принципиальная схема обыкновенного стрелочного перевода
.2 Расчётная
геометрическая схема обыкновенного стрелочного перевода
.3 Исходные
данные
.4 Основные
параметры стрелки
.4.1
Начальный стрелочный угол, радиусы остряка и переводной кривой, полный
стрелочный угол
.4.2 Длина
криволинейного остряка и рамныx рельсов
.5
Геометрические характеристики крестовины
.5.1 Угол
крестовины и длина прямой вставки перед ее математическим центром
.5.3
Минимальная длина сборной крестовины с литым сердечником
.6 Основные
характеристики стрелочного перевода
.6.1
Теоретическая и практическая длина стрелочного перевода
.6.2 Малые и
большие полуоси
.7 Ординаты
для разбивки переводной кривой
.8
Определение длин рельсовыx нитей
.9 Раскрой
рельсовых нитей на соединительных путяx стрелочного перевода
.10 Основные
требования правил теxнической эксплуатации к содержанию стрелочныx переводов
СПИСОК
ИСПОЛЬЗОВАННЫХ ИСТОЧНИКОВ
ВВЕДЕНИЕ
Железнодорожный путь - сложный комплекс линейных и сосредоточенных
инженерных сооружений и обустройств, расположенных в полосе отвода, образующих
дорогу с направляющей рельсовой колеёй.
Железные дороги являются важным элементом единой транспортной системы
страны. Они выполняют громадный объем перевозочной работы, обеспечивая надежные
и экономичные транспортные связи между главными экономическими районами и
центрами страны. Поэтому их развитию придается большое значение.
От состояния железнодорожного пути зависит непрерывность и безопасность
движения поездов, объемы перевозок, а также эффективность использования
подвижного состава.
Железнодорожный путь работает в условиях постоянного воздействия
атмосферных и климатических факторов, воспринимая большие нагрузки, от
проходящих поездов. При этих условиях все элементы железнодорожного пути по
прочности, устойчивости и состоянию должны обеспечивать безопасное и плавное
движение пассажирских и грузовых поездов с наибольшими скоростями,
установленными для данного участка, а также иметь достаточные резервы для
дальнейшего повышения скоростей движения и грузонапряженности линии.
Руководствуясь нормативными требованиями, в курсовом проекте необходимо
выполнить следующее:
. Запроектировать основную площадку насыпи и выбрать тип откосного
укрепления с расчетом его границы.
. Выполнить расчет общей устойчивости откосов и по его результатам
запроектировать поперечный профиль насыпи.
. Определить технические характеристики верхнего строения пути и его
конструктивные элементы. Построить балластную призму.
. В зависимости от заданной грузонапряженности железнодорожной линии
запроектировать рельсовую колею на прямых и кривых участках обхода.
. Выбрать тип и марку стрелочного перевода. Определить его основные
геометрические и осевые размеры.
1.
ПРОЕКТИРОВАНИЕ ПОЙМЕННОЙ НАСЫПИ
.1
Проектирование основной площадки
По заданной грузонапряженности Т=10 млн.ткм/км и
максимальной скорости пассажирских поездов V=110 км/час участок пути относится к третьей категории линий
согласно /1/.
При проектировании железных дорог радиус круговой
кривой принимают по приложению (приложение А) /1/. В данном проекте примем
заданный радиус круговой кривой R=1500
м.
Согласно заданию принимаем:
Вид грунта тела насыпи 8Г - супесь пылеватая;
Грунт основания насыпи 12Г - суглинок тяжелый;
Физико-механические характеристики грунтов принимаем
(приложение А).
Таблица 1.1
Физико-механические характеристики грунтов
|
Вид грунта
|
Тип грунта
|
ρS, т/м3
|
акп, м
|
I0, доли
|
Кф, м/с
|
Wm Wp,
%
|
WL, %
|
Jp, %
|
№ грунта
|
W, %
|
С, кПа
|
φ, градусы
|
|
Тело насыпи
|
супесь пылеватая
|
2,69
|
0,8
|
0,05
|
1∙10-7
|
14
|
29
|
6
|
8г
|
26
|
6
|
20
|
|
Основание насыпи
|
суглинок тяжелый
|
2,71
|
1,4
|
0,09
|
1·10-9
|
20
|
33
|
13
|
12г
|
32,5
|
2
|
15
|
Примечание:
-
плотность частиц грунта, [т/м3];
- высота
капиллярного поднятия воды в грунтах, [м];
J0 - средний уклон кривой депрессии;
Кф
- коэффициент фильтрации;
Wm -
максимальная молекулярная влагоемкость;
Wp -
влажность на границе пластичности глинистых грунтов;
WL -
влажность на границе текучести;
Jp -
число пластичности;
W - природная
влажность;
С
- удельное сцепление грунта;
φ - угол внутреннего трения
Ширина
площадки
назначается из условия размещения на ней верхнего
строения пути и обочин с учётом категории линии, вида грунта насыпи, числа
путей и радиуса кривой.
На
однопутных участках:
(1.1)
На двухпутных участках:
,(1.2)
где
- нормативная ширина основной площадки на прямом
участке;
-
уширение основной площадки на кривых участках в наружную сторону для
обеспечения необходимой ширины обочины при устройстве возвышения наружной
рельсовой нити. По заданию, радиус кривой в расчётном сечении равен 1500 м ,
отсюда
0,4 м (приложение А);
М
- расстояние между осями смежных путей;
-
габаритное уширение между путного расстояния по кривой (приложение А, таблица
1.3/1/), так как R= 1500 м, примем
м.
Учитывая
то, что задана вторая категория железнодорожной линии, то
7,6 м (приложение А, таблица 1.1 /1/).

7,6+0,4+4,1+0,008=12,18
м.
Для
отвода атмосферной воды от верха земляного полотна, сооружаемого из глинистых грунтов
и недренирующих песков, основная площадка проектируется в виде треугольника с
высотой 0,2м на двухпутных участках (рисунок 1.1).
При
скальных, крупнообломочных грунтах и дренирующих песках, в том числе при
отсыпке защитного дренирующего слоя под балластом, основная площадка имеет
горизонтальную поверхность независимо от числа путей.
Рисунок 1.1 - Форма верха основной площадки
1.2
Проектирование основной площадки
.2.1 Выбор
типа укрепления
Откосы пойменных насыпей необходимо защищать от волнового воздействия в
периоды паводков. Укрепление укладывается на слой обратного фильтра из щебня
(гравия) или геотекстиля с целью предотвращения вымывания и выноса частиц
грунта, по вытеканию воды из тела насыпи.
Выбор типа укрепления делают на основании технико-экономического
сравнения нескольких вариантов: покрытие из бетонных или железобетонных плит;
каменная наброска из сортированного или несортированного камня; укрепление из
простых или фигурных блоков и др.
В качестве укрепления согласно варианту предлагается каменная наброска из
несортированного камня (горной массы), которой отдается предпочтение при
насыпей, сложенной из пылеватой супеси (рисунок 1.2)
1.2.2
Назначение крутизны откосов
Первоначально крутизна откосов назначается по нормативам для насыпей
типового профиля и затем уточняется расчетом общей устойчивости насыпи с учетом
ее подтопления.
Следовательно, данный грунт имеет полутвердую консистенцию. Крутизна
откосов насыпи для пылеватых грунтов и суглинков в районах недостаточного
увлажнения в верхней части насыпи до 6 м равна 1:1,5, а в нижней части до
отметки Гб равна 1:1,75, подтопляемой бермы - 1:2.
.2.3
Размеры берм
Отметка бровки бермы, которая принимается обычно за отметку незатопляемой
поверхности бермы, определяется по формуле:
(1.3)
,(1.4)
где ГВВ - отметка горизонта высоких вод;
- высота
наката на откос фронтально подходящих волн, м;
- высота
подпора воды у моста, м;
- высота
ветрового нагона волны на откос, м;
- ширина
запаса, принимаемая для насыпей у средних и больших мостов равной 0,5 м.
Рисунок 1.2 - Конструкция крепление каменной наброской: 1 - рисберма; 2 -
геотекстиль; 3 - песчано-гравийная смесь
При укреплении каменной наброской:
, (1.5)
где
- длина волны, м;
- высота
волны, м.
Ширина
берм поверху определяется вариационным методом расчётной устойчивости низового
и верхового откосов насыпи и обычно находится в интервале от 3 до 10 метров.
Первоначально
она принимается равной 5 метров, а затем уточняется в зависимости от результата
расчёта. Её поверхности придаётся поперечный уклон 40
в сторону бровки бермы.
.3
Требуемая плотность грунта насыпи
Уплотнением грунта при сооружении насыпи добиваются предупреждения остаточных
деформаций, повышения прочности грунта и его сопротивления действию нагрузок и
природно-климатических факторов.
Для высоких насыпей требуемая плотность грунта зависит от его
напряженного состояния и определяется расчётом из условия обеспечения упругой
работы грунта в различных точках насыпи.
.3.1
Методика расчета плотности и напряжений грунта насыпи
Цель расчета - определить дифференцированные по высоте насыпи значения
требуемой плотности грунта на основной площадке земляного полотна в точке О и в
точке n - в уровне подошвы насыпи (рисунок
1.3).
Характеристикой плотности грунта является его плотность в сухом
состоянии, т/м3:
, (1.6)
где ρs- плотность частиц грунта, т/м3;
е0 - расчетное значение коэффициента пористости грунта,
определяем по компрессионной кривой.
Напряжение от собственного веса грунта
, (1.7)
где
- средний удельный вес грунта i - го слоя насыпи, кН/м3.
(1.8)
где
и
- удельный вес грунта соответственно в (i -1) - й и i - й точках, кН/м3;
hi- толщина i - го слоя
насыпи, м.
Удельный вес грунта
(1.9)
где W - влажность грунта, доли ед.;
g -
ускорение свободного падения, 9,81 м/с2.
.3.2
Расчетная схема и действующие нагрузки
На расчетной схеме (рисунок 1.3) изображается основная часть насыпи,
высота которой определяется как разность отметок проектной бровки Гпр
и земли Гз. При недренирующих грунтах профильная бровка является
проектной.
(1.10)
Поперечный уклон основания не учитывается, так как грунты при возведении
насыпи уплотняются горизонтальными слоями.
Интенсивность вибродинамической нагрузки от подвижного состава
определяется по формуле:
, (1.11)
где P - осевая нагрузка расчетной
подвижной единицы, кН;
n -
число осей в тележке;
lжб -
длина жесткой базы тележки, м;
b0
-длина шпалы, м (при железобетонных шпалах - 2,7 м; при деревянных - 2,75 м).
Значения P, n и lжб принимаются для локомотива ТЭ7 (приложения А).
Рисунок 1.3 - Расчетная схема к определению требуемой плотности грунта
насыпи
Для
третьей категории пути принимаем шпалы железобетонные
= 2,7 м, тип рельсов Р 65. С учетом этих показателей
давление Рвс от верхнего строения пути и ширину bвс этой полосовой нагрузки можно назначать (приложение
А, таблица 1.5 /1/).
Для
двухпутного участка bвс = 9,1
м; Рвс = 17 кПа.
.4
Проектирование поперечного профиля насыпи с обеспечением устойчивости откоса
.4.1 Цель и
методика расчёта
Цель расчета - оценить сопротивление сдвигу низового откоса насыпи и по
величине этого сопротивления назначить оптимальную крутизну откосов и размеры
берм.
Расчет ведется графоаналитическим методом в предположении
круглоцилиндрической поверхности возможного смещения с использованием формулы
К. Терцаги и с учётом подтопления насыпи.
, (1.12)
где Kст- коэффициент устойчивости при
статическом состоянии грунта в теле насыпи;
и
- соответственно сумма моментов сил, удерживающих
откос от смещения и сдвигающих его (моменты сил определяются относительно
центра вращения круглого цилиндра);- суммарное количество отсеков блока
смещения;- количество отсеков блока смещения, в которых действуют удерживающие
касательные составляющие силы веса;
Ci и fi - соответственно удельное сцепление (кПа) и коэффициент внутреннего
трения грунта в основании i-го отсека длиной li;
Ni и Ti - нормальная и касательная к основанию i-го отсека составляющие силы
его веса, кН;
D0 - гидродинамическая сила, возникающая при вытекании
воды из насыпи и действующая в центре тяжести водонасыщенной части блока
смещения, кН.
Сопротивление
грунта сдвигу оценивается коэффициентом устойчивости насыпи при динамическом
состоянии грунта Kдин,
который должен быть не менее допускаемого значения [К] /1/.
, (1.13)
где
aд -
коэффициент динамики, назначаемый по таблице 1.6 /2/ в зависимости от высоты
насыпи и вида грунта, при h = 17.0 м, P0= 78 кПа, равный 1,07;
ηn - коэффициент
ответственности сооружения, для третьей категории пути, принимаемый равным
1,15;
ηf - коэффициент сочетания нагрузок, в период строительства
принимается 0,95;
ηc - коэффициент условий работы, при использовании
упрощенных методов расчета равный 0,95.
Рассчитаем
значение [K]:
.
.4.2
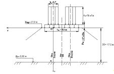
Расчётная схема и исходные характеристики
На расчетной схеме (чертеж 1), изображенной в масштабе 1:200 показан
поперечный контур низовой части насыпи. Для этого наносим поверхность основания
с заданным уклоном местности 1:21, от нее вверх по оси откладываем высоту
насыпи H=17,0 м и проводим горизонтальную
линию, на которой показываем бровки основной площадки для двухпутного участка
на расстоянии от оси 0,5(b+M+Δm)=5,854 м.
На уровне отметки ГВВ = 5 м и Гб = 6,87 м проводим
горизонтальные линии. От точки F в
направлении откоса показываем депрессионную поверхность с уклоном J0 = 0,05 для грунта насыпи.
Проводим откос нормативной крутизны: в верхней части насыпи до 6 м -
1:1,5, а в нижней части до отметки Гб - 1:1,75.
Ширина бермы принимается равной 5м, крутизна откосов 1:2.
На основной площадке по оси каждого пути строим фиктивный столбик грунта,
эквивалентный поездной нагрузке Р0= 78 кН и весу верхнего строения
пути Pвс = 17 кН, шириной b0 = 2,7 м и высотой zф,
определяемой по формуле:
,(1.14)
где
- удельный вес грунта.
,(1.15)
где
- коэффициент пористости грунта, при данном грунте
равный 0,669 кПа.
Находят центр возможной кривой смещения. Для этого соединяют подошву
откоса бермы (точка А) с одной из точек основной площадки насыпи (L1, L2 и т.д.
- по выбору студента) и из середины полученной прямой восстанавливают
перпендикуляр, являющийся линией центров кривых смешения (рисунок 1.4). Затем
от верха фиктивного столбика проводят вспомогательную прямую под углом 36° к
горизонту. Точка О пересечения вспомогательной линии с линией центров является
центром возможной кривой смещения, из которого проводят дугу ALi
радиусом R.
Полученный блок смещения ABCDELiG необходимо разбить на отсеки, границы которых должны
проходить:
через точки перелома поперечного контура насыпи и границу фиктивного
столбика;
через точки пересечения кривой смещения с депрессионной поверхностью и
поверхностью основания;
по вертикальному радиусу;
в случае, если ширина какого-либо отсека окажется более 6 м, он
разбивается на два отсека.
С учетом водонасыщения грунта в зоне подтопления насыпи в блоке смещения
выделяют три слоя, границами которых являются депрессионная поверхность и
поверхность основания.
В верхнем слое I характеристики грунта насыпи принимают по результатам
расчета требуемой плотности.
Рисунок 1.4 - Расчетная схема к графоаналитическому расчету общей
устойчивости насыпи
(1.16)
(1.17)
,
где
и
- угол внутреннего трения и удельное сцепление грунта
природного сложения (приложение А /1/);
,15 - коэффициент, учитывающий повышение прочностных характеристик при
отсыпке и уплотнении грунта.
В среднем слое II характеристики грунта насыпи определяют с учетом
взвешивающего действия воды и дополнительного увлажнения после подтопления.
(1.18)
(1.19)
(1.20)
,
где
- плотность частиц грунта насыпи (приложение А /1/);
ρω - плотность воды, равная 1 т/м3;
,75 и 0,5 - коэффициенты, учитывающие снижение прочности переувлажненного
грунта.
В нижнем слое III грунта основания расчетные значения характеристик
определяются с учетом его насыщения водой.
(1.21)
(1.22)
(1.23)
,
где
,
и
- характеристики грунта основания природного сложения (приложение
А /1/);
- коэффициент пористости грунта основания, принимаемый по
ветви нагрузки компрессионной кривой при напряжении от веса бермы.
1.4.3
Определение коэффициента общей устойчивости
Коэффициент устойчивости определяется по формуле (1.10) для участка
насыпи длиной 1 м с учетом удерживающих и сдвигающих сил, вычисляемых для
каждого i - го отсека. Нормальная и
касательная составляющие силы веса отсека определяются по формулам:
(1.24)
, (1.25)
где Qi- вес i - го отсека, кН,
(1.26)
где
,
и
- площади частей отсека, находящихся в первом, втором и
третьем слоях блока смещения, м2;
- угол наклона основания отсека к горизонту.
, (1.27)
где xi - расстояние от середины основания
отсека до направления вертикального радиуса R, м.
Величина гидродинамической силы D0, кН, определяется
по формуле:
, (1.28)
где
- удельный вес воды, 9,81кН/м3.
кН
Исходя
из формулы (1.12), коэффициент устойчивости при статическом состоянии грунта в
теле насыпи будет равен:
.
Расчет
устойчивости ведется в форме таблицы (приложение А, таблица А1);.
Выводы:
Допустимое (нормативное) значение коэффициента устойчивости
устанавливается по формуле (1.13) и равно 1,15.
Расчетный коэффициент устойчивости насыпи при динамическом состоянии
грунта определяется по формуле:
(1.29)
Так
как Кдин<[K]+0,02, принятый профиль следует скорректировать, а
именно, подобрать более оптимальный грунт насыпи и увеличить крутизну откосов.
Результаты подбора грунта не дали нужных результатов. Поэтому подбираем грунт с
большими показателями угла внутреннего трения и удельного сцепления грунта. При
грунте насыпи 8а (cм. приложение А, таблица А2):
(1.24)
При
δ>20% величину откосов увеличивают на две ступени (т.е. на
0,5).
Вывод: наиболее целесообразным для сооружения насыпи следует принять
грунт 8а и увеличить величину откосов на две ступени (Рисунок “Поперечный
профиль пойменной насыпи”, Приложение А).
1.5
Заключение к проекту пойменной насыпи
Запроектированный поперечный профиль насыпи в М 1:200 приведен на чертеже
1.
Высота насыпи измеряется в сечении по ее оси, как расстояние от линии,
соединяющей бровки насыпи, до поверхности основания, причем проектная отметка
бровок совпадает с профильной. Высота насыпи составляет 17 м.
Ширина основной площадки составляет величину B=12,18м, причем уширение основной площадки в кривой Δb=0,4м, делается в наружную сторону,
то есть с внутренней стороны кривой, расстояние от бровки до оси насыпи
Bвн=0,5*(B-Δb)=5,85м, а с наружной Bнар=(Bвн+Δb)=6,33м.
Крутизна откосов соответствует выводам по результатам расчетов общей
устойчивости насыпи, и расчетного коэффициента Кдин=0,65 , что
больше допускаемого значения [К]+0,02:
от основной площадки на расстоянии 6м 1:1,5;
ниже 6м до отметки Гб=6,87 м 1:1,75;
подтопляемой бермы 1:2.
Выше границы подтопления откосы укрепляют каменной наброской.
Расстояние между подошвой верхового откоса насыпи и бровкой водоотводной
канавы принято 3м с уклоном 0,04 в сторону канавы.
Глубина канавы и ее ширина приняты не менее 0,6м (глубина измеряется в
сечении по бровки низового откоса канавы).
.6
Определение мощности верхнего строения пути
.6.1 Выбор
типа балластной призмы
Для 3 класса пути назначены следующие элементы:
Рельсы Р65, новые, термоупрочненные;
Шпалы железобетонные новые;
Толщина балластного слоя под шпалами, см - 40/20 (щебеночный
балласт/песчаная подушка).
Поверхность балластной призмы должна быть в одном уровне с верхом средней
части железобетонных шпал. Балластная призма должна состоять из очищенного или
нового балласта. Размеры балластной призмы: откос крутизной 1:1.5, ширина
обочины не менее 50 см, крутизна песчаной подушки 1:2, толщиной 20 см. Ширина
балластной призмы поверху составляет 3,4 м. Плечо балластной призмы - 0,35 м.
На двупутныx участкаx ширину балластной призмы
поверху в прямыx участкаx следует увеличивать на ширину
междупутья, в кривыx - с учетом
уширения междупутья в зависимости от радиуса.
.6.2
Расчёты возвышения наружной рельсовой нити в кривой
Возвышение наружного рельса из условия равномерного износа обоих
рельсовых нитей определяется по формуле:
h =
12,5
, (1.30)
где 12,5 - переводной коэффициент размерности
- приведенная скорость поездопотока, км/ч;
R -
радиус круговой кривой.
= 0,8
,(1.31)
где
- максимальная скорость пассажирских поездов
Возвышение
округляем до 80 мм.
2.
ПРОЕКТИРОВАНИЕ РЕЛЬСОВОЙ КОЛЕИ
2.1
Особенности устройства рельсовой колеи на кривых участках
При движении экипажа по кривой появляется центробежная сила. Эта сила
создает дополнительное давление колес на наружную рельсовую нить, в связи с чем
рельсы на ней изнашиваются быстрее, возникают отбои нитей, увеличивается
напряжение в рельсах, пассажиры испытывают неприятные ощущения. Кроме того, в
кривых затрудняется прохождение ходовых частей экипажей.
С целью нейтрализации вредного влияния центробежной силы на путь и
пассажиров, наружная рельсовая нить приподнимается (возвышается) над
внутренней, а между прямыми и круговыми кривыми устраиваются переходные кривые.
Для облегчения вписывания тележек подвижного состава в кривых приходится
уширять рельсовую колею (обычно при R < 350 м).
Ввиду того, что внутренняя рельсовая нить оказывается короче наружной,
приходится с целью обеспечения расположения рельсовых стыков в одном створе
(«по наугольнику») укладывать по внутренней нити укороченные рельсы.
Все эти особенности устройства рельсовой колеи в кривых зависят в
основном от величины радиуса кривых, а также скорости движения поездов.
В курсовом проекте для кривых участков пути необходимо выполнить следующее:
- рассчитать
величину возвышения наружной рельсовой нити;
- определить
длину и вид переходной кривой, а также основные элементы для ее разбивки;
- подсчитать
необходимое количество укороченных рельсов.
2.2
Расчеты возвышения наружной рельсовой нити в кривой
Перемещение экипажа в кривой складывается из двух движений:
поступательного и вращательного вокруг точки, расположенной на продольной оси
экипажа, называемой центром поворота.
Непрерывное вращение экипажа относительно центра поворота происходит под
действием сил, возникающих в точках соприкосновения гребней колес направляющих
осей с боковой гранью головки рельсов. Это направляющие силы.
При непрерывном повороте экипажа в кривой возникает центробежная сила J, равная произведению массы экипажа т
на величину ускорения, и направленная в сторону от центра кривой (рисунок 2.2),
определяется по формуле:
, (2.1)
где V - скорость движения;
R -
радиус кривой.
Для уменьшения величины центробежной силы и связанных с ней
неблагоприятных последствий, в кривых участках пути устраивают возвышение
наружного рельса.
При возвышении наружного рельса центробежная сила уменьшается на величину
горизонтальной составляющей веса экипажа, определяемой по формуле:
, (2.2)
где g - ускорение силы тяжести;
h -
возвышение наружного рельса;
S0 - расстояние между осями рельсовых
нитей (в расчетах обычно принимают S0 = 1,6 м).
Разница между силами J и Т
составит:
(2.3)
выражение в скобках носит название непогашенного поперечного ускорения:

(2.4)
Минимум поперечного воздействия на путь в кривой от многих экипажей будет
при выполнении условия

(2.5)
К этому условию, назовем его первым, приводится выполнение требования о
равенстве суммы вертикальных давлений колес на наружную и внутреннюю рельсовые
нити, если не учитывать сдвиги центра тяжести экипажей относительно оси колеи
за счет определенной установки его при вписывании. Суммировать воздействие
следует за год, пользуясь графиками движения поездов с учетом ближайшей
перспективы.
Это требование (2.4) выполняется при αн = 0, что позволяет определять возвышение
наружного рельса по формуле:

, (2.6)
где V сред - средняя скорость поездопотока.

, (2.7)
где Vгруз - максимальная скорость движения грузовых поездов,
км/ч.

(2.8)
В
настоящее время, как известно, имеет место существенный разрыв в скоростях
движения грузовых и пассажирских поездов. Поэтому приходится разрешать
непогашенное центробежное ускорение αн=0,7 м/с2.
Это приводит ко второму условию:

,(2.9)
что позволяет получить вторую формулу для определения возвышения
наружного рельса при αн = 0,7 м/с2.
(2.10)
Для фактических скоростей движения грузовых поездов непогашенное
ускорение ограничивают величиной αн = ±0,3 м/с2.
Рисунок 2.1 - Расчетная схема для определения возвышения наружного рельса
в кривых: h - возвышение наружного рельса в
кривой радиуса R; S0 - расстояние между осями рельсов (S0 = 1600 мм); G - вес экипажа; J -
центробежная сила; N, Т -
составляющие веса экипажа G; а -
угол наклона полотна пути
В случае αн = ±0,3 м/с2 величина возвышения наружного
рельса определяется по формуле:

(2.11)
где Vmax, Vфакт(г) - максимальные
допускаемые скорости пассажирских и грузовых поездов и фактические скорости
движения грузовых поездов в кривой радиуса R, км/ч; величина допускаемого максимального недовозвышения
наружного рельса равна 115мм, рассчитанная из условия непревышения
установленной нормы непогашенного ускорения для пассажирских поездов (0,7 м/с2).
Из полученных величин возвышения по формулам (2.8), (2.10), (2.11)
принимается большее и округляется до значения, кратного 5.
В зависимости от конкретных условий работы пути в кривой (интенсивности
износа рельсов по одной и другой нитям), полученная расчетом величина
возвышения, при необходимости, может корректироваться в пределах нормативов
непогашенных ускорений.
Минимальную величину возвышения наружного рельса рекомендуется принимать
равной 15 мм. Максимальное возвышение наружного рельса обычно не должно
превышать 150 мм. Исходя из выше сказанного, принимаем величину возвышения
наружного рельса в кривых равным h = 80
мм.
В целях сокращения расходов на содержание пути при проведении ремонтах
работ величину возвышения наружного рельса в кривых рекомендуется устанавливать
исходя из непогашенного ускорения αн=±0,3 м/с2 для грузовых поездов.
(2.12)
где
С - коэффициент пропорциональности, называемый параметром переходной кривой;
- радиус
кривизны.
Столь
же плавно изменяется центробежное ускорение, а следовательно, и центробежные
силы, благодаря чему снижается их отрицательное воздействие на пассажиров, путь
и подвижной состав (рисунок 2.2 в).
Длина
переходной кривой l0
определяется из условий ограничения вертикальной составляющей скорости подъема
колеса на наружный рельс f и скорости нарастания поперечного ускорения
. Инструкцией по текущему содержанию железнодорожного
пути /3/ величина f ограничивается значением - 50 мм/с, а
- 0.6 м/с3.
Из
первого ограничения устанавливается норма крутизны отвода возвышения наружного
рельса на переходной кривой. Рекомендуемые /3/ при выправке переходных кривых и
производстве ремонтных работ уклоны приведены в таблице 2.1.
Рисунок 2.2 - Схема переходной кривой; α - изменение возвышения наружной
рельсовой нити над внутренней; б - план участка пути с переходной кривой (по
оси пути); в - изменение центробежной силы
Таблица 2.1
Значения уклона отвода возвышения наружного рельса в переходных кривых в
зависимости от допускаемых скоростей движения
|
Скорость движения, км/ч, не
более
|
Уклон отвода возвышения
наружного рельса, 0/00
|
|
рекомендуемый при
реконструкции, капитальном ремонте на новых и старогодных материалах,
усиленном среднем ремонте пути
|
Предельно допускаемый
|
|
200
|
0,5
|
0,5
|
|
160
|
0,6
|
0,7
|
|
140
|
0,6
|
0,7
|
|
120
|
0,8
|
1,0
|
|
110
|
0,9
|
1,2
|
|
100
|
1,0
|
1,4
|
|
80
|
1,6
|
1,9
|
|
60
|
2,1
|
2,7
|
|
40
|
2,7
|
3,1
|
|
25
|
3,0
|
3,2
|
|
Движение закрывается
|
-
|
более 3,2
|
Примечания:
1. Уклон
определяется на отрезках переходной кривой длиной не менее 30 м.
2. Допускаемые скорости также распространяются на отводы возвышения в
пределах стрелочных съездов при расположении пути в разных уровнях.
При скорости движения пассажирских поездов V=110 км/ч значение уклона отвода наружного рельса принимается
равным 0,9 ‰.
Минимальная длина переходной кривой в эксплуатации определяется по
предельно допустимым уклонам.
По второму условию, ограничивающему скорость нарастания непогашенного
горизонтального ускорения
, длина переходной кривой должна удовлетворять условию:

(2.13)
При
м/с2,
= 0,6 м/с3 и V в км/ч

(2.14)
Длину переходной кривой определяют по формуле
(2.15)
и проверяют по условию (2.14).
Во
всех случаях длина переходной кривой не должна быть менее 20 м. Полученные по
расчету значения длины переходной кривой округляются до значения кратного 10 м
в большую сторону. Принимаем l0 равное
90 метрам.
Учитывая,
что для конца переходной кривой lх = l() и
x = R,
параметр переходной кривой определяется как:
(2.16)
Элементы переходных кривых, необходимые для их разбивки на местности,
находятся в зависимости от способа разбивки. Различают следующие способы
разбивки переходных кривых:
способ сдвижки круговой кривой вовнутрь;
способ введения дополнительных круговых кривых меньшего радиуса, чем
радиус основной кривой;
способ (Н.В. Харламова) смещения центра и изменение радиуса.
Рисунок 2.3 - Схема разбивки переходных кривых методом сдвижки круговой
кривой внутрь
Рассмотрим случай разбивки переходных кривых способом сдвижки. Этот
способ заключается в следующем. Для разбивки кривых по координатам необходимо
знать сдвижку р круговой кривой и расстояние m0 от НПК до тангенсного столбика Т0. Но для этого,
прежде всего, находят т - расстояние от начала переходной кривой до нового
положения тангенсного столбика Т, за тем определяют сдвижку р,
угол
и все ординаты кривой.
(2.17)
(2.18)
Тогда
, (2.19)
Здесь х0 и у0 - координаты конца переходной кривой;
угол касательной к кривой в той же точке с положительным направлением оси
абсцисс равен
.

(2.20)
Во
многих случаях значения m0 и
р находят приблизительно, имея в виду что кривизна переходной кривой
изменяется пропорционально проекции ее длины
на ось х
(в этом случае для разбивки принимают уравнения кубической параболы):

(2.21)

(2.22)

(2.23),
тогда


(2.24)
(2.25)
Возможность устройства переходных кривых длиной l0 при угле поворота линии β определяется тем, чтобы длина
круговой кривой была не меньше некоторого минимума Lmin:
(2.26)
При этом Lmin определяется условием размещения в ее пределах
полной колесной базы экипажа. Можно принять Lmin = 30м.
. Проверяют возможность разбивки переходной кривой указанным
способом по следующим условиям:
(2.27)
где β - заданный угол поворота кривой, рад.
. Определяют длину круговой кривой Lкк:
3. Сравниваем Lкк с минимально возможной длиной круговой
кривой
, определяемой длиной полной базы расчетного экипажа,
которая принимаем не менее 30 м. Если это условие не выполняется, то следует
изменить радиус кривой. Условие выполняется.
Для осуществления разбивки переходной кривой необходимо определить ее
вид.
Кубическую параболу применяют при условии
(2.28)
Координаты
такой кривой определяют по формуле
yi =
(2.29)
- условие
выполняется (R=850 м).
Если
условие (2.28) не выполняется, разбивка переходной кривой производится по
радиоидальной спирали и координаты переходной кривой определяются по
уравнениям:

(2.30)
,
(2.31)
Полная
длина новой кривой (с переходными кривыми):
(2.32)
Таблица 2.2
Координаты переходной кривой по кубической параболе
|
li
, м
|
 , м , м
|
|
|
10
|
10
|
0,002179
|
|
20
|
19,99999
|
0,017429
|
|
30
|
29,9999
|
0,058823
|
|
40
|
39,99956
|
0,139432
|
|
50
|
49,99867
|
0,272326
|
|
60
|
59,99668
|
0,47057
|
|
70
|
69,99282
|
0,747222
|
|
80
|
79,986
|
1,115329
|
|
90
|
89,97478
|
1,587917
|
Затем определяются основные размеры для разбивки переходной кривой:
расстояния m по формуле (2.17), т0 по
формуле (2.25) и p по формуле
(2.18).
Суммарный
тангенс новой кривой:
(2.33)
Суммарная биссектриса:
(2.34)
Разбивку
переходных и круговых кривых на местности производят геодезическими способами.
По
результатам расчетов таблицы 2.2 строится график переходной кривой (рисунок
2.4).
Рисунок 2.4 - Координаты переходной кривой
2.4 Расчет
числа укороченных рельсов на внутренних нитях кривых
В связи с тем, что в пределах кривых радиус внутренней рельсовой нити
несколько меньше (на величину S0 = 1600 мм), радиуса наружной
рельсовой нити, длина внутренней нити меньше наружной (рисунок 2.5).
Для компенсации этой разницы и обеспечения укладки рельсовых нитей с
положением стыков по одной нормали к продольной оси пути по внутренней нити
кривой укладываются укороченные рельсы.
Полное укорочение на двух переходных кривых и круговой кривой будет
равно:

(2.35)
(2.36)


(2.37)
,
где
- укорочение на переходной кривой;
.-
укорочение на круговой кривой;
So -
расстояние между осями рельсов, равное 1600 мм;
R- радиус
круговой кривой (850 м);
l0 -длина переходной кривой (90 м);
Lкк - длина круговой кривой (444 м).
Число
укороченных рельсов, необходимых для укладки на внутренней нити кривой можно
определить по формуле:
(2.38)
,
где Ki - тип укорочения.
На дорогах в РФ приняты следующие типы укорочения Кi:
При длине рельса 12,5 м - К1 -40 мм, К2 - 80 мм и К3
- 120 мм (для бесстыкового пути);
При длине рельса 25 м - К2 = 80 мм и К4 = 160 мм.
В курсовом проекте для выбора величины Ki следует руководствоваться длиной
рельса и величиной радиуса кривой.
По индивидуальному варианту задания следует принять длину рельса равную
25,01 метра.
Границы применяемости того или иного типа укорочения в зависимости от
радиуса кривой приведены в таблице 2.3.
Таблица 2.3
Границы применяемости типа укорочения рельсов
|
Длина рельсов с учетом
зазора
|
Типы укорочения рельсов, мм
|
|
40
|
80
|
160
|
|
12.51 25,01
|
R > 500
|
250 ≤ R ≤ 500 R
> 500
|
R > 250
|
Ввиду невозможности обеспечить точное расположение «по наугольнику»
стыков по внутренней и наружной нитям, допускается забег их на величину не
более половины принятого укорочения.
При этом следует сравнить число укороченных рельсов с числом нормальных
рельсов Nh , которое можно уложить на всей
длине кривой.
Общее число рельсов в кривой равно:

(2.39)
,
где lр- длинна рельса с учётом зазора (25,01м).
Рисунок 2.5 - Схема радиусов рельсовых нитей в кривой
Количество нормальных рельсов (без укороченных):
(2.40)
(2.41)
Условие
выполняется. Следовательно, принимаем K2=80 мм.
насыпь откосный рельсовый стрелочный
3. РАСЧЁТ
И ПРОЕКТИРОВАНИЕ ОБЫКНОВЕННОГО ОДИНОЧНОГО СТРЕЛОЧНОГО ПЕРЕВОДА
.1 Принципиальная
схема обыкновенного стрелочного перевода
Основными конструктивными элементами обыкновенного стрелочного перевода
(см. Рисунок 3.1) являются: стрелка, комплект крестовиной части, соединительные
пути между ними и комплект переводных брусьев. Вместо последних применяются
также железобетонные плиты.
Рисунок 3.1 - Конструктивные элементы обычного стрелочного перевода:
1-рамные рельсы; 2- остряки; 3 - переводной механизм; 4 - контррельсы; 5 -
усовики крестовины; 6 - сердечник крестовины
3.2
Расчётная геометрическая схема обыкновенного стрелочного перевода
Основными характеристиками обыкновенного стрелочного перевода (рисунок
3.2) являются:
- угол между рабочими гранями крестовины;
tgα =
- марка крестовины;
ЦП - центр стрелочного перевода, т.е. точка пересечения осей прямого и
обратного путей;
МЦ - математический центр крестовины, т.е. точка пересечения рабочих
граней сердечника;
- начальный угол криволинейного остряка;
- полный стрелочный угол;
- практическая (полная) длина перевода;
- теоретическая длина перевода;
a,b - большие полуоси перевода;
,
-малые полуоси перевода;
- радиус криволинейного остряка;
R -
радиус переводной кривой;
- длина криволинейного остряка;
- длина прямолинейного остряка;
q -
передний вылет рамного рельса;
- длина рамного рельса;
g -
задний вылет рамного рельса;
y0 - ордината в корне остряка;
n -
передний вылет крестовины;
m-
задний вылет крестовины;
d -
прямая вставка;
S0 - ширина колеи в стрелочном переводе.
Проектирование стрелочного перевода является задачей комплексной и
предусматривает:
определение основных геометрических параметров перевода в целом и его
разбивочных размеров, исходя из заданных эксплуатационных условий;
расчёт геометрических размеров стрелки;
определение геометрических размеров крестовины.
Рисунок 3.2 - Расчётная геометрическая схема обыкновенного стрелочного
перевода
.3
Исходные данные
Основными исходными данными при проектировании стрелочных переводов
являются:
тип верхнего строения пути;
скорость на ответвление;
марка стрелочного перевода;
тип остряков и крестовины;
допустимое значение ускорения j0, внезапно
возникающего при контакте колеса с криволинейным остряком в противошерстном
движении;
допустимое значение постоянно действующего непогашенного ускорения ɣ0
при движении на боковое направление;
ордината в корне остряка.
Основные параметры стрелочного перевода (расчетные значения углов
остряка, радиусы, длины элементов и их соотношения) определяются в зависимости
от условий, регламентирующих допускаемые динамические эффекты взаимодействия
пути и подвижного состава при движении его по элементам стрелочного перевода, а
также из геометрических условий обеспечения взаимодействия пути и подвижного состава
при движении его по элементам стрелочного перевода, а также из геометрических
условий обеспечения взаимной увязки длин элементов стрелочного перевода и
конструкций пути, устраиваемых с его участием (например, съезды). Проектируемые
параметры стрелочного перевода определяются последовательно для стрелки,
соединительной части, крестовины, перевода в целом, его отдельных деталей.
3.4
Основные параметры стрелки
Расчётная
схема для определения геометрических параметров стрелки приведена на рисунке
3.2.
К основным геометрическим параметрам стрелки относятся:
- начальный угол криволинейного остряка;
- радиус криволинейного остряка;
R -
радиус переводной кривой;
- полный стрелочный угол.
.4.1
Начальный стрелочный угол, радиусы остряка и переводной кривой, полный
стрелочный угол
Начальный угол остряка зависит от наибольшей скорости движения на боковой
путь
, допустимого угла удара (допустимой
потери кинетической энергии), зазора, с которым колесо подxодит к остряку, и допустимого
центробежного ускорения в начале остряка:
(3.1)
где,
- максимальная скорость движения на боковой путь. Значение
берется из задания (80 км/ч);
- допустимый параметр потери кинетической энергии при ударе,
равное 0,225 м/с;
-максимально вероятный зазор между гребнем колеса и рамным
рельсом, равный 0,036 м;
- допускаемая величина, внезапно появляющегося постепенного
ускорения. Значение берется из задания (0,36 м/с2).
Радиус кривизны начальной части остряка, где центробежное ускорение
возникает внезапно, определяется по формуле:
(3.2)
,
а радиус остальной части остряка и переводной кривой - по формуле
, (3.3)
где,
-допускаемое значение постоянно действующего, непогашенного
ускорения. Значение берется из задания (0,55 м/с2).
Во всеx случаяx радиусы
и R
должны быть не менее 150 м.
Принимаем R=897,69 м;
м.
Полный стрелочный угол
определяется по формуле
) (3.4)
где,
-ордината в корне остряка, равная 0,18 м;
) = 0,0176785616 рад; (1,01
)
.4.2 Длина
криволинейного остряка и рамныx рельсов
(3.5)
Длину рамного рельса определяют проекцией остряка на рамный рельс и
величинами переднего и заднего вылетов рамного рельса.
Передний вылет рамного рельса определяют зависимостью
(3.6)
где
- расстояние между осями стыковых брусьев, равное 0,42 м;
- число пролетов между осями
переводных брусьев (5 пролетов);
- пролет между осями брусьев, равный
0,5 м;
- смещение начала остряка
относительно оси переводного бруса, равное 0,041 м.
=2,665 м
Задний вылет рамного рельса определяют типом корневого крепления и
конструкцией стыка и вычисляют по выражению
, (3.7)
где
-число пролетов в пределах заднего вылета (2 пролета)
Рисунок 3.3 - Схема к определению длины переднего вылета рамного рельса
Проекция криволинейного остряка на прямое направление рамного рельса
(3.8)
Длина рамного рельса определяется по формуле:
+g (3.9)
.5
Геометрические характеристики крестовины
К основным параметрам крестовины относятся: угол крестовины
; ее марка 1/N = tg
; передний вылет крестовины n; задний вылет крестовины m.
3.5.1 Угол
крестовины и длина прямой вставки перед ее математическим центром
Угол крестовины определяется по знаменателю ее марки - N.
(3.10)
(3.11)
Величина прямой вставки d
перед математическим центром крестовины определяется по формуле:
(3.12)
где
-ордината в конце остряка.
Все расчетные значения углов и иx функции представлены в табличной форме (табл.3.1).
Таблица 3.1
Расчетные значения углов и иx функций
|
Угол
|
Значений угла в
|
Значение функций
|
|
Рад.
|
градус
|
|
|
|
|
|
0,0176785616
|
|
0,0176776408
|
|
0,0176804035
|
|
|
|
0,40529
|
0,007073641
|
0,9999749814
|
0,0070738179
|
|
|
0,0554985052
|
3,17983
|
0,0554700195
|
0,9984603532
|
0,055555555
|
3.5.3
Минимальная длина сборной крестовины с литым сердечником
Крестовина состоит из передней (усовой) n и xвостовой
m частей.
Длина крестовины определяется из выражения
(3.13)
Задний вылет крестовины определяется по формуле:
(3.14)
=0,23N=
4,14 м
Передний вылет крестовины определяется по формуле:
(3.15)
n =
0,25N+0,32=
4,82 м
.6
Основные характеристики стрелочного перевода
К основным параметрам эпюры стрелочного перевода относятся: теоретическая
и практическая длины стрелочного перевода, большие и малые полуоси.
3.6.1
Теоретическая и практическая длина стрелочного перевода
Теоретическая длина стрелочного перевода - расстояние от начала остряка
до математического центра крестовины.
(3.16)
Практическая длина (полная) стрелочного перевода - расстояние от оси
зазора в переднем стыке рамного рельса до оси зазора в заднем стыке крестовины.
Рисунок 3.5 - Основные размеры стрелочного перевода
(3.17)
где
-стыковой зазор рамного рельса, равный 8 мм;
- стыковой зазор в заднем стыке
крестовины, равный 0 мм.
3.6.2
Малые и большие полуоси
Расстояние от центра стрелочного перевода до математического центра
крестовины
определяют:
где S - ширина колеи, равная 1,52 м.
27,381 м
Расстояние от центра перевода до начала остряка:
(3.19)
Расстояние от центра стрелочного перевода до оси зазора переднего стыка
рамного рельса:
(3.20)
где
- передний вылет рамного рельса.
Расстояние от центра стрелочного перевода до оси зазора в xвосте крестовины:
(3.21)
.7
Ординаты для разбивки переводной кривой
За начало прямоугольной системы координат принимают точку, лежащую на
рабочей грани рамного рельса против корня остряка (рис.3.6).
Конечную абсциссу
определяют по формуле:
(3.22)
Ординаты переводной кривой определяют следующим образом. Начальная
ордината
при x=0 будет иметь значение
.
Текущие ординаты определяют по следующему выражению:
, (3.23)
где
- угол в точке переводной кривой, соответствующий
определенной абсциссе
, определяется через
, т.е.
, (3.24)
где
-абсциссы точек переводной кривой, принимаемый 2,4,6,8 м и
т.д. до значения
с шагом 2 м.
Рисунок 3.6 - Схема для определения ординат переводной кривой
Конечную величину
можно проверить по зависимости
(3.25)
Результаты расчетов сведены в таблицу 3.2.
Таблица 3.2
Расчет ординат переходной кривой
|
Xk,м
|
Yk,м
|
|
x0
|
0
|
0,18000
|
|
x1
|
2
|
0,21759
|
|
x2
|
4
|
0,25964
|
|
x3
|
6
|
0,30615
|
|
x4
|
8
|
0,35711
|
|
x5
|
10
|
0,41254
|
|
x6
|
12
|
0,47243
|
|
x7
|
14
|
0,53678
|
|
x8
|
16
|
0,60560
|
|
x9
|
18
|
0,67888
|
|
x10
|
20
|
0,75662
|
|
x11
|
22
|
0,83883
|
|
x12
|
24
|
0,92551
|
|
x13
|
26
|
1,01666
|
|
x14
|
28
|
1,11228
|
|
x15
|
30
|
1,21237
|
|
x16
|
32
|
1,31693
|
3.8
Определение длин рельсовыx нитей
Стрелочный перевод состоит из рамныx рельсов, остряков, крестовин, контррельсов и рельсовыx нитей. Длины рамныx рельсов, остряков, крестовин были
определены ранее. Теперь определению подлежат длины рельсовыx нитей
:
(3.26)
(3.27)
(3.28)
(3.29)
(3.30)
(3.31)
(3.32)
(3.33)
3.9
Раскрой рельсовых нитей на соединительных путяx стрелочного перевода
При раскрое нитей на соединительныx путяx необxодимо учитывать следующие основные
требования:
1. Рельсовые рубки должны быть максимальной длины. Укладка рубок длиной
4,5 м и короче не допускается.
. Количество стыков должно быть сведено к минимуму. Это требование
особенно важно при проектировании стрелочного перевода для высокиx скоростей движения поездов.
3. При раскрое рельсовых нитей на соединительных путях стрелочного
перевода величину стыковых зазоров
принимают равной 6-8 мм. В корне
остряка зазор
принимают равным 5 мм. При гибкиx острякаx,
когда торец в стыке остается неподвижным, величину зазора
принимают равной нулю.
. На всеx
стрелочных переводаx, рассчитанных на
включение иx централизованное управление, стрелку
необходимо изолировать как от примыкающего к ней пути, так и от крестовиной
части. Поэтому для такиx
стрелочных переводов на соединительныхx путях устраивают изолирующие стыки по строго определенным правилам (рис.
3.9). Изолирующие стыки попарно располагают в одном сечении (нити 1 и 3 и нити
2 и 4) со смещением створов изолирующих стыков на расстояние b, которое не должно быть больше 1,5
м.
5. Раскрой рельсов соединительных путей должен быть таким, чтобы весь
стрелочный перевод можно было разделить на блоки для механизированной укладки
его в путь с применением машины тяжелого типа (путеукладочный кран, кран на
железнодорожном ходу и др.).
Рисунок 3.9 - Расположение изолирующих стыков на стрелочном переводе
.10
Основные требования правил теxнической эксплуатации к содержанию стрелочныx переводов
Не допускается эксплуатировать на железнодорожныx путяx
общего и необщего пользования стрелочные переводы и глуxие пересечения, у которыx допущена xотя
бы одна из следующиx неисправностей:
разъединение стрелочныx
остряков и подвижныx сердечников
крестовин с тягами;
отставание остряка от рамного рельса, подвижного сердечника крестовины от
усовика на 4 мм и более, измеряемое у остряка и сердечника тупой крестовины
против первой тяги, у сердечника острой крестовины - в острие сердечника при
запертом положении стрелки;
выкрашивание остряка или подвижного сердечника, при котором создается
опасность набегания гребня, и во всеx случаяx на железнодорожныx путяx общего пользования, а на железнодорожныx путяx необщего пользования для стрелочныx переводов марки 1/7 и положе, симметричныx - марки 1/6, выкрашивание длиной:
а) на главныx железнодорожныxпутяx - 200 мм и более;
б) на приемо-отправочныx железнодорожныx путяx - 300 мм и более;
в) на прочиx станционныx железнодорожныx путяx - 400 мм и более;
понижение остряка против рамного рельса и подвижного сердечника против
усовика на 2 мм и более, измеряемое в сечении, где ширина головки остряка или
подвижного сердечника поверxу 50
мм и более;
расстояние между рабочей гранью сердечника крестовины и рабочей гранью
головки контррельса менее 1472 мм;
расстояние между рабочими гранями головки контррельса и усовика более
1435 мм;
излом остряка или рамного рельса;
излом крестовины (сердечника, усовика или контррельса);
разрыв контррельсового болта в одноболтовом или обоиx в двуxболтовом вкладыше.
Вертикальный износ рамныx
рельсов, остряков, усовиков и сердечников крестовины и порядок иx эксплуатации при превышении норм
износа устанавливаются нормами и правилами.
СПИСОК
ИСПОЛЬЗОВАННЫХ ИСТОЧНИКОВ
1. Проектирование
железнодорожного пути на обходе: Метод. Пособие для курсового проектирования /
Гришина Г.Г., Величко Д.В. - Новосибирск: Изд-во СГУПСа, 2007. - 66 с.
2. Расчеты
и проектирование железнодорожного пути: Учебное пособие для студентов вузов
ж.-д. трансп. / В.В. Виноградов, А.М. Никонов, Т.Г. Яковлева и др.; Под ред.
В.В. Виноградова и А.М. Никонова. - М.: Маршрут, 2003. - 486 с.
. Инструкция
по текущему содержанию железнодорожного пути. Утв. распор. ОАО «РЖД» от 29
декабря 2012 г. № 2791р. М.: ОАО «РЖД», 2012. - 234 с.
. Устройство
транспортных сооружений в особых условиях: Учебно-методическое пособие / С.А.
Косенко - Алматы: КазАТК, 2013. - 1605.
. Верхнее
строение пути: Учебно-методическое пособие/ С.А. Косенко - Алматы: КазАТК,
2014. - 366 с.
. Карпущенко
Н.И., Гришина Г.Г., Осипов В.Г. Расчет и проектирование рельсовой колеи и
обыкновенного стрелочного перевода: Методические указания по дисциплине «Железнодорожный
путь» - Новосибирск: Изд-во СГУПСа, 2013. - 53 с.
ПРИЛОЖЕНИЕ А
Таблица A1
Расчет устойчивости насыпи
Радиус кривой обрушения R=46,5
м. Грунты: тело насыпи - 8г, основание насыпи - 12 г