|
Номер
сегмента
|
Код
номера
сегмента
|
Размер
шага
квантования
|
Нижняя
граница сегмента
|
Верхняя
граница сегмента
|
|
0
|
000
|
0 16
|
|
|
|
1
|
001
|
16 32
|
|
|
|
2
|
010
|
2 32 64
|
|
|
|
3
|
011
|
4 64 128
|
|
|
|
4
|
100
|
8 128 256
|
|
|
|
5
|
101
|
16 256 512
|
|
|
|
6
|
110
|
32 512 1024
|
|
|
|
7
|
111
|
64 1024 2048
|
|
|
Таб.5 - параметры амплитудной характеристики
квантующего устройства А87,6/13.
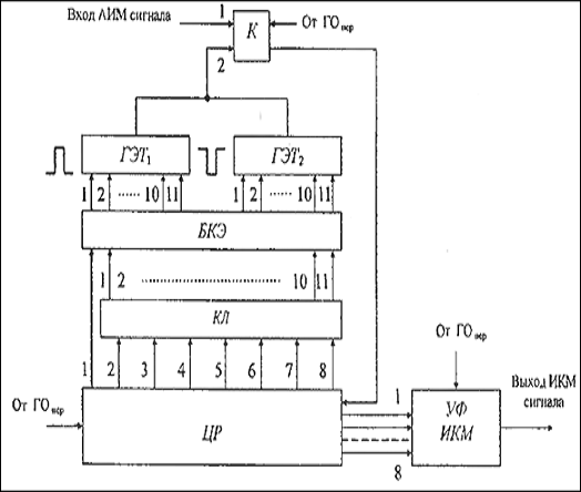
Рис.8 - структурная схема декодера кодека с
нелинейным квантованием
В соответствии с таб.3 8-и разрядное кодовое
слово мгновенного значения сигнала имеет структуру PXYZABCD. В этой структуре P
- старший разряд указывает полярность сигнала ("1" - положительная,
"0" - отрицательная), XYZ - код номера сегмента, а ABCD - код номера
шага внутри сегмента.
Найдем минимальный размер шага:
Согласно заданным значениям, при неравномерном
квантовании получим два кодовых слова:
На вход кодера поступает сигнал
величиной 89
0. В первом
разряде будет сформирован "1": Р=1 (сигнал имеет положительную
величину). В течение следующих трёх тактов формируются разряды кода номера
сегмента (XYZ) по
алгоритму, изображенному на рис.9.
Рис.9 - алгоритм кодирования номера сегмента
Код сегмента - 011 (3й сегмент): шаг квантования
-
Далее осуществляем кодирование номера шага
внутри сегмента методом взвешивания.
|
№
Сегмента
|
Код
сегм.
|
Шаг
квантования,
|
Корректирующий
сигнал,
|
|
|
Основной
|
Дополнительные
|
|
|
|
0
|
000
|
0
|
8
|
4
|
2
|
1
|
1
|
½
|
|
1
|
001
|
16
|
8
|
4
|
2
|
1
|
1
|
½
|
|
2
|
010
|
32
|
16
|
8
|
4
|
2
|
2
|
1
|
|
3
|
011
|
64
|
32
|
16
|
8
|
4
|
4
|
2
|
|
4
|
100
|
128
|
64
|
32
|
16
|
8
|
8
|
4
|
|
5
|
101
|
256
|
128
|
64
|
32
|
16
|
16
|
8
|
|
6
|
110
|
512
|
256
|
128
|
64
|
32
|
32
|
16
|
|
7
|
111
|
1024
|
256
|
128
|
64
|
64
|
32
|
Таб.6 - таблица основных и дополнительных
эталонов, шагов квантования.
Полученная кодовая комбинация: 10110110
При декодировании будет восстановлено следующее
значение:
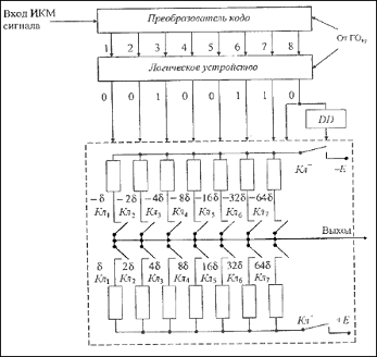
Рис.10 - линейный кодер взвешивающего типа
двухполярного сигнала
Рис.11 - линейный декодер взвешивающего типа для
двухполярного сигнала
Рассчитаем величину шума квантования:
Абсолютная ошибка декодирования в данном случае
равна величине шума квантования.
Относительная ошибка декодирования:
На вход кодера поступает сигнал
величиной -1425
0. В первом
разряде будет сформирован "0": Р=0 (сигнал имеет отрицательную
величину). В течение следующих трёх тактов формируются разряды кода номера
сегмента (XYZ) по
алгоритму, изображенному на рис.9.
Код сегмента - 111 (7й сегмент): шаг квантования
-
Далее
осуществляем кодирование номера шага внутри сегмента методом взвешивания.
Полученная кодовая комбинация: 01110110
При декодировании будет
восстановлено следующее значение:
Рассчитаем величину шума
квантования:
Абсолютная ошибка декодирования в данном случае
равна величине шума квантования.
Относительная ошибка декодирования:
Рис.12 - полученные кодовые комбинации в коде
БВН
Задание
№4
|
Количество
символов в синхрогруппе,
|
Количество
критических точек,
|
Ёмкость
накопителя по выходу из синхронизма,
|
Ёмкость
накопителя по входу в синхронизм,
|
Вероятность
ошибки в линейном тракте,
|
|
7
|
1,7
|
4
|
3
|
|
Таб.7 - таблица с исходными данными для задания
№4
Рассчитать среднее время удержания и среднее
время восстановления циклового синхронизма, если в системе применён
неадаптивный приёмник со скользящим поиском циклового синхросигнала. При
выполнении задания считать, что система используется в первичной ЦТС с циклами
передачи РСМ31.
Рис.13 - структурная схема неадаптивного
приёмника циклового синхросигнала со скользящим поиском
Рис.14 - структурная схема опознавателя
синхросигнала
Рис.15 - алгоритм поиска
состояния синхронизма приемником со скользящим поиском
Возникновению ложной синхронизации будет
соответствовать следующая вероятность:
Обычно
поэтому
выражение принимает вид:
Вероятность обнаружения выхода из синхросигнала:
Для обнаружения синхронизма необходимо провести μ
опробований,
Найдем минимальное время выхода из
синхронизма:
Найдем суммарное время поиска
синхросигнала.
Найдем среднее время удерживания
циклового синхронизма.
- среднее время
поиска синхросигнала в зоне случайного сигнала состоящего из
позиций
(
)
- среднее время
поиска синхросигнала, в зоне синхросигнала (хотя бы одной позиции), число таких
позиций равно: 
Понятие критических точек - кодовая группа,
длиной b символов, имеет
критические точки после тех первых i
символов, которые оказываются идентичными последним j-символом.
Наименьшее число критических точек, одна: bk=1
(01111…1)-на последнем символе. Максимальное число критических точек, dц.с.
: bk=7 (1111…1)-на
последнем символе.
Время поиска синхросигнала в зоне случайного
сигнала:
Для bk=1
(одна критическая точка)
Время поиска в зоне самого
синхросигнала:
Общее время поиска синхронизма:
Для bk=1
(одна критическая точка)
Для bk=7
(7 критических точек)
Найдем среднее время заполнения накопителя по
выходу (
)
и входу (
)
синхронизм:
Определить выигрыш во времени восстановления
синхронизма для случая независимой параллельной работы блока поиска
синхросигнала и блока накопления по выходу из синхронизма.
Среднее время восстановления циклового синхронизма
с одной критической точкой:
Среднее время восстановления циклового
синхронизма с семью критическими точками:
Найдем выигрыш во времени
восстановления синхронизма:
Выигрыш во времени восстановления синхронизма
для случая независимой параллельной работы блока поиска синхросигнала и блока
накопления по выходу из синхронизма составляет 123.973 (мс). Такой приёмник
называется адаптивным, он эффективен при высоком коэффициенте ошибок.
Задание
№5
|
1
|
1
|
0
|
0
|
|
0
|
0
|
0
|
0
|
|
0
|
0
|
0
|
1
|
|
1
|
0
|
1
|
1
|
|
0
|
1
|
0
|
1
|
|
0
|
1
|
0
|
0
|
Таб.8 - таблица с исходными данными для задания
№5
Построить первые 20 или более позиций последней
строки цикла (последнего субцикла) ЦТС ИКМ-120 с двусторонним согласованием
скоростей, если заданы два последовательно переданных поля команд согласования.
Считать, что принятые команды истинные. Отметить отсутствие или наличие ошибок
в заданных командах.
Исходя из заданных в таб.8 полей, команды
согласования по компонентным потокам следующие:
поток - отрицательное согласование
поток - нейтральная команда
поток - отрицательное согласование
поток - нейтральная команда
В соответствии с этими командами последняя
строка цикла ЦТС ИКМ-120 имеет следующий вид:
Рис.16 - последняя строка цикла ЦТС ИКМ-120.
На рис.16 буквами А, В, С, D
обозначены имена компонентных потоков, а числа при них - порядковые номера
битов в последней строке цикла. Символы ХХХХ обозначают биты последующей
команды согласования.
Задание
№6
Исходный двоичный код: 11110001101100001110101100111001
Изобразить заданную последовательность нулей и
единиц в кодах AMI, NRZ, HDB-3, 2B1Q, CMI
в виде прямоугольных импульсов соответствующей полярности и длительности.
Определить текущую цифровую сумму в конце каждого октета, а также предельное
значение текущей суммы. Сделать краткое заключение по результатам определения
текущей суммы для каждого кода.
AMI:
"0"-отсутствие импульса, "1"-импульсы длительностью
половины тактового интервала чередующейся полярности.
Рис.17 - заданная последовательность в коде AMI.
NRZ:
"0"-отрицательный импульс, "1"-положительный импульс
Рис.18 - заданная последовательность в коде NRZ
2B1Q:
двоичные комбинации вида 00, 01, 10, 11 заменяются импульсами с амплитудами -2,
-1, +1,+2 соответственно. Длительность импульсов равна удвоенному тактовому
интервалу исходной последовательности.

CMI:
"1" передаются импульсами чередующейся полярности длительностью в
тактовый интервал, "0" передаются биимпульсами.
Рис.20 - заданная последовательность в коде CMI
HDB-3:
соответствует формированию кода AMI,
но пакеты из четырех нулей заменяются комбинацией вида 000V
и B00V,в
которых импульс B не нарушает
полярностей, а импульс V-нарушает,
то есть его полярность совпадает с полярностью предыдущего импульса. В случае
если до комбинации из четырех нулей было четное количество единиц в коде, то
ставится комбинация B00V,
в противном случае 000V.
Ввести в последовательность кода HDB-3
ошибки на указанных позициях. Произвести декодирование полученной последовательности
и сравнить её с исходной.
Рис.21 - заданная последовательность в коде HDB-3
(без введенных ошибок).
Рис.22 - заданная последовательность в коде HDB-3
(с ошибкой)
|
Код
|
|
|
|
|
|
|
AMI
|
1
|
-1
|
0
|
0
|
0
|
|
NRZ
|
2
|
-2
|
4
|
0
|
4
|
|
2B1Q
|
2
|
-2
|
12
|
0
|
12
|
|
CMI
|
1
|
-1
|
0
|
0
|
0
|
|
HDB-3
|
1
|
1
|
0
|
0
|
2
|
|
HDB-3 с ош.
|
1
|
0
|
0
|
0
|
1
|
Таб.9 - текущие цифровые суммы
Заключение
Управляющее устройство (УУ) является
электротехническим устройством, предназначено для управления
преобразовательным, электродвигательным и передаточным устройствами.
Управляющее устройство, как правило, содержит информационную часть, получающую
информацию от задатчиков (сигнал задания) и датчиков обратной связи (сигнал о
состоянии привода) и в соответствии с заданными алгоритмами вырабатывает
сигналы управления.
Посредством системы электропривода приводятся в
движение рабочие органы технологических (производственных) машин и
осуществляется управление преобразованной энергией. Под управлением здесь
понимают организацию процесса преобразования энергии, обеспечивающую в
статических и динамических условиях требуемые режимы работы технологических
машин. Если основные функции управления выполняются без непосредственного
участия человека (оператора), то управление называют автоматическим, а
электропривод - автоматизированным.
Параметрами электропривода являются скорость, нагрузка,
диапазон регулирования, жесткость механической характеристики и
электромеханическая постоянная времени.
Для управления электроприводами применяется
множество различных устройств, однако, в настоящее время наиболее рациональным
кажется использование тиристорного и транзисторного управления
электроприводами. Для этой цели в разомкнутой или замкнутой системах управления
электроприводами используют управляемые выпрямители (для систем с двигателями
постоянного тока) и регуляторы напряжения или преобразователи частоты (для
систем с асинхронными двигателями).
дискретизация
амплитуда квантование аналоговый сигнал
Список
использованной литературы
1. Крухмалёв В.В.,
Гордиенко В.Н, Моченов А.Д. Цифровые системы передачи: Учебное пособие для
вузов/ М.: Горячая линия - Телеком - 2010. - 352 с: ил.
. Иванов В.И.,
Гордиенко В.Н., Попов Г.Н. и др. Цифровые и аналоговые системы передачи.
Учебное пособие для вузов/ М.: Горячая линия - Телеком - 2008. - 232 с: ил.
. Конспект лекций.