Разработка лабораторного модуля для изучения генератора сигналов на базе цифро-аналогового преобразователя

  • Вид работы:
    Дипломная (ВКР)
  • Предмет:
    Информатика, ВТ, телекоммуникации
  • Язык:
    Русский
    ,
    Формат файла:
    MS Word
    759,48 Кб
  • Опубликовано:
    2015-05-14
Вы можете узнать стоимость помощи в написании студенческой работы.
Помощь в написании работы, которую точно примут!

Разработка лабораторного модуля для изучения генератора сигналов на базе цифро-аналогового преобразователя

СОДЕРЖАНИЕ

ВВЕДЕНИЕ

1. ОБЗОРНАЯ ЧАСТЬ

1.1 Описание определения генератора сигналов

1.2 Генераторы сигналов произвольной формы

.3 Описание аналогов

2. РАЗРАБОТКА ЛАБОРАТОРНОГО МОДУЛЯ ДЛЯ ИЗУЧЕНИЯ ГЕНЕРАТОРА СИГНАЛОВ НА БАЗЕ ЦИФРО-АНАЛОГОВОГО ПРЕОБРАЗОВАТЕЛЯ

2.1 Описание структурной схемы устройства

3. ОПИСАНИЕ ЭЛЕМЕНТНОЙ БАЗЫ

3.1   Описание микроконтроллера PIC16f877

3.2 Описание цифро-аналогового преобразователя MCP4921

3.3 Описание цифрового индикатора

4. ПОСТРОЕНИЕ СХЕМЫ ЭЛЕКТРИЧЕСКОЙ ПРИНЦИПИАЛЬНОЙ

4.1 Описание принципиальной схемы устройства

5. РАЗРАБОТКА ПЕЧАТНОЙ ПЛАТЫ УСТРОЙСТВА

5.1 Выбор среды разработки печатной платы (2-3 стр pcad)

.2 Выбор технологии производства ПП или описание технологии производства ПП

.3 Конструкторский расчет ПП (3 класс точности и т.д.)

6. РАСЧЕТНАЯ ЧАСТЬ

.1 Потребляемая мощность микросхем

6.2 Расчет надежности

7. РАЗРАБОТКА ПРОГРАМНОГО ОБЕСПЕЧЕНИЯ ДЛЯ МК

.1 Описание среды разработки

.2 Разработка алгоритма программы

. ТЕХНИКО-ЭКОНОМИЧЕСКОЕ ОБОСНОВАНИЕ ПРОЕКТА

8.1 Маркетинговое исследование рынка модуля для изучения генератора на базе цифро-аналогового преобразователя

.2 Расчёт трудоемкости и цены разработки

.3 Расчёт затрат на создание устройства

.3.1 Затраты на основные и вспомогательные материалы

.3.2 Затраты на комплектующие материалы

.3.3 Расчёт заработной платы производственных рабочих опытного производства, занятых изготовлением опытного образца

.3.4 Расчет прочих расходов

.3.5 Расчёт цены единицы продукции

ЗАКЛЮЧЕНИЕ

СПИСОК ЛИТЕРАТУРЫ

ВВЕДЕНИЕ

Развитие цифровых технологий, в частности высокоскоростных цифро-аналоговых преобразователей ЦАП, приводит к вытеснению из производства аналоговых низкочастотных генераторов. Им на замену приходят цифровые генераторы на базе ЦАП. Применение ЦАП дает значительные преимущества особенно для формирования сигналов произвольной формы.

Они обладают рядом достоинств:

    Универсальность, поскольку они позволяют генерировать аналоговый сигнал с произвольной, заданной пользователем, формой.

-        Отсутствие ограничения по минимальной частоте

         Высокая стабильность параметров выходного сигнала

Цифровые генераторы обладают универсальностью и точностью. Поэтому они получают все большое распространение, как узлы электронной аппаратуры, так и самостоятельные устройства, применяемые при измерении и налаживании систем, работающих со сложными сигналами.

Описываемый в дипломном проекте генератор содержит микроконтроллер, он использован для управления специализированной микросхемой - цифро-аналоговым преобразователем MCP4921. Применение этой микросхемы позволило обеспечить генерацию сигнала с низким уровнем искажения и высокой стабильностью, а также расширить диапазон генерируемых частот от долей герца до нескольких десятков МГц, в пределах которого можно получить любое значение частоты с точностью 0,1 Гц.

Практическая значимость дипломного проекта.

Целью дипломного проекта является разработка лабораторного модуля для изучения генератора сигналов на базе цифро-аналогового преобразователя.

Структура работы.

В первой главе рассмотрена теоретическая сторона проекта.

Во второй главе работы описана структурная схема дипломного проекта.

В третьей главе дипломного проекта приведена элементная база устройства.

Четвертая глава посвящена построению схемы электрической принципиальной.

В пятой главе рассмотрена среда разработки ПП и выбор технологии производства ПП, а также проведен конструкторский расчет ПП.

В шестой главе дипломного проекта проведен расчет электрической части устройства, надежности.

В седьмой главе описана среда разработки программного обеспечения для микроконтроллера и также приведен ее алгоритм.

Восьмая глава посвящена экономическому анализу проекта.

В девятой главе рассмотрены вопросы охраны труда и экологии.

В заключении приведены основные результаты и выводы дипломного проекта.


1. ОБЗОРНАЯ ЧАСТЬ

1.2    Описание определения генератора сигналов

В радиотехнике и электронике генератор используется для получения сигнала с заданными параметрами статических и энергетических показателей, а также - применяется для преобразования сигналов различной природы (электрический, акустический или другой) и измерения их качественных характеристик (форму, энергетические или статистические характеристики и т.д.).

Стандартный генератор сигналов состоит из двух составных частей - источника (устройства с самовозбуждением, например усилителя охваченного цепью положительной обратной связи) и формирователя (например, электрического фильтра). Источник производит сигнал, тогда как формирователь изменяет его, с целью получения заданных параметров: усиливает, уменьшает, меняет частоту.

Генераторы распределяются по следующим категориям:

Генераторы синусоидальных сигналов

Вплоть до 60-х годов ушедшего XX века генераторы синусоидального напряжения строились почти исключительно первых трех типов. Но затем развитие микроэлектроники и появление высококачественных аналоговых компонентов (прежде всего, интегральных операционных усилителей) привело к широкому распространению функциональных генераторов, составивших основу генераторов четвертого типа. В 70-80-е годы бурное развитие цифровой и вычислительной техники привело к разработке и освоению массового производства генераторов пятого типа, основанных на цифровых методах синусоидальных и многих других (в том числе произвольных) видов сигналов.

Синусоидальные сигналы широко используются для тестирования и отладки самых разнообразных электронных устройств. Это связано с тем, что они являются простейшими, изменяющимися во времени, сигналами, но с постоянными параметрами - амплитудой, частотой и фазой. Изменение этих параметров позволяет осуществлять модуляцию синусоидальных сигналов и использовать их для переноса информации. На этом основаны многочисленные сферы применения синусоидальных сигналов в технике электросвязи и радиотехнике.

Источниками синусоидальных сигналов могут быть струны музыкальных инструментов, камертоны, катушки, вращающиеся в постоянном магнитном поле, и другие устройства.

В измерительной технике применяются несколько основных типов таких источников - генераторов синусоидального напряжения:

. Низкочастотные RC-генераторыгенераторы используются для генерации сверхнизких и низких частот, а также радиочастот примерно до 2-5 МГц. Как правило, модуляция у таких генераторов не используется - за исключением некоторых моделей с частотой генерируемых сигналов выше 100 кГц.

На рис. 1.1 показана одна из типовых схем RC-генераторов с Г-образной ИЦ, образованной последовательной (R1C1) и параллельной (R2C2) RC-цепями.

Рис. 1.1 - Типичная схема RC-генератора на операционном усилителе

. Высокочастотные LC-генераторы

На высоких частотах (от 10 кГц до 100 МГц и выше) применяются LC-генераторы на основе высокодобротных LC-контуров.

Наиболее распространенный способ получения высокочастотных синусоидальных колебаний - это применение генератора, стабилизированного LC-контуром, в котором LC-контур, настроенный на определенную частоту, подключен к усилительной схеме, чтобы обеспечить необходимое усиление на его резонансной частоте. Охватывающая схему петля положительной обратной связи применяется для поддержания колебаний на резонансной частоте LC-контура и такая схема будет самозапускающейся.

. Генераторы с пьезокристаллическими, кварцевыми и электромеханическими резонаторами

Колебательная система автогенератора вовсе не обязательно должна быть LC-контуром. Возможно применение пьезокерамических фильтров, кварцевых резонаторов и даже камертонов с электромагнитами. На рис. 1.2 показаны две схемы автогенераторов с пьезокерамическими фильтрами, обычно предназначенными для применения в усилителях промежуточной частоты супергетеродинных радиоприемников.

Рис. 1.2 - Автогенераторы на основе пьезокерамических фильтров на частоту 465 кГц (а) и 10,7 МГц (б)

. Генераторы, формирующие синусоидальные сигналы из треугольных сигналов путем их плавного ограничения

Аналоговые функциональные генераторы обеспечивают широкий диапазон перестройки по частоте, возможность электронного управления частотой и малое время установки амплитуды при перестройке частоты сигналов. Однако они имеют серьезный недостаток - высокий коэффициент нелинейных искажений. Поэтому полноценную замену RC - генераторов функциональные генераторы не обеспечивают.

. Генераторы, реализующие цифровые методы синтеза синусоидальных сигналов.

Существует довольно много методов синтеза синусоидальных сигналов цифровыми методами. Основными являются следующие методы:

. Синтез сигналов на основе деления/умножения частоты высокостабильного (опорного) генератора с очисткой сигнала путем фильтрации.

. Прямой цифровой синтез сигналов DDS (Direct Digital Synthesizers) путем опроса памяти, хранящей оцифрованные отсчеты сигнала заданной формы, с преобразованием их в аналоговый сигнал с помощью высокоскоростных цифроаналоговых преобразователей.

Первый способ в настоящее время реализован с помощью целого ряда микросхем синтезаторов частоты. При этом используются как цифровые, так и аналоговые делители и умножители частоты. Как правило, получить достаточно чистый синтезированный сигнал очень трудно. Поэтому широко используются системы фазовой автоподстройки (ФАПЧ) генератора синусоидальных сигналов под синтезированный сигнал, его гармоники или субгармоники.

Генераторы импульсов

Генераторы импульсов находят очень широкое применение в качестве источников несинусоидальных сигналов. Они необходимы для тестирования и отладки импульсных систем, например радиолокаторов, и цифровых систем и устройств различного назначения.

Функциональные генераторы

Функциональными генераторами принято называть генераторы нескольких функциональных зависимостей (сигналов), например, прямоугольных, треугольных и синусоидальных, формируемых с одной перестраиваемой в достаточно широких пределах частотой. Разнообразие форм сигналов расширяет сферы применения таких генераторов и позволяет использовать их для тестирования, отладки и исследования самой разнообразной электронной аппаратуры.

В отличие от RC- и LC-генераторов функциональные генераторы являются более широкодиапазонными - отношение максимальной частоты генерации к минимальной у них имеет нередко порядок 10 в 5-10 в 6 степенях и выше. Наиболее часто функциональные генераторы используются при отладке ВЧ, НЧ и сверхнизкочастотных устройств. В СВЧ диапазоне частот эти устройства не используются, за исключением применения в качестве источников модулирующих сигналов.

Функциональные генераторы делятся на два широких класса:

Аналоговые функциональные генераторы на основе интегратора аналоговых сигналов в виде прямоугольных импульсов (меандра).

Цифровые функциональные генераторы на основе дискретных (цифровых) интеграторов.

.2 Генераторы сигналов произвольной формы

Генераторы сигналов произвольной формы - цифровые генераторы, основанные на применении памяти, со способностью передачи через цифро-аналоговый преобразователь любой формы сигнала, включая нарисованную от руки или восстановленную путем захвата реального сигнала с помощью цифрового осциллографа. При его возможностях и способностях генератор сигналов произвольной формы позволяет пользователю увеличивать или уменьшать амплитуду и частоту, повторять сигналы так частот как это необходимо или изменять сигналы различными способами. Основной чертой генератора сигналов произвольной формы является переменная частота дискретизации, что позволяет генерировать превосходно повторяемые выходные сигналы сложной формы (рис.1.3).

Рисунок 1.3 Схема генератора сигналов произвольной формы

Частота сигнала будет определяться по используемой частоте дискретизации и количества точек в таблице памяти по следующей формуле:

 формула 1

Либо частота дискретизации, либо длина таблицы памяти, либо они вместе могут быть настроены для получения желаемой частоты выходного сигнала. Поэтому с генератора сигналов произвольной формы, любой сигнал повторяется точно, без наложений. Будучи основанным на использовании памяти, генератор сигналов произвольной формы дает возможность пользователю программировать свою память путем деления ее на сегменты данных и использовать каждый сегмент индивидуально.

Кроме того, генераторы сигналов произвольной формы обычно оснащены последовательным режимом, который позволяет связывать или повторять сегменты любым образом по выбору пользователя. Несколько расширенных режимов обеспечивают различные пути по формированию выходного сигнала: непрерывный, пошаговый, однократный, смешанный и т.д.

Рисунок 1.4 Воспроизведение сигнала с использованием сегментов: синус, меандр, треугольник, экспонента, шум, повторение сегмента меандра

Генераторы сигналов произвольной формы могут быть синхронизированы для обеспечения многоканальных решений (рис. 1.5). Однако, использование различных частот дискретизации в генераторах сигналов произвольной формы затрудняет реализацию стандартных видов модуляции и быстрой перестройки частоты выходного сигнала.

Рисунок 1.5 Мультигенераторная синхронизация

.3 Описание аналогов

Для преобразования цифрового сигнала в аналоговый используют устройства под названием цифро-аналоговые преобразователи. Как правило, они существуют в виде отдельных микросхем, которые порой труднодоступны. Если к цифро-аналоговому преобразователю не предъявляются серьёзные требования, то его можно сделать самостоятельно из обычных резисторов. Называется такой ЦАП - R -2R. Своё название он получил из-за номиналов, применяемых в нём резисторов с сопротивлениями R и 2*R. Сопротивления могут быть любыми, но в разумных пределах. Если поставить очень большие, например, по несколько мегаом, то нагрузка, которая подключена к выходу, внесет существенные искажения в сигнал. Напряжение начнёт проседать. В данном аналоге взяты резисторы с сопротивлениями 1 КОм и 2 КОм.

Рисунок 1.5

На отладочной плате ЦАП выглядит так:

Рисунок 1.6 Матрица R-2R на печатной плате

Описание работы:

Каждый вход цифро-аналогового преобразователя имеет свой «вес». Входы расположены в порядке уменьшения веса слева направо. Таким образом, левый вход оказывает самое большое влияние на выходной сигнал, следующий за ним вдвое меньше и т.д. Самый последний вход изменяет выходной сигнал на маленькие милливольты. Если известна комбинация бит поступающая на вход цифро-аналогового преобразователя, то рассчитать напряжение очень легко. Предположим, что на входе у нас число 10010101 тогда выходное напряжение можно рассчитать по формуле:

вых = Uпит * (1 * 1/2 + 0 * 1/4 + 0 * 1 / 8 + 1 * 1 / 16 + 0 * 1 / 32 + 1 * 1

/ 64 + 0 * 1 / 128 + 1 * 1 / 256) Формула 2.

Согласно формуле 2 , напряжение на выходе будет равно 2.91 вольта. Uпит - напряжение питания микроконтроллера. При расчете использовалось значение 5 вольт. Таким образом, восьмибитный цифро-аналогового преобразователь способен выдать 256 различных напряжений с шагом около 20 милливольт, что вполне неплохо. Применение

Применений у данного цифро-аналогового преобразователя несколько. В особенности, генератор сигналов различной формы.

Формирование пилообразного сигнала:

Рисунок 1.7 Пилообразный сигнал

Формирование треугольного сигнала:

Рисунок 1.8 Треугольный сигнал

Формирование:

Рисунок 1.9 Произвольный сигнал

Преимущества и недостатки:

    К преимуществам можно отнести:

-        Возможность увеличения разрядности;

         Частота дискретизации;

         Схемотехническая простота и повторяемость;

К недостаткам относятся:

    Качество цифро-аналогового преобразователя сильно зависит от применяемых резисторов;

-        Сопротивление ключей порта микроконтроллера вносят искажения;

         Большие габариты


2. РАЗРАБОТКА ЛАБОРАТОРНОГО МОДУЛЯ ДЛЯ ИЗУЧЕНИЯ ГЕНЕРАТОРА СИГНАЛОВ НА БАЗЕ ЦИФРО-АНАЛОГОВОГО ПРЕОБРАЗОВАТЕЛЯ

.1 Описание структурной схемы устройства

Данное устройство, структурная схема которого представлена на рисунке 2.1, представляет собой генератор сигналов на базе цифро-аналогового преобразователя.

Основные компоненты устройства:

МК - микроконтроллер,

ЦАП - цифро-аналоговый преобразователь,

Б - буферная схема интерфейса SPI,

И - семисегментный индикатор.

Частота сигнала и его фаза задаются программным способом через ICSP интерфейс. На микроконтроллер (МК) возлагается функция загрузки регистров генератора.

Вначале микроконтроллер (МК) опрашивает клавиатуру, предназначенную для управления, после синхронизируется с индикатором (И) и преобразовывает информацию на вывод в индикатор (И). Далее вычисляет значение кода частоты и отправляет его через буферную схему (Б) интерфейса SPI в цифро-аналоговый преобразователь (ЦАП).

На схеме буфер (Б) предназначен для буферизации шины данных и управления.

Для определения яркости свечения индикатора (И) на сегментики подключены резисторы, также для управления индикатором (И) используются транзисторы.

Для развязки по цепям питания используются керамические конденсаторы емкостью 0,1 мкФ, соединенные параллельно с танталовыми конденсаторами емкостью порядка 10 мкФ.

Рисунок 2.1 - Структурная схема генератора сигналов на базе цифро-аналогового преобразователя

3. ОПИСАНИЕ ЭЛЕМЕНТНОЙ БАЗЫ

3.1    Описание микроконтроллера PIC16f877

Микроконтроллер - это устройство, выполняющее ограниченный набор функций. В кристалле микроконтроллера размещено не только ядро вычисления, но также: запоминающее устройство, где хранятся программа контроллера и данные; набор периферийных устройств (ПУ), для полноценного использования микроконтроллера; порты ввода-вывода.

Микроконтроллеры большое распространение получили в области систем автоматического контроля и управления. Микроконтроллеры представляют собой полностью готовые миниатюрные устройства, которые не требуют подключения внешних устройств, для нормальной работы. Возможность программирования микроконтроллеров позволяет использовать их в любых сферах электроники с максимально возможной программной обработкой сигнала.

Производством микроконтроллеров занимаются более 35 компаний, самыми распространенными из которых являются Microchip и Atmel. В ассортименте имеются микроконтроллеры от простейших до супер сложных.

Отличаются они составом периферийных устройств и техническими характеристиками. Благодаря широкому спектру микроконтроллеров, разработчики устройств на микроконтроллерах могут выбрать наиболее подходящий для своего устройства.

При выборе микроконтроллера следует исходить из того, что он будет удовлетворять по некоторым параметрам: тип и габариты корпуса, наличие необходимых периферийных устройств, интерфейсы программирования, способы программирования микроконтроллера, возможность установки защиты кода программы, функция энергопотребления микроконтроллера и другие.

В дипломном проекте используется микроконтроллер PIC16F877.

Таблица 3.1

Характеристики микроконтроллера PIC16F877

ОЗУ данных

192

Сброс (задержка сброса)

POR, BOR (PWRT, OST)

Flash-память программ

4K

АЦП

8 каналов

EEPROM

128

Порты ввода/ вывода

Порты A, B, C, D, E

Прерываний

14

Таймер

3

Модуль захват/сравнение/ШИМ

2

Последовательный интерфейс

MSSP, USART

Инструкций

35

Частота

20МГц

Паралл. интерфейс

PSP


Цоколевка:

Рисунок 3.1 - Обозначение выводов PIC16f877

Особенности ядра микроконтроллера:

Высокопроизводительный RISC-процессор;

Всего 35 простых инструкций для изучения;

Все инструкции исполняются за один такт, кроме инструкций перехода, выполняемых за два такта;

Скорость работы: тактовая частота до 20 МГц; минимальная длительность такта 200 нспамять программ до 4к x 14 слов

Память данных (ОЗУ) до 192 x 8 байт

ЭСППЗУ память данных до 128 x 8 байт

Совместимость цоколевки с PIC16C73/74/76/77

Механизм прерываний (до 14 внутренних/внешних источников)

Восьмиуровневый аппаратный стек

Прямой, косвенный и относительный режимы адресации

Сброс при включении питания (POR)

Таймер сброса (PWRT) и таймер ожидания запуска генератора (OST) после включения питания)

Сторожевой таймер (WDT) с собственным встроенным RC-генератором для повышения надежности работы

Программируемая защита кода

Режим экономии энергии (SLEEP)

Выбираемые режимы тактового генератора

Экономичная, высокоскоростная технология КМОП FLASH/ЭСППЗУ

Полностью статическая архитектура

Программирование на плате через последовательный порт с использованием двух выводов

Для программирования требуется только источник питания 5В

Отладка на плате с использованием двух выводов

Доступ процессора на чтение/запись памяти программ

Широкий диапазон рабочих напряжений питания: от 2,0В до 5,5В

Сильноточные линии ввода/вывода: 25 мА

Коммерческий и промышленный температурные диапазоны

Низкое потребление энергии:

.   < 2мА при 5В, 4МГц;

2.      20мкА (типичное значение) при 3В, 32 кГц;

.        < 1мкА (типичное значение) в режиме STANDBY.

Периферия:0: 8-разрядный таймер/счетчик с 8-разрядным предварительным делителем1: 16-разрядный таймер/счетчик с предварительным делителем, может вести счет во время спящего режима от внешнего генератора2: 8-разрядный таймер/счетчик с 8-разрядным регистром периода, предварительным и выходным делителем

модуля захват/сравнение/ШИМ:

.   Захват 16-ти разрядов, максимальное разрешение 12,5нс;

2.      Сравнение 16-ти разрядов, максимальное разрешение 200нс;

.        ШИМ с максимальным разрешением 10 разрядов

10-битный многоканальный аналого-цифровой преобразователь

Рис. 3.2 - Структурная схема микроконтроллера pic16f877

Синхронный последовательный порт (SSP) с интерфейсами SPI (с Master-режимом) и I2C (с режимами Master/Slave)

Универсальный синхронно-асинхронный приемопередатчик (USART/SCI) с обнаружением 9-разрядного адреса

Встроенный генератор опорного напряжения

Параллельный 8-битный Slave-порт (PSP) со внешними сигналами управления RD, WR и CS (только в 40/44-выводных корпусах)

Программируемая схема сброса при падении напряжения питания (BOR).

Таблица 3.2

Назначение выводов микроконтроллера PIC16F877

Обозначение вывода

№ выв. DIP

№ выв. PLCC

№ выв. QFP

Тип I/O/P

Тип буфера

Описание

OSC1/CLKIN

13

14

30

I

ST/CMOS

Вход генератора / вход внешнего тактового сигнала

OSC2/CLKOUT

14

15

31

O

-

Выход генератора. Подключается кварцевый или керамический резонатор. В RC режиме тактового генератора на выходе OSC2 присутствует тактовый сигнал CLKOUT, равный FOSC/4.

MCLR/VPP

1

2

18

I/P

ST

Вход сброса микроконтроллера или вход напряжения программирования. Сброс микроконтроллера происходит при низком логическом уровне сигнала на входе.

RA0/AN0

2

3

19

I/O

TTL

Двунаправленный порт ввода/вывода PORTA. RA0 может быть настроен как аналоговый канал 0

RA1/AN1

3

4

20

I/O

TTL

RA1 может быть настроен как аналоговый канал 1

RA2/AN2/VREF-

4

5

21

I/O

TTL

RA2 может быть настроен как аналоговый канал 2 или вход отрицательного опорного напряжения

RA3/AN3/VREF+

5

6

22

I/O

TTL

RA3 может быть настроен как аналоговый канал 3 или вход положительного опорного напряжения

RA4/T0CK

6

7

23

I/O

ST

RA4 может использоваться в качестве входа внешнего тактового сигнала для TMR0. Выход с открытым стоком.

RA5/SS/AN4

7

8

24

I/O

TTL

RA1 может быть настроен как аналоговый канал 1 или вход выбора микросхемы в режиме ведомого SPI

RB0/INT

33

36

8

I/O

TTL/ST

Двунаправленный порт ввода/вывода PORTB. PORTB имеет программно подключаемые подтягивающие резисторы на входах.

RB1

34

37

9

I/O

TTL

RB0 может использоваться в качестве входа внешних прерываний.

RB2

35

38

10

I/O

TTL


RB3/PGM

36

39

11

I/O

TTL

RB3 может использоваться в качестве входа для режима низковольтного программирования.

RB4

37

41

14

I/O

TTL

Прерывания по изменению уровня входного сигнала.

RB5

38

42

15

I/O

TTL

Прерывания по изменению уровня входного сигнала.

RB6/PGC

39

43

16

TTL/ST

Прерывания по изменению уровня входного сигнала или вывод для режима внутрисхемной отладки ICD. Тактовый вход в режиме программирования.

RB7/PGD

40

44

17

I/O

TTL/ST

Прерывания по изменению уровня входного сигнала или вывод для режима внутрисхемной отладки ICD. Вывод данных в режиме программирования.

RC0/T1OSO/T1CKI

15

16

32

I/O

ST

Двунаправленный порт ввода/вывода PORTC. RC0 может использоваться в качестве выхода генератора TMR1 или входа внешнего тактового сигнала для TMR1.

RC1/T1OSI/CCP2

16

18

35

I/O

ST

RC1 может использоваться в качестве входа генератора для TMR1 или вывода модуля CCP2.

RC2/CCP1

17

19

36

I/O

ST

RC2 может использоваться в качестве вывода модуля CCP1.

RC3/SCK/SCL

18

20

37

I/O

ST

RC3 может использоваться в качестве входа/выхода тактового сигнала в режиме SPI и I2C.

RC4/SDI/SDA

23

25

42

I/O

ST

RC4 может использоваться в качестве входа данных в режиме SPI или вход/выход данных в режиме I2C.

RC5/SDO

24

26

43

I/O

ST

RC5 может использоваться в качестве выхода данных в режиме SPI.

RC6/TX/CK

25

27

44

I/O

ST

RC6 может использоваться в качестве вывода передатчика USART в асинхронном режиме или вывода синхронизации USART в синхронном режиме.

RC7/RX/DT

26

29

1

I/O

ST

RC6 может использоваться в качестве вывода приемника USART в асинхронном режиме или вывода данных USART в синхронном режиме.

RD0/PSP0

19

21

38

I/O

ST/TTL

Двунаправленный порт ввода/вывода PORTD или ведомый параллельный порт для подключения к шине микропроцессора

RD1/PSP1

20

22

39

I/O

ST/TTL


RD2/PSP2

21

23

39

I/O

ST/TTL


RD3/PSP3

22

24

41

I/O

ST/TTL


RD4/PSP4

27

30

2

I/O

ST/TTL


RD5/PSP5

28

31

3

I/O

ST/TTL


RD6/PSP6

29

32

4

I/O

ST/TTL


RD7/PSP7

30

33

5

I/O

ST/TTL


RE0/RD/AN5

8

9

25

I/O

ST/TTL

Двунаправленный порт ввода/вывода PORTE. RE0 может использоваться в качестве управляющего входа чтения PSP или аналогового канала 5

RE1/WR/AN6

9

10

26

I/O

ST/TTL

RE1 может использоваться в качестве управляющего входа записи PSP или аналогового канала 6

RE2/CS/AN7

10

11

27

I/O

ST/TTL

RE2 может использоваться в качестве управляющего входа выбора PSP или аналогового канала 7

VSS

12,31

13,34

6,29

P

-

Общий вывод для внутренней логики и портов ввода/вывода

VDD

11,32

12,35

7,28

P

-

Положительное напряжение питания для внутренней логики и портов ввода/вывода

NC

-

1,17,28, 40

12,13, 33,34


-

Эти выводы внутри микросхемы не подключены


.2 Описание цифро-аналогового преобразователя MCP4921

устройство представляет собой одноканальный 12-битный ЦАП, который использует внешний источник опорного напряжения. Это устройство обеспечивает высокую точность и низкое энергопотребление и доступны в различных пакетах. Связь с устройством осуществляется с помощью простого последовательного интерфейса SPI. MCP4921 устройство является частью семейства, которые используют внешний источник опорного напряжения (VREF). Эти устройства обеспечивают очень высокую точность и низкий уровень шумов, и пригодны для потребительских и промышленных приложений. Низкое энергопотребление и малые варианты пакета хорошо подходят для многих портативных и маломощных приложений. Благодаря своим компактным размерам и малой мощности потребления, эти новые ЦАП обеспечивает значительные преимущества в пространстве ограниченных случаях, когда минимальная мощность потребление имеет решающее значение. Режимы программного обеспечения или аппаратного выключения предоставят дополнительную экономию электроэнергии, уменьшение тока в режиме ожидания до 0,5 мкА (тип.) при любом выборе. Связь с MCP4921 осуществляется через 3-проводной SPI протокол.

Отличительные особенности:

·  разрешение: 12 разрядов;

·        дифференциальная нелинейность: ±0,2 младшего разряда (тип);

·        интегральная нелинейность: ±2 младших разряда (тип);

·        выходы Rail-to-Rail;

·        SPI-интерфейс с частотой до 20МГц;

·        синхронные защелки данных на обоих ЦАП;

·        малое время установления: 4,5мкс;

·        выбор выходного коэффициента усиления 1х или 2х;

·        вход для внешнего источника опорного напряжения VREF;

·        диапазон напряжения питания: 2,7В...5,5В;

·        количество выводов: 8

·        тип входа: последовательный

·        температурный диапазон: -40°C...+125°C;

·        корпуса: MSOP-8 (MS) и DIP-8 (P).

Цоколевка:


Таблица 3.3

Назначение выводов. MCP4921

VDD

Потребляемая мощность питания по отношению к AVSS может варьироваться от 2,7 до 5.5 Развязывающий конденсатор на VDD рекомендуется для достижения максимальной производительности.

CS

Вход выбора чипа, который требует активного низкий сигнал для включения последовательных часов и функций данных

SCK

SPI совместимый последовательный ввод

SDI

SPI совместимый последовательный ввод данных

LDAC

Задвижка входа ЦАП. Передача ввода регистров задвижки ЦАП при низком логическом уровне

VOUTA

ЦАП усиливает сигнал на выводах в диапазоне AVSS- VDD

VREFA

Аналоговый сигнал на этих выводах используется для установки опорного напряжения на строку ЦАП. Входной сигнал может варьироваться в диапазоне от AVSS к VDD

AVSS

Аналоговое заземление


Рисунок 3.3 Структурная схема MCP4921

3.3 Описание цифрового индикатора

Сегментные цифровые индикаторы предназначены для отображения цифровой информации в электронных устройствах. Преимуществом светодиодных цифровых индикаторов по сравнению с альтернативными жидкокристаллическими являются активное свечение и эргономичность.

Типичная схема подключения светодиода к выводу МК показана на рис. 3.4. В этой схеме светодиоды будут светиться когда МК выдает сигнал «0» (низкое напряжение). Когда вывод работает в качестве входа данных или на него выводится «1», то светодиод будет выключен.

Резистор сопротивлением 220 Ом используется для ограничения тока, т.к. слишком большой ток может вывести из строя МК и светодиод. Некоторые МК содержат ограничители тока на выходных линиях, что устраняет потребность в ограничивающем резисторе. Но все же целесообразно, на всякий случай, включить этот резистор, чтобы гарантировать, что короткое замыкание на «землю» или напряжение питания Vcc, не выведет из строя МК.

Рис.3.4 - Подключение светодиода к микроконтроллеру

Семисегментный индикатор

Вероятно, самый простой вывод числовых десятичных и шестнадцатеричных данных - это использование семи сегментного индикатора (ССИ).

Светодиодные индикаторы до сих пор являются полезными приборами, которые могут быть включены в схему без больших усилий для создания программного обеспечения. Включая определенные светодиоды (зажигая сегменты), можно выводить десятичные числа.

Каждый светодиод в индикаторе имеет свой буквенный идентификатор (A, B, C, D, E, F, G), и одна из ножек светодиода подключена к соответствующему внешнему выводу. Вторые ножки всех светодиодов соединены вместе и подключены к общему выводу. Этот общий вывод определяет тип индикатора: с общим катодом или с общим анодом.

Рис. 3.5 - Семи сегментный индикатор

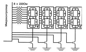
Подключение индикатора к МК осуществляется весьма просто: обычно индикатор подключают как семь или восемь (если используется десятичная точка) независимых светодиодов. Наиболее важной частью работы при подключении к МК нескольких ССИ является назначения линий вводе вывода для каждого светодиода. Решение этой задачи в начале выполнения проекта упростит вам монтаж разводки и отладку устройств в дальнейшем. Типичный способ подключения нескольких индикаторов состоит в том, чтобы включить их параллельно и затем управлять протеканием тока через общие выводы отдельных индикаторов. Так как величина этого тока обычно превышает допустимое значение выходного тока МК, то для управления оком включается дополнительные транзисторы, которые выбирают, какой из индикаторов будет находиться в активном состоянии.

На рис. 3.6 показано подключение к МК четырех ССИ. В этой схеме МК выдает данные для индикации, последовательно переходя от одного индикатора к другому. Каждая цифра будет высвечиваться в течении очень короткого интервала времени. Это обычно выполняется с помощью подпрограммы обслуживания прерываний таймера. Чтобы избежать мерцания изображения, подпрограмма должна выполняться со скоростью, обеспечивающий включение индикатора, по крайней мере, 50 раз в секунду. Чем больше цифр, тем чаще должны следовать прерывания от таймера. Например, при использовании восьми ССИ цифры должны выводиться со скоростью 400 раз в секунду.

Рис. 3.6 Подключение к МК четырех ССИ

В дипломном проекте используется 7-сегментный 4-разрядный цифровой индикатор CC56-12.

Таблица 1.4

Характеристики цифрового индикатора CC56-12

Материал

GaAlAs

Цвет свечения

красный

Длина волны,нм

640

Минимальная сила света Iv мин. мКд

8

Максимальная сила света Iv макс. мКд

24

При токе Iпр.,мА

10

Количество сегментов

7

Количество разрядов

4

Схема включения.

общ.катод

Высота знака, мм

14.2

Максимальное прямое напряжение, В

2.5

Максимальное обратное напряжение, В

5

Максимальный прямой ток, мА

30

Максимальный импульсный прямой ток, мА

155

Рабочая температура, С

40…85




4. ПОСТРОЕНИЕ СХЕМЫ ЭЛЕКТРИЧЕСКОЙ ПРИНЦИПИАЛЬНОЙ

4.1 Описание принципиальной схемы устройства

Рассмотрим подробнее принцип работы данного устройства.

Частота сигнала и его фаза задаются программным способом через ICSP интерфейс на DD2, подключенный на порты MCLR, VDD, GND, RB7, RB6.

SB1-SB6 - это клавиатура для управления работой микроконтроллера PIC16F877. Кнопки SB1-SB6 подключены к DD2 на порты RB0-RB5 соответственно. При нажатии на кнопки SB1-SB6 DD2 получает команды, далее по портам RD4-RD7, подключенным к разрядам HL через маломощные p-n-p транзисторы VT1-VT4, синхронизирует управление индикатором HL и, преобразовывая информацию, через порты RA0-RA5 и RE0-RE1 отправляет ее на вывода сегментов индикатора HL.

После этого микроконтроллер PIC16f877 формирует управляющий посыл в 16 бит

Последним этапом осуществляется передача сигнала в цифро-аналоговый преобразователь с помощью SPI интерфейса.

Схема генерирует синусоидальный сигнал с заданной частотой. Частота выходного сигнала определяется двумя параметрами: частотой тактового сигнала и двоичным числом, записанным в регистр частоты. Это двоичное число, записанное в регистр частоты, подается на вход аккумулятора фазы. Если используется ПЗУ с табличными значениями синуса, то аккумулятор фазы вычисляет адрес (соответствующий мгновенному значению фазы) и подает его на вход ПЗУ, при этом на выходе ПЗУ мы получаем текущее значение амплитуды в цифровом виде. Далее ЦАП преобразует это цифровое значение в соответствующее значение напряжения или тока. Для генерации синусоиды с фиксированной частотой постоянная величина (приращение фазы, определяемое двоичным числом, записанным в регистр частоты) прибавляется к значению, хранящемуся в аккумуляторе фазы, с каждым импульсом тактового сигнала. Если значение приращения велико, аккумулятор фазы будет быстро пробегать всю таблицу синуса, хранящуюся в ПЗУ, и частота сигнала при этом будет высока. Если значение приращения фазы мало, аккумулятору фазы понадобится больше шагов, чтобы пройти всю таблицу ПЗУ, и соответственно частота сигнала на выходе будет низкой.

Мгновенное значение фазы непрерывного синусоидального сигнала циклически изменяется в диапазоне от 0 до 2π. Значение фазы генерируется в цифровом виде. Функция переноса, которой обладает счетчик, позволяет реализовать непрерывное циклическое изменение величины фазы.

Аккумулятор фазы представляет собой счетчик по модулю М, значение которого увеличивается с каждым приходом тактового импульса. Величина приращения задается двоичным числом М. Это число определяет величину приращения значения фазы с каждым тактовым импульсом, в сущности, этим числом определяется число пропущенных отсчетов при движении по окружности. Чем больше размер шага, тем быстрее происходит переполнение аккумулятора фазы и более коротким получается период синусоиды. Разрядностью аккумулятора фазы (n) определяется общее число возможных значений фазы, что в свою очередь обусловливает разрешение сетки частот синтезатора DDS. Для 28-разрядного аккумулятора фазы при М=0000...0001 аккумулятор будет переполняться после 228 циклов (тактовых импульсов). При М=0111…1111 аккумулятор фазы будет переполняться всего за 2 цикла (это минимальное число циклов, удовлетворяющее критерию Найквиста). Эти соотношения описываются следующей простой формулой:

fout=(M·fclk)/2n,

где: fout - частота выходного сигнала DDS;

M - двоичное число, определяющее частоту сигнала;

fclk - частота сигнала тактирования;

n - разрядность аккумулятора фазы.

При изменении значения М частота на выходе синтезатора меняется сразу и при этом сигнал не имеет разрывов. Здесь отсутствует переходный процесс захвата частоты, присущий генераторам с петлей ФАПЧ.

При увеличении выходной частоты число отсчетов на один цикл уменьшается. Так как теорема отсчетов требует наличия как минимум двух отсчетов на период для полного восстановления выходного сигнала, максимальная частота синтезируемого сигнала DDS будет составлять fclk/2. Однако на практике частота синтезируемого сигнала ограничивается несколько меньшим значением, что способствует улучшению качества синтезируемого сигнала и облегчению его фильтрации.

При генерировании сигнала постоянной частоты код на выходе аккумулятора фазы увеличивается по линейному закону, что соответствует линейному пилообразному аналоговому сигналу.

Для получения сигнала в аналоговой форме к выходу DDS генератора необходимо подключить ЦАП, не оставляя без внимания следующие моменты:

) На выходе ЦАП обязательно должен стоять низкочастотный фильтр, для фильтрации побочных гармоник сигнала.

) Так как большинство ЦАП имеет неравномерную АЧХ вида sin(x)/x, в таких DDS генераторах обычно используют небольшой диапазон выходных частот, в котором АЧХ относительно линейна, либо используют фильтр с инверсной АЧХ.

) Усечение фазы из-за использования в генераторе DDS только части старших разрядов аккумулятора фазы. Это вызвано экономией памяти для хранения таблицы значений синуса (например, для хранения 232 значений отсчетов потребуется 4Г слов памяти). Усечение фазы приводит к погрешности уровня выходного сигнала, более того, данная погрешность периодична. Это добавляет в спектр выходного сигнала паразитные составляющие. Для уменьшения данного недостатка в DDS синтезаторы вводят псевдошумовую ошибку в код, полученный после усечения фазы. По крайней мере, это уменьшает уровень паразитных составляющих.

Далее вычисляет значение кода частоты и отправляет его через буферную схему интерфейса SPI в DDS синтезатор.

На схеме буфер предназначен для буферизации шины данных и управления.

Программируемый генератор сигналов подключен в стандартном режиме. После сигнал синусоидальной формы подается на вывод ПГС. В качестве тактового генератора для ПГС применен кварцевый генератор - Г.

Для определения яркости свечения индикатора на сегментики подключены резисторы, также для управления индикатором используются транзисторы.

Для развязки по цепям питания используются керамические конденсаторы емкостью 0,1 мкФ, соединенные параллельно с танталовыми конденсаторами емкостью порядка 10 мкФ.

генератор цифровой сигнал печатный модуль

5. РАЗРАБОТКА ПЕЧАТНОЙ ПЛАТЫ УСТРОЙСТВА

5.1 Выбор среды разработки печатной платы (2-3 стр pcad)

 

Современные системы разработки печатных плат включают в себя сложный комплекс программ, обеспечивающих так называемое" сквозное проектирование". Такой подход подразумевает разработку принципиальной cхемы, моделирование ее на разных уровнях(на уровне платы и на уровне кристалла) проектирование собственно платы (физический дизайн) и заканчивается, как правило, генерацией управляющих файлов для оборудования изготовления фото шаблонов, сверления отверстий, сборки и электроконтроля. Этап проектирования печатной платы является одним и самых трудоемких и важных во всей цепочке проектирования.

В данный момент рынок предлагает различные среды разработки печатных плат, например: P-Cad, Protel, OrCad, PowerPCB, Sprint-Layout и т.д. Из всего многообразия я остановил свой выбор на системе P-Cad 2006.

Система P-CAD предназначена для проектирования многослойных печатных плат (ПП) вычислительных и радиоэлектронных устройств. В состав P-GAD входят четыре основных модуля - P-CAD Schematic, P-CAD PCB, P-CAD Library Executive, P-CAD Autorouters.

Различные модули пакета P-CAD 2006 организуют сквозной цикл проектирования: от ввода принципиальной схемы до получения технологических управляющих файлов. Программа позволяет вести все этапы проектирования печатных плат:

·    ввести принципиальную схему,

·              провести цифро-аналоговое моделирование проектируемого устройства,

·              разработать топологию,

·              провести анализ целостности сигналов,

·              подготовить технологические файлы,

·              подготовить конструкторскую документацию,

·              передать информацию в системы 3D-проектирования (Autodesk Inventor Professional, SolidWorks, Pro/E, Компас и т.п.)

·              разработать собственную элементную базу.

Ввод проекта осуществляется в программе Schematic. Принципиальная схема может содержать неограниченное количество листов, которые сохраняются в одном файле и не требуют какой-либо "состыковочной" информации. При этом размеры страницы могут быть выбраны из стандартных или введены вручную.

Модуль P-CAD PCB может запускаться автономно и позволяет разместить элемент на выбранном монтажно-коммутационном поле и проводить ручную, полуавтоматическую и автоматическую трассировку проводников.

В модуль P-CAD Autorouters входят QuickRoute и Shape-Based Autorouter. Автотрассировщики вызываются из управляющей оболочки P-CAD РСВ, где и производится настройка стратегии трассировки. QuickRoute относится к трассировщикам лабиринтного типа и предназначен для трассировки простейших ПП. Второй автоматический трассировщик PRO Route трассирует ПП с числом сигнальных слоев до 32. Трассировщик Shape-Based Autorouter - бессеточная программа автотрассировки ПП. Программа предназначена для автоматической разводки многослойных печатных плат с высокой плотностью размещения элементов. Эффективна при поверхностном монтаже корпусов элементов, выполненных в различных системах координат.- программа ручного, полуавтоматического и автоматического размещения компонентов и трассировки проводников. Трассирует ПП большой сложности с числом слоев до 256.

P-CAD Library Executive - менеджер библиотек. Интегрированные библиотеки P-CAD содержат как графическую информацию о символах и типовых корпусах компонентов, так и текстовую информацию. Программа имеет встроенные модули: Symbol Editor - для создания и редактирования символов компонентов и Pattern Editor - для создания и редактирования посадочного места и корпуса компонента. Упаковка вентилей компонента, ведение и контроль библиотек осуществляются модулем Library Executive. Модуль имеет средства просмотра библиотечных файлов, поиска компонентов, символов и корпусов компонентов по всем возможным атрибутам.

Общие характеристики:

·    32-разрядная база данных;

·              разрешающая способность P-CAD РСВ и других программ равна 0,001мм;

·              до 100 открытых одновременно библиотек;

·              число компонентов в одной библиотеке - не ограничено;

·              до 64 000 электрических цепей в одном проекте;

·              до 10 000 выводов в одном компоненте;

·              до 5000 секций (вентилей) в одном компоненте;

·              до 2000 символов в атрибуте компонента;

·              до 2000 символов в текстовой строке;

·              до 20 символов в имени вывода, имени цепи, позиционном обозначении вывода (пробелы, знаки табуляции, точки и скобки не допускаются);

·              до 16 символов в имени типа компонента (пробелы и знаки табуляции не допускаются);

·              многошаговый «откат» вперед и назад. По умолчанию количество запоминаемых шагов установлено равным 10, но эту величину можно при необходимости изменить, редактируя файл конфигурации *.ini.

минимальный шаг сетки 0,1 mil в английской системе и 0,001 мм в метрической системе (1 mil = 0,001 дюйма = 0,0254 мм, 1 мм = 40 mil). Систему единиц можно изменять в любой фазе проекта.

5.2 Выбор технологии производства ПП или Описание технологии производства ПП

 

Печатные платы возможно быстро и качественно изготавливать без применения какого-либо дорогостоящего оборудования в домашних условиях. Из всего множества существующих технологий были выбраны только те, которые не требуют значительных материальных затрат и достаточно просты в осуществлении.

Собственно, весь процесс изготовления печатной платы можно условно разделить на пять основных этапов:

·    предварительная подготовка заготовки (очистка поверхности, обезжиривание);

·              нанесение тем или иным способом защитного покрытия;

·              удаление лишней меди с поверхности платы (травление);

·              очистка заготовки от защитного покрытия;

·              сверловка отверстий, покрытие платы флюсом, лужение.

Предварительная подготовка заготовки

Данный этап является начальным и заключается в подготовке поверхности будущей печатной платы к нанесению на нее защитного покрытия. В целом за продолжительный промежуток времени технология очистки поверхности не претерпела сколько-нибудь значительных изменений. Весь процесс сводится к удалению окислов и загрязнений с поверхности платы с использованием различных абразивных средств и последующему обезжириванию.

Для удаления сильных загрязнений можно использовать мелкозернистую наждачную бумагу («нулевку»), мелкодисперсный абразивный порошок или любое другое средство, не оставляющее на поверхности платы глубоких царапин. Иногда можно просто вымыть поверхность печатной платы жесткой мочалкой для мытья посуды с моющим средством или порошком (для этих целей удобно использовать абразивную мочалку для мытья посуды, которая похожа на войлок с мелкими вкраплениями какого-то вещества; часто такая мочалка бывает наклеена на кусок поролона). Кроме того, при достаточно чистой поверхности печатной платы можно вообще пропустить этап абразивной обработки и сразу перейти к обезжириванию.

В случае наличия на печатной плате только толстой оксидной пленки ее можно легко удалить путем обработки печатной платы в течение 3-5 секунд раствором хлорного железа с последующим промыванием в холодной проточной воде.

Заключительный этап подготовки поверхности заключается в обезжиривании. Для этого можно использовать кусочек мягкой ткани, не оставляющей волокон, смоченный спиртом, бензином или ацетоном. Здесь следует обратить внимание на чистоту поверхности платы после обезжиривания, поскольку в последнее время стали попадаться ацетон и спирт со значительным количеством примесей, которые оставляют на плате после высыхания беловатые разводы. Если это так, то стоит поискать другой обезжиривающий состав. После обезжиривания плату следует промыть в проточной холодной воде. Качество очистки можно контролировать, наблюдая за степенью смачивания водой поверхности меди. Полностью смоченная водой поверхность, без образования на ней капель и разрывов пленки воды, является показателем нормального уровня очистки. Нарушения в этой пленке воды указывают, что поверхность очищена недостаточно.

Нанесение защитного покрытия

Нанесение защитного покрытия является самым важным этапом в процессе изготовления печатных плат, и именно им на 90 % определяется качество изготовленной платы. Для этой цели была выбрана «технологии лазерного принтера и утюга».

Данная технология появилась сравнительно недавно, однако сразу получила широчайшее распространение в силу своей простоты и высокого качества получаемых плат. Основу технологии составляет перенос тонера (порошка, используемого при печати в лазерных принтерах) с какой-либо подложки на печатную плату. При этом возможны два варианта: либо используемая подложка отделяется от платы перед травлением, либо, если в качестве подложки используется алюминиевая фольга, она стравливается вместе с медью. Первый этап использования данной технологии заключается в печати зеркального изображения рисунка печатной платы на подложке. Параметры печати принтера при этом должны быть установлены на максимальное качество печати (поскольку в этом случае происходит нанесение слоя тонера наибольшей толщины). В качестве подложки можно использовать тонкую мелованную бумагу (обложки от различных журналов), бумагу для факсов, алюминиевую фольгу, пленку для лазерных принтеров, основу от самоклеящейся пленки Oracal или какие-нибудь другие материалы. При использовании слишком тонкой бумаги или фольги может потребоваться приклеить их по периметру на лист плотной бумаги. В идеальном случае принтер должен иметь тракт для прохождения бумаги без перегибов, что предотвращает смятие подобного бутерброда внутри принтера. Большое значение это имеет и при печати на фольге или основе от пленки Oracal, поскольку тонер на них держится очень слабо, и в случае перегиба бумаги внутри принтера существует большая вероятность, что придется потратить несколько неприятных минут на очистку печки принтера от налипших остатков тонера. Лучше всего, если принтер может пропускать бумагу через себя горизонтально, печатая при этом на верхней стороне (как, например, HP LJ2100 - один из лучших принтеров для применения при изготовлении печатных плат). Основное требование, которое предъявляется к подложке, - легкость ее отделения от тонера. Кроме того, в случае использования бумаги она не должна оставлять в тонере ворсинок. При этом возможны два варианта: либо подложка после перенесения тонера на плату просто снимается (в случае пленки для лазерных принтеров или основы от Oracal), либо предварительно размачивается в воде и потом постепенно отделяется (мелованная бумага). Перенос тонера на плату заключается в прикладывании подложки с тонером к предварительно очищенной плате с последующим нагревом до температуры, немного превышающей температуру плавления тонера. Возможно огромное количество вариантов как это сделать, однако наиболее простым является прижим подложки к плате горячим утюгом. При этом для равномерного распределения давления утюга на подложку рекомендуется проложить между ними несколько слоев плотной бумаги. Тонер должен успеть достаточно расплавиться, чтобы прилипнуть к поверхности платы, и в то же время должен не успеть дойти до полужидкого состояния, чтобы края дорожек не расплющились. После «приварки» тонера к плате необходимо отделить подложку (кроме случая использования в качестве подложки алюминиевой фольги: ее отделять не следует, поскольку она растворяется практически во всех травильных растворах). Пленка для лазерных принтеров и основа от Oracal просто аккуратно снимаются, в то время как обычная бумага требует предварительного размачивания в горячей воде. В целом использование данной технологии после некоторой тренировки позволяет добиться ширины дорожек и зазоров между ними вплоть до 0,3 мм.

Травление

Хлорное железо (FeCl3) - пожалуй, самый известный и популярный реактив. Сухое хлорное железо растворяется в воде до тех пор, пока не будет получен насыщенный раствор золотисто-желтого цвета (для этого потребуется порядка двух столовых ложек на стакан воды). Процесс травления в этом растворе может занять от 10 до 60 минут. Время зависит от концентрации раствора, температуры и перемешивания. Перемешивание значительно ускоряет протекание реакции. В этих целях удобно использовать компрессор для аквариумов, который обеспечивает перемешивание раствора пузырьками воздуха. Также реакция ускоряется при подогревании раствора. По окончании травления плату необходимо промыть большим количеством воды, желательно с мылом (для нейтрализации остатков кислоты). К недостаткам данного раствора следует отнести образование в процессе реакции отходов, которые оседают на плате и препятствуют нормальному протеканию процесса травления, а также сравнительно низкую скорость реакции.

Очистка заготовки, сверловка, нанесение флюса, лужение

После завершения травления и промывки платы необходимо очистить ее поверхность от защитного покрытия. Сделать это можно каким-либо органическим растворителем, например, ацетоном.

Далее необходимо просверлить все отверстия. Делать это нужно остро заточенным сверлом при максимальных оборотах электродвигателя. В случае, если при нанесении защитного покрытия в центрах контактных площадок не было оставлено пустого места, необходимо предварительно наметить отверстия (сделать это можно, например, шилом). Прижимное усилие в процессе сверления не должно быть слишком большим, чтобы на обратной стороне платы не образовывались бугорки вокруг отверстий. Обычные электродрели практически не подходят для сверления плат, поскольку, во-первых, имеют низкие обороты, а во-вторых, обладают достаточно большой массой, что затрудняет регулирование прижимного усилия. Удобнее всего для сверления плат использовать электродвигатели типа ДПМ-35Н и им подобные с насаженным на их вал небольшим цанговым патроном. После сверловки нужно обработать отверстия: удалить все зазубрины и заусенцы. Сделать это можно наждачной бумагой.

Следующим этапом является покрытие платы флюсом с последующим лужением. Можно использовать специальные флюсы промышленного изготовления (лучше всего смываемые водой или вообще не требующие смывания) либо просто покрыть плату слабым раствором канифоли в спирте. Лужение можно производить двумя способами: погружением в расплав припоя либо при помощи паяльника и металлической оплетки, пропитанной припоем. В первом случае необходимо изготовить железную ванночку и заполнить ее небольшим количеством сплава Розе или Вуда. Расплав должен быть полностью покрыт сверху слоем глицерина во избежание окисления припоя. Для нагревания ванночки можно использовать перевернутый утюг или электроплитку. Плата погружается в расплав, а затем вынимается с одновременным удалением излишков припоя ракелем из твердой резины.

.3 Конструкторский расчет ПП (3 класс точности и т.д.)

Печатные платы по плотности проводящего рисунка делятся на 3 класса. Первый класс характеризуется наименьшей плотностью проводящего рисунка; второй и третий класс характеризуется высокой и повышенной плотностями проводящего рисунка.

Таблица 5.1

Минимальные значения геометрических параметров печатных плат

Наименование параметра

Условное обозначение

Размеры проводящего рисунка, мм

Ширина проводника

T

0,25

Расстояние между проводниками, контактными площадками, проводником и контактной площадкой

S

0,25

Расстояние от края просверленного отверстия до края контактной площадки

bm

0,05

Отношение минимального диаметра металлизированного отверстия к толщине платы

J

0,400


Исходя из того, что минимальный диаметр вывода элемента, устанавливаемого на печатную плату, составляет 0,4 мм, следует, что с учетом допуска 0,5 мм минимальный диаметр отверстия на плате составит 0,5 мм. Следовательно, максимальная толщина платы будет равна


и составит 1,25 мм. Исходя из стандартного ряда и учитывая вышеприведенное соотношение, выберем толщину платы 1,5мм.

Минимальный диаметр контактной площадки выбирают исходя из условия сохранения целостности контактной площадки при сверлении платы.

Минимальный эффективный диаметр контактной площадки равен:

,

где dmax -максимальный диаметр просверленного отверстия (1,1 мм),

dотв - погрешность расположения отверстия (мм), определяется как

dотв = dО + dБ

 

и учитывает неточности сверления станка и погрешности базирования платы на станке.

dКП - смещение центра контактной площадки (мм), зависит от точности расположения рисунка на шаблоне, погрешности экспонирования, погрешности расположения базовых отверстий и находится так:

dКП = dШ + dЭ + 0,5 ( dП + dЗ ) = 0,095 мм,

В итоге получаем:

 мм

Минимальный диаметр контактных площадок для двусторонних печатных плат рассчитываем по формуле:

,

где hf - толщина наращенной гальванической меди (0,05 мм)

hnM - толщина предварительно осажденной меди (0,006 мм)

hp - толщина металлического резиста (0,02 мм)

мм

Рассчитаем минимальную ширину проводника:

,

Подставляя в эту формулу значения, получим

= 0.354 мм.

Найдем минимальные значения диаметров контактных площадок и ширины проводников на шаблоне:


Подставляя в эти формулы значения, получим

мм

мм

=0,05 мм

Найдем максимальные значения диаметров контактных площадок и ширины проводников на шаблоне:

Подставляя в эти формулы значения, получим

мм

мм

Найдем максимальное значение диаметров контактных площадок при экспонировании:


Подставляя в эту формулу значения, получим

мм

Таблица 5.2

Предельные значения выбранных технологических параметров

Наименование коэффициента

Обозначение

Величина

Толщина предварительно осажденной меди, мм

hnM

0.006

Толщина металлического резиста, мм

hp

0.020

Погрешность расположения отверстия относительно координатной сетки, обусловленная точностью сверлильного станка, мм

dО

0,060

Погрешность базирования плат на сверлильном станке, мм

dБ

0,020

Погрешность расположения относительно координатной сетки на фотошаблоне:



Контактной площадки, мм

dШ

0,05

Проводника, мм

dШt

0,03

Погрешность расположения печатных элементов при экспонировании на слое, мм

dЭ

0,020

Погрешность расположения контактной площадки на слое из-за нестабильности его линейных размеров, % от толщины

dМ

0-0,100

Погрешность расположения базовых отверстий на заготовке, мм

dЗ

0,020

Погрешность положения базовых отверстий фотошаблона, мм

dП

0,030

Погрешность диаметра отверстия после сверления, мм

0,020


Погрешность изготовления окна фотошаблона, мм

0,050


Погрешность диаметра контактной площадки фотокопии при экспонировании рисунка, мм

0,020



6. РАСЧЕТНАЯ ЧАСТЬ

.1 Потребляемая мощность микросхем

Потребляемая мощность всей платы будет зависеть от потребляемой мощности отдельных элементов, и количества микросхем. Для расчета потребляемой мощности составим таблицу.

Таблица 6.1

Потребляемая мощность микросхем

Тип микросхемы

Количество корпусов

Мощность, потребляемая одним корпусом, мВт

Мощность, потребляемая всеми корпусами, мВт

MCP4921

1

75

75

PIC16F877

1

15

15

74HTC244

1

35

35

CC56-12

1

100

100



где Pпотр - потребляемая мощность всей платы,

P - мощность одной микросхемы,

n - количество микросхем.

В итоге Pпотр = 75+15+35+100= 225 мВт.

Таким образом, потребляемая мощность платы составила всего 225 мВт.

6.2 Расчет надежности

При проектировании устройства сопряжения я стремился создать конструкцию, удовлетворяющую оптимальным соотношениям между заданными техническими характеристиками изделия, надежностью в заданных условиях эксплуатации и технологичностью конструкции.

На этапе эскизного проектирования проводятся ориентировочные расчеты, учитывающие влияние на надежность только количества и типов применяемых ЭРИ.

Расчет надежности заключается в определении показателей надежности ЭА по известным характеристикам надежности составляющих компонентов (ЭРИ, ПП, паяные соединения, соединитель) и условиям эксплуатации. Выполним расчет по внезапным отказам.

Исходные данные: Тср = 10000 ч - заданная наработка на отказ. Система является нерезервированной.

Интенсивность отказа элементов с учетом условий эксплуатации ЭА:


где  - номинальная интенсивность отказов;

 - поправочный коэффициент на условия эксплуатации;

 и  - поправочные коэффициенты в зависимости от воздействия механических факторов,  = 1,0;  = 1,0 (условия эксплуатации - лабораторная ЭА);

 - поправочный коэффициент в зависимости от воздействия влажности и температуры,  = 2 (для влажности 93% при температуре +25°С);

 - поправочный коэффициент в зависимости от давления воздуха,

 = 1 (нормальное давление).

Тогда

Влияние температуры при расчете надежности учитывают, используя коэффициенты электрической нагрузки  и температуру блока, полученную в результате теплового расчета.  - поправочный коэффициент в зависимости от температуры T° и коэффициента нагрузки . Температуру примем общей для всех ЭРИ: T=40°С. Режим электрической нагрузки учитывается коэффициентом нагрузки.

Средние значения коэффициентов нагрузки :

для резисторов - 0,6; для конденсаторов - 0,7

Тогда поправочный коэффициент  равен:

для резисторов - 1; для конденсаторов - 0,6;

Таблица 6.2

Интенсивность отказов по типам элементов

Элемент

Обозначение

Номинальная интенсивность отказа Количество, шт.


Резисторы: МЛТ 0,125

0,0878



Кнопка:

0,26



Конденсаторы: К10-17В(CL)

0,045



Транзисторы: КТ 6127 ж

0.054



Печатная плата

0,71



Паяное соединение

0,01143



Микросхемы: MCP4921 PIC16F877 74HTC244 СС56-12  

,5

,2

,3

,4

1

1

1



 

Разъемы

0,015




Интенсивность отказа конденсаторов

Интенсивность отказа резисторов

Интенсивность отказа кнопок

Интенсивность отказа ПП

Интенсивность отказа паяного соединения

Интенсивность отказа микросхем

Интенсивность отказа разъема

Интенсивность отказа системы

Среднее время наработки на отказ

ч

ч > ч

Надежность последовательных элементов в течение 10000 часов определяем по формуле:


Таким образом, расчетное среднее время наработки на отказ  превышает заданное время наработки на отказ ячейки .

Основными трудностями являются: отсутствие в отечественных базах данных необходимых справочных данных для ЭРИ, выпускаемых зарубежными производителями, и наоборот; значительное отставание новой версии ПО от обновления справочных данных о надежности новых ЭРИ, как отечественного, так и зарубежного производства.

7. РАЗРАБОТКА ПРОГРАМНОГО ОБЕСПЕЧЕНИЯ ДЛЯ МК

.1 Описание среды разработки

IDE - это абсолютно бесплатная среда разработки, включающая в себя редактор кода программ, менеджер проектов и непосредственно среду разработки. Предназначение данного программного продукта - быстрое и удобное написание и отладка кода программ для всего семейства микро-контроллеров фирмы Microchip. В среду разработки MPLAB IDE входит набор бесплатных компонентов, позволяющих создавать и отлаживать программы для 12, 16, 17 и 18-й серии микроконтроллеров фирмы Microchip, а так же для микроконтроллеров семейства dsPIC. Так же поддерживаются компоненты третьих фирм.

MPLAB IDE позволяет:

. Создавать и редактировать кода программ, используя встроенный специализированный текстовый редактор.

. Создавать, компилировать и линковать код программы.

. Отлаживать программный код и следить за работой программы в пошаговом режиме, используя встроенный симулятор, либо в режиме реального времени, использую внешние эмуляторы MPLAB ICE 2000 и 4000, либо внутрисхемный отладчик MPLAB ICD2.

. Производить измерения временных интервалов программы при помощи эмуляторов или симулятора.

. Просматривать значения переменных в окне “Watch window”

. Программировать микроконтроллеры, используя такие средства программирования, как MPLAB ICD2, PICSTART Plus, PRO MATE II.

. Быстро находить ответы на вопросы, используя on_line помощь.

В комплект MPLAB IDE входят:

. Редактор программ, программа отладки кода программ, менеджер проекта.

. Макро ассемблер MPASM, линкер MPLINK, менеджер библиотек MPLIB.

. MPLAB SIM - программный симулятор для микроконтроллеров PIC12/16/17/18xxx.

. MPLAB SIM30 - программный симулятор для семейства dsPIC.

. MPLAB ASM30 и MPLAB LINK30 - макро ассемблер и линкер для семейства dsPIC.

. Набор утилит для работы с dsPIC.

. PROCMD - утилита для работы с программатором PROMATE II.

.2 Разработка алгоритма программы

8. ТЕХНИКО-ЭКОНОМИЧЕСКОЕ ОБОСНОВАНИЕ ПРОЕКТА

.1 Маркетинговое исследование рынка модуля для изучения генератора на базе цифро-аналогового преобразователя

Название: лабораторный модуль для изучения генератора на базе цифро-аналогового преобразователя.

Заказчик: БОУ ЧР СПО «Чебоксарский электромеханический колледж»

Цель: Синтез, разработка и исследование лабораторного модуля для изучения генератора на базе цифро-аналогового преобразователя.

Характеристика: лабораторный модуль для изучения генератора на базе цифро-аналогового преобразователя, способный выдавать сигнал произвольной частоты предназначен для лабораторно-практических занятий, для технического обслуживания, ремонта, проведения измерений и для исследования в различных областях науки, промышленности и связи.

Разработка предназначена для коммерческого распространения.

Важной особенностью генератора на базе цифро-аналогового преобразователя, отличающим его от других является то, что он может выдавать сигнал произвольной формы.

Актуальность: генераторы сигналов произвольной формы используются в случаях, когда для отладки и испытания устройств нужно подавать сигнал нестандартной формы, получение которых без использования таких генераторов крайне затруднительно. Также используют как внутреннюю базу для медицинского оборудования.

В ходе маркетингового исследования был проведен опрос, где предлагалось приобретение данного устройства организациям, изготавливающим медицинское оборудование. Результаты можно увидеть в таблице 8.1

Таблица 8.1

Результаты опроса

Скольким организациям предложено

74

Сколько организаций согласно приобрести устройство в данном виде

14

Сколько организаций согласно приобрести устройство с доработкой

33


Исходя из данных таблицы (таблица 8) можно считать, что 47 организаций согласны приобрести данное устройство.

.2 Расчёт трудоемкости и цены разработки

Разработку лабораторного модуля для изучения генератора на базе цифро-аналогового преобразователя условно можно разделить на этапы и работы конструкторской подготовки производства, представленные в таблице 8.2

Таблица 8.2

Перечень основных этапов ОКР устройства системы управления

Этап

Содержание работ, входящих в этап

Вид, отчетности по законченной работе

Кол-во исполнителей чел.

Должность

Продолжитель-ность работы, дни

1

2

3

4

5

6

Подготови-тельный

1. Ознакомление с заданием на проектирование


1

Руководитель проекта

1


2. Подбор и изучение научно-технической литературы

Пояснительная записка

2

Старший техник, Руководитель проекта

3


3.Анализ состояния вопроса по этой теме

Лит. обзор

1

Старший техник

3


4. Разработка и согласование технического задания

Техническое задание

2

Старший техник, Руководитель проекта

4

Эскизный

1. Анализ и разработка структурной схемы

Структурная схема

1

Старший техник

4


2. Проработка конструкции изделия в целом

Эскиз

2

Старший техник, Руководитель проекта

6


3. Разработка алгоритма управляющей программы

Блок-схема алгоритма

1

Старший техник

5


4. Составление пояснительной записки к эскизному проекту

Пояснительная записка

2

Старший техник, Руководитель проекта

10

Технический проект

1. Разработка принципиальной схемы

Принципиальная схема

2

Старший техник, Руководитель проекта

5


2. Разработка конструкции печатной платы

Чертеж платы

1

Старший техник

4


3. Составление спецификации

Спецификация

1

Старший техник

4


4. Разработка кода управляющей программы

Код программы

1

Старший техник

15


5. Составление пояснительной записки к техническому проекту

Пояснительная записка

2

Старший техник, Руководитель проекта

6

Изготовление опытного образца

1. Обеспечение опытного производства необходимыми материалами и комплектующими изделиями

Составление сметы

1

Старший техник

13


2. Изготовление опытного образца

Опытный образец

1

Старший техник

6


3. Проверка функционирования опытного образца

Акт проверки

2

Старший техник, Руководитель проекта

3

Приемка

Передача опытного образца заказчику

Акт передачи

2

Старший техник, Руководитель проекта

1


Итого по расчетам




93


Итого по графику




80


Из таблицы 8.1 можно сделать вывод, что работа над прибором занимает 93 дня. Из ленточного графика продолжительности ОКР (рисунок 8.1) видно, что работа старшего техника составляет 79 дней, работа руководителя проекта 39 дней.

Рисунок 8.1 Ленточный график продолжительности ОКР

С помощью полученных данных рассчитаем заработную плату работников, участвующих в разработке изделия. Результаты можно увидеть в таблице 8.3

Таблица 8.3

Расчет заработной платы работников

Должность

Оклад, руб./мес.

Оплата, руб./день

Продолжительность работ, дни

Итого, руб.

Старший техник

6600

264

79

20856

Руководитель проекта

12100

484

39

18876

Итого

39732

Дополнительная заработная плата (20% от основной зарплаты)

7946,4

Основная и дополнительная заработная плата

47678,4

Отчисления на социальные нужды (34% от основной и дополнительной зарплаты)

16210,65

Полученные при расчёте данные следует внести в итоговую таблицу (табл. 8.4).

Таблица 8.4

Смета затрат на ОКР устройства

№ п/п

Затраты по элементам

Сумма, руб.

1

Материалы

1000,00

2

Основная заработная плата разработчиков

39732

3

Дополнительная заработная плата

7946,4

4

Отчисления на социальные нужды

16210,65

5

Накладные расходы

8582,1

6

Арендная плата

2300,00

Итого

75771,15


Арендная плата - форма имущественного договора или соглашения, по которому собственник передаёт арендатору право пользования и исключительного владения имуществом на определенное время при условии уплаты арендной платы.

Накладные расходы - канцтовары и тд., а отчисления на страховые взносы составляют 34% от основной заработной платы.

В аренду будут взяты лаборатория и компьютер с выходом в интернет.

.3 Расчёт затрат на создание устройства

.3.1 Затраты на основные и вспомогательные материалы

В данную статью расходов включаются материалы (основные и вспомогательные), расходуемые на изготовление нестандартных деталей и узлов проектируемого изделия согласно его конструкции, разработка которой представлена в предыдущих главах данного дипломного проекта.

Таблица 8.5

Расчёт затрат на основные и вспомогательные материалы на одну плату

№ п/п

Наименование и характеристика материалов

Единица измерения

Цена, руб.

Количество

Сумма, руб.

1

Стеклотекстолит СФ1-35Г ГОСТ 10316-78

м2

50

0,17

8,50

2

Припой ПОС-61

кг

820

0,1

82


ГОСТ 21931-76





3

Хлорное железо

кг

80

0,25

20


ГОСТ 11159-85





4

Ацетон ГОСТ 172991-78

л

96

0,01

0,96

5

Флюс паяльный ЛТИ-120

л

160

0,01

1,6

Итого: Основные материалы

113,06

Вспомогательные материалы (25% от основных)

28,26

Итого: основные и вспомогательные материалы

141,32

Транспортно-заготовительные расходы (20% от основных и вспомогательных материалов)

28,25

Всего затрат на основные и вспомогательные материалы

169,57


8.3.2 Затраты на комплектующие материалы

Затраты на комплектующие материалы на одно изделие определяются согласно ведомости спецификации. Результаты расчёта заносим в таблицу 8.6

Таблица 8.6

Расчёт затрат на комплектующие материалы на одно изделие

№ п/п

Наименование и характеристика изделий

Единица измерения

Цена, руб.

Количество

Сумма, руб.

1

ИМС PIC16F877

шт.

216

1

216

2

ИМС MCP4921

шт.

169

1

169

3

ИМС 74HCT244

шт.

11

1

11

4

ИМС CC56-12

шт.

200

1

200

5

Кнопки

шт.

5

6

30

6

Конденсаторы 0,1 мкФ

шт.

1

4

4

7

Резисторы

шт.

10

4

40

8

Разъем

шт.

1

8

8

Итого

678

Транспортно-заготовительные расходы (20%)

135,6

Всего

813,6


Расходы на производство одного прибора составляют 813,6 рублей.

8.3.3 Расчёт заработной платы производственных рабочих опытного производства, занятых изготовлением опытного образца

Сначала рассчитаем тарифную заработную плату на основании трудоёмкости изготовления лабораторного модуля для изучения генератора на базе цифро-аналогового преобразователя и часовых тарифных ставок. Расчёты по определению заработной платы производственных рабочих представлены в таблице 8.7.

Таблица 8.7

Расчёт заработной платы производственных рабочих

Виды работ

Вид операции

Разряд работы

Трудоемкость, ч

Часовая тарифная ставка, руб./ч

Итого зарплата, руб.

Изготовление печатной платы

Сверловка, нанесение рисунка, травление

3

16

26,50

424,00

Монтаж ЭРИ

Пайка

3

25

28

700

Регулировка изделия

Регулировка

5

14

45,50

637,00

Итого тарифная заработная плата

1761

Доплата (50% от тарифной заработной платы)

880,5

Итого основная заработная плата

2661,5

Дополнительная зарплата (18% от основной зарплаты)

479,07

Основная и дополнительная заработная плата

3140,57

Отчисления на социальные нужды (34% от основной и дополнительной заработной платы)

1067,79


За изготовление одной печатной платы работник будет получать 1761 (не считая премии).

.3.4 Расчет прочих расходов

Используется укрупненный метод калькулирования величины накладных расходов. Результаты расчётов отдельных статей затрат, включаемых в себестоимость опытного образца, представлены в таблице 8.8

Таблица 8.8

Калькуляция себестоимости опытного образца проектируемого изделия

№ п/п

Наименование статей затрат

Опытный образец (сумма, руб.)




1

Основные и вспомогательные материалы

169,57

2

Комплектующие изделия

813,6

3

Основная заработная плата основных производственных рабочих

1761

4

Дополнительная заработная плата производственных рабочих

479,07

5

Отчисления на социальные нужды

1067,79

6

Арендная плата

2300

7

Общепроизводственные расходы (120% от основной заработной платы)

2113,2


Полная себестоимость

8704,23


8.3.5 Расчёт цены единицы продукции

Для продажи устройства нужно рассчитать цену продукта. Для этого переменные затраты (основные и вспомогательные материалы и комплектующие материалы) и постоянные затраты (смета затрат на ОКР устройство) вносим в таблицу 8.9 для формирования на единицу продукции и на количество 47 штук.

Таблица 8.9

Формирование цены

№ п/п

Затраты

На единицу продукции

На 47 штук

1

Переменные

986,17

46349,99

2

Постоянные

75771,15

3

Валовые (1+2)

122121,4


Определим цену продукции:

 (8.1)

где Р - цена единицы продукции,

Зперем - переменные затраты,

Зпост - постоянные затраты,

Приб. - прибыль 25%.

Рассчитаем количество продукции, при котором возместятся затраты:

 (8.2)

где Q - количество продукции.

С - точка безубыточности

Произведем поверку расчёта точки безубыточности графическим методом (Рисунок 8.2).

Рисунок 8.2 График безубыточности

ЗАКЛЮЧЕНИЕ

Был произведён экономический расчёт целесообразности изготовления устройства. Продолжительность разработки устройства - 3 месяца.

Постоянные затраты, включающие в себя заработную плату разработчиков, арендную плату, социальные отчисления, накладные расходы, составляет 75771,15 рублей.

Затраты на основные и вспомогательные материалы и комплектующие изделия равны 986,17 рубля.

Для возможного запуска разработки лабораторного модуля для изучения генератора на базе цифро-аналогового преобразователя в серийное производство был рассчитан минимальный уровень производства устройства, при котором величина выручки от реализации продукта равна издержкам производства и обращения этого продукта, и он составляет 33 единиц продукции.


СПИСОК ЛИТЕРАТУРЫ

1. Попов В.В, Электрические измерения. - М.: Энергия, 2014

2. ЭВМ в проектировании и производстве. Вып.2 - Л.: Машиностроение, 2008

3. Жукова Г.А., Жуков В.П. Курсовое и дипломное проектирование по низковольтным электрическим аппаратам. - М.: Высшая школа, 2007

4. Усатенко СТ. и др. Выполнение электрических схем по ЕСКД. Справочник.- М.: Издательство стандартов, 2008

5. Александров К.К., Кузьмина Е.Г. Электротехнические чертежи и схемы.- Энергоатомиздат, 2010

6. Камнев В.Н. Чтение схем и чертежей электроустановок. - М.: Высшая школа, 2009

Похожие работы на - Разработка лабораторного модуля для изучения генератора сигналов на базе цифро-аналогового преобразователя

 

Не нашли материал для своей работы?
Поможем написать уникальную работу
Без плагиата!
Без нейросетей!