Разработка релейной защиты участка сети
Министерство образования республики
Беларусь
Белорусский национальный технический
университет
Энергетический факультет
Кафедра «Электрические станции»
КУРСОВАЯ РАБОТА
По дисциплине:
Релейная защита и автоматизация
энергосистем
По теме:
Разработка релейной защиты участка
сети
Студент Д.А.
Кулик
Группа 106120
Руководитель
А.Г. Сапожникова
Минск 2014
СОДЕРЖАНИЕ
ВВЕДЕНИЕ
. Выбор видов
и места установки релейных защит для элементов сети
. Выбор типов
трансформаторов тока и их коэффициентов трансформации
. Расчет
токов КЗ, небоходимых для выбора уставок и проверки чуствительности защит
. Расчет
параметров выбранных защит элементов участков сети. Выбор типов реле
.1 Расчет
параметров защиты линии Л6
.1.1 Расчет
параметров токовой отсечки
.1.2 Расчет
параметров МТЗ
.2 Расчет
параметров защит трансформатора Т1
.2.1 Расчет
параметров дифференциальной защиты
.2.2 Расчет
параметров защиты от сверхтоков внешних междуфазных КЗ
.2.3 Расчет
параметров защиты от перегрузки
.2.4 Газовая
защита
.3 Расчет
уставок дифференциальной защиты на микропроцессорной базе (реле МР 801)
СПИСОК
ИСПОЛЬЗОВАННЫХ ИСТОЧНИКОВ
ПРИЛОЖЕНИЕ 1
ПРИЛОЖЕНИЕ 2
ВВЕДЕНИЕ
Главная задача проектируемых устройств защиты - обеспечение надежности
электроснабжения потребителей. Для обеспечения этого они должны удовлетворять
следующим основным требованиям: быстродействию, надежности, чувствительности
селективности.
Быстродействующей считается защита, обеспечивающая подачу командного
импульса на отключение со временем порядка 0,1 с с момента возникновения
повреждения. Для линий 35 кВ и выше применение быстродействующего отключения
считается обязательным на участках, повреждение которых вызывает снижение
напряжения до 60-65% на шинах подстанций, через которые осуществляется транзит
мощности параллельно работающих подстанций системы. Быстродействующими защитами
являются: первые ступени токовых защит (токовые отсечки), первые ступени
дистанционных защит, продольные и поперечные дифференциальные защиты.
При рассмотрении селективности действия релейной защиты следует иметь в
виду, что иногда с целью упрощения защиты и ускорения ее действия, допускается
неселективное действие защиты (в особенности при редких видах повреждений) при
условии исправления неселективности действия срабатывания защиты путем действия
устройств АПВ.
Официальными документами, определяющими однотипность выполнения релейной
защиты и автоматики, являются «Руководящие указания по релейной защите» и
«Правила технической эксплуатации». Поэтому при выполнении проекта нужно уметь
использовать указанные выше материалы.
Устройства
релейной защиты постоянно совершенствуются на базе новых технических средств.
При разработке проекта нужно использовать новую аппаратуру и новые схемы
устройств релейной защиты.1. ВЫБОР ВИДОВ И МЕСТА УСТАНОВКИ РЕЛЕЙНЫХ ЗАЩИТ ДЛЯ
ЭЛЕМЕНТОВ СЕТИ
Исходные данные для заданного варианта №13 приведены в таблице 1.
Таблица 1
Исходные данные
|
G, МВА
|
2000
|
|
X*Gмин
|
0,39
|
|
X*Gмакс
|
0,35
|
|
Л1,Л2,Л3,Л4,Л5 (АС мм2)
|
150
|
|
Л1=Л2, км
|
70
|
|
Л3, км
|
85
|
|
Л4, км
|
40
|
|
Л5, км
|
0
|
|
UH1, кВ
|
110
|
|
UH2, кВ
|
10,5
|
|
UH3, кВ
|
6,3
|
|
Т1
|
ТДН - 10000
|
|
Н1, МВА
|
8,2
|
|
Н3, МВА
|
4,1
|
|
Л6 (АС мм2)
|
70
|
|
Л6, км
|
6,2
|
ТМН - 6300
|
|
Н2, МВА
|
4,9
|
|
Н4, МВА
|
33
|
Наибольшее время срабатывания МТЗ присоединений подключённых к шинам: П6
- 0,6 с.; П3 - 1,6 с.; П4, П5 - 1,1 с.
Для защиты
выбираем следующие элементы сети: трансформатор тока T1 (ТДН-10000/110) и линию Л6. Для защиты трансформатора будут
установлены следующие виды защиты: продольная дифференциальная защита без
выдержки времени, максимальная токовая защита (для защиты от сверхтоков внешних
междуфазных КЗ) и защита от перегрузки. Для защиты линии Л6 будет установлена
со стороны шины П4 двухступенчатая токовая защита: токовая отсечка мгновенного
действия и максимальная токовая защита.
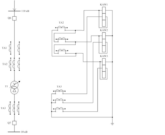
Рисунок 1 - Вид и место установки релейных защит
2. ВЫБОР
ТИПОВ ТРАНСФОРМАТОРОВ ТОКА И ИХ КОЭФФИЦИЕНТОВ ТРАНСФОРМАЦИИ
Выбор ТТ для защиты линии Л6 производим по рабочему максимальному току:
Расчетный
коэффициент трансформации:
Выбираем
трансформатор тока типа ТПЛ-10 с коэффициентом трансформации 150/5.
Для
трансформатора ТДН-10000/110 МТЗ и защита от перегрузки устанавливается на один
трансформатор тока со стороны источника питания.
Расчетный
коэффициент трансформации:
Выбираем
трансформатор тока типа ТФЗМ110-Б1 с коэффициентом трансформации 50/5.
Для
дифференциальной защиты трансформаторы тока устанавливается на сторонах высшего
и низшего напряжений.
Обмотки
силового трансформатора соединены по схеме «звезда - треугольник». Для
компенсации углового сдвига в плечах дифференциальной защиты вторичные обмотки
ТТ со стороны «звезды» силового трансформатора соединяются в «треугольник», а
со стороны «треугольника» - в «звезду». Соответственно коэффициенты схемы:
- для «треугольника» и
- для
«звезды».
Расчетные
коэффициенты трансформации:
Выбираем
трансформаторы тока типа ТФЗМ110-Б1 и ТПЛ-10 с коэффициентами трансформации
100/5 и 600/5 соответственно.
3. РАСЧЕТ
ТОКОВ КЗ, НЕБОХОДИМЫХ ДЛЯ ВЫБОРА УСТАВОК И ПРОВЕРКИ ЧУСТВИТЕЛЬНОСТИ ЗАЩИТ
Для расчёта токов КЗ приведём расчётную схему (рисунок 2):
Рисунок 2 - Расчётная схема
НА основании расчетной схемы составим схему замещения прямой
последовательности, в которой отдельные элементы заменим соответствующими
сопротивлениями (рисунок 3):
Рисунок 3 - Схема замещения
Для расчёта токов КЗ в точке К1 определим сопротивления
приведённые к ступени 115 кВ.
Определим
токи трехфазных КЗ в точке К1 для различных режимов и выберем
максимальное и минимальное значения. Полученные значения занесем в таблицу
2.Результирующее сопротивление при одной рабочей линии определяется по формуле
(1), при двух линиях - по формуле (2), а ток трехфазного КЗ в точке К1
- по формуле (3)
(1)
(2)
(3)
Таблица 2
Токи трехфазных КЗ в точке К1 для различных режимов
|
Режим системы
|
Количество рабочих линий
|
Результирующее
сопротивление по формулам (1) или (2)
|
Ток трёхфазного КЗ по
формуле (3)
|
|
Минимум
|
одна
|
30,579 Ом
|
2,171 кА
|
|
две
|
16,579 Ом
|
4,005 кА
|
|
Максимум
|
одна
|
30,314 Ом
|
2,19 кА
|
|
две
|
16,314 Ом
|
4,07 кА
|
По результатам расчетов получаем максимальное значение тока КЗ в точке К1
равное 4,07 кА, и соответствующее ему сопротивление 16,314 Ом. Минимальное
значение тока КЗ - 2, 171 кА, а соответствующее ему сопротивление - 30,579 Ом.
Рассчитаем максимальный и минимальный уровни токов КЗ при повреждении в
точке К2. Сопротивление трансформатора X4, приведённое к ступени напряжения 10,5 кВ:
Сопротивление
системы и ЛЭП, приведённое к ступени напряжения 10,5 кВ:
Результирующее
сопротивление относительно точки К2:

Таблица 3
Изменение тока трехфазного КЗ вдоль линии Л6 в минимальном и максимальном
режимах
|
Расстояние
|
Минимальный режим
|
Максимальный режим
|
|
X∑,Ом
|
Ток КЗ, кА
|
X∑,Ом
|
Ток КЗ, кА
|
|
0
|
1,413
|
4,386
|
1,294
|
4,685
|
|
0,1
|
1,661
|
3,650
|
1,542
|
3,931
|
|
0,15
|
1,785
|
3,396
|
1,666
|
3,639
|
|
0,2
|
1,909
|
3,176
|
1,790
|
3,387
|
|
0,25
|
2,033
|
2,982
|
1,914
|
3,167
|
|
0,3
|
2,157
|
2,810
|
2,038
|
2,975
|
|
0,4
|
2,405
|
2,521
|
2,286
|
2,652
|
|
0,45
|
2,529
|
2,397
|
2,410
|
2,515
|
|
0,5
|
2,653
|
2,285
|
2,534
|
2,392
|
|
0,55
|
2,777
|
2,183
|
2,658
|
2,281
|
|
0,6
|
2,901
|
2,090
|
2,782
|
2,179
|
|
0,7
|
3,149
|
1,925
|
2,001
|
|
0,8
|
3,397
|
1,785
|
3,278
|
1,849
|
|
0,85
|
3,521
|
1,722
|
3,402
|
1,782
|
|
0,9
|
3,645
|
1,663
|
3,526
|
1,719
|
|
0,95
|
3,769
|
1,608
|
3,650
|
1,661
|
|
1
|
3,893
|
1,557
|
3,774
|
1,606
|
4 РАСЧЕТ
ПАРАМЕТРОВ ВЫБРАННЫХ ЗАЩИТ ЭЛЕМЕНТОВ УЧАСТКОВ СЕТИ. ВЫБОР ТИПОВ РЕЛЕ
4.1 Расчет
параметров защиты линии Л6
4.1.1 Расчет
параметров токовой отсечки
Для линий в сетях 3 - 10 кВ с изолированной нейтралью должны быть
предусмотрены устройства релейной защиты от многофазных замыканий и oт однофазных замыканий на землю.
Рассчитаем параметры защит, установленных на линии Л6. На этой линии
установлена двухступенчатая токовая защита, первая ступень которой выполнена в
виде токовой отсечки, а вторая - в виде максимальной токовой защиты. Ток
срабатывания первой ступени (токовая отсечка без выдержки времени)
отстраивается от максимального значения тока трёхфазного КЗ в конце линии:
Оценим
защитоспособность линии. Отсечка считается эффективной, если она защищает не
менее 18-20% длины линии.
Рисунок
4 - Оценка защитоспособности линии:
-
ток КЗ в линии при минимальном сопротивлении генератора;
-
то же при максимальном;
-
ток срабатывания защиты
Защита
обладает достаточной защитоспособностью (lмин=70%l).
Определим
коэффициент чувствительности токовой отсечки при КЗ в месте её установки, в
наиболее благоприятном по условию чувствительности режиме:
при
трехфазном КЗ:
при
двухфазном КЗ:
Токовая
отсечка достаточно эффективна.
Ток
срабатывания измерительного органа токовой отсечки:
релейный защита сеть трансформатор
4.1.2 Расчет
параметров МТЗ
Ток срабатывания второй ступени (МТЗ) выбирается по условию отстройки от
максимального тока нагрузки присоединения Iраб. макс.
где Ксз - коэффициент самозапуска двигателей нагрузки;
Кв - коэффициент возврата, равный 0,8 для реле косвенного
действия;
КотсII
- коэффициент отстройки, равный 1,2, для реле косвенного действия;
- максимальный рабочий ток защищаемого элемента.
Определим
коэффициент самозапуска. Ток самозапуска приближённо рассчитывается как ток
трехфазного КЗ за сопротивлением заторможенной нагрузки, представленной
сопротивлением обобщённой нагрузки (
).
Сопротивление
нагрузки в именованных единицах:
Эквивалентное
сопротивление:
Ток
самозапуска:
Коэффициент
самозапуска:
Ток срабатывания защиты:
Чувствительность
МТЗ проверяется при металлическом двухфазном КЗ в минимальном режиме работы
системы.
Так
как для основной зоны
, то МТЗ достаточно эффективна.
Ток срабатывания измерительного органа МТЗ:
Выдержка времени МТЗ:

4.2 Расчет
параметров защит трансформатора Т1
4.2.1 Расчет
параметров дифференциальной защиты
Определим токи в плечах защиты, соответствующие номинальной мощности
трансформатора Т1:
Так как сторона НН трансформатора Т1 имеет больший вторичный ток,
следовательно ее принимаем за основную сторону при дальнейших расчетах.
Первичный ток срабатывания защиты выбирается по следующим условиям:
по условию отстройки от максимального тока небаланса при внешних КЗ
Ток
IКЗмакс
ступени низшего напряжения (основной):
по
условию отстройки от бросков тока намагничивания при включении ненагруженного
трансформатора под напряжение:
За
первичный ток срабатывания принимаем Ic.з.1.
Определим
вторичный ток срабатывания, отнесённый к основной стороне (НН):
Число
витков реле РНТ для основной стороны:
Принимаем
Wосн=7
витков.
Определим
фактическое значение Iср,
соответствующее выбранному числу витков Wосн.:
Расчетное
число витков с неосновной стороны, из условия равенства нулю результирующей
намагничивающей силы БНТ реле при нагрузочном режиме и внешних КЗ:
Принимаем
ближайшее целое значение Wнеосн=7
витков.
Вычислим
третью составляющую тока небаланса Iнбlll, которая обусловлена неравенством расчётного Wнеосн.расч и фактического Wнеосн числа витков:
Определим
суммарный ток небаланса и рассчитаем значения Iсз и Iср.
Так
как
>
, то
расчет тока срабатывания необходимо повторить с учетом
.
Выполняем
расчет с Wосн.расч
равным 6 виткам.
Определим
фактическое значение Iср,
соответствующее выбранному числу витков Wосн.:
Расчетное
число витков с неосновной стороны, из условия равенства нулю результирующей
намагничивающей силы БНТ реле при нагрузочном режиме и внешних КЗ:
Принимаем
ближайшее целое значение Wнеосн=6
витков.
Вычислим
третью составляющую тока небаланса Iнбlll, которая обусловлена неравенством расчётного Wнеосн.расч и фактического Wнеосн числа витков:
Определим
суммарный ток небаланса и рассчитаем значения Iсз и Iср.
Так
как
<
, то
рассчитанные параметры реле соответствуют несрабатыванию реле при максимальном
токе небаланса.
Определим
коэффициент чувствительности защиты при двухфазном КЗ на стороне низшего
напряжения:
где
Iр. мин. -
минимальный ток в реле, который рассчитывается по формуле:
Коэффициент
чувствительности удовлетворяет техническим требованиям. В качестве
измерительного органа выбираем реле тока РНТ - 565.
Схема
исполнения продольной дифференциальной защиты трансформатора приведена в
приложении 2.
4.2.2 Расчет
параметров защиты от сверхтоков внешних междуфазных КЗ
Защита от сверхтоков внешних междуфазных КЗ предназначена для отключения
трансформаторов при внешних КЗ в случае отказа защит присоединений или сборных
шин. Она является также резервной защитой от внутренних повреждений в
трансформаторах. Защита включается на трансформаторы тока со стороны источника
питания.
Расчет производим по аналогии с выбором параметров МТЗ линии.
Определим
коэффициент самозапуска. Сопротивление нагрузки и системы в именованных
единицах, приведённые к высшей стороне напряжения:
Эквивалентное
сопротивление:
Ток
самозапуска:
Максимальный
рабочий ток защищаемого элемента:
Коэффициент
самозапуска:
Ток срабатывания защиты:
Ток срабатывания измерительного органа:

где
Iк.min - минимальное значение
тока при двухфазном КЗ на стороне НН трансформатора:
тогда:
Коэффициент чувствительности удовлетворяет техническим требованиям. Время
срабатывания защиты:
Выбираем реле типа РТ 40/20, ЭВ 122, РП 23.
4.2.3 Расчет
параметров защиты от перегрузки
Защита от перегрузки выполняется с помощью МТЗ, включённой на ток одной
фазы. Защита действует с выдержкой времени на сигнал, а на необслуживаемых
подстанциях - на разгрузку или отключение трансформатора.
На двухобмоточных трансформаторах с односторонним питанием
предусматривается один комплект защиты, устанавливаемый со стороны питания.
Ток срабатывания защиты:
Ток
срабатывания защиты:
Ток
срабатывания измерительного органа:
Время
срабатывания защиты:
Выбираем реле типа РТ 40/10, ЭВ 122.
4.2.4 Газовая
защита
Газовая защита устанавливается на трансформаторах, имеющих расширители.
Применение газовой защиты является обязательным на трансформаторах мощностью
6300 МВА и более и осуществляется с помощью специальных газовых реле. Для
газовой защиты трансформатора Т1 (ТДН-10000) установим реле с чашечковыми
элементами типа РГЗЧ-66. Чувствительность нижнего элемента (лопасти)
регулируется в пределах от 0,6 до 1,2 м/с. Время действия реле при работе
лопасти колеблется от 0,5 до 0,05 с.
.3 Расчет
уставок дифференциальной защиты на микропроцессорной базе (реле МР 801)
Тормозная характеристика дифференциальной защиты (рисунок 5) имеет три
участка AB, BC, CD четвертый
участок DE обусловлен действием
дифференциальной отсечки.
ё
Рисунок 5 - Тормозная характеристика
Вторичные токи в плечах защиты, которые соответствуют номинальной
мощности защищаемого трансформатора:
где
- КТТ1 - коэффициент трансформации ТТ i-ой стороны
силового трансформатора соответственно.
Выбор
уставки срабатывания IД>:
где
- КОТС - коэффициент отстройки, который учитывает погрешности
терминала защиты, принимаем равным 1,5;
КПЕР
- коэффициент, учитывающий переходной режим, принимаем равным 1;
КОДН
- коэффициент однотипности трансформатора тока, принимаем равным 1;
ε - относительное значение полной погрешности ТТ, для 10Р - 0,1;
ΔU -
относительная погрешность обусловленная регулированием напряжения на сторонах
защищаемого трансформатора, принимаем равным 0,16;
ΔfВЫР - коэффициент, учитывающий погрешность цифрового
выравнивания, равен 0,03 для ITT /IНОМ от 1
до 2 (ITT - номинальный первичный ток измерительного ТТ, IНОМ -номинальный ток силового трансформатора);
I*НОМ.НАГР -
номинальный ток нагрузки.
Точка
второго перегиба:
так
как второй участок учитывает погрешности в зоне допустимой перегрузки
трансформатора (при токе нагрузки 1,5 IНОМ).
Определяем
угол наклона BC:
Точка
первого перегиба:
Наклон
второго участка:
Блокировка
по I2 /I1=14%. Перекрестная блокировка «Введена».
Блокировка
по I5 /I1=36%. Перекрестная блокировка «Введена».
Уставка
токовой отсечки:
По
условию отстройки от броска тока намагничивания:
Ток
срабатывания отсечки определяется отстройкой от максимального первичного тока
небаланса при переходном режиме внешнего КЗ:
Принимаем
IД>>=6,554.
СПИСОК
ИСПОЛЬЗОВАННЫХ ИСТОЧНИКОВ
1. Романюк,
Ф.А. Методические указания к курсовому проектированию для студентов
специальности 1-53 01 04 «Автоматизация и управление энергетическими
процессами» (специализация 1-53 01 04 03 «Автоматизация и релейная защита
установок») / Ф.А. Романюк, А.А. Тишечкин, Н.Н. Бобко - Минск: БНТУ, 2007г.
.
Чернобровов, Н.В. Релейная защита энергетических систем: учебное издание / Н.В.
Чернобровов, В.А. Семенов - М.: Энергоатомиздат, 1998
. Правила
устройств электроустановок ПУЭ-76, разд. III. - М.: Энергоиздат, 1981
. Микропроцессорное
реле МР 801 дифференциальной защиты трансформатора 110/10/6 кВ: руководство по
эксплуатации - Минск: РУП «Белэлектромонтажналадка», 2010
ПРИЛОЖЕНИЕ 1
ПРИЛОЖЕНИЕ 2