Проектирование вагоноремонтного депо

  • Вид работы:
    Курсовая работа (т)
  • Предмет:
    Транспорт, грузоперевозки
  • Язык:
    Русский
    ,
    Формат файла:
    MS Word
    203,06 Кб
  • Опубликовано:
    2015-05-19
Вы можете узнать стоимость помощи в написании студенческой работы.
Помощь в написании работы, которую точно примут!

Проектирование вагоноремонтного депо

Содержание

Введение

. Разработка плана главного производственного корпуса депо

. Формирование маршрутных линий движения ремонтируемых частей вагонов (технологических потоков)

3. Составление перечней оборудования для основных производственных участков депо

4. Проектирование системы технологических коммуникаций

. Разработка единицы нестандартизиванного оборудования

Заключение

Список использованных источников

Введение

Сложность сборочных технологических процессов требует применения для их выполнения не менее сложного технологического оборудования и приспособлений.

По видам технологической оснащенности сборочные процессы производства и ремонта вагонов можно разделить на три группы:

- процессы с преобладанием механо-сборочных работ по образованию разъемных соединений (общая сборка тележек, тормозов, автосцепного устройства и др.);

процессы общей сборки и внутренней отделки вагонов;

процессы с преобладанием сборочно-сварочных работ по образованию неразъемных соединений (общая и узловая сборка кузова, узловая сборка тележек пассажирских вагонов и др.).

Технологические процессы первой и второй группы не требуют применения специального технологического оборудования. Для их выполнения применяют типовые или специализированные подъемно-транспортные средства, механизированный инструмент, несложные приспособления для облегчения пруда рабочих и контроля качества сборки, устройства узкоспециализированного назначения, например, прессы для предварительного сжатия поглощающего аппарата и др.

Наибольшую сложность вызывает организация технологического оснащения процессов третьей группы. Эти технологические процессы представлены большой совокупность технологий изготовления сборочных единиц вагонов, существенно отличающихся конструктивными схемами (балки, рамы, каркасы, пространственные конструкции), габаритными размерами и массой (от нескольких килограммов до нескольких десятков тонн), количеством и содержанием сборочных операций, объемами выпуска изделий, требованиями к точности сборочных работ и др.

Техническое оснащение указанных технологических процессов весьма разнообразно. Технология изготовления одних сборочных единиц требует применения простых сборочных приспособлений, для других - необходимы достаточно сложные крупногабаритные механизированные сборочные стенды, устройства для поворота изделий в процессе сварки и др.

Выбор типа технологического оборудования в каждом конкретном случае базируется на особенностях содержания технологических операций, объеме выпускаемых изделий, экономической целесообразности.

1. Разработка плана главного производственного корпуса депо

Главный производственный корпус депо, специализирующегося на ремонте крытых вагонов, объединяет в одном здании помещения основных производственных участков:

вагоносборочный участок (ВСУ);

тележечный участок;

колёсный участок;

участок ремонта роликовых подшипников;

ремонтно-комплектовочный участок (РКУ) с отделением по ремонту крышек люков полувагонов;

контрольный пункт автосцепки (КПА).

Общее количество ремонтных позиций (фронт работы участка) определяется из выражения:

 (1)

где  - годовая программа ремонта вагонов;

 - количество рабочих дней в году, дня;

 - количество смен в сутках, .

Общее количество ремонтных позиций принимаю , при этом принимаю 2 ремонтных пути по 5 ремонтных позиций.

В силу того что принятое количество ремонтных позиций больше расчетного, то необходимо корректировать годовую программу ремонта:

 (2)

где  - откорректированная программа годового ремонта;

 - принятое количество ремонтных позиций.

По расчету:

NBK == 5060 ваг

Резерв производственной мощности составит 8,1%.

Длина вагоносборочного участка определяется из выражения:

 (3)

где  - нормированная длина ремонтных позиций, ;

 - расстояние от торцевой стены помещения до крайней ремонтной

позиции со стороны выкатки тележек, ;

 - то же с противоположной стороны, .

LB=∙10 ∙16,7+6+3=92,5м

Длину вагоносборочного участка примаю .

Согласно строительным нормам, ширина помещения для двух ремонтных путей принимается равной , также принимаю ширину между осями ремонтных путей .

Выбрана трехпролетная схема здания которая включает в себя средний пролет, в котором располагается вагоносборочный участок и два боковых для помещений остальных производственных участков.

Нормы площадей участков расположенных во втором и третьем пролете приведены в таблицы 1.

Таблица 1 - Номы площадей производственных участков депо

Наименование участков и отделений

Норма площади,

Тележечный

400

Колесный

400

Роликовых подшипников

200

Ремонта автосцепки

400

Ремонтно-комплектовочный

400

Обменная кладовая

100

Специализированное отделение ремонта крышек люков

120


Для построения схемы плана второго и третьего пролетов здания зададимся их шириной (), а длину примем равной длине помещения вагоносборочного участка, при этом должно соблюдаться условие:


где  - принятая ширина боковых пролетов;

 - площадь - го участка по нормам;

 - расчетное количество участков, .

Расчетная площадь больше потребной. На свободной площади размещаем административное и хозяйственно-бытовое помещения.

Длина помещения каждого участка, размещаемого во втором и третьем пролете, выполняется по формуле:

 (5)

где  - норма площади - го производственного участка;

 - принятая ширина второго и третьего пролета.

Участки:

тележечный:

колесный:

роликовых подшипников:

ремонта автосцепки:

ремонтно-комплектовочный:

обменная кладовая:

Длину и ширину специализированного отделения по ремонту крышек люков полувагонов принимаю равной .

Потребная вместимость парка (колесных пар) определяется из выражения:

 (6)

производственный корпус депо ремонтируемый

где  - среднее количество осей (осность) ремонтируемых вагонов, ;

 - коэффициент, учитывающий долю колесных пар, требующих ремонта, ;

 - количество рабочих дней в месяце, ;

 - количество суток, принятое для определения запаса исправных колесных пар, ;

 - коэффициент, учитывающий колесные пары, поступившие из-под вагонов текущего ремонта, .

 к.п.

Общая длина путей в местах для хранения колесных пар составит:

 (7)

Количество путей в парке примем , с учетом проходов (междупутий), ширина площадки, приходящийся на один путь - . Отсюда размеры колесного парка:

длина  (8)

ширина  (9)

По расчету:

 м

Ширину колесного парка принимаю .

На рисунке 1 показан план главного производственного корпуса депо.

Рисунок 1 - План главного производственного корпуса депо

Обозначения на рисунке 1: участки: 1 - вагоносборочный; 2 - тележечный; 3 - колесный; 4 - роликовых подшипников; 5 - ремонта автосцепки; 6 - ремонтно-комплектовочный; 7 - специализированное отделение по ремонту крышек люков полувагонов; 8 - обменная кладовая; 9 - административное помещение; 10 - хозяйственно-бытовое помещение; 11 - колесный парк. пути: Р1, Р2 - ремонтные пути; Р3 - для выгрузки колесных пар.

2. Формирование маршрутных линий движения ремонтируемых частей вагонов (технологических потоков)

Маршрутные потоки должны соответствовать маршрутным картам основных технологических процессов (ГОСТ 3.1118-82) в заданной технологической последовательности с учетом данных об оборудовании.

Основными требованиями по формированию технологических потоков являются:

кратчайшие пути транспортировки частей и деталей вагонов на участках и между ними;

отсутствие встречных потоков по одному коммуникационному каналу;

согласованность работы производственных участков и отделений для исключения простоев.

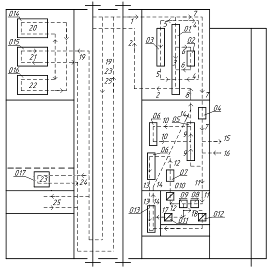
На рисунке 2 приведены технологические потоки в главном корпусе депо. На основании характеристик потоков разработан перечень необходимого оборудования.

Рисунок 2 - Технологические потоки в главном корпусе депо

Обозначения на рисунке 2: потоки: 1 - тележки из вагоносборочного в ремонт; 2 - тележки после ремонта из тележечного участка в вагоносборочный; 3 - ремонт каркасов тележек на поточной линии; 4 - пружины рессорного комплекта на проверку, комплектовку и обратно; 5 - литые детали тележки в ремонт и обратно; 6 - триангели и детали рычажных передач на испытание и обратно; 7 - колесные пары в колесный участок для освидетельствования; 8 - исправные колёсные пары на сборку тележек; 9 - обыкновенного освидетельствования колёсных пар на поточной линии; 10 - колесные пары на обточку колес в процессе обыкновенного освидетельствования; 11 - колесные пары, требующие полного освидетельствования, на демонтаж букс; 12 - колесные пары после демонтажа букс и обмывки, в ремонт; 13 - колесные пары на монтаж букс; 14 - колесные пары на подкатку в тележечный участок; 15 - колесные пары в колесный парк; 16 - колесные пары из колесного парка; 17 - корпуса букс на обмывку, проверку и монтаж букс; 18 - подшипники на обмывку, комплектовку, ремонт и монтаж букс; 19 - автосцепное устройство из вагоносборочного в КПА и обратно; 20 - ремонт корпусов автосцепки на поточной линии; 21 - ремонт тяговых хомутов на поточной линии; 22 - ремонт поглощающих аппаратов на поточной линии; 23 - в ремонт и обратно крышек люков; 24 - ремонт крышек люков на поточной линии; 25 - детали автотормозного оборудования в обменную кладовую и обратно. Перечень потребного оборудования: О1 - поточно-конвейерная линия по ремонту тележек; О2 - стенд для испытания и ремонта триангелей; О3 - комплекс оборудования для ремонта литых деталей тележки; О4 - машина для очистки колесных пар с промежуточной ревизией букс; О5 - поточная линия обыкновенного освидетельствования колесных пар; О6 - колесно-токарные станки; О7 - площадка дефектоскопии колесных пар, требующих полного освидетельствования; О8 - стенд с гайковертами для демонтажа букс; О9 - буксосъемник; О10 - моечная машина для колесных пар; О11 - моечная машина для корпусов букс; О12 - моечная машина для подшипников; О13 - стенд для монтажа букс; О14 - поточная линия ремонта корпусов автосцепки; О15 - поточная линия ремонта тяговых хомутов; О16 - поточная линия ремонта поглощающих аппаратов; О17 - поточная линия ремонта крышек люков полувагонов.

3. Составление перечней оборудования для основных производственных участков депо

.1 Подъемно-транспортные и транспортные средства

Подъемно-транспортные и транспортные средства выбраны в соответствии с нормами технологического проектирования [1] и ГОСТ 1575-81, ГОСТ 538-78 и сведены в таблицу 2.

Таблица 2 - Перечень подъемно-транспортных и транспортных средств

Наименование участка или подразделения

Наименование оборудования

Характеристика оборудования



грузоподъем-ность, т

пролет кранов, т

количество

Вагоносборочный

Кран мостовой электрический

12,5

1

Тележечный

То же

5

10,5

1

Колесный

Кран подвесной электрический однобалочный

3,2

10,5

2

Монтажное отделение участка роликовых подшипников

То же

2

10,5

1

Контрольный пункт автосцепки

То же

1

10,5

1

Отделение ремонта крышек люков полувагонов

То же

1

10,5

1

Колесный парк

Кран козловый электрический

3,2

-

1

Главный производственный корпус депо

Электрокар

2

-

2


.2 Нестандартизированное технологическое оборудование

Технологическое нестандартизированное оборудование основных производственных участков подобрано в соответствии с каталогами ПКБ ЦВ МПС и перечнем разработок ДКТБ Свердл. ж.д.

Перечень основного нестандартизированного оборудования приведен в таблице 3.

Таблица 3 - Перечень нестандартизированного технологического оборудования

Наименование участка

Наименование оборудования

Организация-разработчик. Номер проекта

Коли-чество

1

2

3

4

Вагоносборочный

Стационарные опоры

ПКБ ЦВ, Т 113-00

40


Машина для монтажа и демонтажа упряжных устройств автосцепки

ПКБ ЦВ, 1109

2


Площадки подъемные

ДКТБ Свердл. обл. 89.В.151

2

Тележечный

Комплекс технологической оснастки поточно-конвейерной линии для ремонта тележек: - моечная машина; - конвейер; -устройство для раздвижки боковых рам и кантования надрессорных балок; - намагничивающие устройство боковых рам для феррозондовой дефектоскопии; - стенд разборки тележек; - устройство для неразрушающего контроля; - устройство для наплавки буксовых проемов и боковых рам;

ПКБ ЦВ, Т446 (комплексный проект)

   2 2  2  2 2 2 2


- контователь для надрессорных балок и боковых рам;


2


Стол для ремонта и испытания триангелей

ДКТБ Свердл. ж.д. 89.В.164

1


Оборудование для расклепывания заклепок: - гидроскоба; - нагреватель заклепок

ДКТБ Свердл. ж.д. 91.В.287 93.В.409

 1

Машина для обмывки колесных пар

ДКТБ Свердл. ж.д. 93.В.410

1

Роликовых подшипников

Стенд для демонтажа букс

ДКТБ Западно-Сибирской ж.д 44.В304

1


Машина для обмывки корпусов букс

ДКТБ Свердл. ж.д. 94.В.466

1


Машина для обмывки подшипников

ПКБ ЦВ, 6544 Б

1


Стенд для монтажа букс

ПКБ ЦВ, Т 275.05

1

Контрольный пункт автосцепки

Моечная установка

ПКБ ЦВ, Т 275.01

1


Стенд для разборки и проверки автосцепок

ПКБ ЦВ, Т 219

1


Стенд для наплавки корпуса

ПКБ ЦВ, Т 54

1


Оборудование для обработки элементов корпуса: - отверстия для валика; - для овальности отверстия замка; - для перемычки хвостовика

ПКБ ЦВ 3831 ДКТБ Свердл. ж.д. 98.В.661

 1


Стенд для ремонта поглощающих аппаратов

ДКТБ Свердл. ж.д. 91.В.320

1

Отделение ремонта крышек люков полувагонов

1 Пресс правки крышек

ПКБ ЦВ, РП 296

1


2 Поворотный кондуктор для сварочных работ

ПКБ ЦВ, РП - 00

1


.3 Стандартное технологическое оборудование

Расчет технологического стандартного оборудования выполняется по нормам затрат станко- или агрегаточасов на один отремонтированный вагон, которые приводятся в (НТД) МПС.

Количество оборудования определяют из выражения

 (10)

где NВ - годовая программа ремонта вагонов, 4650 ваг.;

аi - норма станко- или агрегаточасов на ремонт одного вагона, ;

Фд - годовой фонд времени работы оборудования вычисляется как:

 (11)

где t - продолжительность смены, ;

 - количество смен, ;

D - количество рабочих дней, ;

 - коэффициент использования оборудования, .

По расчету:

Фд = 253·2·12·0,96=5829,12 ч.

Для сварочных выпрямителей в вагоносборочном участке:

Количество сварочных выпрямителей принимаю  штуки.

Аналогичный расчет выполняем для остального стандартного оборудования, перечень которого с результатами расчетов приведён в таблице 4.

Таблица 4 - Перечень стандартного технологического оборудования

Наименование участка

Наименование и модель оборудования

Количество

1

2

3

Вагоносбо-рочный

Сварочный трансформатор ТДМ - 503 УД

2


Установка для проверки работы тормоза СИТОВ, оборудованная краном машиниста № 326 или 326 М

2

Тележечный

2


Сварочный полуавтомат ПДГ-515-УЗ или ПДГ-517-УЗ

2


Станок для расточки подпятников надрессорных балок, модель К-05-76

1


Станок фрезерный для расточки наклонных плоскостей надрессорных балок, модель К-06-76

1

Колесный

Колесно-токарный станок моделей КЗТС-КЖ 1836Б; Рафамен UBS 150; Гегеншайтд 165

2


Комплекс оборудования для наплавки гребней колес: - установка для нагрева перед наплавкой; - установка для наплавки гребней колес; - термокамера; - сварочные выпрямители ВДУ-506-УЗ; - сварочные полуавтоматы ПДО-517-УЗ

1

Участок роликовых подшипников

Индукционный нагреватель для съема лабиринтных колец и внутренних колец подшипников, модель ИН-4а

2

Контрольный пункт автосцепки

Установка для ремонтно-сварочных работ на корпус автосцепки и тяговом хомуте, модель УНА-2

1


Сварочный агрегат ТДМ-503-У2 или ТСД-1000-4

1


Сварочный автомат А660

1


Универсальный фрезерный станок модели 6 П 10

3


Поперечно-строгальный станок модели 7 Д 36

1


Токарно-винторезный станок модели 1 А 616 П

1


Вертикально-сверлильный станок модели 2 Н 125

1


Заточный станок модели 3 В 641

1

Отделение ремонта крышек люков полувагонов

Сварочный выпрямитель ВДУ-506-УЗ Сварочный полуавтомат ПДО-517-УЗ

5 5


4. Проектирование системы технологических коммуникаций

Системы технологических коммуникаций депо спроектированы графически в виде схемы на плане главного производственного корпуса депо и показаны на рисунке 3.

Рисунок 3 - Система технологических коммуникаций депо

Обозначения на рисунке 3:

 - сварочная линия;

 - трубопроводы технологического пара и воды;

 - воздухопроводы;

 - автомобильные дороги;

 - устройство для поворота колёсной пары на 90°;

 - резервуары моечных машин;

 - воздухоразборные колонки;

 - рельсовые пути;

 - дорожки для электрокаров;

 - стационарные опоры.

5. Разработка единицы нестандартизированного оборудования

В качестве нестандартизированного оборудования рассмотрим подъемник для постановки на вагон поглощающих аппаратов с тяговым хомутом (рисунок 4).

Рисунок 4 - Подъемник для постановки поглощающих аппаратов

Подъемник состоит из подъемного пневматического цилиндра 1, закрепленного на раме 2. На штоке 4 цилиндра надет кронштейн 7, имеющий с одной стороны паз для установки нижней полки хомута, а с другой - шип 8, на который хомут укладывается своим отверстием под тяговый клин. Поддерживающая планка ложится на основание кронштейна под нижнюю полку хомута.

Поглощающий аппарат, тяговый хомут и поддерживающая планка укладываются на приспособление при помощи подъемника верхних поворотных балок и нижняя балка 3 заводится под вагон. Здесь подъемник с хомутом, поглощающим аппаратом, передней упорной плитой и поддерживающей планкой подкатывается на роликах 6 под хребтовую балку рамы вагона и располагается между упорными угольниками.

Проверив правильность размещения поглощающего аппарата относительно места его постановки, включается кран 5 и сжатый воздух, заполняя цилиндр, поднимает весь комплект и заводит на место. Поддерживающая планка плотно прижимается к полкам хребтовой балки и закрепляется болтами. После этого рукоятку крана 5 ставят в исходное положение и подъемный цилиндр опускается вниз, занимая нижнее положение и вместе с поворотной балкой удаляется из-под вагона.

Заключение

В ходе выполнения курсового проекта был разработан план главного производственного корпуса депо, на основании которого были сформированы маршрутные линии движения ремонтируемых частей вагонов. Для основных производственных участков депо был составлен перечень необходимого оборудования и спроектирована система технологических коммуникаций. Также была разработана единица нестандартизированного оборудования

Список использованных источников

1 Скиба И.Ф. Организация, планирование и управление на вагоноремонтных предприятиях. Учебник для вузов ж. - д. транспорта. - 2-е изд., перераб. и доп. - М.: Транспорт, 1978. - 344с.

Нормы технологического проектирования депо для ремонта грузовых и пассажирских вагонов: ВНТП 02-86/МПС-М: Транспорт, 1992 - 33с.;

Разработка перечней оборудования и системы технологических коммуникаций для вагонных депо. В.А. Ивашов, М.В. Орлов - Екатеринбург, 2001 - 42с.;

Регламент технической оснащенности;

5 Грузовые вагоны железных дорог колеи 1520 мм. Руководство по деповскому ремонту: ЦВ/687 - М.: Транспорт, 1992. -156с.орт, 1997.-127с.

Похожие работы на - Проектирование вагоноремонтного депо

 

Не нашли материал для своей работы?
Поможем написать уникальную работу
Без плагиата!
Без нейросетей!