|
Материал слоя, толщина,
объём, масса
|
Нормативная нагрузка, кг/м2
|
Коэффициент, g
|
Расчётная нагрузка, кг/м
|
|
ü
Постоянная нагрузка:
|
|
|
Пол, монолитная ж/б плита
|
табл. 1
|
табл.1
|
|
|
Собственный вес вт. балки
|
|
1,1
|
190*1,1 =209
|
|
åПостоянных нагрузок
|
|
|
å = 1017,834
|
|
ü
Временная нагрузка:
|
V = v · l пл. = 1121,305·2,133 = 2391,743
|
1,2
|
2870,092
|
|
åВременных нагрузок
|
|
|
å = 2870,092
|
|
å = 3887,926
|
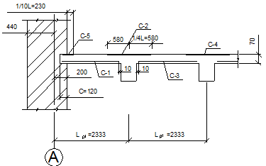
Статический расчёт второстепенной балки.
Изгибающий момент:
Отрицательный момент во втором пролёте :
Отрицательный момент во втором пролёте (подвижность нагрузки):
Поперечная сила:
Эпюра "М" для второстепенной балки.
Эпюра "Q" для
второстепенной балки.
Конструктивный расчёт второстепенной балки.
ü Расчётное сопротивление бетона: R b = 11,5 (МПа).
ü Растяжение осевое: R bt =
0,9 (МПа).
ü Коэффициент условий работы бетона: g b2 = 0,9, Ев = 21000
при дальнейших расчётах принимаем:
ü Расчётное сопротивление бетона: R b = 10.35 (МПа).
ü Растяжение осевое: R bt =
0.81 (МПа).
Опорное сечение.
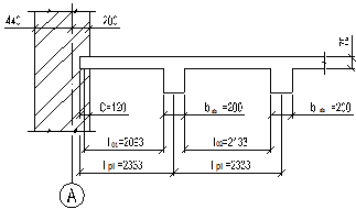
Уточнение размеров поперечного сечения второстепенных балок.
h = h0 + a =
0,392 + 0,025 = 0,417 (м) - Принимаем 450 мм
Т.к. bвт = 0,2 м входит в интервал
Принимаем hвт=0,45 м, bsb=0,2 м
Подбор арматуры в пролётах и на опорах.
Пролётное сечение.
Пролёт 1:
Расчёт начинаем с предположения, что нейтральная линия проходит в
пределах полки, т.е. тавровое сечение рассчитывается, как прямоугольное с
шириной:
b f’ = 2,1 м.
из таблицы III.1
[1] находим:
ξ = 0,038 и η = 0,981
х = ξh 0 = 0,038·41 = 1,558 см
Принимаем 2 стержня арматуры класса A400 Æ 16 с
и 2 стержня арматуры класса A400 Æ 18 с
Переармирование :
Пролёт 2:
f’ = 2,1 (м).
из таблицы III.1
[1] находим:
ξ = 0,024 и η = 0,987,
х = ξ · h 0 = 0,024 · 41 = 0,984 см
х ≤ h f’ , 0,984 см < 7 см - условие выполняется
Принимаем 4 стержня арматуры класса А400 Æ14 с A s = 6,16 см2
Переармирование :
Опорное сечение
Опора В:
η = 0,853
Растянутой арматурой над опорами второстепенных балок являются рабочие
стержни надопорных сеток, расположенных между осями второстепенных балок.
,
Принимаем по расчёту 2 сетки С-6 с поперечной рабочей арматурой
с А s = 1,37 см2
Переармирование :
Опора С:
η = 0,88
,
Принимаем по расчёту 2 сетки С-7 с поперечной рабочей арматурой
с А s = 1,26 см2
Переармирование :
Сетки С-6 и С-7 заводят за ось опоры: одну сетку на L/3
÷ L/4 от пролёта.
Отрицательный момент во 2-м пролёте:
η = 0,973
Принимаем 2 стержня арматуры класса А400 Æ10 с As = 1,57 см2
Расчёт по наклонному сечению.
Опора В слева:
Данные для расчета:
Bлев = 164611,506 Н, jn =
0, jf = 0, jb3 = 0,6 jb2=2
Определение необходимости постановки поперечных стержней по расчету
- необходим расчет поперечных стержней
Определение требуемой интенсивности постановки стержней
Определение минимально необходимой интенсивности по СНиП
Определение проекции невыгоднейшей трещины
(м)
Принимаем в качестве поперечных стержней арматуру класса А240 dw = 8 мм - по таблице свариваемости; Rsw=170 Мпа
Es = 210000 МПа
Вычисление максимально возможного шага хомутов по требованию СНиП
При h = 450мм
S
h/2 = 225 мм;
Назначаем шаг хомутов конструктивно S = 100 мм - принимаем кратно 50 мм.
Проверка:
,
jw1 = 1+5a·mw = 1 + 5·7,636·0,005 = 1,191,
jb1 =1-b·Rb = 1 - 0,01·1035 = 0,8965
Qu2=0.3·jw1·jb1·R b·b·h0 =
0,3·1,191·0,8965·1035·20·41 = 271855,117 (Н)max < Qu2
Проверка выполнена.
Опора В справа:
Определение требуемой интенсивности постановки стержней
Определение проекции невыгоднейшей трещины

Опора А:
Определение требуемой интенсивности постановки стержней
Определение проекции невыгоднейшей трещины
Принимаем шаг S = 20 см.
4. Расчет центрально-сжатой колонны
.1 Сбор нагрузок
Постоянная нагрузка, передающаяся с каждого этажа на колонну
G =3×(qsb l sb + (h mb - h pl)·bmb·lpl·ρ·gf·gn·gb2 )=3×(5,7·1017,834+(0,8-0,07)·0,3·2,333·2500·1,1·1)
= 25639,936 кг
где gf = 1,1, gn = 1, p = 2500 кг/м2 - объёмная масса железобетона.
Временная нагрузка , передающаяся с каждого этажа на колонну: V =3×Vsb·l sb =3× 2870,092·5,7 = 55210,419 кг
Равномерно распределенная нагрузка на покрытие
|
Вид нагрузки. Материал
слоя, толщина, объём, масса
|
Нормативная нагрузка, кг/м2
|
Коэффициент, gf
|
Расчётная нагрузка, кг/м2
|
|
ü
Постоянная нагрузка:
|
|
|
Три слоя рубероида на
битумной мастике
|
5*3*1=15
|
1.3
|
15*1,3=19,5
|
|
Цементно-песчаная стяжка: ρ = 1800
(кг/м3); d =0,02м.
|
36
|
1.3
|
46,8
|
|
Минераловатные плиты: ρ = 300 (кг/м3); d = 0,2м.
|
60
|
1.2
|
72
|
|
Пароизоляция - один слой
рубероида
|
5
|
1,3
|
6,5
|
|
åПостоянных нагрузок
|
å=144,8
|
|
ü
Временная нагрузка:
|
168
|
1/0,7
|
240
|
|
åВременных нагрузок
|
å=240
|
|
å=384,8
|
Собственный вес конструкций покрытия
G’ =3×(q’sb l sb + (h mb - h pl)·bmb·lpl·ρ·gf·gn·gb2 )=3×(5,7·492,8+(0,8-0,07)·0,3·2,333·2500·
1,1·1) = 12165,673 кг
4.2 Определение усилий в колонне от расчетных нагрузок
Грузовая площадь средней колонны
.
Постоянная нагрузка на покрытие:
-
Постоянная нагрузка на перекрытие одного этажа:
-
Временная нагрузка на покрытие:
-
Временная нагрузка на перекрытие одного этажа:
-
, где
Продольная сила в колонне первого этажа
- коэффициент сочетания для двух и более перекрытий.
,
где n - общее число перекрытий
Продольная сила в колонне первого этажа от длительной нагрузки

Собственный вес колонны
.3 Расчет сечения колонны
Исходные данные. Бетон тяжелый класса В30, подвергнутый тепловой
обработке при атмосферном давлении, Бетон тяжелый класса В30:
Арматура класса А 400, d>10
мм, Rs=Rsc=355 МПа, Еs=2×105 МПа.
Сечение колонны b x h =400 x 400
мм при а=а/=4 см. Полезная высота сечения ho=h-a=36 см.
Нагрузка у обреза фундамента:N=-4507,185 кН (lo = 1,0 H, gb2=1,1)
Усилия от продолжительного действия нагрузок: Nl = -1391,40 кН
Расчет по комбинации усилий
следовательно, расчет ведем с учетом гибкости элемента.
Условная критическая сила:
Момент инерции бетонного сечения:
Коэффициент, учитывающий влияние длительного действия нагрузки на прогиб
элемента в предельном состоянии:
Т.к. в соответствии с п.3.6[1]
, принимаем
Приведенный момент инерции сечения арматуры относительно центра тяжести
бетонного сечения:
При условии, что As=As* :
Относительная высота сжатой зоны:
Граничное значение относительной высоты сжатой зоны:
где
Имеем случай.
,
где
где
Из конструктивных соображений
Принимаем 3Æ32 A400 c As= 24,13 см2.
4.4 Конструирование колонны
Конструктивные требования к внецентренно сжатым элементам отражены в пп.
5.16-5.19, 5.22-5.25 /2/.
Принято:
диаметр продольной арматуры
32 А400;
расстояние между осями стержней продольной арматуры должно приниматься в
направлении, перпендикулярном плоскости изгиба, не более 400 мм, а в
направлении плоскости изгиба не более 500 мм;
диаметр хомутов в вязаных каркасах внецентренно сжатых элементов не менее
0,25d = 0,25*32 = 8 мм и не менее 5 мм -
принято
8 А400;
расстояние между хомутами -не более 500 мм и не более 15*d = 15*32 = 480 мм. Принято 200мм.
конструкция вязаных хомутов во внецентренно сжатых элементах должна быть
такой, чтобы продольные стержни (по крайней мере через один) располагались в
местах перегиба хомутов, а эти перегибы на расстоянии не более 400 мм по ширине
грани элемента. При ширине грани не более 400 мм и числе продольных стержней у
этой грани не более четырех допускается охват всех продольных стержней одним
хомутом.
5. Расчет центрально-сжатого фундамента
Сбор нагрузок на фундамент: N=4507,185 кг. Нормативное значение усилий получаем делением расчетных
усилий на коэффициент надёжности
Колонна имеет сечение 400х400 мм исходя из конструктивных решений.
Глубина заделки колонны в стакане фундамента определяется из условий:
Нст=0.5+0.33hi=0.5+0.33*0,4 = 0.632 м
Hан=1.5b=1.5×0.4=0.6
Принимаю глубину заделки колонны в фундамент 0.65 м.
Предварительную площадь фундамента определяем по формуле:
усредненная нагрузка 1 м3 фундамента и грунта на
его уступах
- отклонение сторон
;
;
Окончательно принимаем:
Момент сопротивления:
м³
Уточняем расчетное сопротивление грунта под подошвой фундамента: при bo=1м do=2м, К1=0,05 К2=0,2
Определение краевого давление на основание:
Нормативная нагрузка от веса фундамента и грунта на его обрезах:
Краевое давление:
/м²;
кН/м²;
где R - уточненное значение
Расчет плитной части фундамента не продавливание:
Рабочую высоту нижней ступени проверим расчетом на продавливание:
Условие выполняется.
Дополнительно выполним расчет на продавливание по одной, наиболее
нагруженной грани пирамиды продавливания. Защитный слой бетона 35мм.
Размер нижней стороны грани пирамиды продавливания на уровне рабочей
арматуры подошвы равен:
Средний размер грани пирамиды продавливания:
Сила продавливания:
Условие прочности на продавливание:
Выполняется, т.е. прочность рассматриваемой грани достаточна.
Расчет арматуры по подошве фундамента.
Расчет из плоскости и в плоскости поперечной рамы
;
Принимаем 20 Æ 20 А 300 Аs
= 62,84 см2
Библиографический список
1.
СНиП 52-01-2003
"Бетонные и железобетонные конструкции". Основные положения. Госстрой
России. М., 2003.
2.
СП 52-101-2003
"Бетонные и железобетонные конструкции без предварительного напряжения
арматуры". Госстрой России. М., 2003.
3.
СП 20.13330.2011
"Нагрузки и воздействия". Минрегион России. 2011
4.
Байков В.Н.,
Сигалов Э.Е. Железобетонные конструкции. Общий курс. - М: Стройиздат. 1985 -
728с.
5.
Железобетонные и
каменные конструкции под ред. В.М. Бондаренко, М., "Высшая школа",
2002 г. - 875 с.
6.
ФЗ-384
"Технический регламент о безопасности зданий и сооружений