Проектирование усилителя с устройством измерения частоты
Техническое задание
Спроектировать
электронное устройство в состав, которого входит электронный усилитель
электрического тока, устройство усиления частоты усиливаемого им сигнала, а
также вторичный источник напряжения питания. У электронного усилителя тока
выходной сигнал подается на один из двух выводов - сигналы на них появляться в
зависимости от значений управляющих напряжений a,b,c,d и
выполнения заданного для каждого варианта логического уравнения. При его
выполнении выходной электрический ток снимается с выхода 1. При невыполнении
уравнения - с выхода 2. Электронное устройство питается от промышленной сети U=220B
10% , 50
Гц.
Параметры
:
|
Коэффициент усиления тока
|
50
|
|
Нижняя граница диапазона
частот, Гц
|
50
|
|
Верхняя граница диапазона
частот, Гц
|
50000
|
|
Макс погрешность
коэффициента усиления тока в рабочем диапазоне частот не более, %
|
0,2
|
|
Входное сопротивление, Ом
|
0,1
|
|
Погрешность входного
сопротивления, %
|
1,5
|
|
Диапазон значений выходного
тока усилителя, мА
|
-15…+15
|
|
Минимально допустимое
выходное сопротивление, Ом
|
10000
|
|
Разрядность цифрового
индикатора частоты
|
4
|
|
Время индикации частоты, с
|
5
|
|
Уровни напряжений a,b,c,d, B
|
0;20
|
|
Функция логического блока
|
Проектирование усилителя напряжения.
Проектирование входной части усилителя
Для расчета входной части возьмем
схему инвертирующего включения операционного усилителя, представленную на
рис.1, так как она обеспечивает достаточную точность и стабильность
коэффициента усиления. Входной резистор R0 является преобразователем
напряжение ток и является входным сопротивлением для всей схемы.
рис.1
В качестве операционного усилителя используется NE5539. Используем ЛАЧХ усилителя из приложения 1 для оценки
коэффициента усиления на граничных частотах. yu(50000)=55Дб =563yu
(50) = 55Дб = 563
Зададим для входной части коэффициент усиления равный 5. Тогда в
соответствии с номинальным рядом Е192 выберем резисторы серии USR 2-0710 с
классом точности 0.005% R2 = 75 кОм,R1 = 15 кОм.
Резистор R3 введен для
уменьшения дифференциального постоянного сигнала, который появляется на входе
микросхемы при температурном изменении токов.
= 12,5
кОм
С учетом Е192 выберем резистор серии USR 2-0710 с классом точности
±0.005% R3=12,4 кОм.
Входной резистор выберем из серии FPR 2-1617 с классом точности ±0.25%
Погрешность входного сопротивления меньше указанной в задании 1,5%.
Рассчитаем погрешность коэффициента
усиления вызванную погрешностью резисторов:
Рассчитаем коэффициент частотных
искажений.
(wн)=
= -5,0006(wв)=
= -5,0006
= 1
Расчет
делительных RC цепочек.
Будем
опираться на значения нижней и верхней граничной частоты.
Для верхней граничной.(рис.2)
рис.2
Также частота среза в (3..5)раз
больше частоты полосы пропускания (возьмём в 5 раз больше):
Выберем
номинал резистора R4 из ряда
Е192 серии USR 2-0710, параметры которого:
Номинал:
2 кОм;;
точность:
±0,005%.
Тогда
ёмкость конденсатора будет рассчитываться как:
Выберем
номинал конденсатора С1 из ряда Е192, параметры которого:
номинал:
32нФ;
точность:
±0,5%.
Коэффициент
частотных искажений на верхней граничной частоте:
=1,00001
где Kпроп=1,
=0,999988
Для нижней граничной частоты, срез
зависит от конденсатора (рис.3)
рис.3
Также частота среза в (3..5)раз меньше нижней частоты полосы пропускания
(возьмём в 5 раз меньше):
Выберем номинал резистора R5 из ряда Е192 серии USR 2-0710,
параметры которого: номинал: 2 кОм;
точность: ±0,005%.
Тогда ёмкость конденсатора будет
рассчитываться как:
Выберем номинал конденсатора С2 из ряда Е192, параметры
которого:
точность: ±0,5%.
Коэффициент частотных искажений на
нижней граничной частоте:
=1.00000199,
где Kпроп=1,
=0,9999
Проектирование промежуточной части усилителя
Согласно техническому заданию с учетом входного сопротивления и входного
каскада , коэффициент усиления в промежуточной части усилителя должен быть 100.
Для этого возьмем два каскада на ОУ NE5539 KK1 = 10, KK2 = 10. Разбиение промежуточной
части на каскады целесообразно для уменьшения погрешности усиления и
коэффициента частотных искажений. Сопротивления будем брать из номинального
ряда Е 192 серии USR 2-0710.
электронный
усилитель частотомер сигнал
рис.5
Рассчитаем каскады по формуле
коэффициента усиления для инвертирующего усилителя
,
где
= 6,9
Для первого каскада:6 = 11кОм; R7 = R6 KK1
= 110 кОм; R8 = R7||R6 = 10 кОм
Для второго каскада:9 = 11 кОм; R10 = R9× KK2 = 110 кОм; R11
= R10||R9 = 10 кОм
Рассчитаем погрешность коэффициента
усиления вызванную погрешностью резисторов. Так как все резисторы взяты из
серии USR 2-0710 классом точности 0,005% тогда:

Рассчитаем
коэффициент частотных искажений:
Для коэффициента усиления, равного
10:
=
0.09090909
=
0.90909091
= -9,99894
= -9.99894
= 1
= 1
Проектирование выходной части усилителя
Согласно
техническому заданию выходной ток должен быть
15 мА.
Этому условию удовлетворяет микросхема LM343,
электрические параметры которой приведены в приложении 2. Входной сигнал подаем
на инвертирующий вход (рис.4).
рис.4
Резисторы R12 и R13возьмем равными 10 кОм. Тогда резистор R14 будет равен R12||R13
= 5 кОм.
Рассчитаем значение выходного сопротивления.
Rвых.
ОУ=50 Ом
Rвых =
Ом
Что удовлетворяет условию технического задания Rвых>10000 Ом.
Рассчитаем погрешность коэффициента
усиления вызванную погрешностью резисторов. Так как все резисторы взяты из
серии USR 2-0710 классом точности 0,005% тогда:
Погрешность усиления вызванная
погрешностью резисторов всего усилителя:
,
что меньше указанной в техническом задании.
Рассчитаем коэффициент частотных искажений:
g=1, так как R13=R12
Kyu(wн)=562341 Kyu(wв)=563
K(wв)=
= -0,9982
K(wн)=
= -0,999998
=1.00177
Коэффициент частотных искажений всего
усилителя на верхней граничной частоте:
Mв=Mв.вх×Mв.пром× Mв.вых= 1,00177
Проектирование логического блока
Функция логического блока
Упрощая данную функцию, получим
Таблица
истинности для функции
(табл.1):
|
   
|
|
|
|
|
|
0
|
0
|
0
|
0
|
0
|
|
0
|
0
|
0
|
1
|
0
|
|
0
|
0
|
1
|
0
|
0
|
|
0
|
0
|
1
|
0
|
|
0
|
1
|
0
|
0
|
0
|
|
0
|
1
|
0
|
1
|
0
|
|
0
|
1
|
1
|
0
|
1
|
|
0
|
1
|
1
|
1
|
1
|
|
1
|
0
|
0
|
0
|
0
|
|
1
|
0
|
0
|
1
|
0
|
|
1
|
0
|
1
|
0
|
1
|
|
1
|
0
|
1
|
1
|
0
|
|
1
|
1
|
0
|
0
|
0
|
|
1
|
1
|
0
|
1
|
0
|
|
1
|
1
|
1
|
0
|
1
|
|
1
|
1
|
1
|
1
|
1
|
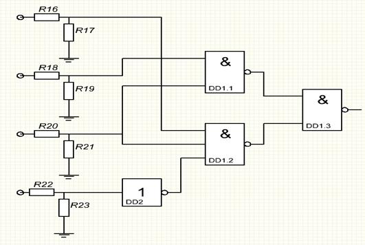
В качестве инверторов будем использовать микросхему Sn7404N, а в качестве элемента «И-НЕ» микросхему SN5412W.
Схема логического блока(рис.5)
Рис. 5
Так
как уровни напряжения a,b,c,d 0…20 B, а максимальное входное напряжение для микросхем
серии SN74 7В то необходимо поставить делители напряжения.
=
=
=
=35.2 кОм
=
=
=
=15 кОм
Номиналы резисторов взяты в
соответствии с рядом Е 192, резисторы серии USR 2-0710 с классом точности
0.005%.
Uвых=
=5,976В
Проектирование частотомера
Электронно-счётный частотомер, предназначен на подсчёте числа импульсов
измеряемого сигнала.
рис.6
-C-цепочка предназначена для подачи на
вход R СДИ кратковременных импульсов для обнуления
счетчика и сброса индикатора. Время разряда конденсатора t должно быть гораздо меньше по
сравнению с величиной 1/fв=0,00002 с. Зададим t=0,0000001 с. Так как t=R×C, R зададим 10 кОм, тогда С=10 пФ.
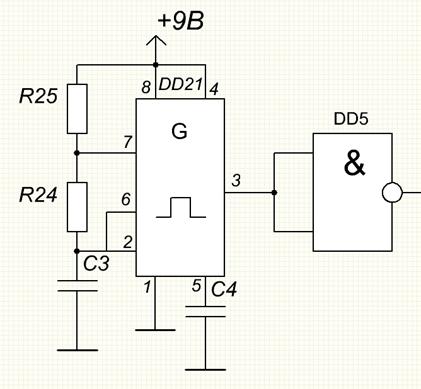
Мультивибратор (генератор напряжения прямоугольной формы), построенный на
интегральном таймере NE555D (рис. 7).
рис. 7
В этой схеме включения конденсатор С3 заряжается через
резисторы R24 и R25 до напряжения U2=2×UП:3, а разряжается через резистор R24 до напряжения U2=UП:3.
Длительность зарядки конденсатора t1=0.693×(R24+R25)×C3, а длительность разряда конденсатора
t2=0.693×R25×C3. Так как время индикации больше времени счета, то за
время индикации примем t1, за время счета - t2, а на выходе мультивибратора поставим инвертор.
Возьмем C3=3.3 мкФ, R25=330 кОм, R24=6.19 мОм. Тогда t1= 14,917 с, t2=1,089 с.
Формирователь. В цифровых устройствах на микросхемах высокую роль играют
формирователи импульсов. Данный формирователь построен таким образом: в
качестве ОУ выбрана схема NE5539
(приложение 1), ограничитель будет основан на пассивных элементах с
использованием диода (КД522А) и стабилитрона (Д808).
Рис.8 DD6 - К561ТЛ1, R23=10кОМ
Счётчик + дешифратор + индикатор.
СДИ - микросхема К490ИП1 - счетчик, дешифратор, индикатор. В частотомере
используется 5 таких микросхемы, так как верхняя частота диапазона - 50000 Гц.
Частотная диаграмма(рис.9):
рис.9
Блок питания. Источник электропитания
должен обеспечить питание усилителя и частотомера, для аналоговых микросхем ОУ NE5539, IH5051 и LM343
+15 В и -15 В, для счетчиков и мультивибратора +9 В, для индикаторов,
логических микросхем +5 В.
|
Обозначение
|
Микросхема
|
Количество, шт.
|
Напряжение питания, В
|
Ток потребления, мА
|
Мощность, мВт.
|
|
DA1-3,DA5
|
NE5539
|
4
|
+15
|
+14
|
840
|
|
|
|
-15
|
-14
|
840
|
|
DA4
|
LM343
|
1
|
+15
|
+2
|
30
|
|
|
|
-15
|
-2
|
30
|
|
DD1
|
Sn5412W
|
1
|
5
|
2
|
10
|
|
DD2
|
SN7404N
|
1
|
5
|
2
|
10
|
|
DD3
|
IH5051
|
1
|
+15
|
+1
|
15
|
|
|
|
-15
|
-1
|
15
|
|
DD4
|
К561ТЛ1
|
1
|
9
|
0.00002
|
0,00018
|
|
DD5-DD9
|
5
|
5
|
2
|
50
|
|
DD10-DD15
|
К176ИЕ2
|
6
|
9
|
0,005
|
0,27
|
|
DD16-DD20
|
К490ИП1
|
5
|
9
|
2
|
90
|
|
|
|
5
|
2
|
50
|
|
DD21
|
NE555D
|
1
|
9
|
3
|
27
|
Суммарная мощность 2007,27 мВт.
Суммарный потребляемый ток данных микросхем и нагрузки усилителя:
Потребляемый
ток на +15 и -15- 34 мА
Потребляемый
ток на +9- 5 мА
Потребляемы
ток на +5- 8 мА
Исходя
из этого параметра выберем трансформатор ТПП226-127/220-50 мощностью 5,5 В×А, напряжением вторичных обмоток 20 В, 20 В, 20 В и 20
В, номинальным током во вторичных обмотках 0,063A.
Для
выпрямления напряжения питания будем использовать:
-
для Uпит1=+15 В
- микросхему Mc7815;
-
для Uпит2=-15 В
- микросхему Mc7815;
-
для Uпит3=+9 В
- стабилитрон Mc7809;
-
для Uпит4=+5 В
- стабилитрон Mc7805;
Конденсаторы
C6,C8,C10,C12
возьмем по 0,33 мкФ, а C7,C9,C11,C13 по 0,1
мкФ. Эти конденсаторы нужны для увеличения постоянной составляющей напряжения,
питающего микросхемы. Все конденсаторы большой емкости, поэтому необходимо
брать электролитические конденсаторы.
Схема
блока питания рис.10
рис.10
Заключение.
В данной работе был спроектирован и рассчитан измерительный усилитель с
устройством измерения частоты.
Усилитель тока был реализован при помощи интегральных операционных
усилителей серии NE5539 и LM343.
В частотомере были использованы микросхемы на комплиментарных
МОП-транзисторах, что уменьшило его энергопотребление и быстродействие.
Все детали, использованные в проекте, отвечают техническим требованиям,
как по условиям эксплуатации, так и по характеристикам быстродействия,
энергопотребления и вводимых погрешностей.
Номиналы использованных деталей отвечают номинальным рядам.
Список использованной литературы
1. Гусев
В.Г., Гусев Ю.М. «Электроника» (М., Высшая школа, 1991).
. Гусев
В.Г.,Мулик А.В. «Аналоговые измерительные устройства: учебное пособие» (Уфа,
УГАТУ, 1996).
. Перебаксин
А.В., Бахметьев А.А. и др. «Интегральные схемы: Операционные усилители.» Том-1.
(М.: Физматлит, 1993).
. Якубовский
С.В., Нисельсон Л.И., и др.. Справочник «Цифровые и аналоговые интегральные
микросхемы» (М., Радио связь, 1989).
. Богданович
М.И., Грель И.Н., Дубина С.А., Прохоренко В.А., Шалимо В.В. справочник «
Цифровые интегральные микросхемы» (Минск, Полымя, 1996)
Ресурсы
Интернета:
1. <#"803760.files/image063.jpg">
Максимальное выходное напряжение: не более 5 В;
Напряжение смещения нуля: не более 2,5 мВ;
Входной ток: не более 20 мкА;
Ток потребления: не более 14 мА;
Частота единичного усиления: не менее 48 МГц;
Напряжение питания: ± (5 … 15) В;
Приложение 2
Электрические параметры и АЧХ ОУ 1LM343:
f1=1 МГц - частота единичного усиления
Iвых.max=20 мA - максимальный выходной ток
Uвых=5 В - максимальное выходное
напряжение
Iпотр=2 мА - ток потребления
Uсм=5 мкВ - напряжение смещения

SN7400N
элемента 2И-НЕ ТТЛ
Ток потребления: 2 мА
Напряжение питания: +5В
Приложение 4
SN7404N
инверторов
Ток потребления: 2мА
Напряжение питания: +5В
Приложение 5
SN5312W
элемента 3И-НЕ ТТЛ
Ток потребления: 2 мА
Напряжение питания: +5В
MC78XX/LM78XX/MC78XXA
-Terminal 1A Positive Voltage Regulator.