Проектирование электронного усилителя тока

  • Вид работы:
    Курсовая работа (т)
  • Предмет:
    Информатика, ВТ, телекоммуникации
  • Язык:
    Русский
    ,
    Формат файла:
    MS Word
    388,24 Кб
  • Опубликовано:
    2015-04-30
Вы можете узнать стоимость помощи в написании студенческой работы.
Помощь в написании работы, которую точно примут!

Проектирование электронного усилителя тока

Техническое задание


Спроектировать электронное устройство, содержащее измерительный преобразователь ток-напряжение, устройство измерения частоты и вторичный источник электропитания. У преобразователя ток-напряжение выходной сигнал подается на один из двух входов - в зависимости от значений управляющих напряжений a, b, c, d и выполнения логического уравнения a+b+bc. При его выполнении выходной сигнал снимается с выхода 1, иначе с выхода 2. U=220B+- 10%, 50Гц.

1.Коэффициент преобразования

200

2. Диапазон рабочих частот, Гц

100 - 5000

3. Максимальная погрешность коэффициента преобразования в рабочем диапазоне частот не более, %

1

4. Входное сопротивление в диапазоне рабочих частот, Ом

0,125

5. Диапазон изменения входного тока, мА

-10..+10

6. Минимальное выходное сопротивление, Ом

10000

7. Разрядность цифрового индикатора частоты

4

8. Время индикации, с

5

9. Логическое уравнение

a+b+bc

10. Уровни напряжений a, b, c, d, В

0; 5


1 Построение блок-схемы прибора


По техническому заданию (ТЗ) составим блок-схему прибора, которая будет отражать общее устройство и принцип работы электронного прибора. По ТЗ входной синусоидальный сигнал поступает во входной каскад усилителя от внешнего источника. Затем он усиливается до определенного уровня и поступает на электронный ключ. Электронный ключ осуществляет переключение сигнала между двумя выходами. Электронный ключ управляется логическими сигналами, которые преобразуются в логическом блоке (в соответствии с логическим уравнением, заданным в ТЗ). На выход усилителя подключен частотомер, который измеряет частоту усиливаемого сигнала, преобразуя синусоидальный сигнал в прямоугольные импульсы. Блок питания обеспечивает схему прибора заданными напряжениями.

Блок-схема прибора представлена на рисунке 1:

Рис. 1

 

2 Проектирование электронного усилителя тока


2.1 Выбор структурной схемы усилителя


Если в техническом задании на проектирование содержатся специальные требования, относящиеся к входной и выходной цепям, то данные требования легче всего удовлетворить в том случае, когда в структуре усилителя имеются специальные входные и выходные части. Поскольку основным средством получения требуемых параметров является введение цепей обратной связи, то входная и выходная часть могут представлять собой самостоятельные усилители, охваченные местной обратной связью. Это простейшее решение с точки зрения проектирования и настройки.

Структурная схема усилителя представлена на рисунке 2.

Рис. 2

,5,7 - линейные сравнивающие (вычитающие) устройства;

,5,8 - электронные усилители; 3,6,9 - цепи обратной связи.

Так как произведение коэффициентов усиления входной и выходной части обычно меньше требуемого, то между ними вводится промежуточная часть - она обеспечивает получение необходимого коэффициента усиления и представляет собой электронный усилитель.

Так как требуется усиливать медленно изменяющийся входной сигнал, то в данной структурной схеме должна отсутствовать разделительная цепь, в состав которой входят реактивные компоненты (конденсаторы, трансформаторы). Это обусловлено тем, что такие цепи не передают сигналы постоянного тока.

2.2 Расчет усилительного каскада

вх = Iвх ∙ Rвх = 10-2 ∙ 0,125∙ 103 = 1,25 мВ,

,вых = Kпр ∙ Iвх = 200 ∙ 10-2 = 2 В,

.

Используем простейший преобразователь ток-напряжение. Данная входная часть не обеспечивает усиления по напряжению.

Рис. 3

U = iвх ∙ Rвх ,

iвх = 10 мА,

Rвх = 0,125 Ом,

U = 1,25 мВ.

2.3 Проектирование промежуточной части

Все требуемое в ТЗ усиление будет сосредоточено в промежуточной части. Каскад будет состоять из 3-х ОУ с коэффициентами усиления Ku =10, 10, 16. Разбиение промежуточной части на каскады целесообразно для уменьшения погрешности усиления и коэффициента частотных искажений.

Исходя из технического задания, выбираем операционный усилитель LM10CL производства National Semiconductor. Его технические характеристики:

Uпит = ±(1,1..7)В ,

Ku = 7 ∙ 104,

Iвх = ±15 мА,

Iпотр = 300 мкА.

ЛАЧХ представлена в приложении А.

Hz соответствует 75dB

Hz соответствует 40dB

Будем использовать инвертирующее включение, как по рисунку 4.

Рис. 4

1) Ku = 10= 10 кОм из ряда Е24

R2 = Ku ∙ R1 = 100 кОм

кОм

принимаем R3 = 9,1 кОм по Е24.

) Ku = 16= 16 кОм

R8 = Ku ∙ R7 = 256 кОм, принимаем R2 = 240 кОм

кОм.

Расчет коэффициентов частотных искажений

1) Ku = 10


Kуu(wн) = 5623

Kуu(wв) = 100


2) Ku = 16


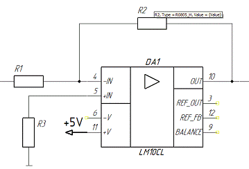
2.4 Проектирование выходной части


В техническом задании требуется, чтобы выходное сопротивление было не менее 10 кОм.

Будем использовать буферный усилитель в качестве повторителя напряжения, чтобы избежать инвертированного сигнала на выходе. В этом случае выходное сопротивление будет обеспечиваться самим операционным усилителем LM10CL. Схема включения представлена на рисунке 5.

Rвых = 30 кОм

Рис. 5

3 Метрологическая часть


3.1 Расчет погрешностей промежуточной части


Погрешность от нестабильности коэффициента усиления ОУ:

 ;

δку - определяется разбросом номиналов сопротивлений:

;

;

;

.

Погрешность, обусловленная непостоянством сопротивления резисторов:

,  ,;

; ,  ,;

Погрешность, вызванная наличием смещения нуля, eсм=2мкВ:

; ;

;

.

Погрешность, от разности входных токов: ∆iвх=0,25 нА:

; ;

;

.

Погрешность нестабильности eсм от температуры:

;

;

.

Погрешность от непостоянства разности входных токов от температуры:

; ;

;

.

3.2 Погрешность коэффициента преобразования

u = 1600,

Uвых = Uвх ∙ Ku = 1,25 ∙ 10-3 ∙ 1600 = 2 В,

Iвх = 10 мА,


4 Расчет RC - фильтра


После каждого ОУ промежуточного каскада необходимо поставить фильтр низких частот (ФНЧ). Он обеспечивает сведение к нулю отклонений по коэффициенту усиления на нижней частоте. Выбираем Г-фильтр, состоящий из RC- цепочки. Фильтр изображен на рисунке 6:

Рис. 6

,

,

,=5,1 кОм

мкФ,

Принимаем C = 2 мкФ по ряду Е24.

 

5 Проектирование логического блока


По техническому заданию требуется выполнить преобразование управляющих сигналов в соответствии с заданной логической функцией.

Задано логическое уравнение:


Составим таблицу истинности:

a

b

c

d

0

0

0

0

0

0

0

0

1

0

0

1

0

0

0

0

1

1

0

0

1

0

0

1

0

1

0

1

1

0

1

1

0

1

0

1

1

1

1

1

0

0

0

1

1

0

0

1

1

1

0

1

0

1

1

0

1

1

1

1

1

0

0

1

1

1

0

1

1

1

1

1

0

1

1

1

1

1

1


Рис. 7

В качестве элементов логики ИЛИ выбираем микросхему MC74HC3ZAD производства ON Semiconductor.

Uпит = 5В

UН = 3,15В

UL = 1,35В

В качестве элемента логики И выбираем микросхему 74AHC1GO8 производства Philips.

Uпит = 5В

UН = 4,4В

UL = 0,1В

В качестве электронного ключа выбираем ключ MAX325 производства Maxim. Uпит = 5В. См. приложение Б.

6 Проектирование частотомера


Электронно-счетный частотомер, основанный на подсчете числа импульсов измеряемого сигнала. Данный частотомер может работать в режиме счётчика импульсов. Он позволяет измерять частоту импульсных сигналов до n=1МГц, время измерения 1с, время индикации 5с.

Структурная схема представлена на рисунке 8:

Рис. 8

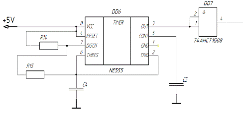
. Мультивибратор.

Генератор импульсов состоящий из широкополосных электронных усилителей, охваченных положительной обратной связью, глубина которой остается постоянной в широкой полосе частот. Данный мультивибратор построен на основе микросхемы NE555P производства Philips (рисунок 9).

Рис. 9

При таком включении конденсатор С1 заряжается через резисторы R1 и R2 до напряжения , а разряжается через резистор R1 до напряжения . С5 = 0,01 мкФ по рекомендации производителя таймера.

Длительность стадий разрядки Т2 и разрядки Т1 конденсатора С1 можно оценить с помощью уравнений:


Так как время индикации больше времени счета, то T1=5c время индикации частоты T2=1c время счета.

Задав С4=10мкФ, найдем R14=560Кoм, R15=150Кoм. . Тогда t1= 4.9 с, t2=1,1 с.

. Формирователь

В цифровых устройствах на микросхемах высокую роль играют формирователи импульсов. Данный формирователь построен таким образом:

В качестве ОУ выбрана микросхема LM10CL производства National Semiconductor.

В данном случае ограничитель будет основан на пассивных элементах с использованием диода (1N4148 производства Diodes Incorporated) и стабилитрона (1N5985 производства Microsemi Corporation). R17 = 10 кОм. Схема представлена на рисунке 10:

Рис. 10

Временные диаграммы формирователя, на которых представлены сигналы на входе после усилителя и после триггера Шмидта, представлены в приложении В.

. Генератор высокочастотных импульсов (1 МГц) с высокой стабильностью частоты, выполненный на кварцевом резонаторе. Схема генератора представлена на рисунке 11:

. RS-триггер CD4013BCM производства National Semiconductor.

. f/106 - шесть каскадов делителей частоты на 10ю выполнены на основе счетчика CD4017BCM производства National Semiconductor.

. Счетчик-дешифратор

Счётчик предназначен для счёта импульсов, а так же для отображения их числа на семисегментном индикаторе. Выберем счетчик на основе микросхемы MM74C945 производства Maxim.

Рис. 11

. Индикатор

В качестве индикатора возьмём индикатор FE0202 производства AND - четырехразрядный жидкокристаллический семисегментный индикатор, который рекомендован производителем счетчика-дешифратора. Основное назначение - отображать информацию на табло общего пользования.

8. RC - цепочка.цепочка предназначена для подачи на вход R СД кратковременных импульсов для обнуления счетчика и сброса индикатора.

Задаем резистор . Значение конденсатора вычислим из условия ,

; Возьмем .

 по ряду Е24.

Временные диаграммы работы частотомера представлены в приложении Г.

 

7 Проектирование блока питания


Все микросхемы, используемые в данном проекте, питаются от напряжения -5В и +5В. Для блока питания выбираем готовые трансформатор Т1 - МТ609-1 производства Myrra мощностью 5Вт, обеспечивающий на вторичной обмотке переменное напряжение 9В при токе 556мА, что вполне достаточно для питания микросхем, используемых в работе.

В качестве выпрямителя будем использовать диодный однофазный мост VD4 - DB102S 1А, 100В.

Для стабилизации напряжения были использованы следующие элементы:

Транзистор VT1 - MPS-UO7 производства Motorola Semiconductor, стабилитрон VD3 - B2X79 производства Philips, резисторы с номиналом R18=100Ом и R19= 1кОм и конденсаторы С7 = 1000мк х 15В, С8 = 200мк х 10В и С9=0,047мкФ.

 

Заключение

электронный усилитель ток

В ходе данной работы был разработан измерительный усилитель, по всем параметрам отвечающий требованиям технического задания, а также разработаны частотомер и блок питания.

Все микросхемы, используемые в работе, подобраны таким образом, что достаточное напряжение питания Uпит = ±5В. Это существенно упростило проектирование блока питания, снизило потребляемую мощность, а также позволило уменьшить габариты прибора.

В ходе работы не учитывалась экономическая часть, поэтому стоимость прибора может оказаться неоправданно большой.

Список использованных источников


1. Гусев В.Г., Мулик А.В. «Проектирование электронных аналоговых измерительных устройств» (Уфа, УГАТУ, 1996).

. Гусев В.Г., Гусев Ю.М. «Электроника» (М., «Высшая школа», 1991).

. Хоровиц П., Хилл У. «Искусство схемотехники» в 2 томах (М., «Мир», 1985).

. Рамм Г.С. «Электронные усилители» (М., «Связь», 1966).

. Гутников В.С. «Интегральная электроника в измерительных устроиствах» (Л., «Энергия», 1980).

5. Справочник по цифровым логическим микросхемам (часть 2). Шульгин О. А., электронная версия.

6. www.gaw.ru.

. www.chipfind.ru.

. www.datasheetcatalog.ru.

. www.microcheep.ru.

. www.radiobox.ru.

Приложение А


ЛАЧХ ОУ LM10CL:


Приложение Б


Схема электронного ключа:


Логика электронного ключа:

Logic

SW2

0

off

on

1

on

off


Приложение В


Выходной сигнал с формирователя после диода, стабилитрона и триггера Шмидта:

 

Приложение Г


Временные диаграммы работы частотомера:

Похожие работы на - Проектирование электронного усилителя тока

 

Не нашли материал для своей работы?
Поможем написать уникальную работу
Без плагиата!
Без нейросетей!