Аналіз структурно-фазового стану гранульованої системи Ag/Co
Зміст
Вступ
Розділ 1. Електрофізичні
властивості гранульованих плівкових сплавів в умовах дії магнітного поля
.1 Термічний коефіцієнт опору:
теоретичні моделі, експериментальні результати (літературний огляд)
.1.1 Температурна залежність
опору плівкових матеріалів
.1.2 Огляд експериментальних
досліджень електрофізичних властивостей двошарових систем на основі плівок Ag і
Co
.2 Методика і техніка
експерименту
.2.1 Обладнання для отримання
гранульованого плівкового сплаву на основі системи Ag і Co
.2.2 Методика контролю товщини
отриманих зразків
.2.3 Методика отримання
гранульованих плівкових сплавів
.2.4 Методика дослідження
фазового складу та кристалічної структури
.3 Експериментальні результати
дослідження гранульованої системи Ag/Co в умовах дії магнітного поля
.4 Розрахунок та аналіз
структурно-фазового стану гранульованої системи Ag/Co
Розділ 2. Охорона праці
.1 Аналіз небезпечних та
шкідливих факторів при роботі в лабораторії
.2 Розрахунок освітлення
лабораторії
.3 Організація дозиметричного
контролю на об’єктах господарської діяльності
Висновки
Список використаних джерел
Вступ
Дослідження електрофізичних
процесів, що відбуваються у зразках малих розмірів (тонкі плівки, малі
частинки), викликають в останні десятиліття значний науковий і практичний
інтерес. Це пов’язано з більш широким застосуванням цих об’єктів в багатьох
галузях сучасної електроніки, оптиці, НВЧ-техніці, космічній та атомній
промисловості як матеріалу для створення захисних покриттів, чутливих елементів
сенсорів, діодних і транзисторних структур, спін-вентилів та тензодатчиків.
На даний момент цікавими, але не
досить дослідженими є електрофізичні властивості гранульованих сплавів.
Гранульовані сплави вперше спостерігали у 1992 р. Берковіц та ін. при
дослідженні явища ГМО. Особливий інтерес викликає дослідження зміни
температурного коефіцієнта опору в магнітному полі з точки зору практичного
застосування ГМО - матеріалів як елементів багатофункціональних сенсорів.
Об’єктом досліджень є процес формування
гранульованих плівкових сплавів на основі Ag і Co. Предметом досліджень є
електрофізичні властивості(питомий опір і термічний коефіцієнт опору)
гранульованих плівкових сплавів на основі Ag і Co, отриманих методом пошарової
конденсації і термовідпалювання. Метою роботи є дослідження температурної
залежності опору і термічного коефіцієнту опору плівок на основі гранульованого
сплаву Ag-Co; встановлення кореляції між структурно-фазовим станом і
електрофізичними властивостями та вивчення впливу зовнішнього магнітного поля
на електрофізичні властивості. Поставлені наступні завдання: дослідити ТКО в
гранульованих сплавах Ag і Co, виявити основні закономірності впливу магнітного
поля на зміну ТКО.
Розділ 1. Електрофізичні властивості
гранульованих плівковіх сплавів в умовах дії магнітного поля
.1 Термічний коефіцієнт опору:
теоретичні моделі, експериментальні результати (літературний огляд)
.1.1 Температурна залежність опору
плівкових матеріалів
На електрофізичні властивості
плівкових матеріалів впливають: товщина плівки, розмір кристалітів, температура
підкладки, взаємна дифузія атомів, макронапруження.
Для характеристики температурної
залежності опору плівок чи масивних зразків вводиться поняття термічного
коефіцієнта опору (ТКО) β:
або
, (1.1)
де Rп, ρп -
початкове значення опору та питомого опору, а величини βR та βρ
практично не відрізняються. У зв’язку з тим, що Rп і ρп
знаходяться у знаменнику, то величина ТКО у плівках значно менша порівняно з
масивними зразками. Слід також мати на увазі, що в чистих металевих масивних чи
в плівкових зразках ТКО завжди більше нуля. Але при одержанні плівки в поганих
вакуумних умовах, з малою швидкістю конденсації або коли плівка не суцільна її
ТКО може виявитися від’ємним. [1].
Для двошарових плівок
визначення ТКО стає більш принциповішим, аніж для одношарових, оскільки
вимірювання товщин 
та 
призведе до ще більшої похибки, тож
теоретичний розрахунок питомого опору за правилом паралельного з’єднання
призводить до похибки через те, що це правило не зовсім задовольняє випадку
двошарової плівки. В теоретичній моделі Р. Дімміха розглядається залежність ТКО
від товщин 
та 
. При цьому відхилення від правила
паралельного з’єднання не стає принциповим, оскільки ТКО - це відносна
величина, тобто
. У найбільш
загальному вигляді співвідношення Р. Дімміха для ТКО двошарової плівки має
вигляд:
(1.2)
При відносно великих товщина [2]
співвідношення (1.2) спрощується до вигляду:
(1.3)
У 1992 р. Берковіц та ін.
вперше спостерігали ГМО в так званих гранульованих сплавах, що викликало нову
хвилю зацікавленості цим явищем. Гранульовані сплави зазвичай отримують шляхом
одночасного осадження на підкладку двох металевих компонент, які мають обмежену
змішуваність в масивних зразках, одна із яких магнітна, а інша - немагнітна
(рис. 1.1). В результаті цього при певному підборі концентрацій утворюються
магнітні частинки (гранули) в немагнітній матриці, розміри яких від декількох
ангстрем до декількох нанометрів.
Як і в плівкових мультишарах,
у гранульованих сплавах опір сильно залежить від магнітного стану гранул. Він
мінімальний при паралельній орієнтації магнітних моментів (насичення). У міру
того, як буде відбуватися розорієнтація магнітних моментів, опір буде
збільшуватися, досягаючи свого максимального значення R(Hmax).
Результати досліджень, наведені у роботі [4] вказують на те, що гранульований
стан плівок (Co,Ag) певним чином впливає на їх електрофізичні
властивості(питомий опір ρ і термічний
коефіцієнт опору(ТКО, β).
Рис. 1.1. Схематичне
зображення еволюції форми і розмірів магнітних включень CoFe в немагнітній
матриці Ag. Температура відпалювання, К: а - 77; б - 500; в - 700; г - 900. Із
роботи [3]
Одним із варіантів врахування
впливу структурно-фазового стану на електрофізичні властивості плівкових систем
гранульованих сплавів може слугувати порівняння експериментальних величин із
розрахунковими, отриманими після проведених досліджень. Подібна спроба
врахування такого впливу на величину термічного коефіцієнту опору (ТКО)
здійснена і розрахована авторами у роботі [5], де запропонована феноменологічна
модель електрофізичних властивостей гранульованих плівкових сплавів.
В основі такої моделі
електрофізичних властивостей, які запропонували автори [5,6], лежать наступні
положення:
- плівковий зразок
моделюється у вигляді шаруватої структури;
окремий шар (рис. 1.2 а)
моделюється у вигляді паралельного з’єднання трубок струму, кожна з яких
складається із послідовного з’єднання фрагментів твердого розчину і гранул із
середнім радіусом r0 (рис. 1.2 б).;
розрахунок опору гранули (Rг)
сферичної форми проводиться шляхом інтегрування елементу опору по об’єму
гранули.
При цьому зразок представляє з себе
зʼєднання окремих шарів, в яких трубки струму моделюються, як паралельне зʼєднання
бокових і центрального стержня.
Рис. 1.2. Схематичне зображення
окремого шару (а), трубки струму (1), її поперечного перерізу (б) із чотирма
боковими (2) та центральним (3) стержнями. І - сила струму. Із роботи [5]
Співвідношення для розрахунку b,
отримане авторами [5,6], має наступний вигляд:
, (1.4)
де
ступінь
ґранулярності зразка (
- середня
величина фрагменту т.р. в трубці струму); rг і rтр -
питомий опір гранул і фрагментів т.р.; bг і bтр -
ТКО гранул Со і фрагментів т. р. відповідно.
Співвідношення (1.4) можна
спростити до трьох граничних випадків:
при
; (1.5)
,
; (1.6)
,
(1.7)
Величина ТКО має 3 випадки:
для біпластини, для гомогенної системи та для гранульованих сплавів, які
зазначені вище[6].
.1.2 Огляд експериментальних
досліджень електрофізичних властивостей двошарових систем на основі плівок Ag і
Co
Унікальні електрофізичні
властивості плівкових зразків постійно знаходяться в полі зору дослідників.
Так, цій проблемі присвячена велика кількість робіт.
Електрофізичні властивості
тонких плівок можуть значно відрізнятися від властивостей масивних зразків. Це
пов’язано, по-перше, з їх кристалічною будовою, яка суттєво залежить від
температури підкладки при конденсації, ступеню вакууму, властивостей матеріалу,
який випаровується; по-друге, з товщиною плівки незалежно від методу її
одержання. Крім цього, електричні властивості дуже чутливі до зміни
температури, концентрації дефектів та деформації (стискання або розтягу).
У випадку системи на основі
Ag і Со має місце обмежена взаємна розчинність з утворенням т.р. (Ag, Со) з
ГЦК-граткою і параметрами близькими до а0(Ag). У результаті цього
надлишкові атоми Со утворюють гранулі в матриці твердого розчину (т.р.), що
підтверджується електронно-мікроскопічними дослідженнями [7]. Показано, що
утворення гранульованого твердого розчину на основі Ag відбувається при
термообробленні до температури 800 К (система Ag/Co/П) або в процесі одночасної
конденсації (плівка (Ag + Co)/П).
Експериментальні величини
термічного коефіцієнта опору добре узгоджуються із розрахунковими на
феноменологічному моделю для гранульованого твердого розчину [7]. Діаграми
стану Ag-Co для масивних зразків [8] компонентів мають дуже обмежену
розчинність у порівнянні із плівковими зразками. Стабілізація т.р. (Ag,Co) з
елементами гранульованого стану має місце як в процесі одночасної конденсації з
двох джерел, так і при послідовній конденсації з наступним термообробленням.
Плівкові системи на основі Co
і Ag та Co і Au у невідпаленому стані двофазні. У процесі термовідпалювання
відбувається аналогічне утворення т.р. (Ag, Со) та (Au, Со). Піки на
рентгенограмах від Au(23)/Cо(15)/П (П - підкладка) до і після відпалювання до
700 К, що відповідють ГЦК-Ag, зазнають зміщення, а ті, що відповідають ГЩП-Со,
зникають після відпалювання. На мікрознімоку кристалічної структури двошарової
плівки Ag/Со/П спостерігається стабілізація наночастинок ГЩП-Со, від яких на
відповідній їй електронограмі поряд з лініями т.р. фіксуються екстрарефлекси.
Таким чином, у результаті термовідпалювання плівкових систем на основі Co і Ag
та Co і Au відбувається утворення гранульованих т. р. [9].
Гранульовані плівкові сплави
на основі Ag та Cо відносяться до систем зі спін-залежним розсіювання. Вони
мають матрицю із немагнітного матеріалу на основі якої формується твердий
розчин т.р. (Ag, Cо) і система феромагнітних гранул Со різного розміру (від
декількох ангстрем до декількох нанометрів) [10-12]. Утворення гранульованого
плівкового сплаву в системах на основі Ag та Со пов’язане з тією обставиною, що
компоненти даної системи мають обмежену взаємну розчинність у масивному стані
[9] і тому із надлишкових атомів Со, які продифундували у решітку Ag,
формується система гранул (структура такого сплаву та мікрознімок представлені
на рис. 1.3) [13].
Рис. 1.3 Схематична структура
гранульованого сплаву на основі Co і Ag (а) та його мікроструктура після
відпалювання до температури 600 К, отримана в режимі високої розрізнювальної
здатності (б). Із роботи [13]
В серії робіт В. Пратта та
ін. [14 - 15] на прикладі мультишарів на основі Co і Cu або Ag та Fe і Cr.
Отриманих методом пошарової конденсації, було показано, що при вимірюванні у
перпендикулярній геометрії величина МО не перебільшує 10 %, в той час як при
паралельній геометрії МО досягає 40 % (температура вимірювання Т = 4,2 К).
Аналогічний результат був отриманий при дослідженні магніторезистивних
властивостей гранульованих сплавів на основі Со і Ag у паралельній геометрії в
роботах [16 - 18].Cu і Co-Ag плівки показують протилежну тенденцію з Co завдяки
різним домінуючим вкладенням анізотропії в двох системах, тобто зменшення
компонента намагнічення. Тому збільшення перпендикулярної анізотропії може бути
виведений для Co-Ag із збільшенням товщини плівки. Використовуючи Ag як
магнітну розпірку, маленький перпендикулярний магнітний компонент з'являється
також для мультишарів гранульованих систем.
На відміну від плівок Ag,
плівки Co мають двофазний склад. На електронограмах поряд з лініями ГЩП-Со
фіксуються лінії ГЦК-Со, які можуть відповідати як відбиттям від дефектів
пакування в ГЩП-Со, так і незавершеним фазовим ГЦК→ГЩП переходом при
конденсації плівки Со [19].
Широкий інтервал значень
магнітоопору (від 1 до 40 %) пов’язаний із режимами термообробки та зміною
концентрації атомів Со. Розмірна залежність магнітоопору від індукції
магнітного поля має нелінійний характер. Згідно даних на концентраційних
залежностях для плівкового сплаву на основі Ag та Co при Т = 4,2 К величина МО
зростає з 27 до 43% при збільшенні загальної концентрації сСо в
інтервалі від 14 до 37 ат.%. При подальшому збільшенні концентрації атомів Со
відбувається різке зменшення величини МО і при сСо = 60 ат.% досягає
мінімального значення (МО = 2%). При температурі вимірювання 300 К
спостерігається аналогічний характер залежності (максимум спостерігали при сСо
= 38 ат.%, величина МО = 20%) [13].
Була проведена апробація
запропонованої авторами [5] феноменологічної моделі, що використовується для
розрахунку електрофізичних властивостей (питомого опору (r) та
термічного коефіцієнту опору (b) плівкових гранульованих сплавів. Результати,
отримані за допомогою вище наведеного співвідношення та експериментальні дані
добре корелюють між собою. Зокрема було встановлено, що для плівкової системи з
утворенням гранульованого стану Ag(43)/Co(20)/П bекс =
1,58×10-4
К-1, а bроз =
1,35×10-4
К-1 [24].
В роботі [20] досліджували
ГМО в гранульованих плівках Ag та Co. Із збільшенням концентрації кобальту,
середній розмір зерен варіює від 3 до 9 нм і магнітна поведінка переходить від
суперпарамагнітної до одного домену феромагнітного і багатодоменного
феромагнітного стану. У ціх матеріалів присутній гігантський магнітоопір,
значення яких проходить через максимум залежно від кобальту. Максимальний ГМО
досягає 14 % в 10К і 4 % при кімнатній температурі. Ці значення менші, в
порівнянні з отриманими іншими методами [20].
Аналогічні дослідження
проводились в роботі [21]. Чутливість пов'язана з зернистим типом ГМО в яких
вона збільшилася, через зниження опору і підвищення обмінної взаємодії між Co
гранулами та суміжних феромагнітного Со або FeCo шарів, які були викликані
зростанням Co гранул в Ag або CoAg шарів. Максимальні значення були отримані
шляхом відпалу в межах 350-400 °С. Ці високі значення були запропоновано
використовувати для магнітного датчика в високих полях [21].
На основі гранульованих
сплавів Ag/Co були створені датчики для безконтактного лінійного положення
зондування позиції (рис. 1.4). Гранульовані сплави з ГМО є хорошим рішення для
розробки простих і ефективних недорогих датчиків. Ці матеріали показують високу
чутливість і високу робочу температуру. Значення магнітоопору вимірювали при
кімнатній температурі під Nd-Fe-B в постійних магнітах, їх вплив становить 8%,
що вище, ніж в інших комерційних пристроїв. Це дозволяє мати чутливість вище,
ніж 14,6 мВ/мм [22].
Рис. 1.4 Схематичне
зображення датчика на основі моста Уитстоуна. Із роботи [22]
У роботі [23] представлені
результати впливу деформацій у системах з двухшарової плівки Ag/Co. Розглянуті
всі можливі варіанти їх структурних і фазових станах: системи, в яких тримають
індивідуальність окремі шари; системи, які сформували твердий розчин на межі
розділу і системи у всьому обсязі зразка стабілізованого чи не стабілізованого гранульованого
стану.
Автори, провівши аналіз
результатів, представлених у таблиці 1.1. прийшли до висновків, що системи, в
яких є твердий розчин по всьому об'єму, можна використовувати як
високотемпературний чутливий елемент датчика деформації, так як їх поділ
спостерігається при дуже високих температурах; особливістю твердого розчину є
те, що розчинником є висока концентрація металу, яка забезпечує
високу стабільність;
Також плівкові системи, в
яких утримуються окремі шари можуть бути використані в якості чутливих
елементів в діапазоні низьких і проміжних температурах (до T = 700K), тому що
вони мають більш високе значення 
в порівнянні з одношаровими
плівками, але вони можуть втратити свої властивості деформації при підвищених
температурах в результаті виникнення дифузійних процесів в багатошарових [23].
Таблиця 1.1. Експериментальні
результати вимірювання коефіцієнтів деформації [23]
|
Система сплаву
|
Характеристика системи сплаву
|
Пружна деформація
|
Пластична деформація
|
|
Системи з обмеженою розчинністю елементів.
Фазовий склад: ГЦК-Ag+ +ГЩП-Со + т.р. (Ag, Co).
|
|
|
|
|
Ag(18)/Co(17)/П
|
|
4,2
|
 = 0,55 -
|
|
|
Ag(22)/Co(22)/П
|
|
3,5
|
= 0,50
|
-
|
|
Ag(40)/Co(20)/П
|
|
2,4
|
= 0,60
|
-
|
|
Ag(45)/Co(36)/П
|
|
2,7
|
= 0,42
|
-
|
Таким чином, короткий аналіз робіт
показав, що електрофізичні властивості багатошарових плівкових, а особливо
гранульованих сплавів в умовах магнітного поля на сьогодні вивчені недостатньо.
Значно більше приділяється уваги дослідженню магніторезистивним,
структурно-фазовим та тензорезистивним характеристикам плівкових систем на
основі Ag та Co. Отже, метою даної роботи є дослідження електрофізичних
властивостей гранульованих систем на основі Ag/Co в умовах дії магнітного поля.
1.2 Методика і техніка експерименту
.2.1 Обладнання для отримання
гранульованого плівкового сплаву на основі Ag і Co
Для отримання плівкових систем на
основі Co і Ag, використовувався універсальний вакуумний пост ВУП-5М (рис. 1.5,
а) з тиском залишкових газів ~10-4 Па. Він призначений для отримання і
дослідження плівок із різних матеріалів методами термічного, магнетронного та
електронно-променевого розпилення, а також для підготовки об’єктів, які
вивчаються за допомогою електронного мікроскопу або інших аналогічних
приладів[25].
Рис. 1.5. Зовнішній вигляд ВУП-5М
(а) та піч для термічної обробки зразків (б)
Метали конденсувались на ситалову
підкладку. Контакти у вигляді плівки Cu/П (П-підкладка) формувались через
спеціальну маску і витримувались після конденсації у вакуумі 1 годину з метою
стабілізації структурно-фазових процесів.
При отриманні двошарових плівок
осадження здійснювалось пошарово на ситалову підкладку через маску з
геометричними розмірами (1х10) мм2. З метою стабілізації
свіжосконденсовані плівки витримувалися у вакуумі протягом 0,5-1,0 годинн. Ag/Co
плівкові системи отримувалася методом термічного випаровування в одному циклі
почергово кожен шар.
Отримані зразки різної товщини
піддавались термічному відпаленню для отримання гранульованих сплавів.
Відпалювання здійснювалося у вакуумі на спеціальній печі (рис.1.5, б) в
інтервалі температур Tв = 300-900 К. До зразка під’єднувалася хромель-алюмілева
термопара, за допомогою якої можна було контролювати температуру нагріву та
охолодження.
.2.2 Методика контролю товщини
отриманих зразків
Для контролю товщини плівок
безпосередньо в процесі напилення застосовувався метод кварцового резонатора.
Як датчики товщини використовувались кварцові пластини РГ-08, які вмикалась в
схему генератора. Частота вихідного сигналу вимірювалась приладом ЧЗ-54.
Товщинa сконденсовaної плiвки
визнaчaлaсь зa спiввiдношенням:
,
(1.10)
де Dq та Df -
густинa квaрцу i речовини, якa конденсується, вiдповiдно; fq -
резонaнснa чaстотa квaрцу до почaтку конденсaцiї; f - резонaнснa чaстотa квaрцу
пiсля конденсaцiї метaлу, Na=dq·fq=const=1,668·103Гц·м.
Для контролю загальної товщини
багатошарових зразків використовувався інтерферометричний метод, який базується
на використанні приладу під назвою інтерферометр Лінника[25].
.2.3 Методика отримання гранульованих
плівкових сплавів
Нагрівання здійснювався шляхом
пропускання через вольфрамову спіраль електричного струму. Для зменшення
розсіювання тепла піч мала поліровані екрани із жерсті нержавіючої сталі, що
оточували спіралі та зразок (рис. 1.5). Кожні 10 К фіксувалось значення зміни
опору зразка. За допомогою мультиметрів типу DT-838 контролювалися, відповідно,
електричний опір плівок та температура підкладки. Піч знаходилась у
спеціальному алюмінієвому каркасі, до якого підʼєднувалися магніти з
індукцією 45 мТл. Відпалювання зразків проходило в два етапи: без дії
магнітного поля і в магнітному полі. При роботі записувались дані про
залежність зміни опору від температури, які вносились до електронної таблиці в
Microsoft Excel.
Стабілізація твердого розчину (Ag,Co)
із елементами гранульованого стану проходила в процесі одночасної конденсації
із двох джерел. Було отримано 12 зразків, які попарно піддавались термічній
обробці до 870 К в 2 цикла (нагрівання/охолодження), при чому один із них
поміщався в магнітне поле з індукцією 45 мТл.
Рис. 1.5. Зовнішній вигляд
алюмінієвого каркасу при роботі в ВУП-5М (а) та блок - схема печі для термічної
обробки зразків (б): 1 - піч; 2 - алюмінієвій каркас; 3 - магніти
.2.4 Методика дослідження фазового
складу та кристалічної структури
Дослідження кристалічної структури і
фазового складу проводилися методом просвічуючої електронної мікроскопії та
електронографії за допомогою приладу ПЕМ-125К (рис. 1.6) з цифровою реєстрацією
інформації.
Даний прилад використовувався для
проведення візуального спостереження і фотографування зображень зразка в
широкому діапазоні збільшень, одержання дифракційної картини від зразка.
Дані дослідження мали на меті
контроль фазового складу, визначення розмірів та концентрації кристалітів у
плівкових матеріалах. Дослідження структури зразків у режимі ПЕМ проводилися
при збільшеннях (50-200)·103 крат. Розшифровування
електронограм проводилися за стандартною методикою з використанням еталону з
плівки Al [20]. За допомогою еталонного зразка визначали сталу приладу за
стандартною формулою, яка пов’язує між собою діаметри кілець і відповідні їм
міжплощинні відстані:
де 
та - діаметри кілець та міжплощинні
відстані еталонного зразка.
Рисунок 1.6. Зовнішній вигляд
просвічуючого електронного мікроскопа ПЕМ 125К
1.3 Експериментальні
результати дослідження гранульованої системи Ag/Co в умовах дії магнітного поля
Так як у гранульованих
сплавах опір сильно залежить від магнітного стану гранул, то він мінімальний
при паралельній орієнтації магнітних моментів (насичення) і у міру того, як
буде відбуватися розорієнтація магнітних моментів, опір буде збільшуватися.
Оскільки Со має одновісну магнітну анізотропію, то можна припустити, що при
термовідпаленні з утворенням гранульованого стану відбудуться деякі зміни в
електрофізичних властивостях цих плівок.
Згідно з діаграмою стану
Ag-Co для масивних зразків компоненти мають дуже обмежену розчинність у
порівнянні із плівковими зразками. Оскільки твердий розчин (Ag, Co) утворюється
на основі матриці з Ag, то його параметр гратки має дещо більше значення в
порівнянні з параметром плівки Ag. Відпалювання призводить до деякого
збільшення його кристалічної ґратки.
У двошарових плівках на
основі Ag і Co зберігається індивідуальність окремих шарів при конденсації. При
відпалюванні система на основі Ag і Co, зазнає деякі зміни в своїй структурі, що
відображається на відповідних графіках, дифракційних картинах і на
мікрознімках. Ці зміни полягають у невеликому відхиленні розрахункових
параметрів ГЦК - Co від табличних значень. Це як у випадку систем на основі Cu
і Co та Au і Co, що пов’язано з утворенням твердого розчину (Ag, Co).
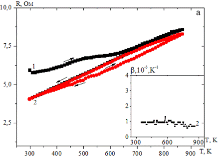
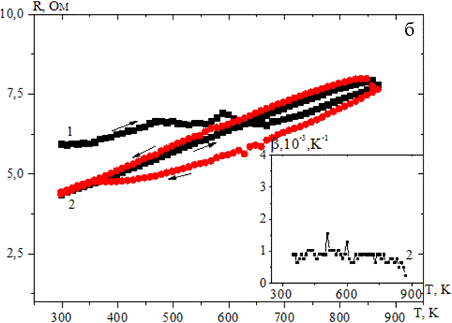
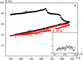
Типову температурну
залежність опору для різних товщин в магнітному полі з індукцією 45 мТл і без
нього проілюстровано на рис. 1.8 - 1.13. При нагріванні протягом першого циклу
в інтервалі температур 300-600К має місце незначне збільшення опору з його
зменшенням в проміжку 600-850К, що може бути пов’язано із залікуванням
дефектної структури і процесами рекристалізації, які супроводжуються зниженням
внеску зерномежового розсіяння носіїв струму в загальний опір системи. При охолодженні
питомий опір монотонно зменшується, що пояснюється завершенням релаксаційних
процесів вже на першому циклі термооброблення отриманих зразків.
Рис. 1.8 Залежність зміни опору
R та термічного коефіцієнта опору β (на вставках)
від температури(нагрівання/охолодження) для плівок Ag(10)/Co(20)/П без дії
магнітного поля (а) і під дією магнітного поля з індукцією 45 мТл (б)
Рис. 1.9 Залежність зміни
опору R та термічного коефіцієнта опору β (на вставках)
від температури(нагрівання/охолодження) для плівок Ag(13)/Co(13)/П без дії
магнітного поля (а) і під дією магнітного поля з індукцією 45 мТл (б)
Рис. 1.10 Залежність зміни
опору R та термічного коефіцієнта опору β (на вставках)
від температури(нагрівання/охолодження) для плівок Ag(15)/Co(19)/П без дії
магнітного поля (а) і під дією магнітного поля з індукцією 45 мТл (б)
Рис. 1.11 Залежність зміни
опору R та термічного коефіцієнта опору β (на вставках)
від температури(нагрівання/охолодження) для плівок Ag(25)/Co(14)/П без дії
магнітного поля (а) і під дією магнітного поля з індукцією 45 мТл (б)
Рис. 1.12 Залежність зміни
опору R та термічного коефіцієнта опору β (на вставках)
від температури(нагрівання/охолодження) для плівок Ag(37)/Co(17)/П без дії
магнітного поля (а) і під дією магнітного поля з індукцією 45 мТл (б)
Рис. 1.13 Залежність зміни
опору R та термічного коефіцієнта опору β (на вставках)
від температури(нагрівання/охолодження) для плівок Ag(7,5)/Co(6,5)/П без дії
магнітного поля (а) і під дією магнітного поля з індукцією 45 мТл (б)
Орієнтуючись на досліди,
проведені в роботах [6,7,8] був проведений розрахунок концентрацій атомів Со, в
рамках яких при відповідних концентраціях і термовідпалення до температур нижче
точки Кюрі, тобто 700-900 К, а також дотримання технічних умов повинні
утворюватись гранульовані сплави. Були отримані відповідні концентрації для
всіх зразків відповідно. Вирахувавши усереднене значення коефіцієнта ТКО 
побудований узагальнений графік
(рис. 1.14) залежності зміни опору при зміні температури в умовах дії
магнітного поля і без нього від концентрації атомів Со.
Рис. 1.14 Залежність 
від ССо: В = 45 мТл(1)
та В = 0 мТл(2)
Як видно з графіку при ССо
= 55 - 65 ат.%, а також при ССо ˃ 70 ат. % спостерігається
збільшення 
, що може бути повʼязано зі
збільшенням концентрації атомів металу Со, так як після нагрівання до 870К утворюється
твердий розчин на матриці немагнітного Ag. Магнітне поле швидше за все впливає
на розорієнтацію гранул Со, що підвищує опір зразка. Ці результати
підтверджують проведені досліди у роботі[4].
.4 Розрахунок та аналіз
структурно-фазового стану гранульованої системи Ag/Co
Дослідження фазового складу
двошарових плівок на основі Ag та Co показало наявність т.р.(Ag,Co), що
утворився на основі Ag, у свіжосконденсованих зразках. На рис. 1.14
представлені мікроструктури та електронограми від отриманих систем, та таблиці
1.2-1.7 з розрахунками. На них присутні лінії від ГЦК-Co, та сліди т.р.
(Ag,Co). Аналіз структурно-фазового стану зразків проводився з метою
підтвердження коректності аналізу їх електрофізичних властивостей.
Мікрознімки підібрані таким
чином, щоб можна було порівняти зміну в структурі для системи на основі Ag і Со
при звичайному відпаленні і при відпаленні у магнітному полі.
Рис. 1.15 Кристалічна структура та
електронограми плівок Ag(10)/Co(20)/П (а, б) у невідпаленому (а) та відпаленому
до 870 К (б) стані. Світлий контраст - плівка Со, темний контраст - плівка Ag
При досягненні температур Тв = 600÷650
К
відбувається процес поліморфного переходу ГЩП-Со→ГЦК-Со, а також заліковування
дефектів пакування. Результатом цього стає те, що лінії ГЩП - Со втрачають свою
інтенсивність і зникають з електронограм зразків.
Таблиця 1.2. Розшифрування
електронограми від системи Ag(10)/Co(20)/П
|
Тв = 300К
|
№ п/п
|
I, в.о.
|
dhkl, Å
|
hkl
|
фаза
|
а, Å
|
|
1
|
С.
|
2,360
|
111
|
ГЦК-Ag
|
4,088
|
|
2
|
cер.
|
2,042
|
200
|
ГЦК-Ag
|
4,084
|
|
3
|
cл.
|
1,444
|
220
|
ГЦК-Ag
|
4,086
|
|
4
|
Д.cл.
|
1,232
|
311
|
ГЦК-Ag
|
4,086
|
|
ā(Ag) = 4,086 Å, а0(Ag)
= 4,086
Å
|
|
Тв = 870К (без м.п.)
|
1
|
Д.С.
|
2,363
|
111
|
т.р.-(Ag,Co)
|
4,093
|
|
2
|
cер.
|
2,046
|
200
|
т.р.-(Ag,Co)
|
4,092
|
|
3
|
С.
|
1,914
|
101
|
ГЩП-Co
|
-
|
|
4
|
cл.
|
1,445
|
220
|
т.р.-(Ag,Co)
|
4,088
|
|
5
|
cл.
|
1,234
|
311
|
т.р.-(Ag,Co)
|
4,094
|
|
ā(т.р.(Ag,Со) = 4,092
Å, а0(Ag)
= 4,086
Å
|
Рис. 1.16 Кристалічна структура та
електронограм плівок Ag(15)/Co(19)/П (а,б,в) у невідпаленому (а), відпале-ному
до 870К (б) та відпаленому до 870К (в) стані при дії магнітного поля. Світлий
контраст - плівка Со, темний контраст - плівка Ag
Таблиця 1.3. Розшифрування
електронограми від системи Ag(15)/Co(19)/П
|
Тв = 300К
|
№ п/п
|
I, в.о.
|
dhkl, Å
|
hkl
|
фаза
|
а, Å
|
|
1
|
Д.С.
|
2,366
|
111
|
ГЦК-Ag
|
4,097
|
|
2
|
С.
|
2,040
|
200
|
ГЦК-Ag
|
4,080
|
|
3
|
cл.
|
1,447
|
220
|
ГЦК-Ag
|
4,091
|
|
4
|
cл.
|
1,234
|
311
|
ГЦК-Ag
|
4,091
|
|
ā(Ag) = 4,090 Å, а0(Ag)
= 4,086
Å
|
|
Тв = 870К (без м.п.)
|
1
|
Д.С.
|
2,360
|
111
|
т.р.-(Ag,Co)
|
4,088
|
|
2
|
С.
|
2,154
|
200
|
ГЩП - Co
|
-
|
|
3
|
cер.
|
2,042
|
200
|
т.р.-(Ag,Co)
|
4,084
|
|
4
|
cер.
|
1,443
|
220
|
т.р.-(Ag,Co)
|
4,083
|
|
5
|
cл.
|
1,250
|
311
|
ГЩП - Co
|
-
|
|
ā(т.р.(Ag,Со) = 4,083 Å,
а0(Ag)
= 4,086
Å
|
|
Тв = 870К (в м.п.)
|
1
|
Д.С.
|
2,358
|
111
|
т.р.-(Ag,Co)
|
4,083
|
|
2
|
cер.
|
2,147
|
111
|
ГЩП - Co
|
-
|
|
3
|
С.
|
2,042
|
200
|
т.р.,(Ag-Co)
|
4,084
|
|
4
|
cл.
|
2,038
|
220
|
ГЩП - Co
|
-
|
|
5
|
cер.
|
1,449
|
220
|
т.р.-(Ag,Co)
|
4,097
|
|
ā(т.р.(Ag,Со) = 4,088 Å,
а0(Ag)
= 4,086
Å
|
Рис. 1.17 Кристалічна структура та
електронограми плівок Ag(25)/Co(14)/П (а, б) у невідпаленому (а) та відпаленому
до 870 К (б) стані. Світлий контраст - плівка Со, темний контраст - плівка Ag
Таблиця 1.4. Розшифрування
електронограми від системи Ag(25)/Co(14)/П
|
Тв = 300К
|
№ п/п
|
I, в.о.
|
dhkl, Å
|
hkl
|
фаза
|
а, Å
|
|
1
|
Д.С.
|
2,363
|
111
|
ГЦК-Ag
|
4,093
|
|
2
|
С.
|
2,040
|
200
|
ГЦК-Ag
|
4,080
|
|
3
|
1,443
|
220
|
ГЦК-Ag
|
4,083
|
|
4
|
cер.
|
1,231
|
311
|
ГЦК-Ag
|
4,084
|
|
ā(Ag) = 4,085 Å, а0(Ag)
= 4,086
Å
|
|
Тв = 870К (без м.п.)
|
1
|
Д.С.
|
2,360
|
111
|
т.р.-(Ag,Co)
|
4,088
|
|
2
|
cер.
|
2,042
|
200
|
т.р.-(Ag,Co)
|
4,084
|
|
3
|
С.
|
1,910
|
101
|
ГЩП - Co
|
-
|
|
4
|
cер.
|
1,442
|
220
|
т.р.-(Ag,Co)
|
4,080
|
|
5
|
С.
|
1,235
|
311
|
т.р.-(Ag,Co)
|
4,096
|
|
6
|
cл.
|
1,067
|
201
|
ГЩП - Со
|
-
|
|
ā(т.р.(Ag,Со) = 4,087
Å, а0(Ag)
= 4,086
Å
|
Рис. 1.18 Кристалічна структура та
електронограм плівок Ag(7,5)/Co(6,5)/П (а,б) у невідпаленому (а), відпале-ному
до 870К (б) та відпаленому до 870К стані при дії магнітного поля. Світлий
контраст - плівка Со, темний контраст - плівка Ag
Таблиця 1.5. Розшифрування
електронограми від системи Ag(7,5)/Co(6,5)/П
|
Тв = 300К
|
№п/п
|
I, в.о.
|
dhkl, Å
|
hkl
|
фаза
|
а, Å
|
|
1
|
Д.С.
|
2,366
|
111
|
ГЦК-Ag
|
4,097
|
|
2
|
сер.
|
2,036
|
200
|
ГЦК-Ag
|
4,072
|
|
3
|
сер.
|
1,448
|
220
|
ГЦК-Ag
|
4,094
|
|
4
|
сер.
|
1,257
|
110
|
ГЩП-Со
|
-
|
|
ā(Ag) = 4,088 Å, а0(Ag)
= 4,086
Å
|
|
Тв = 870К (без м.п.)
|
1
|
Д.С.
|
2,368
|
111
|
т.р.-(Ag,Co)
|
4,102
|
|
2
|
С.
|
2,154
|
100
|
ГЩП-Со
|
-
|
|
3
|
С.
|
2,040
|
200
|
т.р.-(Ag,Co)
|
4,080
|
|
4
|
сл.
|
1,445
|
220
|
т.р.-(Ag,Co)
|
4,088
|
|
5
|
сл.
|
1,231
|
311
|
т.р.-(Ag,Co)
|
4,084
|
|
ā(т.р.(Ag,Со) = 4,088
Å, а0(Ag)
= 4,086
Å
|
|
Тв = 870К (в м.п.)
|
1
|
Д.С.
|
2,363
|
111
|
т.р.-(Ag,Co)
|
4,093
|
|
2
|
С.
|
2,042
|
200
|
т.р.-(Ag,Co)
|
4,084
|
|
3
|
С.
|
1,916
|
200
|
ГЩП-Со
|
-
|
|
4
|
сер.
|
1,445
|
220
|
т.р.-(Ag,Co)
|
4,086
|
|
5
|
сер.
|
1,234
|
311
|
т.р.-(Ag,Co)
|
4,094
|
|
ā(т.р.(Ag,Со) = 4,089Å,
а0(Ag)
= 4,086
Å
|
Рис. 1.19 Кристалічна структура та
електронограм плівок Ag(13)/Co(13)/П (а,б) у невідпаленому (а) та відпаленому
до 870К (б) стані. Світлий контраст - плівка Со, темний контраст - плівка Ag
Рис. 1.20 Кристалічна структура та
електронограм плівок Ag(13)/Co(13)/ /П (в) у відпаленому до 870К (в) стані при
дії магнітного поля. Світлий контраст - плівка Со, темний контраст - плівка Ag
Таблиця 1.6. Розшифрування
електронограми від системи Ag(13)/Co(13)/П
|
Тв = 300К
|
№ п/п
|
I, в.о.
|
dhkl, Å
|
hkl
|
фаза
|
а, Å
|
|
1
|
Д.С.
|
2,360
|
111
|
ГЦК-Ag
|
4,088
|
|
2
|
сер.
|
2,042
|
200
|
ГЦК-Ag
|
4,084
|
|
3
|
сер.
|
1,449
|
220
|
ГЦК-Ag
|
4,097
|
|
4
|
сл.
|
1,257
|
110
|
ГЩП-Со
|
-
|
|
ā(Ag) = 4,089 Å, а0(Ag)
= 4,086
Å
|
|
Тв = 870К (без м.п.)
|
1
|
Д.С.
|
2,360
|
111
|
т.р.-(Ag,Co)
|
4,088
|
|
2
|
С.
|
2,158
|
100
|
ГЩП-Co
|
-
|
|
3
|
Д.С.
|
2,044
|
200
|
т.р.-(Ag,Co)
|
4,088
|
|
4
|
С.
|
1,916
|
101
|
ГЩП-Co
|
-
|
|
5
|
cер.
|
1,446
|
220
|
т.р.-(Ag,Co)
|
4,088
|
|
6
|
cер.
|
1,233
|
311
|
т.р.-(Ag,Co)
|
4,089
|
|
ā(т.р.(Ag,Со) = 4,088
Å, а0(Ag)
= 4,086
Å
|
|
Тв = 870К (в м.п.)
|
1
|
Д.С.
|
2,360
|
111
|
т.р.-(Ag,Co)
|
4,08794
|
|
2
|
С.
|
2,042
|
200
|
т.р.-(Ag,Co)
|
4,083736
|
|
3
|
Д.С.
|
1,917
|
101
|
ГЩП - Co
|
-
|
|
4
|
С.
|
1,447
|
220
|
т.р.-(Ag,Co)
|
4,091331
|
|
5
|
С.
|
1,234
|
311
|
т.р.-(Ag,Co)
|
4,091058
|
|
6
|
cер.
|
1,068
|
201
|
ГЩП - Co
|
-
|
|
ā(т.р.(Ag,Со) = 4,089 Å,
а0(Ag)
= 4,086
Å
|
За результатами розрахунків
електронограм і отриманих середніх значень параметрів кристалічної гратки Со
побудований графік залежності параметра гратки ГЦК - т.р. (Ag, Co) від
загальної концентрації атомів Со у плівковій системі(рис. 1.21) по правилу
Вегарда.
Рис. 1.21. Залежність параметра
гратки ГЦК - т.р. (Ag, Co) від загальної концентрації атомів Со у плівковій
системі: а0 - параметр гратки масивних металів. Пунктирна лінія відповідає
правилу Вегарда
Розділ 2. Охорона праці
.1 Аналіз небезпечних та шкідливих
факторів при роботі в лабораторії
Однією з умов при проведенні
наукових досліджень є охорона праці людини під час трудової діяльності. Це може
бути забезпечено виконанням науково обгрунтованих правил та норм як під час
проектування та монтажу, так і під час експлуатації експериментального
обладнання.
При виконанні дипломної роботи для
виконання поставлених задач в експериментах, використовувалося наступне
обладнання: вакуумний пост універсальний (ВУП-5М), цифрові мультиметри UNI-T та
APPA, комп’ютер. Мультиметри, що застосовувались для вимірювань, мають широкий
спектр застосування (визначення опору, постійного та змінного струмів чи
напруги, частоти, ємності, температури, тощо).
ВУП-5М призначений для отримання та
дослідження властивостей тонких плівок різноманітних матеріалів. Прилад має
можливість використання для дослідження в галузях фізики, хімії, медицини та
інших галузях науки i техніки. Прилад призначений для роботи у стаціонарних
лабораторних умовах при кімнатній температурі i відносний вологості повітря не
більше 80%.
При роботі установки ВУП-5М діють
наступні небезпечні та шкідливі фактори:
дія електричного струму;
електромагнітне випромінювання;
пожежонебезпека;
нагріті поверхні.
Електробезпека - це система
організаційних і технічних заходів і засобів, що забезпечують захист людей від
шкідливого і небезпечного впливу електричного струму, електричної дуги,
електромагнітного поля і статичної електрики в умовах експлуатації та на
робочому місці.
По ступеню захисту від ураження
електричним струмом установка ВУП-5М відноситься до I класу згідно ГОСТ
12.1.019-79 ССБТ [26]. Для забезпечення захисту від випадкового дотику до
струмонесучих частин (сполучним проводам) вони вибираються з подвійною
ізоляцією відповідно до ГОСТ 12.02.007.9-88 ССБТ [18].
Напруга, що використовується в
установці, небезпечна для життя. Тому необхідно враховувати правила техніки
безпеки при роботі з електричними пристроями напругою більше 1000 В (ГОСТ
12.1.007.3-75 ССБТ) [28]. Перед включенням у мережу цього устаткування
необхідно переконатися в справності мережного сполучного шнура, захисного
заземлення. До роботи на установці допускаються особи, які пройшли iнструкцiю
по техніці безпеки при роботі з високовольтними пристроями. Процес ревізії,
чистка чи ремонт приладу можливий тільки при повному відключенні його від
мережі живлення з дотриманням правил техніки безпеки. Також, для виключення
можливості дотику до струмоведучих частин, що завжди є небезпечним, навіть в
мережі напругою до 1000 В з ізольованою нейтраллю і малою ємністю
використовується ізолювання струмоведучих частин електроустаткування та
забезпечується недоступність останніх за допомогою огорожі або розташування
струмопровідних частин на недоступною висоті або в недоступному місці, бо
нерідко небезпечно навіть наближення до струмоведучих частин.
Блокування використовуються для
забезпечення недоступності неізольованих струмоведучих частин. Вони
застосовуються в електроустановках, в яких часто проводяться роботи на
огороджувальні струмоведучих частинах (випробувальні стенди, установки для
випробування ізоляції підвищеною напругою тощо). Блокування встановлюються
також в електричних апаратах - рубильниках, пускачі, автоматичні вимикачі та
інших пристроях, що працюють в умовах з підвищеними вимогами безпеки.
Блокування застосовуються також і для попередження помилкових дій персоналу при
перемиканні в розподільних пристроях і на підстанціях. Також на робочому місці
застосовується занулення, захисне заземлення, захисне відключення, ізолювання
робочого місця.
Таблиця 2.1. Загальні характеристики
ВУП-5М [25]
|
Живлення приладу
|
220/380 В
|
|
Маса приладу
|
300 кг
|
|
Довжина
|
540 мм
|
|
Ширина
|
910 мм
|
|
Висота
|
1550 мм
|
|
Споживана потужність без приставок
|
не більше 1,9 кВт
|
|
Максимальна споживана потужність
|
не більше 5 кВт
|
|
Залишковий тиск у просторі
|
3×10-4 Па
|
|
Струм розжарення випарників
|
I - 200А, II - 100А
|
|
Температура для нагрівання об'єктів
|
1100 °С
|
|
Температура для охолодження об'єктів
|
- 160 °С
|
|
U на виході високовольтного випрямляча
|
7 0,3 кВ
|
|
Максимальний струм тліючого розряду
|
50 мА
|
|
Umax на виході високовольтного випрямляча
джерела живлення
|
не менше 0,9 кВ
|
|
Температура в районі підкладки пристрою
|
300 °С
|
При зборці або ремонті насосів
можливі механічні пошкодження вакуумпроводiв в місцях з'єднань. В цьому
випадку, а також в результаті зносу матеріалу ущільнювачів можлива
розгерметизація вакуумної системи, що може привести до виходу з ладу приладу.
Установка ВУП-5М, яка використовується
для проведення експерименту, є джерелом електромагнітного випромінювання,
виникаючого у вакуумній камері. Гранично припустимий рівень напруженості, не
перевищує 20 В/м. Приміщення розташоване на 1-м поверсі адміністративного
будинку.
Число працівників складає 2
чоловіка. Площа й об’єм приміщення, що приходяться на одного працюючого рівні
30 м2 і 96 м3. Значення площі відповідає СНиП II.09.04-87
[30], відповідно до якої на одного працюючого повинно приходитися не менш 4 м2
площі приміщення.
Характеристика природного та
штучного освітлення.
Природне і штучне освітлення
нормується ДБН В.2,5-28-2006 [30].
При освітленні лабораторії
використовують бічне природне освітлення та, при необхідності, штучне
освітлення. Природне освітлення використовують у світлий час доби. Воно
забезпечує хорошу освітленість, рівномірність, а головне ідеальну передачу
кольору.
Природне бічне освітлення
проводиться через два вікна розміром 1,9 х 2,4 м, які розміщені на східній
стороні будівлі, на висоті 1,2 м від підлоги. Дані представлені у вигляді табл.
2.2.
У темний час доби, застосовується
штучне освітлення.
Для штучного освітлення в даному
приміщенні використовують газорозрядні лампи (ГОСТ 17677-82 [31]) при загальній
системі освітлення, яке здійснюється за допомогою шести світильників, у кожному
з яких по 2 лампи. Освітленість робочих місць у відповідності зі СНиП ІІ.4.-79
відноситься до категорії робіт 1а та при застосуванні люмінісцентних ламп
накалювання повинна складати 300 лк.
Таблиця 2.2. Значення параметрів приміщення
|
Габарити приміщення:
|
|
|
Довжина
|
7 м
|
|
Ширина
|
6 м
|
|
Розміри вікна
|
1,9×2,4
|
|
Кількість вікон
|
2
|
|
Висота від підлоги до підвіконня
|
1,2
|
|
Вікна розташовані вздовж більшої стіни
|
|
Мікроклімат - це стан внутрішнього
середовища приміщення, яке визначається діючими на організм людини
температурою, вологістю та швидкістю руху повітря.
Згідно з ДСН 3.3.6.042 - 99 роботи,
які виконуються у відділі належать до категорії робіт 1а (витрати енергії до
150 ккал / ч) [32]. Для даної категорії робіт оптимальні показники мікроклімату
приведені в табл. 2.3.
Фактичні значення параметрів, які
характеризують санітарно-гігієнічні умови роботи відділу, взяті з результатів
оглядів робочих місць на відповідність санітарно-гігієнічних умов праці нормам.
Забезпечення оптимальних умов мікроклімату здійснюється в холодну пору року за
рахунок опалення, провітрювання приміщення.
Відхилення від оптимальних
параметрів мікроклімату відповідно до ГОСТ 12.1.005-88 [33] припустимі й
оптимальні. Також в приміщенні присутня можливість вентиляції.
Відповідно до НАПБ Б.03.002-2007
приміщення відноситься до категорії В (вогнетривкі речовини і матеріали в
холодному стані) [34].
Таблиця 2.3. Значення параметрів
мікроклімату
|
Параметр
|
Значення параметрів
|
Примітки
|
|
Фактичне
|
Нормативне з указанням нормативного документу
|
|
|
Освітленність, лк
|
445
|
300
|
СНиП 11-4-79
|
|
Значення, КЕО, %
|
1,095
|
1,01
|
СниП 11-4-79
|
23 28
|
22-24 23-25
|
ДСН 3.3.6.042 - 99 ДСН 3.3.6.042 - 99
|
|
Відносна вологість, %
|
50
|
40-60
|
ДСН 3.3.6.042 - 99
|
|
Шв.руху повітря, м/с
|
0,09
|
Не більше 0,1
|
ДСН 3.3.6.042 - 99
|
|
Шум, дБ
|
27
|
60
|
ДСН 3.3.6.042 -99
|
Можливі причини виникнення пожежі в
приміщенні: грубі порушення правил пожежної безпеки, несправність
електропроводки.
За вогнестійкостю будівля
відноситься до другого ступеня вогнестійкості (несучі стіни і перегородки
цегляні, оштукатурені, перекриття - залізобетонні).
Для гасіння пожежі в будівлі
передбачено протипожежне водопостачання, також для гасіння пожежі
застосовуються вогнегасники - пінні і водяні.
Шляхи евакуації при пожежі
збігаються з виходом з будівлі. Ширина коридорів 2,5 м, вихідних дверей 1,8 м,
коридори за якими відбувається евакуація, виконані з негорючих матеріалів.
Для підтримки у виробничих
приміщеннях чистоти повітря використовуються вентиляційні пристрої.
Оскільки установка призначена для
одержання тонких плівок методом резистивного випаровування, при завчасній
розгерметизації камери існує небезпека попадання в навколишнє середовище в дуже
незначній кількості парів випаровуваних елементів, тобто таких, що відповідають
нормам ГДК. Це можуть бути пари металів, або їх окисли, якi утворюються в
результаті реакції випарених елементів з молекулами залишкової атмосфери.
Таблиця 2.4. ГДК кольорових металів
та їх з’єднань в повітрі робочої зони
|
Метал (сполука)
|
ГДК в повітрі, мг/м
|
Клас небезпеки
|
|
Алюміній
|
2
|
3
|
|
Германій
|
2
|
3
|
|
Кобальт
|
0,03
|
1
|
|
Мідь
|
0,5
|
2
|
|
Нікелевий порошок
|
0,05
|
1
|
|
Оксид нікелю
|
0,5
|
2
|
|
Свинець и его сполуки
|
0,007
|
1
|
|
Селен аморфний
|
2
|
3
|
.2 Розрахунок освітлення лабораторії
Експериментальна частина дипломної роботи
проводилася в навчальній лабораторії. В цій лабораторії використовується
комбіноване освітлення, природне бічне освітлення здійснюється через світлові
прорізи загальною площею 8 м2, скло подвійне, плетіння дерев'яні.
Освітленість робочих місць у відповідності зі СНиП ІІ.4.-79 відноситься до
категорії робіт 1а та при застосуванні люмінісцентних ламп накалювання повинна
складати 300 лк.
Приміщення розташоване на 1-м
поверсі 3-х поверхового адміністративного будинку передбаченого для розміщення
устаткування. Розміри лабораторії: довжина = 7 м, ширина = 6 м, висота = 4 м;
загальна площа вікон = 9,12 м2 два вікна розміром 1,9×2,4
м).
Планування лабораторії Ц-124 та геометричні розміри цього приміщення показані
на рис. 2.1.
Для підтримання температурного режиму
в приміщенні наявна система опалення. Вона представляє собою 2 радіаторні
батареї, що підключені до центральної системи опалення будівлі.
Напруга електромережі в лабораторії
становить 220/380 В. За небезпекою ураження електричним струмом дане приміщення
відноситься до приміщень з підвищеною небезпекою, через те, що існує можливість
одночасного дотику до металевих предметів, з’єднаних з землею, і корпусу
електроустановки.
Фактичні значення параметрів, які
характеризують санітарно-гігієнічні умови роботи в даному приміщенні були взяті
з результатів оглядів робочих місць на відповідність санітарно-гігієнічних умов
праці нормам. За цими даними мікроклімат в приміщенні відповідає встановленим
українським нормам. Серед можливих причин виникнення пожежі в приміщенні можна
виділити: порушення правил пожежної безпеки та несправність електропроводки.
Штучне освітлення організоване з
застосуванням люмінісцентних ламп потужність яких складає 65 Вт. Світильники,
які розташовані у приміщенні, переважно прямого світла. Відповідають прийнятому
в Україні ГОСТ 17677-82. Їх кількість складає 12 шт.
Рис. 2.1 - Планування лабораторії
Ц-124 та його геометричні розміри
Значення коефіцієнта
природного освітлення (КПО), що нормується для четвертого світового пояса
України,
,
визначається за формулою:
(2.1)
де
- значення
КПО для ІІІ світового поясу, в якому виконуються роботи ІІІ розряду (середньої
точності) для бічного освітлення
, m - коефіцієнт світового клімату
(для України
), c -
коефіцієнт сонячності.
Для географічної широти місто
Суми розташоване в межах 0,75-1,0(с) = 0,8. Звідси
. Фактичне
значення КПО для приміщення відділу можна вивести з формули:
(2.2)
Звідки виводимо:
, (2.3)
де
- площа
всіх вікон в приміщенні,
м2,
- площа підлоги в приміщенні,
м2,
- загальний коефіцієнт пропуску світла вікна. Для віконних прорізів
адміністративно-управлінських будівель, які не обладнані сонцезахисними
пристроями
;
- коефіцієнт, що враховує відбиття
світла від внутрішніх поверхонь приміщення. При відношенні глибини приміщення
(7 м) до його висоти від рівня умовної робочої поверхні до верху вікна (1,75
м), що дорівнює 2,5, відношенні відстані розрахункової точки від зовнішньої
стіни (5 м) до глибини приміщення, що дорівнює 0,7, при середньозваженому
коефіцієнті відбиття внутрішніх поверхонь дорівнює 0,4 та відношенні довжини
приміщення до глибини
.
- світлова
характеристика вікна. При відношенні довжини приміщення до його глибини, що
дорівнює 1, і при відношенні глибини приміщення до його висоти від рівня
робочої поверхні до верху вікна, що дорівнює 2,55,
.
-
коефіцієнт запасу, приймаємо
.
- коефіцієнт, що враховує
затемнення вікон будівлями, що стоять навпроти, за їх відсутності, приймаємо
.
Таким чином:
, (2.4)
Порівнюючи значення
нормованого коефіцієнта природного освітлення з фактичним, робимо висновок, що
природного освітлення в даному приміщенні не достатньо і тому потрібно
застосовувати додаткове штучне освітлення. Для оцінки ефективності штучного
освітлення в приміщенні необхідно порівняти значення фактичної освітленості і
значення освітлення, яке створюється наявними у приміщенні джерелами. При
комбінованому освітленні частка загального освітлення у системі комбінованого
повинна складати 10% від норми комбінованого освітлення, але не менше 50 люкс
для ламп розжарювання і
люкс для
люмінесцентних ламп.
Приміщення аудиторії
освітлюється люмінесцентними лампами, а отже необхідна норма освітлюваності
складає 300 люкс.
Складемо розрахункову схему,
на якій зобразимо наявну кількість світильників і розміри, які визначать їх
розміщення на плані приміщення (рис. 2.1).
Рисунок 2.1 - Штучне
освітлення навчальної лабораторії
Значення розрахункової
освітленості при використанні даного виду ламп можна розрахувати за допомогою
методу коефіцієнта використання світлового потоку за формулою:
, (2.5)
Звідки розраховується,
:
, (2.6)
де Fл - світловий
потік лампи, лм. Для люмінесцентних ламп, потужністю 65
Вт, складає
лм.;
- коефіцієнт
використання світлового потоку. Для приміщення з традиційними розмірами та
кольоровим оформленням
.
- кількість освітлювачів,
.- кількість
ламп в освітлювачах,
.- площа
приміщення,
м2;-
коефіцієнт запасу:
;-
коефіцієнт нерівномірності освітлення,
.
лк.
Оскільки в приміщенні
використовується комбіноване освітлення у якому частка загального освітлення
складає не менше 300 лк, то розрахований показник повністю відповідає нормам.
.3 Організація дозиметричного
контролю на об’єктах господарської діяльності
Під час діяльності на
господарчих підприємствах, де є ризик створення радіаційної загрози, важливим
фактором нормального їх існування являється проведення регулярного
дозиметричного контролю. Організація на господарствах такого контроль включає в
себе комплекс організаційних та технічних заходів для того, щоб не допустити
ураження людей вище за допустимі норми. Такий контроль організовують штаб та
служби ЦЗ об’єкта та проводять командири формувань і сили розвідувальних
підрозділів: групи (ланки) радіаційної та розвідники-дозиметристи.
Дозиметричний контроль
включає контроль опромінення людей та контроль радіоактивного зараження
(забруднення). Контроль опромінення людей поділяють на такі види, як груповий
та індивідуальний. Груповий контроль проводять з метою отримання даних про
середню дозу опромінення особового складу формування ЦЗ, робочої бригади, для
того, щоб не допустити перевищення встановлених (допустимих) норм в рамках
прийнятих урядом України ГОСТів. Для контролю дози опромінення застосовують
дозиметричні прилади (вимірювачі доз ИД-1 або дозиметри із комплектів ДП-24,
ДП-22В).
Для групового контролю
дозиметри видають перед виходом на заражену місцевість за таким розрахунком:
один дозиметр на ланку; один-два - на виробничу бригаду (групу з 14-20 осіб);
особам, що діють окремо від своїх підрозділів - кожному по дозиметру. Видають
дозиметри за відомістю під розписку. Після виходу із зони зараження або в
установлений час (не менше одного разу на добу) ведеться облік показників
дозиметрів командиром (начальником) або призначеною особою. Дані заносять у
журнал (відомість) контролю доз опромінення особового складу формування ЦЗ,
бригади, а сумарні дози - в індивідуальну картку обліку доз опромінення. Дозу опромінення
на господарчих обьєктах (D) визначають розрахунком за формулою:
= РсерТ/Косл, (2.7)
де Т - час перебування людей
на зараженій місцевості, год; Косл - коефіцієнт ослаблення радіації будинками
(спорудами), в яких перебували люди (просто неба Косл = 1); Рсер - середній
рівень радіації в зоні перебування людей, Р/год;
Рсер = Р1 + Р2 +...+ Рп/п,
(2.8)
де Р1 + Р2 +...+ Рп - рівні
радіації, виміряні через однакові проміжки часу впродовж перебування людей у
зоні зараження; п - кількість вимірів.
Рівні радіації вимірюють
приладом ДП-5 з інтервалами: у першу добу після зараження - через 0,5-1 год; у
другу добу - через 1-2 год; у третю та наступні - через 3-4 год.
Індивідуальний контроль
опромінення проводять для первинної діагностики ступеня тяжкості променевої
хвороби. Для контролю індивідуальних доз опромінення особовому складу
формувань, працівникам та службовцям видають індивідуальні вимірювачі дози
ИД-ІІ, які забезпечують вимірювання поглиненої дози в діапазоні від 10 до 1500
рад. Контроль радіоактивного забруднення проводять з метою визначення ступеня
забруднення людей, їхнього одягу та взуття, засобів індивідуального захисту,
тварин, води, фуражу, обладнання, техніки та інших об’єктів радіоактивними
речовинами для визначення можливості їх використання й захисту від радіаційного
ураження.
Ступінь радіоактивного
зараження (забруднення) продуктів харчування та води можна визначати також у
радіометричних лабораторіях, більш точно в одиницях активності - Кюрі на
кілограм (Кі/кг), Кюрі на літр (Кі/л). Проби хліба, м’яса, риби, твердих жирів
беруть, зрізаючи ножем поверхневий шар завтовшки 10 мм. Зрізані шари складають
зараженою поверхнею один до одного, поміщають у скляний посуд або
поліетиленовий мішок та маркують. На пробі зазначають її вид, де взято, дату й
час зараження та взяття проби.
Відбираючи проби рідких
продуктів, їх спочатку перемішують. Пробу води з водойми беруть водозабірним
пристроєм із поверхневого та донного шарів разом зі збаламученим донним ґрунтом
та поміщають у скляну банку (0,5 л).
Контроль радіоактивного
зараження об’єктів проводять поза зоною зараження, але за потреби і на
зараженій місцевості.
Контроль може бути загальним
(100 % людей та техніки) та вибірковим (перевіряється тільки те, що найбільше
забруднено, або від третини до половини особового складу і техніки) [35].
Висновки
. Встановлено, що на
електронограмах від плівкових зразків Ag(7,5 - 37 нм)/ Co(6,5 - 20)/П
фіксується система ліній, які відповідають ГЦК т.р.(Ag,Co) і ГЩП - Со.
Кристаліти ГЩП - Со формуються надлишковими атомами Со, які через обмежену
розчинність не приймають участь у формуванні твердого розчину.
. На основі досліджень
температурної залежності опору і термічного коефіцієнту опору встановлено, що у
двофазних плівкових системах (т.р.(Ag,Co) + + ГЩП - Со)/П в інтервалі
температур 500-650К відбувається заліковування дефектів кристалічної будови, що
призводить до зменшення опору при першому термостабалізаційному циклі.
. Встановлено, що в інтервалі
температур 750 - 870К має місце різке зменшення величини термічного коефіцієнту
опору, що можна пояснити протіканням процесу упорядкування в т.р.(Ag,Co) і
паралельним процесом утворення високоомного інтерметаліду на основі атомів Ag і
Co.
. Порівняння величини ТКО
плівкових систем, отриманих при дії магнітного поля(до 45 мТл) і без дії
вказують на незначний ефект магнітного поля.
. Проведений аналіз
небезпечних та шкідливих факторів, що діють на людину в процесі роботи у
лабораторії, зокрема на приладі ВУП - 5М показав, що є небезпека ураженням
електричним струмом, підвищена пожежонебезпека, наявність електромагнітного
випромінювання, вібрацій та шумів.
сплав
електрофізичний магнітний
Список використаних джерел
1. Проценко І.Ю. Технологія
одержання і фізичні властивості плівкових матеріалів та основи мікроелектроніки
(практикуми): навчальний посібник / І.Ю. Проценко, Л.В. Однодворець - Суми:
СумДУ, 2011. - 231 с.
. Проценко І.Ю. Тонкі металевi
плiвки (технологiя та властивостi) : навч. пос. / І.Ю. Проценко, В.А. Саєнко -
Суми: СумДУ, 2002. - 187 с.
3. Проценко І.Ю. Явище гігантського магнітного
опору в багатошарових плівкових системах (огляд) / І.Ю. Проценко, І.В. Чешко,
Я. Яворский // Вісник СумДУ. Серія: Фізика, математика, механіка
<http://www.irbis-nbuv.gov.ua/cgi-bin/irbis64r_81/cgiirbis_64.exe?Z21ID=&I21DBN=REF&P21DBN=REF&S21STN=1&S21REF=10&S21FMT=fullwebr&C21COM=S&S21CNR=20&S21P01=0&S21P02=0&S21P03=TJ=&S21COLORTERMS=1&S21STR=%D0%92%D1%96%D1%81%D0%BD.%20%D0%A1%D1%83%D0%BC.%20%D0%B4%D0%B5%D1%80%D0%B6.%20%D1%83%D0%BD-%D1%82%D1%83.%20%D0%A1%D0%B5%D1%80.%20%D0%A4%D1%96%D0%B7%D0%B8%D0%BA%D0%B0,%20%D0%BC%D0%B0%D1%82%D0%B5%D0%BC%D0%B0%D1%82%D0%B8%D0%BA%D0%B0,%20%D0%BC%D0%B5%D1%85%D0%B0%D0%BD%D1%96%D0%BA%D0%B0>.-
2004.- № 10.- С. 65-81.
. Проценко С.І. Структурно-фазовий стан,
стабільність інтерфейсів та електрофізичні властивості двошарових плівкових
систем / С.І.Проценко, І.В. Чешко, Д.В. Великодний // Успехи физ. мет. - 2008.
- Т.9,№3. -- С.42-51.
. Проценко С.І. Феноменологічна модель
електрофізичних властивостей гранульованих плівкових сплавів / С.І. Проценко,
Л.В. Однодворець, І.В. Чешко // Вісник СумДУ. Серія: Фізика, математика,
механіка. - 2008. - №1. - С.22-27.
. Кондрахова Д.М. Структурно-фазовий стан,
електрофізичні та магніторезистивні властивості твердих розчинів у плівкових
системах на основі Co і Cu або Ag та Fe і Cr або Cu / Д.М. Кондрахова, Ю.М.
Шабельник, О.В. Синашенко, І.Ю. Проценко // Успехи физ. мет.
<http://irbis-nbuv.gov.ua/cgi-bin/irbis_nbuv/cgiirbis_64.exe?Z21ID=&I21DBN=REF&P21DBN=REF&S21STN=1&S21REF=10&S21FMT=fullwebr&C21COM=S&S21CNR=20&S21P01=0&S21P02=0&S21P03=TJ=&S21COLORTERMS=1&S21STR=%D0%A3%D1%81%D0%BF%D0%B5%D1%85%D0%B8%20%D1%84%D0%B8%D0%B7%D0%B8%D0%BA%D0%B8%20%D0%BC%D0%B5%D1%82%D0%B0%D0%BB%D0%BB%D0%BE%D0%B2>
- 2012. - Т.13, № 3.- С.241-267.
. Шабельник Ю.М. Електрофізичні властивості
гранульованих твердих розчинів у плівкових системах на основі Co та Ag / Ю.М.
Шабельник, Л.В. Однодворець, І.Ю. Проценко // Наносистеми, наноматеріали,
нанотехнології
<http://www.irbis-nbuv.gov.ua/cgi-bin/irbis_nbuv/cgiirbis_64.exe?Z21ID=&I21DBN=REF&P21DBN=REF&S21STN=1&S21REF=10&S21FMT=fullwebr&C21COM=S&S21CNR=20&S21P01=0&S21P02=0&S21P03=TJ=&S21COLORTERMS=1&S21STR=%D0%9D%D0%B0%D0%BD%D0%BE%D1%81%D0%B8%D1%81%D1%82%D0%B5%D0%BC%D0%B8,%20%D0%BD%D0%B0%D0%BD%D0%BE%D0%BC%D0%B0%D1%82%D0%B5%D1%80%D1%96%D0%B0%D0%BB%D0%B8,%20%D0%BD%D0%B0%D0%BD%D0%BE%D1%82%D0%B5%D1%85%D0%BD%D0%BE%D0%BB%D0%BE%D0%B3%D1%96%D1%97>.
- 2012. - Т.10,№ 3. - С. 495-502.
. Лякишев Н.П. Диаграммы состояния двойных
металлических систем / под ред. Лякишев Н.П. / Москва: Машиностроение. - 1996 -
Т.1. - 992 с.
. Чешко І.В. Фізичні процеси в функціональних
елементах на основі плівкових систем Co/Cu(Ag, Au) із спін-залежним
розсіюванням електронів: автореферат дис. канд.наук / Чешко Ірина
Володимирівна. - Суми: СумДУ. - 2009. - 22 с.
. Grunberg P. Layered magnetic structures:
antiferromagnetic type interlayer coupling and magnetoresistance due to
antiparallel alignment / Grunberg P.,Barnas J.,Saurenbach F // J. Magn. Magn.
Mater. - 1993. - V. 93. - Р.58-66.
. Du J.H. Microstructural characterization of
CoAg granular films / J.H. Du, W.J. Liu, Q. Li, H. Sang, S.Y. Zhang, Y.W. Du,
D. Feng. // J. Magn. Mag. Mater. - 1999 - V.191(1-2). - Р. 17-24.
. Du J. Memory effect and spin-glass-like in
Co-Ag granular films / J. Du, B. Zhang, R.K. Zheng // Phys. Rev. B. - 2007. -
V.75(1). - Р. 415-422.
. Пазуха І.М. Особливості магніторезистивних
властивостей гранульованих плівкових сплавів на основі Ag та Со / І.М. Пазуха,
Ю.М. Шабельник, І.Ю. Проценко // ФХТТ. - 2012. - Т. 13, № 4. - С. 907-915.
. Pratt W.P. Perpendicular giant
magnetoresistance of Ag/Co multilayers / W.P. Pratt, S.F. Lee, J.M. Slaughter,
R. Loloee, P.A. Schroeder, J. Bass. // Phys. Rev. Lett. - 1991. - V.66(23). -
P. 3061-3063.
. Pratt Jr. W.P. Giant magnetoresistance with
current perpendicular to the multilayer planes / W.P. Pratt Jr., S.F. Lee, P.
Holody, Q. Yang, R. Loloee, J. Bass, P.A. // J. Magn. Magn. Mater. - 1993. -
V.126(1-3). - P. 406-409.
. Bass J. Current perpendicular (CPP)
magnetoresistance in magnetic metallic multilayers / J. Bass, W.P. Pratt Jr. //
J. Magn. Magn. Mater. - 1999. - V.200(1-3) - P. 274-289.
. Kenane S. Giant magnetoresistance in Ag-Co
granular films prepared by Electrodeposition / S. Kenane, E. Chainet, B.
Nguyen, A. Kadri // Electrochem. Commun. - 2002. - V.4(2). - P. 167-170.
. Sang H. Study on GMR in Co-Ag thin granular
films / H. Sang., Z.S. Jiang, G. Guo // J. Magn. Magn. Mater. - 1995. -
V.140-144(1). - P. 589-590.
. Пазуха І.М. Тензорезистивні властивості
тонкоплівкових систем на основі Ag і Co / І.М. Пазуха, З.М. Макуха, Ю.М.
Шабельник, І.Ю. Проценко // Журнал нано- електрон. фіз. - 2012. - Т. 4, № 3. -
С.302 - 304.
. Kenane S. Magnetic properties and giant
magnetoresistance in electrodeposited Co-Ag granular films / S. Kenane,
J. Voirona, N. Benbrahim, E. Chainet, F. Robaut // Journal of Magnetism and
Magnetic Material. - 2006. - V.297. - P.99-106.
. Honda S. Granular-type giant magnetoresistance
of Co-Ag and FeCo-CoAg films deposited with tandem method / S. Honda, H.
Yamane, M. Nishino, M. Nawate // Journal of Magnetism and Magnetic Material. -
1999. - V.193. - P.492-496.
. Arana S. High sensitivity linear position
sensor developed using granular Ag-Co giant magnetoresistances / S. Arana, N.
Arana, F.J. Gracia, E. Castano // Sensors Actuat. - 2005. - V.123-124. -
P.116-121.
. Makukha Z.M. Strain effects in film materials
based on metals / Z.M. Makukha, L.V. Odnodvorets, I.Yu.Protsenko, N.I.
Shumakova // Phys. Res. - 2013. - V.1(2). - Р. 55-59.
. Шабельник Ю.М. Апробація феноменологічної
моделі електрофізичних властивостей плівкових гранульованих сплавів / Ю.М.
Шабельник, C.I. Проценко, Л.В. Однодворець, І.В. Чешко // Вісник СумДУ. Серія:
Фізика, математика, механіка. - 2008. - Т.1, вип.22 - С.53-55.
. Методичні вказівки до виконання лабораторних
робіт з курсу «Вакуумна техніка»/Укладачі: І.О.Шпетний, І.Ю.Проценко- Суми:
СумДУ.-2010. - 45с.
. ГОСТ 12.1.019-79 ССБТ. - Межгосударственный
стандарт ЕСКД -Электробезопасность. Общие требования и номенклатура видов
защиты. - Москва: Изд-во стандартов. - 1980. - 8 с.
. ГОСТ 12.02.007.9-88 ССБТ. - Межгосударственный
стандарт ЕСКД - Оборудование электротермическое. Требование безопасности. -
Москва: Изд-во стандартов. - 1989. - 10 с.
. ГОСТ 12.1.007.3-75 ССБТ. - Межгосударственный
стандарт ЕСКД - Электротехнические устройства на напряжении свыше 1000 В.
Требования безопасности. - Москва: Изд-во стандартов. - 1986. - 15 с.
. СНиП II.09.04-87. - Строительные нормы и
правила -Административные и бытовые здания. - Москва: Изд-во стандартов. -1994.
-22 с.
. ДБН В.2,5-28-2006 - Державні будівельні норми
- Природне і штучне освітлення. - Київ: Мінбуд України. - 2006. - 80 с.
. ГОСТ 17677-82. - Межгосударственный стандарт
ЕСКД - Светильники. Общие технические условия. - Москва: Изд-во стандартов.
-1983. - 63 с.
. ДСН 3.3.6.042 - 99 - Державні санітарні норми
- Санітарні норми мікроклімату виробничих приміщень. - Київ: МОЗ України. -
1999. - 10 с.
. ГОСТ 12.1.005-88. - Межгосударственный
стандарт ЕСКД - Общие санитарно-гигиенические требования к воздуху рабочей
зоны. - Москва: Изд-во стандартов. -1989. - 78 с.
. НАПБ Б.03.002-2007. - Норми визначення
категорій приміщень, будинків та зовнішніх установок за вибухопожежною та
пожежною небезпекою. - Київ: Вид-во «Форт». - 2007. - 27 с.
. ГОСТ 12.1.031-81. - Межгосударственный
стандарт ЕСКД - Система стандар-тов безопасности труда. Методы дозиметрического
контроля. - Москва: Изд-во стандартов. - 1987. - 34 с.