Аналіз і синтез системи автоматичного регулювання електроприводу постійного струму
Вступ
Курсова робота з дисципліни «Теорія автоматичного керування»
дозволяє навчитись користуватись методами аналізу та синтезу систем
автоматичного керування (САК), ознайомитись із системним підходом при
автоматизації та врахувати особливості об’єктів автоматизації. Головним засобом
автоматизації технологічного процесу та технічною основою є електропривід, що
розглядається в якості системи автоматичного регулювання (CAP).
Метою роботи є закріплення теоретичних знань студентів шляхом
їхнього застосування до вирішення задач аналізу та синтезу CAP.
Завдання курсової роботи полягає в тому, щоб проаналізувати
задану САР на стійкість і якість роботи. Якщо система не задовольняє вимогам
стійкості й якості, то необхідно забезпечити задоволення цих вимог шляхом уведення
в САР коригувального пристрою. Це є найбільш діючим способом забезпечення
необхідних динамічних властивостей САР, а іноді й статичних.
синтез автоматизація електропривід
1. Аналіз вихідної моделі САР
.1 Описання структурної схеми електроприводу постійного
струму
Розглянемо основні елементи електроприводу:
− вимірювальний пристрій забезпечує вимір і
порівняння вхідних сигналів (сигналу напруги завдання Uз та сигналу
зворотного зв’язку Uзв.з.) та видає оброблений сигнал неузгодженості
Uu;
− фазочутливий випрямляч випрямляє змінну
напругу в постійну;
− попередній підсилювач забезпечує задану
точність системи автоматичного регулювання (САР), він являє собою каскадний
підсилювач із фіксованим коефіцієнтом підсилення;
− електромагнітний підсилювач регулює напругу
живлення двигуна й являє собою генератор постійного струму з декількома
обмотками збудження та з фіксованою частотою обертання ротора приводного
асинхронного двигуна;
− двигун постійного струму, у системі САР він
представлений у вигляді аперіодичної й інтегруючої ланки;
− редуктор потрібен для зміни швидкості
обертання приводного механізму відносно швидкості обертання вала двигуна.
САР електроприводу постійного струму має структурну схему,
яка наведена на рисунку 1.
Рисунок 1 - Структурна схема САР електроприводу постійного
струму
На рисунку 1 позначені наступні ланки САР:посл(p)
- передаточна функція (ПФ) послідовної корекції;вим(p) -ПФ
вимірювального пристрою, який вимірює вихідний сигнал,

;
фчв(p)
- ПФ фазочутливого випрямляча, що необхідний для випрямлення змінного струму,

;
п(p)
- ПФ попереднього підсилювача, що забезпечую задану точність САР,

;
емп(p)
- ПФ електромагнітного підсилювача, що регулює напругу живлення двигуна (може
бути генератором постійного струму),

;
дв(p)
- ПФ двигуна постійного струму,

;
ред(p)
- ПФ редуктора з відповідним коефіцієнтом передачі,

;
пар(p)
- ПФ паралельної корекції;зв.з.(p) - ПФ зворотного зв’язку.
.2 Розрахунок коефіцієнта підсилення САР kн і коефіцієнта попереднього
підсилення kп
Обчислимо коефіцієнт підсилення САР kн:

,
де щmax - максимальна кутова швидкість, яку може розвинути
САР, рад/с;
в - складова похибка за швидкістю, рад/с;

;
Знайдемо коефіцієнт попереднього підсилення. Коефіцієнт підсилення САР
можна також розрахувати за формулою:

;
коефіцієнт попереднього підсилення kп обчислимо за формулою:

,
де kн - коефіцієнт підсилення САР;вим - коефіцієнт
передачі вимірювального пристрою;фчв - коефіцієнт передачі
фазочутливого випрямляча;емп - коефіцієнт передачі е/м підсилювача;дв
- коефіцієнт передачі двигуна;ред - коефіцієнт передачі редуктора;

.
.3 Аналіз стійкості вихідної САР за критерієм Гурвіца
Алгебраїчний критерій стійкості Рауса-Гурвіца (критерій Гурвіца)
дозволяє визначити стійкість системи за алгоритмом розрахунку, що не передбачає
знаходження кореня характеристичного рівняння:
де а - коефіцієнти;- корені характеристичного рівняння.
За критерієм Гурвіца вихідна САР є стійкому, якщо головний визначник
Гурвіца (Дn) й усі діагональні мінори (Дn-i) більше нуля:

.
Виконаємо аналіз на стійкість за критерієм Гурвіца для структурної
схеми САР без послідовної й паралельної корекції (рисунок 2).
ПФ усієї системи в розімкнутому стані:
Рисунок 2 - Структурна схема некоректованої САР
електроприводу постійного струму


;


.
ПФ усієї системи в замкненому стані:

;





;
у програмному забезпеченні (ПЗ) Mathsoft Mathcad здійснимо спрощення
знаменника ПФ Wзамк(р):
Остаточно отримаємо ПФ усієї системи в замкненому стані:


,
звідки характеристичне рівняння має вигляд:

.
Складемо головний визначник Гурвіца й усі діагональні мінори:
− головний визначник Гурвіца

;
− діагональні мінори

;

;

.
У ПЗ Mathsoft Mathcad обчислимо визначники та перевіримо виконання
умови критерію Гурвіца:

-
невірно;

-
невірно;

-
невірно;

-
вірно.
За алгебраїчним критерієм стійкості Гурвіца САР без корекції є
нестійкою, тому що всі визначники, крім Д1 менші нуля.
1.4 Аналіз стійкості вихідної САР за критерієм Михайлова в першому та
другому формулюванні
Частотний критерій стійкості Михайлова дозволяє визначити стійкість
системи, не розв’язуючи характеристичне рівняння. Стійкість системи оцінюється
за спеціальною характеристикою, що носить назву годограф Михайлова. Висновок
про стійкість чи не стійкість системи робиться за розташуванням годографа в
системі координат.
Перше формулювання критерію Михайлова: для стійкості замкненої системи
необхідно й достатньо, щоб радіус-вектор годографа Михайлова при зміні частоти
від нуля до плюс нескінченності починає обертання з точки, яка лежить на
дійсній вісі праворуч від нуля, та обертається проти годинникової стрілки й
ніде не перетворюється в нуль, пройшовши послідовно n квадратів, повернувшись
на кут 0,5р·n (де n Î Z).
Друге формулювання критерію Михайлова: для стійкості замкнутої системи
необхідно, щоб корені поліномів дійсної А(щ) та уявної В(щ) частин годографа
Михайлова були дійсними і переміжними.
Виконаємо аналіз на стійкість за частотним критерієм стійкості
Михайлова для структурної схеми САР без корекції (рисунок 2). У
характеристичному рівнянні N(p) виконаємо заміну 
,
де 
,
тоді характеристичне рівняння прийме вигляд:



;
оскільки 
,
тоді:
− дійсна частина годографа Михайлова набуде
вигляд:

;
− уявна частина годографа Михайлова набуде
вигляд:

.
Розв’яжемо рівняння A(щ) = 0 та B(щ) = 0 у ПЗ Mathsoft
Mathcad вважаючи, що корені рівнянь мають тільки додатні значення:
− A(щ) = 0
Þ 
;
− B(щ) = 0
Þ 
;
За допомогою ПЗ Mathsoft Mathcad здійснимо побудову годографа Михайлова
(рисунок 3) та його частин (рисунок 4) при зміні частоти щ від нуля до сорока.
Рисунок 3 - Годограф Михайлова
За частотним критерієм стійкості Михайлова САР без корекції є
нестійкою, тому що не виконуються умови формулювання критеріїв:
− за першим формулюванням критерію отримали, що
годограф при зміні частоти від нуля до сорока починає обертання з точки A(щ)|щ=0
≈ 174 та обертається проти годинникової стрілки й перетворюється в нуль у
точці A(щ) ≈ 150, та не проходить послідовно 4 квадратів, повернувшись на
кут 2р;
Рисунок 4 - Графіки частин годографа Михайлова
− за другим формулюванням критерію - корені
поліномів дійсної А(щ) та уявної В(щ) частин годографа Михайлова не є
переміжними.
.5 Визначення показників якості САР у програмному середовищі
Mathsoft Mathcad
Сформуємо з ПФ замкнутої САР зображення H(p) реакції системи
на вхідну одиничну ступінчату дію:

;

.
Перехідна функція h(t) зображення H(p) реакції системи на вхідну
одиничну ступінчату дію:

.
У ПЗ Mathsoft Mathcad виконаємо розрахунок перехідної функції h(t) САР
на вхідну одиничну ступінчату дію та її побудову (рисунок 5):
Звідки перехідна функція h(t) САР на вхідну одиничну ступінчату дію має
вигляд:


.
Сформуємо з ПФ замкнутої САР зображення К(p) реакції системи на
одиничний імпульс:

;

.
Рисунок 5 - Графік перехідної функції h(t) САР із реакцією системи на
вхідну одиничну ступінчату дію
Вагова функція k(t) зображення K(p) реакції системи на одиничний
імпульс:

.
У ПЗ Mathsoft Mathcad виконаємо розрахунок вагової функції k(t) та її
побудову (рисунок 6):
Тоді ваговаа функція k(t) САР на вхідну одиничну ступінчату дію має
вигляд:


.
Оскільки графіки перехідної й вагової функцій зображень реакцій системи
на вхідну одиничну ступінчату дію й на одиничний імпульс відповідно
розходяться, то САР без корекції є нестійкою.
Рисунок 6 - Графік вагової функції k(t) САР із реакцією системи на
одиничний імпульс
За всіма критеріями стійкості, які були розглянуті виші, САР без
послідовного й паралельного корегувального пристрою є нестійкою й потребує
корекції.
2. Динамічний синтез САР із заданими вимогами до її якості
Одним із найпоширеніших методів синтезу є метод синтезу, який оснований
на використанні логарифмічної амплітудо-частотної характеристики (ЛАЧХ)
розімкнутих систем. Ідея методу ґрунтується на тому, що для мінімально-фазових
систем існує однозначний зв’язок між ЛАЧХ у розімкнутому стані та перехідною
характеристикою в замкнутому стані. Виходячи з бажаного характеру перехідного
процесу, будують бажану ЛАЧХ, яка відповідає умовам стійкості. Потім до бажаної
ЛАЧХ за допомогою корегованих пристроїв наближують її до вихідної системи. ЛАЧХ
вихідної системи складають незмінні елементи (двигун, перетворювач та елементи
зворотних зв’язків) та вони не підлягають корекції.
Умовно бажану ЛАЧХ поділяють на три частини. Перша частина є
низькочастотна, характер якої визначається астатизмом та коефіцієнтом передачі.
Тобто вона характеризує роботу системи зі статичними режимами. Друга частина -
середньо частотна, що проходить через частоту зрізу з однаковим нахилом. Ця
частина є найважливішою й вона визначає переважну більшість показників якості в
динаміці, її характеризують нахил та частота зрізу. Третя частина -
високочастотна, яка знаходиться в зоні від’ємних значень L(щ) і майже не
впливає на якість перехідного процесу, вона може впливати на швидкість початку
розгону системи.
.1 Визначення бажаної передаточної функції САР
Згідно з вимог щодо якості роботи спроектованої САР ЛАЧХ має бути з
нахилом асимптоти сполучення низькочастотної та середньочастотної частин, що
відноситься до нахилу середньочастотної частини, як два до одного. За таблицею
Санковського-Сігалова в якості бажаної логарифмічної характеристики оберемо
ЛАЧХ четвертого типу, зображення якої представимо на рисунку 7. ПФ розімкнутої
САР даної ЛАЧХ має вигляд:

,
де kн - коефіцієнт підсилення САР;
ф1, ф2, ф3 - постійні часу САР у
розімкнутому стані.
Рисунок 7 - Загальний вигляд бажаної ЛАЧХ САР у розімкнутому стані
Для отримання ПФ бажаної ЛАЧХ розімкнутої САР обчислимо наступні
значення величин:
1) запас стійкості по фазі

,
де у - задане перерегулювання, відсотки;

;
2) частота зрізу

,
де с - імперичний коефіцієнт, що визначається за запасом стійкості по
фазі;р - заданий час регулювання, с;
визначимо імперичний коефіцієнт за допомогою залежності с(Дц°), яка
будується за відомими точками:
− перша точка с = 9 при Дц° = 30°;
− друга точка с = 8 при Дц° = 45°;
− третя точка с = 7 при Дц° = 60°;
у ПЗ Microsoft Office Excel побудуємо залежність с(Дц°) та
виконаємо лінійну апроксимацію (рисунок 8);
Рисунок 8 - Залежність с(Дц°) із лінійною апроксимацією
з рівняння лінійної апроксимації залежності с(Дц°) обчислимо
значення імперичного коефіцієнту

;
частота зрізу

;
сталі часу й частоти сполучення, що відповідають ним
визначимо частоти сполучення щ2 й щ3, скориставшись
співвідношенням

,
де щ2, щ3 - частоти сполучення, що відповідають
сталим часу ф2 та ф3 відповідно, с-1;
а - коефіцієнт, що визначається співвідношенням

;
ℓ - заданий нахил асимптоти ЛАЧХ, що сполучає низькочастотну й
середньочастотну частини, для ЛАЧХ типу 2 ч 1 нахил асимптоти ℓ = 2;
коефіцієнт а

;
− частота сполучення щ3, що
відповідає сталій часу ф3

;

;
− частота сполучення щ2, що
відповідає сталій часу ф2

;

;
− частота сполучення щ1, що
відповідає сталій часу ф1

;

;
визначимо сталі часу за співвідношенням

,
де щi - значення частот для відповідних сталих часу;
− стала часу ф1

;
− стала часу ф2

;
− стала часу ф3

.
Отримаємо наступну формулу бажаної ПФ розімкнутої САР:

.
Для побудови бажаної ЛАЧХ розімкнутої САР обчислимо наступні
логарифмічні значення:
− логарифмічна частота сполучення щ1

;
− логарифмічна частота сполучення щ2

;
− логарифмічна частота сполучення щ3

;
− логарифмічна частота зрізу щзр
− значення ЛАЧХ на частоті щ = 1 с-1

;
У ПЗ MathWorks MATLAB виконаємо побудову бажаної ЛАЧХ розімкнутої САР
Використовуючи вираз для бажаної ПФ розімкнутої САР, знайдемо ПФ
бажаної системи в замкненому стані з від’ємним одиничним зворотнім зв’язком:

;






;
.2 Оцінка якості скоректованої (бажаної) САР у програмному середовищі
Mathsoft Mathcad
Використовуючи вираз для ПФ бажаної системи в замкненому стані з
від’ємним одиничним зворотнім зв’язком, у ПЗ MathWorks MATLAB виконаємо
побудову перехідного процесу для даної САР (рисунок 10).
Рисунок 10 - Перехідний процес бажаної САР у замкненому стані з
від’ємним одиничним зворотнім зв’язком
Перехідний процес бажаної САР у замкненому стані, який зображений на
рисунку 10, є стійким і має наступні показники якості:
− перерегулювання

,
де щmax - максимальне значення кутової швидкості, відносні
одиниці;
щуст - установлене значення кутової швидкості, відносні
одиниці;
з рисунку 10 щmax = 1,14; щуст = 1, тоді

;
− час перехідного процесу в п’ятивідсотковій
зоні tп.п. = 1,24 с.
Сформуємо з ПФ замкнутої бажаної САР зображення Hб(p)
реакції системи на вхідну одиничну ступінчату дію:

;

.
Перехідна функція hб(t) зображення Hб(p) реакції
бажаної системи на вхідну одиничну ступінчату дію:

.
У ПЗ Mathsoft Mathcad виконаємо розрахунок перехідної функції hб(t)
бажаної САР на вхідну одиничну ступінчату дію та її побудову (рисунок 11):
Звідки перехідна функція hб(t) бажаної САР на вхідну
одиничну ступінчату дію має вигляд:

.
Сформуємо з ПФ замкнутої бажаної САР зображення Кб(p)
реакції системи на одиничний імпульс:

;

.
Рисунок 11 - Графік перехідної функції hб(t) бажаної САР із
реакцією системи на вхідну одиничну ступінчату дію
Вагова функція kб(t) зображення Kб(p) реакції
системи на одиничний імпульс:

.
У ПЗ Mathsoft Mathcad виконаємо розрахунок вагової функції k(t) та її
побудову (рисунок 12):
Тоді ваговаа функція kб(t) бажаної САР на вхідну одиничну
ступінчату дію має вигляд:

.
Графіки перехідної й вагової функцій зображень реакцій системи на
вхідну одиничну ступінчату дію й на одиничний імпульс відповідно сходяться,
тоді САР є стійкою. Також графік перехідної функції hб(t) бажаної
САР із реакцією системи на вхідну одиничну ступінчату дію (рисунок 11),
побудований у програмному середовищі Mathsoft Mathcad, схожий із перехідним
процесом бажаної САР у замкненому стані з від’ємним одиничним зворотнім
зв’язком (рисунок 10), побудований у програмному середовищі MathWorks MATLAB.
Рисунок 12 - Графік вагової функції kб(t) бажаної САР із
реакцією системи на одиничний імпульс
.3 Розрахунок послідовного корегувального пристрою
Послідовні корегуючи ланки вводяться до основного контуру регулювання
як можна ближче до входу, де потужності сигналів менше. САР електроприводу
постійного струму із застосуванням послідовного корегувального пристрою має
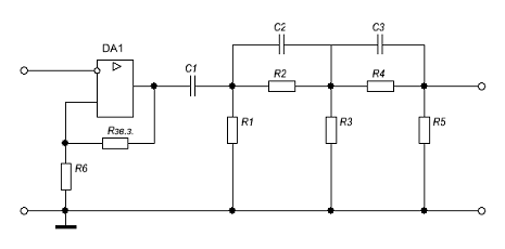
структурну схему, яка наведена на рисунку 13.
Рисунок 13 - Структурна схема САР електроприводу постійного
струму із застосуванням послідовного корегувального пристрою
Тоді ПФ усієї системи складається з ПФ послідовного
корегувального пристрою Wпосл(р) і ПФ не скорегованої системи Wнк(р),
яка відповідає ПФ системи в розімкнутому стані Wроз(р):

,
де Wпосл - ПФ послідовного корегувального пристрою;роз
- ПФ системи в розімкнутому стані;
Після переходу до логарифмічних характеристик бажана ЛАЧХ системи в
розімкнутому стані матиме вигляд:

,
де Lпосл(щ) -ЛАЧХ послідовного корегувального пристрою;роз(щ)
- ЛАЧХ незмінюваної (вихідної) системи в розімкнутому стані.
.3.1 Визначення ПФ послідовного корегувального пристрою
ПФ послідовного корегувального пристрою знайдемо за допомогою
графічного методу, виходячи з наступної формули:

,
де Lроз.б.(щ) - бажана ЛАЧХ системи в розімкнутому стані;роз(щ)
- ЛАЧХ незмінюваної (вихідної) системи в розімкнутому стані;
Для побудови ЛАЧХ незмінюваної системи в розімкнутому стані, ПФ якої
має вигляд

,
обчислимо наступні значення величин:
1) частоти сполучення, що відповідають сталим часу Тфчв,
Темп і Тдв відповідно за співвідношенням

,
де Ті - значення сталих часу для відповідних частот щі;
− частота сполучення щфчв

;
− частота сполучення щемп

;
− частота сполучення щдв

;
2) логарифмічні значення частот
− логарифмічна частота сполучення щфчв

;
− логарифмічна частота сполучення щемп

;
− логарифмічна частота сполучення щдв

;
− значення ЛАЧХ на частоті щ = 1 с-1 візьмемо з
пункту 2.1 
.
В одній координатній площині побудуємо бажану ЛАЧХ і ЛАЧХ
незмінюваної систем у розімкнутому стані. Графічно з бажаної ЛАЧХ віднімемо
ЛАЧХ незмінюваної системи й одержимо ЛАЧХ послідовного корегувального пристрою.
На підставі ЛАЧХ послідовного корегувального пристрою,
складаємо ПФ, яка реалізує необхідну корекцію системи:


.
Також ПФ послідовного корегувального пристрою можна обчислити наступним
чином:

,
де Wроз.б. - ПФ бажаної САР у розімкнутому стані;роз
- ПФ САР у розімкнутому стані;



.
Розрахунки є вірними, оскільки ПФ послідовного корегувального пристрою,
отриманими різними шляхами дорівнюють один одному.
.3.2 Технічна реалізація послідовного корегувального пристрою
Для технічної реалізації послідовного корегувального пристрою ПФ цього
пристрою представимо в наступному вигляді:


.
Зі стандартного переліку ланок, пасивних чотириполюсників RC типу й
операційних підсилювачів, реалізуємо послідовний коригувальний пристрій.
Реалізація першої ланки

.
Для її реалізації обираємо схему кола, яка має ПФ подібну Wпосл 1:

,
де Т1, Т2 - сталі часу,

.
На рисунку 15 представимо принципову схему кола для реалізація першої
ланки, а на рисунку 16 - зобразимо вигляд ЛАЧХ, яку реалізує ПФ.
Рисунок 15 - Принципова схема кола для реалізація першої ланки Wпосл1
Рисунок 16 - Загальний вигляд ЛАЧХ першої ланки Wпосл 1
Для реалізації ЛАЧХ, яка відповідає Wпосл 1 необхідно, щоб:
тоді приймемо наступні значення C1 = 50 мкФ; R1 =
213 кОм; R2 = 11 кОм.
Реалізація другої ланки

.
Для її реалізації обираємо схему кола, яка має ПФ подібну Wпосл 2:

,
де k - коефіцієнт,

;
Т1, Т2 - сталі часу,

.
На рисунку 17 представимо принципову схему кола для реалізація першої
ланки, а на рисунку 18 - зобразимо вигляд ЛАЧХ, яку реалізує ПФ.
Рисунок 17 - Принципова схема кола для реалізація другої ланки Wпосл
2
Рисунок 18 - Загальний вигляд ЛАЧХ другої ланки Wпосл 2
Для реалізації ЛАЧХ, яка відповідає Wпосл 2 необхідно, щоб:
тоді приймемо наступні значення C2 = 50 мкФ; R3 =
5,5 кОм; R2 = 575 Ом;

;
Реалізація третьої та четвертої ланок

,

.
Виконати реалізації цих ланок у вигляді, як вони подані неможливо,
оскільки їх ПФ не містять демпфіруючи частини, а містять тільки форсуючи, тому
виконаємо наступні перетворення:

,

.
Реалізацію цих ланок виконаємо аналогічно, як і для другої ланки. Для
реалізації ЛАЧХ, яка відповідає Wпосл 3 необхідно, щоб:
тоді приймемо наступні значення C3 = 50 мкФ; R5 =
1,3 кОм; R6 = 1,3 кОм;

;
Для реалізації ЛАЧХ, яка відповідає Wпосл 4 необхідно, щоб:
тоді приймемо наступні значення C4 = 24 мкФ; R7 =
370 Ом; R8 = 1 Ом;

.

;

,
а також його вхідний опір повинен бути досить великим, при цих умовах
коригувальна ланка не буде знижувати загальний коефіцієнт системи.
Реалізуємо не інвертуючий операційний підсилювач з коефіцієнтом
підсилення kU = 1,1086, який обчислюється за формулою:

,
де Rзв.з. - опір зворотного зв’язку.
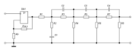
На рисунку 19 представимо електричну принципову схему
послідовного корегувального пристрою.
Рисунок 19 - Принципова електрична схема послідовного
корегувального пристрою
2.4 Розрахунок паралельного корегувального пристрою
Паралельні корегуючи ланки вводяться у вигляді зворотних
зв’язків, що компенсують вплив однієї ланки або їх груп на систему керування.
Охопимо паралельною корегувальною ланкою ділянку системи, що є інерційним - це
двигун. Тоді ПФ усієї системи можна представити у вигляді:


,
де Wнеох(р) - ПФ частини системи, що не буде охоплена
паралельним корегувальним пристроєм;ох(р) - ПФ частини системи, що
була охоплена паралельним корегувальним пристроєм;пар(р) - ПФ
паралельного корегувального пристрою;роз(р) - ПФ системи в
розімкнутому стані.
На рисунку 20 зобразимо структурну схему САР електроприводу постійного
струму із застосуванням паралельного корегувального пристрою.
Рисунок 20 - Структурна схема САР електроприводу постійного
струму із застосуванням паралельного корегувального пристрою
Після переходу від ПФ до логарифмічних частотних
характеристик одержимо бажану ЛАЧХ системи в розімкнутому стані:


,
де Lроз(щ) - ЛАЧХ незмінюваної (вихідної) системи в
розімкнутому стані.
.4.1 Визначення ПФ паралельного корегувального пристрою
Основна складність синтезу паралельної корегувальної ланки
зумовлена з наявністю одиниці у виразі бажаної ЛАЧХ системи

,
тому бажану ЛАЧХ системи визначимо з формули:

.
Прирівняємо вирази бажаної ЛАЧХ системи для застосування послідовної й
паралельної корегувальних ланок, отримаємо:

;


;

;

.
Тоді ПФ паралельного корегувального пристрою знайдемо за допомогою
графічного методу, виходячи з наступної формули:

,
де Lпосл.(щ) -ЛАЧХ послідовного корегувального пристрою;ох(щ)
- ЛАЧХ частини системи, що була охоплена паралельним корегувальним пристроєм.
Для побудови ЛАЧХ частини системи, що була охоплена паралельним
корегувальним пристроєм, обчислимо:
1) ПФ частини системи, що була охоплена паралельним
корегувальним пристроєм


;

;
2) частоти сполучення, що відповідають сталим часу Тфчв,
Темп і Тдв візьмемо з пункту 2.3.1
− частота сполучення щемп = 15,3846 с-1;
− частота сполучення щдв = 3,6364 с-1;
) логарифмічні значення частот візьмемо з пункту
2.3.1, крім значення ЛАЧХ на частоті щ = 1 с-1
− логарифмічна частота сполучення щемп 
;
− логарифмічна частота сполучення щдв 
;
− значення ЛАЧХ на частоті щ = 1 с-1

.
В одній координатній площині побудуємо ЛАЧХ послідовного корегувального
пристрою й ЛАЧХ частини системи, що була охоплена паралельним корегувальним
пристроєм. Графічно одержимо ЛАЧХ паралельного корегувального пристрою,
використовуючи вищенаведену формулу для отримання ПФ паралельного
корегувального пристрою.
На підставі ЛАЧХ паралельного корегувального пристрою, складаємо ПФ, яка
реалізує необхідну корекцію системи:


.
Також ПФ паралельного корегувального пристрою визначимо з формули,
враховуючи припущення, яке прийняли вище:



,
де Wроз - ПФ САР у розімкнутому стані;роз.б. - ПФ
бажаної САР у розімкнутому стані;ох - ПФ частини САР, що була
охоплена паралельним корегувальним пристроєм;




.
Значення ЛАЧХ паралельного корегувального пристрою на частоті щ = 1 с-1

.
Розрахунки є вірними, оскільки ПФ паралельного корегувального пристрою,
отриманими різними шляхами дорівнюють один одному.
.4.2 Технічна реалізація паралельного корегувального пристрою
Для технічної реалізації паралельного корегувального пристрою ПФ цього
пристрою представимо в наступному вигляді:


.
Зі стандартного переліку ланок, пасивних чотириполюсників RC типу й
операційних підсилювачів, реалізуємо паралельний коригувальний пристрій.
Реалізація першої ланки

.
Для її реалізації обираємо схему кола, яка має ПФ подібну Wпар 1:

,
де k, T - коефіцієнт і стала
часу відповідно,

.
На рисунку 21 представимо принципову схему кола для реалізація першої
ланки, а на рисунку 22 - зобразимо вигляд ЛАЧХ, яку реалізує ПФ.
Для реалізації ЛАЧХ, яка відповідає Wпар 1 необхідно, щоб:
Рисунок 21 - Принципова схема кола для реалізація першої ланки Wпар
1
Рисунок 22 - Загальний вигляд ЛАЧХ першої ланки Wпар 1
тоді приймемо наступні значення C1 = 50 мкФ; R1 =
11 кОм.
Реалізація другої ланки

.
Її технічна реалізації аналогічна реалізації другої ланки в пункті
2.3.2. Обираємо схему кола, яка має ПФ подібну Wпар 2:

,
де k - коефіцієнт,

;
Т1, Т2 - сталі часу,

.
На рисунку 17 представлена принципова схема кола для реалізація другої
ланки, а на рисунку 18 - загальний вигляд ЛАЧХ, яку реалізує ПФ.
Для реалізації ЛАЧХ, яка відповідає Wпар 2 необхідно, щоб:
тоді приймемо наступні значення C2 = 50 мкФ; R2 =
225 кОм; R3 = 180 Ом.

;
Реалізація третьої ланки

.
Виконати реалізації цієї ланки у вигляді, як вона подано неможливо,
оскільки її ПФ не містить демпфіруючу частину, а містять тільки форсуючу, тому
виконаємо наступні перетворення:

.
Реалізацію цієї ланки виконаємо аналогічно, як і для другої ланки. Для
реалізації ЛАЧХ, яка відповідає Wпар 3 необхідно, щоб:
тоді приймемо наступні значення C3 = 50 мкФ; R4 =
600 Ом; R5 = 0,6 Ом;

;
Для знищення коефіцієнтів ki, які реалізовані на ланках
необхідно з’єднати послідовно три чотириполюсники, тому перед чотириполюсниками
поставимо розділовий підсилювач, з коефіцієнтом підсилення рівним

;

,
а також його вхідний опір повинен бути досить великим, при цих умовах
коригувальна ланка не буде знижувати загальний коефіцієнт системи.
Реалізуємо не інвертуючий операційний підсилювач з коефіцієнтом
підсилення kU = 99,6734, який обчислюється за формулою:

,
де Rзв.з. - опір зворотного зв’язку.
На рисунку 23 представимо електричну принципову схему
послідовного корегувального пристрою.
Рисунок 23 - Принципова електрична схема паралельного
корегувального пристрою
3. Аналіз і синтез САР у просторі станів
У теорії автоматичного керування існують дві головні задачі -
задача аналізу та синтезу. У задачі аналізу потрібно визначити статичні й
динамічні характеристики відомої системи. У задачі синтезу потрібно
спроектувати систему, що має задані статичні й динамічні характеристики.
Існує два підходи до аналізу та синтезу лінійних САК. Перший
підхід зводиться до складання одного диференціального рівняння високого порядку
для однієї змінної величини. Розв’язання цього рівняння дозволяє визначити всі
параметри. Підхід передбачає складання блок-схеми або структурної схеми й
визначення передавальних функцій окремих елементів та всієї системи в цілому.
Задача конструктора полягає у виборі регулятора або керуючого пристрою, що
забезпечуватиме потрібні статичні та динамічні характеристики.
Другий підхід ґрунтується на тому, щоб проілюструвати процес
у системі як траєкторію в n-вимірному просторі, що виходить від початкового
стану (звичайно з точки t = 0, де t - час). При цьому диференціальні рівняння
записуються у формі системи рівнянь перших порядків

,
де 
-
вектор з n компонентами, що має n проекцій;- ряд сигналів на входах;- час.
У такому разі кажуть, що рівняння мають форму рівнянь стану. Основні
переваги такого підходу:
− така форма найбільш легко піддається
аналоговому та цифровому програмуванню;
− такий підхід добре працює в системах зі
змінними параметрами.
3.1 Побудування структурної схеми вихідної та скоректованої
САР у просторі станів
Для побудови структурної схеми САР у просторі станів
використаємо метод послідовного програмування.
Аперіодична ланка першого порядку з ПФ

у просторі станів буде подаватись у вигляді, який зображено на рисунок
25.
Щоб побудувати структурну схему в просторі станів для ПФ системи в
розімкнутому стані, виконаємо перетворення:


.
Рисунок 25 - Структурна схема типової САР у просторі станів
Користуючись цими правилами, складемо замкнену структурну схему в
просторі станів для ПФ системи, яку представимо на рисунку 26.
Рисунок 26 - Структурна схема САР у просторі станів для ПФ системи в
замкнутому стані
Визначимо систему рівнянь станів за структурною схемою САР у просторі
станів:

За отриманою системою рівнянь запишемо матриці станів:
− матриця коефіцієнтів, що характеризує зв’язок
станів між собою

;
− матриця входу, що показує на які інтегратори
подається вхідна дія u

;
− матриця виходу, що показує з яких станів
формується вихідний сигнал y

;
− матриця обходу системи

.
Виконаємо перетворення ПФ бажаної системи в розімкнутому стані, щоб для
неї побудувати структурну схему в просторі станів:



.
Складемо замкнену структурну схему в просторі станів для ПФ бажаної
системи, яку представимо на рисунку 27.
Рисунок 27 - Структурна схема САР у просторі станів для ПФ бажаної
системи в замкнутому стані
Визначимо систему рівнянь станів за структурною схемою САР у просторі
станів для ПФ бажаної системи (рисунок 27):
За отриманою системою рівнянь запишемо матриці станів для ПФ бажаної
системи:
− матриця коефіцієнтів, що характеризує зв’язок
станів між собою

;
− матриця входу, що показує на які інтегратори
подається вхідна дія u

;
− матриця виходу, що показує з яких станів
формується вихідний сигнал y

;
− матриця обходу системи

.
.2 Оцінка якості вихідної та скоректованої САР у просторі станів з
використанням програмного середовища MathWorks MATLAB Simulink
Для оцінки якості вихідної (некоректованої) САР у розімкнутому стані,
складемо в ПЗ MathWorks MATLAB Simulink структурну схему в просторі станів
(рисунок 28) і виконаємо її моделювання. Одержали графік перехідних процесів,
що є спільним для досліджувальних варіантів (рисунок 29).
Графіки перехідної функції h(t) САР із реакцією системи на вхідну
одиничну ступінчату дію (рисунок 5) і промодельований перехідний процес
вихідної САР у ПЗ MathWorks MATLAB Simulink (рисунок 29) є дуже схожими.
Аналогічно виконаємо оцінку якості скоректованої (бажаної) САР у
розімкнутому стані. На рисунку 30 представимо структурну схему в просторі
станів у ПЗ MathWorks MATLAB Simulink. Графіки перехідних процесів зобразимо на
рисунку 31.
Рисунок 28 - Структурна схема вихідної САР у ПЗ MathWorks MATLAB
Simulink
Рисунок 29 - Промодельовані графіки перехідних процесів вихідної САР у
ПЗ MathWorks MATLAB Simulink
Графіки перехідної функції h(t) бажаної САР із реакцією системи на
вхідну одиничну ступінчату дію (рисунок 11) і промодельований перехідний процес
бажаної САР у ПЗ MathWorks MATLAB Simulink (рисунок 31) є схожими.
.3 Синтез у просторі станів за розташуванням полюсів ПФ скоректованої
САР
Метод синтезу САК за розташуванням полюсів є найперспективнішим із
методи синтезу, які дозволяють ураховувати велику кількість факторів, включаючи
нелінійні та кореляційні залежності. Цей метод синтезу САК дозволяє розташувати
всі полюси ПФ замкнутої системи в заданих точках комплексної площини.
Відомо, що стійкість САК визначається лише полюсами (коренями
характеристичного рівняння) ПФ, але на показники якості впливають не тільки
полюси, а й нулі ПФ. Для зниження інерційності системи необхідно розташовувати
нулі та полюси ПФ якомога ближче один до одного. У зв’язку з цим виникає
можливість удосконалення методу синтезу за розташуванням полюсів.
Рисунок
30 - Структурна схема вихідної бажаної САР у ПЗ MathWorks MATLAB Simulink
Рисунок 31 - Промодельовані графіки перехідних процесів бажаної САР у
ПЗ MathWorks MATLAB Simulink
Виконання синтезу системи за методом розташування полюсів
можна умовно розбити на дві частини. Перша частина задачі синтезу САК
електромеханічним об’єктом зводиться до визначення коренів бажаного характеристичного
рівняння. Кількість коренів рівняння відповідатиме його порядку.
Друга частина задачі синтезу САК електромеханічним об’єктом
зводиться до знаходження коефіцієнтів Кі, що забезпечували б
потрібне розташування коренів. При такому підході замкнута система може бути
зображена у вигляді рисунку 32.
Рисунок 32 - Структурна схема замкнутої САК у просторі станів
Об’єкт керування для бажаної САР у розімкнутому стані, ПФ
якої має вигляд

,
може бути поданий у вигляді трьох інтеграторів, два з яких охоплені
зворотними зв’язками (рисунок 33).
Рисунок 33 - Структурна схема САР у просторі станів для ПФ бажаної системи
в розімкнутому стані
Об’єкт має три змінних стану, тому кількість невідомих коефіцієнтів K
дорівнює трьом. Замкнемо об’єкт зворотними зв’язками за змінними стану з
коефіцієнтами K1, K2 і K3 (рисунок 34). На
вхід системи сигнал не подається (
),
тому така система буде працювати лише на підтримку стану.
Рисунок 34 - Структурна схема бажаної замкнутої САК у просторі станів
Визначимо систему рівнянь станів об’єкта за структурною схемою САР у
просторі станів для ПФ бажаної системи:
За отриманою системою рівнянь запишемо матриці станів для ПФ бажаної
системи:
− матриця коефіцієнтів, що характеризує зв’язок
станів між собою

;
− матриця входу, що показує на які інтегратори
подається вхідна дія u

;
Система рівнянь станів об’єкта в матричну форму буде матиме наступний
вигляд:

,
тоді

.
У відповідності до рисунку 34, сигнал на вході об’єкта дорівнює

.
Рівняння станів для замкнутої скоректованої системи матимуть вигляд:

.
Визначимо матрицю коефіцієнтів замкнутої скоректованої системи:





.
Характеристичне рівняння замкнутої системи можна записати у
такому вигляді:

,
де I - одинична матриця.



.
У ПЗ Mathsoft Mathcad знайдемо детермінант матриці 
:

Отже, детермінант матриці 
має
наступний вигляд:


.
Умовою синтезу при використанні метода розташування полюсів будуть
корені характеристичного рівняння -л1, -л2,…, -лn,
а бажане характеристичне рівняння матиме вигляд:
Для визначення бажаного характеристичного рівняння визначимо корені
характеристичного рівняння, виходячи з того, що кількість коренів повинно
відповідати максимальному порядку характеристичного рівняння ПФ розімкнутої системи.
Тобто для системи ЛАЧХ типу 2:1 повинно відповідати три корені.
Спочатку оберемо ті корені, що забезпечують потрібну тривалість
перехідного процесу та допустимий рівень перерегулювання. Налаштуємо систему на
критично демпфовану систему: для цієї системи перерегулювання недопустиме, тому
коефіцієнт затухання (коливання) о = 1 і корені характеристичного рівняння є
від’ємними й дійсними.
Інші корені бажаного характеристичного рівняння обираються таким чином,
щоб компенсувати вплив нулів (коренів чисельника) ПФ вихідної системи, тобто
корені бажаного характеристичного рівняння повинні дорівнювати нулям вихідної
системи.
Корені характеристичного рівняння визначимо наступним чином:
− корені, що забезпечують потрібну тривалість
перехідного процесу та допустимий рівень перерегулювання
дійсна частина коренів

;
де tп.п. - час перехідного процесу, приймемо tп.п.
= 0,18 с;

;
− корінь, що визначається з умови компенсації
чисельника ПФ

;

;
Визначимо бажане характеристичне рівняння:

;

;
Спростимо вираз бажаного характеристичного рівняння в ПЗ Mathsoft
Mathcad
Отже, вираз бажаного характеристичного рівняння має наступний вигляд:

.
У відповідності до процедури синтезу шляхом розміщення полюсів
необхідно знайти таку матрицю K, для якої виконується умова:

.
Оскільки дане рівняння має n невідомих K1, K2, …,
Kn і прирівнюючи коефіцієнти при однакових степенях p, одержимо n
лінійних рівнянь відносно n невідомих, розв’язання яких дає невідомі елементи
матриці K.
Визначимо невідомі елементи матриці K, для якої виконується вище
наведена умова:


.

;
тоді система лінійних рівнянь прийме вигляд:
використовуючи ПЗ Mathsoft Mathcad, одержимо розв’язок системи лінійних
рівнянь, розв’язання яких дає невідомі елементи матриці K:
Для знаходження невідомі елементи матриці K можна використати, окрім
прямого методу розрахунку метод, який оснований на формулах Акермана. При цьому
система розглядається в канонічній формі керованості для об’єкта n-го порядку й
ПФ має вигляд:

.
Одною з головних переваг використання методу Акермана - є те, що
програмне середовище MathWorks MATLAB має вбудовану функцію acker, яка дозволяє
знайти невідомі елементи матриці K.
Зробимо перевірку розрахунків для знаходження невідомих елементів
матриці K за формулою Акермана в ПЗ MathWorks MATLAB:
>> A=[-38.6681 0.0851 8.4420; 0 -0.0894 173.7038; 0 0 0];
>> B=[0; 0; 1];
>> P=[-33.3086 -33.3086 -1.8406];
>> K=acker(A, B, P)=
.4025 0.2809 29.7003
Отже, невідомі елементи матриці K обчислені за:
− звичайним методом
− формулою Акермана в ПЗ MathWorks MATLAB
наступні
Таким чином, порівнюючи результати невідомих елементів
матриці K можна сказати, що результати є достовірними.
3.4 Оцінка якості скоректованої САР у просторі станів з
використанням програмного середовища MathWorks MATLAB Simulink
Виконаємо моделювання структурної схеми бажаної замкнутої САР
у просторі станів, яка зображена на рисунку 34. Модель схеми зобразимо на
рисунку 36.
Перехідний процес змодельованої САР, який зображений на
рисунку 35, є стійким і має наступні показники якості:
− перерегулювання
щmax = щуст = 1,
тоді 
;
− час перехідного процесу в п’ятивідсотковій
зоні tп.п. = 0,17 с.
Рисунок 35 - Промодельовані графіки перехідних процесів
вихідної САР у просторі станів, виконані в ПЗ MathWorks MATLAB Simulink
Рисунок 36 - Структурна схема скоректованої САР у ПЗ MathWorks MATLAB
Simulink
Висновок
Головним засобом автоматизації технологічного процесу й
технологічною основою був електропривод постійного струму, що розглядався в
якості системи автоматичного регулювання (САР). Для якого в процесі виконання
курсової роботи були виконані наступні дії:
− аналізи стійкості вихідної САР за критеріями
Гурвіца, Михайлова (у першому й другому формулюванні);
− динамічний синтез САР із заданими вимогами до
її якості (визначення бажаної САР і технічна реалізація цієї системи за
допомогою послідовного й паралельного корегувального пристрою, виконаних на
пасивних чотириполюсників і операційному підсилювачі);
− аналіз і синтез у просторі станів
(використання звичайного методу синтезу в просторі станів і синтезу в просторі
станів за розташуванням полюсів).
Крім цього для кожного розділу роботи були визначені
показники якості систем, використовуючи програмне забезпечення Mathsoft Mathcad і MathWorks MATLAB: спочатку досліджували показники
якості для вихідної системи, а потім досліджували ці самі показники для
скоректованої системи.
Найголовнішою задачею, яка була поставлена в роботу - це
закріплення теоретичних знань шляхом застосування до вирішення задач аналізу та
синтезу лінійної двоконтурної САР.
Перелік використаної літератури
1. Лінійні автоматичні системи (елементи теорії,
методи розрахунку й довідковий матеріал). Навчальний посібник для вузів/Макаров
І.М. і Менський Б.М. - М., «Машинобудування», 1977, 464с. з іл.
. Основи автоматичного керування й
регулювання/Зайцев Г.Ф., Костюк В.И., Чінаєв П.И. «Техніка», 1975, 496с.
. Теорія автоматичного керування. Підручник
для студентів вищих технічних навчальних закладів. Видання 2-е, перероблене й
доповнене/Юревич Е.И. - Л.: «Енергія», 1975.
. Збірник завдань по теорії автоматичного
регулювання й керування, за редакцією В.А. Бесекерського, 5-е видання,
перероблене. - М.: «Наука», 1978, 512с.