Погрешности косвенного измерения

  • Вид работы:
    Контрольная работа
  • Предмет:
    Информатика, ВТ, телекоммуникации
  • Язык:
    Русский
    ,
    Формат файла:
    MS Word
    27,6 Кб
  • Опубликовано:
    2015-06-23
Вы можете узнать стоимость помощи в написании студенческой работы.
Помощь в написании работы, которую точно примут!

Погрешности косвенного измерения

МИНИСТЕРСТВО ОБРАЗОВАНИЯ И НАУКИ УКРАИНЫ

УКРАИНСКАЯ ИНЖЕНЕРНО-ПЕДАГОГИЧЕСКАЯ АКДЕМИЯ

Кафедра Теоретической и общей электротехники









Основы метрологии и электрических измерений

Модуль 2

ПОГРЕШНОСТИ КОСВЕННОГО ИЗМЕРЕНИЯ











Харьков 2004

Задача 2

амперметр вольтметр косвенный погрешность

Два одинаковых измерительных механизма магнитоэлектрической системы имеют шкалу =100 делений. Известно также, что номинальный ток рамки механизма , а чувствительность к напряжению (табл.2).

.        Определить сопротивления шунта  и дополнительного резистора  для изготовления амперметра с пределом измерения  и вольтметра с пределом измерения . Найти внутренние сопротивления  и  новых приборов и начертить их схемы.

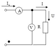
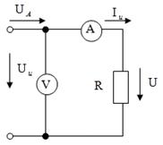
.        Рассмотреть две схемы измерения указанной в таблицы величины (R или P) с помощью амперметра и вольтметра. Определить, какая схема позволяет с меньшей погрешностью выполнить измерения, если стрелка приборов отклонилась на  и  делений.

.        Воспользовавшись указанными в таблице классами точности приборов, определить относительную и абсолютную погрешности косвенного измерения и дать рекомендации по её уменьшению. Во сколько раз уменьшится погрешность в результате выполнения рекомендаций.

 

Таблица 2

Вариант

, мА, дел/мВ, А, ВИзмеряемая величина, дел, делКласс точности амперметраКласс точности вольтметра









5

20

0,5

200

R

82

22

0,2

0,5


I. 1. Определяем сопротивления рамки механизма:

===10 Ом

=200 мВ

2.      Определяем сопротивления шунта:

0,04 Ом

Схемы:

   

3.      Определяем сопротивление дополнительного резистора:

=9990 Ом

=1000

4.      Определяем сопротивление амперметра:

==0,04 Ом

5.      Определяем сопротивление вольтметра:


ВЫВОД: созданный шунтированием измерительного механизма амперметр имеет внутреннее сопротивление 0,038 Ом и предназначен для измерения тока до 5А, сопротивление вольтметра 10000 Ом, этот прибор рассчитан для измерения напряжения до 200В.

II. 1. Определяем цену деления:

=0,05 делений;                    =2 деления

=82*0,05=4,1 А             2*22=44 В;

2.      Определяем измеренное сопротивление:

10,732 Ом

Схемы:

    

А)                                                  Б)

. Определяем действительное сопротивление за схемой а)

;        U=U;        - измеряный ток;

=0,004 A-ток вольтметра;

I==4,1-0,004=4,096 A

R=10,742 Ом

3.      Определяем абсолютную и относительную методическую погрешность:

10,732-10,742=-0,01 Ом; =-0,093%

4.      Определяем действительное сопротивление за схемой б)

 Ом

;         ;

=4,1*0,04=0,164 В-напряжение на амперметре


=10,732-10,692=0,04 Ом

=0,374%

ВЫВОД: первая схема позволяет с большей точностью производить измерения, причём точность первой схемы в 4 раза больше.

n===4. 1. R= Ом

2.      Определяем относительную погрешность косвенного изменения:

=2,273+0,244=2,517 %

 % ;  %

Вывод: так как относительная погрешность измерения напряжения получилась большая необходимо уменьшить предел измерения. Возьмём U=75 В

 %

Благодаря уменьшению предела измерения относительная погрешность напряжения уменьшилась в 4 раза, а относительная погрешность косвенного измерения сопротивления уменьшилась в 3 раза.

n= =4;      n==3;

=0,568+0,244=0,812 %

ВЫВОД: для того чтобы с большей точностью произвести измерения необходимо или взять прибор лучшего класс, или уменьшить придел измерения.

Похожие работы на - Погрешности косвенного измерения

 

Не нашли материал для своей работы?
Поможем написать уникальную работу
Без плагиата!
Без нейросетей!