Оценка погрешностей результатов измерений

  • Вид работы:
    Курсовая работа (т)
  • Предмет:
    Информатика, ВТ, телекоммуникации
  • Язык:
    Русский
    ,
    Формат файла:
    MS Word
    43,5 Кб
  • Опубликовано:
    2015-01-15
Вы можете узнать стоимость помощи в написании студенческой работы.
Помощь в написании работы, которую точно примут!

Оценка погрешностей результатов измерений

Министерство образования и науки Российской Федерации

Факультет дистанционного обучения (ФДО)

Томский государственный университет систем управления и радиоэлектроники (ТУСУР)









Контрольная работа

по дисциплине "Метрология и радиоизмерения"

1. Систематические и случайные погрешности

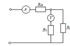
2) Методом амперметра-вольтметра измеряется сопротивление  (см. рисунок).


При этом  определяется в соответствии с законом Ома по показаниям амперметра  и вольтметра . Известно, что  А,  В,  Ом,  кОм. Определить абсолютную погрешность измерения, величину поправки, исправленный результат измерения, относительную погрешность измерения . Классифицировать вид измерения, погрешность измерения, метод устранения погрешности.

Решение

Измерения  и  - прямые (их значения устанавливаются по индикаторам соответствующих приборов непосредственно в ходе измерительного эксперимента), однократные (измерения проводятся один раз), статические (ЭДС источника и сопротивление постоянны), абсолютные (результаты измерений получаются в соответствующих единицах ФВ).

Измерение  - косвенное (определяется на основании известной зависимости по результатам прямых измерений других величин  и ), однократное, статическое, абсолютное.

Так как измерения не связаны с передачей размера единицы ФВ и производятся рабочими СИ, то все измерения технические.

Напряжение и ток измеряются методом непосредственной оценки, т.к. результаты измерений определяются непосредственно по отсчетным устройствам приборов.

Погрешность измерения является в данном случае методической, т.к. обусловлена неидеальностью метода измерения (по условию задачи амперметр измеряет силу тока абсолютно точно, т.е. инструментальные погрешности отсутствуют); систематической (т.к. при многократных измерениях погрешность остается постоянной).

Результат измерения в соответствии с указанным методом определяется на основании закона Ома по показаниям приборов:

погрешность измерение метрология интервал

 Ом.

Определим ток через сопротивление :

 мА.

Тогда ток через сопротивление :

 мА.

Зная ток  и напряжение , определим сопротивление :

 Ом.

Абсолютная методическая погрешность измерения:

 Ом.

Относительная методическая погрешность измерения:

.

Поправка  Ом, необходимая для устранения систематической погрешности, представляет собой абсолютную погрешность, взятую с противоположным знаком.

. Суммирование погрешностей

4) При измерении индуктивности получены следующие результаты:  мкГн; составляющие случайной погрешности  мкГн,  мкГн; составляющие систематической погрешности  мкГн,  мкГн,  мкГн. Записать результаты измерения при .

Решение

Для определения общей погрешности измерения необходимо просуммировать отдельно составляющие систематической погрешности , отдельно составляющие случайной погрешности  и затем сложить полученные суммарные значения НСП и случайной погрешности в соответствии с правилами суммирования погрешностей. Тогда границы систематической погрешности:

 мкГн.

а СКП систематической погрешности:

 мкГн.

В условии задачи отсутствует указание величин коэффициента корреляции, следовательно, составляющие случайной погрешности некоррелированы (независимы) и суммарная СКП:

 мкГн.

Границы доверительного интервала случайной погрешности  мкГн, где  - коэффициент нормального закона распределения.

Далее необходимо сложить систематическую и случайные составляющие погрешности. Сначала определяем соотношение:

, т.е. .

Тогда:

 мкГн.

Результат измерения с учетом правил округления погрешности и результата запишется в следующем виде:

, т.е.  мкГн, .

3. Обработка однократных прямых измерений

9) Определить величину измеряемого тока, если известно, что погрешность измерения  мА, а измерения проводились амперметром с пределом шкалы 100 мА, класса точности 2.0/1.0. Повторить решение этой задачи для прибора с классом точности .

Решение

Для первого амперметра с классом точности 2.0/1.0 относительная погрешность определяется выражением:

,

где ( и  имеют размерность %).

Абсолютная погрешность:

.

Решая совместно эти два уравнения, определим измеренное значение тока:

 мА.

Результат измерения  мА.

Для второго амперметра с классом точности  погрешность:

,

откуда измеренное значение тока:

 мА.

Результат измерения  мА.

. Обработка многократных измерений

2) При многократных измерениях ёмкости получены следующие результаты:

 пФ.

Записать результат измерения при доверительной вероятности .

Решение

Из условия задачи следует, что полученная совокупность результатов представляет собой выборку равноточных нормально распределенных данных. Используя формулу:

.

. Найдем оценку действительного значения измеряемой величины .


. Оценка средней квадратичной погрешности экспериментальных данных.

 пФ.

. В получений совокупности экспериментальных данных девятый результат  пФ существенно отличается от остальных. Проверим, не содержит ли он грубую погрешность.

Определим

.

Далее найдем значение нормированных отклонений  для доверительной вероятности  и числа выборки равной 10 из таблицы. Имеем , следовательно, результат  пФ содержит грубую погрешность и должен быть отброшен.

. Уточняем значения  и .

 пФ;

 пФ.

В оставшейся совокупности результатов следует проверить еще результат  пФ. При той же доверительной вероятности  для выборки из 9 результатов находим табличное значение . Определяем

.

Так как , результат измерения  пФ должен быть оставлен.

. Определим СКП результата измерения (за результат измерения принимается уточненное значение ):

 пФ.

. Определим границы доверительного интервала для результата измерений. Так как число обрабатываемых результатов , то при определении коэффициента  пользуемся табличными значениями распределения Стьюдента. Задаем доверительную вероятность  и для выборки из 9 наблюдений находим .

Границы доверительного интервала для результата измерения:

 пФ.

. Запишем результат измерения с указанием доверительной погрешности (соблюдая все правила метрологии при округлении значения погрешности и значения результата):

 кГц; ;

Или

; ; .

5. Обработка косвенных измерений

3) Измерение сопротивления осуществляется в соответствии с выражением . Известно, что  кОм; . Показание вольтметра класса точности  с пределом измерения  В,  В. Показания амперметра с классом точности с пределом  измерения  мА,  мА.

Решение

Определим оценку результата косвенных измерений  путем подстановки оценок аргументов :

 Ом.

Вычислим числовое значение каждого коэффициента влияния :

;

;

.

Используя , абсолютную погрешность косвенного измерения  находим по общему правилу:

 Ом.

где -  количество аргументов, от которых зависит ;

 Ом;

 мА;

 В.

Соблюдая правила метрологии, запишем результат косвенного измерения в окончательном виде:

 Ом,

Или

.

Похожие работы на - Оценка погрешностей результатов измерений

 

Не нашли материал для своей работы?
Поможем написать уникальную работу
Без плагиата!
Без нейросетей!