Электроснабжение бумажной фабрики
Содержание
Введение
. Исходные
данные к проекту
. Расчет
электрических нагрузок по фабрике
.1 Расчет
осветительной нагрузки
.2 Расчет
электрических нагрузок по фабрике
.3 Выбор числа цеховых трансформаторов и
компенсация реактивной мощности на напряжение 0,4 кВ
.4 Уточненный
расчет электрических нагрузок по фабрике
.4.1
Определение потерь мощности в ТП
.4.2
Определение расчетной мощности синхронных двигателей
.4.3 Расчет
компенсации реактивной мощности на шинах 10 кВ ГПП
. Выбор схемы
внешнего электроснабжения
.1 I Вариант
.1.1 ЛЭП -
115 кВ
.1.2
Трансформаторы энергосистемы
.1.3 Выбор
выключателей и разъединителей на U=115 кВ
.1.4 Расчет
затрат на I вариант
.2 II Вариант
.2.1 ЛЭП - 35
кВ
.2.2
Трансформаторы энергосистемы
.2.3 Выбор
ОПН, выключателей и разъединителей на U=35 кВ
.2.4 Расчет
затрат на II вариант
.3 III
Вариант
.3.1 ЛЭП -
10,5 кВ
. Выбор
оборудования U=10 кВ
.1 Расчет
токов короткого замыкания на шинах ГПП и РП
4.2 Выбор выключателей
.3 Выбор кабелей отходящих линий
.4 Выбор выключателей нагрузок та ТП
.5 Выбор автоматических выключателей
на ТП
.6 Выбор трансформаторов тока
.7 Выбор трансформаторов напряжения
.8 Выбор шин ГПП
.9 Выбор изоляторов ГПП
. Сравнительная характеристика
выключателей
.1 Требования, предъявляемые к
выключателям
.2 Масляные выключатели
.3 Маломасляные выключатели
.4 Воздушные выключатели
.5 Элегазовые выключатели
.6 Вакуумные выключатели
. Безопасность жизнедеятельности
.1 Анализ условий труда механического
цеха
.2 Мероприятия, направленные на
улучшения условий труда
.3 Расчет мероприятий для снижения
шума
.4 Расчет зануления
.5 Расчет зануления участка
механического цеха
. Экономическая часть
.1 Цель разработки проекта
.2 Расчет технико-экономических
показателей подстанции
.2.1 Определение капитальных вложений
в строительство подстанции и ЛЭП
.2.2 Определение ежегодных издержек
производства в подстанции и ЛЭП
.3 Показатели финансовой
эффективности
Заключение
Список использованной литературы
Введение
Курсовая работа по дисциплине проектирование систем электроснабжения является
самостоятельной работой студента по закреплению теоретического материала. В
данной курсовой работе проектируется бумажная фабрика. Разработка проекта
начинается с определения электрических нагрузок согласно "Руководящим
указаниям" методом коэффициентов использования и максимума. Далее идет
выбор числа и мощности трансформаторных подстанций и схемы электроснабжения
предприятия в целом по результатам технико-экономических расчетов. Рационально
выполненная современная система электроснабжения промышленного предприятия
должна удовлетворять ряду требований, как экономичность и надежность,
безопасность и удобства эксплуатации, возможность расширения производства
минимальными изменениями схемы электроснабжения.
1. Исходные
данные к проекту
Тема: "Электроснабжение бумажной фабрики". Питание может быть
осуществлено от подстанции энергосистемы неограниченной мощности, на которой
установлено два трансформатора мощностью по 40 МВА напряжением 37/10,5 кВ
(трансформаторы работают раздельно) или глухой отпайкой от транзитной
двухцепной ЛЭП-115 кВ. Мощность к.з. в месте отпайки равна 1200МВА, а на
стороне 37 кВ подстанции энергосистемы 600МВА. Расстояние от подстанции
энергосистемы до фабрики - 5,5 км, от транзитной ЛЭП-115кВ до фабрики - 12км
Таблица 1 - Электрические нагрузки по фабрике
|
Наименование
|
Кол-во ЭП, n
|
Установленная мощность
|
|
|
Одного ЭП, Pн
|
Σ Pн
|
|
1.Бумажная машина №1
|
40
|
5-50
|
1100
|
|
2.Бумажная машина №2
|
35
|
5-40
|
900
|
|
3.Бумажная машина №3
|
27
|
5-45
|
850
|
|
4.Бумажная машина №4
|
60
|
5-70
|
1700
|
|
5.Бумажная машина №5,6,7
|
120
|
5-70
|
2500
|
|
6.Кислотный цех
|
24
|
10-90
|
700
|
|
7.Дереворубка
|
17
|
10
|
170
|
|
8.Варочное отделение
|
30
|
10-35
|
600
|
|
9.Отбельное отделение
|
18
|
8-30
|
400
|
|
10.Тряпковарка
|
38
|
10-16
|
650
|
|
11.Кислородная станция
|
25
|
15-100
|
550
|
|
12.Механические мастерские
|
44
|
5-50
|
600
|
|
13.Лесотаски (транспортеры и пилы)
|
35
|
1-55
|
650
|
|
14.Склады
|
30
|
1-25
|
400
|
|
15.Насосная:
|
|
|
А)0,4кВ
|
12
|
10-20
|
170
|
|
Б)СД 10кВ
|
4
|
800
|
3200
|
|
16.Компрессионная станция:
|
|
|
А)0,4кВ
|
20
|
10-15
|
130
|
|
Б)СД 10кВ
|
2
|
800
|
1600
|
|
17.Заводоуправление
|
22
|
1-15
|
130
|
. Расчет электрических нагрузок по фабрике
.1 Расчет осветительной нагрузки
Расчет осветительной нагрузки при определении нагрузки предприятия
производим упрощенным методом по удельной плотности осветительной нагрузки на
квадратный метр производственных площадей и коэффициенту спроса.
По этому методу расчетная осветительная нагрузка принимается равной
средней мощности освещения за наиболее загруженную смену и определяется по
формуле:
Рpo=Кco´Руо, кВт
(2.1)
Qpo=tgj´, , (2.2)
где Кco -коэффициент спроса по активной мощности осветительной нагрузки;jо - коэффициент реактивной мощности,
определяется по cos
;
Руо - установленная мощность приемников освещения
по цеху, определяется по удельной
осветительной нагрузке на 1м2 поверхности пола известной производственной
площади:
=r´F, (2.3)
где F-площадь производственного помещения, которая определяется по
генеральному плану фабрики, м2;
r0- удельная расчетная мощность, кВт/м2.
Все расчетные данные заносятся в таблицу 2.1.
Таблица 2.1 - Расчет осветительных нагрузок
|
№
|
Наименование
|
S, м2
|
Удельная осветительная нагрузка
|
Кс
|
Установленная мощность освещения, кВт/ м2
|
Расчетная мощность освет. нагрузки
|
cosφ
|
tgφ
|
Тип ИС
|
|
|
|
|
|
|
Рро,кВт
|
Qpo,квар
|
|
|
|
|
1
|
Бумажная машина1
|
2208
|
0,014
|
0,8
|
1100
|
24,73
|
42,83
|
0,5
|
1,73
|
ДРЛ
|
|
2
|
Бумажная машина2
|
3600
|
0,017
|
0,8
|
900
|
48,96
|
84,80
|
0,5
|
1,73
|
ДРЛ
|
|
3
|
Бумажная машина3
|
3072
|
0,016
|
0,8
|
850
|
39,32
|
68,11
|
0,5
|
1,73
|
ДРЛ
|
|
4
|
Бумажная машина4
|
3968
|
0,018
|
0,8
|
1700
|
57,14
|
98,97
|
0,5
|
1,73
|
ДРЛ
|
|
5
|
Бумажная машина5,6,7
|
2304
|
0,014
|
0,8
|
2500
|
25,80
|
44,70
|
0,5
|
1,73
|
ДРЛ
|
|
6
|
Кислотный цех
|
672
|
0,014
|
0,8
|
700
|
7,53
|
13,04
|
0,5
|
1,73
|
ДРЛ
|
|
7
|
Дереворубка
|
784
|
0,015
|
0,8
|
170
|
9,41
|
16,30
|
0,5
|
1,73
|
ДРЛ
|
|
8
|
Варочное отделение
|
1120
|
0,016
|
0,8
|
600
|
14,34
|
6,94
|
0,9
|
0,48
|
ЛН
|
|
9
|
Отбельное отделение
|
1296
|
0,017
|
0,8
|
400
|
17,63
|
8,54
|
0,9
|
0,48
|
ЛН
|
|
10
|
Тряпковарка
|
1600
|
0,015
|
0,8
|
650
|
19,20
|
9,30
|
0,9
|
0,48
|
ЛН
|
|
11
|
Кислородная станция
|
448
|
0,013
|
0,7
|
550
|
4,08
|
1,97
|
0,9
|
0,48
|
ЛН
|
|
12
|
Механ.мастерские
|
640
|
0,014
|
0,85
|
600
|
7,62
|
13,19
|
0,5
|
1,73
|
ДРЛ
|
|
13
|
Лесотаски
|
1728
|
0,014
|
0,85
|
650
|
20,56
|
35,62
|
0,5
|
1,73
|
ДРЛ
|
|
14
|
Склады
|
2432
|
0,010
|
0,6
|
400
|
14,59
|
25,27
|
0,5
|
1,73
|
ДРЛ
|
|
15
|
Насосная станция
|
|
|
a)0,4кВ
|
432
|
0,013
|
0,7
|
170
|
3,93
|
1,9
|
0,9
|
0,48
|
ЛН
|
|
16
|
Коспрессионая
|
|
|
a)0,4кВ
|
432
|
0,013
|
0,7
|
130
|
3,93
|
1,9
|
0,9
|
0,48
|
ЛН
|
|
17
|
Заводоуправление
|
1904
|
0,020
|
0,9
|
1300
|
34,27
|
59,36
|
0,5
|
1,73
|
ДРЛ
|
|
18
|
Территоррия
|
227360
|
0,005
|
1
|
|
1136,8
|
1969
|
0,5
|
1,73
|
ДРЛ
|
2.2 Расчет
электрических нагрузок по фабрике
Расчет электрических нагрузок напряжением до 1 кВ по цехам фабрики
производим также методом упорядоченных диаграмм упрощенным способом. Результаты
расчета силовых и осветительных нагрузок по цехам сведены в таблицу 2.2 -
Расчет силовой нагрузки напряжением 0,4 кВ.
Для построения картограммы нагрузок предприятия:

(2.4)
где R - радиус окружности;
α - угол сектора;- масштаб для
определения площади круга, равный 0.05
Для механического цеха найдем:
Количество электроприемников - n;
Номинальные мощности приемников - Рн;
Суммарную номинальную мощность ΣРн;
По следующим формулам:
Таблица 2.2 - Расчет электрических нагрузок по цехам, U=0.4кВ

2.3 Выбор
числа цеховых трансформаторов и компенсация реактивной мощности на напряжение
0,4 кВ
Правильное определение числа и мощности цеховых трансформаторов возможно
только путем технико-экономических расчетов с учетом следующих факторов:
категории надежности электроснабжения потребителей; компенсации реактивных
нагрузок на напряжении до 1кВ; перегрузочной способности трансформаторов в
нормальном и аварийном режимах; шага стандартных мощностей; экономичных режимов
работы трансформаторов в зависимости от графика нагрузки.
Данные для расчета:
Рp0,4= 8971,95 кВт;,4= 8350,91 квар;,4= 12397,96 кВА.
Бумажная фабрика относится ко 2 категории потребителей, фабрика работает
в две смены, следовательно, коэффициент загрузки трансформаторов Кзтр=0,8.
Принимаем трансформатор мощностью Sнт=1600 кВА.
Для каждой технологически концентрированной группы цеховых
трансформаторов одинаковой мощности минимальное их число, необходимое для
питания наибольшей расчетной активной нагрузки, рассчитывается по формуле:
где Рр 0,4 - суммарная расчетная активная нагрузка;
кз - коэффициент загрузки трансформатора;нт - принятая номинальная
мощность трансформатора;
DN - добавка до ближайшего целого числа
Экономически целесообразное число трансформаторов определяется по
формуле:
N т..э = N min + m (2.6)
где m - дополнительное число трансформаторов.т..э - определяется
удельными затратами на передачу реактивной мощности с учетом постоянных
составляющих капитальных затрат З*п/ст.
З*п/ст= 0,5; кз = 0,8; N min = 8; DN = 0,99.
Тогда из справочника по кривым определяем m, для нашего случая m =0,
значит N т..э =8 трансформаторов.
По выбранному числу трансформаторов определяют наибольшую реактивную
мощность Q1, которую целесообразно передать через трансформаторы в сеть
напряжением до 1 кВ, определяется по формуле:
Рисунок 2.1
Из условия баланса реактивной мощности на шинах 0,4 кВ определим величину
Qнбк 1:
нбк 1+Q1=Qр 0,4,
Отсюда
нбк 1= Qр 0,4 - Q1=8350,91-4935,95=3414,96 квар
Дополнительная мощность Qнбк2 НБК для данной группы трансформаторов
определяется по формуле:
Q 2 =Q 0,4 Q 1 g ´ N ´ S
Принимаем для простоты Qнбк2=0
Определим мощность одной батареи конденсаторов, приходящуюся на каждый
трансформатор:
Выбираем батарею УКЛ -10-450 У3
На основании расчетов, полученных в данном пункте 2.3. составляется
таблица 2.3.
Таблица 2.3 - Распределение низковольтной нагрузки по цеховым ТП
|
№ТП, S.н.тр, Qнбк
|
№Цехов
|
Рр
|
Qp
|
Sр
|
Кз
|
|
ТП1-2(4Ч1600)
|
1
|
750,73
|
624,90
|
|
|
Sн.тр=6400кВА
|
2
|
642,96
|
561,04
|
|
|
|
6
|
438,03
|
268,14
|
|
|
|
8
|
255,84
|
164,44
|
|
|
|
9
|
249,63
|
212,58
|
|
|
|
10
|
456,00
|
301,80
|
|
|
|
13
|
295,84
|
338,95
|
|
|
|
17
|
112,27
|
116,69
|
|
|
QНБК=4Ч450квар Итого
|
18
|
1136,80
|
1969,00
|
|
|
|
|
4557,53
|
|
|
|
|
-1800,00
|
|
|
|
4338,09
|
2757,53
|
5140,3
|
0,8
|
|
ТП3-4(4Ч1600)
|
3
|
610,52
|
517,88
|
|
|
Sн.тр=6400кВА
|
4
|
1179,14
|
998,52
|
|
|
5
|
1660,80
|
1345,64
|
|
|
11
|
413,28
|
338,64
|
|
|
14
|
204,99
|
145,27
|
|
|
15
|
129,39
|
105,96
|
|
|
16
|
93,63
|
81,48
|
|
|
12
|
238,02
|
171,94
|
|
|
7
|
103,99
|
88,04
|
|
|
|
610,52
|
517,88
|
|
|
QНБК=4Ч450квар
|
|
|
-1800
|
|
|
Итого
|
|
4633,76
|
1993,38
|
5044,33
|
0,79
|
.4 Уточненный расчет электрических нагрузок по фабрике
.4.1 Определение потерь мощности в ТП
Выбираем трансформаторы ТСЗЛ-1600
U=10B, U=0.4B, DP=2,05 , DP= 16 , I=1,3%, U=5,5%
ТП1-2:
Кз=0,8=4
ТП3-4:
Кз=0,79=4
Суммарные потери в трансформаторах:
ΣР1-4=49,49+47,96=97,44кВт
ΣQ1-4=294,84+301,87=596,71квар
.4.2 Определение расчетной мощности синхронных двигателей
Для компенсации реактивной мощности на стороне ВН используем СД 15-го
цеха. СТД 800 23УХЛ4
Рн СД =800 кВт; cos j = 0,9; NСД =4; к з = b = 0.85.
Определим расчетные мощности для СД:
Р р СД = Р н СД ´ NСД ´ к з =800
´ 4 ´ 0.85 =2720 кВт.р СД = Р р СД ´ tg j = 2720 ´ 0,48= 1305,6 квар.
2.4.3 Расчет
компенсации реактивной мощности на шинах 10 кВ ГПП
Составим схему замещения, показанную на рисунке 2.2.
Резервная мощность:
Qрез=0,15ЧΣQрасч =0,15Ч(Qр0,4+ΔQт)=0,15Ч(8350,91+596,71)=1113,32
кВар.
Мощность, поступающая от энергосистемы:
э=0,25ЧΣPр=0,25Ч(Pр0,4+ΔPт+Pсд)э
=0,25Ч(8971+97,44+2720)=2947,32 квар.
Мощность ВБК определим из условия баланса реактивной мощности:
ВБК=Qр0,4+ΔQт+Qрез -Qэ -Qсд
-QНБКВБК=8350,91+596,71+1113,32-3414,96-1305,6=2393,06 квар.
Выбираем ВБК типа 2*УКЛ -10-900 У3
Уточненный расчет электрических нагрузок по фабрике приведены в таблице
2.5.
Таблица 2.5 - Уточненный расчет нагрузок по фабрике
|
№ТП, SНТ, QНБКТП
|
№ Цеха
|
n
|
Pmin- Pmax
|
Pн
|
Ки
|
Средняя мощность
|
nэ
|
Км
|
Расчетные мощности
|
Кз
|
|
|
|
|
|
|
РСМ, кВт
|
QСМ, квар
|
|
|
Рр, кВт
|
Qp, квар
|
Sp, кВА
|
|
|
1
|
2
|
3
|
4
|
5
|
6
|
7
|
8
|
9
|
10
|
11
|
12
|
13
|
14
|
|
ТП1-2(4Ч1600) Sн.тр=6400кВА
|
1
|
40
|
5-50
|
1100
|
0,6
|
660
|
582,07
|
40
|
|
|
2
|
35
|
5-40
|
900
|
0,6
|
540
|
476,24
|
35
|
|
|
6
|
24
|
10-90
|
700
|
0,5
|
350
|
262,5
|
16
|
|
|
8
|
30
|
10-35
|
600
|
0,35
|
210
|
157,5
|
30
|
|
|
9
|
18
|
8-30
|
400
|
0,5
|
200
|
204,04
|
18
|
|
|
10
|
38
|
10-16
|
650
|
0,6
|
390
|
292,5
|
38
|
|
|
13
|
35
|
1-55
|
650
|
0,35
|
228
|
303,33
|
24
|
|
|
17
|
22
|
1-15
|
130
|
0,5
|
65
|
57,32
|
22
|
|
|
18
|
|
|
|
|
|
|
|
|
|
Силовая
|
|
242
|
10\90
|
5130
|
0,52
|
2643
|
2335
|
223
|
1,1
|
2775
|
2376
|
|
|
Осветительная
|
|
1324,01
|
2222,03
|
|
|
QНБК=4Ч450квар
|
|
-1800
|
|
|
Итого по ТП1-2
|
|
4098,64
|
2797,99
|
4962,62
|
0,78
|
|
ТП3-4(4Ч1600) Sн.тр=6400кВА
|
3
|
27
|
5-45
|
850
|
0,6
|
510
|
449,78
|
27
|
|
|
4
|
60
|
5-70
|
1700
|
0,6
|
1020
|
899,56
|
49
|
|
|
5
|
120
|
5-70
|
2500
|
0,60
|
1500
|
1322,88
|
72
|
|
|
7
|
17
|
10
|
170
|
0,40
|
68
|
79,50
|
17
|
|
|
11
|
25
|
15-100
|
550
|
0,60
|
330
|
336,67
|
11
|
|
|
12
|
44
|
5-50
|
650
|
0,30
|
195
|
158,75
|
24
|
|
|
14
|
30
|
1-25
|
400
|
0,40
|
160
|
120
|
30
|
|
|
15
|
12
|
10-20
|
170
|
0,60
|
102
|
104,06
|
12
|
|
|
16
|
20
|
800
|
130
|
0,60
|
78
|
79,58
|
20
|
|
|
Силовая
|
|
355
|
|
7120
|
0,5566
|
3963
|
3551
|
262
|
1
|
3963
|
3793,38
|
|
174,04
|
242,62
|
|
|
QНБК=4Ч450квар
|
|
-1800
|
|
|
Итого по ТП3-4
|
|
4137,04
|
2236,00
|
4702,63
|
0,73
|
|
Итого на 0.4кВ
|
|
8218
|
6825
|
|
|
Потери в тр-х
|
|
97,44
|
-596,71
|
|
|
Итого на 10кВ
|
|
8315
|
7422
|
|
|
Потери СД
|
|
2720
|
-1305,6
|
|
|
|
6116,56
|
|
|
QВБК
|
|
-1800
|
|
|
Итого по фабрике
|
|
11035,49
|
4316,56
|
11849,68
|
|
. Выбор схемы внешнего электроснабжения
Питание может быть осуществлено от подстанции энергосистемы
неограниченной мощности, на которой установлено два трансформатора мощностью по
40 МВА напряжением 37/10,5 кВ (трансформаторы работают раздельно) или глухой
отпайкой от транзитной двухцепной ЛЭП-115кВ. Мощность к.з. в месте отпайки
1200МВА, а на стороне 37 кВ подстанции энергосистемы 600МВА. Реактивное
сопротивление системы на стороне 230 кВ, отнесенное к мощности системы 0,3.
Расстояние от подстанции до фабрики 5,5 км. Фабрика работает в три смены.
Стоимость электроэнергии 15 тг/кВтч. 1y.e.=151тг.
Для технико-экономического сравнения вариантов электроснабжения фабрики
рассмотрим три варианта:
1. I вариант - ЛЭП 115 кВ;
2. II вариант - ЛЭП 37,5 кВ.
3. III вариант - ЛЭП 10,5 кВ.
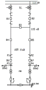
3.1 I Вариант
Рисунок 3.1. Первый вариант схемы электроснабжения.
Выбираем электрооборудование по I варианту.
. Выбираем трансформаторы ГПП:
Выбираем два трансформатора мощностью 10000 кВА.
Коэффициент загрузки:
Паспортные данные трансформатора:
Тип т - ра ТДН-10000/115;н=10000 кВА, Uвн=115кВ, Uнн=10.5кВ, ΔPхх=14кВт, ΔPкз=58кВт,кз=10,5%, Iхх=0,9%.
Потери мощности в трансформаторах:
активной:
реактивной:
Потери энергии в трансформаторах.
При двухсменном режиме работы Твкл=4000ч. Тмакс=4000ч.
тогда время максимальных потерь:
ΔW=2(ΔPххЧTвкл+ΔPкзЧ τ ЧKз2)
ΔW=2(14Ч4000+58Ч2405,29Ч0,57 2)= 203006кВтч
3.1.1 ЛЭП -
115 кВ
Полная мощность, проходящая по ЛЭП:
Расчетный ток, проходящий по одной линии:
Ток аварийного режима:
а=2ЧIр=2Ч28,87=57,75А
По экономической плотности тока определяем сечение проводов:
где j=1 А/мм2 экономическая плотность тока при Тм=4000ч и алюминиевых
проводах.
По потере на корону принимаем провод АС -70/11 с Iдоп=265А.
Проверим выбранные провода по допустимому току.
При расчетном токе:
Iдоп=265А>Iр=28,72 А
При аварийном режиме:
доп ав=1,3xIдоп=1,3x265=345A>Iав=57,44A
Потери электроэнергии в ЛЭП:
где R=r0ЧL=0,5Ч0,43 Ч12=5,16 Ом,
где r0=0.43 Ом/км - удельное сопротивление сталеалюминевого провода
сечением 70 мм2, l=12 км - длина линии.
3.1.2 Трансформаторы энергосистемы
Тип ТДТН -40000/230;н=40000 кВА, Uвн=230кВ, Uсн=115кВ, Uнн=10,5кВ,
Uквс=11%, Uквн=22%, Uксн=9,5%.
Коэффициент долевого участия фабрики в мощности трансформаторов
энергосистемы:
3.1.3 Выбор
выключателей и разъединителей на U=115 кВ
Перед выбором аппаратов составим схему замещения (рис.3.2.) и рассчитаем
ток короткого замыкания в о.е.
б=1000 МВА; Uб=115 кВ.
хс= 0,6 о.е.,
Выбираем
выключатели В1-2, Р1-4 по аварийному току трансформаторов ЭС. Примем, что
мощность по двум вторичным обмоткам трансформатора распределена поровну,
поэтому мощность аварийного режима равна 2х20=40 МВА.
Выбираем
выключатели В1 и В2
Выключатель
ABB LTB 145D1/B:
Uр=110кВ= Uн=110кВ;
Iном=3150А >Iав=57,44А;откл=40кА>Ik1=8,37кА;пред=
40кА>iy=21,23кА.
Выбираем
разъединители Р1-4
Разъединитель ABB SGF-123n+2E:
р=110кВ= Uн=110кВ;ном=1600А
>Iав=57,74А;терм=100кА>Ik1=8,37кА;дин=40кА>iy=21,23кА.
Выбираем
выключатели В3 и В4
Выключатель
ABB LTB 145D1/B:
р=110кВ= Uн=110кВ;ном=3150А >Iав=57,44А;откл=40кА>Ik2=5,23кА;пред=
40кА>iy=13,27кА.
Выбираем ограничители перенапряжений ABB PEXLIM-R.
3.1.4 Расчет
затрат на I вариант
Затраты на выключатели В1-2:
КВ1-2=2Ч30000=60000 у.е.
Затраты на выключатели В3-4:
КВ3-4=2Ч30000=60000 у.е.
Затраты на разъединители Р1-4:
КР1-4=4Ч2500=10000 у.е.
Затраты на ограничители перенапряжений ОПН1-4:
КОПН1-2=2ЧКопн=4Ч2000=8000 у.е.
Затраты на тр ГПП:
Ктр ГПП=2Ч250000=500000 у.е.
Затраты на оборудование:
Коб= КВ1-4+ КР1-4+КОПН1-4+ Ктр ГПП
Коб= 60000*2+10000+8000+500000=638000 у.е.
Затраты на ЛЭП на двухцепной стальной опоре:
Куд=20000 у.е./км.
КЛЭП=1ЧLЧКуд=16Ч20000=320000 у.е.
Суммарные затраты на оборудование первого варианта:
КΣ1=
Коб+КЛЭП=638000+320000=958000y.e.
КΣ1=
958000Ч151=144,6 млн.тг.
Определим издержки
Издержки на эксплуатацию ЛЭП:
Иэкс ЛЭП=0.004ЧКЛЭП=0.004Ч320000=1280 у.е.
Амортизация ЛЭП:
Иа ЛЭП=0.028ЧКЛЭП=0.028Ч320000=8960 у.е.
Издержки на эксплуатацию оборудования:
Иэкс об=0.01ЧКоб=0.01Ч638000=6380 у.е.
где Коб - суммарные затраты без стоимости ЛЭП.
Амортизация оборудования:
Иа об=0.063ЧКоб=0.063Ч638000=40194 у.е.
Стоимость потерь:
Ипот.=СoЧ( Wтргпп+ Wлэп)=0.09Ч(323293,2+359452,76)=61450 y.e.
Сo=0.09 y.e./кВтЧч
Суммарные издержки:
ИΣ1=Иа+Ипот+Иэ,
ИΣ1=(8960+40194)+(61450+1280)+6380=118264y.e.
ИΣ1=118264Ч151=17,8 млн.тг.
Приведенные суммарные затраты:
ЗI=0.12ЧКΣ1+ ИΣ1=0.12Ч144,6+17,8=35,15 млн.тг.
3.2 II
Вариант
Рисунок 3.3. Второй вариант схемы электроснабжения.
Выбираем электрооборудование по II варианту.
Выбираем трансформаторы ГПП:
Выбираем два трансформатора мощностью 10000 кВА.
Коэффициент загрузки:
Паспортные данные трансформатора:
Тип трансформатора ТД-10000/35;н=10000 кВА, Uвн=38,5кВ, Uнн=10,5кВ, ΔPхх=8кВт, ΔPкз=46,5кВт,кз=7,5%, Iхх=0,8%.
Потери мощности в трансформаторах:
активной:
реактивной:
Потери энергии в трансформаторах.
ΔW=2(ΔPххЧTвкл+ΔPкзЧ τ ЧKз2)
ΔW=2(8Ч4000+46,5Ч2405,29Ч0,57 2)=
136677кВтч
3.2.1ЛЭП -35
кВ.
Полная мощность, проходящая по ЛЭП:
Расчетный ток, проходящий по одной линии:
Ток аварийного режима:
а=2ЧIр=2Ч89,57=179,14 А.
По экономической плотности тока определяем сечение проводов:
.
где j=1,1А/мм2 экономическая плотность тока при Тм=4000ч и
алюминиевых проводах.
Принимаем провод АС -95 с Iдоп=330А.
Проверим выбранные провода по допустимому току.
При расчетном токе:
доп=330А>Iр=89,57А
При аварийном режиме:
доп ав=1,3xIдоп=1,3x330=429A>Iав=179,14A.
Потери электроэнергии в ЛЭП:
где r0=0,33 Ом/км - удельное сопротивление сталеалюминевого провода
сечением 95 мм2, l=5,5 км - длина линии.
3.2.2 Трансформаторы энергосистемы
Тип ТДТН -40000/110:н=40000 кВА, Uвн=115кВ, Uсн=37кВ, Uнн=10,5кВ,
Uквс=10.5%, Uквн=17,5%, Uксн=6,5%.
Коэффициент долевого участия фабрики в мощности трансформаторов
энергосистемы:
3.2.3 Выбор
ОПН, выключателей и разъединителей на U=35 кВ
Перед выбором аппаратов составим схему замещения (рис. 3.4.) и рассчитаем
ток короткого замыкания в о.е.
б=1000 МВА; Uб=37 кВ.
хс= 1 о.е.,
Выбираем
выключатели В1-2, Р1-4 по аварийному току трансформаторов ЭС. Примем, что
мощность по двум вторичным обмоткам трансформатора распределена поровну,
поэтому мощность аварийного режима равна 40 МВА.
Выключатель ABB OHB-36:р=35кВ= Uн=35кВ;ном=1250А
>Iав=624,2А;откл=25кА>Ik1=4,3кА;пред=
40кА>iy=10,4кА;терм=20кА>Ik1=4,3кА;
Выключатель секционный В3 ABB OHB-36:
р=35кВ= Uн=35кВ;ном=1250А >Iав=312,1А;откл=25кА>Ik1=4,3кА;пред=
40кА>iy=10,4кА;терм=20кА>Ik1=4,3кА;
Выключатель В4-7 ABB OHB-36:
р=35кВ= Uн=35кВ;ном=1250А >Iав=624,2А;откл=25кА>Ik1=4,3кА;пред=
40кА>iy=10,4кА;терм=20кА>Ik1=4,3кА;
Разъединитель Р1-4 LTB 72.5:
р=35кВ= Uн=35кВ;ном=1000А >Iр=178,86А;дин=
10кА>iy=7,18кА;терм=25кА>Ik2=2,99кА;
ОПН1-2: Ограничители перенапряжений ABB MWK.
3.2.4 Расчет
затрат на II вариант
Затраты на выключатели В1и В2:
КВ1-2=2Чγ2Ч КВ=2Ч0,14Ч60000=16800у.е.
Затраты на разъединители Р1-4:
КР1-4=4Ч КР=4Ч15000=60000у.е.
Затраты на выключатель В3:
КВ3=γ3Ч КВ=0,07Ч60000=4200 у.е.
Затраты на выключатели В4-7:
КВ4-7=4ЧКВ=4Ч60000=240000у.е.
Затраты на ограничители перенапряжений ОПН1-2:
КОПН1-2=2ЧКопн=2Ч6000=12000у.е.
Затраты на тр ГПП:
Ктр ГПП=2Ч Кт =2Ч300000=600000у.е.
Затраты на тр ЭС:
КтрЭС =2Чγ1Ч Ктрэс=2Ч0,14Ч400000=112000 у.е.
Затраты на оборудование:
Коб= КВ1-2 + КР1-4 + КВ3+ КВ4-+ КОПН1-2+Ктрэс+ Кт гпп
Коб=16800+60000+4200+240000+12000+112000+600000=1045000y.e.
Затраты на ЛЭП на двухцепной стальной опоре:
Куд=24000 у.е./км.
КЛЭП=1ЧLЧКуд=5,5Ч24000=132000у.е.
Суммарные затраты на оборудование II варианта:
КΣ2=
Коб
+КЛЭП=1045000+132000=1177000y.e.=177 727 000тг.
Определим издержки:
Издержки на эксплуатацию ЛЭП:
Иэкс ЛЭП=0,028ЧКЛЭП=0,028Ч132000=3696у.е.
Амортизация ЛЭП:
Иа ЛЭП=0,028ЧКЛЭП=0,028Ч132000=3696у.е.
Издержки на эксплуатацию оборудования:
Иэкс об=0,02ЧКоб=0,02Ч1045000=20900у.е.
где Коб - суммарные затраты без стоимости ЛЭП.
Амортизация оборудования:
Иа об=0,043ЧКоб=0,043Ч1045000=44935у.е.
Стоимость потерь:
Ипот.=СoЧ(Wтргпп+ Wлэп)=0,1Ч(203006+159239)=36225y.e.
Сo=0,1y.e./кВтЧч
Суммарные издержки:
ИΣ2=Иа+Ипот+Иэ,
ИΣ2=3696+3696+20900+44935+36225=109452y.e.=16,527млн.тг.
Приведенные суммарные затраты:
ЗII=0.12ЧКΣ2+ ИΣ2=0,12Ч177727000+16527252=37,854млн.тг.
.3 III
Вариант
Рисунок 3.5. Третий вариант схемы электроснабжения.
3.3.1 ЛЭП
-10,5 кВ.
Полная мощность, проходящая по ЛЭП:
Расчетный ток, проходящий по одной линии:
Ток аварийного режима:
а=2ЧIр=2Ч316=632 А
По экономической плотности тока определяем сечение проводов:
где j=1 А/мм2 экономическая плотность тока при Тм=4000ч и алюминиевых
проводах.
Для выполнения данной передачи электроэнергии необходимо использовать
9хАС 120/12, что конструктивно невозможно, следовательно, данный вариант
электроснабжения невозможен.
Таблица 3.1 - Результаты ТЭР.
|
Вариант
|
Uном ,кВ
|
КΣ млн.тг.
|
ИΣ млн.тг.
|
З млн.тг.
|
|
I
|
115
|
144.6
|
17.8
|
35.15
|
|
II
|
35
|
177,7
|
16,527
|
37,854
|
Выбираем I вариант, так как он дешевле и надежнее остальных.
4. Выбор
оборудования U=10 кВ
.1 Расчет токов короткого замыкания на шинах ГПП и РП
Рисунок 4.1. - Схема замещения.
. Для компрессионнной станции СД (3х800=2400кВт):б=1000 МВА; хс
=1о.е.; Uб=10,5 кВ.
Ток короткого замыкания от системы на шинах ГПП:
Мощность СД равна 888,9кВА.
Найдем сопротивление кабеля к СД.
Выбираем кабель ААШв-10-(3х50мм2) с Iдоп=134А, Худ=0,079Ом/км.
Ток короткого замыкания от СД:
Суммарный ток КЗ в точке К-3:
Суммарный ударный ток в точке К-3:
кА
4.2 Выбор
выключателей
. Вводные:
Расчетный ток:
Аварийный ток: Iа=2ЧIр=2Ч303,7=607,4A.
Принимаем выключатель ABB ADVAC-10.
Проверим выбранный выключатель:
|
Паспортные
|
Расчетные
|
|
Uн=10 кВ Iном=1200A Iоткл=25 кА Iтерм=25 кА Iдин=40 кА
|
U=10 кВ Iав=607,4 А Iкз=5,37кА Iкз=5,37кА Iуд=13,67кА
|
Секционный выключатель: через секционный выключатель проходит половина
мощности, проходящей через вводные выключатели.
Следовательно, расчетный ток, проходящий через выключатель: Iр=303,4А.
Принимаем выключатель ABB ADVAC-10.
1. Магистраль ГПП-ТП1,2.
Аварийный ток:
ав=2ЧIр=2Ч142,42=284,84A
Принимаем выключатель ABB ADVAC-10.
2. Магистраль ГПП-ТП3-4.
Аварийный ток:
ав=2ЧIр=2Ч134,72=269,44A
Принимаем выключатель ABB ADVAC-10.
. Магистраль ГПП-СД1(компрессионная):
Расчетный ток:
.
Принимаем выключатель ABB ADVAC-10:
. Магистраль ГПП-СД2(насосная):
Расчетный ток:
.
Принимаем выключатель ABB ADVAC-10:
4.3 Выбор
кабелей отходящих линий
Условия выбора кабелей:
. по экономической плотности тока: Fэ=Ip/jэ.
. по минимальному сечению Fmin =
;
. по условию нагрева рабочим током Iдоп.≥Iр;
. по аварийному режиму Iдоп.≥Iав;
. по потере напряжения ∆Uдоп≥∆Uрас.
ГПП-ТП-1-2:
р=5174,22кВА; Iав=284,84А; Iр=142,42А.
Выбираем кабель ААШв-10-(3х120) с Iдоп=250А.
доп=250х0,75=187,5А > Ip=142,42A.
где Кп=0,75 - поправочный коэфф. при числе кабелей в траншее N=6.
ГПП-ТП-3-4:р=4894,4кВА; Iав=269,44А; Iр=134,72А.
Выбираем кабель ААШв -10-(3х120) с Iдоп=250А.
доп=250х0,75=187,5А > Ip=142,42A.
где Кп=0,75 - поправочный коэфф. при числе кабелей в траншее N=6.
ГПП-СД1(компрессионная):р=888,9 кВА; Iр=41,6А.
Выбираем кабель ААШв -(3х50) с Iдоп=135А.
доп=135х0,8=108А > Ip=41,6A.
Где Кп=0,8 - поправочный коэфф. при числе кабелей в траншее N=4.
ГПП-СД2(насосная):р=888,9 кВА; Iр=41,6А.

доп=135х0,8=108А > Ip=41,6A.
Где Кп=0,8 - поправочный коэфф. при числе кабелей в траншее N=4.
Таблица 4.1. - Кабельный журнал.
|
Наименование участка
|
Sр, кВА
|
N
|
Кп
|
Нагрузка
|
По экон. пл. тока, мм2
|
По току КЗ, мм2
|
Выбранный кабель
|
Iдоп, A
|
|
|
|
|
Iр, A
|
Iав, A
|
jэ
|
Fэ, мм2
|
Iк, кA
|
F, мм2
|
|
|
|
ГПП-ТП-1-2
|
5174,2
|
6
|
0,8
|
142,42
|
284,84
|
1,4
|
101,73
|
6,1
|
65,47
|
ААШв -10-(3х120)
|
192
|
|
ГПП-ТП-3-4
|
4894,4
|
6
|
0,8
|
134,72
|
269,44
|
1,4
|
96,23
|
6,1
|
65,47
|
ААШв -10-(3´120)
|
241
|
|
ГПП-СД1
|
888,9
|
6
|
0,8
|
41,6
|
-
|
1,4
|
29,7
|
6,1
|
47,2
|
ААШв-10-(3´50)
|
135
|
|
ГПП-СД2
|
888,9
|
6
|
0,8
|
41,6
|
-
|
1,4
|
29,7
|
6,1
|
47,2
|
ААШв-10-(3´50)
|
135
|
4.4 Выбор
выключателей нагрузок на ТП
Таблица 4.2- Данные ВН NALF-400
|
Паспортные данные
|
Расчетные данные
|
|
Uн=10кВ
|
Uн=10кВ
|
|
Iн=400А
|
Iр=88А
|
|
Iскв=40кА
|
Iуд=21,23кА
|
|
Iт2∙tТ=102∙1=100кА2∙с
|
Вк=(6,1)2∙0,12=4,46 кА2∙с
|
Устанавливаем предохранители для ТП типа CEF-100A.
4.5 Выбор
автоматических выключателей на ТП
Выбираем выключатель АВВ Емах-3 LTT с Iном=3200А.
4.6 Выбор
трансформаторов тока
Трансформаторы тока выбираются по следующим условиям:
- по напряжению установки: Uном тт
Uном уст-ки;
- по току: Iном тт
Iрасч;
по электродинамической стойкости:
по вторичной нагрузки: Sн2
Sнагр расч;
по термической стойкости: Iт2tт>Bк;
по конструкции и классу точности.
. Выбор трансформаторов тока на вводе и секционном выключателе.
Таблица 4.3- Нагрузка ТТ
|
Прибор
|
Тип
|
А, ВА
|
В,ВА
|
С, ВА
|
|
A
|
Э-350
|
0,5
|
0,5
|
0,5
|
|
Wh
|
САЗ-И681
|
2,5
|
2,5
|
2,5
|
|
Varh
|
СР4-И689
|
2,5
|
2,5
|
2,5
|
|
W
|
Д-355
|
0,5
|
-
|
0,5
|
|
Var
|
Д-345
|
0,5
|
-
|
0,5
|
|
Итого
|
|
6,5
|
5,5
|
6,5
|
Рассчитаем вторичную нагрузку трансформаторов тока.
Сопротивление вторичной нагрузки состоит из сопротивления приборов,
соединительных проводов и переходного сопротивления контактов:
=Rприб+Rпров+Rк-тов
Сопротивление приборов определяется по формуле:
где Sприб. - мощность, потребляемая приборами;- вторичный номинальный ток
прибора.
Допустимое сопротивление проводов:
принимаем провод АКР ТВ; F=1,5мм2;
=Rприб+Rпров+Rк-тов=0,26+0,01+0,1=0.37 Ом
Вк=Iкз2Ч(tотк+Та)=6,12Ч(0.095+0.04)=5,02 кА2с.расч=R2ЧI22=0.37Ч52=9.25ВА
Примем трансформатор тока КОКS
|
Расчетные величины
|
По каталогу
|
|
Uн=10 кВ
|
Uн=10 кВ
|
|
Iав=607,4А
|
Iн=2500А
|
|
iуд=13,67кА
|
Iдин= 50кА
|
|
S2расч=9,25ВА
|
S2н=20ВА
|
. Трансформатор тока на линии ГПП-ТП1-2:
|
Прибор
|
Тип
|
А, ВА
|
В,ВА
|
С, ВА
|
|
A
|
Э-350
|
0,5
|
0,5
|
0,5
|
|
Wh
|
САЗ-И681
|
2,5
|
2,5
|
2,5
|
|
Varh
|
СР4-И689
|
2,5
|
2,5
|
2,5
|
|
Итого
|
|
5,5
|
5,5
|
5,5
|
Рассчитаем вторичную нагрузку трансформаторов тока.
Сопротивление вторичной нагрузки состоит из сопротивления приборов,
соединительных проводов и переходного сопротивления контактов:
=Rприб+Rпров+Rк-тов
Сопротивление приборов определяется по формуле:
где Sприб. - мощность, потребляемая приборами;- вторичный номинальный ток
прибора.
Допустимое сопротивление проводов:
принимаем провод АКР ТВ; F=1,5мм2;
=Rприб+Rпров+Rк-тов=0,26+0,01+0,1=0.37 Ом
Вк=Iкз2Ч(tотк+Та)=1,712Ч(0.095+0.04)=0,4 кА2с.
Примем трансформатор токаTPU
|
Расчетные величины
|
По каталогу
|
|
Uн=10 кВ
|
Uн=10 кВ
|
|
Iав=284,84А
|
Iн=300А
|
|
iуд=21,23кА
|
Iдин= 40кА
|
|
S2расч=9,25ВА
|
S2н=10ВА
|
Трансформатор тока на линии ГПП-ТП3-4: Примем трансформатор токаTPU
|
Расчетные величиныПо каталогу
|
|
|
Uн=10 кВ
|
Uн=10 кВ
|
|
Iав=284,84А
|
Iн=300А
|
|
iуд=21,23кА
|
Iдин= 40кА
|
|
S2расч=9,25ВА
|
S2н=10ВА
|
Трансформатор тока на линии ГПП-СД: Примем трансформатор токаTPU
|
Расчетные величиныПо каталогу
|
|
|
Uн=10 кВ
|
Uн=10 кВ
|
|
Iав=284,84А
|
Iн=300А
|
|
iуд=21,23кА
|
Iдин= 40кА
|
|
S2расч=9,25ВА
|
S2н=10ВА
|
4.7 Выбор
трансформаторов напряжения
Трансформаторы напряжения выбираются по следующим условиям:
. по напряжению установки: Uном
Uуст;
. по вторичной нагрузки: Sном2
S2расч;
. по классу точности
. по конструкции и схеме соединения
На шины ГПП.
Таблица 4.7
|
Прибор
|
Тип
|
Sоб-ки , ВА
|
Число об-к
|
cos
|
sin
|
Число приборов
|
Робщ , Вт
|
Q , вар
|
|
V
|
Э-335
|
3
|
1
|
1
|
0
|
1
|
3
|
-
|
|
W
|
Д-335
|
2.5
|
2
|
0.4
|
0.92
|
1
|
5
|
-
|
|
Var
|
И-335
|
2.5
|
2
|
0.4
|
0.92
|
1
|
5
|
-
|
|
Wh
|
СА3-И681
|
2
|
2
|
0.4
|
0.92
|
6
|
24
|
54,9
|
|
Vahr
|
СР4-И689
|
2
|
2
|
0,4
|
0,2
|
6
|
24
|
54,9
|
|
Итого
|
61
|
109,9
|
Расчетная вторичная нагрузка:
Принимаем ТН типа TDC
|
Uн т=10 кВ
|
Uн т=10 кВ
|
|
Sн 2=300 ВА
|
Sр 2=125,77ВА
|
|
Схема соединения обмоток Y0/Y0
|
4.8 Выбор шин
ГПП
Сечение шин выбирают по длительно допустимому току и экономической
целесообразности. Проверку шин производят на электродинамическую и термическую
стойкость к токам КЗ.
Выбираем твердотянутые алюминиевые шины прямоугольного сечения марки АТ
60х8мм; Iдоп=1025 А (одна полоса на фазу), Iав=607,4А; iуд=13,67 кА.
а) проверка по аварийному току:
Iдоп=1025А ³
Iàâ=607,4А;
б) проверка по динамической стойкости к Iкз :
iäèí= 40êÀ³
ióä =13,67êÀ;
в) проверка по механической стойкостидоп=91
кгс/см2:
где а=0,08 м-расстояние между изоляторами;= 0,3 м-длина шины;=8 мм -
ширина одной полосы;=0,8 мм - высота шины.
Из условий получаем, что шины динамически устойчивы.
4.9 Выбор
изоляторов ГПП
Жесткие шины крепятся на опорных изоляторах, выбор которых производится
по следующим условиям:
а) по номинальному напряжению: Uном ³ Uуст;
б) по допустимой нагрузке: Fдоп ³ Fрасч.
где Fрасч. - сила, действующая на изолятор;доп - допустимая нагрузка на
головку изолятора, Fдоп = 0,6Fразруш.;разруш - разрушающая нагрузка на изгиб.
Выбираем изолятор типа ИО-10-3,75 УЗ с Fразр= 3750 кгс.доп = 0,6Fразруш =
2250кгс. (> 684 кгс)
Условие выполняется.
5.
Сравнительная характеристика выключателей
.1
Требования, предъявляемые к выключателям
) надежность
в работе и безопасность для окружающих;
2) быстродействие - возможно малое время отключения;
) удобство в обслуживании;
) простота монтажа;
) бесшумность работы;
) сравнительно невысокая стоимость.
Применяемые в настоящее время выключатели отвечают перечисленным
требованиям в большей или меньшей степени.
Однако конструкторы выключателей стремятся к более полному соответствию
характеристик выключателей выдвинутым выше требованиям.
.2 Масляные выключатели
Различают масляные выключатели двух видов - баковые и маломасляные.
Методы деионизации дугового промежутка в этих выключателях одинаковы.
Различие заключается лишь в изоляции контактной системы от заземленного
основания и в количестве масла.
До недавнего времени в эксплуатации находились баковые выключатели
следующих типов: ВМ-35, С-35, а также выключатели серии У напряжением от 35 до
220 кВ. Баковые выключатели предназначены для наружной установки, в настоящее
время не производятся.
Основные недостатки баковых выключателей: взрыво- и пожароопасность;
необходимость периодического контроля за состоянием и уровнем масла в баке и
вводах; большой объем, масла, что обусловливает большую затрату времени на его
замену, необходимость больших запасов масла; непригодность для установки внутри
помещений.
.3 Маломасляные выключатели
Маломасляные выключатели (горшковые) получили широкое распространение в
закрытых и открытых распределительных устройствах всех напряжений. Масло в этих
выключателях в основном служит дугогасящей средой и только частично изоляцией
между разомкнутыми контактами.
Изоляция токоведущих частей друг от друга и от заземленных конструкций
осуществляется фарфором или другими твердыми изолирующими материалами. Контакты
выключателей для внутренней установки находятся в стальном бачке (горшке),
отсюда сохранилось название выключателей "горшковые".
Маломасляные выключатели напряжением 35 кВ и выше имеют фарфоровый
корпус. Самое широкое применение получили выключатели 6-10 кВ подвесного типа
(ВМГ-10, ВМП-10). В этих выключателях корпус крепится на фарфоровых изоляторах
к общей раме для всех трех полюсов. В каждом полюсе предусмотрен один разрыв
контактов и дугогасительная камера.
Рисунок 6.1 - Конструктивные схемы маломасляных выключателей 1 -
подвижный контакт; 2 - дугогасительная камера; 3 - неподвиж-ный контакт; 4 -
рабочие контакты
При больших номинальных токах обойтись одной парой контактов (которые
выполняют роль рабочих и дугогасительных) трудно, поэтому предусматривают
рабочие контакты снаружи выключателя, а дугогасительные - внутри металлического
бачка. При больших отключаемых токах на каждый полюс имеется два
дугогасительных разрыва. По такой схеме выполняются выключатели серий МГГ и МГ
на напряжение до 20 кВ включительно. Массивные внешние рабочие контакты 4
позволяют рассчитать выключатель на большие номинальные токи (до 9500 А). При
напряжениях 35 кВ и выше корпус выключателя выполняется фарфоровым, серия ВМК -
выключатель маломасляный колонковый). В выключателях 35, 110 кВ предусмотрен
один разрыв на полюс, при больших напряжениях - два разрыва и более.
Недостатки маломасляных выключателей: взрыво- и пожароопасность, хотя и
значительно меньшая, чем у баковых выключателей; невозможность осуществления
быстродействующего АПВ; необходимость периодического контроля, доливки,
относительно частой замены масла в дугогасительных бачках; трудность установки
встроенных трансформаторов тока; относительно малая отключающая способность.
Область применения маломасляных выключателей - закрытые распределительные
устройства электростанций и подстанций 6, 10, 20, 35 и 110 кВ, комплектные
распределительные устройства 6, 10 и 35 кВ и открытые распределительные
устройства 35 и 110 кВ.
.4 Воздушные выключатели
В воздушных выключателях гашение дуги происходит сжатым воздухом при
давлении 2-4 МПа, а изоляция токоведущих частей и дугогасительного устройства
осуществляется фарфором или другими твердыми изолирующими материалами.
Конструктивные схемы воздушных выключателей различны и зависят от их
номинального напряжения, способа создания изоляционного промежутка между
контактами в отключенном положении, способа подачи сжатого воздуха в
дугогасительное устройство.
В выключателях на большие номинальные токи имеется главный и
дугогасительный контур подобно маломасляным выключателям МГ и МГГ. Основная
часть тока во включенном положении выключателя проходит по главным контактам 4,
расположенным открыто. При отключении выключателя главные контакты размыкаются
первыми, после чего весь ток проходит по дугогасительным контактам, заключенным
в камере 2. К моменту размыкания этих контактов в камеру подается сжатый воздух
из резервуара 1, создается мощное дутье, гасящее дугу. Дутье может быть
продольным или поперечным.
Необходимый изоляционный промежуток между контактами в отключенном
положении создается в дугогасительной камере путем разведения контактов на
достаточное расстояние. Выключатели, выполненные по конструктивной схеме с
открытым отделителем, изготовляются для внутренней установки на напряжение 15 и
20 кВ и ток до 20000 А (серия ВВГ). В данном типе выключателей после отключения
отделителя 5 прекращается подача сжатого воздуха в камеры и дугогасительные
контакты замыкаются.
фабрика трансформатор подстанция электроснабжение
Рисунок 6.2 - Конструктивные схемы воздушных выключателей 1 - резервуар
со сжатым воздухом; 2 - дугогасительная камера; 3 - шунтирующий резистор; 4 -
главные контакты; 5 - отделитель; 6 - емкостный делитель напряжения на 110 кВ -
два разрыва на фазу (г)
В воздушных выключателях для открытой установки на напряжение 35 кВ
(ВВ-35) достаточно иметь один разрыв на фазу.
В выключателях напряжением 110 кВ и выше после гашения дуги размыкаются
контакты отделителя 5 и камера отделителя остается заполненной сжатым воздухом
на все время отключенного положения. При этом в дугогасительную камеру сжатый
воздух не подается и контакты в ней замыкаются.
По данной конструктивной схеме созданы выключатели серии ВВ на напряжение
до 500 кВ. Чем выше номинальное напряжение и чем больше отключаемая мощность,
тем больше должно быть разрывов в дугогасительной камере и в отделителе.
По конструктивной схеме рис, г выполняются воздухонаполненные выключатели
серии ВВБ. Напряжение модуля ВВБ 110 кВ при давлении сжатого воздуха в
гасительной камере 2 МПа. Номинальное напряжение модуля выключателя серии ВВБК
(крупномодульного) составляет 220 кВ, а давление воздуха в гасительной камере 4
МПа. Аналогичную конструктивную схему имеют выключатели серии ВНВ: модуль
напряжением 220 кВ при давлении 4 МПа.
Для выключателей серии ВВБ количество дугогасительных камер (модулей)
зависит от напряжения (110 кВ - одна; 220 кВ - две; 330 кВ - четыре; 500 кВ -
шесть; 750 кВ - восемь), а для крупномодульных выключателей (ВВБК, ВНВ)
количество модулей соответст-венно в два раза меньше.
.5 Элегазовые выключатели
Элегаз (SF6 - шестифтористая сера) представляет собой инертный газ,
плотность которого превышает плотность воздуха в 5 раз. Электрическая прочность
элегаза в 2 - 3 раза выше прочности воздуха; при давлении 0,2 МПа электрическая
прочность элегаза сравнима с прочностью масла.
В элегазе при атмосферном давлении может быть погашена дуга с током,
который в 100 раз превышает ток, отключаемый в воздухе при тех же условиях.
Исключительная способность элегаза гасить дугу объясняется тем, что его
молекулы улавливают электроны дугового столба и образуют относительно
неподвижные отрицательные ионы. Потеря электронов делает дугу неустойчивой, и
она легко гаснет. В струе элегаза, т. е. при газовом дутье, поглощение
электронов из дугового столба происходит еще интенсивнее.
В элегазовых выключателях применяют автопневматические
(автокомпрессионные) дугогасительные устройства, в которых газ в процессе
отключения сжимается поршневым устройством и направляется в зону дуги.
Элегазовый выключатель представляет со-бой замкнутую систему без выброса газа
наружу.
В настоящее время элегазовые выключатели применяются на всех классах
напряжений (6-750 кВ) при давлении 0,15-0,6 МПа. Повышенное давление
применяется для выключателей более высоких классов напряжения. Хорошо
зарекомендовали элегазовые выключа-тели следующих зарубежных фирм: ALSTOM;
SIEMENS; Merlin Gerin и др. Освоен выпуск современных элегазовых выключателей
ПО "Уралэлектротяжмаш": баковые выключатели серии ВЭБ, ВГБ и
колонковые выключатели серии ВГТ, ВГУ.
Базовая модель выключателя состоит из следующих элементов:
корпуса выключателя, в котором расположены все три полюса,
представляющего собой "сосуд под давлением", заполненный элегазом под
низким избыточным давлением (0,15 МПа или 1,5 атм.);
механического привода типа RI;
передней панели привода с рукояткой для ручного взвода пружин и
индикаторами состояния пружины и выключателя;
высоковольтных силовых контактных площадок;
многоштырьевого разъема для подключения цепей вторичной коммутации.
.6 Вакуумные выключатели
Электрическая прочность вакуума значительно выше прочности других сред,
применяемых в выключателях. Объясняется это увеличением длины среднего
свободного пробега электронов, атомов, ионов и молекул по мере уменьшения
давления. В вакууме длина свободного пробега частиц превышает размеры вакуумной
камеры.
Рисунок 3 - Восстанавливающаяся электрическая прочность промежутка длиной
1/4" после отключения тока 1600 А в вакууме и различных газах при
атмосферном давлении
В этих условиях удары частиц о стенки камеры происходят значительно чаще,
чем соударения между частицами. На рисунке показаны зависимости пробивного
напряжения вакуума и воздуха от расстояния между электродами диаметром
3/8" из вольфрама. При столь высокой электрической прочности расстояние
между контактами может быть очень малым (2-2,5 см), поэтому размеры камеры
могут быть также относительно небольшими.
Процесс восстановления электрической прочности промежутка между
контактами при отключении тока протекает в вакууме значительно быстрее, чем в
газах. Уровень вакуума (остаточное давление газов) в современных промышленных
дугогасительных камерах обычно составляет Па. В соответствии с теорией
электропрочности газов, не-обходимые изоляционные качества вакуумного
промежутка достигаются и при меньших уровнях вакуума (порядка Па), однако для
современного уровня вакуумных технологий, создание и поддержание в течение
времени жизни вакуумной камеры уровня Па не составляет проблемы. Это
обеспечивает вакуумным камерам запасы электропрочности на весь срок
эксплуатации (20-30 лет).
Типовая конструкция вакуумной дугогасительной камеры приведена на рисунке
4.
Рисунок 4 - Конструктивная схема вакуумной дугогасительной камеры
Конструкция вакуумной камеры состоит из пары контактов (4; 5), один из
которых является подвижным (5), заключенных в ваккумноплотную оболочку,
спаянную из керамических или стеклянных изоляторов (3; 7), верхней и нижней
металлических крышек (2; 8) и металлического экрана (6). Перемещение подвижного
контакта относительно неподвижного обеспечивается путем применения сильфона
(9). Выводы камеры (1; 10) служат для подключения ее к главной токоведущей цепи
выключателя.
Надо отметить, что для изготовления оболочки вакуумной камеры применяются
только специальные вакуумноплотные, очищенные от растворенных газов металлы -
медь и специальные сплавы, а также специальная керамика. Контакты вакуумной
камеры изготавливаются из металлокерамической композиции (как правило, это медь-хром
в соотношении 50%-50% или 70%-30%), обеспечивающей высокую отключающую
способность, износостойкость и препятствующей возникновению точек сваривания на
поверхности контактов. Цилиндрические керамические изоляторы, совместно с
вакуумным промежутком при разведенных контактах обеспечивают изоляцию между
выводами камеры при отключенном положении выключателя.
Таврида-электрик выпустила новую конструкцию вакуумного выключателя с
магнитной защелкой. В основу его конструкции заложен принцип соосности электромагнита
привода и вакуумной дугогасительной камеры в каждом полюсе выключателя.
Включение выключателя осуществляется в следующей последовательности.
В исходном состоянии контакты вакуумной дугогасительной камеры разомкнуты
за счет воздействия на них отключающей пружины 7 через тяговый изолятор 5. При
прикладывании напряжения положительной полярности к катушке 9 электромагнита, в
зазоре магнитной системы нарастает магнитный поток.
В момент, когда сила тяги якоря, создаваемая магнитным потоком,
превосходит усилие пружины отключения 7, якорь 11 электромагнита вместе с
тяговым изолятором 5 и подвижным контактом 3 вакуумной камеры начинает движение
вверх, сжимая пружину отключения. При этом в катушке возникает двигательная
противо-ЭДС, которая препятствует дальнейшему нарастанию тока, и даже несколько
уменьшает его.
В процессе движения якорь набирает скорость около 1 м/с, что позволяет
избежать предпробоев при включении и исключить дребезг контактов ВДК. При
замыкании контактов вакуумной камеры, в магнитной системе остается зазор
дополнительного поджатия равный 2 мм. Скорость движения якоря резко падает, так
как ему приходится преодолевать еще и усилие пружины дополнительного
контактного поджатия 6. Однако под воздействием усилия, создаваемого магнитным
потоком и инерцией, якорь 11 продолжает двигаться вверх, сжимая пружину
отключения 7 и пружину 6 дополнительного контактного поджатия.
В момент замыкания магнитной системы якорь соприкасается с верхней
крышкой привода 8 и останавливается. После окончания процесса включения ток
катушки привода отключается. Выключатель остается во включенном положении за
счет остаточной индукции, создаваемой кольцевым постоянным магнитом 10, который
удерживает якорь 11 в притянутом к верхней крышке 8 положении без
дополнительной токовой подпитки.
Для отключения выключателя необходимо приложить к выводам катушки
напряжение отрицательной полярности.
В настоящее время вакуумные выключатели стали доминирующими аппаратами
для электрических сетей с напряжением 6-36 кВ. Так, доля вакуумных выключателей
в общем количестве выпускаемых аппаратов в Европе и США достигает 70%, в Японии
- 100%. В России в последние годы эта доля имеет постоянную тенденцию к росту,
и в 1997 году превысила 50%-ю отметку. Основными преимуществами ВВ (по
сравнению с масляными и газовыми выключателями), определяющими рост их доли на
рынке, являются:
более высокая надежность;
меньшие затраты на обслуживание
Таблица 5.1 - Сравнительная характеристика масляного, воздушного,
вакуумного и элегазового выключателей
|
Вид выключателя
|
Безопасность при эксплуатации
|
Безопасность по отношению к окружающей среде
|
Обслуживание
|
Чувствительность к воздействию окружающей среды
|
Износостойкость
|
Размеры
|
|
Масляный
|
Риск возникновения пожара или взрыва
|
Экологически не безопасен
|
Периодическая замена масла (необратимая деструкция масла
при каждом отключении)
|
Свойства среды отключения могут ухудшаться под воздействием
факторов окружающей среды (влажность, пыль и т.д.)
|
Посредственная
|
Относительно большие размеры устройства
|
|
Воздушный
|
Взрыво- и пожаробезопасен
|
Безопасный
|
Частая замена дугогасительных контактов, периодическое
техническое обслуживание механизма управления
|
Влияние температуры окружающей среды, необходимость в
дополнительных установках
|
Средняя
|
Установка, требующая больших расстояний
|
|
Вакуумный
|
Нет риска возникновения взрыва или внешний проявлений
|
Отсутствие загрязнения окружающей среды
|
Смазка механизмов управления в минимальном объеме
|
Нечувствительны: полностью запаянная герметичная камера
|
Высокая
|
Негабаритные
|
|
Элегазовый
|
Нет риска возникновения взрыва или внешний проявлений
|
При утилизации или утечке экологически не безопасен
|
Смазка механизмов управления в минимальном объеме
|
Нечувствительны: полностью запаянная герметичная камера
|
Высокая
|
Небольшие
|
6.
Безопасность жизнедеятельности
6.1 Анализ
условий труда механического цеха
Основная деятельность механического цеха заключается в следующем:
• Изготовление нестандартизированного оборудования.
• Средний и капитальный ремонт технологического оборудования.
• Изготовление запасных частей для бумажной техники.
Учитывая основную деятельность цеха, можно предположить, что на условия
труда в ремонтно-механическом цехе влияют различные неблагоприятные факторы,
которые отрицательно сказываются на работоспособности рабочего персонала.
Во время механической обработки на металлорежущих станках возникают
факторы, оказывающие неблагоприятные воздействия на человека. Такими факторами
являются вибрация, шум, травмы органов зрения, ожоги открытых частей тела,
увечья и т.п. Наибольшую опасность представляют вращающиеся и движущиеся части
станков, отлетающая горячая стружка, выделение паров и газов при работе со
смазочно-охлаждающей жидкостью (СОЖ) и технических смазок (ТС). При работе на
шлифовальных станках образуется металлическая и абразивная пыль концентрацией 4-6
мг/м3 (предельно допустимая концентрация по ГОСТ 12.01.005-88
составляет 4-10 мг/м3), при работе оборудовании выделяется
избыточное тепло.
Отклонение от нормативного микроклимата
Содержание вредных веществ в воздухе рабочей зоны, оптимальные и допустимые
величины показателей микроклимата на рабочих местах, уровень шума, вибрационная
нагрузка на оператора, безопасные условия труда работников, использующих
видеодисплейные терминалы и персональные электронно-вычислительные машины
должны быть обеспечены удовлетворять требованиям соответствующих нормативных
документов, утвержденных в установленном порядке.
Уровень воздействия постоянного магнитного поля, уровень
электростатического поля, уровень напряженности электрического поля
промышленной частоты (50 Гц), уровень напряженности магнитного поля
промышленной частоты (50 Гц), уровни воздействия электромагнитных полей
радиочастот не должны превышать допустимые уровни (значения), установленные
соответствующими нормативными документами, утвержденными в установленном
порядке.
Интенсивность ультрафиолетового излучения (облучения) не должна превышать
допустимые величины, установленные соответствующими санитарными нормами,
утвержденными в установленном порядке.
Физические и химические факторы, сопровождающие работы с ручными
инструментами: вибрация, шум, силовые характеристики, эргономические
характеристики трудового процесса, температура рукояток, теплопроводность
материала рукояток, параметры создаваемого микроклимата, содержание вредных
веществ в рабочей зоне не должны превышать установленные гигиенические нормы
безопасности ручных инструментов и работ с ними.
Для предотвращения воздействия вредных и опасных факторов на рабочих в
ремонтно-механическом цехе обеспечивается проведение паспортизации
санитарно-технического состояния подразделений, разрабатываются и выполняются
комплексные планы улучшения условий и охраны труда и санитарно-оздоровительные
мероприятия. Совместно с руководителями подразделений служба охраны труда
организует своевременное испытание, техническое освидетельствование и
регистрацию различных установок и механизмов.
Освещенность
Устройство электрического освещения производственных,
административно-бытовых и других помещений вновь строящихся и реконструируемых
зданий должно удовлетворять требованиям СНБ 2.04.05-98, других технических
нормативных правовых актов, локальных нормативных правовых актов.
Естественное и искусственное освещение производственных и других
помещений, рабочих мест должно обеспечивать освещенность, достаточную для
безопасного пребывания и передвижения работников, безопасного выполнения работ,
и составлять от 200 до 400 лк в зависимости от назначения помещения.
Организация постоянных рабочих мест без естественного освещения, если это не
определено требованиями проведения технологического процесса, не допускается.
Световые проемы окон не должны загромождаться производственным
оборудованием, готовыми изделиями, полуфабрикатами, тарой и тому подобным как
внутри, так и вне помещения. Остекленная поверхность световых проемов окон
должна регулярно очищаться от пыли и других загрязнений.
Использование источников освещения без осветительной арматуры не
допускается, а в помещениях с возможным выделением органической пыли
осветительная аппаратура устраивается во взрывобезопасном исполнении.
Осветительные приборы и арматура должны содержаться в чистоте и очищаться
по мере загрязнения. Очистка светильников и замена перегоревших ламп
производятся электротехническим персоналом с устройств, обеспечивающих удобный
и безопасный доступ к светильникам.
Для осмотра внутренних поверхностей аппаратов и емкостей допускается
использование переносных светильников напряжением не выше 12 В, выполненных во
взрывозащищенном исполнении.
В случае изменений в назначении производственного помещения, а также при
перестановке или замене одного оборудования другим осветительные установки
должны быть переоборудованы и приспособлены к новым условиям в соответствии с
нормами освещенности.
Повышенный уровень электромагнитного поля
Уровень воздействия постоянного магнитного поля, уровень
электростатического поля, уровень напряженности электрического поля
промышленной частоты (50 Гц), уровень напряженности магнитного поля
промышленной частоты (50 Гц), уровни воздействия электромагнитных полей
радиочастот не должны превышать допустимые уровни (значения), установленные
соответствующими нормативными документами, утвержденными в установленном
порядке.
Повышенный уровень шума и вибрации
Вибрация - в механических цехах источниками общей вибрации являются
компрессоры, воздуходувки, вентиляторы и тому подобное.
Для защиты от локальной вибрации в механическом цехе применяют
индивидуальные защитные средства. К ним относятся виброзащитные рукавицы. Шьют
их из хлопчатобумажной ткани, усиленной на ладони кожей. Под кожу вшивается
антивибрационный вкладыш из вспененного поливинилхлорида. Для работы с
вибрирующим инструментом и оборудованием в холодное время года изготавливаются
рукавицы удлинённые.
Опасность поражения электрическим током
Источником поражения электрическим током является все технологическое
оборудование, используемое в механическом цеху.
Пожарная опасность
Источниками пожарной опасности могут быть замыкания в проводке.
6.2
Мероприятия, направленные на улучшение условий труда
Наиболее актуальной проблемой цеха дробления является производственный
шум и вибрация. Шум и вибрация ухудшают условия труда, оказывают вредное
воздействие на организм человека.
При длительном воздействии шума и вибрации на организм происходят
нежелательные явления: снижение остроты зрения, слуха, повышается кровяное
давление, снижается внимание. Сильные, продолжительные воздействия шума и
вибрации могут быть причиной функциональных изменений сердечно-сосудистой и
нервной систем. Основными источниками шума и вибрации в цехе являются шумы и
вибрации, возникающие при технологическом процессе: их источниками являются
возвратно-поступательные движущиеся механизмы, неуравновешенные, вращающиеся
массы, удары деталей, шумы электромагнитного происхождения, оборудование
вентиляции цеха.
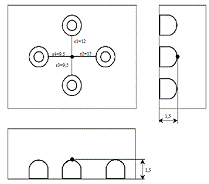
Произведем акустический расчет шума, а также мер защиты от воздействия
шума на персонал. В помещении работают 4 дробилки, имеющие одинаковый уровень
звукового давления. Источники шума находятся на расстоянии r от расчетной
точки, которая расположена на высоте 1,5 м от пола. Определим октавные уровни
звукового давления в расчетной точке.
Известно, что дробилки расположены на расстоянии r1=12м, r2=15м,
r3=r4=9,5м от рабочей точки. Объем помещения равен 720 м3, отношение
В/Sогр=0,2, lmax=1,4.
Рисунок 6.1 - Схема расположения расчетной точки и источников шума в
помещении
Октавные уровни звукового давления L в дБ в расчетных точках помещений, в
которых несколько источников шума в зоне прямого и отраженного звука, следует
определять по формуле:
(6.1)
где
;- октавный уровень звуковой мощности дБ, создаваемый i-тым
источником шума;- количество источников шума, ближайших к расчетной точке (т.е.
источников, для которых ri<5 ri min);- общее количество источников шума в
помещении;
В данном случае минимальное расстояние от расчетной точки до
акустического центра и ближайшего к ней источника
м
м.
Общее количество источников шума, принимаемых в расчет и расположенных
вблизи расчетной точки, когда, ri<5 rimin=47,5, будет равно 4 (m=4), т. е.
учитываются все данные источники, расположенные на расстояниях r1, r2, r3, r4.
- коэффициент, учитывающий влияние ближайшего акустического
поля и принимаемый в зависимости от отношения
;- наибольший габаритный размер
источников шума.
Величина
принимаем
=1;
Ф - фактор направленности источника шума, Ф=1;- площадь воображаемой
поверхности правильной геометрической формы, окружающей источник и проходящей
через расчетную точку.
Для всех источников выполняется условие 2·lmax < r; 2·1,5м
<10,3 м
Поэтому можно принять Si=2
ri2;
- коэффициент, учитывающий нарушение диффузности звукового
поля в помещении, принимаемый по опытным данным (при В/Sогр = 0,2;
;)- постоянная помещения.
, (6.2)
где В1000 - постоянная помещения на среднегеометрической частоте 1000 Гц;
μ - частотный множитель, определяемый по
таблице.
Выбрав тип помещения, определяем постоянную помещения В1000; Выбираем тип
помещения I - с небольшим количеством людей (металлообрабатывающие цехи,
вентиляционные камеры, машинные залы, генераторные, испытательные стенды).
Приведем значения частотного множителя
в таблице 6.1 для объема помещения
V=720 м3.
Таблица 6.1 - Значения частотного множителя.
|
Среднегеометрические частоты октавных полос, Гц
|
63
|
125
|
250
|
500
|
1000
|
2000
|
4000
|
8000
|
|
|
0,65
|
0,62
|
0,64
|
0,75
|
1
|
1,5
|
2,4
|
4,2
|
Определяем требуемое снижение шума
, приняв нормативные уровни звукового
давления в расчетной точке. Рабочие места - постоянные рабочие места и рабочие
зоны в производственных помещениях и на территории предприятий.
= Lобщ-Lдоп,, дБ, (6.3)
где Lобщ - октавный уровень звукового давления в расчетной точке от всех
источников шума, дБ. Lдоп - указаны в таблице 6.2
Таблица 6.2 - Уровни звукового давления, создаваемые дробилкой.
|
Среднегеометрические частоты октавных полос, Гц
|
63
|
125
|
250
|
500
|
1000
|
2000
|
4000
|
8000
|
|
L p
|
115
|
109
|
102
|
98
|
94
|
92
|
89
|
92
|
Таблица 6.3 - Допустимые уровни звукового давления.
|
Среднегеометрические частоты октавных полос,
Гц631252505001000200040008000
|
|
|
|
|
|
|
|
|
|
Lдоп
|
99
|
92
|
86
|
83
|
80
|
78
|
76
|
74
|
Все последовательные расчеты сведем в таблице 5.4. Расчеты производились
в Microsoft Excel.
Таблица 6.4 - Результаты расчета
|
№
|
Величина
|
Ед. изм
|
Среднегеометрическая частота октавной полосы, Гц
|
|
|
|
63
|
125
|
250
|
500
|
1000
|
2000
|
4000
|
8000
|
|
1
|
|
дБ
|
115
|
109
|
102
|
98
|
94
|
92
|
89
|
92
|
|
2
|
|
-
|
3,16∙1011
|
7,94∙1010
|
1,58∙1010
|
6,31∙109
|
2,51∙109
|
1,59∙109
|
7,9∙108
|
1,58∙109
|
|
3
|
|
м2
|
567,06
|
567,06
|
567,06
|
567,06
|
567,06
|
567,06
|
567,06
|
567,06
|
|
4
|
|
м2
|
1413
|
1413
|
1413
|
1413
|
1413
|
1413
|
1413
|
1413
|
|
5
|
|
м2
|
904,32
|
904,32
|
904,32
|
904,32
|
904,32
|
904,32
|
904,32
|
904,32
|
|
6
|
|
|
5,5∙108
|
1,4∙108
|
2,8∙107
|
1,1∙107
|
4,4∙106
|
2,8∙106
|
1,4∙106
|
2,8∙106
|
|
7
|
|
|
2,2∙108
|
5,6∙107
|
1,1∙107
|
4,5∙106
|
1,8∙106
|
1,1∙106
|
5,6∙105
|
1,1∙106
|
|
8
|
|
|
3,5∙108
|
8,78∙107
|
1,75∙107
|
6,9∙106
|
2,8∙106
|
1,7∙106
|
8,8∙105
|
1,7∙106
|
|
9
|
|
|
1,69∙109
|
4,24∙108
|
8,5∙107
|
3,4∙107
|
1,3∙107
|
8,5∙106
|
4,2∙106
|
8,5∙106
|
|
10
|
B1000(V=720м3)
|
|
36
|
36
|
36
|
36
|
36
|
36
|
36
|
36
|
|
11
|
|
|
0,65
|
0,62
|
0,64
|
0,75
|
1
|
1,5
|
2,4
|
4,2
|
|
12
|
|
|
23,4
|
22,32
|
23,04
|
27
|
36
|
54
|
86,4
|
151,2
|
|
13
|
|
|
0,14
|
0,15
|
0,147
|
0,125
|
0,094
|
0,062
|
0,039
|
0,022
|
|
14
|
|
|
1,26∙1012
|
3,2∙1011
|
6,3∙1010
|
2,5∙1010
|
1010
|
6,3∙109
|
3,2∙109
|
6,3∙109
|
|
15
|
|
|
1,84∙1011
|
4,84∙1010
|
9,36∙109
|
3,18∙108
|
9,49∙108
|
4∙108
|
1,2∙108
|
1,43∙108
|
|
16
|
|
|
1,85∙1011
|
4,88∙1010
|
9,44∙109
|
3,21∙109
|
9,62∙108
|
4,08∙108
|
1,3∙108
|
1,51∙108
|
|
17
|
|
дБ
|
113
|
107
|
95,1
|
89,8
|
86,1
|
81,1
|
81,8
|
|
18
|
|
дБ
|
99
|
92
|
86
|
83
|
80
|
78
|
76
|
74
|
|
19
|
|
дБ
|
13,7
|
15
|
13,7
|
12,1
|
9,83
|
8,1
|
5,12
|
7,79
|
Пример расчета частоты 125 Гц.
Выбираем данные для дробилки. Для частоты 125 Гц, Lp1 =109 дБ.
Затем по формуле
рассчитываю все частоты, то есть
После этого считаем площадь по формуле
(6.4)
(м2);
(м2);
(м2);
Затем по формуле
получаем:
Далее произведем расчет по формуле:
(6.5)
Значение коэффициента
=0,62, для V=720 и для частоты 125 Гц.
Тогда значение
Далее считаем следующее:
(6.6)
Затем просуммируем значения:
(6.7)
Теперь можно найти
дБ
После этого выбираем допустимый уровень звукового давления для частоты
125 Гц значение
.
Окончательным расчетом является определение значения
дБ (6.8)
6.3 Расчет
мероприятий для снижения шума
Запроектировать стену (с окном и дверью) и перекрытием кабины наблюдения
цеха дробления, имеющего размеры 16х8х4 м. Площадь глухой стены S1 и перекрытия
кабины наблюдения S2, граничащих с помещением, в котором расположены дробилки
соответственно равны 64 и 128 м2, площадь двери S3=4 м2,
окна S4=3 м2. Суммарный уровень звуковой мощности LрСУМ, излучаемой
всеми дробилками, приведен в таблице 6.6.
Таблица 6.6 - Суммарный уровень звуковой мощности, излучаемой всеми
дробилками
|
Среднегеометрические частоты октавных полос, Гц
|
63
|
125
|
250
|
500
|
1000
|
2000
|
4000
|
8000
|
|
Lш
|
93
|
90
|
91
|
108
|
117
|
116
|
115
|
117
|
Требуемую звукоизолирующую способность каждого элемента наблюдательной
кабины рассчитаем по формуле:
, (6.9)
где Lш - октавный уровень звукового давления вне защищаемого от шума
помещения;
Вu - постоянная защищаемого от шума помещения, м2,
.
Для наблюдательной кабины с объемом V=16х8х4:
Вu1000 =V/10 =512/10=51,2 м2
Используя таблицу 6.1 частотного множителя, найдем значение Вu. Все
расчеты приведены в таблице 6.7.
Таблица 6.7 - Результаты акустического расчета
|
№
|
Величина
|
Ед.изм.
|
Среднегеометрическая частота октавной полосы, Гц
|
|
|
|
63
|
125
|
250
|
500
|
1000
|
2000
|
4000
|
8000
|
|
1
|
Ви1000(V=720м3)
|
м2
|
51,2
|
51,2
|
51,2
|
51,2
|
51,2
|
51,2
|
51,2
|
51,2
|
|
2
|
μ
|
|
0,65
|
0,62
|
0,64
|
0,75
|
1
|
1,5
|
2,4
|
4,2
|
|
3
|
Ви=Ви1000*μ
|
|
33,28
|
31,74
|
32,77
|
38,4
|
51,2
|
76,8
|
122,88
|
215,04
|
|
4
|
Lш
|
дБ
|
93
|
90
|
91
|
108
|
117
|
116
|
115
|
117
|
|
5
|
Lдоп
|
дБ
|
99
|
92
|
86
|
83
|
80
|
78
|
76
|
74
|
|
6
|
10lg(n) (n=4)
|
|
6,02
|
6,02
|
6,02
|
6,02
|
6,02
|
6,02
|
6,02
|
0,60
|
|
7
|
10lg(Ви)
|
|
15,22
|
15,02
|
15,15
|
15,84
|
17,09
|
18,85
|
20,89
|
23,33
|
|
8
|
10lg(S1) (S1=75м2)
|
|
18,06
|
18,06
|
18,06
|
18,06
|
18,06
|
18,06
|
18,06
|
18,06
|
|
9
|
10lg(S2) (S2=150 м2)
|
|
21,07
|
21,07
|
21,07
|
21,07
|
21,07
|
21,07
|
21,07
|
21,07
|
|
10
|
10lg(S3) (S3=6 м2)
|
|
6,02
|
6,02
|
6,02
|
6,02
|
6,02
|
6,02
|
6,02
|
6,02
|
|
11
|
10lg(S4) (S4=5 м2)
|
|
4,77
|
4,77
|
4,77
|
4,77
|
4,77
|
4,77
|
4,77
|
4,77
|
|
12
|
Rстена
|
|
2,86
|
4,85
|
11,71
|
31,02
|
41,77
|
41,01
|
39,97
|
41,54
|
|
13
|
Rперекр
|
|
5,87
|
7,86
|
14,72
|
34,03
|
44,78
|
44,02
|
42,98
|
44,55
|
|
14
|
Rдверь
|
|
-9,18
|
-5,94
|
0,92
|
20,23
|
30,98
|
30,22
|
29,18
|
30,75
|
|
15
|
Rокно
|
|
-10,43
|
-6,91
|
-0,05
|
19,26
|
30,01
|
29,25
|
28,21
|
29,78
|
Исходя из результатов акустического расчета, кабину наблюдателя следует
выполнить из следующих материалов:
Стена - кирпичная кладка толщиной в 1 кирпич оштукатуренная с двух
сторон. Звукоизолирующая способность (36, 41, 44, 51, 58, 64, 65, 65 дБ).
Перекрытие - железобетонная панель толщиной 160 мм с круглыми пустотами.
Звукоизолирующая способность (37, 38, 38, 47, 53, 57, 57, 58 дБ).
Дверь - глухая щитовая дверь толщиной 40мм, облицованная с двух сторон
фанерой толщиной 4мм с уплотняющими прокладками. Звукоизолирующая способность
(12, 27, 27, 32, 35, 34, 35, 35 дБ).
Окно - оконный блок с двойным переплетом, толщина стекла 3 мм, воздушный
зазор 170 мм, с уплотняющими прокладками из резины. Звукоизолирующая
способность (27, 33, 33, 36, 38, 38, 38 38 дБ).
6.4 Расчет
зануления
Принципиальная схема зануления приведена на рисунке 6.3. На схеме видно
что ток короткого замыкания Iкз в фазном проводе зависит от фазного напряжения
сети Uф и полное сопротивление цепи, складывающегося из полных сопротивлений
обмотки трансформатора Zт/3, фазного проводника Zф, нулевого защитного
проводника Zн, внешнего индуктивного сопротивления петли фаза - ноль Xп,
активного сопротивления заземления нейтрали трансформатора R0.
Рисунок 6.2 - Принципиальная схема сети переменного тока с занулением: А
- аппарат защиты (предохранитель или автоматический выключатель); Rо -
заземление нейтрали; Rп - повторное заземление
Рисунок 6.3 - Полная расчетная схема соединения зануления
Поскольку R0, как правило, велико по сравнению с другими элементами цепи,
параллельная ветвь, образованная им создает незначительное увеличение тока
короткого замыкания, что позволяет пренебречь им. В то же время такое допущение
ужесточает требования к занулению и значительно упрощает расчетную схему,
представленную на рисунке 6.3.
Рисунок 6.4 - Упрощенная схема зануления.
В этом случае выражение короткого замыкания Iкз в комплексной форме
согласно формуле 5.11:
кз = Uф / ( Zт /3 + Zф + Zн +jХn), (6.10 )
где Uф - фазное напряжение сети, В;т - комплекс полного сопротивления
обмоток трехфазного источника тока (трансформатора), Ом;ф и Rн - активное
сопротивление фазного и нулевого защитного проводников, Ом;
Хп - внешнее индуктивное сопротивление контура (петли) фазный проводник -
нулевой защитный проводник (петля - фаза - нуль), Ом;п =Zф+Zн+jХn - комплекс
полного сопротивления петли фаза-нуль, Ом.
С учетом последнего:
кз = Uф / ( Zм / 3 + Zn) (6.11)
При расчете зануления принято применять допущения, при котором для
вычисления действительного значения (модуля) тока короткого замыкания Iкз
модули сопротивления обмоток трансформатора и петли фаза нуль Zт/3 и Zп
складываются арифметически. Это допущение также ужесточает требования
безопасности и поэтому считается допустимым, хотя и вносит некоторую неточность
(5%).
Полное сопротивление петли фаза - нуль в действительной форме
определяется из формулы 5.13:
п =
, Ом (6.12)
Формула 6.13 для проверочного расчета определяется с учетом коэффициента
кратности К тока короткого замыкания определяемого требованиями к занулению:
К × Iн £ Uф /( Zт/3 + Zп) (6.13)
Значение коэффициента К принимается равным К³3 в случае если электроустановка
защищается предохранителями и автоматическими выключателями имеющими
обратнозависимую характеристику от тока. В случае если электроустановка
защищается автоматическим выключателем имеющим только электромагнитный
расцепитель (отсечку), то для автоматов с Iн до 100 А, К = 1,4, а для автоматов
с Iн > 100 А, К = 1,25.
6.5 Расчет
зануления участка механического цеха
Исходные данные:
Напряжение сети - 0,38 кВ;
Мощность трансформатора - 1600 кВА;
Мощность наиболее удаленного электроприемника (вентилятор-калорифер)
13кВт;
Длина кабеля от ТП до ШРА, L1 = 14 м;
Длина шинопровода ШРА, L2 = 35 м;
Длина провода от ШРА-1 до электроприемника, L3 = 5 м.
Определение токов нагрузки и выбор аппаратов защиты:
(6.14)
(6.15)
нпв=63 А; Iна=82 А.
Определение полных сопротивлений элементов цепи:
а) сопротивление трансформатора для группы соединения Д/У0-11 Zт=0,027
Ом.
б) для расчета активных сопротивлений Rн и Rф необходимо предварительно
выбрать сечение, длину и материал нулевого и фазного проводников.
Сопротивление проводников из цветных металлов определим по формуле 6.16:
(6.16)
где r - удельное
сопротивление алюминиевой жилы принимается равной 0,028 Ом·мм2/м;-
длина проводника, м;- сечение жилы, мм2.
Ом;
Ом;ф∑ = 0,0032+0,056=0,0592 Ом;
Ом;
Ом;н∑ = 0,0078+0,056= 0,0638 Ом.
Для алюминиевых проводников внутреннее индуктивное сопротивление фазного
и нулевого проводников Хф и Х0 невелико и составляет 0,0156 Ом/км, т.е.
Хф=0,0156∙0,13=0,002 Ом; Х0=0,0156∙0,13=0,002 Ом. Величину внешнего
индуктивного сопротивления петли "фаза-нуль" в практических расчетах
принимают равной 0,6 Ом/км.
Внешнее индуктивное сопротивление петли "фаза-нуль" при Хи =
0,6 Ом/км:
Хп = 0,6∙0,13=0,078 Ом.
Рассчитаем сопротивление петли "фаза-нуль" Zп:
п =
Ом.
в) сопротивление шинопровода ШРА при Iн=400 А, Zпфо=0,23 Ом/км:
п = Zпфо·L2 (6.17)п = 0,23·0,036= 0,008 Ом.
Определение тока КЗ:
Определение кратности тока:
Ожидаемое значение тока короткого замыкания по формуле 6.18:
кз³Iнпв·Кпв, (6.18)
где Кпв=3, то 1341 А >80·3=240 А.
Время срабатывания плавкой вставки определяется по ее защитной
характеристике, а для автомата принимается из справочника. В данном случае при
номинальном токе плавкой вставки 80 А время отключения аппарата защиты 0,01
секунд. Время отключения автоматического выключателя - 0,05 секунды.
Потенциал корпуса поврежденного оборудования:
кз = Iкз· Zн∑ (6.20)кз = 1341·0,0638= 85,556 В.
Ток, проходящий через тело человека, равен:
(6.21)
Согласно ПУЭ такие величины тока являются допустимыми при времени
воздействия 0,05 и 0,01 секунды, т.е. время срабатывания автоматического
выключателя и плавкой вставки не превышает допустимых величин. Расчет в
механическом цеху показал, что обеспечивается требуемый уровень
электробезопасности. Время срабатывания автомата соответствует нормам, что
позволяет персоналу чувствовать себя защищенным при повреждении оборудования.
7.
Экономическая часть
7.1 Цель
разработки проекта
Целью технико-экономического обоснования является
обеспечение строительства подстанции 110/6 кВ и прилегающих к ней сетей ЛЭП 110
кВ.
Строящаяся подстанция предназначена для обеспечения
электроснабжением бумажной фабрики.
Проектируемую подстанцию и прилегающие к ней сети
предполагается разместить непосредственно возле бумажной фабрики. Длина ЛЭП 110
кВ составляет 16 км. Линии электропередачи 110 кВ, выполняются воздушными
линиями.
Для стоимостной оценки результата используются
действующие цены и тарифы в Алматинской области С0=0.09 у.е. за 1 кВт·ч.
7.2 Расчет
технико-экономических показателей подстанции
7.2.1
Определение капитальных вложений в строительство подстанции и ЛЭП
Капитальные затраты на сооружение подстанции
определяются составом оборудования по формуле 6.1:
КП/СТ =Коб+Ктр+Км, (7.1)
где Коб - стоимость оборудования;
Ктр - стоимость транспортировки;
Км - затраты на монтаж.
Расчеты капвложений на оборудование подстанции:
Капвложения на трансформаторы ГПП:
Ктр ГПП=2·250000·151=75,5 млн. тг.
Капвложения на выключатели В1, В2, В3, В4:
КВ1-В4=4·30000·151= 18,12 млн. тг.
Капвложения на разъединители:
Кразъед=4·2500·151 = 1,51 млн. тг.
Капвложения на ОПН:
КОПН=4·Куд=4·2000·151=1,208 млн. тг.
Капвложения на оборудование подстанции:
Коб=(75 500 000+18
120 000+1 510 000 1 208 000)=96,338 млн. тг.
Капвложения на транспортировку оборудования:
Ктр= Коб·0,1=96,338·0,1=9,6338
млн. тг.
Капвложения на монтаж оборудования:
Км= Коб·0,1=96,338·0,1=9,6338
млн. тг.
Капитальные затраты на сооружение подстанции:
КП/СТ =96,338+9,6338+9,6338=115,6056млн.тг.
Стоимость сооружения ЛЭП определяется основными ее
параметрами: напряжением, типом опор, маркой проводов и конструкцией фазы,
районом строительства, характеристикой трассы и климатическими условиями и
рассчитывается по выражению 6.2:
КЛЭП = kуд · L · αнв · αр + ΔКр.пр. + ΔКд.гр. + nр.б. · Кр.б. + Ксв. (7.2)
где Куд - удельные показатели стоимости 1 км линии,
соответствующие уровню напряжения и количеству цепей, а также учитывающий
определенные условия прохождения трассы (по равнине, лес - не более 10% от
длины трассы, доставка грузов до трассы - не более 20 км и развозка
оборудования по трассе - не более 10 км);- длина линии;
αнв - поправочный коэффициент,
учитывающий скоростной напор ветра;
ар - коэффициент, учитывающий район прохождения
трассы;
ΔКр.пр. - затраты, учитывающие рубку
просеки в лесу, если лес составляет более 10% длины трассы;
ΔКДГ.р. - затраты, учитывающие
доставку грузов к линии, если условия доставки отличаются от вышеуказанных;р.б.
- количество ремонтных баз вдоль линии;
Кр.б. - затраты на создание и оснащение одной
ремонтной базы;
Ксв. - затраты на создание линий связи вдоль ЛЭП.
Куд=20000 у.е./км.
КЛЭП=L·Куд=12·20000=320000 у.е = 42,28 млн.тг.
Общие капитальные вложения в строительство
энергообъекта определяются по формуле 7.3:
КЭС = КП/СТ + КЛЭП. (7.3)
КЭС=115,6056+42,28=157,8856
млн. тг.
7.2.2
Определение ежегодных издержек производства в подстанции и ЛЭП
Издержки производства п/ст и прилегающих сетей связаны
с затратами на содержание подстанции, распределительных устройств и линий
электропередач.
Кроме того, передача и распределение электроэнергии
связаны с частичной потерей ее при транспортировке по линиям электропередач и
трансформации. Поскольку такие потери связаны с процессом передачи, то их
стоимость включается в состав ежегодных издержек, определяемых по формуле 7.4:
Иперед = Ип/ст +ИЛЭП+ Ипот. (7.4)
где Ип/ст - суммарные затраты на эксплуатацию
подстанции, тенге./год;
ИЛЭП - суммарные затраты на эксплуатацию ЛЭП,
тенге./год;
Ипот - суммарная стоимость потерь в сетях системы,
тенге./год.
Издержки на эксплуатацию ЛЭП:
Иэкс ЛЭП= Еэкспл.лэп·Клэп, (7.5)
где Еэкспл.лэп - коэффициент эксплуатационных издержек ЛЭП
(Еэкспл.лэп=0,028).
Иэкс ЛЭП =0,028·42,28=1,18384 млн. тг.
Амортизация ЛЭП:
Иа ЛЭП= Еа.лэп·КЛЭП, (7.6)
где Еа лэп - коэффициент амортизационных издержек ЛЭП (принимаем Еа.лэп=0,1).
Иа ЛЭП=0,1·42,28=4,228 млн. тг.
Издержки на эксплуатацию подстанции:
Иэкс п/ст= Еэкспл.п/ст·Коб, (7.7)
где Коб - суммарные затраты без стоимости ЛЭП (Еэкспл.обор =0,03).
Иэкс п/ст= 0,03·96,338=2,89014 млн. тг.
Амортизационные издержки на подстанцию:
Иа п/ст= Еа п/ст·Коб, (7.8)
где, Еа п/ст - коэффициент амортизационных издержек подстанции (принимаем
Еа п/ст=0,25, исходя из процесса ускоренной амортизации).
Иа п/ст =0,25·96,338=24,0845 млн. тг.
Издержки на потерю энергии рассчитываются по выражению 7.9:
Ипот=Сo·(Wтргпп+Wлэп), (7.9)
где Wтргпп - потери активной мощности в трансформаторах;лэп - потери
электроэнергии в ЛЭП;
Сo=0,09 у.е/кВт·ч.
Ипот =0,09Ч(323293,2+359452,76)=61450 y.e.=9,27895 млн. тг.
Ежегодные издержки:
Иперед =9,27895+24,0845+2,89014+4,228+1,18384=41,66543
млн.тг.
7.3 Показатели финансовой эффективности
Рассчитаем показатели финансовой эффективности для инвестиционного
проекта по развертыванию электроснабжения.
Для инвестиционных проектов принята система оценочных критериев, которые
позволяют определить его эффективность, выбрать из нескольких инвестиционных
проектов наиболее приемлемый с точки зрения инвестора, определить отдачу
денежных потоков, выбрать наиболее рациональную цену капитала, а так же решить
ряд других задач.
Расчеты эффективности обычно базируются на нулевом или первом году
реализации инвестиционного проекта. Величины инвестиций и денежных потоков
рассматриваются как годовые величины.
Допустим, для реализации проекта подрядчик берет деньги у сахарного
завода и инфляция национальной валюты составляет 8%.
Рассчитаем чистую приведенную стоимость (NPV):
(7.10)
где СF -денежный поток;- банковская процентная ставка (ставка
дисконтирования);- количество лет;- инвестиции.
Ставка дисконтирования используется для приведения будущей стоимости к
стоимости на текущий момент. Расчет ставки дисконтирования производится
по-разному в зависимости от задачи.
Ставка дисконтирования используется при расчете срока окупаемости и оценке
экономической эффективности инвестиций для дисконтирования денежных потоков,
иными словами, для перерасчета стоимости потоков будущих доходов и расходов в
стоимость на настоящий момент. В этом случае в качестве ставки дисконтирования
принимается один из вариантов:
• Темп инфляции;
• Доходность альтернативного проекта;
• Стоимость доступного кредита;
• WACC - cредневзвешенная стоимость капитала;
• Экспертная оценка;
• Желаемая доходность инвестиционного проекта;
• Кумулятивный метод, базирующийся на оценке рисков проекта.
CF=Иа (7.11)
где Иа - амортизация оборудования;
CF=24,0845 млн. тг.
Рассчитаем накопленную величину дисконтированных доходов (PV):
, (7.12)
где CF -денежный поток;- ставка дисконтирования;- количество лет.
Расчёты, приведенные в таблице 6.6.1, показывают, что накопленная
величина дисконтированных доходов составляет 170,1513 млн. тенге.
Рассчитаем индекс рентабельности инвестиций (PI):
, (7.13)
где CF -денежный поток;- ставка дисконтирования;- количество лет;-
инвестиции.
Расчёты показывают, что индекс рентабельности инвестиций больше единицы,
следовательно, его следует принять.
Логика критерия PI такова: он характеризует доход на единицу затрат. В
данном случае на один затраченный тенге приходится 1,023 тенге дохода.
В таблице 7.1 отображен срок окупаемости с учетом дисконтирования - 10
лет.
Таблица 7.1 - Расчет показателей финансовой эффективности
|
Год
|
Денежный поток (млн. тенге)
|
Инвестиции (млн. тенге)
|
r=8%, ставка дисконтирования
|
Нарастающий дисконтированный денежный поток (млн. тенге)
|
|
0
|
-157,886
|
|
|
|
|
1
|
24,0845
|
22,30046
|
0,925926
|
-135,585
|
|
2
|
24,0845
|
20,64858
|
0,857339
|
-114,937
|
|
3
|
24,0845
|
19,11905
|
0,793832
|
-95,8178
|
|
4
|
24,0845
|
17,70283
|
0,73503
|
-78,115
|
|
5
|
24,0845
|
16,39151
|
0,680583
|
-61,7235
|
|
6
|
24,0845
|
15,17732
|
0,63017
|
-46,5462
|
|
7
|
24,0845
|
14,05307
|
0,58349
|
-32,4931
|
|
8
|
24,0845
|
13,01211
|
0,540269
|
-19,481
|
|
9
|
24,0845
|
12,04825
|
0,500249
|
-7,43273
|
|
10
|
24,0845
|
11,15578
|
0,463193
|
3,723055
|
Заключение
Учитывая основную деятельность цеха, можно предположить, что на условия
труда в ремонтно-механическом цехе влияют различные неблагоприятные факторы,
которые отрицательно сказываются на работоспособности рабочего персонала.
Во время механической обработки на металлорежущих станках возникают
факторы, оказывающие неблагоприятные воздействия на человека. Такими факторами
являются вибрация, шум, травмы органов зрения, ожоги открытых частей тела,
увечья и т.п. Наибольшую опасность представляют вращающиеся и движущиеся части
станков, отлетающая горячая стружка, выделение паров и газов при работе со
смазочно-охлаждающей жидкостью (СОЖ) и технических смазок (ТС). При работе на
шлифовальных станках образуется металлическая и абразивная пыль концентрацией
4-6 мг/м3 (предельно допустимая концентрация по ГОСТ 12.01.005-88
составляет 4-10 мг/м3), при работе оборудовании выделяется
избыточное тепло.
Содержание вредных веществ в воздухе рабочей зоны, оптимальные и
допустимые величины показателей микроклимата на рабочих местах, уровень шума,
вибрационная нагрузка на оператора, безопасные условия труда работников,
использующих видеодисплейные терминалы и персональные электронно-вычислительные
машины должны быть обеспечены удовлетворять требованиям соответствующих
нормативных документов, утвержденных в установленном порядке.
Уровень воздействия постоянного магнитного поля, уровень
электростатического поля, уровень напряженности электрического поля
промышленной частоты (50 Гц), уровень напряженности магнитного поля
промышленной частоты (50 Гц), уровни воздействия электромагнитных полей
радиочастот не должны превышать допустимые уровни (значения), установленные
соответствующими нормативными документами, утвержденными в установленном
порядке.
Интенсивность ультрафиолетового излучения (облучения) не должна превышать
допустимые величины, установленные соответствующими санитарными нормами,
утвержденными в установленном порядке.
Физические и химические факторы, сопровождающие работы с ручными
инструментами: вибрация, шум, силовые характеристики, эргономические
характеристики трудового процесса, температура рукояток, теплопроводность
материала рукояток, параметры создаваемого микроклимата, содержание вредных
веществ в рабочей зоне не должны превышать установленные гигиенические нормы
безопасности ручных инструментов и работ с ними.
Для предотвращения воздействия вредных и опасных факторов на рабочих в
ремонтно-механическом цехе обеспечивается проведение паспортизации
санитарно-технического состояния подразделений, разрабатываются и выполняются
комплексные планы улучшения условий и охраны труда и санитарно-оздоровительные
мероприятия. Совместно с руководителями подразделений служба охраны труда
организует своевременное испытание, техническое освидетельствование и регистрацию
различных установок и механизмов.
Устройство электрического освещения производственных,
административно-бытовых и других помещений вновь строящихся и реконструируемых
зданий должно удовлетворять требованиям СНБ 2.04.05-98, других технических
нормативных правовых актов, локальных нормативных правовых актов.
Естественное и искусственное освещение производственных и других
помещений, рабочих мест должно обеспечивать освещенность, достаточную для
безопасного пребывания и передвижения работников, безопасного выполнения работ,
и составлять от 200 до 400 лк в зависимости от назначения помещения.
Организация постоянных рабочих мест без естественного освещения, если это не
определено требованиями проведения технологического процесса, не допускается.
Световые проемы окон не должны загромождаться производственным
оборудованием, готовыми изделиями, полуфабрикатами, тарой и тому подобным как
внутри, так и вне помещения. Остекленная поверхность световых проемов окон
должна регулярно очищаться от пыли и других загрязнений.
Использование источников освещения без осветительной арматуры не
допускается, а в помещениях с возможным выделением органической пыли
осветительная аппаратура устраивается во взрывобезопасном исполнении.
Осветительные приборы и арматура должны содержаться в чистоте и очищаться
по мере загрязнения. Очистка светильников и замена перегоревших ламп
производятся электротехническим персоналом с устройств, обеспечивающих удобный
и безопасный доступ к светильникам.
Для осмотра внутренних поверхностей аппаратов и емкостей допускается
использование переносных светильников напряжением не выше 12 В, выполненных во
взрывозащищенном исполнении.
В случае изменений в назначении производственного помещения, а также при
перестановке или замене одного оборудования другим осветительные установки
должны быть переоборудованы и приспособлены к новым условиям в соответствии с
нормами освещенности.
Уровень воздействия постоянного магнитного поля, уровень
электростатического поля, уровень напряженности электрического поля промышленной
частоты (50 Гц), уровень напряженности магнитного поля промышленной частоты (50
Гц), уровни воздействия электромагнитных полей радиочастот не должны превышать
допустимые уровни (значения), установленные соответствующими нормативными
документами, утвержденными в установленном порядке.
Вибрация - в механических цехах источниками общей вибрации являются
компрессоры, воздуходувки, вентиляторы и тому подобное.
Для защиты от локальной вибрации в механическом цехе применяют
индивидуальные защитные средства. К ним относятся виброзащитные рукавицы. Шьют
их из хлопчатобумажной ткани, усиленной на ладони кожей. Под кожу вшивается
антивибрационный вкладыш из вспененного поливинилхлорида. Для работы с
вибрирующим инструментом и оборудованием в холодное время года изготавливаются
рукавицы удлинённые.
Список использованной литературы
1. Неклепаев
Б.Н., Крючков И.П. Электрическая часть электростанций и подстанций: Справочные
материалы для курсового и дипломного проектирования. - М.: Энергоатомиздат,
1989.
. ГОСТ
27514-87. Короткие замыкания в электроустановках. Методы расчета в
электроустановках переменного тока напряжением свыше 1 кВ.
. Попов В.А.,
Кушкова Е.И. Методы практического расчета начального значения периодической
составляющей тока трехфазного короткого замыкания. М.у. к практическим занятиям
и лабораторной работе. - Киров, ВятГУ, 2011
. Попов В.А.,
Кушкова Е.И. Установившийся режим короткого замыкания. М.у. к практическим
занятиям и лабораторной работе. - Киров, ВятГУ, 2010.
. Кушкова
Е.И. Расчет ударного тока, апериодической и периодической составляющих тока в
произвольный момент времени при трехфазном коротком замыкании. М.у. к
практическим занятиям и лабораторной работе. - Киров, ВятГУ, 2009.
. Кушкова
Е.И. Расчет несимметричных коротких замыканий. М.у. к практическим занятиям и
лабораторной работе. - Киров, ВятГУ, 2010.