Микропроцессорное устройство управления

  • Вид работы:
    Курсовая работа (т)
  • Предмет:
    Информатика, ВТ, телекоммуникации
  • Язык:
    Русский
    ,
    Формат файла:
    MS Word
    409,94 Кб
  • Опубликовано:
    2014-10-31
Вы можете узнать стоимость помощи в написании студенческой работы.
Помощь в написании работы, которую точно примут!

Микропроцессорное устройство управления

Введение

Сегодня в мире ежедневно успешно проектируется и используется огромное количество различных электронных устройств и систем. Современная жизнь немыслима без компьютеров, а сам факт, что сейчас на экранах мониторов вы читаете эту статью, стал возможен только благодаря сети Интернет и возможностям современной науки и электронной техники. Однако многие устройства человек использует чаще компьютеров. Без этих устройств уже нельзя вообразить нашу повседневную жизнь, такой, как мы привыкли ее видеть. Это встроенные приборы, управляемые различными микроконтроллерами. К примеру, банкомат построен на базе несложного терминала, который имеет сетевое подключение, и интерфейсные модули для дисплея, клавиатуры, устройству выдачи купюр и так далее. Всем знакомые электронные часы, управляются микросхемой, отсчитывающей отрезки времени в микросекундах и отображающей на экране текущее время. А сотовый телефон и вовсе имеет собственную операционную систему, со своими файлами, директориями и подпрограммами.

Первой компьютерной системой на кристалле специально созданной для управления - микроконтроллером, была микросхема Intel 8048 <#"802249.files/image001.gif">

Рис. 1.1. Функциональная схема устройства

Микропроцессорная система.

·        Микроконтроллер PIC18F8680 со встроенными модулями EUSART, SPI.

·        3-канальный 12-разрядный АЦП MAX1247 с SPI-интерфейсом.

·        1-канальный 10-разрядный ЦАП AD561.

·        Клавиатура 20 клавиш (матрица 5*4)

·        LCD-индикатор ACM-1602

·        Схема сопряжения в фотоимпульсным датчиком углового положения ФИ2.

Ввод данных в устройство:

·        Аналоговые сигналы (3 канала) - через АЦП.

·        Числовые данные и управление функциями - через клавиатуру.

·        Цифровая информация с внешних цифровых источников через интерфейс RS-485.

·        Фотоимпульсный датчик.

Вывод данных из устройства:

·        Аналоговый сигнал управления (1 канал) - через ЦАП.

·        Цифровая и буквенная информация - через дисплей.

·        Данные о текущем состоянии устройства и цифровые данные для внешних цифровых устройств - через интерфейс RS-485.

. Описание принципиальной схемы

Описание основных блоков устройства и обоснование выбора элементной базы, а также общее описание функционирования.

.1 Микроконтроллер PIC18F8680

18F8680 - 8-разрядный микроконтроллер с RISC-архитектурой фирмы Microchip. Он служит основой системы. Наличие в задании требования реализации интерфейса SPI и RS-485 привело к решению применить микроконтроллер со встроенными модулями этих интерфейсов. Выбор архитектуры PIC вызван предыдущим опытом работы с процессорами данного типа, богатым функциональным оснащением и высоким быстродействием кристалла при умеренной цене. На рисунке 2.1.1 приведена функциональная схема.

Основные особенности микроконтроллера:

1)      8-разрядная RISC архитектура: 35 команд (большинство выполняется за 1 м.ц.), производительность до 10 миллионов операций в секунду при тактовой частоте 40 МГц;

2)      64 кБайт FLASH-памяти программ, программируемой внутрисхемно;

)        4 кБайт энергонезависимой памяти данных;

)        1 кБайт встроенной статической оперативной памяти;

)        2 16-разрядных и 2 8-разрядных таймера-счетчика

)        Модули EUSART и SPI;

7)      16-канальный 10-разрядный АЦП;

)        программируемый сторожевой таймер;

)        встроенный генератор сигнала сброса при включении питания и по снижению уровня напряжения питания;

.

Рис. 2.1.1. Функциональная схема.

Микроконтроллеры семейства PIC имеют эффективную систему команд, состоящую всего из 35 инструкций. Все инструкции выполняются за один цикл, за исключением условных переходов и команд, изменяющих программный счетчик, которые выполняются за 2 цикла. Один цикл выполнения инструкции состоит из 4 периодов тактовой частоты. Таким образом, учитывая то, что рабочая частота контроллера составляет 0 Гц ... 20 МГц, минимальное время выполнения инструкции равняется 200 нс. Каждая инструкция состоит из 14 бит, делящихся на код операции и операнд (возможна манипуляция с регистрами, ячейками памяти и непосредственными данными).

Высокая скорость выполнения команд в PIC достигается за счет использования двухшинной Гарвардской архитектуры вместо традиционной одношинной Фон-Hеймановской. Гарвардская архитектура основывается на наборе регистров с разделенными шинами и адресным пространством для команд и для данных. Набор регистров означает, что все программные объекты, такие как порты ввода/вывода, ячейки памяти и таймер, представляют собой физически реализованные аппаратные регистры.

На рис.2.1.2 представлена карта памяти данного микроконтроллера.

Рис.2.1.2. Карта памяти

Программирование контроллера осуществляется любым программатором, совместимым с процессорами PIC, через стандартизованный разъем.

Тактирование МК будет осуществляться от внутреннего RC-генератора с частотой 4 МГц При этом на выводе RA6 получим тактовый сигнал с частотой в 4 раза меньшей, чем частота RC-генератора. Этот вывод будет задействован для синхронизации внешней логики.

.2. Интерфейс RS-485

Интерфейс RS-485 (другое название - EIA/TIA-485) - один из наиболее распространенных стандартов физического уровня связи. Физический уровень - это канал связи и способ передачи сигнала (1 уровень модели взаимосвязи открытых систем OSI).

Сеть, построенная на интерфейсе RS-485, представляет собой приемопередатчики, соединенные при помощи витой пары - двух скрученных проводов. В основе интерфейса RS-485 лежит принцип дифференциальной (балансной) передачи данных. Суть его заключается в передаче одного сигнала по двум проводам. Причем по одному проводу (условно A) идет оригинальный сигнал, а по другому (условно B) - его инверсная копия. Другими словами, если на одном проводе "1", то на другом "0" и наоборот. Таким образом, между двумя проводами витой пары всегда есть разность потенциалов: при "1" она положительна, при "0" - отрицательна (рис.2.2.1).

Рис.2.2.1. Принцип передачи сигнала.

Именно этой разностью потенциалов и передается сигнал. Такой способ передачи обеспечивает высокую устойчивость к синфазной помехе. Синфазной называют помеху, действующую на оба провода линии одинаково. К примеру, электромагнитная волна, проходя через участок линии связи, наводит в обоих проводах потенциал. Если сигнал передается потенциалом в одном проводе относительно общего, как в RS-232, то наводка на этот провод может исказить сигнал относительно хорошо поглощающего наводки общего ("земли"). Кроме того, на сопротивлении длинного общего провода будет падать разность потенциалов земель - дополнительный источник искажений. А при дифференциальной передаче искажения не происходит. В самом деле, если два провода пролегают близко друг к другу, да еще перевиты, то наводка на оба провода одинакова. Потенциал в обоих одинаково нагруженных проводах изменяется одинаково, при этом информативная разность потенциалов остается без изменений. Аппаратная реализация интерфейса - микросхемы приемопередатчиков с дифференциальными входами/выходами (к линии) и цифровыми портами.- полудуплексный интерфейс. Прием и передача идут по одной паре проводов с разделением по времени. В сети может быть много передатчиков, так как они могут отключаются в режиме приема.

Цифровой выход приемника (RO) подключается к порту приемника (RX). Цифровой вход передатчика (DI) к порту передатчика (TX). Поскольку на дифференциальной стороне приемник и передатчик соединены, то во время приема нужно отключать передатчик, а во время передачи - приемник. Для этого служат управляющие входы - разрешение приемника (RE) и разрешения передатчика (DE). Так как вход RE инверсный, то его можно соединить с DE и переключать приемник и передатчик одним сигналом с любого порта контроллера. При уровне "0" - работа на прием, при "1" - на передачу. Драйвер подключается согласно рис.2.2.2

 <#"802249.files/image006.gif"> <#"802249.files/image007.jpg">

Рис. 2.3.1. Униполярный режим 0-10В

Отличительные особенности:

·              Встроенный высокостабильный источник опорного напряжение на стабилитроне

·              Лазерная подгонка параметров при производстве (максимальная погрешность 1/4 LSB для AD561K, T)

·              Быстрое время установления выхода - 250 нс с погрешностью в 1/2 LSB

·              Гарантируется монотонность передаточной характеристики во все температурном диапазоне.

·              Совместимость цифровых входов с уровнями ТТЛ, ДТЛ и КМОП

·              Монолитная конструкция в виде микросхемы

·              Доступность в малогабаритных корпусах

·              Доступность военно-промышленного исполнения MIL-STD-883

Назначение выводов АЦП описывается в табл.1.

Табл.1

BIPOLAR OFFSET

Выход напряжения смещения для двуполярного режима. Не используется.

SPN

Вывод резистора цепи обратной связи.

Iout

Аналоговый выход ЦАП

D1-D10

-15

Питание -15В

+5

Питание + 5В

GROUND

Общий


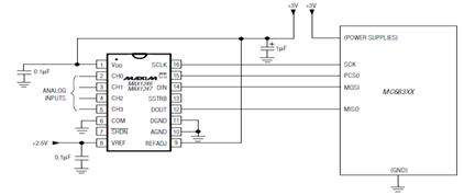
.4 Аналого-цифровой преобразователь MAX1247

MAX1247-это 4-канальные 12-разрядные системы сбора данных, которые содержат 4-канальный мультиплексор, широкополосное устройство выборки и хранения, последовательный интерфейс с высокой скоростью преобразования и обладает низким энергопотреблением. Аналоговые входы являются программно конфигурируемыми для работы в униполярном, биполярном и симметричном и дифференциальном режимах.

-проводной последовательный интерфейс напрямую сопрягается с устройствами SPI без использования дополнительных логических согласующих ИС (рис.2.4.1). Данные преобразователи построены по методу последовательного приближения.

MAX1247 имеет вход аппаратного управления режимом отключения SHDN (активный-НИЗКИЙ) и программно выбираемый режим отключения, и могут быть запрограммированы на автоматическое отключение по завершению преобразования. Обращение к последовательному интерфейсу автоматически активизирует ИС, а малое время включения позволяет приборам быть отключенными между преобразованиями, что дополнительно снижает потребляемый ток. Данная микросхема поставляется в корпусах DIP и QSOP.

Рис.2.4.1. Подключение к МК

Определим выводы, которые будут задействованы для реализации поставленной задачи:

·        CH0,CH1,CH3 - входы, по которым ведется снятие аналоговых сигналов с внешних датчиков (3 канала)

·        COM - общий вывод для аналоговых входов

·        SCLK, Din,Dout,CS - выходы АЦП, по которым осуществляется передача данных в МК по SPI интерфейсу. Они подключаются к выводам RC3,RC5,RC4,RF7 микроконтроллера соответственно.

·        Vcc,AGND,DGND - силовые выводы для питания микросхемы

·        SSTRB - используется для определения занятости АЦП.

·        Остальные выводы не используются.

В табл.2 представлено подробное описание выводов микросхемы.

Табл.2

AGND,DGND

Аналоговый и цифровой общий вывод микросхемы.

CH0-CH3

Аналоговые входы 0-3.

COM

Общий вывод для аналоговых входов.

CS

Выбор кристалла

Din

Вход последовательных данных.

Dout

Выход последовательных данных.

Refadj

Вход буферного усилителя ИОН. Соединен с Vcc

SCLK

Вход последовательного тактового сигнала.

SHDN

Вход выключения. Низкий уровень отключает прибор.

SSTRB

Выход последовательного строба. Низкий уровень- прибор преобразует, Высокий-преобразование закончено.

Vcc

Положительное напряжение питания

Vref

Вход/выход опорного напряжения. Отключен.


.5 Подключение клавиатуры

Для ввода цифровой и буквенной информации в приложениях на базе микроконтроллеров используются клавиатуры. Клавиатура представляет собой блок из нескольких кнопок, объединенных конструктивно и связанных между собой электрически по матричной схеме.

Порты, подключенные к строкам, настроены на выход и в начальном состоянии на этих выводах напряжение логического нуля. Порты, подключенные к столбцам, настроены на вход, внутренние подтягивающие резисторы отключены и эти линии “придавлены к нулю питания” с помощью внешних резисторов номиналом в 10 КОм.

Процедура сканирования клавиатуры выглядит следующим образом. Выставляем 1 на выводе RA0 и проверяем состояние выводов RB2-RB5. Если на каком-либо из выводов установлена 1, значит, на клавиатуре в данный момент нажата кнопка, подключенная к первой строке. Сохраняем биты RA0-RA5 и RB2-RB5- по этому коды мы будем определять номер нажатой кнопки. Если ни одна из кнопок не нажата, продолжаем процедуру сканирования.

Сбрасываем 1 на выводе RA0 и устанавливаем 1 на выводе PD1. Снова проверяем состояние выводов RB2-RB5, и в случае нажатия кнопки сохраняем биты RA0-RA5 и RB2-RB5 в переменной.

Повторяем описанную последовательность для оставшихся строк.

Переключения кнопок клавиатуры сопровождаются дребезгом контактов, который микроконтроллер может “воспринимать” как многократные нажатия. В приложениях, использующих клавиатуры, это нежелательное явление, поэтому в программе опроса клавиатуры обязательно должна быть какая-нибудь защита. Обычно делают так - факт нажатия кнопки регистрируется, если она удерживается в течение нескольких циклов опроса.

Код, получаемый в процессе сканирования клавиатуры, часто требуется преобразовать в символьное значение номера/буквы кнопки (например, для передачи по USART`у). Для этого можно создать таблицу перекодировки - двумерный массив. В первом столбце таблицы будут храниться коды кнопок, а во втором соответствующие символьные значения. Методом последовательного перебора в таблице можно находить нужное значение.

2.6 Осуществление индикации

Для отображения информации будет использоваться LCD индикатор ACM-1602. Его характеристики приведены ниже в таблицах 3 и 4.

Табл.3

Тип модуля

знакосинтезирующий (текстовый) ЖКИ

Формат модуля

16 x 2

Тип поляризатора

полупрозрачный (transflective)

Подсветка

желто-зеленая светодиодная

Тип стекла

STN серый

Угол обзора

6:00 часов (bottom view)

Температурный диапазон

Расширенный, -20..+70 °С

KS0066U (аналог HD44780)

Кодировка

английская + русская

Габариты модуля

80.0 (W) x 36.0 (H) x 13.5 (D) мм

Размер точки (пикселя)

0.56 (W) x 0.61 (H) мм


Табл.4

Напряжение питания модуля

4.75 - 5.25 В

Потребляемый ток (модуль)

1.5 - 2.5 мА

Потребляемый ток (подсветка)

160 мА (при 5.0 В)


Функциональная схема индикатора представлена на рис.2.6.1.

Рис.2.6.1. Функциональная схема.

Нумерация выводов произведена непосредственно на печатной плате индикатора, их назначение определяется согласно табл. 5.

Табл.5

Название

Описание

вывода

вывода


1

Vss

Питание модуля (-) , «земля»

2

Vdd

Питание модуля (+)

3

Vo

Напряжение смещения (управление контрастностью)

4

RS

Регистр управления (1 - данные, 0 - команды)

5

R/W

1 - чтение, 0 - запись

6

E

Строб

7

DB0


8

DB1


9

DB2


10

DB3

Шина команды / данные

11

DB4


12

DB5


13

DB6


14

DB7


+

BL+

Питание подсветки (+) +5.0 В

-

BL-

Питание подсветки (-) 0 В


Подключение к МК:

·                  RS,R/W,E - входы управления режимами индикатора, которые подключаются к выводам RG0-RG2 микроконтроллера соответственно.

·        DB0-DB7 - входы данных, подключаемые к выводам RF0-RF6,RE7 соответственно.

·        V0,Vdd,BL+ - выводы питания и управления подсветкой, подключаются к +5V.

·        Vss,BL- - общие выводы, подключаемые к аналоговой земле.


Основным элементом ФИД является прозрачный диск с нанесенными на него рисками, количество которых достигается нескольких тысяч. При повороте диска, луч света, излучаемый источником ИС, модулируется рисками и воспринимается фотоприемниками ФП. Электрические сигналы от ФП преобразуются электронным преобразователем ЭП в систему электрических сигналов, которые подаются на микроконтроллер.

В качестве электронного преобразователя рассматривается следующая схема сопряжения ФИД с цифровой системой(рис.2.7.1).

Риc.2.7.1. Структурная схема сопряжения ФИ датчика.

В качестве гальванической развязки используются двухканальная оптопара диод-транзистор.

Мажоритарный элемент имеет нечетное число входов и один выход. Сигнал на выходе элемента получает то значение, которое имеется на большинстве его входов. Принцип формирования выходного сигнала заключается в сдвиге информационного сигнала на N тактов.

Поскольку мажоритарный элемент используется для выявления и устранения кратковременных импульсных помех, то сначала необходимо выполнить сдвиг информационного сигнала на некоторое количество тактов.

Для данной схемы возможны всего 4 комбинации (табл.6):

Табл.6.

А'

А

А

1

1

0

1

0

1

0

1

1

1

1

1


Схема мажоритарного фильтра будет иметь вид (рис.2.7.2):

Рис. 2.7.2. Схема мажоритарного элемента

Работа представленного мажоритарного фильтра представлена на временных диаграммах (рис. 2.7.3)

Рис. 2.7.3. Временные диаграммы работы мажоритарного фильтра

Для реализации схемы мажоритарного фильтра будем использовать одну микросхему К555ТМ9, которая включает в себя 6 D-триггеров, 1 микросхему К555ЛП13 в качестве мажоритарного элемента.

Для выделения импульсов будем использовать распространенную схему, собранную на мультиплексоре (К555КП2) и D-триггере (К555ТМ8).

Основной принцип работы схемы заключается в сдвиге сигналов с канала на один такт и подача прямого и инверсного сдвинутого сигнала на входы мультиплексора. Для формирования конечных импульсов данные сигналы поочередно передаются на выход мультиплексора с каждого информационного входа. Диаграмма выделения импульсов представлена на рис.2.7.4.

Рис. 2.7.4. Диаграммы работы схемы выделения импульсов

Для того, чтобы учесть все фронты и спады сигналов A и B, необходимо, чтобы частота импульсов CLK была минимум в 10 раз выше, чем частота вращения двигателя. Скоростью вращения двигателя max = 3000 об/мин = 50 об/с. Исходя из этих условий рассчитаем минимальную частоту синхроимпульсов:

.

Возьмём частоту с генератора (вывод RA6) микроконтроллера.

Рассчитаем требуемую разрядность реверсивных счётчиков:


где

fmax = 50 Гц - максимальная скорость вращения двигателя

 = 0.001 - периодичность опроса датчика

N = 2048 - число импульсов на оборот поступающее с датчика

K =2 - коэффициент умножения

Следовательно, для ФИх2 n=8

Для подсчета импульсов будем использовать реверсивные счетчики, информация с которых будет поступать на регистр данных, а затем по командам микроконтроллера считываться и обрабатываться. Данная информация представляет собой приращение угла за период считывания сигналов с датчиков.

Исходя из расчета, для реализации 8-разрядного счетчика будем использовать две микросхемы 4-разрядных реверсивных двоичных счетчиков К555ИЕ7, соединенных по схеме увеличения разрядности до 8.

Для передачи данных в микроконтроллер используется микросхема буферного регистра К555ИР35. Для передачи данных,записанных в регистр,он подключается к выводам порта RE

.                  
Расчет блока питания

Блок питания является одной из самых важных частей любой схемы, т.к. именно от него зависит надежность функционирования всей схемы.

В нашей схеме будет использоваться: однофазная мостовая схема выпрямления, сглаживающие конденсаторы, интегральные стабилизаторы. В качестве стабилизаторов напряжения возьмем: LM7805(+5B) - 3шт., LM7815(+15B),LM337(-15B).

В табл.7 приведен подсчет потребляемых схемой токов.

Табл.7

Обмотка 2

Обмотка 3

Обмотка 4а

Обмотка 4b

Обмотка 5

1

     Питает ФИ2-датчик

2,5 мА

6 мА

6 мА

162 мА

2


10 мА


16 мА

18 мА





18 мА

4





24 мА

5





66 мА

6





27 мА

7





300 мА

Сумма


12,5 мА

6 мА

22 мА

615 мА


Расчет параметров трансформатора

Минимальное значение вторичного переменного напряжения:

,

где  - коэффициент схемы выпрямления, ;

=0,95 - коэффициент, учитывающий возможное понижение напряжения сети;

- выпрямленное напряжение

В,

В

В

Ток вторичной обмотки трансформатора:

,

где    - коэффициент фазного тока, ;

=1,05-коэффициент, учитывающий отклонение формы тока от прямоугольной

А,

А

А

А

Расчетная типовая мощность

,

где     - коэффициент типовой мощности трансформатора, ;

 - коэффициент схемы выпрямления, .

ВА.

Т.о. выберем трансформатор BJ146K, у которого три вторичных обмотки на 12В и одна обмотка с нулевым выводом 24В-0-24В.

Выбор диодов

Среднее значение выпрямленного тока через диод:

,

где  - коэффициент среднего тока вентиля, ;

=1,1 - коэффициент, учитывающий неравномерность распределения тока по фазе

А

А

А

Диод выбираем из условия  (- номинальный ток диода);

Амплитуда импульсного рабочего напряжения:

,

где  - коэффициент обратных напряжений, .

В

В


На основании вышеприведенных расчетов из справочника выбирается диодный мост КЦ410Б (блоки из кремневых диффузионных диодов) (100 В, 3 А), который удовлетворяет требованиям всех обмоток.

Выбор сглаживающих конденсаторов

Для обмоток 2,3 и 5:

Вычисляется время заряда конденсатора (в течение которого ток потребляется от сети). Так как напряжение изменяется по синусоидальному закону, используем для расчета формулу тригонометрии:

t(зар) = (arccos(Umin/Umax))/(2*pi*f)

Для синусоиды Umax = Uвх*1.41=(12-1,6)*1.41= 14,7 В, т.е.

t(зар) = (arccos(9/11,4))/(2*3.141*50) = 0.0021 c

Вычисляется время разряда конденсатора:

(раз) = T-t(зар)

В мостовом выпрямителе T = (1/f)/2 = 1/50/2=0.01с

t(раз) = 0.01-0.0021 = 0.0079 с

Находится емкость конденсатора, на которой за время t(раз) при токе нагрузки Iнагр напряжение с Umax уменьшится до Umin:

C = Iнагр*dt/dU,

в нашем случае dt это t(раз), а dU является разница (Umax-Umin)

С1=C2 = 0,0125*0.0079/(14,7-12,7) = 0.0000494Ф = 49,4 мкФ

5 = 0,615*0.0079/2 = 2429 мкФ

Для обмотки 4а:

(зар) = (arccos(Umin/Umax))/(2*pi*f)(зар) = (arccos(19/22,4))/(2*3.141*50) = 0.00178 c(раз) = T-t(зар)

C3 = 0,006*0.0082/(31,6-26,9) = 10,4 мкФ

Для обмотки 4б:

(зар) = (arccos(Umin/Umax))/(2*pi*f)(зар) = (arccos(15/22,4))/(2*3.141*50) = 0.0027 c(раз) = T-t(зар)(раз) = 0.01-0.0027 = 0.0073 с

C4 = 0,022*0.0073/(31,6-21,2) =15,4 мкФ

Т.о. согласно расчету выберем следующие конденсаторы:

С1,С2- 100 мкФ x 16 В

С3,С4- 22 мкФ x 63 В

С5- 4700 мкФ x 25 В

Для получения напряжения -15В на выходе стабилизатора LM337 необходимо рассчитать номиналы сопротивлений R9 и R10.

 

Согласно формуле возьмем сопротивления: R9=11кОм, R10=1 кОм

Номиналы конденсаторов для стабилизаторов берутся согласно рекомендациям производителя из прилагаемой к ним документации.

Для выбора самовосстанавливающегося предохранителя необходимо определить потребляемые схемой токи.

Т.о. выбираем самовосстанавливающийся предохранитель на 700 мА.

. Программа вывода на ЦАП

Блок-схема программы


В блоке 1 производится первоначальная настройка: подключение необходимых директив, составление конфигурационного слова, программирование используемых портов микроконтроллера на вывод информации.

В блоке 2 осуществляется непосредственный вывод цифрового кода на входы ЦАП.

В задании не оговорено какая именно информация будет выводиться на ЦАП, поэтому соответствующего звена, изменяющего значение преобразуемого кода, на блок-схеме нет.

В случае получения конкретного источника соответствующий блок можно включить в цикл между 1 и 2 блоками.

Ассемблерный код

LIST p=p18f8680 ; директива LIST

#include <p18f8680.INC> ; подключение вспомогательного файла

; Настройка битов конфигурации

__CONFIG _INTRC_OSC_CLKOUT & _WDT_ON & _PWRTE_ON & _BODEN_OFF

;======================================================

org 0x00 ;начало памяти программ

CLRF PORTD ;настройка порта D на выход

MOVLW 00h ;

MOVWF LATD ;

BCF PORTG,4 ;настройка старших битов порта G на выход

BCF PORTG,5 ;

BCF LATG,4                                ;

BCF LATG,5 ;: BTFSC 00h,0 ;0 бит регистра 00h равен 0?

BSF PORTG,0 ;если нет, то устанавливаем 0 бит PORTG в 1

BCF PORTG,0 ;если да, то в 0

BTFSC 00h,1 ;1 бит регистра 00h равен 0?

BSF PORTG,1 ;если нет, то устанавливаем 1 бит PORTG в 1

BCF PORTG,1 ;если да, то в 0

MOVFF 01h,PORTD ;копируем содержимое регистра 01h в PORTD

GOTO START

end

Заключение

В данном курсовом проекте было разработано микропроцессорное управляющее устройство на базе микропроцессора PIC18F8680. В состав устройства также вошли: клавиатура на 20 клавиш, 12-разрядный 4 канальный АЦП, 10-разрядный 1 канальный ЦАП,

LCD-дисплей, ФИ2 датчик и 2 линии прерываний. Полученная система управления способна обмениваться данными с другими внешними устройствами посредством связи по интерфейсу RS-485.

Список использованных источников

1.       Microchip PIC18F8680 8-bit microcontroller Datasheet.

2.      Analog Devices AD561 datasheet

.        MAX1246/1247 Analog-to-Digital Converter Datasheet.

.        Series LM7805/7615, LM337 Datasheet

5.      Жидкокристаллический модуль ACM-1602 - информ-лист

Похожие работы на - Микропроцессорное устройство управления

 

Не нашли материал для своей работы?
Поможем написать уникальную работу
Без плагиата!
Без нейросетей!