Исследование режимов биполярного транзистора

  • Вид работы:
    Практическое задание
  • Предмет:
    Информатика, ВТ, телекоммуникации
  • Язык:
    Русский
    ,
    Формат файла:
    MS Word
    490,05 Кб
  • Опубликовано:
    2014-08-19
Вы можете узнать стоимость помощи в написании студенческой работы.
Помощь в написании работы, которую точно примут!

Исследование режимов биполярного транзистора

Федеральное агентство по образованию

Государственное образовательное учреждение высшего профессионального образования

"ТОМСКИЙ ПОЛИТЕХНИЧЕСКИЙ УНИВЕРСИТЕТ"

Институт - Кибернетики

Направление - 230100 "Информатика и вычислительная техника"

Кафедра - Оптимизации систем управления




Исследование режимов биполярного транзистора

по курсу "Электроника"

 

 

 




 







 

Томск 2010

Цель работы

- получение практических навыков схемного введения биполярного транзистора в заданный режим покоя;

- определение основных свойств транзистора в усилительном и ключевых режимах;

овладение методикой работы в учебной лаборатории в программно-аппаратной среде NI ELVIS.

Задачи работы:

снятие вольтамперной характеристики (ВАХ) биполярного транзистора VT1, используя анализатор (Three-wire Current-Voltage Analyzers) и сохранение данных для отчета;

приобретение навыков исследования режимов работы транзистора с привлечением регулируемого источника питания (Variable Power Supplies), цифрового мультиметра (Digital Multimeter - DMM), функционального генератора ( FGEN) и осциллографа (Scope);

- обработка полученных экспериментальных данных, подготовка и защита отчета.

Ход работы:

Получение ВАХ биполярного транзистора

Снятие выходных ВАХ биполярного транзистора VT1

Собрали следующую схему:

Рис. 1. Схема эксперимента для снятия выходных ВАХ транзистора в программно-аппаратной среде NI ELVIS

В меню запуска инструментов NI ELVIS выбрали функцию Three-wire Current Voltage Analyzer (трехпроводной вольтамперной анализатор).

Рис. 2. Выходные ВАХ биполярного транзистора

Рис. 3. Снятие входных ВАХ биполярного транзистора

Рис. 4. Схемы для снятия входных ВАХ транзистора в программно-аппаратной среде NI ELVIS: а) Uкэ=0V; б) Uкэ=+5V


В меню запуска инструментов NI ELVIS выбрали функцию Two-wire Current Voltage Analyzer (двухпроводной вольтамперной анализатор).


При Uкэ =0 график ВАХа транзистора мало отличается от графика ВАХа кремниевого точечного диода - в этом случае транзистор ведет себя как обычный диод. При увеличении Uкэ график ВАХ становится более крутой и смещается вправо.

Рис.7. ВАХи биполярного транзистора при UКЭ =0 (красная) и 5 (синяя) В

Исследование усилительного режима транзистора

Регулирование координат рабочей точки покоя.

Собрали схему эксперимента (рис. 8):

Рис. 8. Схема эксперимента для измерения координат рабочих точек транзистора

Вызвали из меню NI ELVIS регулируемый источник питания (VPS), цифровой мультиметр (DMM) в режиме измерения напряжения постоянного тока (V=) и осциллограф (Scope) при открытом его входе.

На графике зависимость  - прямая. Поэтому построили нагрузочную прямую по двум точкам, характеризующим режимы холостого хода и короткого замыкания.

Для режима короткого замыкания: ,

Для режима холостого хода: ,

Полученная нагрузочная прямая по постоянному току показана на выходных ВАХ транзистора (рис. 3).

Произвели расчет ориентировочных значений Supply+ для трех рабочих точек с координатами UКЭ1 = 2 В, UКЭ2 = 5 В, UКЭ3 = 7 В, используя приближенную формулу: .


На виртуальной панели источника VPS изменили значения Supply+ до получения значений UКЭ1 = 2 В, UКЭ2 = 5 В, UКЭ3 = 7В.

UКЭ = 2 В при Supply+ = 8.6 ВКЭ = 5 В при Supply+ = 5 ВКЭ = 7 В при Supply+ = 2.6 В

Изменения напряжения Supply+ ведут к изменению координат рабочей точки. При этом новые координаты рабочей точки находятся на нагрузочной прямой.

Задались координатой рабочей точки транзистора при UКЭ2 = 5 В, Iк=2.7 мкА, полученной из предыдущего пункта, и определили в окрестностях этой точки значения h-параметров транзистора, выполнив построения как показано на рис. 9.

Рис. 9. Графические построения для определения h-параметров

Параметр h11Э схемы с ОЭ на семействе входных характеристик в рабочей точке А в соответствии с графическими построениями:


Коэффициент h12Э посчитать невозможно, т.к. нельзя определить напряжение при токе базы 40 мкА для UКЭ=5 В.

В рабочей точке А на выходных характеристиках определили параметры h21Э и h22Э:


Физический смысл соответствующих коэффициентов следующий:

h11 - входное сопротивление при коротком замыкании на выходе;

h12 - коэффициент обратной связи по напряжению;

h21 - коэффициент передачи тока при коротком замыкании на выходе;

h22 - выходная проводимость при холостом ходе на выходе.

Зафиксировали изменения координат рабочей точки с помощью осциллографа. Использовали открытый вход осциллографа (Coupling) no Canned A, включим Display (On) и Cursor (On). Пронаблюдали на экране осциллографа изменение координаты UКЭ рабочей точки при вариации напряжения Supply+. Установили последовательно значения Supply+1 (рисунок 8), Supply+2 (рисунок 9), Supply+3 (рисунок 10) предыдущего пункта и с помощью курсора определили UКЭ1, UКЭ2, UКЭ3.

Рис. 10. Осциллограмма изменения координаты UКЭ рабочей точки при напряжении Supply+2

Рис. 11. Осциллограмма изменения координаты UКЭ рабочей точки при напряжении Supply+5

Рис. 12. Осциллограмма изменения координаты UКЭ рабочей точки при напряжении Supply+7

Построили на выходных ВАХ транзистора три нагрузочные прямые по переменному току, соответствующие включенной дополнительной нагрузке RL для трех режимов покоя при UКЭ1= 2 В, UКЭ2=5 В, UКЭ3 = 7 В (рисунок 11).

биполярный транзистор покой elvis

Нагрузочные прямые по переменному току проходят через соответствующие точки режима покоя:


и точки с координатами:


Рис. 13. Нагрузочные прямые по переменному току

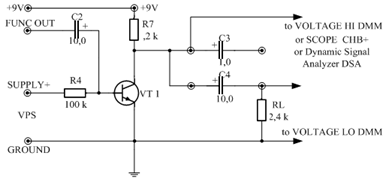
Собрали схему, изображенную на рисунке 14. Установили на FGEN частоту гармонического сигнала 1 кГц, значение 10 мВ.

Рис. 14. Схема усилительного каскада ОЭ на биполярном транзисторе

С помощью временных диаграмм с осциллографа экспериментально определили максимальную амплитуду выходного гармонического напряжения при выключенной и включенной нагрузке RL.

Таблица 1. Амплитудные значения выходного напряжения при изменении входного

 Значение Uвых max

Значение UКЭ


UКЭ1= 0 В

UКЭ1= 2 В

UКЭ2=5 В

UКЭ3 = 7 В


R7

R7,RL

R7,RL

R7

R7,RL

R7, RL

FGEN = 10 мВ

8.92

8.91


8.32

6.68

6.40

4.80

FGEN = 20 мВ


8.91


8.42


6.84

5.40

FGEN = 30 мВ


8.91


8.50


7.12

5.91

FGEN = 40 мВ


8.91


8.55


7.35

6.31

FGEN = 50 мВ


8.91


8.60


7.62

6.95


Из таблицы видно, что максимальная амплитуда выходного напряжения достигается в рабочей точке с Uкэ = 2 В. Значение Uвых max, полученное экспериментально хорошо согласуется со значением, полученным теоретически по нагрузочным прямым на выходных ВАХ транзистора.

Определили коэффициент усиления каскада при Uкэ= 5 В:


Стабильная работа каскада без искажений обеспечивается за счет оптимального выбора рабочей точки и обеспечения соответствующего входного напряжения.

Если будут усиливаться однополярные входные сигналы положительной полярности, то целесообразнее взять рабочую точку в режиме покоя при UКЭ1= 2 В, а для входных сигналов с отрицательной полярностью - UКЭ3 = 7 В. Так как при увеличении входного сигнала произойдёт в первом случае сначала ограничение отрицательной полуволны, а во втором - положительной.

Исследование ключевого режима транзистора

1) Исследование режима отсечки

Собрали схему, изображенную на рисунке 15.

Рис. 15. Схема транзисторного ключа ОЭ

Установили значение управляющего напряжения Supply- равным -5В, обеспечив режим глубокой отсечки, и измерим напряжение на коллекторе транзистора.

Uк=8.37 В           U+9 = 9 В

Оно очень мало отличается от напряжения на выводе +9V , т.к. через R7 протекает ток Iко.


Таблица 2. Коллекторное напряжение, при изменении управляющего напряжения Supply-

Supply-, В

-5

-4

-3

-2

-1

0

Uк, В

8.37

8.37

8.36

8.36

8.37

8.93


Из полученных данных следует, что в режиме отсечки транзистор потерял свои усилительные свойства, а на его выходе формируется логическая единица, когда на входе действует логический нуль.

2) Исследование режима насыщения

Переключили полярность напряжения управления в схеме рисунка 15, установив на входе вместо Supply- источник Supply+ =0 В.

Постепенно увеличивали значение управляющего напряжения Supply+, снимая напряжения коллектора. Полученные данные показаны в таблице 3.

Таблица 3. Характеристики транзистора в усилительном режиме

Supply+, В

U, ВU, ВI, мкАI, мА




0

8.37


0

0

1

7.41


15

0.8

2

3.52


60

4

3

0.140


100

6.95

4

0.088




5

0.071




6

0.063




7

0.054




8

0.052




9

0.050




10

0.043





Условие насыщения транзистора имеет вид: Iкн ≤ BIб. Оно определяется отношением тока Iб к Iкн. Из условия насыщения видно, что для насыщения транзистора достаточно создать ток базы Iбн = Iкн/B, который называется базовым током насыщения. Параметром насыщения транзистора является степень насыщения S = Iб / Iбн.

Базовый ток насыщения I = 100 мкА.

В режиме насыщения значительные изменения тока базы приводят к незначительным изменениям UКЭ, т.е. в этом режиме транзистор потерял свои усилительные свойства. При этом на выходе схемы формируется низкий уровень напряжения, что соответствует логическому нулю.

Исследование ключа ОЭ

 

Рис. 17. Схема транзисторного ключа ОЭ

Перебрали схему рис. 16, заменив в ней источник сигнала управления. Вместо источника VPS подключите функциональный генератор FGEN. Вместо резистора R7 поставим более высокоомный резистор R15=10кОм, чтобы ввести транзистор в режим насыщения при ограниченных амплитудных возможностях FGEN (2.5В) по сравнению с VPS (12В), так как используемый транзистор имеет коэффициент усиления порядка 50, а R3=20кОм оставлен в схеме. Выбрали из меню FGEN, установим прямоугольную Waveform, установим частоту 1kHz, нулевое значение DC Offset и амплитуду импульсов Peak Amplitude, равную 2,5 В. Подключили Scope каналом CHA+ к входу схемы, а каналом CHB+ к выходу ключа ОЭ.

Рис. 18. Диаграмма зависимости выходного напряжения от входного, при импульсном напряжении частотой f=1 кГц и амплитудой UВХ = 2.5 В на входе ключа ОЭ


Разомкнутому состоянию ключа соответствует режим отсечки транзистора (транзистор заперт), а замкнутому - режим насыщения (транзистор открыт).

Транзисторный ключ - один из самых распространенных элементов импульсных устройств. Главное назначение транзистора, работающего в ключевом режиме, это замыкание и размыкание цепи. Усилительные свойства транзистора в этом режиме отсутствуют.

Вывод

Были исследованы усилительный и ключевые режимы работы биполярного транзистора. Усилительный режим транзистора обычно используется в усилительных каскадах. Для этого режима характерно усиление входного напряжения по мощности за счет управляющего напряжения. В ключевых режимах (режим отсечки и режим насыщения) усилительные свойства транзистора отсутствуют. Эти режимы применяются как аналог механического ключа для замыкания и размыкания электрической цепи.

Похожие работы на - Исследование режимов биполярного транзистора

 

Не нашли материал для своей работы?
Поможем написать уникальную работу
Без плагиата!
Без нейросетей!