Исследование характеристик и параметров биполярного транзистора

  • Вид работы:
    Контрольная работа
  • Предмет:
    Информатика, ВТ, телекоммуникации
  • Язык:
    Русский
    ,
    Формат файла:
    MS Word
    93,68 Кб
  • Опубликовано:
    2015-07-20
Вы можете узнать стоимость помощи в написании студенческой работы.
Помощь в написании работы, которую точно примут!

Исследование характеристик и параметров биполярного транзистора















Исследование характеристик и параметров биполярного транзистора

Введение

Цель работы: первичное знакомство с пакетом Electronics Workbench, в процессе которого студентам следует научиться строить схемы на экране монитора, подключать измерительные приборы, изменять параметры элементов и запускать схему в работу.

Исследование характеристик и параметров биполярного транзистора подразумевает снятие статических характеристик транзистора и вычисление с их помощью параметров транзистора. Эти характеристики и параметры потребуются в дальнейших лабораторных работах.

1. Результаты работы и их анализ

.1 Нами был выбран полевой транзистор «2N3947»

Снимем входную  и проходную  статические характеристики выбранного биполярного транзистора. Для этого целесообразно использовать отдельные источники питания для коллектора и базы (еще удобнее для питания базовой цепи пользоваться источником тока - см. рис. 2.1)

Рис. 2.1 - Схема снятия статистических характеристик

Характеристики снимем при фиксированном напряжении на коллекторе 5 В. Целесообразные значения тока коллектора 0,515 мА. С учетом этого выбираются значения тока источника в цепи базы.

Результаты измерений занесем в таблицу 2.1:

Таблица 2.1 - Статистические характеристики транзистора

Iб, мкА

Iк, мА

Uб, мВ

5

0,84

693

10

1,82

713

15

2,79

725

20

3,74

733

25

4,67

739

30

5,58

744

35

6,48

749

40

7,35

753

45

8,21

756

50

9,06

760

55

9,89

762

60

10,7

765

65

11,5

768

70

12,3

770

75

13,1

772

80

13,8

774

85

14,6

776

90

15,3

778


Построим характеристики  и  для дальнейшего использования.

Рис. 2.2 - Входная статическая характеристика

Рис. 2.3 - Проходная статическая характеристика

Выберем положение рабочей точки по входной характеристике и обеспечим ее в схеме питания фиксированным током базы:

Iб0 = 60 мкА; Iк0 = 10.7 мА; Uб0 = 0.765 мВ

Для того чтобы напряжение на коллекторе осталось примерно тем же, следует обеспечить соответствующее увеличение напряжения питания по формулам (2.1) и (2.2)

 (2.1)

 (2.2)

Рисунок 2.4 - Схема питания фиксированным током базы

Получим: E= 15.7 В; Uк0= 5 В; Rк = 1000 Ом; Ik0= 0.0107 А; Rб= 248.83 Ом

Перейдем к схеме коллекторной стабилизации (рис.8, б) и обеспечим тот же режим работы транзистора.

 

. (2.3)

Рисунок 2.5 - Схема коллекторной стабилизации

По формуле (2.3) получим: Iб0= 0,00006 А; Uб0= 0,765 В

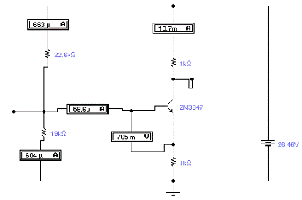
Поставим в цепь эмиттера сопротивление (рисунок 2.6) и, задавшись током делителя, равным десятикратному току базы, обеспечим тот же самый режим работы в схеме эмиттерной стабилизации. При этом увеличим напряжение питания на величину, соответствующую падению напряжения на сопротивлении в цепи эмиттера  В.

 (2.4)

 (2.5)

 (2.6)

Рисунок 2.6 - Схема эмиттерной стабилизации

По формулам (2.4 - 2.6) получим: Uэ= 10.76 А; Rэ= 1000 Ом; Iк0= 10.7 мА; Iб0= 60 мкА; Iдел= 0.6 мА; Rб1 =19 кОм; Rб2 = 22.62 кОм;

Найдем дополнительные характеристики транзистора 2N3947 Zвх и S из формул (2.7) и (2.8).

 (2.7)

 (2.8)

биполярный транзистор статистический

Таблица 2.1 - Характеристики транзистора

Iб0 мкА

Iк0 мА

Uб В

Zvx Ом

S

13

2.24

0,01

769,2308

0,224

20.6

2.94

0,01

485,4369

0,294

22.9

3.46

0,01

436,6812

0,346

-   

Похожие работы на - Исследование характеристик и параметров биполярного транзистора

 

Не нашли материал для своей работы?
Поможем написать уникальную работу
Без плагиата!
Без нейросетей!