Исследование биполярного транзистора в статическом режиме
Евразийский
национальный университет имени Л.Н.Гумилева
Лабораторная работа №3
Исследование биполярного транзистора
в статическом режиме
Составитель:
Мукан Ж.Б.
Астана - 2012г.
Цель работы: Изучение работы биполярного транзистора в схемах включения с
общей базой (ОБ) и общим эмиттером (ОЭ)
Теоретические
сведения
Биполярным транзистором называют трёхслойную полупроводниковую структуру
с чередующимися типом проводимости областей, созданную в едином кристалле и
образующую два встречно включённых взаимодействующих p -n переходов (рис. 1.). Взаимодействие
переходов обеспечивается тем, что они расположены достаточно близко друг от
друга - на расстоянии, меньшем диффузионной длины носителей зарядов. Транзистор
электропреобразовательный полупроводниковый прибор, усилительные свойства
которого обусловлены явлениями переноса зарядов в твёрдом теле (явления
инжекции и экстракции неосновных носителей) усиления, генерирования и
преобразования сигналов.

Рис. 1. Структура биполярного транзистора и их условно - графическое
изображение (УГО)
Термин «транзистор» происходит от комбинации английских слов transfer of resistor, что в переводе означает
«преобразователь сопротивления». Термин «биполярный» означает, что в этом
транзисторе используются подвижные носители обоих знаков - электроны и дырки (в
отличие от полевых транзисторов, в которых используется только один тип
носителей).
Таким образом, транзистор представляет собой полупроводниковый кристалл,
в котором две крайние области с однотипной электропроводностью разделены
областью противоположной электропроводности. В зависимости от
электропроводности этих трёх областей различают транзисторы n-p-n и p-n-p типов, УГО
которых проиллюстрированы на рис. 1. Принцип действия обоих типов транзисторов
одинаков.
Структура транзистора. В реальных транзисторах площади p-n переходов существенно различаются. Переход n1+-p имеет гораздо меньшую площадь, чем n2-p. Кроме того, в
транзисторах наблюдается и асимметрия в концентрации примесей. Один из крайних
слоёв (на рисунке слой n1+)
легирован (имеет концентрацию примесей) значительно сильнее, чем слой n2. Средний слой транзистора называют
базой, крайний сильно легированный слой меньшей площади(n1+) называют эмиттером, а слой с
большей площадью, но легированный меньше эмиттера(n2)- коллектором. Нужно сказать, что слой базы легирован ещё
меньше, чем слой коллектора. Таким образом, транзистор является асимметричным
прибором.
Рабочей (активной) областью транзистора является область, расположенная
под донной частью эмиттерного перехода (на рис.1. эта область не заштрихована).
Остальные (заштрихованные) участки структуры являются пассивными, т.е. в
известной мере паразитными. Пассивные области можно в первом приближении
моделировать резисторами, подключёнными к рабочим слоям базы и коллектора
(рис.2.).
Рис. 2. Структура транзистора
На рис.3.2. активная область транзистора показана в горизонтальном
положении. Здесь же показаны места подключения резисторов rб и rкк, характеризующих пассивные участки. Эмиттерному -
высоколегированному слою присвоен верхний индекс «+». Структура, показанная на
этом рисунке, служит основой при анализе работы транзисторов.
Взаимодействие между эмиттерным и коллекторным переходами обеспечивается
малой шириной базы. У современных транзисторов она обычно не превышает 1мкм,
тогда как диффузионная длина пробега L лежит в пределах 5-10мкм. Основные свойства транзистора определяются
процессами в базе. Если база однородная, то движение носителей в ней чисто
диффузионное. Если же база неоднородная, то в ней, как известно, есть
внутреннее электрическое поле, и тогда движение носителей будет
комбинированным: диффузия сочетается с дрейфом. Транзистор с однородной базой
называют бездрейфовым (или диффузионным), а с неоднородной - дрейфовым.
Последние имеют в настоящее время наибольшее распространение в интегральных
схемах.
Основные физические процессы в плоскостном транзисторе
При отсутствии внешних напряжений на переходах в области каждого p-n перехода имеется двойной электрический слой
пространственного заряда (рис. 2.), образованный в результате диффузии основных
носителей через переход. Напомним, что электронно - дырочный p-n переход можно создать внутри полупроводника, если ввести в
одну его область донорную примесь, а в другую - акцепторную. При этом уже при
комнатной температуре атомы примесей полностью ионизированы, т.е. концентрацию
основных носителей заряда вдали от границы перехода можно считать равной
концентрации соответствующей примеси. На границе между областями с различными
типами электропроводности возникают большие градиенты концентрации подвижных
носителей зарядов.
Это приводит к тому, что через границу проходят диффузионные токи (скажем,
в p-области дырок много и они
перемещаются туда, где их мало, т.е. в n-область, а электроны наоборот перемещаются из n-области в p-область)
Iдиф=Ipдиф+Inдиф
Направление этого тока совпадает с направлением диффузии дырок. При своём
движении, как дырки, так и электроны «оставляют» в соответствующих областях
ионизированные атомы акцепторов и доноров, которые не могут принять участия в
проводимости, т.к. они жёстко связаны с кристаллической решёткой полупроводника
и обладают большой массой.
В результате слева от границы раздела (рис. 3.) появляются
нескомпенсированные отрицательные заряды ионизированных акцепторов, а справа -
нескомпенсированные положительные заряды ионизированных доноров. Подвижные
дырки и электроны при встречном движении усиленно рекомбинируют в приконтактных
областях и «исчезают».
Уход этих основных носителей и их рекомбинация приводит к образованию
около границы слоя, обедненного подвижными носителями.
Этой слой обладает относительно малой удельной проводимостью и поэтому
называется запорным слоем.
Рис. 3. Модель p-n-перехода и потенциальный барьер; а) p-n- переход без внешнего смещения; б) p-n- переход,
смещенный в обратном направлений; в) p-n-переход, смещенный в прямом
направлении
Образующаяся при этом разность потенциалов вызывает появление внутреннего
электрического поля в переходе
где
- ширина области перехода, в которой располагаются
ионизированные примеси. Это внутреннее поле в переходе в дальнейшем будет
препятствовать «перемешиванию» дырок и электронов. Когда разность потенциалов в
переходе достигнет значения φ0 , а
поле φ0 /δ0 , то
ток прекратится.
Такое
состояние p-n перехода называется равновесным, а внутренняя разность
потенциалов φ0 является равновесной разностью потенциалов.
В
равновесном состоянии при постоянной температуре произведение
nnpn =ppnp=ni2=const
где
nn- электроны в электронном полупроводнике; pp-
дырки в дырочном полупроводнике; pn (дырки в электронном полупроводнике); np -
электроны в дырочном полупроводнике. nn и pp - являются
основными носителями, а np и pn - неосновными. Например, при комнатной температуре
для германия ni2=6,25∙1026см-6, а для кремния ni2
=5∙1020см-6.
Концентрация
основных носителей по обе стороны от перехода однозначно определяют величину
равновесной разности потенциалов, которая может быть подсчитана по формуле
(1)
где
φт=kT/e -тепловой потенциал; k-постоянная
Больцмана (1,38∙10-23кул∙в/град); e - заряд
электрона (1,6∙10-19кул); T - абсолютная температура (T =273+t˚С).
При комнатной температуре T=300К, φт =25мв; pp
Na ,a nn
Nd ,Na и Nd -
концентрации введённых в полупроводник акцепторов и доноров. Например, =при Na
=1017см-3 и Nd =1015см-3 у германиевого перехода φ0
0,3в, а у кремниевого φ0
0,7в.
Этот пример показывает, что равновесная разность потенциалов составляет десятые
доли вольта и при прочих равных условиях будет больше в том полупроводнике, у
которого больше удельное сопротивление. У химически чистого кремния удельное
сопротивление порядка 105Ом∙см, а у германия 50 Ом∙см. Наличие
внутреннего электрического поля приводит к тому, что в узкой области δ0 полупроводник обеднен подвижными носителями (дырками
и электронами), т.к. электрическое поле «расталкивает» их по обе стороны от
барьера.
Поэтому
в отличие от однородных областей p и n сопротивление обедненного слоя шириной δ0 оказывается даже больше, чем у химически чистого
полупроводника, у которого при комнатной температуре всегда имеется вполне
определенная концентрация собственных дырок и электронов. Таким образом,
обедненный слой имеет большое сопротивление, и его называют запорным слоем,
препятствующим диффузии основных носителей. Одновременно с этим возникшее
электрическое поле (поле неподвижных ионов) создаёт благоприятные условия для
перехода из одной области в другую неосновных носителей, концентрация которых
мала (и зависит от температуры).
Так,
некоторые электроны проводимости, являющиеся в р-области неосновными
носителями, совершая, тепловое движение, подходят к приконтактному слою, где их
захватывает электрическое поле и, совершая дрейф под действием сил этого поля,
они переходят в n-область.
Аналогичный
процесс происходит с некоторыми дырками n-области,
которые в этой области являются неосновными носителями. Следовательно, через
границу двух сред существуют встречные потоки одноимённо заряженных частиц:
диффузионный поток дырок из р-области и дрейфовый поток дырок из n-области
и аналогично диффузионный поток электронов из n-области и
дрейфовый поток электронов из р-области. Электрическое поле (потенциальный
барьер) в переходе растёт до такого значения, при котором встречные потоки
дырок (и аналогично встречные потоки электронов) становятся одинаковыми.
Наступает состояние равновесия перехода. Для кремния φ0=0,6-0,8В, для германия φ0=0,2-0,4В.
Дрейфовый
ток через границу двух сред, создаваемый неосновными носителями, называется
тепловым током IT. Он имеет электронную и дырочную составляющие:IT=IpT+InT.
Так как концентрация неосновных носителей относительно мала, то и ток,
образуемый ими, не может быть большим. Кроме того, он практически не зависит от
величины поля в p=n переходе, т.е. является током насыщения
неосновных носителей. Все неосновные носители, которые подходят к переходу,
совершают переход через него под действием сил поля, независимо от его
величины.
Концентрация неосновных носителей, а следовательно, и тепловой ток
очень сильно зависит от температуры. По своему направлению тепловой ток
противоположен току диффузии и поэтому называется также обратным током(IT
I0=Iдр).В
общем случае для p-n перехода получаем:
(2)
При
состоянии равновесия эти токи взаимно компенсируются. При этом Ip-n=Iдиф-Iдр=0.
Основные
носители при встречной диффузии усиленно рекомбинируют в приконтактных
областях.
Средняя
глубина проникновения диффундирующих дырок в n-область тем
меньше, чем больше там концентрация электронов проводимости. Это объясняется
зависимостью времени жизни дырок в этой области от nn. То же самое
утверждение справедливо для средней глубины проникновения диффундирующих
электронов в p-область. Следовательно, при Na
Nd
запирающий слой оказывается смещённым (относительно металлургической границы) в
сторону полупроводниковой области с меньшей концентрацией примеси. В общем
случае толщина запирающего слоя определяется примерным равенством:
(3)
где
dp и dn- толщина слоя, принадлежащая p и n -
областям; ε0=8,85∙10-12 Ф/м - электрическая постоянная,ε - относительная диэлектрическая проницаемость
кристалла ( для германия 16, для кремния 12);φ - потенциальный барьер в р-n переходе (при
отсутствии внешних равен φ0 - равновесной контактной разности потенциалов).
Если
концентрация примеси в одной из областей оказывается на 2-3 порядка больше, чем
в другой, то в этом случае запирающий слой практически сосредотачивается в
области с малой концентрацией примеси, а его граница в сильнолегированной
области практически совпадает с металлургической границей p-n
перехода. Например, при Na Nd членом 1/ Na
можно пренебречь, поэтому
(4)
где
- некоторый коэффициент, характеризующий
слаболегированный полупроводник n -типа. Толщина запирающего слоя обычно составляет
десятые доли микрона.
Вольт-амперная
характеристика p-n перехода
Если к p-n переходу подвести внешнее напряжение так, чтобы направление
внешнего электрического поля совпало с направлением внутреннего электрического
поля перехода, т.е. подключиться минусом к р- области и плюсом к n-области, то это приведёт к
увеличению напряжённости электрического поля в p-n переходе и к
увеличению высоты потенциального барьера до величины φ0+Е. При увеличении потенциального
барьера диффузия основных носителей затрудняется настолько, что ток диффузии
уже при незначительном внешнем напряжении практически обращается в нуль и
результирующий ток перехода согласно формуле (3.1)
Ip-n=Iдиф-I0=-I0
Оказывается примерно равным обратному дрейфовому току насыщения
неосновных носителей, который очень мал (единицы микроампер) из-за малой
концентрации неосновных носителей. Кроме того, под действием возросшего поля
основные носители будут возвращаться (отражаться) назад, что приведёт к
уменьшению их концентрации на границах исходного запирающего слоя, т.е. в конечном
счёте, приведёт к смещению этих границ и к увеличению толщины запирающего слоя.
Напряжения указанной на рис. 3. полярности, приводящее к росту потенциального
барьера, называются обратными, а сам p-n переход - обратно включённым. Если к
p-n переходу подвести прямое напряжение так, чтобы электрические
поля, создаваемые контактной разностью потенциалов и внешним источником,
оказались противоположными, то это приведёт к уменьшению высоты потенциального
барьера до значения φ0-Е.
Снижение потенциального барьера в прямо включённом p-n переходе облегчает диффузию основных носителей, поэтому ток
диффузии увеличивается. Кроме того, происходит сужение запорного слоя. При
прямом включении происходит преимущественное введение носителей зарядов в те
области кристалла, где они являются неосновными, поэтому этот режим работы p-n перехода называют режимом инжекции (впрыскивания) неосновных
носителей. Таким образом, p-n переход обладает несимметричной
вольт - амперной характеристикой (рис. 4).
Рис. 4. ВАХ p-n- перехода
При прямом включении через переход проходит большой прямой ток, а при
обратном - незначительный обратный ток, который практически определяется
собственной электропроводностью полупроводника, сильно зависящей от температуры
среды.
Установлено, что ток диффузии, как при прямом, так и при обратном
напряжении изменяется по экспоненциальному закону:
Iдиф=I0exp[eU/kT]
где U-внешнее напряжение. Используя
соотношение (3.1), получаем выражение для тока p-n перехода:
(5)
Из рисунка 4. видно, что p-n переход обладает резко выраженной
односторонней проводимостью.
Принцип действия транзисторов
На каждый p-n переход транзистора может быть
подано как прямое, так и обратное напряжение. Соответственно различают четыре
режима работы транзистора: режим отсечки - на оба перехода подано обратное
напряжение; режим насыщения - на оба перехода подано прямое напряжение;
активный режим - на эмиттерный переход подано прямое напряжение, а на коллекторный
- обратное; инверсный режим - на эмиттерный переход подано обратное напряжение,
а на коллекторный - прямое.
При работе транзистора в качестве усилителя эмиттерный переход включают в
прямом направлении, т. е. он открыт (p-n переход узкий), а коллекторный
включают в обратном направлении, т.е. он закрыт(p-n переход
широкий).
Источник питания Ебэ подключён к эмиттерному переходу в прямом напряжении
(плюсом к эмиттеру) и через эмиттерный переход проходит прямой ток. При этом из
эмиттера в базу инжектируются дырки , а из базы в эмиттер - электроны. То есть
ток эмиттера состоит из двух составляющих: электронной и дырочной:
IЭ=IЭ диф=IЭр+IЭn=IЭБО[exp(EЭБ/φТ)-1] (6)
Так как pэ»nб ( эмиттер легирован значительно
сильнее базы), то дырочная составляющая тока эмиттера оказывается много больше
электронной составляющей IЭp»IЭn, которая замыкается через цепь базы и не может участвовать в
создании тока коллектора. Поэтому её и стремятся сделать по возможности малой.
Отношение называется коэффициентом инжекции ( или эффективностью эмиттера).
Коэффициент инжекции близок к единице: γ =0,98-0,995. Инжектированные из
эмиттера дырки в базе оказываются неосновными носителями, и они двигаются
главным образом за счёт диффузии, стремясь равномерно распределиться по всему
объёму базы. Так как толщина базы мала, большинство дырок не успевает
рекомбинировать в ней и достигает коллекторного перехода. Но некоторое
количество дырок всё же успевает рекомбинировать с электронами проводимости в
базе, тем самым, вызывая дополнительный приток электронов в базу из внешней
цепи.
Это обусловливает разделение дырочной составляющей тока эмиттера:
IЭp=Iку+IЭpeк
Iку -
управляемая часть тока эмиттера, замыкающаяся через коллекторную цепь и
определяемая дырками, дошедшими до коллекторного перехода;
Iэрек
- рекомбинационная составляющая тока эмиттера ,которая замыкается через цепь
базы и характеризует потери инжектированных дырок.
Отношение называется коэффициентом переноса.
ξ=Iку/Iэр=Iку/(Iку+Iэрек) (8)
В основном рекомбинация происходит в пассивной области базы, но у
правильно сконструированного кристалла Iэр» Iэрек
и поэтому коэффициент переноса близок к единице: ξ=0,988-0,995.
Итак, у бездрейфового транзистора при обычном его режиме работы значения γ и ξ близки к единице. Поэтому и
отношение называемое интегральным коэффициентом передачи тока эмиттера также
оказывается близким к единице: h21б=0,95-0,99.
h21б=Iку/Iэ=(Iку/Iэр)(Iэр/Iэ)=ξγ (9)
Этот коэффициент показывает, какая часть тока эмиттера замыкается через
коллекторную цепь, а также характеризует управляющие свойства транзистора.
Вблизи коллекторного перехода поток дырок попадает под действие электрического
поля этого обратносмещённого перехода, что вызывает быстрый дрейф дырок через
коллекторный переход в область коллектора (их экстракцию). В коллекторе дырки
становятся основными носителями зарядов, они легко доходят до коллекторного
вывода, создавая ток во внешней цепи транзистора. Нужно сказать, что при
подключении обратного коллекторного напряжения происходит увеличение
потенциального барьера и толщины коллекторного перехода, который увеличивается
за счёт области базы.
В коллекторной цепи ( при отсутствии тока эмиттера, т.е. Iэ=0) появляется слабый ток обратно
включённого p-n перехода.
Этот ток называют обратным током коллектора и обозначают Iкбо. Он в основном определяется
концентрацией неосновных носителей (дырок) в базе, т.к. при рк»рб, концентрация
неосновных носителей в коллекторе оказывается пренебрежимо малой.
Сопротивление обратносмещённого коллекторного перехода очень велико -
несколько МегаОм и более. Поэтому в цепь коллектора можно включать весьма
большие сопротивления нагрузки, не изменяя величину коллекторного тока.
Соответственно в цепи нагрузки может выделяться значительная мощность.
Сопротивление прямосмещённого эмиттерного перехода, напротив весьма мало (при
токе 1mA оно составляет около 25Ом). Поэтому
при почти одинаковых токах мощность, потребляемая в цепи эмиттера, оказывается
несравненно меньше, чем мощность, выделяемая в цепи нагрузки. Следовательно,
транзистор способен усиливать мощность, т.е. является усилительным прибором.
Распределение
токов в транзисторе Согласно 5
(10)
или с учетом равенств (5 - 8)
,
итак,
(11)
Это
выражение удовлетворяет первому закону Кирхгофа (сумма токов до узла равна
сумме токов после узла). Далее:
(12)
Это выражение показывает, что выходной коллекторный ток пропорционален
входному эмиттерному току в схеме с общей базой (с точностью до обратного
тока). Коэффициент пропорциональности h21Б, как отмечалось выше - статический коэффициент передачи тока эмиттера
в режиме большого сигнала и является очень важным параметром транзистора.
(13)
Последнее
выражение показывает, что базовый ток составляет очень малую долю эмиттерного
тока. В дальнейшем эта формула будет использована часто.
Нетрудно определить напряжение на коллекторе относительно эмиттера:
Uкэ=Uкб-Uэб<0 (14)
Это выражение удовлетворяет второму закону Кирхгофа.
Дифференциальные
коэффициенты передачи токов транзистора
Дифференциальный коэффициент передачи тока эмиттера в схеме с общей базой
определяется отношением приращения тока коллектора к приращению тока эмиттера
при неизменном напряжении Uкб:
Поскольку в средней области значений эмиттерного тока h21Б постоянен и dh21Б / dI2 =0, то можно заключить, что d » h21Б.
Транзистор также характеризуется интегральным коэффициентом передачи тока
базы в схеме с общим эмиттером, равным отношению управляемой части
коллекторного тока к управляемой части базового тока:
(15)
Поскольку
h21Б близок к единице, то h21э
1.
Для
схемы включения транзистора с общим эмиттером используются также
дифференциальный коэффициент передачи тока базы.
при Uкэ =
const (16)
Усилительные свойства и эквивалентная схема транзисторов по постоянному
току.
Усилительное свойство транзистора заключается в том, что ток эмиттера Iэ, создаваемый источником Еэ, а также
его приращения ± DIэ практически целиком передаются в
коллекторную цепь, где этот с соответствующими приращениями уже течет под
действием ЭДС источника Ек, которая выбирается значительно большей Еэ.
Мощность, потребляемая от этого источника, Рк = Iк Ек значительно превышает мощность Рэ =Iэ Еэ, затраченную на создание тока Iэ, и тока Iк » Iэ.
Таким образом, обеспечивается управление большой мощностью в коллекторной
цепи при небольшой затрате мощности в эмиттерной цепи.
Оно образуется слаболегированной областью базы (порядка 100 Ом). Диоды Dэ и Dк отражают эмиттерный и коллекторный переходы. Генератор Iк = U21БIэ учитывают
прямую передачу тока эмиттера в коллектор.
Вольт-амперные
статические характеристики и параметры транзисторов
Транзистор имеет 3 электрода, один из которых общий и для входной цепи, и
для выходной. Поэтому транзистор удобно рассматривать в виде четырехполюсника
(рис.3.8.), который характеризуют входными (U1; I1) и
выходными (U2; I2) напряжениями и токами. Связь между этими четырьмя
величинами I1,U1,I2,U2 в общем виде можно записать:
Для
характеристики четырехполюсника обычно две из этих величин берут как
независимые переменные, а две другие рассматриваются как функция этих величин.
Для транзистора наиболее удобно выбрать I1, U2 за
независимые переменные. Тогда уравнения четырехполюсника для транзистора примут
вид:
U1 = H11I1 + H12U2; I2 = H21I1 + H22U2. (17)
Эти
зависимости нелинейны, что усложняет анализ работы транзисторных схем. Чаще
всего расчеты проводят графическим методом, когда связь между токами и
напряжениями (вольт-амперные характеристики) задаются в виде графиков. Однако в
общем виде эти зависимости изображаются более или менее сложными поверхностями
и пользоваться ими также неудобно. Поэтому на практике пользуются так
называемыми статическими характеристиками, представляющими собой зависимости
тока от напряжения одного электрода, когда напряжения или токи на других
электродах поддерживаются постоянными. Задавая различные значения
фиксированному напряжению (аргументу) и устанавливая каждый раз зависимость
электродного тока от варьируемого аргумента, получают семейство статических
электродных характеристик.
Семейства
статических характеристик транзистора запишутся в виде:
U1 = f(I1)
при U2 = const - входные статические характеристики,
U1 = f(U2)
при
- характеристики обратной передачи по напряжению,
при
- характеристики прямой передачи по току,
при
- статические выходные характеристики.
Из
(17.) легко установить физический смысл так называемых смешанных H-
параметров.
Входное
сопротивление транзистора для переменной составляющей тока при коротко замкнутой
выходной цепи.
Коэффициент
обратной передачи по напряжению при разомкнутой входной цепи по переменному
току.
Коэффициент
передачи переменного тока при коротком замыкании выходной цепи.
Выходная
проводимость при разомкнутой входной цепи по переменному току.
Рис. 5 К определению H-
параметров в схеме с ОЭ из статических харак-тик
Из рисунка 5. Видно
Аналогично
можно определить H - параметры и для схемы с общей базой. Точность
определения H- параметров графическим способом невысока.
В
разных схемах включения вольт - амперные характеристики имеют разный ход, а
параметры - разные значения. Однако физические процессы в транзисторе не
зависят от схем включения. Поэтому между параметрами, определенными для
транзистора в разных схемах включения, должна существовать связь. Приближенные формулы
расчета H- параметров для схемы с ОЭ через H-
параметры схем с ОБ и ОК и наоборот приведены в (1).
Для расчета электронных транзисторных схем достаточно знать параметры в
одной из схем включения из справочной литературы.
Выбор рабочей точки и рассмотрение формы проходящего сигнала удобнее
производить графическим путем с помощью нагрузочной прямой, построенной на
семействах статических характеристик.
Динамический режим транзистора. Выбор и задание рабочей точки
Динамический режим транзистора - это режим, при котором выходной ток
изменяется вследствие одновременного изменения входного тока и выходного
напряжения. Так, для схемы с ОЭ Iк =f (IБ, Uкэ).
Динамический режим возникает в транизсторе, если в коллекторную цепь его
включить сопротивление нагрузки Rк.
При изменении входного тока меняется ток коллектора, и, следовательно,
меняется и напряжение между коллектором и эмиттером Uкэ, так как
Uкэ = Eк - Iк Rк (18)
Она проходит через начальную (рабочую) точку 0 и удовлетворяет уравнению:
Uк = Eк - I 0к Rк +
Ik(Rk||Rр) =
U0k+
Ik(Rk||Rр (19)
Нагрузочная прямая ЕД по переменному току, часто называется выходной
характеристикой.
Начальному режиму транзистора соответствует начальное положение рабочей
точки «0», которая определяется значениями Iок, Iоб, Uокэ. Она выбирается на нагрузочной
прямой для постоянного тока в зависимости от уровня входного сигнала,
назначения данного каскада, заданного коэффициента нелинейных искажений,
температурного режима и т.п.
Положение ее на нагрузочной прямой обычно выбирают так, чтобы нелинейные
искажения выходного сигнала были наименьшими.
Коэффициент усиления КU по напряжению, амплитуду входного сигнала,
входное сопротивление транзистора по переменному току можно определить
графически, пользуясь динамическими выходной и входной характеристиками.
Входная динамическая характеристика лежит внутри узкого пучка входных
статических характеристик и практически совпадает с ними.
Выполнение
работы
Принадлежности к работе
. Лабораторный комплекс ЛКЭЛ, модуль ТР схемотехника транзисторов.
. Многофункциональный генератор-частотомер АТАКОМ АНР-1001.
. Осциллограф универсальный ОСУ-20.
. Соединительные провода и 4 форматки с масштабной сеткой.
Методика снятия семейства статических характеристики биполярного
транзистора
Вольт - амперные характеристики (ВАХ) транзисторов в любой необходимой
системе координат можно снимать по точкам, измеряя соответствующие постоянные
напряжения и типы эмиттера, коллектора и базы. Однако, такой метод, несмотря на
сравнительно малую погрешность изменений ± (5-10) %, является весьма трудоемким. Кроме того, длительное
нахождение транзистора под током неизбежно приводит к изменению его параметров
в процессе измерения.
Указанные недостатки можно устранять, применив для снятия статических
характеристик транзисторов осциллографический метод, погрешность которого
составляет ± (15-20) %, что
вполне допустимо на практике.
Поскольку вольт - амперные характеристики транзисторов определяются тремя
параметрами, для получения изображения характеристики на экране осциллографа
один из параметров должен быть зафиксирован. Тогда, подавая на горизонтально и
вертикально отклоняющие пластины напряжения, пропорциональные двум другим
параметрам, плавно изменяющимся по определенному закону со временем, можно
получить вольт - амперную характеристику транзистора, соответствующую
фиксированному значению первого параметра. Чаще всего в качестве независимого
переменного параметра используют однополупериодное синусоидальное напряжение.
Например, если необходимо снять выходную статическую характеристику транзистора
в схеме с ОЭ при определенном токе базы Iк = f (Uк) при Iб = const,
в цепь базы подают заданный ток (рис. 3.12.), измеряя его миллиамперметром, а к
цепи коллектора подключают однополупериодное синусоидальное напряжение, полученное
от генератора синусоидальных сигналов и пропущенное через вентиль.
Рис. 6 Принципиальная схема для осциллографического снятия выходных
характеристик транзисторов в схеме с ОЭ и вид выходных характеристик
Это изменяющееся по синусоидальному закону напряжение управляет
отклонением луча по горизонтали. По такому же закону изменяется и коллекторный
ток, который создает на сопротивлении падение напряжения URк =IкRк, подаваемое на
вход «у» осциллографа и управляющее отклонением луча по вертикали. При этом род
синхронизации должен быть «внеш.», род работы - «усилитель». Таким образом,
если в течение одного полупериода синусоиды каждому мгновенному значению
напряжения на коллекторе будет соответствовать определенное мгновенное значение
Uу, пропорциональное току коллектора,
то отклонение луча по вертикали образует все пробегаемые мгновенные значения Iк, Uк, т.е. электронный луч “начертит” вольт - амперную
характеристику. Эту характеристику зарисовывают на форматку, предварительно
отградуировав отклонение по “у” - по току и отклонение по “х” - по напряжению.
Так как чувствительность осциллографа по оси “у” выше, чем по оси “х”, то
наименьшие величины следует подавать на вход “у”, а большие на вход “х”.
Напряжение с генератора должно быть такого размера, чтобы амплитудные
напряжения синусоиды было несколько меньше максимального напряжения коллектора.
В зависимости от полярности снимаемых напряжений и подачи их на входы “х” и “у”
соответственно чувствительности последних, вольт - амперные характеристики
могут быть повернуты на 90 - 1800 относительно принятого расположения оси.
Поэтому снятые на форматку характеристик потом следует развернуть так, чтобы с
ними было удобно работать далее.
После снятия семейства характеристик проводят градуировку вертикальной и
горизонтальной шкал.
Внимание! При градуировке ручки “усиление” и “синхронизация” по входам
“у” и “х” не трогать (чтобы не изменить масштаб снятых вольт - амперных
характеристик).
Для градуировки вертикальной шкалы по току:
·
записать
отклонение луча в мм (показания вольтметра перевести в амплитудные значения Um);
·
полученное
отклонение соответствует току, равному
Для градуировки горизонтальной шкалы по напряжению:
·
записать показания
вольтметра и соответствующее отклонение луча в мм, предварительно переводя
показания вольтметра в амплитудное значение;
·
полученное
отклонение луча соответствует значению напряжения, равному 2 Um (развертка луча проводится
биполярным синусоидальным сигналом).
Рабочее
задание
1. Снять осциллографическим методом семейство статических выходных
характеристик транзистора в схеме с ОЭ Iк =f (Uкэ) при 4-х базовых токах:
·
собрать схему;
·
включить источник
постоянного тока. Установить определенный ток базы. Получить ВАХ на экране
осциллографа. Переснять ее на масштабную форматку, предварительно поместив
начало характеристики в левом верхнем углу осциллографа.
·
Установить другие
значения тока базы и зарисовать последовательно соответствующие ВАХ, помещая
начала их в одной точке.
2. Для снятия входных характеристик удобнее использовать другие схемы.
Измерение параметра h11э, являющегося
входным сопротивлением транзистора для малого переменного напряжения.
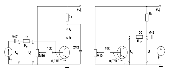
Рис.7 Схема измерения параметров: а) - h11э и h21э;
б) - h12э и h22э
Все параметры транзистора зависят от режима по постоянному току, поэтому
прежде всего для транзистора в схеме устанавливают режим работы по постоянному
току. Например, параметры маломощных транзисторов часто измеряют при напряжении
Uk =5B и токе Ik =1
мА. Необходимый режим по постоянному току можно установить следующим образом.
Возьмем напряжение источника питания Uп = 9В и включим резистор Rк=3кОм,
тогда при коллекторном токе Iк=1мА
постоянное напряжение Uк
относительно земли будет равно примерно 3 - 4 В. Этого добиваются подбором
потенциала цепи базы (примерно 0,67В).
Установив нужный режим по постоянному току, подключают звуковой генератор
и подают с его выхода напряжение U1, не
превышающий 30 - 40мВ. Частоту измерения обычно берут равной 1 - 5 кГц.
Сопротивление Rбг можно взять равным 1 - 2 кОм.
Измеряя U1 и U2 электронным милливольтметром переменного тока, определяют
ток через Rбг, который с большой точностью
является также и переменным током базы, так как можно пренебречь ответвлением
переменного тока в Rб. Очевидно, что h11э = Rвх=U2/Iб.
Для измерения параметра h21э
используют ту же схему, но в разрыв между точками А и В включают небольшое
сопротивление, например R=100
510 Ом. Электронным вольтметром переменного тока измеряют напряжение точки В
относительно земли и убеждаются в том, что напряжение точки А относительно
земли равно нулю. Зная падение напряжения на включенном сопротивлении,
определяют переменную составляющую коллекторного тока и вычисляют h21э = Ik/Iб.
Для измерения h22э и h12э собирают схему, показанную на
рис.2.13. б). Установив режим по постоянному току, подключают звуковой
генератор. Устанавливают переменное напряжение U2 = 1-2 В. Измеряя переменные напряжения U1 и U2 и зная Rкг,
находят переменную составляющую коллекторного тока. Поделив переменную
составляющую коллекторного тока на переменное напряжение U2, получают параметр h22э=Ik/U2. Измеряя милливольтметром напряжение Uб, находят h12э = Uб/U2.
Отчет
Отчет должен содержать:
1. Исследуемые схемы, рабочие задания и
методику измерений.
2. Форматки и графики семейства
статических характеристик.
3. Расчеты, указанные в пунктах 5,6,7.
4. Выводы.
Контрольные
вопросы
1. Какой полярности подаются напряжения
на эмиттерный и коллекторный переходы?
2. Что называется явлением инжекции и
при каких условиях оно возникает?
3. Объяснить с точки зрения физических
процессов передачу тока из эмиттера в коллектор.
4. Чем объясняется обратный ток?
5. Почему транзистор чаще всего
характеризуют H-параметрами?
6. Объяснить ход статических
характеристик в схемах с ОЭ и ОБ, уметь объяснить разницу.
7. Как выбирается рабочая точка
транзистора?
8. Чем отличается нагрузочная прямая от
динамической?
ток
биполярный транзистор амперный
Литература
1. В.И.
Манаев. Основы радиоэлектроники, Радио и связь, М., 1990,512 с.
2. В.Н.
Ушаков, О.В. Долженко Электроника: от элементов до устройств, Радио и связь,
М., 1993, 352с.
. Основы
радиоэлектроники. Под редакцией Г.Д. Петрухина, МАИ, М., 1993, 416 с.
.
И.П.Степаненко. Основы микроэлектроники. Лаборатория базовых знаний, М., 2000,
488с.
. А.А.
Каяцкас Основы радиоэлектроники, Высшая школа, М., 1988, 464 с. 6. А.Л.
Булычев, П.М. Лямин, Е.С. Тулинов. Электронные приборы, Лайт ЛТД., М., 2000,
415с.
. В.И.
Нефедов. Основы радиоэлектроники, Высшая школа, М., 2000, 399 с. 8. В.И. Лачин, Н.С. Савелов.
Электроника. Ростов-на-Дону. «Феникс», 2009,703с.