Исследование работы D-триггеров

  • Вид работы:
    Практическое задание
  • Предмет:
    Информатика, ВТ, телекоммуникации
  • Язык:
    Русский
    ,
    Формат файла:
    MS Word
    399,97 Кб
  • Опубликовано:
    2014-08-06
Вы можете узнать стоимость помощи в написании студенческой работы.
Помощь в написании работы, которую точно примут!

Исследование работы D-триггеров















ЛАБОРАТОРНАО - ПРАКТИЧЕСКАЯ РАБОТА № 7

«Исследование работы D - триггеров»

Цель работы

.        Закрепить навыки сборки простейших электрических цепей.

.        Закрепить навыки использования электроизмерительных приборов.

.        Ознакомиться с назначением и принципом действия триггеров

.        Ознакомиться с практическими схемами D - триггеров и исследовать их.

Содержание отчета

–     название лабораторно-практической работы;

–     электрические схемы;

–     заполненные таблицы;

–     все расчеты к таблицам и дополнительные расчеты;

–     основные выводы;

Правила оформления

Лабораторная работа выполняется на компьютере с применением виртуальной лаборатории Electronics WorkBench (EWB).

Отчет должен быть представлен печатной работой на листах формата А4, таблицы заполняются шариковой ручкой от руки.

Расчет может выполнятся от руки или на компьютере.

Использовать MS WORD и MS Excel.

Требуемое оборудование

Продолжительность работы: 2 часа

Краткие теоретические сведения

Триггер - это логическая схема с положительной обратной связью, имеющая два устойчивых состояния, которые называются единичным и нулевым и обозначаются 1 и 0. Перевод триггера в единичное состояние производится путем воздействия на его вход и называется установкой (set) триггера. Устанавливающий сигнал и вход на который он воздействует обозначают S. Перевод триггера в нулевое состояние называют сбросом (reset), а соответствующий вход и сигнал обозначают R.триггером называют синхронный триггер, имеющий два входа: вход данных D и вход синхронизации С. D - триггер переключается только по сигналу на С - входе и при том в состояние, предписываемое D - входом. В некотором смысле он задерживает прохождение поступающего по D - входу уровня до появления С - сигнала, откуда и произошло название D - триггера (delay - задержка). Другое назначение D - триггера - сохранять данные (data), поступившие однажды по D - входу. С - сигналы в этом случае играют роль команды ЗАПИСЬ В ТРИГГЕР. RS - триггеры в своем чистом виде для хранения данных непригодны и в этой роли не используются, поскольку для записи они требуют двух последовательных сигналов: гашения по R -входу и затем собственно записи по S - входу. Условное обозначение D - триггера показано на рисунке 1.

Рис. 1. Условное обозначение D - триггера типа «прозрачная защелка»

На рис. 2 показан универсальный способ построения D - триггера из синхронного RS - триггера: с помощью инвертора 1 однофазный вход данных D превращается в парафазный и подается на S - и R - входы. Особенности поведения прозрачной защелки иллюстрирует диаграмма на рис. 3.

Изменения D - входа при С = 0 (моменты t1, t2, t7) никак не влияют на состояние выхода Q: триггер заперт по С - входу и находится в режиме хранения. Фронт С - сигнала (момент t3 ) которое было к этому моменту на входе триггера D- При С = 1 защелка прозрачна: любое изменение на D - входе (t4 и t5) вызывает переключение выхода Q . По срезу синхросигнала (момент t6) D - триггер - защелка фиксирует на выходе то состояние, которое было на D -входе непосредственно перед этим моментом. Следующее изменение Q будет возможно только по фронту следующего синхроимпульса (момент t8). Если на С- вход подать постоянный единичный уровень, то свойство запоминания защелки проявляться никак не будет и она будет выполнять функции обычного буферного усилителя мощности в такте передачи данных.

Рис. 2. Универсальный способ построения D - триггера из синхронного RS - триггера.

Существуют D - триггеры, в которых параллельно С - сигналу на входные вентили заведен еще один разрешающий сигнал. V - сигнал (от V - клапана), как показано штриховой линией на рис. 4.

Рис. 3. Пример временной диаграммы работы D - триггера - защелки.

Такие триггеры называют DV - триггерами. Разрешением на прием D - уровня является конъюнкция сигналов на C - и V - входах. Чтобы процесс фиксации состояния D - входа прошел без сбоев, т. е. был бы однозначно предсказуем, переходной процесс в схеме защелки, вызванный срезом С - сигнала, не должен накладываться на переходной процесс, вызванный переключением D - входа. Это значит, что всякие изменения состояния D - входа должны прекратиться за некоторое время до среза С - сигнала, называемое временем подготовки (setup time) tпд, и могут снова начинаться после среза С - сигнала не ранее чем через время выдержки (удержания) (hold time) tвд. Эти временные отрезки показаны на рис. 5.

Рис. 4. Вариант схемы «прозрачной защелки».

Рис. 5. Основные временные характеристики.

триггер электрический схема синхронный

В зависимости от конкретных значений порогов переключения и длительностей фронтов их можно оценить как tпл = (1.2)t, tвд = (0.1)t. Таким образом, временными параметрами D - триггеров - защелок являются: времена задержки распространения по трактам вход С - выходы и вход D - выходы; время подготовки по D - входу; минимальная длительность С - импульса; время выдержки по D - входу; минимальная длительность С - импульса; время задержки по D - входу; для схем, в которых возможны гонки по входу - еще максимальная длительность фиксирующего среза С - сигнала.

Порядок выполнения работы

В EWB построить схему D - триггера на логических элементах И - НЕ согласно рис. 6:

Рис. 6. Схема D - триггера в EWB.

.        На вход D подать прямоугольные импульсы с частотой 2 кГц и скважностью 60%.

.        На синхронизирующий вход С подать прямоугольные импульсы с частотой 5 кГц и скважностью 50%.

.        Снятьосциллограмму входных сигналов.

.        Снять осциллограмму с прямого выхода и входа С.

.        Изменить частоту синхроимпульсов на 3 кГц и повторить пункты 3 и 4.

.        Проанализировать полученные осциллограммы

Рис. 7. Осциллограмма входных сигналов (красная линия - вход D, синяя линия - вход С).

Частота синхроимпульсов 5 кГц.

Рис. 8. Осциллограмма сигнала с прямого выхода D - триггера (красная линия) и с С - входа (синяя линия).

Частота синхроимпульсов 5 кГц.

Рис. 9. Осциллограмма входных сигналов (красная линия - вход D, синяя линия - вход С).

Частота синхроимпульсов 3 кГц

Рис.10. Осциллограмма сигнала с прямого выхода D - триггера (красная линия) и с С - входа (синяя линия).

Частота синхроимпульсов 3 кГц.

Из осциллограмм видно, что на прямом выходе триггера появляется 1, когда на D - входе присутствует 1 и синхровходе С в это же время есть 1, т. е. триггер срабатывает при наличии 1 на D - и С - входах. Сбрасывается триггер нулем на D - входе и 1 на С - входе. Т. о. изменения D - входа при С = 0 никак не влияют на состояние выхода Q: триггер заперт по С - входу и находится в режиме хранения При С = 1 защелка прозрачна: любое изменение на D - входе вызывает переключение выхода Q, что хорошо видно из приведенных ниже осциллограмм.

Рис. 11. Осциллограмма входных сигналов (красная линия - вход D, синяя линия - вход С).

Частота синусоидальных синхроимпульсов 500 Гц

Рис.12. Осциллограмма сигнала с прямого выхода D - триггера (красная линия) и с С - входа (синяя линия).

Частота синусоидальных синхроимпульсов 500 Гц.

Рассмотрим работу DV - триггера. На вход D подана логическая 1.

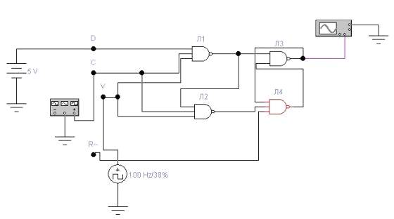
Построим в EWB схему согласно Рис. 13:

Рис. 13. Схема DV - триггера.

Рис. 14. Осциллограммы входных сигналов (С - вход - красная линия, V - вход - синяя линия)

Рис. 15. Осциллограмма выходного сигнала.

Сравнивая осциллограммы на Рис. 14 и Рис. 15 видим, что на выходе формируется логическая 1 только в случае одновременного наличия 1 на входах С и V при наличии 1 на D - входе.

Группа _______ Студент ________ «__» _______ 201__ г.

Преподаватель__________________________

Похожие работы на - Исследование работы D-триггеров

 

Не нашли материал для своей работы?
Поможем написать уникальную работу
Без плагиата!
Без нейросетей!