Асинхронные и синхронные триггеры

  • Вид работы:
    Практическое задание
  • Предмет:
    Информационное обеспечение, программирование
  • Язык:
    Русский
    ,
    Формат файла:
    MS Word
    301,83 Кб
  • Опубликовано:
    2015-04-16
Вы можете узнать стоимость помощи в написании студенческой работы.
Помощь в написании работы, которую точно примут!

Асинхронные и синхронные триггеры

МИНИСТЕРСТВО ОБРАЗОВАНИЯ И НАУКИ УКРАИНЫ

НАЦИОНАЛЬНАЯ МЕТАЛЛУРГИЧЕСКАЯ АКАДЕМИЯ УКРАИНЫ КАФЕДРА ИНФОРМАЦИОННЫХ ТЕХНОЛОГИЙ И СИСТЕМ








ЛАБОРАТОРНАЯ РАБОТА

Предмет: "Компьютерная схемотехника"

Тема: "Асинхронные и синхронные триггеры"


Проверил:

ст. преподаватель

Г. Ю. Станчиц

Выполнил:

студент гр. КН-01-13с

И. В. Калашник




Цель работы: изучение структуры и алгоритмов работы асинхронных и синхронных триггеров, исследование функций переходов и возбуждения основных типов триггеров, изучение взаимозаменяемости триггеров различных типов.

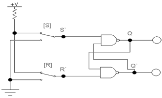
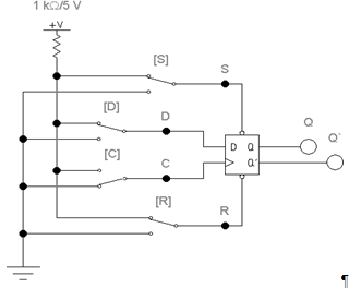
Эксперимент 1. Исследование RS-триггера.

асинхронный триггер возбуждение счетный


R

S

Q

Q`

1

1

1

0

0

1

1

0

0

0

0

1

1

0

0

1


Убедился в том, что:

·              при S=0, R=1триггер устанавливается в состояние Q=0;

·              при переходе к S=1, R=1триггер сохраняет прежнее состояние выхода Q=1;

·              при S=1, R=0 триггер устанавливается в состояние Q=1;

·              при переходе к S=0, R=0 прежнее значение выхода Q=0 сохраняется.

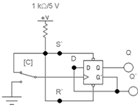
Эксперимент 2. Исследование - триггера.


S

R

Q

Q`

1

1

1

0

0

1

1

0

0

0

0

1

1

0

0

1


Убедился в том, что:

·        при S=1, R=0 триггер устанавливается в состояние Q=0;

·        при переходе к S=R=1 триггер сохраняет прежнее состояние выхода Q=1;

·        при S=0, R=1 триггер устанавливается в состояние Q=1;

·        при переходе к S=0, R=0 прежнее значение выхода Q=0 сохраняется.

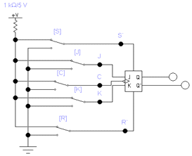
Эксперимент 3. Исследование JK-триггера.


J

Q

Q`

1

0

1

0

0

1

0

1

0

0

0

1

1

1

1

0




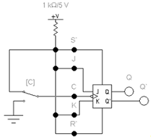
Эксперимент 4. Исследование JK-триггера в счетном режиме (Т-триг-гер).


C

Q

Q`

1

1

0

0

1

0



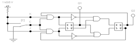
Эксперимент 5. Исследование JK-триггера, построенного на базе логических элементов и RS-триггеров.


C

Q1

Q2

1

1

0

0

1

0

1

0

1

0

0

1



Эксперимент 6.Исследование D-триггер.


D

Q

Q`

1

1

0

0

0

1




Эксперимент 7. Исследование работы D-триггера в счетном режиме.


C

Q

Q`

1

0

1

0

1

1

1

0

0

1

0


Похожие работы на - Асинхронные и синхронные триггеры

 

Не нашли материал для своей работы?
Поможем написать уникальную работу
Без плагиата!
Без нейросетей!