|
№ такта
|
Тип триггера
|
|
RS
|
RS-синхронный
|
D
|
JK
|
T
|
|
1
|
01
|
101
|
10
|
01
|
10
|
|
2
|
10
|
010
|
00
|
10
|
00
|
|
3
|
00
|
100
|
11
|
11
|
11
|
|
4
|
10
|
010
|
00
|
10
|
00
|
|
5
|
01
|
101
|
10
|
01
|
10
|
|
6
|
10
|
110
|
11
|
10
|
11
|
|
7
|
00
|
000
|
01
|
00
|
01
|
|
8
|
01
|
101
|
10
|
01
|
10
|
|
9
|
01
|
101
|
10
|
01
|
10
|
|
10
|
00
|
000
|
01
|
00
|
01
|
Ход работы:
. Строим логические схемы в Electronic Workbench
. Генерируем значения
согласно варианту и снимаем показания анализатора
. Записываем временные
диаграммы
. Формируем таблицы
истинности для каждого триггера
. Формируем отчет
1.
Исследование работы RS-триггера
триггер логический анализатор
Таблица истинности RS-триггера согласно
варианту
|
№такта
|
Тип RS-триггера
|
|
С прямыми входами
|
С инверсными входами
|
|
На ЛЭ Пирса
|
На ЛЭ Шеффера
|
На ЛЭ Пирса
|
На ЛЭ Шеффера
|
|
1
|
0
|
1
|
1
|
0
|
1
|
0
|
0
|
1
|
|
2
|
1
|
0
|
0
|
1
|
0
|
1
|
1
|
0
|
|
3
|
1
|
0
|
1
|
1
|
0
|
0
|
1
|
0
|
|
4
|
1
|
0
|
0
|
1
|
0
|
1
|
1
|
0
|
|
5
|
0
|
1
|
1
|
0
|
1
|
0
|
0
|
1
|
|
6
|
1
|
0
|
0
|
1
|
0
|
1
|
1
|
0
|
|
7
|
1
|
0
|
1
|
1
|
0
|
0
|
1
|
0
|
|
8
|
0
|
1
|
1
|
0
|
1
|
0
|
0
|
1
|
|
9
|
0
|
1
|
1
|
0
|
1
|
0
|
0
|
1
|
|
10
|
0
|
1
|
1
|
1
|
0
|
0
|
0
|
1
|
Временная диаграмма RS - триггера с прямыми
входами
Временная диаграмма RS - триггера с инверсными
входами
Таблица истинности RS-триггера
|
Выходы
|
Тип RS-триггера
|
|
С прямыми входами
|
С инверсными входами
|
|
На ЛЭ Пирса
|
На ЛЭ Шеффера
|
На ЛЭ Пирса
|
На ЛЭ Шеффера
|
|
R
|
S
|
Q
|
⌐Q
|
Q
|
⌐Q
|
Q
|
⌐Q
|
Q
|
⌐Q
|
|
0
|
0
|
0
|
1
|
1
|
1
|
0
|
0
|
0
|
1
|
|
0
|
1
|
0
|
1
|
1
|
0
|
1
|
0
|
0
|
1
|
|
1
|
0
|
1
|
0
|
0
|
1
|
0
|
1
|
1
|
0
|
|
1
|
1
|
0
|
0
|
0
|
1
|
0
|
1
|
1
|
1
|
Функции RS-триггеров (асинхронных)
На ЛЭ Пирса (с прямыми входами) На
ЛЭ Шеффера (с прямыми)
На ЛЭ Пирса (с
инверсными входами) На ЛЭ Шеффера (с инверсными)
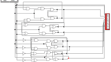
Схема построения асинхронных RS-триггеров на элементах
Пирса и Шафера
2. Синхронные RS-триггеры
Таблица истинности синхронного RS-триггера согласно
варианту
|
№такта
|
Тип RS-триггера
|
|
С прямыми входами
|
С инверсными входами
|
|
На ЛЭ Пирса
|
На ЛЭ Шеффера
|
На ЛЭ Пирса
|
На ЛЭ Шеффера
|
|
1
|
0
|
0
|
0
|
1
|
1
|
1
|
1
|
0
|
|
2
|
1
|
0
|
0
|
1
|
1
|
0
|
1
|
0
|
|
3
|
1
|
0
|
0
|
1
|
1
|
0
|
1
|
0
|
|
4
|
1
|
0
|
0
|
1
|
1
|
0
|
1
|
1
|
|
5
|
1
|
0
|
1
|
0
|
1
|
0
|
1
|
0
|
|
6
|
0
|
0
|
1
|
0
|
1
|
0
|
0
|
1
|
|
7
|
0
|
0
|
1
|
0
|
1
|
0
|
0
|
1
|
|
8
|
0
|
0
|
0
|
1
|
1
|
0
|
1
|
0
|
|
9
|
0
|
0
|
0
|
1
|
1
|
0
|
1
|
0
|
|
10
|
0
|
0
|
0
|
1
|
0
|
0
|
1
|
0
Временная диаграмма синхронного RS - триггера с инверсными
входами
Таблица истинности синхронного RS-триггера
|
Выходы
|
Тип RS-триггера
|
|
С прямыми входами
|
С инверсными входами
|
|
На ЛЭ Пирса
|
На ЛЭ Шеффера
|
На ЛЭ Пирса
|
На ЛЭ Шеффера
|
|
С
|
R
|
S
|
Q
|
⌐Q
|
Q
|
⌐Q
|
Q
|
⌐Q
|
Q
|
⌐Q
|
|
0
|
0
|
0
|
1
|
0
|
0
|
1
|
0
|
0
|
0
|
1
|
|
0
|
0
|
1
|
0
|
1
|
0
|
1
|
0
|
1
|
1
|
0
|
|
0
|
1
|
0
|
1
|
0
|
0
|
1
|
1
|
0
|
1
|
0
|
|
0
|
1
|
1
|
1
|
0
|
0
|
1
|
0
|
0
|
1
|
0
|
|
1
|
0
|
0
|
1
|
0
|
0
|
1
|
0
|
0
|
1
|
1
|
|
1
|
0
|
1
|
1
|
0
|
0
|
1
|
0
|
0
|
1
|
0
|
|
1
|
1
|
0
|
1
|
0
|
1
|
0
|
0
|
0
|
0
|
1
|
|
1
|
1
|
1
|
1
|
0
|
1
|
1
|
0
|
0
|
0
|
1
|
Функции RS-триггеров (синхронных)
На ЛЭ Пирса (с прямыми входами)

На ЛЭ Шеффера (с
прямыми)
На ЛЭ Пирса (с
инверсными входами)
На ЛЭ Шеффера (с
инверсными)
Схема построения
синхронных RS-триггеров на элементах Пирса и Шафера
3. D-триггеры
Таблица истинности D - триггера согласно варианту
|
№такта
|
Тип D-триггера
|
|
С прямыми входами
|
|
На ЛЭ Пирса
|
На ЛЭ Шеффера
|
|
1
|
1
|
0
|
0
|
1
|
|
2
|
0
|
1
|
0
|
1
|
|
3
|
0
|
1
|
1
|
0
|
|
4
|
0
|
1
|
1
|
0
|
|
5
|
0
|
1
|
0
|
1
|
|
6
|
0
|
1
|
1
|
0
|
|
7
|
1
|
0
|
0
|
1
|
|
8
|
1
|
0
|
0
|
1
|
|
9
|
1
|
0
|
0
|
1
|
|
10
|
1
|
0
|
0
|
1
|
Временная диаграмма D-триггера
Таблица истинности D - триггера
|
Выходы
|
Тип D-триггера
|
|
С прямыми входами
|
|
На ЛЭ Пирса
|
На ЛЭ Шеффера
|
|
R
|
S
|
Q
|
⌐Q
|
Q
|
⌐Q
|
|
0
|
0
|
1
|
0
|
0
|
1
|
|
0
|
1
|
1
|
0
|
0
|
1
|
|
1
|
0
|
1
|
0
|
1
|
0
|
|
1
|
1
|
0
|
1
|
1
|
0
|
Функции D-триггера
На ЛЭ Пирса (с прямыми входами) На
ЛЭ Шеффера (с прямыми входами)
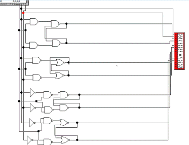
Схема построение D-триггера
4. JK-триггеры
Таблица истинности JK - триггера согласно
варианту
|
№такта
|
Тип JK-триггера
|
|
С прямыми входами
|
С инверсными входами
|
|
На ЛЭ Пирса
|
На ЛЭ Шеффера
|
На ЛЭ Пирса
|
На ЛЭ Шеффера
|
|
1
|
1
|
1
|
1
|
0
|
0
|
0
|
0
|
1
|
|
2
|
1
|
1
|
0
|
1
|
0
|
0
|
1
|
0
|
|
3
|
1
|
1
|
0
|
1
|
0
|
0
|
1
|
1
|
|
4
|
1
|
1
|
0
|
1
|
0
|
0
|
1
|
0
|
|
5
|
1
|
1
|
1
|
0
|
0
|
0
|
0
|
1
|
|
6
|
1
|
1
|
0
|
1
|
0
|
0
|
1
|
0
|
|
7
|
1
|
1
|
0
|
1
|
0
|
0
|
1
|
0
|
|
8
|
1
|
1
|
1
|
0
|
0
|
0
|
0
|
1
|
|
9
|
1
|
1
|
1
|
0
|
0
|
0
|
0
|
1
|
|
10
|
1
|
1
|
1
|
1
|
0
|
0
|
0
|
1
|
Временная диаграмма
JK-триггера
с прямыми входами
Временная диаграмма JK-триггера с инверсными
входами
Таблица истинности JK-триггера
|
Выходы
|
Тип JK-триггера
|
|
С прямыми входами
|
С инверсными входами
|
|
На ЛЭ Пирса
|
На ЛЭ Шеффера
|
На ЛЭ Пирса
|
На ЛЭ Шеффера
|
|
С
|
R
|
S
|
Q
|
⌐Q
|
Q
|
⌐Q
|
Q
|
⌐Q
|
Q
|
⌐Q
|
0
|
0
|
1
|
1
|
1
|
0
|
0
|
0
|
1
|
1
|
|
1
|
0
|
1
|
1
|
1
|
0
|
1
|
0
|
0
|
0
|
1
|
|
1
|
1
|
0
|
1
|
1
|
0
|
1
|
0
|
0
|
1
|
0
|
|
1
|
1
|
1
|
1
|
1
|
0
|
1
|
0
|
0
|
1
|
1
|
Функции JK-триггера
На ЛЭ Пирса (с прямыми входами)
На ЛЭ Шеффера (с
прямыми)
На ЛЭ Пирса (с
инверсными входами)
На ЛЭ Шеффера (с
инверсными)
Схема построения JK - триггера
. Т-триггеры
Таблица истинности Т - триггера
согласно варианту
|
№такта
|
Тип Т-триггера
|
|
С прямыми входами
|
|
На ЛЭ Пирса
|
На ЛЭ Шеффера
|
|
1
|
0
|
0
|
1
|
1
|
|
2
|
0
|
0
|
0
|
0
|
|
3
|
0
|
0
|
0
|
0
|
|
4
|
0
|
0
|
0
|
0
|
|
5
|
0
|
0
|
1
|
1
|
|
6
|
0
|
0
|
0
|
0
|
|
7
|
0
|
0
|
0
|
0
|
|
8
|
0
|
0
|
1
|
1
|
|
9
|
0
|
0
|
1
|
1
|
|
10
|
0
|
0
|
0
|
0
|
Временная диаграмма Т-триггера
Таблица истинности Т-триггера
|
Выходы
|
Тип Т-триггера
|
|
С прямыми входами
|
|
На ЛЭ Пирса
|
На ЛЭ Шеффера
|
|
R
|
S
|
Q
|
⌐Q
|
Q
|
⌐Q
|
|
0
|
0
|
1
|
1
|
1
|
1
|
|
0
|
1
|
0
|
0
|
1
|
1
|
|
1
|
0
|
1
|
1
|
0
|
0
|
|
1
|
1
|
1
|
1
|
1
|
1
|
Функции JK-триггера
На ЛЭ Пирса (с прямыми входами)
На ЛЭ Шеффера (с прямыми
входами)
Схема построения Т -
триггера
Выводы
Мной было проведено
экспериментальное исследование особенностей функционирования одноступенчатых RS-триггеров на интегральных логических схемах и изучены способы их
использования при построении других типов триггеров.
Похожие работы на - Исследование одноступенчатых триггеров
|