Разработка лабораторного макета для исследования RS-триггеров

  • Вид работы:
    Курсовая работа (т)
  • Предмет:
    Информатика, ВТ, телекоммуникации
  • Язык:
    Русский
    ,
    Формат файла:
    MS Word
    281,13 Кб
  • Опубликовано:
    2012-05-15
Вы можете узнать стоимость помощи в написании студенческой работы.
Помощь в написании работы, которую точно примут!

Разработка лабораторного макета для исследования RS-триггеров













"Разработка лабораторного макета для исследования RS-триггеров"

СОДЕРЖАНИЕ

Введение

. Выбор и обоснование структурной схемы лабораторного макета

.1 Выбор исследуемых параметров

.2 Выбор структурной схемы

. Разработка функциональной схемы лабораторного макета

.1 Состав макета

.2 Выбор элементной базы макета

3. Расчет электрических параметров схемы макета

. Разработка принципиальной схемы лабораторного макета

.1 RS-триггер на дискретных элементах (транзисторах)

.2 Асинхронный RS-триггер на логических элементах

.3 Синхронный RS-триггер на логических элементах

.4 Асинхронный RS-триггер на интегральных микросхемах

. Конструкция макета

. Разработка основных положений методических указаний для проведения лабораторной работы

.1 Общие положения

.2 Описание лабораторного макета

.3 Порядок проведения работы

Заключение

Список литературы

Приложение

ВВЕДЕНИЕ

Устройство, имеющее два устойчивых состояния, называют триггером. В одном из них на выходе триггера присутствует высокий потенциал, в другом - низкий. Аналогично мультивибратору, переход триггера из одного состояние в другое происходит лавинообразно, но только с приходом переключающего (запускающего) сигнала.

По принципу действия триггер напоминает взведенную пружину, которая спускается внешней силой. Отсюда еще одно название триггера - спусковое устройство.

В интервале между переключающими сигналами состояние триггера не меняется, т.е. триггер "запоминает" поступление сигнала, отражая это величиной потенциала на выходе. Это дает возможность использовать триггер как элемент памяти. Если совокупность триггеров установить в одинаковое (исходное) состояние, а затем на каждый триггер подать сигнал, соответствующий элементу цифрового кода, то на выходах триггеров установятся и могут неограниченно долго присутствовать потенциалы, представляющие этот код в параллельной форме.

При переключении триггера потенциалы на его выходе меняются лавинообразно, т.е. на выходе формируется прямоугольный импульс с крутыми фронтами. Это позволяет использовать триггер для формирования прямоугольных импульсов из напряжения другой формы (например, синусоидальной).

При поступлении каждой пары переключающих импульсов потенциал на выходе триггера меняется от высокого к низкому и обратно, т.е. на выходе формируется один импульс. Таким образом, триггер можно использовать как делитель частоты переключающих сигналов на два.

Триггеры бывают асинхронными (нетактируемыми) и синхронными (тактируемыми). Асинхронный триггер имеет лишь информационные входы, сигнал на которых с момента их появления определяют состояние триггера. Синхронный триггер кроме информационных входов имеет синхронизирующий (тактирующий, тактовый, разрешающий) вход; сигналы на информационных входах воздействуют на такой триггер только при наличии сигнала на синхронизирующем входе.

Целью же данного курсового проекта является разработка лабораторного стенда для изучения работы таких устройств, как RS-триггеры. Такое устройство имеет два входа R (Reset - сброс) и S (Set - установка) и два выхода: "прямой" - Q и "инверсный" - Q.

1. ВЫБОР И ОБОСНОВАНИЕ СТРУКТУРНОЙ СХЕМЫ ЛАБОРАТОРНОГО СТЕНДА

.1 Выбор исследуемых параметров

Работу любого триггера всегда рассматривают относительно прямого выхода Q (подробнее о входах и выходах триггера было описано выше). Т.е. исследуют состояние этого выхода при подаче на входы логических сигналов различных уровней. Такими сигналами являются логический нуль - "0" и логическая единица - "1". Зависимость состояния выхода Q от комбинации логических сигналов на входах легче всего показать в виде таблицы. Такую таблицу называют таблицей истинности. В эту таблицу заносятся все возможные комбинации логических сигналов на входе триггера и соответствующее им состояние выхода Q (иногда и Q).

Кроме того, работу триггера можно также описать временными диаграммами. На эти диаграммы наносятся условно подаваемые на вход сигналы, распределенные во времени, и на их основе строится временная диаграмма, соответствующая состоянию выхода Q. Иногда, например, при испытаниях двухступенчатых триггеров, на диаграммы наносится также и состояние инверсного выхода триггера.

В данном случае таблицы истинности и временные диаграммы будут являться основными исследуемыми параметрами.

1.2 Выбор структурной схемы

 

Для работы всего лабораторного стенда необходимо включить в схему макета блок питания, т.к. и дискретные элементы, и интегральные микросхемы не могут напрямую работать с напряжением сети 220В как с напряжением питания.

Т.к. для исследования работоспособности триггера нам необходимо подавать на его входы различные комбинации логических сигналов, то в схему лабораторного стенда обязательно необходимо включить задатчики уровней логических сигналов. С их помощью мы сможем подать на входы триггера логические сигналы и построить таблицу истинности либо описать работу триггера с помощью временных диаграмм.

Поскольку по заданию нам необходимо исследовать как асинхронные, так и тактируемые триггеры, то целесообразно включить в схему макета простой тактовый генератор. Этот генератор должен вырабатывать прямоугольные импульсы для подачи их на тактовый вход триггера с целью облегчения наблюдения за работой устройства.

Кроме того, для наблюдения за состояниями выходов триггера и задаваемых уровней логических сигналов необходимо включить в макет блок индикационных устройств.

Таким образом, примерная структурная схема макета может иметь вид, показанный на рис.1.

Рисунок 1.1 - Структурная схема лабораторного макета

2. РАЗРАБОТКА ФУНКЦИОНАЛЬНОЙ СХЕМЫ ЛАБОРАТОРНОГО МАКЕТА

.1 Состав макета

В задании на данный курсовой проект не указана необходимость разработки принципиальных схем тактового генератора, блока питания, задатчика уровня логических сигналов и блока индикации. Поэтому данные устройства можно взять стандартными.

Поскольку уровни входных сигналов для триггеров, точнее для элементов, на которых они построены, не превышают 5В, то блок питания для макета целесообразно взять на 5В. Этот выбор можно обосновать тем, что для подачи сигналов на входы триггеров не придется прибегать к применению элементов снижающих напряжение, поступающее от блока питания на входы.

Исходя из вышесказанного, блок задатчика уровней логических сигналов можно реализовать на нескольких тумблерах и логических элементах непосредственно на макете, а не прибегать к использованию внешних источников с различными уровнями выходных сигналов.

Кроме того, тактовый генератор тоже целесообразно выполнить на самом макете при помощи мультивибратора. Он должен генерировать прямоугольные импульсы с довольно низкой частотой (например, 1-5 Гц), т.к. более высокие частоты будет трудно различить не вооруженным глазом.

Блок индикации можно реализовать на светодиодах, установленных непосредственно на значимых выходах соответствующих триггеров, либо выделить их в отдельную линейку, к которой при помощи проводов с разъемами подключать выходы исследуемых устройств.

Коммутацию отдельных элементов при исследовании триггеров на логических элементах и интегральных микросхемах целесообразно выполнять при помощи проводов с разъемами. Их также можно использовать для подачи сигналов на исследуемое устройство от задатчика уровней логических сигналов и тактового генератора.

Согласно заданию для проекта, макет также должен содержать схемы для исследования работоспособности RS-триггеров на дискретных элементах (транзисторах), синхронного и асинхронного триггера на логических элементах (ЛЭ) и асинхронного триггера на интегральных микросхемах (ИМС).

Таким образом, функциональная схема лабораторного макета будет иметь вид, показанный на рис. 2.1.

Рисунок 2.1 - Функциональная схема лабораторного макета

2.2 Выбор элементной базы макета

По заданию необходимо выбрать элементную базу для реализации макета. Предлагаются следующие серии микросхем:

ТТЛ - К531, К555, 1533 серии

КМОП - 561, 564, 1534 серии

Проведем сравнительный анализ этих серий и технологий изготовления.

Таблица 2 - Сравнительные характеристики микросхем различных типов

Параметр

ТТЛ

КМОП


К531

К555

КР1533

К561

Напряжение питания (В)

4.5÷5.5

4.5÷5.5

4.5 ÷ 5.5

-0.5÷18

-0.5÷18

Входное напряжение высокого уровня (В)

2.5÷5.5

2.5÷5.5

2.0 ÷ 5.5

1.5

1.5

Входное напряжение низкого уровня (В)

-0.4÷0.5

-0.4÷0.4

0 ÷ 0.8

3.5

3.5

Входной ток низкого уровня: не более (мА)

-2

-0.4

-

-

-

Входной ток высокого уровня не более (мА)

0.05

0.04

-

-

-

Выходной ток высокого уровня (мА)

20

4

-15÷-0.4

-

-

Выходной ток низкого уровня (мА)

-1

-0.4

8 ÷ 24

-

-

Напряжение на выходе (В)

-

-

5.5

-

-

Время фронта и спада сигнала

5 нс

20 нс

1.0 мкс

-

-

Максимальная емкость нагрузки (пФ)

200

150

200, 500

-

-

Температура окружающей среды (°С)

-60÷125

-60÷125

-10 ÷ 70

-10÷70

-55÷125

Нагрузочная способность

10

10

-

-


Таким образом, выбираем микросхемы ТТЛ серии К1533, т.к они дают возможность подключать нагрузку с большей емкостью, обладают более высокими уровнями выходного тока низкого уровня, дают на выходе напряжение, необходимое для работы других логических устройств.

Из этой серии нам понадобятся следующие типы микросхем.

КР1533ЛА3.

В состав микросхемы входят четыре двух входовых элемента И-НЕ. Функциональная схема и номенклатура выводов микросхемы приведены на рис. 2.2.

КР1533ЛЕ1.

В состав микросхемы входят четыре двух входовых элемента ИЛИ-НЕ. Функциональная схема и номенклатура выводов микросхемы приведены на рис. 2.3.

Они понадобятся для построения одноступенчатых триггеров на базе логических элементов.

Рисунок 2.2 - Функциональная схема микросхемы КР1533ЛА3

электрический дискретный транзистор триггер

Рисунок 2.3 - Функциональная схема микросхемы КР1533ЛЕ1

КР1533ТР2.

В состав микросхемы входят четыре RS-триггера. Функциональная схема и номенклатура выводов микросхемы приведены на рис. 2.4.

Эта микросхема понадобится для построения асинхронного триггера на ИМС.

Рисунок 2.4 - Функциональная схема микросхемы КР1533ТР2

КР1533ЛН1.

В состав микросхемы входят шесть инверторов. Функциональная схема и номенклатура выводов микросхемы приведены на рис. 2.5.

Эта микросхема необходима для построения двухступенчатого синхронного триггера на логических элементах.

Рисунок 2.5 - Функциональная схема микросхемы КР1533ЛН1

3. РАСЧЕТ ЭЛЕКТРИЧЕСКИХ ПАРАМЕТРОВ МАКЕТА

Поскольку в техническом задании на данный курсовой проект не было указано на необходимость расчета таких составных частей макета как блок питания и тактовый генератор, то нам остается лишь рассчитать номиналы сопротивлений для блока индикации. Расчет триггера на транзисторах приведен в литературе [1, с.224], поэтому рассчитанные номиналы мы берем из этого расчета.

Для индикации различных одиночных сигналов высокого уровня выбираем светодиоды типа АЛ336Б. Максимальный ток для такого диода равен 10мА. Максимальное напряжение 2В. Напряжение нашего блока питания составляет 5В. Таким образом, по закону Ома (см. рис. 3.1) величина сопротивления в цепи светодиода вычисляется следующим образом.

Рисунок 3.1 - Цепь светодиода для блока индикации

Ом.

Таким образом, резисторы для блока индикации выбираем типа МЛТ-0,5-300 Ом.

4. РАЗРАБОТКА ПРИНЦИПИАЛЬНОЙ СХЕМЫ ЛАБОРАТОРНОГО МАКЕТА

.1 RS-триггер на дискретных элементах (транзисторах)

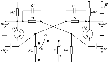
В качестве транзисторного триггера будет использован симметричный триггер с автоматическим смещением. Принципиальная схема этого триггера приведена на рис. 4.1.

Рисунок 4.1 - Схема электрическая принципиальная симметричного триггера с автоматическим смещением

Напряжение, запирающее транзистор, можно получать не от специального источника, а с резистора RЭ в общей эмиттерной цепи (см. рис. 3.1). Действительно, ток открытого транзистора создает на этом резисторе напряжение, которое через резистор RБ прикладывается между базой и эмиттером другого транзистора, запирая его. Чтобы устранить отрицательную обратную связь во время формирования фронтов импульсов, резистор RЭ шунтируют конденсатором CЭ.

В рассматриваемой схеме потенциал эмиттера UЭ через насыщенный транзистор передается его коллектору. Вследствие этого потенциал коллектора меняется от uК ≈ - ЕК (транзистор заперт) до uК ≈ - UЭ (транзистор открыт). В результате амплитуда формируемого импульса Um = ЕК - UЭ, что меньше амплитуды импульса Um ≈ ЕК на выходе схемы.

Триггер имеет два выхода. Потенциалы на них взаимно инвертированы: высокий потенциал на одном выходе соответствует низкому потенциалу на другом (см. рис.4.2). Один выход называют прямым (его обычно обозначают Q или Р), другой - инверсным (обозначают Q или Р).

Рисунок 4.2 - Временные диаграммы работы триггера

О состоянии триггера судят по состоянию его прямого выхода. Если на нем установился высокий потенциал, кодируемый логической единицей, то говорят, что триггер находится в единичном состоянии, и часто обозначают это как Q=1 (или Р=1). Один вход, по которому запускающий импульс переключает триггер в состояние Q=1, называют входом установки триггера в единицу и обозначают S. Другой называют входом установки триггера в нуль и обозначают R. Входы S и R являются информационными: через них в триггер поступает информация, выраженная наличием или отсутствием переключающего сигнала.

Триггер, показанный на рис. 4.1 называют триггером с установочными входами или RS-триггером. Условное графическое обозначение (УГО) его приведено на рис. 4.3; здесь верхний выход триггера - прямой, нижний (с кружком) - инверсный.

Рисунок 4.3 - Условное графическое обозначение RS-триггера

В рассмотренном триггере сигналы на входах продолжают воздействовать на его элементы после переключения триггера; такие входы называют статическими. После переключения других типов триггеров такое воздействие (за счет конструктивных особенностей внутренней структуры) прекращается; в этом случае входы называют динамическими и обозначают их косой черточкой.

4.2 Асинхронный RS-триггер на логических элементах

RS-триггер на элементах ИЛИ-НЕ

Схема простейшего триггера на логических элементах получается, если включить кольцом два элемента ИЛИ-НЕ (см. рис. 4.4, а). Работу данного устройства можно описать следующей таблицей истинности.

Таблица 4.1 - Таблица истинности RS-триггера

Входы

Выходы

R

S

Q

Q

0

0

Qпред.

Qпред.

0

1

1

0

1

0

0

1

1

1

x


Рисунок 4.4 - RS-триггер на элементах ИЛИ-НЕ

Пока на обоих управляющих входах R и S уровни сигналов неактивны, в данном случае равны 0, триггер находится в каком либо из двух устойчивых состояний. Если значение сигнала на прямом выходе равно 1, то этот единичный сигнал, поступая по цепи обратной связи на вход второго элемента, вызывает появление на инверсном выходе сигнала с нулевым уровнем. В свою очередь, нулевой уровень инверсного выхода, поступая на первый элемент, поддерживает Q в состоянии 1. Иначе говоря, при входных сигналах R и S равных 0, появившаяся по любой причине на выходе Q единица по цепи обратной связи будет сама себя поддерживать сколь угодно долго. Такой режим работы триггера, при котором на его входы поданы два 0, называют режимом хранения.

В силу симметрии схемы она будет столь же устойчива в своем противоположном (нулевом) состоянии, когда уровень сигнала на выходе Q равен 0.

На рис. 4.4, б показана временная диаграмма переходных процессов в схеме при подаче на нее управляющих сигналов. Исходное состояние триггера - нулевое, на его входы последовательно поступают сначала сигнал S, затем, после его окончания, сигнал R.

Из диаграммы видно, что после окончания входного сигнала триггер способен сохранять свое состояние сколь угодно долго. Говорят, что триггер запоминает входной сигнал. Это специфическое и очень важное свойство триггера.

Характерно, что оба элемента триггера переключаются не одновременно, а последовательно, друг за другом. Как видно из диаграммы, существуют моменты времени, когда и на прямом, и на инверсном выходах триггера уровни сигналов одинаковы. В тоже время алгоритмы работы управляемых триггерами схем и соответственно сами эти схемы строят исходя из установившихся значений сигналов на выходах триггера, когда оба они взаимно инверсные. Поэтому, управляемая триггерами схема, получив на вход непредусмотренную комбинацию сигналов, сформирует на своем выходе также нечто совершенно не предусмотренное алгоритмом ее работы.

По временной диаграмме можно оценить время задержки распространения tзд.р. триггера как отрезок времени, по прошествии которого на обоих выходах триггера устанавливаются правильные уровни: tзд.р. = 2τ. Можно оценить и минимально допустимую длительность R и S сигналов., ниже которой обратная связь триггера еще не успеет замкнуться и в результате выходы триггера вернутся в исходное состояние. Это значение лежит в пределах (2÷3)τ. Для боле точной оценки необходимо задать допуски на пороги срабатывания и длительности фронтов элементов. Для триггеров, выпускаемых в виде схем средней интеграции, значения tзд.р. и минимальной длительности входных сигналов указывают в паспорте.

Если на входы триггера одновременно подать две 1, то на обоих выходах появятся нули. Если теперь одновременно снять единицы со входов, то оба элемента начнут переключаться в единичное состояние, каждый стремясь при этом оставить своего партнера в нуле. Какой элемент одержит в этой борьбе победу, будет зависеть от их коэффициентов усиления, скоростей переходных процессов и ряда других не известных заранее факторов. Для разработчика результирующее состояние триггера остается неопределенным, неуправляемым. Поэтому комбинация из двух единиц на входах считается запрещенной, и в обычных условиях ее не используют. В некоторых справочниках эту комбинацию также называют неустойчивой, хотя пока она держится на входах, схема вполне устойчива. Комбинацию единиц на входах допустимо применять, когда обеспечено не одновременное, а строго поочередное снятие R и S сигналов.

RS-триггер на элементах И-НЕ

Для элемента И-НЕ активным сигналом является логический 0: наличие его хотя бы на одном входе обусловливает на выходе логическую 1 независимо от сигналов на других входах. Логическая 1 для такого элемента является пассивным сигналом: с ее поступлением на вход состояние выхода элемента не изменяется.

В силу сказанного триггер на элементах И-НЕ (рис. 4.5, а) переключается логическим 0. На условном изображении такого триггера (рис. 4.5, б) это отражают инверсными входами.

Нетрудно понять, что для данного триггера комбинация входных сигналов R = 0, S = 0 является запрещенной, а комбинация S = 1, R = 1 не меняет его предыдущего состояния.

Так как триггеры на элементах ИЛИ-НЕ и И-НЕ переключаются противоположными логическими сигналами, то переключательную таблицу для рассматриваемого триггера можно получить из табл. 4.1, заменяя 1 на 0 и наоборот, в столбцах S и R. Более того, табл. 4.1 будет соответствовать триггеру на элементах И-НЕ, если считать, что в указанных столбцах записаны инверсии входных сигналов S и R. Чтобы подчеркнуть переключение триггера нулем, такие обозначения иногда ставят у его входных выводов.

Рисунок 4.5 - RS-триггер на элементах И-НЕ

4.3 Синхронный RS-триггер на логических элементах

На входы логического элемента или устройства сигналы не всегда поступают одновременно, так как перед этим они могут проходить через разное число узлов, не обладающих к тому же одинаковой задержкой. Это явление называют состязаниями или гонками. В результате его в течение некоторого времени на входах создастся непредвиденная ситуация: новые значения одних сигналов сочетаются с предыдущими значениями других, что может привести к ложному срабатыванию элемента (устройства).

Последствия гонок можно устранить временным стробированием, когда на элемент кроме информационных сигналов подаются тактирующие (синхронизирующие) импульсы, к моменту прихода которых информационные сигналы заведомо успевают установиться на входах.

Одноступенчатый синхронный RS-триггер

На рис. 3.6, а изображена схема тактируемого RS-триггера. Она содержит асинхронный RS-триггер T1 с прямыми входами (собранный на элементах ИЛИ-НЕ) и два конъюнктора. Последние передают переключающую логическую 1 с информационного S- или R-входа на соответствующие входы T1 только при наличии на синхронизирующем входе C логической 1. При C = 0 информация с S- и R-входов на триггер Т1 не передается. Условное изображение тактируемого триггера приведено на рис.

Рисунок 4.6 - Одноступенчатый синхронный RS-триггер на элементах ИЛИ-НЕ

На рис. 4.7 дана схема тактируемого RS-триггера, основу которого составляет асинхронный RS-триггер T1 с инверсными входами (аналогичный изображенному на рис. 4.5, а). Чтобы обеспечить переключающий логический 0 на соответствующем входе Т1, в схеме использованы элементы И-НЕ. Логический 0 на выходе такого элемента будет при логических 1 на его входах, т. е. при S = 1, С = 1 или при R = 1, С = 1.

Рисунок 4.7 - Одноступенчатый синхронный RS-триггер на элементах И-НЕ

Рисунок 4.8 - Временные диаграммы работы синхронного RS-триггера

На рис. 4.8 приведены временные диаграммы триггера, изображенного на рис. 4.7, без учета времени его переключения. Переключение триггера в состояние Q = 1 происходит при S = 1 с поступлением синхроимпульса 2, когда на выходе S’ появляется логический 0. Сигнал S’ = 0, возникающий при поступлении синхроимпульса 3, переключения не вызывает, так как до этого триггер уже установлен в единичное состояние. Синхроимпульс 4 с сигналом R = 1 обеспечивает R' = 0, что переключает триггер в состояние Q = 0. В тексте тактируемый RS-триггер сокращенно обозначают RSC.

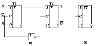
Двухступенчатый синхронный RS-триггер

Рассмотренные RS-триггеры переключаются при наличии на С-входе импульса или потенциала. Тактирование триггера фронтом импульса или перепадом потенциала можно обеспечить, выполняя его двухступенчатым.

Каждая ступень такого триггера (рис. 4.9, а) представляет собой синхронный RS-триггер. При наличии на линии C логической 1 триггер T1 воспринимает информацию, поступившую по линиям S и R и определяющую его состояние. В это время на С-входе триггера Т2 логический 0 за счет инвертора, и информация с выходов T1 не воздействует на T2. В момент окончания действия логической 1 на линии C (С = 0) на выходе инвертора появляется логическая 1, разрешающая перезапись в Т2 информации из T1.

Таким образом, в первую ступень информация с линий S и R записывается с приходом тактового импульса, т.е. по его переднему фронту; состояние первой ступени передается второй с окончанием тактового импульса, т. е. по его срезу.

Рисунок 4.9 - Двухступенчатый синхронный RS-триггер

Условное изображение двухступенчатого RS-триггера с динамическим С-входом, когда переключение происходит перепадом входного сигнала из 1 в 0 (перепадом 1/0), приведено на рис. 4.9, б.

Подчеркнем разницу между одноступенчатым и двухступенчатым синхронными триггерами. Одноступенчатый триггер (см. рис. 4.6, а) можно переключить, если при C = 1 изменить комбинацию на установочных входах с прежней (например, S = 1, R = 0) на новую (S = 0, R = 1) или наоборот. В двухступенчатом триггере при C = 1 вторая ступень отключена от первой, а при C = 0 первая ступень не принимает информации с R- и S-входов Только при изменении сигнала на тактовом входе информация из первой ступени перезаписывается во вторую, и состояния выходов Q и Q изменяются.

По существу, переключение происходит в два такта; его осуществляют две последовательности импульсов, смещенные во времени. Одна из них воздействует на тактовый вход первой ступени, другая получается, в данном случае ее, инвертированием и снимается с выхода инвертора. Поэтому двухступенчатый триггер рассмотренной структуры называют двухтактным.

Синхронный триггер обычно имеет дополнительные асинхронные входы, по которым он вне зависимости от сигнала на тактовом входе переключается в состояние 1 (вход S) или 0 (вход R). Такие входы называют нетактируемыми. В тексте их указывают после информационных. Так, RS-триггер с асинхронными входами обозначается RSRS.

4.4 Асинхронный RS-триггер на интегральных микросхемах

Асинхронный триггер в интегральном исполнении можно выполнить на базе микросхемы КР1533ТР2. Ее структурная схема приведена на рисунке 4.10.

Рисунок 4.10 - Структурная схема микросхемы КР1533ТР2

Таким образом, принципиальная схема лабораторного макета примет вид, показанный на чертеже в графической части проекта.

5. КОНСТРУКЦИЯ МАКЕТА

На основании структурной схемы лабораторного макета, показанной на рис. 1.1, а также разработанной принципиальной схемы макета можно схематически представить вид передней панели макета.

Детальная схема расположения основных устройств на панели макета будет приведена в графической части проекта.

Рисунок 5.1 - Вид передней панели лабораторного макета

6. РАЗРАБОТКА ОСНОВНЫХ ПОЛОЖЕНИЙ МЕТОДИЧЕСКИХ УКАЗАНИЙ ДЛЯ ПРОВЕДЕНИЯ ЛАБОРАТОРНОЙ РАБОТЫ

Целью данной лабораторной работы будет:

экспериментальное подтверждение материала, полученного на лекционных занятиях

исследование работоспособности различных видов RS-триггеров

приобретение навыков самостоятельного построения различных видов RS-триггеров

6.1 Общие положения

Устройство, имеющее два устойчивых состояния, называют триггером. В одном из них на выходе триггера присутствует высокий потенциал, в другом - низкий. Аналогично мультивибратору, переход триггера из одного состояние в другое происходит лавинообразно, но только с приходом переключающего (запускающего) сигнала.

При переключении триггера потенциалы на его выходе меняются лавинообразно, т.е. на выходе формируется прямоугольный импульс с крутыми фронтами. Это позволяет использовать триггер для формирования прямоугольных импульсов из напряжения другой формы (например, синусоидальной).

Триггеры бывают асинхронными (нетактируемыми) и синхронными (тактируемыми). Асинхронный триггер имеет лишь информационные входы, сигнал на которых с момента их появления определяют состояние триггера. Синхронный триггер кроме информационных входов имеет синхронизирующий (тактирующий, тактовый, разрешающий) вход; сигналы на информационных входах воздействуют на такой триггер только при наличии сигнала на синхронизирующем входе.

Работу любого триггера всегда рассматривают относительно прямого выхода Q. Т.е. исследуют состояние этого выхода при подаче на входы логических сигналов различных уровней. Такими сигналами являются логический нуль - "0" и логическая единица - "1". Зависимость состояния выхода Q от комбинации логических сигналов на входах легче всего показать в виде таблицы. Такую таблицу называют таблицей истинности. В эту таблицу заносятся все возможные комбинации логических сигналов на входе триггера и соответствующее им состояние выхода Q (иногда и Q).

Кроме того, работу триггера можно также описать временными диаграммами. На эти диаграммы наносятся условно подаваемые на вход сигналы, распределенные во времени, и на их основе строится временная диаграмма, соответствующая состоянию выхода Q. Иногда, например, при испытаниях двухступенчатых триггеров, на диаграммы наносится также и состояние инверсного выхода триггера.

RS-триггер на транзисторах


Напряжение, запирающее транзистор, можно получать не от специального источника, а с резистора RЭ в общей эмиттерной цепи (см. рис.). Действительно, ток открытого транзистора создает на этом резисторе напряжение, которое через резистор RБ прикладывается между базой и эмиттером другого транзистора, запирая его. Чтобы устранить отрицательную обратную связь во время формирования фронтов импульсов, резистор RЭ шунтируют конденсатором CЭ.

В рассматриваемой схеме потенциал эмиттера UЭ через насыщенный транзистор передается его коллектору. Вследствие этого потенциал коллектора меняется от uК ≈ - ЕК (транзистор заперт) до uК ≈ - UЭ (транзистор открыт).В результате амплитуда формируемого импульса Um = ЕК - UЭ, что меньше амплитуды импульса Um ≈ ЕК на выходе схемы.

Триггер имеет два выхода. Потенциалы на них взаимно инвертированы: высокий потенциал на одном выходе соответствует низкому потенциалу на другом. Один выход называют прямым (его обычно обозначают Q или Р), другой - инверсным (обозначают Q или Р).


О состоянии триггера судят по состоянию его прямого выхода. Если на нем установился высокий потенциал, кодируемый логической единицей, то говорят, что триггер находится в единичном состоянии, и часто обозначают это как Q=1 (или Р=1). Один вход, по которому запускающий импульс переключает триггер в состояние Q=1, называют входом установки триггера в единицу и обозначают S. Другой называют входом установки триггера в нуль и обозначают R. Входы S и R являются информационными: через них в триггер поступает информация, выраженная наличием или отсутствием переключающего сигнала.

Триггер такого типа называют триггером с установочными входами или RS-триггером. Условное графическое обозначение (УГО) его приведено ниже


В рассмотренном триггере сигналы на входах продолжают воздействовать на его элементы после переключения триггера; такие входы называют статическими. После переключения других типов триггеров такое воздействие (за счет конструктивных особенностей внутренней структуры) прекращается; в этом случае входы называют динамическими и обозначают их косой черточкой.

Схема простейшего триггера на логических элементах получается, если включить кольцом два элемента ИЛИ-НЕ (см. рис. ниже). Работу данного устройства можно описать следующей таблицей истинности.

Таблица истинности RS-триггера

Входы

Выходы

R

S

Q

Q

0

0

Qпред.

Qпред.

0

1

1

0

1

0

0

1

1

1

x

x


-триггер на элементах ИЛИ-НЕ

Пока на обоих управляющих входах R и S уровни сигналов неактивны, в данном случае равны 0, триггер находится в каком либо из двух устойчивых состояний. Если значение сигнала на прямом выходе равно 1, то этот единичный сигнал, поступая по цепи обратной связи на вход второго элемента, вызывает появление на инверсном выходе сигнала с нулевым уровнем. В свою очередь, нулевой уровень инверсного выхода, поступая на первый элемент, поддерживает Q в состоянии 1. Иначе говоря, при входных сигналах R и S равных 0, появившаяся по любой причине на выходе Q единица по цепи обратной связи будет сама себя поддерживать сколь угодно долго. Такой режим работы триггера, при котором на его входы поданы два 0, называют режимом хранения.

Из диаграммы видно, что после окончания входного сигнала триггер способен сохранять свое состояние сколь угодно долго. Говорят, что триггер запоминает входной сигнал. Это специфическое и очень важное свойство триггера.

RS-триггер на элементах И-НЕ

Для элемента И-НЕ активным сигналом является логический 0: наличие его хотя бы на одном входе обусловливает на выходе логическую 1 независимо от сигналов на других входах. Логическая 1 для такого элемента является пассивным сигналом: с ее поступлением на вход состояние выхода элемента не изменяется.

В силу сказанного триггер на элементах И-НЕ переключается логическим 0. На условном изображении такого триггера это отражают инверсными входами.

Нетрудно понять, что для данного триггера комбинация входных сигналов R = 0, S = 0 является запрещенной, а комбинация S = 1, R = 1 не меняет его предыдущего состояния.

Триггеры на элементах ИЛИ-НЕ и И-НЕ переключаются противоположными логическими сигналами.


RS-триггер на элементах И-НЕ

Одноступенчатый синхронный RS-триггер

Здесь изображена схема тактируемого RS-триггера. Она содержит асинхронный RS-триггер T1 с прямыми входами (собранный на элементах ИЛИ-НЕ) и два конъюнктора. Последние передают переключающую логическую 1 с информационного S- или R-входа на соответствующие входы T1 только при наличии на синхронизирующем входе C логической 1. При C = 0 информация с S- и R-входов на триггер Т1 не передается. Условное изображение тактируемого триггера приведено ниже.

Одноступенчатый синхронный RS-триггер на элементах ИЛИ-НЕ

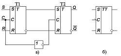
Двухступенчатый синхронный RS-триггер

Рассмотренные RS-триггеры переключаются при наличии на С-входе импульса или потенциала. Тактирование триггера фронтом импульса или перепадом потенциала можно обеспечить, выполняя его двухступенчатым.

Каждая ступень такого триггера представляет собой синхронный RS-триггер. При наличии на линии C логической 1 триггер T1 воспринимает информацию, поступившую по линиям S и R и определяющую его состояние. В это время на С-входе триггера Т2 логический 0 за счет инвертора, и информация с выходов T1 не воздействует на T2. В момент окончания действия логической 1 на линии C (С = 0) на выходе инвертора появляется логическая 1, разрешающая перезапись в Т2 информации из T1.

Таким образом, в первую ступень информация с линий S и R записывается с приходом тактового импульса, т.е. по его переднему фронту; состояние первой ступени передается второй с окончанием тактового импульса, т. е. по его срезу.

Двухступенчатый синхронный RS-триггер

.2 Описание лабораторного макета

В центральной части макета расположен набор различных логических элементов и интегральных микросхем. Студенты на основе полученных ранее теоретических знаний должны построить различные схемы триггеров согласно заданию, используя этот набор.

Для подачи сигналов на входы триггеров необходимо задействовать задатчики уровней логических сигналов в левой части макета.

Для построения тактируемых триггеров в качестве синхронизирующего сигнала рекомендуется применить сигнал от тактирующего генератора.

Для наблюдения за переключением выходов триггеров рекомендуется подключать их к светодиодному табло в верхней части макета.

6.3 Порядок выполнения работы

Опыт 1.

1.       Собрать схему транзисторного RS-триггера, предварительно отключив питание макета.

2.       Подключить выходы триггера к индикационному табло.

.        Подавая на входы триггера сигналы с задатчика уровней сигналов получить таблицу истинности данного триггера.

.        Построить временную диаграмму работы триггера, получив задание у преподавателя.

Опыт 2.

1.       Собрать схему асинхронного триггера на элементах ИЛИ-НЕ

2.       Повторить действия 2-4 из опыта 1.

Опыт 3.

1.       Собрать схему асинхронного триггера на элементах И-НЕ

2.       Повторить действия 2-4 из опыта 1.

Опыт 4.

1.       Собрать схему одноступенчатого синхронного триггера на элементах ИЛИ-НЕ и И-НЕ

2.       Повторить действия 2-4 из опыта 1.

Опыт 5.

1.       Собрать схему одноступенчатого синхронного триггера на элементах ИЛИ-НЕ и И-НЕ

2.       Повторить действия 2-4 из опыта 1.

Опыт 6.

. Произвести проверку работоспособности интегрального триггера.


В ходе проведенного проектирования был разработан лабораторный макет для проведения лабораторных работ по предмету "Элементы и устройства ЭВТ". В состав макета входит довольно широкий набор исследуемых устройств, что позволяет досконально изучить большинство распространенных видов RS-триггеров. По каждому виду триггеров были приведены подробные описания их функционирования, приведены схемы включения, временные диаграммы работы и таблицы истинности.

Также были разработаны методические указания к проведению лабораторной работы по исследованию различных видов RS-триггеров, даны подробные сведения по каждому из проводимых опытов.

В графической части проекта приведены принципиальная схема, а также чертеж передней панели макета.

Таким образом, в целом, данный проект полностью удовлетворяет заданию на курсовое проектирование.

СПИСОК ЛИТЕРАТУРЫ

1.     Браммер Ю.А., Пащук И.Н. Импульсная техника - М.: Высшая школа, 2003, 320 с.

2.       Мальцева Л.А. и др. Основы цифровой техники - М.: Радио и связь, 1987, 128 с.

.        Потемкин И.С. Функциональные узлы цифровой автоматики - М.: Энергоатомиздат, 1988, 320 с.

.        Пухальский Г.И., Новосельцева Т.Я. Проектирование дискретных устройств на ИМС: Справочник - М.: Радио и связь, 1990, 304 с.

.        Шило В.Л. Популярные цифровые микросхемы: Справочник - М.: Радио и связь, 1989, 352 с.

.        Конспект лекций по предмету "Элементы и устройства вычислительной техники и связи"

ПРИЛОЖЕНИЕ


Не нашли материал для своей работы?
Поможем написать уникальную работу
Без плагиата!
Без нейросетей!