Изучение регистров

  • Вид работы:
    Практическое задание
  • Предмет:
    Информатика, ВТ, телекоммуникации
  • Язык:
    Русский
    ,
    Формат файла:
    MS Word
    272,01 kb
  • Опубликовано:
    2011-12-01
Вы можете узнать стоимость помощи в написании студенческой работы.
Помощь в написании работы, которую точно примут!

Изучение регистров

1. Теоретические сведения


Регистры данных

Регистры данных предназначены для записи и хранения информации. В зависимости от способа записи информации и ее передачи от входа к выходу различают статические и динамические регистры. В статических регистрах информация записывается по уровню, а в динамических регистрах - по фронту синхроимпульса.

Рассмотрим временные диаграммы работы статических регистров на примере одноразрядного регистра с входом данных D, входом записи C и выходом данных Q (рис. 1.1).

Рис. 1.1. Временные диаграммы работы статических регистров


Данные регистры называют «регистры-защелки». Они применяются в микропроцессорных системах в качестве портов вывода и для «защелкивания» адреса и другой информации; управляются сигналами, формируемыми микропроцессором. Рассмотрим временные диаграммы работы динамических регистров на примере одноразрядного регистра с входом данных D, входом записи C и выходом данных Q (управление по переднему фронту) (рис. 1.2).

Рис. 1.2. Временные диаграммы работы динамических регистров

Динамические регистры применяются в схемах конечных автоматов (основное назначение), так как только регистры данного типа могут обеспечить работоспособность схемы автомата, а также в качестве портов ввода и портов вывода в микропроцессорных системах, если необходима «привязка» вводимых и выводимых данных к определенному моменту времени (задается приходом переднего или заднего фронта импульса).

Для исследования регистров данных следует собрать схему, изображенную на рис. 1.3.


Рис. 1.3 Схема для исследования работы регистров

Прямоугольник, обозначенный «RG», обозначает исследуемый регистр. Для исследования регистра с динамическим управлением используется один из D-триггеров установки УМ11 или УМ11 или JK-триггер.

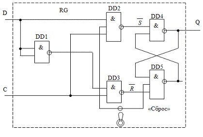
Для исследования регистра со статическим управлением собирается схема, изображенная на рис. 1.4.

Рис. 1.4. Схема для исследования работы статических регистров

Поясним работу схемы. При нулевом уровне на входе «Сброс» на выходах элементов DD2 и DD5 будет единичный уровень, а на выходе Q элемента DD4 будет нулевой уровень независимо от значений на входах D и C. При единичном уровне на входе «Сброс» схема функционирует следующим образом.

Элементы DD4 и DD5 образуют асинхронный RS-триггер, элементы DD1 ÷ DD3 формируют цепи управления RS-триггером на элементах DD4 и DD5 так, что схема в целом образует синхронный RS-триггер. Так, элемент DD1 обеспечивает подачу на элементы DD2 и DD3 парафазного сигнала D, что исключает одновременную подачу активных уровней сигналов R и S на входы асинхронного RS-триггера. При нулевом уровне на входе C значения R и S равны «1», и триггер хранит свое предшествующее состояние. При единичном уровне сигнала C работу триггера определяет значение D. Если D = «0», то на выходе DD2 будет «1», на выходе DD3 будет «0», соответственно на выходе DD5 и на нижнем входе DD4 будет «1», как и на верхнем входе DD4, поэтому на выходе Q будет «0». Если D = «1», то на выходе DD2 будет «0», что приведет к появлению на выходе Q значения «1». Если теперь значение C станет равным «0», то на всех входах DD5 будет «1», на выходе DD5 будет «0», соответственно этот «0» появится на нижнем входе DD4 и удержит на выходе значение «1».

Сдвиговые регистры

 

Определение. Регистром сдвига (сдвиговым регистром) называется последовательное цифровое устройство, позволяющее сдвигать записанную в него информацию вправо или влево при поступлении на его тактовый вход очередного синхроимпульса.

Регистры сдвига реализуются на базе двухтактных RS-триггеров, D-триггеров или JK-триггеров, чаще всего для этой цели используют D-триггеры. Регистры сдвига в виде ИМС выполняются реверсивными, т. е. имеется возможность сдвига информации как вправо, так и влево, имеют входы для параллельной записи информации и входы для управления режимом работы ИМС. Типичным представителем семейства реверсивных сдвиговых регистров является ИМС К155ИР13.

 

Регистры для сдвига вправо


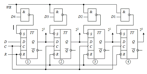
Схема 4-разрядного регистра сдвига вправо на D-триггерах приведена на рис. 1.5.

Рис. 1.5. Регистр сдвига вправо на D-триггерах

Параллельный код записывается по входам D1 ÷ D4 (D1 - младший разряд, D4 - старший разряд) при единичном уровне сигнала на входе WR, на входе сброса  в это время должен быть единичный уровень сигнала.

Изменение состояния триггеров и, соответственно, выходов регистра сдвига, осуществляется по фронту сигнала C. Выходы регистра 20 ÷ 23 соответствуют двоичным весам разрядов параллельного кода, который записывается в регистр. Вход D - вход последовательного ввода данных.

Пусть на вход R был подан нулевой сигнал, после чего на входе R постоянно присутствует «1», а на входе WR - «0» (рис. 1.6) после предварительной записи числа 0110.

Первый синхроимпульс (его номер 2) на входе C вызывает следующие действия (рис. 1.6):

–   в триггер 1 записывается «1» с входа D;

–        в триггер 2 записывается «0» с выхода триггера 1;

–        в триггер 3 записывается «0» с выхода триггера 2;

–        в триггер 4 записывается «0» с выхода триггера 3.

Рис. 1.6. Временные диаграммы работы регистра сдвига вправо на D-триггерах

Второй синхроимпульс (его номер 3) вызывает следующие действия:

–   в триггер 1 записывается «0» с входа D;

–        в триггер 2 записывается «1» с выхода триггера 2;

–        в триггер 3 записывается «0» с выхода триггера 2;

–        в триггер 4 записывается «0» с выхода триггера 3.

Синхроимпульсы с 3-го по 5-й выполняют аналогичные действия, 6-й синхроимпульс «выталкивает» логическую единицу с выхода триггера 1, обнуляя его.

В промежутке между 6-м и 7-м синхроимпульсом вновь выполняется запись числа 0110, тогда после 7-го синхроимпульса на выходе регистра будет 0011, после 8-го синхроимпульса на выходе регистра будет код 0001, а после 9-го синхроимпульса - код 0000.

–   синхроимпульс № 2 - 1000

–        синхроимпульс № 3 - 1100

–        синхроимпульс № 4 - 1110

–        синхроимпульс № 5 - 1111

Логические операции сдвига вправо (или влево) выполняются при помощи мультиплексоров, операция циклического сдвига вправо (или влево) может быть выполнена при помощи регистра, изображенного на рис. 1.5, если на вход D подать сигнал с выхода 20 (влево - с выхода 23, если триггеры 1, 2, 3 и 4 будут иметь выход с двоичным весом 20, 21, 22 и 23 соответственно).

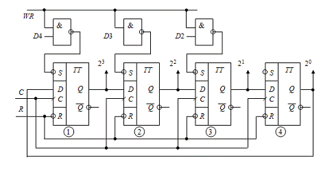
Рассмотрим работу такого регистра (рис. 1.7).


Рис. 1.7. Сдвиговый регистр для циклического сдвига вправо

Пусть в регистр было записано двоичное число 0101, тогда после первого синхроимпульса (такта) на выходе будет значение 1010, после второго такта на выходе будет значение 0101, после третьего такта - значение 1010 и т. д., а если записано значение 0110, то будут значения 0011, 1001, 1100, 0110 и т. д. соответственно.

Реверсивные сдвиговые регистры


Реверсивные сдвиговые регистры способны сдвигать данные как влево, так и вправо, в зависимости от значения на управляющем входе V (либо имеется 2 раздельных парафазных управляющих входа VL (сдвиг влево) и VR (сдвиг вправо)) - см. рис. 1.8.

Каждый разряд реверсивного сдвигового регистра представляет собой автомат Ai на D-триггере или JK-триггере (рис. 1.8).


Рис. 1.8. Реализация i-го разряда реверсивного сдвигового регистра

На рис. 1.8. обозначены:

СИ - вход синхроимпульсов;

 - инверсный вход данных (i - 1)-го разряда;

 - инверсный вход данных (i + 1)-го разряда;

Qi и  - прямой и инверсный выходы данных i-го разряда;

R и S - входы независимой установки логического нуля и логической единицы соответственно.

Поясним работу схемы (рис. 1.9).











Рис. 1.9. Реализация i-го разряда реверсивного сдвигового регистра на JK-триггерах

регистр сдвиговый триггер реверсивный

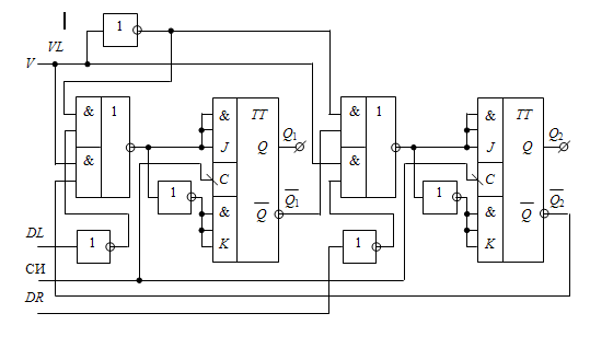
Рассмотрим функционирование 2-х разрядного реверсивного сдвигового регистра на JK-триггерах [2]. Каждый разряд сдвигового регистра реализуется на одном JK-триггере, одном элементе 2И - ИЛИ - НЕ (рис. 1.10) и инверторе.











Рис.

Рис. 1.10. Функциональная схема реверсивного сдвигового регистрана JK-триггерах (2 разряда)

Временные диаграммы схемы (рис. 1.10) приведены на рис. 1.11. При сдвиге влево (VL = 0) имеем: Q1 = DL, Q2 = Q1; при сдвиге вправо (VR = 0) имеем: Q2 = DR, Q1 = Q2.








Рис. 1.12. Эквивалентная схема для схемы на рис. 1.10 при сдвиге влево











Рис. 1.13. Эквивалентная схема для схемы на рис. 1.11 при сдвиге вправо

Реверсивный регистр с параллельной записью данных (рис. 1.14) имеет вход записи WR, единичный уровень которого разрешает запись параллельных данных в регистр.

От схемы на JK-триггерах можно легко перейти к схеме на D-триггерах, отличие будет в том, что состояние регистра будет изменяться не по спаду, а по переднему фронту СИ. Схема приведена на рис. 1.15, временные диаграммы - на рис. 1.16 (временные соотношения выбраны аналогично рис. 1.11).

Лабораторное задание

1. Ознакомиться с теоретической частью.

2. Изучить описание лабораторного стенда УМ-11 или УМ-11М.

3. Выполнить синтез схем регистров (рис. 1.3, 1.4, 1.5, 1.7, 1.10,1.14) и исследовать в соответствии с временными диаграммами для этих схем.

Контрольные вопросы

1. Назначение регистров данных.

2. Чем отличается регистр со статическим входом записи от регистра с динамическим входом записи?

3. Для чего предназначены сдвиговые регистры?

4. Схема реверсивного сдвигового регистра на D-триггерах.



Рекомендуемая литература

1. Схемотехника ЭВМ: Учебник для студентов вузов спец. ЭВМ / Под ред. Соловьёва Г.Н.. - М.: Высшая школа, 1985. - 391с.

2. Применение интегральных микросхем в электронной вычислительной технике: Справочник / Данилов Р.В., Ельцова С.А., Иванов Ю.А. и др.; Под ред. Файзулаева Б.Н., Тарабрина Б.В. - М.: Радио и связь, 1986. - 384с.


Не нашли материал для своей работы?
Поможем написать уникальную работу
Без плагиата!
Без нейросетей!