Логические элементы и цифровые микросхемы
ОБРАЗОВАТЕЛЬНАЯ
АВТОНОМНАЯ НЕКОММЕРЧЕСКАЯ
ОРГАНИЗАЦИЯ
ВОЛЖСКИЙ
УНИВЕРСИТЕТ ИМ. В.Н. ТАТИЩЕВА (ИНСТИТУТ)
Кафедра «Информатика и системы
управления»
«Логические
элементы и цифровые микросхемы»
Лабораторный
практикум по курсу «Схемотехника ЭВМ»
Выполнил
студент
группы
ИМЗ-511
Андреев И.Н.
Проверил
Калягина Н.В.
Тольятти,
2011 г.
Лабораторная работа 3
Тема «Цифровые автоматы с памятью»
.1 Цель работы:
.1.1 Изучение структуры и алгоритмов работы асинхронных и синхронных
триггеров; исследование функций переходов и возбуждения основных типов
триггеров; изучение взаимозаменяемости триггеров различных типов.
.1.2 Изучение структуры и исследование работы суммирующих и вычитающих
счетчиков.
.1.3 Изучение способов изменения коэффициента пересчета счетчиков.
.1.4 Исследование работы счетчиков с коэффициентом пересчета, отличным от
2n.
.1.5 Изучение сдвиговых регистров и регистров памяти.
Выбор варианта
Выберите индивидуальный вариант из восьми чисел на основе таблицы 3.1 в
соответствие с примером.
Таблица 3.1 - соответствие букв русского алфавита и номеров заданий
|
А
|
Б
|
В
|
Г
|
Д
|
Е
|
Ж
|
З
|
И
|
Й
|
К
|
Л
|
М
|
Н
|
О
|
П
|
|
1
|
2
|
3
|
4
|
5
|
6
|
7
|
8
|
9
|
10
|
11
|
12
|
13
|
14
|
15
|
16
|
|
Р
|
С
|
Т
|
У
|
Ф
|
Х
|
Ц
|
Ч
|
Ш
|
Ь
|
Щ
|
Ы
|
Э
|
Ю
|
Я
|
|
|
17
|
19
|
20
|
21
|
22
|
23
|
24
|
25
|
26
|
27
|
28
|
29
|
30
|
31
|
|
|
|
|
|
|
|
|
|
|
|
|
|
|
|
|
|
|
|
Например, студента зовут Иванов Сергей, в соответствие с таблицей 3.1
выбираем индивидуальный вариант для этого студента. Он представлен в таблице
3.2.
Таблица 3.2 - индивидуальный вариант студента Иванова Сергея
|
A
|
н
|
д
|
р
|
е
|
в
|
и
|
|
1
|
14
|
5
|
17
|
6
|
3
|
9
|
Примечание: если буквы фамилии повторяются, то следует брать следующую по
порядку букву.
.4 Экспериментальные задания к лабораторной работе 3
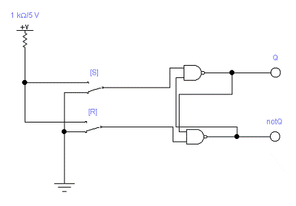
.4.1 Исследование RS-триггера
Соберите схему, изображенную на рисунке 3.2. Изменяя уровни сигналов на
входах R, S, заполните таблицу переключений RS-триггера 3.3.
Рисунок 3.2 - Схема
для исследования RS - триггера
Таблица 3.3 - Таблица функционирования RS - триггера
|
Qt
|
Qt+1
|
R
|
S
|
|
0
|
Нет решения
|
0
|
0
|
|
0
|
notQ
|
1
|
0
|
|
0
|
Q
|
0
|
1
|
|
1
|
notQ
|
1
|
0
|
|
1
|
Нет решения
|
0
|
0
|
|
1
|
Q
|
0
|
1
|
.4.3 Исследование суммирующего счетчика
Соберите схему, изображенную на рисунке 3.4. Включите схему. Подавая на
вход схемы тактовые импульсы при помощи генератора слов, получите временные
диаграммы работы суммирующего счетчика. Определите коэффициент пересчета
счетчика.
Рисунок 3.4 - Схема
для исследования суммирующего счетчика
Временные диаграммы:

Коэффициент пересчета суммирующего счетчика:3 0; 7 1; 7 0; 0 7; 0 6; 4 7;
4 6; 2 5; 2 4; 6 5; 6 4; 1 3; 1 2; 5 3; 5 2; 3 1.
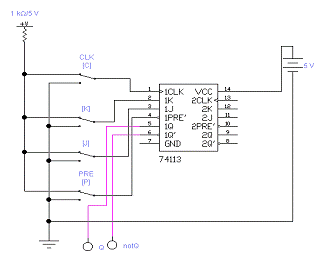
.4.5 Исследование микросхемы 74113
Соберите микросхему, изображенную на рисунке 3.6. Включите схему. Подавая
на вход СLK с помощью ключа С тактовые импульсы,
заполните таблицу истинности 3.6. Укажите тип микросхемы.
Рисунок 3.6 - Схема для исследования микросхемы 74113
Таблица 3.6 - Логические сигналы на прямом и инверсном выходах микросхемы
74113
|
PRE
|
K
|
J
|
Q
|
|
|
0
|
0
|
0
|
1
|
0
|
|
0
|
0
|
1
|
1
|
0
|
|
0
|
1
|
0
|
1
|
0
|
|
0
|
1
|
1
|
1
|
0
|
|
1
|
0
|
0
|
0
|
1
|
|
1
|
0
|
1
|
0
|
1
|
|
1
|
1
|
0
|
0
|
1
|
|
1
|
1
|
1
|
0
|
1
|
Тип микросхемы:
триггер счетчик синхронный сигнал
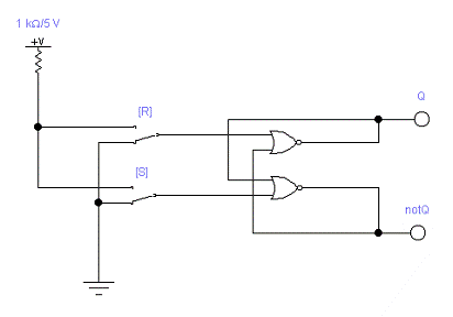
3.4.6
Исследование
-триггера
Соберите
схему, изображенную на рисунке 3.7. Включите схему. Последовательно подайте на
схему следующие сигналы: S=1, R=0; S=1, R=1; S=0, R=1; S=1, R=1. По результатам
эксперимента заполните таблицу функций возбуждения 3.7 для схемы рисунке 3.7.

Таблица
3.7 - Функции возбуждения
-триггера
|
Qt
|
Qt+1
|
R
|
S
|
|
0
|
1
|
0
|
0
|
|
0
|
0
|
1
|
0
|
|
0
|
1
|
0
|
1
|
|
1
|
0
|
1
|
0
|
|
1
|
1
|
0
|
0
|
|
1
|
0
|
0
|
1
|
.4.9 Исследование счетчика с измененным коэффициентом пересчета
Соберите схему, изображенную на рисунке 3.10. Включите схему. Подавая на
вход схемы тактовые импульсы с генератора слов получите временные диаграммы
работы счетчика. Определите коэффициент пересчета счетчика.
Рисунок 3.10 - Схема
для исследования счетчика с измененным коэффициентом пересчета
Временные диаграммы:
Коэффициент пересчета: 0, 1,1,0, 0, 0, 0, 1,1,0,0,0,0,1,1,0
.4.14 Исследование регистра памяти
Соберите схему, изображенную на рисунке 3.15. Включите схему. Зарисуйте
диаграммы полученные на логическом анализаторе.
Рисунок 4.15- Схема
для исследования регистра памяти
Временные диаграммы:

.4.17 Исследование счетчика с измененным коэффициентом пересчета
Соберите схему, изображенную на рисунке 3.18. Включите схему. Подавая на
вход схемы тактовые импульсы при помощи генератора слов, получите временные
диаграммы работы счетчика. Определите коэффициент пересчета счетчика.
Рисунок 3.18 - Схема
для исследования счетчика с измененным коэффициентом пересчета
Временные диаграммы: