Теплоэнергетическое оборудование котельных
Теплоэнергетическое
оборудование котельных
1. Определение тепловых нагрузок и расход
топлива
Тепловые нагрузки для расчета и выбора
оборудования котельных определяем для трех характерных режимов: максимального
зимнего - при средней температуре наружного воздуха в наиболее холодную
пятидневку; зимнего или наиболее холодного месяца - при средней температуре
наружного воздуха в наиболее холодный месяц; летнего - при средней расчетной
температуре наружного воздуха тёплого периода.
При обработке потребителей производим
распределение их на группы в зависимости от вида теплоносителя и его
параметров, затем суммируем тепловые нагрузки с определением максимальных
расчетных расходов теплоты на отопление, вентиляцию, горячее водоснабжение и
технологические нужды.
Принципиальная схема пароснабжения и
теплоснабжения потребителей от котельной с указанием длины участков (в метрах)
приведена на схеме.
Рис. 1 Схема пароснабжения и теплоснабжения
потребителей А, Б, В, Г от котельной К.
Потребители А и Б (завод и промышленный цех)
расходуют на технологические нужды сухой насыщенный пар соответственно DA
и DB
(причем DB
=0,5 DA)
при рабочем давлении РА = РБ = РАБ.
Доля возврата конденсата от технологии составляет 60 %, а его температура 50
°С. Потребитель В является общественным зданием и расходует горячую воду на
отопление, вентиляцию и горячее водоснабжение. Потребитель Г относится к
жилищно-коммунальному сектору и расходует горячую воду на отопление, вентиляцию
и горячее водоснабжение. Принимаем надземную прокладку паропроводов, а
трубопроводов теплосети производим в проходных каналах. Для компенсации
температурных удлинений все разветвленные трубопроводы имеют неподвижные и
скользящие опоры, а также П-образные компенсаторы с гнутыми или сварными
отводами. Система теплоснабжения закрытая двухтрубная. Исходные данные для
расчета приведены в табл. 1, 2, 3 и 4. Вид топлива в котельной - газ,
газопровод Ставрополь-Москва. Для любой принципиальной схемы паро- и
теплоснабжения от котельной до жилых, общественных, промышленных зданий и
сооружений выбираю объект, требующий наибольшего давления пара и максимальной
технологической нагрузки (на схеме это потребитель А). Параметры, необходимые
для составления сводных таблиц, характеризующих количество потребляемой теплоты
и режим потребления приведены ниже.
Таблица 1. Исходные
данные потребителей А и Б
|
Последняя
цифра шифра
|
Давление
пара РА,Б МПа
|
Расход
пара, кг/с
|
|
|
DА
|
DБ
|
|
1
|
0,7
|
0,58
|
0,2
|
Таблица 2
Исходные данные потребителей А, Б, В, Г
|
Предпоследняя
цифра шифра
|
Город
|
Число
жителей m, чел.
|
Объем
здания, м3 VА=VБ
|
|
2
|
Казань
|
2000
|
6000
|
Таблица 3 Климатические данные г. Москва
|
Город
|
Температура
наружного воздуха
|
Продолжительность
отопительного сезона, сут.
|
|
Холодной
5-дневки
|
Холодного
месяца
|
Средняя
за отопительный сезон
|
|
|
Москва
|
-32
|
-8,7
|
-5,2
|
215
|
Таблица 4. Состав
топлива
|
Состав
газа % по объему
|
кДж/м3
(ккал/м3)
|
r
кг/м3
|
|
|
|
|
|
|
CH4
|
C2H6
|
C3H8
|
C4H10
|
C5H12
(более)
|
N2
|
CO2
|
|
|
м3/м3
|
|
91,4
|
4,1
|
1,9
|
0,3
|
0,1
|
0,2
|
0,7
|
37100
|
0,883
|
10,05
|
1,08
|
7,94
|
2,28
|
11,25
|
Расчетные формулы:
) Технологическая нагрузка потребителей, 0,9 МВт
,
,
,
.
) Потери теплоты от наружного охлаждения
изолированного паропровода максимального диаметра, МВт
,
,
,
,
.
) Максимальный расход теплоты на отопление жилых
зданий -
,
общественных-
, промышленных-
,
МВт
,
,
,
,
,
.
) Максимальный расход теплоты на вентиляцию
жилых зданий -
, общественных-
,
промышленных-
, МВт
,
,
,
,
,
.
) Максимальный зимний расход теплоты на горячее
водоснабжение жилых зданий-
, общественных-
,
промышленных-
, МВт
,
,
,
,
,
.
) Годовые расходы теплоты жилыми, общественными
и промышленными зданиями, ГДж/год
На отопление:
,
,
На вентиляцию:
,
,
На горячее водоснабжение:
,
,
На технологические нужды (зависит от режима
работы)
,
.
) Годовой расход натурального топлива ВН,
газа, тыс×м3/год
,
.
) Годовой расход условного топлива ВУСЛ,
тыс·м3/год
,
.
Приведенные выше расчеты сводим в таблицы:
Таблица 5. Расчет
падения давления от котельной К до потребителя А
|
№
|
Показатель
и размерность
|
Метод
определения
|
Участки
|
|
|
|
К
- Б
|
Б
- А
|
|
1
|
2
|
3
|
4
|
5
|
|
1
|
Давление
технологического пара, МПа
|
Максимальное
РАБ
|
0,7
|
0,7
|
|
2
|
Расход
технологического пара D,
кг/с
|
По
заданию
|
0,78
|
0,58
|
|
3
|
Энтальпия
пара, кДж/кг
|
Табл.
3.1 [3]
|
2763
|
2763
|
|
4
|
Удельный
объем пара, м3/кг
|
Табл.
3.1 [3]
|
0,279
|
0,279
|
|
5
|
Скорость
пара, м/с
|
wП
=
25¸30
|
30
|
30
|
|
6
|
Внутренний
диаметр паропровода, м
|
DВН=
|
|
|
|
7
|
Диаметр
паропровода, принятый по ГОСТ, м
|
dН,
из табл. 4.6 [3] dН=
dВН
+2d
|
0,132+2×0,004=0,103
по ГОСТ dН=0,102
|
0,103+2×0,00350=0,089
по ГОСТ dН=0,089
|
|
8
|
Действительная
скорость пара в паропроводе, м/с
|
w
=1,274×D×gП/dВН2
|
|
|
|
9
|
Коэффициент
сопротивления трения
|
l
= 0,11×(КЭ/dВН)0,25
|
0,11×
(0,0002//0,096)0,25=0,0235
|
0,11×
(0,0002//0,83)0,25=0,0244
|
|
10
|
Удельные
потери на трение, Па/м
|
Dh=(l×w2)/(2×gП×dВН)
|
(0,0235×302)//(2×0,279×0,096)==395
|
(0,0244×29,92)//(2×0,279×0,83)=
= 453,6
|
|
11
|
Длина
участка l, м
|
Схема
пароснабжения
|
300
|
100
|
|
12
|
Коэффициент
a
|
Для
паровых сетей a=0,5
|
0,5
|
0,5
|
|
13
|
Эквивалентная
длина, м
|
lЭ=a×l
|
0,5×300=150
|
0,5×100=50
|
|
14
|
Приведенная
длина, м
|
lПР=l+lЭ
|
300+150=450
|
100+50=150
|
|
15
|
Потери
давления в паропроводе,МПа
|
DН=Dh×lПР×10-6
|
395×450×·10-6=0,18
|
453,6×150×·10-6=0,07
|
|
16
|
Потери
давления в котельной, МПа
|
DНК@0,05
|
0,05
|
0,05
|
|
17
|
Суммарное
сопротивление пара в паропроводах, МПа
|
DНП=DНКБ+DНБА+DНК
|
0,18+0,07+0,05=0,3
|
|
18
|
Давление
пара в котельной после РОУ, Мпа
|
РРОУ=РАБ+DНП
|
0,7+0,3=1
|
Таблица 6. Расчет
расхода теплоты при
|
№
|
Показатель
и размерность
|
Метод
определения
|
Потребители
|
|
|
|
А
|
Б
|
В
|
Г
|
|
1
|
2
|
3
|
4
|
5
|
6
|
7
|
|
1
|
Расчетная
температура наружного воздуха, 0С
|
,
табл. 3.1 [1]
|
-32
|
-32
|
-32
|
-32
|
|
2
|
Продолжительность
отопительного периода, сут.
|
n, табл. 3.1 [1]
|
215
|
215
|
215
|
215
|
|
3
|
Число
жителей m,чел.
|
По
заданию
|
-
|
-
|
2000
|
2000
|
|
4
|
Объём
зданий V, м3
|
То
же или нормативы
|
6000
|
6000
|
12×2000=
=24000
|
55×2000=
=110000
|
|
5
|
Технологическая
нагрузка, МВт
|
QА,
QБ,
ф-ла (1)
|
1,49
|
0,51
|
-
|
-
|
|
6
|
Максимальный
расход теплоты на отопление, МВт
|
ф-ла
(3)
|
0,17
|
0,17
|
0,7
|
2,8
|
|
7
|
Максимальный
расход теплоты на вентиляцию, МВт
|
ф-ла
(4)
|
0,067
|
0,067
|
0,28
|
0,28
|
|
8
|
Максимальный
зимний расход теплоты на горячее водоснабжение, МВт
|
ф-ла
(5)
|
0,134
|
0,134
|
0,128
|
0,64
|
|
9
|
Потери
теплоты от наружного охлаждения паропровода, МВт
|
QН,
ф-ла (2)
|
=0,311,
=0,3
QН =
0,311 + 0,3= 0,611
|
|
10
|
Общая
тепловая нагрузка на технологические нужды, МВт
|
QТН=QА+QБ+QН
|
1,49+0,51+0,611=
2,611
|
|
11
|
Максимальная
зимняя числовая нагрузка на отопление, МВт
|
|
0,17+0,17+0,7+2,8=3,84
|
|
12
|
Максимальная
зимняя тепловая нагрузка на вентиляцию, МВт
|
|
0,067+0,067+0,28+0,28=0,694
|
|
13
|
Общая
максимальная (зимняя) тепловая нагрузка на отопление и вентиляцию, МВт
|
|
3,84+0,694=4,534
|
|
14
|
Максимальная
зимняя тепловая нагрузка на горячее водоснабжение, МВт
|
|
0,134+0,134+0,128+0,64=1,036
|
|
15
|
Общая
(максимальная зимняя) тепловая нагрузка котельной, МВт
|
|
2,611+4,534+1,036=8,181
|
|
16
|
Годовые
расходы теплоты, ГДж/год
|
ф-ла
(6)
|
=
72; =
12,89 =
29; =31,33.
|
|
17
|
Общий
годовой расход теплоты, ГДж/год
|
|
72+12,89+29+31,33=145,22
|
|
18
|
Расчетный
расход топлива, м3/с
|
|
8,181·105/(37100·90)=0,25
|
|
19
|
Годовой
расход натурального и условного топлива, тыс.м3/год
|
ф-лы
(7),(8)
|
=
4,35 =
5,5
|
. Расчет тепловой схемы
производственно-отопительной котельной
Таблица 7. Расчет
тепловой схемы производственно-отопительной котельной с закрытой двухтрубной
системой теплоснабжения
|
№
п/п
|
Параметры
и размерность
|
Расчетная
формула
|
Расчёт
|
Режим
|
Зимний
|
Летний
|
|
1
|
2
|
3
|
4
|
5
|
6
|
7
|
|
Исходные
данные
|
|
1
|
Технологическая
нагрузка, МВт
|
QТН
|
-
|
2,6
|
·0,9=2,34
|
·0,8=2,08
|
|
2
|
Давление
технологического пара, МПа
|
РТН
|
-
|
0,7
|
0,7
|
0,7
|
|
3
|
Доля
возврата конденсата от технологии, %
|
м
|
-
|
60
|
60
|
60
|
|
4
|
Расчетная
температура наружного воздуха, 0С
|
;
tНВ
|
-
|
-32
|
-5,2
|
+8
|
|
5
|
Нагрузка
на отопление и вентиляцию (расчетная) QОВ,
МВт
|
|
|
4,534
|
2,1
|
-
|
|
6
|
Нагрузка
на горячее водоснабжение, QГВ,
МВт
|
|
-
|
1,036
|
1,036
|
-
|
|
|
|
0,82
· 1,036
|
-
|
-
|
0,85
|
|
7
|
Сухой
остаток исходной воды, мг/кг
|
SИВ
|
-
|
360
|
360
|
360
|
|
8
|
Солесодержание
воды после ХВО, мг/кг
|
SХ
= SИВ
|
-
|
360
|
360
|
360
|
|
9
|
Солесодержание
котловой воды, мг/кг
|
SКВ
|
-
|
3000
|
3000
|
3000
|
|
10
|
Энтальпия
пара, кДж/кг, при давлении в МПа: 1,4 0,8 0,15 0,12
|
i"1,4
i"0,8
i"0,15
i"0,12
|
- - - -
|
2790 2768 2693 2683
|
2790 2768 2693 2683
|
2790 2768 2693 2683
|
|
11
|
Температура,
0С, и энтальпия, кДж/кг:
|
|
|
|
|
|
|
-котловой
и продувочной воды при P=1,4
Мпа
|
tКВ =
tПР
=194; i'1,4
= i'КВ
|
-
|
826
|
826
|
826
|
|
-конденсата
от технологии
|
tТЕХ
= 50; iТЕХ
= 4,19·tТЕХ
|
4,19
· 50
|
210
|
210
|
210
|
|
-воды
из СНП при P=0,15 Мпа
|
t0,15
= 110; i'0,15
|
-
|
465
|
465
|
465
|
|
-конденсата
от мазутного хозяйства
|
tМХ
=40; iМХ
= 4,19·tМХ
|
4,19
· 40
|
168
|
168
|
168
|
|
-продувочной
воды от теплообменника Т1
|
tК1=
60; iК1
= 4,19·tК1
|
4,19
· 60
|
251
|
251
|
251
|
|
-конденсата
от теплообменников Т2, Т3 и Т6
|
tК2
= tК3
= tК6
=80 iК6
=
iК2 =
iК3 =
4,19·tК2
|
4,19
· 80
|
335
|
335
|
335
|
|
-исходной
воды
|
tИСХ;
iИСХ=4,19·tИСХ
|
4,19
· 5
|
5
21
|
5
21
|
15
63
|
|
-воды
на ХВО
|
tХВО=30
; iХВО=
4,19·tХВО
|
4,19
· 30
|
126
|
126
|
126
|
|
-умягченной
воды, поступающей в деаэратор после Т4
|
t42
= 85; i42=4,19·t42
|
4,19
· 85
|
356
|
356
|
356
|
|
-воды
в деаэраторе
|
tД=
102; iД=
4,19·tД
|
4,19
· 102
|
427
|
427
|
427
|
|
-питательной
воды перед экономайзером
|
tПВ=90;
iПВ=4,19·tПВ
|
4,19
· 90
|
377
|
377
|
377
|
|
-сетевой
воды в трубопроводе: -подающем - обратном
|
По
температурному графику (рис.2 Приложение) t'С
i'С =
4,19·t'С
t''С i''С
= 4,19·t''С
|
4,19 · 150 4,19 · 70
|
150
629 70 293
|
88
369 45 193
|
70
293 38 159
|
|
Результаты
расчета
|
|
12
|
Расход
пара на технологию (производство), кг/с
|
|
|
1,02
|
0,91
|
0,81
|
|
13
|
Расход
конденсата от производства, кг/с
|
|
0,01·60·1,67
|
0,61
|
0,546
|
0,486
|
|
14
|
Потери
технологического конденсата, кг/с
|
|
1,02-0,61
|
0,41
|
0,367
|
0,324
|
|
15
|
Общая
нагрузка отопления, вентиляции и горячего водоснабжения, МВт
|
|
4,534+1,036
|
5,57
|
3,136
|
0,85
|
|
16
|
Расход
пара на сетевые подогреватели Т5 и Т6, кг/с
|
|
1,386
+2,731
|
4,12
|
2,613
|
0,64
|
|
17
|
Общий
расход пара на внешние потребители, кг/с
|
|
1,02+4,12
|
5,136
|
3,528
|
1,453
|
|
18
|
Расход
пара на собственные нужды котельной, кг/с
|
|
0,266
|
0,266
|
0,217
|
0,126
|
|
19
|
Потери
пара в тепловой схеме, кг/с
|
|
0,03·5,136
|
0,154
|
0,106
|
0,044
|
|
20
|
Расход
сетевой воды, кг/с: для отопления и вентиляции, для горячего водоснабжения
|
|
|
13,52
3,09
|
6,264
3,09
|
Ї
2,54
|
|
21
|
Общий
расход сетевой воды кг/с
|
|
13,52+3,09
|
16,62
|
17,8
|
6,343
|
|
22
|
Расход
воды на подпитку тепловой сети, кг/с
|
|
0,02·35,64
|
0,33
|
0,36
|
0,13
|
|
23
|
Паропроизводит
котельной при P=0,8
МПа, кг/с
|
|
1,02+4,12+0,266+0,154
|
5,6
|
3,85
|
1,62
|
|
24
|
Сумма
потерь пара, конденсата и сетевой воды, кг/с
|
|
0,41+0,154+0,33
|
0,893
|
0,66
|
0,42
|
|
25
|
Доля
потерь теплоносителя
|
|
0,893/5,6
|
0,16
|
0,171
|
0,258
|
|
26
|
Процент
продувки, %
|
|
|
1,97
|
2,096
|
3,2
|
|
27
|
Расход
питательной воды на РОУ, кг/с
|
|
|
0,05
|
0,035
|
0,015
|
|
28
|
Паропроизводит
котельной при P=1,4
МПа, кг/с
|
|
5,6-0,05
|
5,51
|
3,816
|
1,61
|
|
29
|
29.
Расход продувочной воды, кг/с
|
|
0,01·5,5
·1,96
|
0,108
|
0,079
|
0,051
|
|
30
|
Расход
пара из СНП, кг/с, при P=0,15
МПа
|
|
|
0,018
|
0,013
|
0,008
|
|
31
|
Расход
воды из СНП, кг/с
|
|
0,108-0,018
|
0,09
|
0,067
|
0,043
|
|
32
|
Расход
воды из деаэратора, кг/с
|
|
5,6+0,05+0,108
|
5,99
|
4,117
|
1,724
|
|
33
|
Расход
выпара из деаэратора, кг/с
|
|
0,002·5,99
|
0,012
|
0,008
|
0,00345
|
|
34
|
Расход
пара на мазутное хо зяйство, кг/с
|
|
0,01·5,14
|
0,051
|
0,035
|
0,014
|
|
35
|
Расход
конденсата от мазутного хозяйства, кг/с
|
|
0,6·0,051
|
0,03
|
0,021
|
0,008
|
|
36
|
Потери
пара при распыливании мазута, кг/с
|
|
0,4·0,051
|
0,02
|
0,014
|
0,005
|
|
37
|
Суммарные
потери пара и конденсата (уточненные), кг/с
|
|
0,407+0,154+0,332+0,09+0,09+0,02
|
1,004
|
0,74
|
0,46
|
|
38
|
Расход
воды после ХВО, кг/с
|
|
|
1,004
|
0,74
|
0,46
|
|
39
|
Расход
исходной воды, кг/с
|

|
1,155
|
0,85
|
0,539
|
|
40
|
Температура
исходной воды после Т1, 0C
|
|
|
9,012
|
9,022
|
19,089
|
|
41
|
Расход
пара на подогреватель исходной воды Т2, кг/с
|
|
|
0,041
|
0,03
|
0,01
|
|
42
|
Температура
воды после ХВО, с учетом охлаждения, 0C
|
|
30-3
|
27
|
27
|
27
|
|
43
|
Температура
воды на входе Т4 или на выходе Т3, 0С (t41=t32)
|
|
|
41,88
|
47,92
|
52,21
|
|
44
|
Расход
пара на подогреватель Т3, кг/с
|
|
|
0,032
|
0,037
|
0,035
|
|
45
|
Расход
пара на деаэрацию, кг/с
|
|
|
0,083
|
0,123
|
0,066
|
|
|
|
46
|
Расчетный
расход пара на собственные нужды, кг/с
|
По
п.18
|
0,089+0,051
+0,041+0,032
|
0,153
|
0,178
|
0,102
|
|
47
|
Расчетная
паропроизводит котельной, кг/с
|
По
п. 23
|
1,016+0,154+0,0153+4,12
|
5,443
|
3,811
|
1,599
|
|
48
|
Невязка
расчета, %
|
|
|
1,99
|
1,02
|
1,5
|
|
|
|
|
|
|
|
|
|
|
3. Подбор котельных агрегатов
Определив паропроизводительность котельной при 
МПа
,
выбираем тип и число котельных агрегатов N:
Выбираем 5 котельных агрегата ДКВР-4-13.
Резервные котельные агрегаты не устанавливаем.
При этом выбор числа котельных агрегатов должен быть произведен так, чтобы при
выходе из строя котла наибольшей мощности в котельных первой категории
оставшиеся в работе котлы обеспечивали отпуск теплоты потребителям первой категории
на следующие нужды: технологическое теплоснабжение и системы вентиляции в
количестве, определяемом минимальными допустимыми нагрузками (независимо от
температуры наружного воздуха); отопление и горячее водоснабжение в количестве,
обусловленном режимом наиболее холодного месяца.
После составления и расчета тепловой схемы
котельной, а также выбора котельных агрегатов, производим расчет и подбор
различных подогревателей, насосов, баков, фильтров, установок (РОУ, ХВО и др.),
а также основных трубопроводов, исходя из максимальных значений требуемых
параметров для всех вычисленных режимов работы тепловой схемы котельной.
4. Подбор теплообменников
Количество паровых водоподогревателей сетевой
воды всегда должно быть не меньше двух, работающих параллельно, а резервные не
устанавливаются.
Рекомендуемая скорость воды в трубах - 1,5-2,5
м/с;
Максимальная скорость пара на входе в трубную
систему не должна превышать 50 м/с для насыщенного и 75 м/с для перегретого
пара.
Паровые водоподогреватели подбираются также по
поверхности нагрева:
,
где Q
- тепловая нагрузка, кВт;
k
- коэффициент теплопередачи, Вт/(м2К), при учебных расчетах
принимается равным 2500-3000;
- температурный
напор, оС;
- коэффициент,
учитывающий потери теплоты от наружного охлаждения, принимается равным 0,98.
-
среднелогарифмический температурный напор, зависящий от температуры насыщения
пара, поступающего в теплообменник. Для подогрева сетевой воды по
двухступенчатой схеме используют водо-водяные теплообменники, которые подбирают
по расходу нагреваемой или греющей (конденсата) воды после паровых ТО.
,
где k
- коэффициент теплопередачи, Вт/(м2К), при учебных расчетах
принимается равным 1980-2100;
- температурный
напор, оС;
- коэффициент,
учитывающий накипь и загрязнение трубок, принимается равным 0,7-0,8.
,
.
Теплообменник Т1.
Исходная вода с расходом
=1,155
кг/с нагревается от 5 до 7,05 °С, а остаточная вода из СНП с расходом
=
0,09 кг/с охлаждается от 110 до 60 °С. Тогда
,
ОС,
ОС,
ОС,
м2.
По табл. 3.7 [1] подбираем водо-водяной
подогреватель с поверхностью нагрева одной секции 1,79 м2 при длине
2 м.
Теплообменник Т2.
Согласно расчету тепловой схемы котельной исходная
вода с расходом
= 1,155 кг/с
нагревается от
= 7,05°С до
=
9 °С сухим насыщенным паром с давлением 0,8 МПа, расходом
=
0,041 кг/с; температура насыщения пара
Т = 158,1 °С.
Тогда
кВт,
°С,
м2.
Из табл. 3.5 [1] подбираем паровой
водонагреватель 01 (типа МВН-2494) с поверхностью нагрева 0,625 м2.
Теплообменник ТЗ.
Согласно расчету тепловой схемы котельной
умягченная вода с расходом
= 1,004 кг/с
нагревается от
= 27 °С до
=
41,88 °С сухим насыщенным паром с давлением 0,8 МПа, расходом
=0,032
кг/с; температура насыщения пара
Т = 158,1 °С.
Тогда
кВт,
ОС,
м2.
Из табл. 3.5 [1] подбираем паровой
водонагреватель 01 (типа МВН-2494) с поверхностью нагрева 0,625 м2.
Теплообменник Т4.
Умягченная вода с расходом
=1,004
кг/с нагревается от 41,88 до 85 °С, а питательная вода с расходом
=0,083
кг/с охлаждается от 102 до 90 °С.
Тогда
кВт,
ОС,
ОС,
ОС,
м2.
По табл. 3.7 [1] подбираем водо-водяной
подогреватель с поверхностью нагрева одной секции 5,75 м2 при длине
2 м.
Паровые подогреватели сетевой воды
Т5, Т6,Т8,Т9.
Согласно расходу сетевой воды
=
16,62 кг/с (59,8 т/ч) по табл. 12.51 [3] подбираю паровой водоподогреватель ПП
1-53-7-IV с
номинальным расходом 93 т/ч и давлением греющего пара 0,7 МПа. Вторая ступень
не устанавливается.
Теплообменник Т7.
Сетевая вода с расходом
кг/с
охлаждается с температуры 150 оС до температуры 70 оС, а
расходуется на горячее водоснабжение вода
,
нагреваемая с 5 оС до 60 оС.
кВт
оС
оС
оС.
м2
По табл. 3.7 [1] подбираем водо-водяной
подогреватель с поверхностью нагрева 20,56 м2 .
5. Подбор баков и емкостей
Для приёма производственного конденсата,
создания резерва емкостей для питательной воды котлов и подпиточной воды
тепловых сетей, а также для других целей в котельных устанавливаются
конденсатные баки, баки питательной воды, баки-аккумуляторы подпиточной воды,
баки технической воды. 1.Питательный бак деаэратор атмосферного давления (ДА)
подбираю по расходу воды из деаэратора
=5,99
кг/с,
=21,56
т/ч из табл. 12.37 [3] выбираю деаэратор атмосферного давления ДА-25. Высоту
установки деаэраторов, баков, насосов следует принимать исходя из условия
создания подпора у центробежных насосов, исключающего возможность вскипания
воды в насосах.
Таблица 8 Питательный бак-деаэратор атмосферного
давления
|
Номинальная
производительность, т/ч
|
Рабочее
давление, МПа
|
Температура
деаэрированной воды, оС
|
Средняя
температура подогрева воды в деаэраторе, оС
|
Размеры
колонки, мм
|
Масса,
кг
|
Пробное
гидравлическое давление, МПа
|
Допускаемое
повышение давления при работе защитного устройства, МПа
|
Полезная
вместимость аккумуляторного бака, м3
|
Диаметр
и толщина стенки аккумуляторного бака, мм
|
Поверхность
охладителя выпара, мм2
|
|
|
|
|
Диаметр
и толщина стенки корпуса
|
Высота
|
|
|
|
|
|
|
|
25
|
0,12
|
104
|
10-40
|
530
Ч 6
|
2195
|
280
|
0,3
|
0,17
|
8
|
1616
Ч 6
|
2
|
. Объем расширителя (сепаратора) непрерывной
продувки (СНП) определяю исходя из допустимого напряжения - 1000 м3
образующегося пара в 1 ч на 1 м3 полезного объема. Расход пара из
СНП
=
0,018 кг/с при давлении Р=0,15 МПа (табл. 7 раздел 2).
Удельный объем пара гп = 1,18 м3/кг
при давлении 0,15 МПа (табл.3.1 [3]). Тогда расход пара из СНП составит
м3/ч,
а полезный объем СНП не менее
=0,077
м3.
Обычно устанавливают один расширитель для всех
паровых котлов котельной.
3. Конденсатные баки служат для сбора
конденсата, дренажной воды паропроводов и перепуска воды из деаэратора.
кг/с или 2,2 м3/ч. Полезный объем конденсатного бака должен быть не
менее
м3.
кг/с или 1,2 м3/ч. Полезный объем конденсатного бака должен быть не
менее
м3
кг/с или 20,55 м3/ч. Полезный объем конденсатного бака питательного
насоса должен быть не менее
м3
. Для охлаждения подшипников механизмов котельной
(вентилятора, дымососа и др.) на отметке 10-12 м устанавливают бак технической
воды, емкость которого выбирают из расчета покрытия получасового расхода воды.
. При доставке реагентов по железной дороге
должны использоваться цистерны емкостью 50-60 т. Объемы баков для мокрого
хранения соли и коагулянтов следует принимать из расчета 1,5 м3 на 1
т соли.
. Для охлаждения продувочных и всех сточных вод
от котлов, сооружают продувочный колодец (барботер), который размещают вне
здания котельной. Емкость такого подземного железобетонного резервуара
определяют из расчета охлаждения продувочных вод до температуры 50..60 оС.
6. Трубопроводы и арматура
Система трубопроводов в котельной предназначена
для соединения между собой всего действующего оборудования: котлоагрегатов,
насосов, деаэраторов, теплообменников и т. д. Арматура предназначена для
регулирования количества транспортируемого теплоносителя и изменения его
направления.
Необходимо рассчитать диаметры и подобрать
следующие основные магистральные трубопроводы:
·
Паропровод
от котельного агрегата, согласно расходу пара
;
·
Общий
паропровод котельной от всех котлов, по расходу пара
;
·
Питательный
трубопровод от деаэратора, по расходу воды
;
·
Подпиточный
от деаэратора, по расходу воды
;
·
Подпиточный
и обратный теплосети, по расходу воды
.
После определения диаметра трубопровода
подбираем по табл. 4.6 [3] наружный диаметр
,
близкий к вычисленному, и по окончательно принятому проверяем действительную
скорость теплоносителя. Для трубопроводов котельных применяем бесшовные
горячедеформированные, электросварные и водогазопроводные трубы (табл. 4.6
[3]). Магистральные питательные трубопроводы паровых котлов следует
проектировать двойными, а остальные одинарными.
Расчет диаметров трубопроводов производим по
максимальному расходу теплоносителя и рекомендуемой скорости. Скорость воды в
трубопроводах рекомендуется принимать 0,5-1,5 м/с перед насосами, 2-3 м/с за
ними, а также 2-2,5 м/с - во всех остальных трубопроводах. Рекомендуемые
скорости насыщенного пара от 25 до 35 м/с, а перегретого от 35 до 50 м/с.
Внутренний диаметр паропроводов и теплопроводов
определяется:
,
.
Расчет диаметров и подбор основных магистральных
трубопроводов:
Паропроводы от котельных агрегатов:
Согласно расходу насыщенного пара
кг/с,
м,
мм по табл. 4.6
[3] принимаем
121 мм,
мм.
Общий паропровод котельной:
Согласно расходу насыщенного пара
=5,51
кг/с,
м,
мм по табл. 4.6
[3] принимаем
273 мм,
мм.
Питательный трубопровод от
деаэратора:
Согласно расходу деаэрированной воды
=5,99
кг/с,
м,
мм по табл. 4.6
[3] принимаем
68 мм,
мм.
Подпиточный трубопровод от
деаэратора:
Согласно расходу подпиточной воды
=0,33
кг/с,
м,
мм по табл. 4.6
[3] принимаем
25 мм,
мм.
Подающий и обратный теплосети:
Согласно расходу сет сетевой воды
=16,62
кг/с,
м,
мм по табл. 4.6
[3] принимаем
114 мм,
мм.
Таблица 9, Подбор диаметров
трубопроводов
|
Расход
на участке, кг/с
|
|
|
|
|
|
|
,
м3/кг
|
0,245
|
0,245
|
-
|
-
|
-
|
|
,
кг/м3
|
-
|
-
|
1000
|
1000
|
1000
|
|
,
м/с
|
30
|
30
|
-
|
-
|
-
|
|
,
м/с
|
-
|
-
|
1
|
1
|
2,5
|
|
,
мм
|
107
|
237
|
62
|
15
|
103
|
|
,
мм
|
121
Ч 4
|
273
Ч 6
|
68
Ч 3
|
25
Ч 1,75
|
114
Ч 4
|
|
,
м/с
|
26,81
|
28,56
|
-
|
-
|
-
|
|
,
м/с
|
-
|
-
|
0,85
|
0,701
|
2,08
|
7. Подбор насосов
Насосы - машины, предназначенные для перемещения
жидкостей и сообщения им энергии. В котельных устанавливают питательные,
подпиточные, сетевые, конденсатные, циркуляционные и другие насосы. Их
подбирают по производительности и напору. Количество насосов должно быть не
менее двух, один из которых резервный. В котельных применяют лопастные
(центробежные, вихревые, осевые) и струйные (эжекторы, инжекторы) насосы.
Приводным двигателем к насосу служат электродвигатели, которые обычно
соединяются с помощью муфты.
1. Питательные насосы.
В котельных с паровыми котлами устанавливаются питательные насосы, которые
могут быть центробежными и поршневыми (с электрическим или паровым приводом).
Число их должно быть не менее двух с независимыми приводами, а один насос (или
более) должен быть с паровым приводом.
Производительность одного насоса с
электроприводом, кг/с
,
Напор, создаваемый питательным насосом, МПа
,
Подбор насоса производим по табл. 15.3 [3].
Выбираем 2 производительных насоса.
Производительность питательного насоса
(резервного) с паровым приводом должна быть не менее 50% номинальной
производительности всех котлов
кг/с, (19)
Напор остаётся такой же
=1,672
МПа.
Подбор поршневых паровых насосов производим по
табл. 15.7 [3].
2. Сетевые насосы.
Предназначены для создания циркуляции и устанавливаются на обратной линии
тепловых сетей, где температура воды не превышает 70 °С. Производительность
сетевого насоса определяем по общему расходу сетевой воды
=16,62
кг/с или 59,8 м3/ч.
=1.1*
=59,8*1.1=65,8
Напор сетевого насоса принимаем
МПа
Подбор сетевых насосов производим по табл.
15.4…15.6 [3].
3. Конденсатные насосы
Производительность их определяем исходя из
максимального количества конденсата, а напор должен быть достаточным для преодоления
сопротивления конденсатопроводов, давления в деаэраторе и гидростатического
напора из-за разности уровней мест установки насоса и деаэратора
(ориентировочно
МПа). Подбор
конденсатного насоса производим по табл. 15.10 [3].
При подборе будем считать производительность
равной производительности питательного насоса.
4. Подпиточные насосы.
Служат для восполнения утечки воды из системы теплоснабжения.
Производительность подпиточного насоса выбираем вдвое большей для возможности
аварийной подпитки тепловой сети
кг/с,
Необходимый напор подпиточного насоса
определяется давлением воды в обратной магистрали теплосети и сопротивлением
трубопроводов и арматуры на линии подпитки, ориентировочно
МПа, (21)
Подбор подпиточного насоса производим по табл.
15.10 [3].
5. Насос исходной воды. Предназначен
для подачи воды от источника водоснабжения котельной (резервуара, водопровода,
скважины) в систему водоподготовки (ХВО). В качестве насосов сырой воды
используем насос марки К.
Производительность насоса равна
кг/с.
Необходимый напор насоса исходной воды выбираем
МПа
Подбор сетевого насоса производим по табл. 15.10
[3].
Результаты подбора всех насосов сводим в
итоговую таблицу.
Таблица 10. Итоговая таблица подбора насосов
|
Назначение
насоса
|
Марка
|
Производительность
|
Напор,
Н, м
|
КПД
|
Мощность,
кВт
|
Число
оборотов
|
Тип
эл. двигателя
|
|
|
м3/ч
|
л/с
|
|
|
|
|
|
|
Питательный
насос
|
2,5 ЦВ-0,8
|
5
|
1,4
|
190
|
60
|
14
|
2900
|
А
61-2
|
|
Запасной
насос
|
ПДГ-6/20Б
|
6
|
|
|
|
|
|
|
|
Сетевой
насос
|
К
45/30
|
30-54
|
8.3-15
|
34.8-27
|
70
|
7.5
|
2900
|
А02-42-2
|
|
Сетевой
насос
|
К
45/30
|
30-54
|
8.3-15
|
34.8-27
|
70
|
7.5
|
2900
|
А02-42-2
|
|
Подпиточн
насос
|
К 8/18
|
6-16
|
20,3-14,0
|
6,6-6,0
|
50
|
1,5
|
2900
|
4А80А2
|
|
Насос
исходной воды
|
К
20/30
|
10-30
|
2,8-8,3
|
34,5-24
|
55
|
4,0
|
2900
|
|
Конденсатный
насос
|
К 8/18
|
6-16
|
20,3-14,0
|
6,6-6,0
|
50
|
1,5
|
2900
|
4А80А2
|
8. Оборудование водоподготовки
Надежность работы поверхностей нагрева зависит
от качества питательной и подпиточной воды. При использовании в котельной воды
из открытых источников для удаления взвешенных и органических веществ
рекомендуется: фильтрование через 1- или 2-х слойные.
Скорость фильтрования 5-6,5 м/ч продолжительность
фильтрования не менее 8 часов, а количество фильтров не менее 2. Общая площадь
фильтрования определяем исходя из производительности установки
:
(23)
Для умягчения и снижения щелочности исходной
воды применяется катионирование (для паровых котлов - двухступенчатое Na
- катионирование).
Взрыхление катионита проводят сырой водой,
которая подается самотеком из бака, расположенного выше фильтра. Воду после
взрыхления отправляют в дренаж.
Регенерационный раствор готовится в
солерастворителе. При регенерации Na
- катионитового фильтра через него пропускают 6..10% раствор поваренной соли со
скоростью 3-4 м/с. Продукты регенерации отправляются в дренаж.
Отмывка производится прозрачной осветленной
водой.
При расходе технической соли в месяц
>
3 т применяют мокрое хранение соли в резервуаре.
Таблица
11.
Расчет оборудования ХВО
|
№
п/п
|
Параметры
и размерность
|
Метод
определения
|
1-я
ступень
|
2-я
ступень
|
|
1
|
2
|
3
|
4
|
5
|
|
1
|
Общая
жесткость воды, поступающей на фильтр, мг-экв/кг
|
Табл.
12.1 [3]
|
Ж0=3.8
|
Ж0=0,1
|
|
2
|
Скорость
фильтрования, м/ч
|
W1=20 W2=30
|
20
|
30
|
|
3
|
Расход
воды после 1-й и 2-й ступеней ХВО, кг/с
|
Из
расчета тепловой схемы
|
GХВО1=
1,004
|
GХВО2=1,004
|
|
4
|
Необходимая
площадь фильтрования, м2
|
|
F1=0.23
|
F2=0,15
|
|
5
|
Количество
фильтров,
|
Принимается
|
n1=2
|
n2=1
|
|
6
|
Диаметр
фильтров, м
|
|
|
|
|
7
|
Внутренний
диаметр корпуса стандартного фильтра и высота фильтрующей загрузки, м
|
Подбирается
по табл.12.14, 12.17 [3] с округлением в
сторону увеличения
|
|
|
|
8
|
Фактическая
скорость фильтрования, м/ч
|
|
|
|
|
9
|
Фактическая
площадь сечения фильтра, м2
|
|
|
|
|
10
|
Рабочая
обменная способность катионита, г-экв/м3
|
Для
сульфоугля
|
300
|
|
|
11
|
Количество
регенераций фильтра в сутки, рег./сут
|
|
|
|
|
12
|
Межрегенерационный
период (продолжительность фильтроцикла), ч
|
|
|
|
|
13
|
Удельный
расход поваренной соли NaCl,
кг/г-экв
|
Для
сульфоугля
|
|
|
|
14
|
Расход
поваренной соли на одну регенерацию фильтров, кг/рег.
|
|
|
|
|
15
|
Суточный
расход NaCl, кг
|
|
|
|
|
16
|
Суточный
расход технической соли, кг
|
|
|
|
|
17
|
Суточный
расход воды на приготовление регенерационного раствора, м3
|
|
|
|
|
18
|
Суточный
расход воды на отмывку фильтров, м3
|
|
|
|
|
19
|
Суточный
расход воды на взрыхление фильтра, м3
|
|
|
|
|
20
|
Общий
суточный расход технической соли, кг
|
|
|
|
21
|
Расход
технической соли в месяц, кг
|
|
|
9. Тягодутьевые машины
Каждый котельный агрегат должен иметь
индивидуальный вентилятор и дымосос, и только при производительности котлов до
1 Гкал/ч (1,16 МВт) допускается установка групповых тягодутьевых машин,
состоящих из одного дымососа и одного вентилятора, обслуживающего все котлы.
Для регулирования производительности вентиляторов и дымососа устанавливают
направляющие аппараты, которые закручивают поток в направлении вращения колеса.
Основными параметрами тягодутьевых машин
являются их производительность и создаваемый напор. Напор, создаваемый
вентилятором или дымососом, должен с 10%-ным запасом преодолевать суммарное
гидравлическое сопротивление воздушного или газового тракта, которое
определяется в соответствии с требованиями нормативного метода аэродинамических
расчетов котельных установок [5].
Учитывая марку котельного агрегата (ДКВР-4-13),
можно сделать вывод о наличии в его стандартной комплектации тягодутьевых
машин, т.е. вентилятора и дымососа (табл. 8.19 [3]), параметры которых сведем в
таблицу.
Таблица
12
Тягодутьевое оборудование котлоагрегата
|
Топливо
|
Расчетная
паропроизводительность., т/ч
|
Дымосос
|
Вентилятор
|
|
Газ,
мазут
|
4,0
|
Марка
|
Электродвигатель
|
Марка
|
Электродвигатель
|
|
|
|
Марка
|
Мощность,
кВт
|
|
Марка
|
Мощность,
кВт
|
|
|
ВДН-9
|
АО62-8
|
4,5
|
ВД-6
|
АО51-4
|
4,5
|
10. Дымовые трубы
Из дымовых труб котельных в атмосферу
выбрасываются продукты сгорания, которые содержат токсичные вещества,
оказывающие вредное воздействие на биосферу (оксиды углерода, серы и азота и
др.). Содержание вредных веществ в воздухе определяется их концентрацией -
количеством вещества, мг, находящегося в 1 м3 воздуха (мг/м3).
Максимальная концентрация вредных веществ, не оказывающая вредного влияния на
здоровье человека, называется предельно допустимой концентрацией (ПДК).
Количество основных, вредных веществ М, г/с,
выбрасываемых в атмосферу с продуктами сгорания, рассчитывают на основании
имеющихся рекомендаций и санитарных норм следующим образом.
· Оксиды серы:
или
,
(24)
где -
расчетный
расход жидкого и газообразного топлива (кг/с, м3/с);
- рабочая масса
серы в топливе, %;
- содержание
сероводорода в газообразном топливе, % (при отсутствии данных принимается
0,01%).
г/с, (25)
· Оксиды углерода:
,
(26)
где
-
доля потерь теплоты от химического недожога, % (для газа,
мазута =0,5);
- коэффициент,
равный 0,5 для газа и 0,65 для мазута;
- низшая теплота
сгорания топлива, МДж/кг, МДж/м3.
г/с, (27)
Оксиды азота:
(28)
где
-
коэффициент, равный 0,9 для газа и 1 для мазута;
- коэффициент,
характеризующий выход оксидов азота (ориентировочно принимается 0,1).
г/с, (29)
Минимально допустимая высота дымовой трубы
определяется из условия обеспечения отвода продуктов сгорания и рассеивания их
в атмосфере. Это такая высота трубы, когда концентрация вредных веществ у
поверхности земли будет меньше максимальной разовой предельно допустимой
концентрации (ПДК) данного вещества в атмосферном воздухе, утвержденной
Минздравом РФ. Предварительная минимальная высота дымовой трубы H,
м, из условия выброса и рассеивания в атмосфере с учетом суммарного действия
оксида углерода и диоксида серы и азота будет равна:
, (30)
где А - коэффициент, зависящий от
температурной стратификации атмосферы;
F-
безмерный коэффициент, учитывающий скорость оседания вредных веществ в
атмосферном воздухе;
- полный объемный
расход дымовых газов, м3/с;
- перепад между
температурой выбрасываемых (уходящих) дымовых газов
и
температурой окружающего атмосферного воздуха
,
которая равна максимальной температуре наружного воздуха наиболее жаркого
месяца года;
М - масса
вредного вещества, выбрасываемого в атмосферу в единицу времени, г/с;
ПДК - максимальная разовая предельно допустимая
концентрация вредного вещества в атмосферном воздухе, лимитирующая частоту
воздушного бассейна, мг/м3.
Значения коэффициента А принимается
равным: 200 - для европейской территории РФ южнее 50о с.ш.
(Волгоград 48,80о с.ш.). Безразмерный коэффициент F
принимается равным единице для газообразных вредных веществ и мелкодисперсных
аэрозолей (пыль, зола, газ).
Полный объемный расход дымовых топочных газов, м3/с,
удаляемых в атмосферу через трубу, определяется по формуле
, (31)
м3/с,
где
-
расчетный расход топлива в котельной, м3/с, кг/с;
- теоретическое
количество топочных газов , м/м3, м/кг;
- теоретическое
необходимое количество воздуха для сжигания топлива м/м3, м/кг;
- коэффициент
избытка воздуха в уходящих топочных газах;
- температура
уходящих топочных газов, оС.
м
Предельно допустимые концентрации, мг/м3,
для газов составляют:
;
;
После расчета минимальной высоты дымовой трубы H,
м, имея значения
,
,
необходимо предварительно принять скорость продуктов сгорания на выходе из
дымовой трубы W0
= 20 м/с и определить диаметр устья дымовой трубы
,
м, а также коэффициенты
по формулам:
, (32)
, (33)
, (34)
. (35)
В зависимости от параметра V
находят безразмерный коэффициент n:
,
, (36)
,
м,
,
,
,
.
Далее рассчитываем минимальную высоту трубы в
метрах, во втором приближении
. Если разница
между H1
и H больше 5%,
выполняют второй уточняющий расчет, который производится по формуле:
, (37)
где
-
коэффициенты, определяемые при значениях
и
уточненной высоте дымовой трубы H1.
м,
В данном случае
,
значит расчет стоит пересмотреть.
,
,
,
,
м.
При высоте дымовой трубы H2
определяют максимальную приземную концентрацию каждого из вредных веществ мг/м3,
по формулам:
;
;
,
(38)
,
,
,
Проверяют условие, при котором безразмерная
суммарная концентрация не должна превышать 1, т.е.
, (39)
Если указанные условия не соблюдаются, следует
увеличить высоту дымовой трубы до значения, при котором безразмерная
концентрация будет меньше или равна 1.
Условие проверки соблюдается.
Окончательно минимальная допустимая высота
дымовой трубы принимается из условий, что труба должна быть выше конька кровли
зданий (расположенной в радиусе 25 м от здания котельной) не менее чем на 5 м,
при наличии зданий высотой более 15 м в радиусе 200 м - высота не ниже 35 м,
что обеспечит рассеивание в атмосфере летучей золы и газов, содержащих
соединения серы, азота и углерода. Высота устья дымовых труб для встроенных,
пристроенных и крышных котельных должна быть выше границы ветрового подпора, но
не менее 2 м над кровлей более высокой части здания или самого высокого здания
в радиусе 10 м.
Диаметры выходных отверстий кирпичных и
железобетонных труб определяю на основании требований §7.16 [5]. Диаметр
основания дымовой трубы (кирпичной)
, (40)
где
-
средний уклон внутренних стенок трубы.
м.
В соответствии с [5] следует выбрать дымовую
трубу из кирпича или железобетона из следующего ряда значений диаметров
выходного отверстия: 1,2; 1,5; 1,8; 2,1; 2,4 м и т.д. до 9,6 м. Высота дымовых
труб должна приниматься 30, 45, 60, 75, 90, 120, 150 и 180 м.
Принимаем к установке железобетонную трубу
диаметром выходного отверстия 1,2 м и высотой 30 м.
. Мазутное хозяйство
Основным топливом является природный газ, мазут
применяем только в зимние месяцы, так же может использоваться в качестве
аварийного топлива при непродолжительном прекращении подачи газа.
Комплекс мазутного хозяйства состоит из:
подъездных железнодорожных путей, сливной эстакады с промежуточной емкостью;
мазутной насосной с размещением в ней насосов электрических щитов и бытовых
помещений; мазутохранилища, с железобетонными или металлическими резервуарами;
коммуникаций между емкостями мазута насосной и котельной; установки для сбора
конденсата; очистных сооружений для сточных вод; устройства для пожаротушения;
установки для приема, хранения и ввода в мазут жидких присадок.
Объем мазутохранилища, м3,
рассчитывается:
, (41)
где
-
количество суток, на которое рассчитано хранилище, принимаем равным 3 суткам,
так как мазут используется в качестве аварийного вида топлива ;
с - плотность малосернистого мазута М 40, кг/м3
(табл. 2.8 [3]).
м3.
. Технико-экономические показатели котельной
Таблица 13 Расчет
технико-экономических показателей
|
Показатель
и размерность
|
Расчетная
формула или способ определения
|
Расчет
|
|
1
|
2
|
3
|
|
Исходные
данные
|
|
1.
Общая максимальная теплопроизводительность котельной, МВт
|
,
из табл. 3.
|
8,181
|
|
2.
Годовая выработка тепла, ГДж/год
|
,
из табл. 3.
|
145,22
|
|
3.
Годовой расход натурального топлива, тыс.м3/год, тыс.т/год
|
,
из табл. 3.
|
4,35
|
|
4.
Расход исходной воды, кг/с
|
,
из расчета схемы (раздел 2)
|
1,155
|
|
5.
Удельный расход электрической мощности на собственные нужды котельной,
кВт/МВт
|
,
из табл. 3.12 [1]
|
38
|
|
6.
Удельные капиталовложения, тыс.р/МВт
|
,
из табл. 3.12 [1]
|
200
|
|
7.
Штатный коэффициент, чел/МВт
|
,
из табл. 3.12 [1]
|
3,3
|
|
8.
Стоимость топлива, р/м3
|
,
по прейскуранту
|
4500
|
|
9.
Стоимость воды, р/т
|
,
по прейскуранту
|
16
|
|
10.
Стоимость электроэнергии, р/кВт.ч
|
,
по прейскуранту
|
4,0
|
|
11.
Среднегодовая заработная плата одного человека, р/чел..год
|
,
по прейскуранту
|
240000
|
|
Результаты
расчета
|
|
12.
Годовое число часов использования установленной теплопроизводительности
котельной, ч/год
|
|
|
|
13.
Расходы на топливо, р/год
|
|
|
|
14.
Расходы на электроэнергию, р/год
|
|
|
|
15.
Расходы на используемую воду, р/год
|
|
|
|
16.
Расходы на заработную плату, р/год
|
|
|
|
17.
Сметная стоимость строительства, р
|
(или
смета)
|
|
|
18.
Расходы на амортизацию, р/год
|
|
|
|
19.
Расходы на текущий ремонт, р/год
|
|
|
|
20.
Прочие расходы, р/год
|
|
|
|
21.
Годовые эксплуатационные расходы, р/год
|
|
|
|
22.
Себестоимость отпускаемой теплоты, р/ГДж
|
|
|
|
23.
Приведенные затраты, р
|
|
|
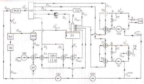
13. Тепловая схема котельной
Тепловая схема представляет
собой графическое изображение оборудования котельной, соединяемого линиями
различных трубопроводов. В принципиальной тепловой схеме основное
оборудование и трубопроводы показывают условно, не учитывая их количество и
расположение. Развернутая тепловая схема содержит все оборудование,
трубопроводы и арматуру. На рабочей, или монтажной, схеме показываются
все отметки расположения оборудования и трубопроводов, их уклоны, размеры,
марка арматуры, тип креплений и т.д. Развернутая и рабочая тепловые схемы могут
быть составлены лишь после разработки и расчета принципиальной тепловой схемы.
По результатам расчета определяют тепловую производительность котельной, что
позволяет выбрать тип котельных агрегатов и определить их необходимое
количество.
По характеру
тепловых нагрузок котельные подразделяются на
производственные, производственно-отопительные и отопительные. В данном
курсовом проекте я рассчитываю производственно-отопительную котельную.
Производственно-отопительные
- предназначены для обеспечения тепловой энергией производственных и
технологических потребителей предприятий, а также отопления, вентиляции и
горячего водоснабжения промышленных, общественных и жилых зданий и сооружений.
При общей тепловой нагрузке котельной менее 58
МВт рекомендуется устанавливать только паровые котлы одинаковой тепловой
мощности, и в этом случае горячая вода теплосети подготавливается в паровых
сетевых подогревателях. В более мощных котельных целесообразно устанавливать
даровые котлы для получения пара для технологических нужд, а также водогрейные
котлы (работающие по самостоятельному контуру) для получения горячей воды на
отопление, вентиляцию и горячее водоснабжение.
Для технологических целей
требуется обычно сухой насыщенный пар давлением 0,6... 1,2 МПа, потребление
которого зависит от мощности и режима работы предприятия. В летнее время расход
пара на производственные нужды обычно уменьшается, что обусловлено повышением
температуры исходного сырья, воды, воздуха, используемых в технологическом
процессе, а также снижением тепловых потерь в окружающую среду от ограждающих
конструкций теплотехнического оборудования. В нижеприведенных расчетах тепловых
схем технологическая нагрузка условно принята с коэффициентами 0,8...0,9 в
зимнем режиме и 0,7...0,8 в летнем режиме от максимальной технологической
нагрузки QТН
в
максимально-зимнем режиме. Расход теплоты на отопление и вентиляцию QО.В
зависит от температуры наружного воздуха tН.В,
а потребление теплоты на горячее водоснабжение QГ.В
- от суточного графика (максимум расхода утром и вечером) и от дня недели (в последние
дни недели расход увеличивается в два раза).
Годовой график нагрузок строится путем сложения
годовых нагрузок отопления, вентиляции, горячего водоснабжения,
технологического производства, и суточная неравномерность потребления теплоты
при этом не учитывается. В этом случае для каждого конкретного города
выстраивается температурный график регулирования температуры воды в подающей и
обратной магистралях теплосети в зависимости от наружной температуры воздуха.
Температурный график для города Волгограда представлен на рис.2 Приложения.
Закрытая
двухтрубная система теплоснабжения
По этой схеме (рис.1
Приложение) сетевая вода из подающего трубопровода поступает в подогреватели
системы горячего водоснабжения, где холодная вода из водопровода нагревается и
поступает к водоразборным кранам потребителей горячего водоснабжения, а
охлажденная сетевая вода возвращается в обратный трубопровод тепловой сети.
Отсутствие водоразбора из теплосети значительно уменьшает расход подпиточной
воды, проходящей водоподготовку и идущей для компенсации потерь теплоносителя в
тепловой схеме. Поэтому оказывается экономически целесообразным не
устанавливать дополнительный узел водоподготовки для подпиточной воды, а
готовить ее в системе ХВО питательной воды котельных агрегатов, несмотря
на то, что стоимость питательной воды выше, поскольку она проходит две ступени
умягчения, в то время как для подпиточной воды теплосети достаточно одной
ступени. Расход подпиточной воды GПОДП
для закрытых систем теплоснабжения принимается в
размере 1,5...2 % от расхода сетевой воды.
На рис. 1 Приложения представлена принципиальная
тепловая схема производственно-отопительной котельной для закрытой двухтрубной
системы теплоснабжения с независимой (параллельной) схемой подключения к
тепловой сети потребителей горячего водоснабжения ГВ, отопления и
вентиляции 0В. Сырая вода поступает из водопровода с давлением, или
насосом НИ создается напор, необходимый для преодоления гидравлических
сопротивлений в подогревателях, фильтрах ХВО и трубопроводах. Температура
исходной воды tИСХ
принимается +15 °С летом и +5 °С зимой, а расход GИСХ
должен обеспечивать питание котельных агрегатов КА, подпитку тепловой
сети, компенсацию расхода пара на собственные нужды и потерь теплоносителя в
тепловой схеме, тепловых сетях и у потребителя. Вода нагревается в охладителе
непрерывной продувки T1
и в паровом водоподогревателе Т2 до температуры +25...35 °С.
Указанный диапазон температур
исключает конденсацию водяных паров из воздуха на внешней поверхности
трубопроводов и оборудования водоподготовки и обеспечивает стабильную работу
катионита. Часть воды используется на собственные нужды химводоподготовки
(взрыхление, регенерация отмывка и др.) и составляет 15...20 % расхода GХВО
, или
GИСХ
= 1,2·GХВО. В процессе
химводоочистки ХВО из воды удаляются соли жесткости - Са и Mg,
а температура воды при этом снижается на 2...3 °С. Далее умягченная вода
нагревается в паровом водоподогревателе ТЗ и водо-водяном подогревателе Т4
до температуры +60...90 °С и направляется в колонку деаэратора, в верхнюю
часть которой также поступает конденсат от всех паровых подогревателей и от
технологического производства ТП. В нижнюю часть колонки деаэратора и в
водный объем питательного бака ДА (через барботажное устройство)
подается пар давлением 0,12 МПа для подогрева умягченной воды до температуры
кипения +104 °С. Чем ниже температура воды и конденсата, поступающих в
деаэратор, тем больше расход пара на деаэрацию DД
. Выделившиеся из
воды коррозионно-активные газы вместе с паром удаляются в атмосферу или поступают
в охладитель выпара (на схеме не показан) для нагрева умягченной воды,
поступающей в деаэратор; при этом газы из охладителя выпара уходят в атмосферу,
а конденсат - в дренаж. Удельный расход выпара d
из
деаэратора составляет 0,002 кг пара/кг воды.
Питательный бак-деаэратор ДА
должен иметь тепловую изоляцию, а геодезическая высота установки ДА не
менее 8... 10 м для создания подпора воды на всасывающем патрубке питательного ПН
и подпиточного насоса ППН. Из бака деаэратора питательная вода с
температурой +102... 104 °С поступает в теплообменник Т4, где
охлаждается до +70...90 °С при сжигании природного газа или малосернистого
мазута и до +90...100 °С - сернистого или высокосернистого мазута. Это условие
необходимо для предотвращения низкотемпературной коррозии внешних поверхностей
нагрева водяного экономайзера. Одна (большая) часть питательной воды GПИТ
питательным насосом ПН нагнетается в водяной экономайзер ЭК, где
нагревается за счет теплоты уходящих топочных газов. Другая (меньшая) часть
воды GПОД
подпиточным насосом ППН нагнетается в обратный трубопровод теплосети,
перед сетевым насосом СН, для компенсации потерь теплоносителя в
тепловых сетях. Расход подпиточной воды для закрытых систем теплоснабжения
принимается 1,5...2 % от расхода сетевой воды, т.е.
GПОДП
= 0,02·GC.
В водяном экономайзере некипящего типа питательная вода не догревается до
температуры насыщения на 20...40 °С и по питательной линии поступает в водный
объем верхнего барабана парового котельного агрегата КА, где
вырабатывается сухой насыщенный (или перегретый) пар.
Из КА по паропроводу пар поступает в
редукционно-охладительную установку РОУ, где путем дросселирования
(редуцирования) давление пара снижается, например, с 1,4 до 0,7 МПа или до
давления, необходимого для технологического производства (0,5... 1,2 МПа). В
результате дросселирования (при i
= const) получается
перегретый пар, и поэтому в РОУ (минуя экономайзер и паровой котел)
подается необходимое количество питательной воды GРОУ
с температурой +70... 100 °С для охлаждения перегретого пара и получения сухого
насыщенного пара. Далее сухой насыщенный пар поступает в парораспределительный
коллектор ПК (гребенку), откуда расходуется на:
• технологическое производство ТП
в количестве DТН
; конденсат
возвращается в конденсатный бак (на схеме не показан) или непосредственно в
колонку деаэратора, и его количество GТН
зависит от процента возврата м, т.е.
GTH
= 0,01·м·DТН;
потери технологического конденсата
;
• подогреватели сетевой воды Т5,
Т6 в количестве DCT,
где передает теплоту воде теплосети GС,
а конденсат (GCT
равен DСТ)
после теплообменников возвращается в колонку деаэратора, так как он не
загрязнен и находится под большим давлением, чем давление в деаэраторе;
• собственные нужды котельной в
количестве DCH,
предварительно принимаются в размере 7...15 % от потребления пара, т.е.
• компенсацию потерь пара DПОТ
в тепловой схеме, потерь тепла подогревателями в окружающую среду и другие
неучтенные расходы пара; принимаются в размере 2…3 % от потребления пара, т.е.
Предварительно принятые
величины уточняются на заключительном этапе расчета при сопоставлении Dсн
и
полученных в результате расчета расходов пара на собственные нужды
,
которые включают в себя расход пара:
• D2
- на
подогреватель исходной воды Т2 и расход пара D3
на подогреватель ТЗ умягченной воды; конденсат от подогревателей (G2,
равный D2
, G3
равный D3)
с температурой +60...90°С возвращается в колонку деаэратора;
• DМ.Х
-
на мазутное хозяйство MX
и
зависит от расхода, теплоемкости, температуры мазута, горелки, удельного
расхода пара на распыливание мазута в форсунках и условно можно принять 1...3 %
от внешнего потребления пара, т.е. DMX
= 0,01 (DТН
+ DСТ);
конденсат в количестве 50...60 % с температурой +50...80 °С возвращается в
деаэратор;
• на обдувку внешних
поверхностей нагрева труб кипятильного пучка котла и водяного экономайзера, а
также на паровые, питательные насосы (в расчете не учитывается и входит в DПОТ).
Из парового котельного агрегата по продувочной
линии котловая вода GПР
поступает в сепаратор (расширитель) непрерывной продувки СНП, где
происходит снижение давления до 0,12...0,2 МПа; вода вскипает и разделяется на
остаточную воду GСНП
и
на пар вторичного вскипания
(при давлении 0,15
МПа). Пар из СНП используется в деаэраторе ДА, а вода
направляется в охладитель выпара Т1, где, отдавая тепло исходной воде,
охлаждается до температуры +40...60 °С и сбрасывается в барботер БР. Величина
продувки зависит от солесодержания котловой воды (зависит от типа КА) и
питательной воды после водоподготовки или принимается равной 2... 10 % от
паропроизводительности котельных агрегатов.
Библиографический список
1. Фокин В.М. Расчет и
эксплуатация теплоэнергетического оборудования котельных: Учеб. пособ. -
Волгорад, 2004. - 228с.
2. Фокин В.М. Тепловой расчет
теплогенератора: Учеб. пособ. - Волгорад, 2000. - 68 с.
. Роддатис К.Ф. Справочник по
котельным установкам малой производительности/К.Ф.Роддатис, А.Н. Полтарецкий. -
М.: Энергоиздат, 1989. - 487 с.
. СНиП 2.01.01-82.
Строительная климатология и геофизика. - М.: Строиздат, 1973. - 320 с.
5. СНиП II-35-76.
Котельные установки. - М.: Стройиздат, 1977. - 48 с.
Приложение
котельная тепловой схема
Рис.1. Принципиальная тепловая схема
производственно-отопительной котельной с закрытой четырехтрубной системой
теплоснабжения