Расчёт технологической схемы котельной
Аннотация
В данном дипломном проекте рассмотрена
модернизация районной котельной г. Волковыска. Был произведён расчёт тепловой
схемы с применением методов математического моделирования. Расчётная схема
синтезирована на базе основных элементов: котёл, потребители, теплообменники,
насосы и др. На основе схемы разработана математическая модель и создана
программа для ЭВМ для расчета: расходов основных энергоносителей, коэффициента
полезного действия котлов, котельной. На основе расчётов программы разработано проектное
решение по модернизации. Произведён тепловой поверочный расчёт котлоагрегата
ТВГ-4р и гидравлический расчёт газопровода с выбором запорно-регулирующей
аппаратуры. Была внедрена АСУ Была просчитана экономическая эффективность
модернизации и рассчитан срок окупаемости котельной.
В расчетно-пояснительную записку входят также
разделы охраны труда и противопожарной безопасности, электроснабжения.
Содержание
котельная тепловой энергоноситель
моделирование
Введение 4
1. Описание существующего состояния котельной 6
2. Расчёт технологической схемы котельной 10
2.1
Синтез расчётной структуры исследуемого объекта 10
2.2
Разработка математической модели теплогенерирующего блока 14
2.3
Разработка математической модели для блока L 32
2.4
Решение математических моделей и составление программы для ЭВМ 42
3. Анализ режимов работы районной котельной 46
4. Разработка проектного решения по модернизации
водогрейного котла ТВГ-4р 48
5. ПОВЕРОЧНЫЙ ТЕПЛОВОЙ РАСЧЁТ КОТЛОАГРЕГАТА ТВГ-4р 53
5.1
Краткое описание котлоагрегата ТВГ-4р 53
5.2
Поверочный тепловой расчёт 53
5.2.1
Расчёт энтальпий воздуха и продуктов сгорания 56
5.2.2 Расчёт
коэффициента полезного действия и расхода топлива 60
5.2.3
Расчёт топочной камеры 62
5.2.4 Расчёт
первой конвективной поверхности 65
6. Гидравлический расчёт газопровода котельной 71
7. Разработка АСУ котельной 77
8. Электроснабжение 86
9. Технико-экономические показатели 100
9.1
Расчет себестоимости отпускаемой теплоты. 100
9.2
Организация ремонта 112
10. Охрана труда 119
10.1
Производственная
санитария и техника безопасности 119
10.2
Пожарная
безопасность 125
Литература 128
Приложение 1 130
Приложение 2 136
Приложение 3 138
Введение
Современная теплоэнергетическая установка
представляет собой единый технический комплекс разнородных узлов оборудования
со сложной схемой технологических связей. В ней одновременно осуществляются и
тесно взаимодействуют разнородные физико-химические процессы, совместно
применяются различные виды и фазы энергоносителей, разнообразные материалы,
типы технологических схем, конструкций и компоновок оборудования. При
проектировании и создании сложных объектов, к которым принадлежат современные
теплоэнергетические установки, требуются знания о количественных и качественных
закономерностях, свойственных рассматриваемым объектам. Осуществить
непосредственную практическую проверку тех или иных закономерностей, очень
часто не представляется возможным по ряду причин. В связи с этим приобретает
все большее значение изучение свойств и закономерностей рассматриваемых сложных
объектов на базе методов моделирования.
Одним из методов моделирования является
математическое моделирование, которое позволяет изучать только те параметры
исследуемого объекта, которые имеют математическое описание и связаны
математическими соотношениями в уравнениях, относящихся как к модели, так и к
исследуемому объекту. Процесс математического моделирования включает в себя ряд
этапов. Начинается он с постановки задачи, решение которой должно быть получено
посредством использования модели. Для этого выделяются некоторые свойства и
связи, исследование которых может привести к достижению цели. Второй этап -
разработка математической модели. При разработке математической модели
создается объект, в котором интересующие свойства и отношения исследуемого объекта
могут быть изучены проще, чем при непосредственном его изучении. На третьем
этапе математическая модель становится объектом исследования. При этом все
действия направлены на модель и на получение знаний об объекте, на установление
законов его развития, его свойств и отношений. На четвертом, заключительном
этапе процесса математического моделирования рассматривается вопрос о переносе
значений, полученных на математической модели, на реальный объект изучения.
Возможность такого переноса существует благодаря наличию определенного
соответствия элементов и отношений модели элементам и отношениям исследуемого
объекта.
Таким образом, можно придти к выводу, что
математические модели сложных теплоэнергетических установок являются наиболее
подходящим средством для целей комплексного технико-экономического их
исследования.
В данном проекте рассмотрены: синтез
технологической схемы комплексной энергетической установки, составлена ее
математическая модель, произведен выбор и расчет основных элементов установки,
схемы КИП и автоматики, представлены технико-экономические показатели, вопросы
электроснабжения, охраны труда, пожарной безопасности и экологии.
1.
Описание существующего состояния котельной
Котельная оборудована двумя котлами типа ТВГ-4р
Монастырищенского машиностроительного завода номинальной
теплопроизводительностью 18 ГДж/ч каждый. Топливом для котельной является
природный газ теплотой сгорания
.
Установлены пять сетевых насосов,
три насоса подпитки.
Система теплоснабжения - закрытая
двухтрубная со смешанной схемой присоединения подогревателей горячего
водоснабжения и абонентов.
Общая теплопроизводительность котельной
- 35,1 ГДж/ч, в том числе:
количество тепла на отопление и
вентиляцию - 27 ГДж/ч,
количество тепла на горячее
водоснабжение - 7,1 ГДж/ч,
количество тепла на собственные
нужды котельной - 0,7 ГДж/ч.
Теплоснабжения потребителей от
котельной осуществляется по двум магистралям Ду 250 и Ду
80. К магистрали Ду 80 подключений только потребители системы
отопления по безэлеваторной схеме с температурным графиком 95/70. Для
магистрали Ду 250 температурный график 120/70. Регулирование -
качественное по отопительной нагрузке. Расхода сетевой воды на горячее
водоснабжение приняты, исходя из отопительного графика.
Расчётное количество воды, идущее на
отопление и вентиляцию - 35,8 кг/с; то же на горячее водоснабжение - 9,42 кг/с.
Избыточный напор в теплосети на выходе
из котельной принят 45 м. в. ст.
Источником водоснабжения является
городской водопровод с давлением на вводе 40 м. в. ст.
Ниже приводиться краткое описание
основного оборудования котельной.
Котлоагрегат.
Котёл ТВГ-4р прямоточный,
водогрейный с принудительной циркуляцией. Отличительная особенность конструкции
котла - наличие трёх двусветных экранов, расположенных между двумя подовыми
горелками.
Котёл комплектуется четырьмя
газовыми подовыми горелками. На каждый котёл устанавливается по одному дымососу
типа Д -10 и одному дутьевому вентилятору типа Ц-4-70-№6.
На основном газопроводе к котлу
установлено следующее оборудование: задвижка фланцевая (Ду = 100, Ру
= 6), измерительная диафрагма, запорно-предохранительный клапан ПКН-100 (Ду
= 100, Ру = 10), поворотная регулирующая заслонка ЗД - 80 (Ду
= 80), газовые щелевые подовые горелки.
На продувочных газопроводах
установлены сальниковые муфтовые краны типа 11ч6бк (Ду =15, Ру
= 10), кран проходной фланцевый типа 11ч8бк (Ду =25, Ру =
10), кран пробно-спускной типа 10б8бк.
Расход воды через котёл - 53 м3/ч.
Минимальное допустимое давление воды на выходе из котла - 0,784 МПа (из условия
невскипаемости).Максимальное давление воды на выходе из котла из условий
прочности -1,372 МПа.
Температура воды на входе в котёл -
не менее 60 ºС.
Таблица 1.1
Техническая характеристика котлов
ТВГ-4р
|
Наименование
|
Единицы
измерения
|
Величина
или характеристика
|
|
1
|
2
|
3
|
|
Теплопроизводительность
|
ГДж/ч
|
18
|
|
Поверхность
нагрева
|
м2
|
90,3
|
|
в
т.ч: радиационная
|
м2
|
35,5
|
|
конвективная
|
м2
|
54,8
|
|
Объём
топочной камеры
|
м3
|
13,6
|
|
Расчётные
температуры сетевой воды
|
°С
|
150/70
|
|
Расчетный
расход воды через котёл
|
м3/ч
|
53
|
|
Давление
воды на выходе из котла
|
|
|
|
а)
максимальное (по условиям прочности)
|
МПа
|
1,372
|
|
б)
минимальное (по условиям невскипания) определяется температурным режимом
сети, при t = 150 °С
|
МПа
|
0,784
|
|
Гидравлическое
сопротивление котла при расчётном расходе воды
|
МПа
|
0,096
|
|
Расход
природного газа номинальный
|
м3/ч
|
560
|
|
Давление
газа перед горелкой*
|
МПа
|
0,017
|
|
Температура
уходящих газов
|
°С
|
193
|
|
КПД
котла (брутто)
|
%
|
90,5
|
|
Аэродинамическое
сопротивление котла
|
МПа
|
5,5
|
* - данные приведены для существующего котла
Сетевые насосы.
Циркуляция сетевой воды в системе теплоснабжения
осуществляется сетевыми насосами. Суммарная производительность сетевых насосов
(расход воды на отопление, вентиляцию, собственные нужды и горячее
водоснабжение) 112 м3/ч.
Напор сетевых насосов - 80 м.в.ст., причём
потери напора в котельной составляют 30 м.в.ст.
В котельной установлено 4 сетевых насоса типа
4К-6 (3 рабочих, 1 резервный). В летний период работает один насос.
Техническая характеристика насосного
оборудования:
Таблица 1.2
Сетевые насосы
|
Количество
|
шт.
|
1
|
|
Тип
|
|
4К6А
|
|
Напор
|
м.
|
72
|
|
Подача
|
м3/ч.
|
108
|
|
Количество
|
шт.
|
1
|
|
Тип
|
|
Д200/95
|
|
Напор
|
м.
|
95
|
|
Подача
|
м3/ч.
|
200
|
|
Количество
|
шт.
|
1
|
|
Тип
|
|
К100/65
|
|
Напор
|
м.
|
65
|
|
Подача
|
м3/ч.
|
100
|
|
Количество
|
шт.
|
1
|
|
Тип
|
|
34К-6
|
|
Напор
|
м.
|
72
|
|
Подача
|
м3/ч.
|
117
|
|
Количество
|
шт.
|
1
|
|
Тип
|
|
К90/55
|
|
Напор
|
м.
|
55
|
|
Подача
|
м3/ч.
|
90
|
Таблица 1.3
Подпиточные насосы сетевой воды
|
Количество
|
шт.
|
3
|
|
Тип
|
|
К-20/30
|
|
Напор
|
м.
|
30
|
|
Подача
|
м3/ч.
|
20
|
Химводоочистка.
Расход подпиточной воды составляет 4,5 т/ч.
Расчётная производительность химводоочистки 5 т/ч. Для предохранения
поверхности оборудования от потения и улучшение процесса Na катионирования
воды, вода перед умягчением подогревается в водяном подогревателе до 20 - 25°С.
Требования к химочищенной воде:
1. Растворённый кислород ≤ 0,05 мг/л;
2. PH 7 - 9;
. Взвешенные вещества ≤ 5 мг/л;
. Жёсткость карбонатная ≤ 4 мг
экв/л;
5. Воды должна быть стабильной в отношении
выделения осадка CaSO4.
2. Расчёт
технологической схемы котельной
.1 Синтез расчётной
структуры исследуемого объекта
В самом общем случае задача синтеза
технологической схемы технической системы заключается в определении ее состава
(совокупности элементов), структуры (системы связей между элементами) и
совокупности режимных и конструктивных параметров при заданных характеристиках
сырьевых потоков и готовой продукции, функции цели и ограничений на параметры.
Существуют различные методы и подходы к синтезу технологических схем. В
данном случае на первом этапе задачу синтеза ограничиваем только определением
состава элементов и структуры схемы
После определения состава технологических
элементов устанавливаем и уточняем связи между ними по потокам вещества и
энергии. Определяются также связи с внешними системами, в том числе с
окружающей средой.
Таким образом, при составлении технологический
схемы используем два типа элементов: технологические и транспортные. К первым
относятся элементы, в которых происходят преобразования массы и энергии, ко
вторым - элементы, служащие для транспорта материальных и энергетических
потоков, т.е. для соединения технологических элементов между собой. Элементы
первого типа в дальнейшем будем называть «элементами», а второго типа - «связями».
Теплоносители и рабочие тела,
посредством которых осуществляются различные технологические процессы в
элементах оборудования и связи между ними, будем называть энергоносителями.
Условно принимаем, что связи по механической и электрической энергии также
осуществляются соответствующими энергоносителями. Каждая стационарная связь
характеризуются строго заданным направлением, соответствующим действительному
направлению движения потока энергоносителя между элементами оборудования.
Связи, осуществляемые каким-либо теплоносителем (если известен их состав),
однозначно определяются одним расходным и двумя термодинамическими параметрами
его состояния, и поэтому их считают трехпараметрическими. Механические и
электрические связи количественно характеризуются мощностью, поэтому их
называют однопараметрическими. Полученная таким образом расчётная
технологическая схема представлена на рисунке 2.1.1.
Рисунок 2.1.1 - Расчётная
технологическая схема
После построения структуры системы и
определения состава в нее входящих элементов оценивается сложность расчетной
схемы и определяется уровень глубины исследования.
Упростим полученную расчётную
технологическую схему по следующей схеме:
- объединим блоки I и II в блок I
(перераспределение нагрузок между котлоагрегатами рассмотрим на последующем
этапе моделирования).
- из блока I для расчёта необходимо
знать только количество тепла, воспринятое нагреваемой средой. Таким образом,
сократим связи 4, 5, 7, 8, 44 и 45 заменив их 78.
- укрупним схему, выделив в ней два
блока теплогенерирующий и блок подготовки воды и горячего водоснабжения (L).
Сократив лишние элементы и связи,
получим эквивалентную технологическую схему, которая представлена на рисунке 2.1.3.
Блок L рассчитывается по дополнительной
системе уравнений составленной по расчётной схема блока L которая представлена
на рисунке 2.1.2.
Рисунок 2.1.2 - Расчётная
технологическая схема блока L
Рисунок 2.1.3 - Эквивалентная
расчётная технологическая схема
2.2 Разработка
математической модели теплогенерирующего блока
Математическая модель теплогенерирующего блока
представляет собой совокупность соотношений формул, уравнений, неравенств,
которые связывают характеристики объекта с параметрами объекта и исходной
информацией. Математическая модель дает формализованное и приближенное (с
определенной степенью точности) описание реальной картины количественных и
логических взаимосвязей и соотношений между основными параметрами
рассматриваемой установки, технологическими и материальными характеристиками ее
элементов, характеристиками внешних технологических и экономических связей,
системой ограничений и величиной соответствующего критерия эффективности.
Структурная схема технологического процесса
требует больших усилий для формализации. При исследовании технологических
объектов, структурная схема подлежит оптимизации, а следовательно значительным
изменениям. Поэтому, необходимы другие виды и способы изображения
технологических схем.
Описание технологической схемы (рис.
2.1.3) произведем с помощью теории графа [1] и также представим саму схему в
виде поточного направленного графа (рис. 2.2.1). Вершины представляют собой
функциональные элементы системы, а дуги - связи между элементами.
Кодирование графа произведем с
помощью матрицы соединения и матрицы типов связи.
В матрице соединений узлов графа
(табл. 2.2.1) единицы в строках показывают наличие связи входящей в элемент
(-1) и выходящей из элемента (1). При этом строка, соответствующая связи между
узлами схемы (внутренняя связь), имеет два ненулевых члена (1 и -1), а строка,
соответствующая связи между узлом схемы и внешним объектом (внешняя связь),
имеет один ненулевой член (1 и -1).
Рисунок 2.2.1 - Поточный
направленный граф
Таблица 2.2.1
Матрица соединений
|
I
|
V
|
VI
|
VII
|
X
|
XIV
|
XV
|
XVII
|
XXV
|
XXVI
|
L
|
Σ
|
|
9
|
-1
|
0
|
+1
|
0
|
0
|
0
|
0
|
0
|
0
|
0
|
0
|
0
|
|
11
|
0
|
-1
|
0
|
0
|
0
|
0
|
0
|
0
|
0
|
+1
|
0
|
0
|
|
12
|
0
|
0
|
0
|
0
|
+1
|
0
|
0
|
0
|
0
|
-1
|
0
|
0
|
|
13
|
0
|
+1
|
0
|
0
|
0
|
-1
|
0
|
0
|
0
|
0
|
0
|
0
|
|
16
|
0
|
0
|
-1
|
0
|
0
|
0
|
0
|
0
|
0
|
0
|
+1
|
0
|
|
17
|
0
|
0
|
0
|
0
|
+1
|
0
|
0
|
0
|
0
|
0
|
-1
|
0
|
|
19
|
0
|
0
|
0
|
-1
|
0
|
0
|
+1
|
0
|
0
|
0
|
0
|
0
|
|
23
|
0
|
0
|
0
|
0
|
-1
|
+1
|
0
|
0
|
0
|
0
|
0
|
0
|
|
25
|
0
|
0
|
0
|
0
|
0
|
+1
|
0
|
0
|
0
|
0
|
0
|
|
26
|
+1
|
0
|
0
|
0
|
0
|
0
|
-1
|
0
|
0
|
0
|
0
|
0
|
|
27
|
0
|
0
|
0
|
0
|
0
|
-1
|
0
|
+1
|
0
|
0
|
0
|
0
|
|
28
|
0
|
0
|
0
|
0
|
+1
|
0
|
0
|
0
|
-1
|
0
|
0
|
0
|
|
29
|
0
|
0
|
0
|
0
|
0
|
0
|
0
|
-1
|
+1
|
0
|
0
|
0
|
|
33
|
0
|
0
|
0
|
0
|
0
|
0
|
0
|
0
|
0
|
0
|
-1
|
-1
|
|
37
|
0
|
0
|
0
|
0
|
0
|
0
|
0
|
0
|
0
|
0
|
+1
|
+1
|
|
49
|
0
|
0
|
0
|
0
|
0
|
0
|
0
|
0
|
0
|
-1
|
0
|
-1
|
|
50
|
0
|
0
|
0
|
0
|
0
|
0
|
0
|
0
|
-1
|
0
|
0
|
-1
|
|
78
|
+1
|
0
|
0
|
0
|
0
|
0
|
0
|
0
|
0
|
0
|
0
|
+1
|
|
101
|
0
|
+1
|
-1
|
0
|
0
|
0
|
0
|
0
|
0
|
0
|
0
|
0
|
|
103
|
0
|
0
|
-1
|
+1
|
0
|
0
|
0
|
0
|
0
|
0
|
0
|
0
|
|
104
|
0
|
0
|
0
|
-1
|
0
|
0
|
0
|
+1
|
0
|
0
|
0
|
0
|
В матрице видов связи (табл. 2.2.2)
единицы в столбцах указывают тип энергоносителя, посредством которого
осуществляется данная связь. Каждый тип энергоносителя характеризуется
параметрами.
Таблица 2.2.2
Матрица типов связи
|
Вид
энер-гии / № связи
|
вода
|
энергия
|
параметры
связи
|
|
9
|
1
|
0
|
|
|
11
|
1
|
0
|
|
|
12
|
1
|
0
|
|
|
13
|
1
|
0
|
|
|
16
|
1
|
0
|
|
|
17
|
1
|
0
|
|
|
19
|
1
|
0
|
|
|
23
|
1
|
0
|
|
|
25
|
1
|
0
|
|
|
26
|
1
|
0
|
|
|
27
|
1
|
0
|
|
|
28
|
1
|
0
|
|
|
29
|
1
|
0
|
|
|
33
|
1
|
0
|
|
|
37
|
1
|
0
|
|
|
49
|
0
|
1
|
|
|
50
|
0
|
1
|
|
|
78
|
0
|
1
|
|
|
101
|
1
|
0
|
|
|
103
|
1
|
0
|
|
|
104
|
1
|
0
|
|
Для проведения анализа
математической модели составим вспомогательные матрицы: матрицу смежности,
матрицу процесса, матрицу контуров. Единицы в матрице смежности (табл. 2.2.3)
показывают направление связи, то есть из какого элемента (строка) в какой
элемент (столбец) она направляется. Матрица просматривается на наличие пустых
строк и столбцов. Элементы, соответствующие этим строкам и столбцам не входят в
контура схемы.
Таблица 2.2.3
Матрица смежности
|
I
|
V
|
VI
|
VII
|
X
|
XIV
|
XV
|
XVII
|
XXV
|
XXVI
|
L
|
|
I
|
0
|
0
|
1
|
0
|
0
|
0
|
0
|
0
|
0
|
0
|
0
|
|
V
|
0
|
0
|
0
|
0
|
0
|
1
|
0
|
0
|
0
|
1
|
0
|
|
VI
|
0
|
1
|
0
|
1
|
0
|
0
|
0
|
0
|
0
|
0
|
1
|
|
VII
|
0
|
0
|
0
|
0
|
0
|
0
|
1
|
1
|
0
|
0
|
0
|
|
X
|
0
|
0
|
0
|
0
|
0
|
1
|
0
|
0
|
0
|
0
|
0
|
|
XIV
|
0
|
1
|
0
|
0
|
0
|
0
|
1
|
1
|
0
|
0
|
0
|
|
XV
|
1
|
0
|
0
|
0
|
0
|
0
|
0
|
0
|
0
|
0
|
|
XVII
|
0
|
0
|
0
|
0
|
0
|
0
|
0
|
0
|
1
|
0
|
0
|
|
XXV
|
0
|
0
|
0
|
0
|
1
|
0
|
0
|
0
|
0
|
0
|
0
|
|
XXVI
|
0
|
0
|
0
|
0
|
1
|
0
|
0
|
0
|
0
|
0
|
0
|
|
L
|
0
|
0
|
0
|
0
|
1
|
0
|
0
|
0
|
0
|
0
|
0
|
Матрица процессов (таблица 2.2.4)
указывает номера связей, характерных для рассматриваемого элемента.
Таблица 2.2.4
Матрица процессов
|
№
элемента
|
№
связи
|
|
I
|
-9
+26 +78
|
|
V
|
-11
+13 +101
|
|
VI
|
+9
-16 -103 -101
|
|
VII
|
-19
+103-104
|
|
X
|
+12
+17 -23 +28
|
|
XIV
|
-13
+24 -25 -27
|
|
XV
|
-19
+25 +26
|
|
XVII
|
+27
-29 +104
|
|
XXV
|
-28
+29 -50
|
|
XXVI
|
+11
-12 -49
|
|
L
|
+16
-17 -33 +37
|
Матрица контуров (циклов) (табл. 2.2.5)
определяет количество контуров в схеме и указывает внутренние связи, входящие в
каждый из контуров.
Таблица 2.2.5
Матрица контуров
|
№
связи
|
№
контура
|
Частота
связи
|
|
1
|
2
|
3
|
4
|
5
|
6
|
|
|
1
|
2
|
3
|
4
|
5
|
6
|
7
|
8
|
|
9
|
1
|
1
|
1
|
1
|
|
|
1
|
|
11
|
1
|
|
|
|
1
|
|
2
|
|
12
|
1
|
|
|
|
1
|
|
2
|
|
13
|
|
|
|
|
1
|
|
1
|
|
16
|
|
|
|
1
|
|
|
1
|
|
17
|
|
|
|
1
|
|
|
1
|
|
19
|
|
|
1
|
|
|
|
1
|
|
23
|
1
|
1
|
|
1
|
1
|
1
|
5
|
|
25
|
1
|
1
|
|
1
|
1
|
|
4
|
|
26
|
1
|
1
|
1
|
1
|
1
|
|
5
|
|
27
|
|
|
|
|
|
1
|
1
|
|
28
|
|
1
|
|
|
|
1
|
2
|
|
29
|
|
1
|
|
|
|
1
|
2
|
|
33
|
|
|
|
|
|
|
0
|
|
37
|
|
|
|
|
|
|
0
|
|
49
|
|
|
|
|
|
|
0
|
|
50
|
|
|
|
|
|
|
0
|
|
78
|
|
|
|
|
|
|
0
|
|
101
|
1
|
|
|
|
|
|
1
|
|
103
|
|
1
|
1
|
|
|
|
2
|
|
104
|
|
1
|
|
|
|
|
1
|
|
Ранг
контура
|
7
|
8
|
4
|
6
|
6
|
4
|
|
|
|
|
|
|
|
|
|
|
|
Зависимости между параметрами связей можно
описать системой балансовых уравнений. В систему входят:
уравнения материального баланса:
, (2.2.1)
которые записываются для каждого
j-го теплоносителя k-го элемента;
уравнения энергетического баланса
для каждого элемента:
; (2.2.2)
уравнения изменения энтальпии для
каждого j-го теплоносителя:
; (2.2.3)
уравнения изменения давления:
, (2.2.4)
где G - расход теплоносителя;-
мощность электрической или механической связи;и i - давление и энтальпия на выходящей
и входящей связи узла;
и
- изменение давления и энтальпии
j-го теплоносителя в k-ом элементе;
- коэффициент, показывающий потери
в окружающую среду.
Составляем систему балансовых
уравнений для каждого элемента (табл. 2.2.6). Система балансовых уравнений
характеризуется числом уравнений, входящих в нее и числом параметров связи,
описывающих саму схему.
Таблица 2.2.6
Система балансовых уравнений
|
Эле-мент
|
Фрагмент
|
Балансовые
уравнения
|
№
уравнения
|
|
1
|
2
|
3
|
4
|
I G26,h26,p26
G9,h9,p9 Q78
;
.(2.2.5)
V G101,h101,p101
G11,h11,p11 G13,h13,p13

;
;
;
;
;
.(2.2.7)
VI G16,h16,p16
G101,h101,p101 G103,h103,p103
G9,h9,p9
;
|
; .(2.2.9)
|
|
VII G103,h103,p103
G19,h19,p19 G104,h104,p104
;
|
; .(2.2.10)
|
|
X G12,h12,p12
G17,h17,p17 G23,h23,p23
G28,h28,p28
;
;
;
;
;
;
;
;
.(2.2.11)
XIV G23,h23,p23
G27,h27,p27 G13,h13,p13
G25,h25,p25
;
;
|
.(2.2.13)
|
|
XV G19,h19,p19
G26,h26,p26 G25,h25,p25
;
;
;
;
;
;
;
.
(2.2.14)
XVII G104,h104,p104
G29,h29,p29 G27,h27,p27
;
;
;
;
;
;
. (2.2.16)
XXV Q50 G29,h29,p29
G28,h28,p28
;
;
.(2.2.18)
XXVI Q50 G11,h11,p11
G12,h12,p12
;
;
.(2.2.20)
L G37,h37,p37
G16,h16,p16 G33,h33,p33
G17,h17,p17
;
;
;
;
;
;
;
;
.(2.2.22)
Так как система балансовых уравнений имеет
бесконечное множество решений, то, изменяя расчетные термодинамические
расходные параметры можно получить ряд сбалансированных состояний системы.
Поэтому имеется возможность выбора оптимальных
значений параметров теплоэнергетической системы. Конкретный допустимый состав
параметров определим с помощью матрицы функциональных связей, в которой единицы
в i-ых строках матрицы дают логический признак наличия непосредственной связи
j-ой переменной с одной или несколькими переменными, входящими в i-ое уравнение
баланса.
Так как параметры связи и
конструктивные параметры не могут изменяться произвольно, то необходимо
наложить на них ограничения. Система ограничений на параметры системы
балансовых уравнений представлена в графе 7 таблицы 2.2.7.
Таблица 2.2.7
Перечень
параметров математической модели
|
№
п.п.
|
Наименование
параметров
|
Единицы
измерения
|
Обознач-ение
|
Идентифи-катор*
|
Диапазон
измерения
|
Примечание
|
|
1
|
2
|
3
|
4
|
5
|
6
|
7
|
|
Связь 9 - выход из котла - вода
|
|
1
|
Расход
|
кг/с
|
G9
|
G9
|
30
|
Реглам.
|
|
2
|
Температура
|
°С
|
t9
|
t9
|
75…150
|
Управл.
|
|
3
|
Давление
|
кПа
|
р9
|
p9
|
590…784
|
Реглам.
|
|
4
|
Энтальпия
|
кДж/(кг×°С)
|
h9
|
h9
|
f(t9,p9)
|
Зависим.
|
|
Cвязь 11 - в подающую магистраль - вода
|
|
5
|
Расход
|
кг/с
|
G11
|
G11
|
-
|
Управл.
|
|
6
|
Температура
|
°С
|
t11
|
t11
|
50…130
|
Управл.
|
|
7
|
Давление
|
кПа
|
р11
|
р11
|
490…540
|
Реглам.
|
|
8
|
Энтальпия
|
кДж/(кг×°С)
|
h11
|
h11
|
f(t11,p11)
|
Зависим.
|
|
Связь 12 - от потребителя - вода
|
|
9
|
Расход
|
кг/с
|
G12
|
G12
|
-
|
Управл.
|
|
10
|
Температура
|
°С
|
t12
|
t12
|
Реглам.
|
|
11
|
Давление
|
кПа
|
p12
|
p12
|
200…300
|
Реглам.
|
|
12
|
Энтальпия
|
кДж/(кг×°С)
|
h12
|
h12
|
f(t12,p12)
|
Зависим.
|
|
Связь 13 - линия перепуска - вода
|
|
13
|
Расход
|
кг/с
|
G13
|
G13
|
-
|
Зависим.
|
|
14
|
Температура
|
°С
|
t13
|
|
40…80
|
Реглам.
|
|
15
|
Давление
|
кПа
|
p13
|
p13
|
880…1080
|
Реглам.
|
|
16
|
Энтальпия
|
кДж/(кг×°С)
|
h13
|
h13
|
f(t13,р13)
|
Зависим.
|
|
Связь 16 - к блоку L - вода
|
|
17
|
Расход
|
кг/с
|
G16
|
G16
|
-
|
Зависим.
|
|
18
|
Температура
|
°С
|
t16
|
|
75…150
|
Управл.
|
|
19
|
Давление
|
кПа
|
p16
|
p16
|
590…784
|
Реглам.
|
|
20
|
Энтальпия
|
кДж/(кг×°С)
|
h16
|
|
f(t16,р16)
|
Зависим.
|
|
Связь 17 - от блока L - вода
|
|
21
|
Расход
|
кг/с
|
G17
|
G17
|
-
|
Зависим.
|
|
22
|
Температура
|
°С
|
t17
|
t17
|
60…70
|
Реглам.
|
|
23
|
Давление
|
кПа
|
p17
|
p17
|
90…800
|
Реглам.
|
|
24
|
Энтальпия
|
кДж/(кг×°С)
|
h17
|
h17
|
f(t17,p17)
|
Зависим.
|
|
Связь 19 - линия рециркуляции -
вода
|
|
25
|
Расход
|
кг/с
|
G19
|
G19
|
-
|
Зависим.
|
|
26
|
Температура
|
°С
|
t19
|
|
75…150
|
Реглам.
|
|
27
|
Давление
|
кПа
|
p19
|
p19
|
590…1080
|
Реглам.
|
|
28
|
Энтальпия
|
кДж/(кг×°С)
|
h19
|
h19
|
f(t19,р19)
|
Зависим.
|
|
Связь 23 - на сетевые насосы -
вода
|
|
29
|
Расход
|
кг/с
|
G23
|
G23
|
16,3…1500
|
Управл.
|
|
30
|
Температура
|
°С
|
t23
|
|
20…80
|
Управл.
|
|
31
|
Давление
|
кПа
|
p23
|
p23
|
200…300
|
Реглам.
|
|
32
|
Энтальпия
|
кДж/(кг×°С)
|
h23
|
h23
|
f(t23,р23)
|
Зависим.
|
|
Связь 25 - перед линией
рециркуляции - вода
|
|
33
|
Расход
|
кг/с
|
G25
|
G25
|
16,3…1500
|
Зависим.
|
|
34
|
Температура
|
°С
|
t25
|
|
20-80
|
Зависим.
|
|
35
|
Давление
|
кПа
|
p25
|
p25
|
880…1080
|
Реглам.
|
|
36
|
Энтальпия
|
кДж/(кг×°С)
|
h
25
|
h
25
|
f(t25р25)
|
Зависим.
|
|
Связь 26 - вход в котёл - вода
|
|
37
|
Расход
|
кг/с
|
G26
|
G26
|
30
|
Зависим.
|
|
38
|
Температура
|
°С
|
t26
|
t26
|
60..130
|
Реглам.
|
|
39
|
Давление
|
кПа
|
p26
|
p26
|
880…1080
|
Реглам.
|
|
40
|
Энтальпия
|
кДж/(кг×°С)
|
h
26
|
h
26
|
f(t26р26)
|
Зависим.
|
|
Связь 27 - линия перепуска - вода
|
|
41
|
Расход
|
кг/с
|
G27
|
G27
|
-
|
Зависим.
|
|
42
|
Температура
|
°С
|
t27
|
t27
|
20-80
|
Зависим.
|
|
43
|
Давление
|
кПа
|
p27
|
p27
|
880…1080
|
Реглам.
|
|
44
|
Энтальпия
|
кДж/(кг×°С)
|
h
27
|
h
27
|
f(t27р27)
|
Зависим.
|
|
Связь 28 - от потребителя - вода
|
|
45
|
Расход
|
кг/с
|
G28
|
G28
|
-
|
Управл.
|
|
46
|
Температура
|
°С
|
t28
|
t28
|
20-80
|
Зависим.
|
|
47
|
Давление
|
кПа
|
p28
|
p28
|
200…300
|
Реглам.
|
|
48
|
Энтальпия
|
кДж/(кг×°С)
|
h
28
|
h
28
|
f(t28р28)
|
Зависим.
|
|
Связь 29 - в подающую магистраль -
вода
|
|
49
|
Расход
|
кг/с
|
G29
|
G29
|
-
|
Управл.
|
|
50
|
Температура
|
°С
|
t29
|
t29
|
50…130
|
Зависим.
|
|
51
|
Давление
|
кПа
|
p29
|
p29
|
490…540
|
Реглам.
|
|
52
|
Энтальпия
|
кДж/(кг×°С)
|
h
29
|
h
29
|
f(t29р29)
|
Зависим.
|
|
Связь 33 - к потребителю горячей
воды - вода
|
|
53
|
Расход
|
кг/с
|
G33
|
G33
|
16,3
|
Зависим.
|
|
54
|
Температура
|
°С
|
t33
|
t33
|
60
|
Зависим.
|
|
55
|
Давление
|
кПа
|
p33
|
p33
|
200…500
|
Реглам.
|
|
56
|
Энтальпия
|
кДж/(кг×°С)
|
h
33
|
h
33
|
f(t33,р33)
|
Зависим.
|
|
Связь 37 - холодная вода
|
|
57
|
Расход
|
кг/с
|
G37
|
G37
|
16,3…50
|
Зависим.
|
|
58
|
Температура
|
°С
|
t37
|
t37
|
10
|
Зависим.
|
|
59
|
Давление
|
кПа
|
p37
|
p37
|
200…500
|
|
60
|
Энтальпия
|
кДж/(кг×°С)
|
h
37
|
h
37
|
f(t37,р37)
|
Зависим.
|
|
Связь 49 -тепло, подаваемое
потребителям
|
|
61
|
Теплота
|
кДж/кг
|
Q49
|
Q49
|
0…34000
|
Зависим.
|
|
Связь 50 -тепло, подаваемое
потребителям
|
|
62
|
Теплота
|
кДж/кг
|
Q50
|
Q50
|
0…34000
|
Зависим.
|
|
Связь 101 - в блок V - вода
|
|
63
|
Расход
|
кг/с
|
G101
|
G101
|
-
|
Зависим.
|
|
64
|
Температура
|
°С
|
t101
|
|
100…150
|
Зависим.
|
|
65
|
Давление
|
кПа
|
p101
|
|
590…784
|
Реглам.
|
|
66
|
Энтальпия
|
кДж/(кг×°С)
|
h
101
|
h
101
|
f(t101,р101)
|
Зависим.
|
|
Связь 103 - в блок VII - вода
|
|
67
|
Расход
|
кг/с
|
G103
|
G103
|
-
|
Зависим.
|
|
68
|
Температура
|
°С
|
t103
|
|
100…150
|
Зависим.
|
|
69
|
Давление
|
кПа
|
p103
|
|
590…784
|
Реглам.
|
|
70
|
Энтальпия
|
кДж/(кг×°С)
|
h
103
|
h
103
|
f(t103,р103)
|
Зависим.
|
|
Связь 104 - в блок XVII - вода
|
|
71
|
Расход
|
кг/с
|
G104
|
G104
|
-
|
Зависим.
|
|
72
|
Температура
|
°С
|
t104
|
|
100…150
|
Зависим.
|
|
73
|
Давление
|
кПа
|
p104
|
|
590…784
|
Реглам.
|
|
74
|
Энтальпия
|
кДж/(кг×°С)
|
h
104
|
h
104
|
f(t104,р104)
|
Зависим.
|
|
Связь 78 - вода от подогревателей
химочищенной воды
|
|
75
|
Расход
|
кДж/кг
|
Q78
|
Q78
|
0…34000
|
Зависим.
|
|
|
|
|
|
|
|
|
|
|
|
|
|
|
|
|
|
|
|
Для решения системы балансовых уравнений,
рассмотрим сокращенную систему балансовых уравнений, состоящую из уравнений
материального и энергетического балансов:
;
;
;
;
; (2.2.23)
;
;
;
;
;
Исключим из системы уравнения материального
баланса, в которые входят два члена и из каждого уравнения исключим одну
переменную:
26
- G9 = 0, G26 = G9 G9.
Проанализировав граф (рис. 2.2.1), заменим
энтальпии в точках разделения, так как температуры входящих выходящих потоков
данных точек одинаковы.
h9 = h101 = h103 =
h16 = h104 = h19 h9;23
= h27 = h13 = h25 h23;
С учетом последних равенств система
примет вид:
1)
)
)
)
;
)
;
)
)
;
)
; (2.2.24)
)
;
)
)
;
)
)
;
)
)
;
)
)
Система включает в себя 17
уравнений. Рассмотрим переменные, входящие в систему уравнений:
Коэффициент потерь теплоносителя в
тепловой сети
,
(n1=2).
. Расход:
(n2=17).
. Энтальпия:
(n3=10).
. Энергия
(n=2).
Система содержит 31 переменных. Определим
степень свободы системы балансовых уравнений с помощью формулы [1]:
= Nп - Nу, (2.2.25)
где Nп - число всех переменных;у
- число уравнений, входящих в систему;
= 31 - 17 = 14.
Все переменные делятся на зависимые (состав и
количество параметров состояния системы) и независимые, определяющие состояние
системы.
Зададимся независимыми параметрами:
1. Коэффициент потерь
теплоносителя в тепловой сети
,
: область изменения: 0 <
< 0,1.
. Расходы:
a) расход воды через котёл G9
(исходя из технологических соображений, см. пункт 5.1);
b) расход воды горячее водоснабжение G33
(исходя из технологических соображений, см. пункт 1);) расход воды в подающие
магистрали тепловых сетей G29, G11 (так как применено
качественное регулирование тепловой нагрузки у потребителя см. пункт 1).
3. Энтальпии:
a) энтальпия сетевой воды на входе и выходе из
котельной h11, h12, h28, h29
(исходя из технологических соображений по температурному графику, см. пункт 1);
b) энтальпия
горячей воды на выходе из котельной h33 (исходя из технологических
соображений, см. пункт 1);) энтальпия холодной воды на входе в котельную h37
(исходя из технологических соображений, см. пункт 1);) энтальпия воды на
входе в котёл h26 (исходя из технологических соображений, см. пункт
5.1);) энтальпия воды из блока горячего водоснабжения и водоподготовки h17
(исходя из технологических соображений, см. c)).
Составим сокращенную матрицу функциональных
связей (табл.2.2.8). Обозначим каждую переменную через x.
Таблица 2.2.8. Упрощённая
матрица функциональных связей
|
№
уравнения
|
Нахождение
параметра связи
|
1
|
2
|
3
|
4
|
5
|
6
|
7
|
8
|
9
|
10
|
11
|
12
|
13
|
14
|
15
|
16
|
17
|
|
|
Обозначение
параметров связи
|
|
|
G28
|
Q50
|
Q49
|
G12
|
G13
|
G16
|
G17
|
G19
|
G23
|
G25
|
G27
|
G37
|
G101
|
G103
|
G104
|
h9
|
h23
|
|
1
|
h9
|
|
1
|
1
|
|
|
|
|
|
|
|
|
|
|
|
|
+
|
|
|
2
|
G101
|
|
|
1
|
|
1
|
|
|
|
|
|
|
|
+
|
|
|
|
|
|
3
|
G13
|
|
|
1
|
|
+
|
|
|
|
|
|
|
|
1
|
|
|
|
1
|
|
4
|
G103
|
|
|
|
|
|
1
|
|
|
|
|
|
|
1
|
+
|
|
|
|
|
5
|
G23
|
1
|
|
|
1
|
|
|
1
|
|
+
|
|
|
|
|
|
|
|
|
|
6
|
h23
|
1
|
|
|
1
|
|
|
1
|
|
1
|
|
|
|
|
|
|
|
+
|
|
7
|
G25
|
|
|
|
|
1
|
|
|
|
1
|
+
|
1
|
|
|
|
|
|
|
|
8
|
G19
|
|
|
|
|
|
|
|
+
|
|
1
|
|
|
|
|
|
|
|
|
9
|
G27
|
|
1
|
|
|
|
|
|
|
|
|
+
|
|
|
|
1
|
|
|
|
10
|
G104
|
|
1
|
|
|
|
|
|
|
|
|
1
|
|
|
|
+
|
1
|
1
|
|
11
|
Q50
|
1
|
+
|
|
|
|
|
|
|
|
|
|
|
|
|
|
|
|
|
12
|
G28
|
+
|
1
|
|
|
|
|
|
|
|
|
|
|
|
|
|
|
|
|
13
|
Q49
|
|
|
+
|
1
|
|
|
|
|
|
|
|
|
|
|
|
|
|
|
14
|
G12
|
|
|
1
|
+
|
|
|
|
|
|
|
|
|
|
|
|
|
|
|
15
|
G16
|
|
|
|
|
|
+
|
1
|
|
|
|
|
1
|
|
|
|
|
|
|
16
|
G17
|
|
|
|
|
|
1
|
+
|
|
|
|
|
1
|
|
|
|
1
|
|
|
17
|
G37
|
|
1
|
1
|
|
|
|
|
|
|
|
|
+
|
|
|
|
|
|
2.3 Разработка
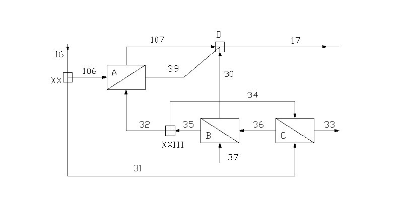
математической модели для блока L
Описание технологической схемы блока
L (рис. 2.1.1) произведем с помощью теории графа и также представим саму схему
в виде поточного направленного графа (рис. 2.3.1). Вершины представляют собой
функциональные элементы системы, а дуги - связи между элементами.
Кодирование графа произведем с
помощью матрицы соединения и матрицы типов связи.
Рисунок 2.3.1 - Поточный
направленный граф блока L
Таблица 2.3.1
Матрица соединений
|
A
|
B
|
C
|
D
|
XX
|
XXIII
|
Σ
|
|
16
|
0
|
0
|
0
|
0
|
1
|
0
|
1
|
|
17
|
0
|
0
|
0
|
-1
|
0
|
0
|
-1
|
|
30
|
0
|
-1
|
0
|
1
|
0
|
0
|
0
|
|
31
|
0
|
0
|
1
|
0
|
-1
|
0
|
0
|
|
32
|
1
|
0
|
0
|
0
|
-1
|
0
|
|
33
|
0
|
0
|
-1
|
0
|
0
|
0
|
-1
|
|
34
|
0
|
0
|
1
|
0
|
0
|
-1
|
0
|
|
35
|
0
|
-1
|
0
|
0
|
0
|
1
|
0
|
|
36
|
0
|
1
|
-1
|
0
|
0
|
0
|
0
|
|
37
|
0
|
1
|
0
|
0
|
0
|
0
|
1
|
|
39
|
-1
|
0
|
0
|
1
|
0
|
0
|
0
|
|
106
|
+1
|
0
|
0
|
0
|
-1
|
0
|
0
|
|
107
|
-1
|
0
|
0
|
-1
|
0
|
0
|
0
|
Таблица 2.3.2
Матрица типов связи
|
Вид
энер-гии / № связи
|
вода
|
энергия
|
параметры
связи
|
|
1
|
2
|
3
|
4
|
|
16
|
1
|
0
|
|
|
17
|
1
|
0
|
|
|
30
|
1
|
0
|
|
|
31
|
1
|
0
|
|
|
32
|
1
|
0
|
|
|
33
|
1
|
0
|
|
|
34
|
1
|
0
|
|
|
35
|
1
|
0
|
|
|
36
|
1
|
0
|
|
|
37
|
1
|
0
|
|
|
39
|
1
|
0
|
|
|
106
|
1
|
0
|
|
|
107
|
1
|
0
|
|
Таблица 2.3.3
Матрица смежности
|
A
|
B
|
C
|
D
|
XX
|
XXIII
|
|
A
|
0
|
0
|
0
|
1
|
0
|
0
|
|
B
|
0
|
0
|
1
|
1
|
0
|
1
|
|
C
|
0
|
1
|
0
|
0
|
0
|
0
|
|
D
|
0
|
0
|
0
|
0
|
0
|
0
|
|
XX
|
1
|
0
|
1
|
0
|
0
|
0
|
|
XXIII
|
1
|
0
|
1
|
0
|
0
|
0
|
Таблица 2.3.4
Матрица процессов
|
№
элемента
|
№
связи
|
|
A
|
+32
-39 +106 +107
|
|
B
|
-30
-35 +36 +37
|
|
C
|
+31
-33 +34 -36
|
|
D
|
-19
+103-104
|
|
XX
|
+16
+31 -106
|
|
XXIII
|
-32
-34 +35
|
Таблица 2.3.5
Матрица контуров
|
№
связи
|
№
контура
|
Частота
связи
|
|
1
|
|
|
1
|
2
|
8
|
|
16
|
|
0
|
|
17
|
|
0
|
|
30
|
|
0
|
|
31
|
|
0
|
|
32
|
|
0
|
|
33
|
|
0
|
|
34
|
1
|
1
|
|
35
|
1
|
1
|
|
36
|
1
|
1
|
|
37
|
|
0
|
|
39
|
|
0
|
|
106
|
|
0
|
|
107
|
|
0
|
Составляем систему балансовых уравнений для
каждого элемента (табл. 2.3.6). Система балансовых уравнений характеризуется
числом уравнений, входящих в нее и числом параметров связи, описывающих саму
схему.
Таблица 2.3.6
Система балансовых уравнений
|
Эле-мент
|
Фрагмент
|
Балансовые
уравнения
|
№
уравнения
|
|
1
|
2
|
3
|
4
|
A G107,h107,p107
G106,h106,p106 G39,h39,p39
G32,h32,p32 

;
|
.(2.4.1)
|
|
B G30,h30,p30
G35,h35,p35 G36,h36,p36
G37,h37,p37 

;
|
.(2.3.2)
|
|
XX G106,h106,p106
G31,h31,p31 G16,h16,p16
;
;
|
.
(2.3.3)
|
|
XXIII G34,h34,p34
G35,h35,p35 G32,h32,p32
;
;
|
.(2.3.4)
|
|
D G107,h107,p107
G39,h39,p39 G17,h17,p17
G30,h30,p30
;
;
;
;
;
;
;
;
(2.3.5)
C G31,h31,p31
G34,h34,p34 G36,h36,p36
G33,h33,p33 

;
|
.(2.3.7)
|
|
Система ограничений на параметры
системы балансовых уравнений представлена в таблице 2.3.7.
Таблица 2.3.7
Перечень
параметров математической модели
|
№
п.п.
|
Наименование
параметров
|
Единицы
измерения
|
Обознач-ение
|
Идентифи-катор*
|
Диапазон
измерения
|
Примечание
|
|
1
|
2
|
3
|
4
|
5
|
6
|
7
|
|
Связь 16 - от котлов к
подогревателям - вода
|
|
1
|
Расход
|
кг/с
|
G16
|
G16
|
-
|
Зависим.
|
|
2
|
Температура
|
°С
|
t16
|
|
75…150
|
Управл.
|
|
3
|
Давление
|
кПа
|
р16
|
|
590…784
|
Реглам.
|
|
4
|
Энтальпия
|
кДж/(кг×°С)
|
h16
|
|
f(t16,p16)
|
Зависим.
|
|
Cвязь 17 - к блоку X - вода
|
|
5
|
Расход
|
кг/с
|
G17
|
G17
|
-
|
Зависим.
|
|
6
|
Температура
|
°С
|
t17
|
t17
|
60…70
|
Управл.
|
|
7
|
Давление
|
кПа
|
р17
|
|
200…300
|
Реглам.
|
|
8
|
Энтальпия
|
кДж/(кг×°С)
|
h17
|
h17
|
f(t17,p17)
|
Зависим.
|
|
Связь 30 - от подогревателя B к
блоку D - вода
|
|
9
|
Расход
|
кг/с
|
G30
|
G30
|
-
|
|
10
|
Температура
|
°С
|
t30
|
|
40…80
|
Реглам.
|
|
11
|
Давление
|
кПа
|
p30
|
|
200…300
|
Реглам.
|
|
12
|
Энтальпия
|
кДж/(кг×°С)
|
h30
|
h30
|
f(t30,p30)
|
Зависим.
|
|
Связь 31 - от блока XX к
подогревателю C - вода
|
|
13
|
Расход
|
кг/с
|
G31
|
G31
|
-
|
Зависим.
|
|
14
|
Температура
|
°С
|
t31
|
|
75…150
|
Реглам.
|
|
15
|
Давление
|
кПа
|
p31
|
|
590…784
|
Реглам.
|
|
16
|
Энтальпия
|
кДж/(кг×°С)
|
h31
|
|
f(t31,р31)
|
Зависим.
|
|
Связь 32 - от блока XXIII к
подогревателю A - вода
|
|
17
|
Расход
|
кг/с
|
G32
|
G32
|
-
|
Зависим.
|
|
18
|
Температура
|
°С
|
t32
|
|
40…70
|
Реглам.
|
|
19
|
Давление
|
кПа
|
p32
|
|
300…500
|
Реглам.
|
|
20
|
Энтальпия
|
кДж/(кг×°С)
|
h32
|
|
f(t32,р32)
|
Зависим.
|
|
Связь 33 - к потребителю горячей
водоснабжения - вода
|
|
21
|
Расход
|
кг/с
|
G33
|
G33
|
0…16,3
|
Реглам.
|
|
22
|
Температура
|
°С
|
t33
|
t33
|
50…70
|
Реглам.
|
|
23
|
Давление
|
кПа
|
p33
|
p33
|
400…600
|
Реглам.
|
|
24
|
Энтальпия
|
кДж/(кг×°С)
|
h33
|
h33
|
f(t33,р33)
|
Зависим.
|
|
Связь 34 - от блока XXIII к
подогревателю С - вода
|
|
25
|
Расход
|
кг/с
|
G34
|
|
0…16,3
|
Реглам.
|
|
26
|
Температура
|
°С
|
t34
|
|
20…45
|
Реглам.
|
|
27
|
Давление
|
кПа
|
p34
|
|
400…700
|
Реглам.
|
|
28
|
Энтальпия
|
кДж/(кг×°С)
|
h34
|
|
f(t34,р34)
|
Зависим.
|
|
Связь 35 - от подогревателя B к
блоку XXIII - вода
|
|
29
|
Расход
|
кг/с
|
G35
|
G35
|
-
|
Зависим.
|
|
30
|
Температура
|
°С
|
t35
|
|
50…70
|
Реглам.
|
|
31
|
Давление
|
кПа
|
p35
|
|
400…700
|
Реглам.
|
|
32
|
Энтальпия
|
кДж/(кг×°С)
|
h35
|
h35
|
f(t35,р35)
|
Зависим.
|
|
Связь 36 - от подогревателя С к
подогревателю B - вода
|
|
33
|
Расход
|
кг/с
|
G36
|
|
-
|
Зависим.
|
|
34
|
Температура
|
°С
|
t36
|
|
50…110
|
Управл.
|
|
35
|
Давление
|
кПа
|
p36
|
|
350…600
|
Реглам.
|
|
36
|
Энтальпия
|
кДж/(кг×°С)
|
h36
|
|
f(t36,р36)
|
Зависим.
|
|
Связь 37 - холодная вода
|
|
37
|
Расход
|
кг/с
|
G37
|
G37
|
-
|
Зависим.
|
|
38
|
Температура
|
°С
|
t37
|
t37
|
10
|
Реглам.
|
|
39
|
Давление
|
кПа
|
p37
|
p37
|
90…800
|
Реглам.
|
|
40
|
Энтальпия
|
кДж/(кг×°С)
|
h37
|
h37
|
f(t37,p37)
|
Зависим.
|
|
Связь 39 - от подогревателя A к
блоку D - вода
|
|
41
|
Расход
|
кг/с
|
G39
|
|
-
|
Зависим.
|
|
42
|
Температура
|
°С
|
t39
|
|
40…80
|
Реглам.
|
|
43
|
Давление
|
кПа
|
p39
|
|
200…300
|
Реглам.
|
|
44
|
Энтальпия
|
кДж/(кг×°С)
|
h39
|
h39
|
f(t39,р39)
|
Зависим.
|
|
Связь 106 - от блока XX к
подогревателю A - вода
|
|
45
|
Расход
|
кг/с
|
G106
|
G106
|
-
|
Зависим.
|
|
46
|
Температура
|
°С
|
t106
|
|
75…150
|
Управл.
|
|
47
|
Давление
|
кПа
|
p106
|
|
590…784
|
Реглам.
|
|
48
|
Энтальпия
|
кДж/(кг×°С)
|
h106
|
|
f(t106,р106)
|
Зависим.
|
|
49Связь 107 - от подогревателя A к
блоку D - вода
|
|
49
|
Расход
|
кг/с
|
G107
|
|
-
|
Зависим.
|
|
50
|
Температура
|
°С
|
t107
|
|
40…80
|
Зависим.
|
|
51
|
Давление
|
кПа
|
p107
|
|
200…300
|
Реглам.
|
|
52
|
Энтальпия
|
кДж/(кг×°С)
|
h107
|
h107
|
f(t107р107)
|
Зависим.
|
|
|
|
|
|
|
|
|
|
|
|
|
|
Рассмотрим сокращенную систему балансовых
уравнений, состоящую из уравнений материального и энергетического балансов.
(2.3.8)
Из предыдущего расчёта (см. пункт
2.2) известно что
, а из графа
(рис. 2.3.) -
,
следовательно, заменим эти переменные на
.
В точке разделения XXIII температуры
потоков равны, следовательно
.
Так как рассматриваемые
теплообменники поверхностного типа то потоки теплоносителей на входе и выходе
равны т.е.
.
Поток
согласно пункту 2.2 это компенсация
потерь теплоносителя в тепловых сетях. Следовательно
.
С учетом последних равенств система
примет вид:
)
)
)
)
(2.3.9) 5)
)
)
Уравнение 5) сокращается из (2.3.9)
так как оно подобно 3). Таким образом система балансовых уравнений примет вид:
)
)
)
(2.3.10)
)
)
)
Система включает в себя 6 уравнений.
Рассмотрим переменные, входящие в систему уравнений:
. Коэффициент потерь
теплоносителя в тепловой сети
,
(n1=2);
. Расход:
(n2=8);
. Энтальпия:
(n3=9);
. Коэффициент потерь в
окружающую среду
(n4=3)
Система содержит 22 переменные. Определим
степень свободы системы балансовых уравнений с помощью формулы (2.2.25)
= 22 - 6 = 16.
Зададимся независимыми параметрами:
1. Коэффициент потерь
теплоносителя в тепловой сети
,
: область изменения: 0 <
< 0,1.
. Коэффициент потерь в
окружающую среду
: область
изменения: 0 <
< 1
. Расходы:
b) расход воды горячее водоснабжение G33
(исходя из технологических соображений, см. пункт 1);
c) расход
сетевой воды от котлоагрегатов G16 (из предыдущего расчёта см. пункт
2.2);) расход воды на компенсацию потерь в тепловой сети G17
(из предыдущего расчёта см. пункт 2.2);) расход воды в тепловую сеть G29,
G11 (из предыдущего расчёта см. пункт 2.2).
4. Энтальпии:
a) энтальпия сетевой воды от котлоагрегатов h9
(из предыдущего расчёта см. пункт 2.2);
b) энтальпия горячей воды на выходе из
котельной h33 (исходя из технологических соображений, см. пункт 1);) энтальпия
холодной воды на входе в котельную h37 (исходя из технологических
соображений, см. пункт 1);
d) энтальпия воды после подогревателя B h30
h39 (исходя из технологических соображений, принимаем при t30=t39=60
°C).
Введём дополнительное уравнение:
(2.3.11)
С учётом последних преобразований система примет
вид:
1)
)
)
)
(2.3.12)
)
)
)
Составим сокращенную матрицу
функциональных связей (табл.2.3.8).
Таблица 2.3.8
Упрощённая матрица функциональных связей
|
№
уравнения
|
Нахождение
параметра связи
|
x1
|
x2
|
x3
|
x4
|
x6
|
x7
|
порядок
расчёта
|
|
|
Обозначение
параметров связи
|
|
|
|
G30
|
G37
|
G106
|
h17
|
h35
|
h36
|
h107
|
|
|
1
|
h107
|
|
|
1
|
|
1
|
|
+
|
3
|
|
2
|
G30
|
+
|
1
|
|
|
1
|
1
|
|
4
|
|
3
|
G106
|
1
|
|
+
|
|
|
|
|
5
|
|
4
|
G37
|
|
+
|
|
|
|
|
|
1
|
|
5
|
h35
|
1
|
|
1
|
1
|
+
|
|
1
|
6
|
|
6
|
h36
|
1
|
|
|
|
1
|
+
|
|
7
|
|
7
|
h17
|
|
1
|
|
+
|
|
|
|
2
|
Проанализируем строки и перепишем систему
уравнений, характеризующих данную математическую модель, в следующем виде:
1)
)
)
)
(2.3.13)
)
)
)
Данную систему можно решить
математическими методами, составив для этого программу для ЭВМ (см. пункт 2.4).
2.4 Решение
математических моделей и составление программы для ЭВМ
Используя сокращенную матрицу функциональных
связей (табл.2.2.8), определяем строки с одной единицей. Из уравнения системы,
соответствующего данной строке, выразим неизвестные:
(2.4.1)
(2.4.2)
(2.4.3)
(2.4.4)
(2.4.5)
(2.4.6)
(2.4.7)
(2.4.8)
(2.4.9)
(2.4.10)
(2.4.11)
(2.4.12)
(2.4.13)
(2.4.14)
(2.4.15)
(2.4.16)
(2.4.17)
Таким образом, все неизвестные
системы (2.2.24) выражены.
Используя сокращенную матрицу
функциональных связей (табл.2.3.8), определяем строки с одной единицей. Из уравнения
системы (2.3.13) соответствующего данной строке, выразим неизвестные:
(2.4.18)
(2.4.19)
Без уравнений, из которых
неизвестные уже выражены, система (2.3.13) примет следующий вид:
1)
)
)
(2.4.20)
)
)
Полученную систему уравнений можно
решить с применением метода Зейделя [2], сущность которого такова: результаты
расчета каждого предшествующего уравнения используются при расчете последующих
уравнений системы непосредственно в текущей итерации, тем самым, ускоряя
процесс сходимости.
Для решения системы выразим
неизвестные величины:
(2.4.21)
(2.4.22)
(2.4.23)
(2.4.24)
(2.4.25)
Для быстрого и эффективного
итерационного расчета данной системы уравнений, необходимо привлечение
электронно-вычислительной техники.
Все вышеизложенные сведения были
использованы при составлении программы для ЭВМ, текст которой приведен в
приложении 1, а алгоритм в приложении 2.
Программа состоит из нескольких
основных разделов.
В разделе описания констант
содержатся значения температур, номинальных расходов, напоров и КПД, которые в
дальнейшем расчете остаются постоянными.
Функция vst возводит число x в
степень y, необходима для процедуры entalp_H2O.
Процедура entalp_H2O определяет
энтальпию воды по давлению и температуре, которая необходима в дальнейших
расчетах. При расчете процедура использует интерполяционные полиномы. Значения
коэффициентов интерполяционных полиномов содержится в разделе описания констант
процедуры entalp_H2O. Процедура основана на листинге программы
"WaterSteamPro" [3].
В головном разделе программы
определятся значения энтальпий потоков, температура которых известна. Для этого
используем процедуру entalp_H2O.
В следующем блоке головного раздела
рассчитываются неизвестные параметры математической модели, которые
определяются без каких-либо преобразований. Это следующие параметры: h9, G101,
G13, G103, G23, h23, G25, G19, G27, G104, G29, G28, G11, G12, G16, G17, G37,
h17.
Далее вводятся фиксированные
параметры, которые необходимы для решения системы, а следом за этим
рассчитываются остальные неизвестные параметры математической модели.
Результаты расчёта выводятся в файл
“result”.
С помощью программы определены все
параметры математической модели при различных режимах работы двигателя и
различных значениях фиксируемых параметрах, а результаты расчетов приведены в
приложении 3.
3
Анализ режимов работы районной котельной
По тепловым сетям подаётся теплота различным
тепловым потребителям. Несмотря на значительное разнообразие тепловой нагрузки,
ёе можно разбить на две группы по характеру протекания во времен: 1) сезонная
нагрузка; 2) круглогодичная нагрузка.
Изменения сезонной нагрузки зависят главным
образом от климатических условий: температуры наружного воздуха, направления и
скорости ветра, солнечного излечения, влажности воздуха и т.п. Основную роль
играет наружная температура. Сезонная нагрузка имеет сравнительно постоянный
суточный график и переменный годовой график нагрузки. К сезонной тепловой
нагрузке относятся отопление и вентиляция. Каждый из указанных видов не имеет
круглогодичного характера. Отопление и вентиляция являются зимними тепловыми
нагрузками.
К круглогодичной относятся технологическая и
горячее водоснабжение. Они, в отличие от сезонной нагрузки весьма слабо
зависимы от наружной температуры. Нагрузка на горячее водоснабжение имеет
переменный суточный график. Годовой график также в определённой мере зависит от
времени года.
Рисунок 3.1 - График зависимости
энтальпии воды на выходе из котла от температуры наружного воздуха
Из результаты расчётов программы
(Приложение 3) видно что температура воды на выходе из котла и расход топлива
зависят от температуры наружного воздуха. Эти зависимости представлениы на
рисунках 3.1 и 3.2.
Рисунок 3.2 - График зависимости
расхода топлива от температуры наружного воздуха
Для поддержания требуемых параметров
теплоносителя у потребителей необходимо придерживаться режимной карты, которая
представлена на рис. 3.2. Так как человек не способен вовремя отреагировать на
изменение температуры наружного воздуха и других параметров, определяющих
качество теплоснабжения на котельной необходимо ввести автоматическую систему
управления.
Внедрение данной системы позволит
снизить расход топлива и повысить качество теплоснабжения потребителей.
4.
Разработка проектного решения по модернизации водогрейного котла ТВГ-4р
Для обеспечения контроля за параметрами
теплоносителя на выходе из котельной, оптимальной загрузки котлоагрегатов и
возможности работы котельной в автономном режиме произведём следующие
измененения.
Вместо газовых щелевых подовых горелок
устанавливаются микродиффузионные газовые горелки типа МДГГ-150 производства
ЗАО "ПромГазАппарат" г Киев, теплопроизводительностью 1,5 МВт.
На газопроводах к котлоагрегатам заменяется
существующее газооборудование и арматура на оборудование и арматуру позволяющую
котлам работать в системе автоматизированного управления.
На основном газопроводе к котлам устанавливается
следующая арматура:
вместо запорно-предохранительного клапана
ПКН-100 (Ду =100, Ру = 10) и дроссельной заслонки ЗД - 80
(Ду = 80) устанавливается блок электромагнитных клапанов С4Н-4 - 06
производства СП "ТермоБрест" в составе: фильтр газовый ФН4-1 (Ду
= 100), для очистки газа от механических частиц и повышения надежности и
долговечности работы оборудования; клапана электромагнитного ВН4Н-0,5 (Ду
= 100), клапана электромагнитного с электромеханическим регулятором расхода
ВН4М-0,5 (Ду = 100), клапана газового электромагнитного ВФ3/4Н-4 (Ду
= 20).
На продувочных газопроводах вместо сальниковых
муфтовых кранов типа 11ч6бк (Ду =15, Ру = 10)
устанавливаются электромагнитные клапана типа ВФ3/4Н-4 (Ду = 20)
производства СП "ТермоБрест".
На линии подачи газа к запальным горелкам
устанавливаются электромагнитные клапана типа ВН1/2Н-4 (Ду = 15) производства
СП "ТермоБрест".
Технические характеристики устанавливаемого
оборудования приведены в таблицах 4.1-4.5.
Таблица 4.1
Технические характеристики горелки
типа МДГГ
|
1
|
Номинальная
тепловая мощность, МВт
|
1,5
|
|
2
|
Предельное
отклонение, %
|
-5
...+10
|
|
3
|
Коэффициент
рабочего регулирования
|
5
|
|
4
|
Давление
газа в коробе горелки, мм вод.ст.
|
120
|
|
5
|
Номинальный
расход газа, нм3/ч
|
100
|
|
6
|
Коэффициент
избытка воздуха, µ
|
1,04
|
|
7
|
Аэродинамическое
сопротивление воздуха, мм вод.ст.
|
50
|
Таблица 4.2
Технические характеристики фильтра
газового серии ФН
|
1
|
Условный
проход, мм
|
100
|
|
2
|
Давление
рабочее, МПа
|
не
более 0,1
|
|
3
|
рабочая
площадь фильтрующего элемента, м2
|
не
более 0,06
|
|
4
|
Габаритные
размеры длина высота ширина
|
не
более 280 240 170
|
|
5
|
Масса,
кг
|
не
более 6,5
|
Таблица 4.3
Технические характеристики клапана
электромагнитного фланцевого ВН4Н-0,5
|
1
|
2
|
3
|
|
1
|
Условный
проход, мм
|
100
|
|
2
|
Диапазон
давлений, бар
|
0...0,5
|
|
3
|
Время
открытия/закрытия, сек
|
не
более 1
|
|
4
|
Частота
включений, 1/час
|
500
|
Продолжение таблицы 4.3
|
1
|
2
|
3
|
|
5
|
Ресурс
включений
|
500000
|
|
6
|
Напряжение
питания, В
|
220,
50 Hz
|
|
7
|
Номинальная
мощность, Вт
|
75
|
|
8
|
Класс
изоляции
|
F
|
|
9
|
Степень
защиты
|
IP65
|
|
10
|
Температура
окружающей среды, ºС
|
-30...+40
|
|
11
|
Масса,
кг
|
11,5
|
|
12
|
Габаритные
размеры длина высота ширина
|
не
более 290 320 175
|
|
13
|
Положение
на трубопроводе
|
горизонтальное
± 15º
|
Таблица 4.4
Технические характеристики клапана
электромагнитного фланцевого с электромеханическим регулятором расхода ВН4М-0,5
|
1
|
Условный
проход, мм
|
100
|
|
2
|
Диапазон
давлений, бар
|
0...0,5
|
|
3
|
Время
открытия/закрытия, сек
|
не
более 1
|
|
4
|
Частота
включений, 1/час
|
300
|
|
5
|
Ресурс
включений
|
500000
|
|
6
|
Угол
поворота регулятора
|
90º
|
|
7
|
Время
полного хода регулятора, сек
|
25
|
|
8
|
Напряжение
питания, В
|
220,
50 Hz
|
|
9
|
Номинальная
мощность, Вт электромагнита привода
|
65
70
|
|
10
|
Класс
изоляции
|
F
|
|
11
|
Степень
защиты
|
IP65
|
|
12
|
Температура
окружающей среды, ºС
|
+5...+40
|
|
13
|
Масса,
кг
|
17,5
|
Таблица 4.5
Технические характеристики клапанов
газовых электромагнитного типа ВФ3/4Н-4 и ВН3/4Н-4
|
1
|
Условный
проход, мм
|
20
|
|
2
|
Диапазон
давлений, бар
|
0...4
|
|
3
|
Время
открытия/закрытия, сек
|
не
более 1
|
|
4
|
Частота
включений, 1/час
|
1000
|
|
5
|
Ресурс
включений
|
1000000
|
|
6
|
Напряжение
питания, В
|
220,
50 Hz
|
|
7
|
Номинальная
мощность, Вт
|
25
|
|
8
|
Класс
изоляции
|
F
|
|
9
|
Степень
защиты
|
IP65
|
|
10
|
Температура
окружающей среды, ºС
|
-30...+40
|
|
11
|
Масса,
кг
|
1,7
|
Для возможности контроля за дымовыми газами и
воздухом подаваемым на горелки на электродвигателях дымососа и вентилятора
устанавливаются частотные привода. При этом необходимо заменить
электродвигатели на приводе вентилятора и дымососа на 4А-160S-6-У3, N = 11 кВт.
Также предусматривается замена двух сетевых насосов.
К установке принимаются два циркуляционных насоса типа NP 50/250V-30/2 (Wilo,
Германия), которые будут работать в составе автоматизированной системы
управления. Производительность насосов будет регулироваться с помощью
частотного привода установленного на одном из насосов, с возможностью ручного
переключения на другой. Для повышения надежности работы системы теплоснабжения,
на напорных трубопроводах насосов устанавливаются краны шаровые с
электроприводом (Naval, Финляндия) для автоматического осуществления пуска
насоса при неработающем частотном преобразователе. Остальные существующие
насосы остаются в ручном управлении и в состав автоматизированной системы
управления не входят.
Для поддержания постоянного расхода воды через
котлы (или температуры воды на входе в котлы) устанавливаются два
циркуляционных насоса типа NP 40/200V-5,5/2а. Производительность насоса также
будет регулироваться с помощью частотного преобразователя. При выходе инвертора
из строя производительность насосов будет регулироваться затвором дисковым
поворотным с электроприводом типа МЭОФ-40/25-0,25 (ЗАО "Арматэк",
Россия).
На линии перепуска устанавливается клапан
седельный регулирующий типа КС-80/100 (СП "Термо-К").
Для поддержания постоянного давления в
трубопроводе обратной сетевой воды после подпиточных насосов устанавливается
затвор дисковый поворотный с электроприводом типа МЭОФ-40/25-0,25 (ЗАО
"Арматэк", Россия).
Для регулирования уровня в баке подпиточной воды
на трубопроводе холодной воды после ХВО устанавливается кран шаровой с
электроприводом (Naval, Финляндия).
Для коммерческого учета теплоты, на
магистральных трубопроводах сетевой воды от котельной предусмотрена установка
приборов учета теплоты - ультрозвуковых теплосчетчиков SKU фирмы
"Катрабел" (Беларусь). На трубопроводе подачи холодной воды в
котельную устанавливается расходомер РСМ5 фирмы "Арвас" (Беларусь).
Теплоснабжения потребителей от котельной
осуществляется по двум магистралям Ду 250 и Ду 80. К
магистрали Ду 80 подключений только потребители системы отопления по
безэлеваторной схеме с температурным графиком 95/70. Для снижения давления в
этой ветке и уменьшения температуры прямой сетевой воды до требуемой по
температурному графику устанавливаются клапаны седельные регулирующие КС-50/40
(СП "Термо-К").
5.
ПОВЕРОЧНЫЙ ТЕПЛОВОЙ РАСЧЁТ КОТЛОАГРЕГАТА ТВГ-4р
5.1 Краткое описание
котлоагрегата ТВГ-4р
Теплофикационный водогрейный котёл ТВГ-4р
предназначен для непосредственного нагрева сетевой воды, прямоточный с
радиационной и конвективной экранными поверхностями. Особенностью конструкции
радиационной части является наличие кроме двух боковых, трёх двухсветных
экранов, каждый из которых расположен между двумя горелками.
Котёл предназначен для работы на природном газе
и оборудован согласно пункта 4. четырьмя микродиффузионные газовые горелки типа
МДГГ-150.
Расход воды через котёл - 53 м3/ч.
Минимальное допустимое давление воды на выходе из котла - 0,784 МПа (из условия
невскипаемости). Максимальное давление воды на выходе из котла из условий
прочности -1,372 МПа.
Температура воды на входе в котёл - не менее 60 ºС.
Давление газа перед горелками 0,017 МПа.
5.2 Поверочный
тепловой расчёт
Поверочный расчёт котельных агрегатов,
выпускаемых промышленностью, производится при проектировании или реконструкции
источника теплоснабжения.
Методика расчёта приведена из [7] в соответствии
с действующими нормативными методами.
Расчёт объёмов воздуха и продуктов сгорания
Состав газа (Уренгойское месторождение):
СН4 - 92,5%;
С2Н6 - 2,0%;
С3Н8 - 0,66%;
С4Н10 - 0,5%;
С5Н12 - 0,15%;
СО2 - 0,33%;2 - 1,2%;
Н2О - 2,5%.
Теплота сгорания: Qнр=33,66
МДж/м3.
Плотность газа: r=0,76 кг/м3.
Теоретический объём воздуха при сжигании газа,
необходимого для полного сгорания (3.4[8]) (м3воздуха/м3газа):
(5.2.1)
Теоретический объём азота в
продуктах сгорания (3.6[8]):
(5.2.2)
Теоретический объём трёхатомных
газов (3.8[8]):
(5.2.3.)
Теоретический объём водяных паров (3.10[8]):
(5.2.4)
Остальной расчёт производится для
каждой поверхности нагрева отдельно. Результаты расчёта сведём в таблицу 5.2.1.
Таблица 5.2.1
Объем продуктов сгорания, объёмные
доли трёхатомных газов
|
Рассчётная
величина
|
Формула.Источник
|
Размерность
|
Значение
|
|
|
|
Газоход
|
|
|
|
Топка
|
конв.пов.
|
|
Коэфф.
Избытка возд. после пов.нагрева
|
Берём
из табл.9-22[7]
|
|
1,1
|
1,15
|
|
Средний
коэфф. Избытка возд. В газоходе
|
аср=(а'+а'')/2
(3.11)[7]
|
|
1,1
|
1,125
|
|
Избыточное
кол-во возд.
|
Vизб=(аср-1)*Vо
(3.12)[7]
|
м3/м3
|
0,944
|
|
Действительный
объём водяных паров
|
VН2О=V'Н2О+0,0161*
*(аср-1)*Vо, (3.13)[7]
|
м3/м3
|
2,135
|
2,140
|
|
Действительный
суммарный объём газов
|
Vг=VRО2+V'N2+
+(аср-1)*Vо+VН2О+ 0,0161*(аср-1)*Vо, (3.14)[7]
|
м3/м3
|
11,529
|
11,77
|
|
Объём
3-х атомн. газов
|
rRO2=VRO2/Vг
(3.15)[7]
|
|
0,185
|
0,182
|
|
Объём
водяных паров
|
rН2O=VН2O/Vг
(3.16)[7]
|
|
0,086
|
0,084
|
|
Сумм.
Объёмная доля
|
rП=rН2O+rRO2
(3.17)[7]
|
|
0,271
|
0,266
|
5.2.1 Расчёт энтальпий воздуха и
продуктов сгорания
Энтальпия теоретического объёма воздуха для
всего выбранного объёма температур (кДж/м3) (3.19[4]):
, (5.2.1.1)
где (сq)в - энтальпия 1 м3,
принимается для каждой выбранной температуры по таблице 3.4[4], например для
100°С - 133 (кДж/м3).
.
Энтальпия теоретического объёма
продуктов сгорания (кДж/м3) (3.20[4]):
, (5.2.1.2)
где(сq)RO2,(cq)N2,(сq)Н2О - энтальпии 1 м3
трёхатомных газов, теоретического объёма азота, теоретического объёма водяных
паров, принимается для каждой выбранной температуры по таблице 3.4[4], например
для 100°С (сq)RO2
= 170 (кДж/м3), (сq)N2
=.130 (кДж/м3),
(сq)H2O = 151 (кДж/м3).
Энтальпия избыточного количества
воздуха (кДж/м3) (3.21[4]):
(5.2.1.3)
Для температуры 100°С и коэффициента избытка
воздуха a=1,15
энтальпия избыточного количества воздуха составит:
Энтальпия продуктов сгорания при
температуре 100°С и коэффициенте избытка воздуха a=1,15 (кДж/м3) (3.21[4]):
(5.2.1.4)
Энтальпия продуктов сгорания составит:
Результаты расчетов энтальпии
продуктов сгорания по каждому газоходу (в зависимости от коэффициента избытка
воздуха a)
котлоагрегата ТВГ-4р сведём в таблицу 5.2.1.2.
Таблица 5.2.1.1
Энтальпия продуктов сгорания
|
Поверность
нагрева
|
Темпер.
После пов-ти, °С
|
I°в,
кДж/м.куб
|
I°г,
кДж/м.куб
|
Iв.изб,
кДж/м.куб
|
I,
кДж/м.куб
|
|
Верх
топочной камеры
|
2000
|
29019
|
35340
|
2902
|
38242
|
|
1900
|
27433
|
33377
|
2743
|
36120
|
|
1800
|
25847
|
31397
|
2585
|
33982
|
|
1700
|
24299
|
29448
|
2430
|
31878
|
|
1600
|
22760
|
27515
|
2276
|
29791
|
|
1500
|
21212
|
25588
|
2121
|
27709
|
|
1400
|
19664
|
23698
|
1966
|
25664
|
|
1300
|
18115
|
21788
|
1812
|
23600
|
|
1200
|
16614
|
19921
|
1661
|
21582
|
|
1100
|
15104
|
18099
|
1510
|
19610
|
|
1000
|
13594
|
16284
|
1359
|
17643
|
|
900
|
12130
|
14482
|
1213
|
15695
|
|
800
|
10705
|
12709
|
1070
|
13779
|
|
конвективный
пучок
|
1000
|
13594
|
16284
|
2039
|
18323
|
|
900
|
12130
|
14482
|
1820
|
16301
|
|
800
|
10705
|
12709
|
1606
|
14315
|
|
700
|
9270
|
10971
|
1391
|
12362
|
|
600
|
7854
|
9283
|
1178
|
10461
|
|
500
|
6476
|
7647
|
971
|
8618
|
|
400
|
5126
|
6037
|
769
|
6805
|
|
300
|
3814
|
4471
|
572
|
6043
|
|
200
|
2520
|
2949
|
378
|
3327
|
|
100
|
1256
|
1458
|
188
|
1647
|
На основании данной таблицы построим
TS-диаграмму для продуктов сгорания (см. рисунок 5.2.1.1).
Рисунок 5.2.1.1 - TS-диаграмма для
продуктов сгорания
5.2.2 Расчёт
коэффициента полезного действия и расхода топлива
Расчёт КПД, расхода топлива и других
показателей сведём в таблицу 5.2.2.1.
Таблица 5.2.2.1
Расчёт КПД, расхода топлива
|
Название
физической величины
|
Обозначение
|
Единицы
измерения
|
Формула
или источник информации
|
Расчет
|
|
1
|
2
|
3
|
4
|
5
|
6
|
|
1
|
Располагаемая
теплота
|
  
|
|
|
|
|
низшая
теплота сгорания
|
 Из таблиц 2.9 [8]35510
|
|
|
|
|
физическое
тепло воздуха
|
  (4.5[7])413
|
|
|
|
физическое
тепло топлива 

(4.18
[7])
|
; 16,3
|
|
|
|
|
|
2
|
Потери
с уходящими газами
|
%
|
|
|
|
|
энтальпия
уходящих газов
|
 По Таблица 5.2.2.1
|
|
|
|
|
3
|
Потери
тепла от химической неполноты сгорания
|
%По таблице 4.4 [4]0,5
|
|
|
|
4 Потери
через заграждающие устройства
%
|

|
|
|
|
|
|
номинальные
потери через заграждающие устройства
|
%По таблице 4.5 [4]
|
|
|
|
|
5
|
КПД
котла
|
%
|
|
|
|
|
6
|
Теплопроизводительность
котла
|
  
|
|
|
|
|
расход
воды через котёл
|
G
|
Из таблицы 5.1.114,4
|
|
|
|
энтальпия горячей воды
|
 Из
результатов расчёта пункта 2.4 (приложение 3)
|
|
|
|
|
энтальпия холодной воды
|
 Из
результатов расчёта пункта 2.4 (приложение3)
|
|
|
|
|
7
|
Действительный
расход топлива
|
B
|
 
|
|
|
|
8
|
Коэффициент
сохранения теплоты
|
 
|
|
|
|
5.2.3 Расчёт топочной камеры
Расчёт топочной камеры сводим в таблицу 5.2.3.1
Таблица 5.2.3.1
Расчёт топочной камеры
|
Название
физической величины
|
Обозначение
|
Единицы
измерения
|
Формула
или источник информации
|
Расчет
|
|
1
|
2
|
3
|
4
|
5
|
6
|
|
1
|
Объем
топочной камеры
|
 Из таблицы 5.1.1
|
|
|
|
|
2
|
Поверхность
стен топочной камеры
|
 По чертежу
|
|
|
|
|
3
|
Температура
продуктов сгорания на выходе из топки
|
 Задаемся.
|
|
|
|
|
4
|
Полезное
тепловыделение в топочной камере
|
  
|
|
|
|
|
5
|
Энтальпия
продуктов сгорания на выходе из топки
|
 Из таблицы 5.2.1.2
|
|
|
|
|
6
|
Адиабатная
температура горения
|
 Из таблицы 5.2.1.2 по значению , равному
энтальпии продуктов сгорания
|
|
|
|
|
7
|
Коэффициент
тепловой эффективности
|
 
|
|
|
|
|
коэффициент,
учитывающий снижение тепловосприятия вследствие загрязнения
|
По таблице
5.1.[4]
|
|
|
|
|
угловой
коэффициент
|
из рисунка
5.3.[4]
|
|
|
|
|
8
|
Средний
коэффициент тепловой эффективности
|
 
|
|
|
|
|
площадь
лучевоспринимающей поверхности нагрева
|
 Из таблицы 5.1.1
|
|
|
|
|
9
|
Эффективная
толщина излучающего слоя
|
  
|
|
|
|
|
|
|
|
|
|
|
|
|
|
10 Коэффициент
ослабления лучей 
|

|
|
|
|
|
|
коэффициент
ослабления лучей трехатомными газами
|
  
|
|
|
|
|
объемная
доля водяных паров
|
|
из таблицы 5.2.1.1
|
|
|
|
парциальное
давление трехатомных газов
|
MПа
|

|
|
|
|
давление
в топочной камере котлоагрегата
|
МПа
|
Для агрегатов, работающих без наддува, принимаем
|
|
|
|
10
|
объемная
доля трехатомных газов
|
|
из таблицы 5.2.1.1
|
|
|
|
коэффициент
ослабления лучей сажистыми частицами
|
  (5.13.[4])
|
|
|
|
|
отношение
содержания углерода и водорода в рабочей массе
|
Из 5.14.[4]3
|
|
|
|
|
11
|
Степень
черноты факела
|
 
|
|
|
|
|
коэффициент,
характеризующий доля топочного объёма, заполненного светящейся частью факела
|
По таблице
5.2.[4]
|
|
|
|
|
степень
черноты светящейся части факела
|
 
|
|
|
|
|
степень
черноты несветящихся трёхатомных газов
|
 
|
|
|
|
|
12
|
Степень
черноты топки
|
 
|
|
|
|
|
13
|
Параметр
М
|
 
|
|
|
|
|
относительное
положения максимума температуры пламени по высоте топки
|
 
|
|
|
|
|
расстояние
от пода до оси горелки
|
миз
чертежей1545
|
|
|
|
|
расстояние
от оси горелки до оси выходного окна топки
|
миз
чертежей1931
|
|
|
|
|
14
|
Средняя
суммарная теплоемкость продуктов сгорания
|
  
|
|
|
|
|
15
|
Действительная
температура продуктов сгорания на выходе из топки
|
  
|
|
|
|
|
|
|
|
|
|
|
|
5.2.3 Расчёт
первой конвективной поверхности
Результаты расчёта представлены в
таблице 5.2.4.1
Таблица 5.2.4.1
Расчёт конвективного пучка
|
Название
физической величины
|
Обозначение
|
Единицы
измерения
|
Формула
или источник информации
|
Расчет
|
|
1
|
2
|
3
|
4
|
5
|
6
|
|
1
|
Площадь
поверхности нагрева пучка
|
 Из таблицы 5.1.1
|
|
|
|
|
2
|
Поперечный
шаг труб
|
 По чертежу
|
|
|
|
|
продольный
шаг труб
|
 По чертежу
|
|
|
|
|
3
|
Площадь
живого сечения для прохода газов и воздуха в газоходах
|
|
|
|
|
размеры
газохода
|
 по чертежу
|
|
|
|
|
|
число
труб в ряду
|
по чертежу
|
|
|
|
|
4
|
Энтальпия
продуктов сгорания при входе в газоход
|
 Равна энтальпии продуктов сгорания
на выходе из топки 
|
|
|
|
|
5
|
Энтальпия
продуктов сгорания на выходе из газохода
|
 Определяется по предварительно
заданным температурам (200 и 300) из таблицы 5.2.1.2
|
|
|
|
|
|
|
|
|
|
|
6
|
Тепло,
отданное продуктами сгорания
|
  
|
|
|
|
|
|
|
|
|
|
|
коэффициент
сохранения тепла
|
из таблицы
5.2.2.1
|
|
|
|
|
Энтальпия
холодного воздуха
|
  
|
|
|
|
|
присос
воздуха
|
из таблицы
5.2.1.1
|
|
|
|
|
7
|
Средняя
температура продуктов сгорания
|
  
|
|
|
|
|
|
|
|
|
|
|
температура
на входе в конвективный пучок
|
 Из
таблицы 5.2.3.1816
|
|
|
|
|
|
|
|
|
|
|
|
|
температура на выходе из
конвективный пучок 
задаёмся200
8 Скорость дымовых
газов 


9 Коэффициент
теплоотдачи конвекцией 


|
|
|
|
|
|
|
поправка
на число рядов труб по ходу газов
|
по рис. 6.2[6]0,85
|
|
|
|
|
поправка
на геометрическую компоновку пучка
|
по рис. 6.2[6]0,8
|
|
|
|
|
поправка
на температуру
|
по рис. 6.2[6]
|
|
|
|
|
коэффициент
теплоотдачи
|
 по
номограмме.6.2[6]
|
|
|
|
10 Суммарная оптическая
толщина газового потока 

коэффициент ослабления лучей
трехатомными газами
по номограмме 5.4.[4]55
|
44
|
|
|
|
|
|
толщина
излучающего слоя
|
  
|
|
|
|
11 Степень черноты
продуктов сгорания
по номограмме.6.2[4]
12 Коэффициент
теплоотдачи излучением 


коэффициент теплоотдачи 
по
номограмме 6.4.[4]
|
|
|
|
|
|
|
13
|
Температура
загрязненной стенки
|
  
|
|
|
|
|
средняя
температура окружающей среды
|
 для
водогрейных котлов принимается равной полусумме температур на входе в
поверхность и на выходе из неё
|
|
|
|
|
|
 при
сжигании газа принимается равной 25 °С
|
|
|
|
14 Коэффициент
теплоотдачи от газов к стенке 


|
|
|
|
|
|
|
коэффициент
использования
|
таблица 6.2.[5]
|
|
|
|
15 Коэффициент
теплопередачи 


|
|
|
|
|
|
|
коэффициент
тепловой эффективности
|
таблица 6.1.[4]
|
|
|
|
16 Температурный напор 


17 Количество теплоты,
воспринятое поверхностью нагрева 


|
|
|
|
|
|
|
18
|
Уточненное
значение температуры на выходе из КП
|
 Определяется
по рис. 5.2.4.1
|
|
|
|
Рисунок 5.2.4.1 - Температура
уходящих газов из конвективного пучка
6. Гидравлический
расчёт газопровода котельной
При движении горючего газа в
газопроводе наблюдается снижение его давления вследствие потерь на трение и
наличия местных сопротивлений, обуславливающих местное перераспределение
давления и, как следствие, его понижение. В газопроводе низкого давления это
снижение невелико, причем изменение давления не оказывает заметного влияния на
плотность газа, которую при расчетах полагаем постоянной. Расчетная схема
приведена на рис. 6.1.
Рисунок
6.1 - Расчетная схема газопровода
На рисунке 6.1 видно, что
расход газа
убывает в
направлении от первого участка к последнему. Соответственно диаметр участка
должен или уменьшаться (при сохранении задаваемой скорости газа порядка 15
), или
оставаться неизменным. Во втором случае будет снижаться скорость движения газа
по направлению к последнему расчётному участку.
Расчёт участков газопровода
(межцеховой газопровод) после ГРП сводится к подбору их диаметров, чтобы при
этом наиболее полно выполнялись следующие условия:
. Значения
участков
после РД не должно превышать
;
. Общий перепад давления
должен
равномерно распределяться между отдельными участками межцехового газопровода;
3. Диаметры смежных участков нужно уменьшать в
направлении от РД (без значительных скачков).
Произведём расчёт газопровода с учётом выбранной
запорно-регулирующей арматуры (см. 4).
Расход газа за РД составляет 1080
и давление
перед последней горелкой составляет 0,025 МПа.
Расход на участках составляет :
, м3/час;
(6.1)
, м3/час;
(6.2)
, м3/час;
(6.3)
, м3/час; (6.4)
,м3/час. (6.5)
Задаваясь скоростью газа w = 15 м/с. находим диаметры
газопроводов по формуле:
, м.
(6.6)
Участок 1:
, м;
Участок 2:
, м.
По технологическим соображениям
принимаем
, м.
Найдём скорость газа на участке 4 по
формуле (7.6):
.
(6.7)
Участок 5:
, м.
Принимаем стандартные диаметры
трубопроводов
Суммарную потерю давления
на i
участке можно найти как сумму потерь на трение
и местных потерь
, т.е.
(6.8)
С другой стороны (согласно [6666])
(6.9)
где li - длинна
рассматриваемого участка, м;
- приведенная длинна участка, м;
(6.10)э - условное длинна прямолинейной трубы, м;
- сумма коэффициентов местных
потерь;
- перепад давлений на 1 м длинны
рассчитываемого участка газопровода для определённого вида газа и характера
движения зависит от расхода V и диаметра участка, Па/м.
С помощью таблицы 6.2 [9] значений
по расходу
и диаметру, для каждого участка определяем значение h и lэ,
;
;
;
;
.
Определим коэффициенты местных
потерь, для каждого участка используя таблицу 1.8 [10].
Местные потери участка 1
представлены:
- четырьмя поворотами на 90 град.(
),
- одним ответвлением(x=1,2),
- одним конфузором (x=0,5).
.
Участок 2:
- пять поворотов на 90 град (
),
- задвижка клиновая (
),
- измерительная диафрагма (
),
- блок электромагнитных клапанов (
).
.
Участки 3:
- одно ответвление (
).
.
Участки 4:
- одно ответвление (
).
.
Участок 5:
- два поворота на 90 град (
),
- кран шаровой (
),
- однин конфузор (x=0,5).
.
Длинны участков:
Рассчитаем суммарную потерю давления
на участках
Суммарные
потери составят:
(6.11)
Па.
, Па
.
.
Потери давления по длине
рассчитываемого газопровода не превышают
.
7. Разработка АСУ
котельной
В результате внедрения автоматизированной
системы управления тепловыми сетями должны решаться следующие цели:
- непрерывный контроль функционирования основного
оборудования котельной и тепловых сетей (подсистема управления котлоагрегатом
являться элементом системы управления и мониторинга котельной и всей системы
теплоснабжения в целом);
- дистанционное управление элементами
сети с целью локализации аварийных ситуаций или в других обоснованных случаях;
- дистанционное централизованное
изменение режимов функционирования всех элементов тепловых сетей;
- децентрализованное прямое цифровое
управление основными элементами котельной с целью оптимального производства,
транспортировки и распределения тепловой энергии, а также организации
объективного первичного технического и коммерческого учета энергии и
теплоносителя.
Учитывая масштабы и топологию объекта управления
(тепловые сети), а также сложившуюся организационную структуру предприятия
система управления создается по двухзвенной схеме: теплоисточник - ЦТП (ИТП).
Разрабатываемая система компонуется на базе промышленных компьютеров, которые
соответствуют международному стандарту качества ISO 9001 Использование этих
средств позволяет реализовывать управляющие алгоритмы любой степени сложности,
решать задачи прогнозирования и прямого цифрового управления энергонасыщенными
объектами (регуляторы, технологические блокировки, программно-логическое
управление, сигнализация, протоколирование всех событий на объекте и пр).
Подсистемы управления рассчитаны на
автоматическую работу по уставкам, полученным от верхнего уровня управления.
Операторский персонал центральной диспетчерской имеет возможность в
произвольный момент времени изменить уставки или взять на себя управление
отдельными контурами в режиме дистанционного управления.
Система управления котлоагрегатом должна
выполнять следующие функции.
Автоматическое регулирование процесса горения
обеспечивает подачу топлива в топку в зависимости от нагрузки котла,
поддержание оптимального соотношения топливо-воздух и устойчивого разрежения в
топке.
Температура воды за котлом (или до него) в
заданных пределах поддерживается регулятором, изменяющим подачу топлива в
топку. В качестве датчика температуры воды используется термометр
сопротивления, устанавливаемый на трубопроводе при выходе воды из котла (на
входе воды в котел).
Регулирование подачи воздуха обеспечивает
оптимальное соотношение между подаваемыми в топку топливом и воздухом
(оптимальный избыток воздуха), чем достигается максимальная экономичность
сжигания топлива на всех режимах работы котла. Регулятор “топливо-воздух”
получает импульс по расходу газа к котлу, который непосредственно измеряется
расходомером, и импульс по перепаду давления воздуха, который пропорционален
расходу воздуха. Регулятор воздействует на направляющий аппарат дутьевого
вентилятора.
Регулирование расхода воды через котел
производится регулятором, управляющим регулирующим клапаном за насосом
рециркуляции, установленным на линии прямая - обратная вода.
Необходимая температура воды на входе в тепловую
сеть поддерживается регулятором, изменяющим расход холодной воды с помощью
перепускного регулирующего клапана, установленного на перемычке. Входным
сигналом регулятора служит сигнал от термометра сопротивления, установленного
на трубопроводе прямой воды.
Регулирование тяги обеспечивает автоматическое
поддержание устойчивого разрежения в топке котла в пределах от -20 до -30 Па.
Регулятор разрежения получает импульс по разрежению в верхней части топочной
камеры от дифференциального тягомера. Усилитель регулятора осуществляет
управление исполнительным механизмом тяги, воздействующим на направляющий
аппарат дымососа.
Давление газа перед горелкой регулируется
регулятором. Перед регулирующим органом основной горелки (поворотной заслонкой)
и запальником установлены два быстродействующих клапана-отсекателя, между
которыми на свече безопасности имеются электромагнитные продувочные клапаны.
Открытие клапанов-отсекателей перед основной горелкой производится
автоматически за 45 с, а закрытие - практически мгновенно.
Контроль за наличием факелов запальника и
основной горелки осуществляется запально-защитным устройством (ионизационным
датчиком для факела запальника и фотодатчиком для основного факела).
При аварийных отклонениях параметров в процессе
работы котла обеспечивается автоматическая защита его в случаях:
·
отсутствия
факела запальника (в пусковой период);
·
погасания
факела основной горелки;
·
падения
давления первичного и вторичного воздуха перед горелкой;
·
повышения
давления газа перед регулирующим органом и понижения давления газа перед
регулирующим органом и понижения давления его перед отсечным клапаном основной
горелки;
·
уменьшения
и увеличения давления в топке котла;
·
снижения
расхода воды через котел и ее давления за котлом;
·
повышения
давления и температуры воды за котлом;
·
падения
напряжения в цепях защиты и сигнализации;
·
открытия
форсунки и повышения тока ее электропривода (при работе на жидком топливе).
Оставаясь неизменной с точки зрения принципа
действия основных регуляторов, система автоматического регулирования в целом
представляет собой комплекс новейших достижений и разработок в области
автоматизации.
САУ котла реализована с применением
микропроцессорной техники, что выделяет ряд неоспоримых преимуществ по
сравнению с системами управления традиционного исполнения. Применение ЭВМ
позволяет вести полный мониторинг режима работы оборудования. Вся необходимая
информация о состоянии объекта, значения рабочих параметров выводится на экран
компьютера. Обслуживающий персонал в любой момент времени может обратиться к
базе данных, находящихся в памяти ЭВМ, и проследить насколько эффективно
использовалось оборудование в любой момент времени. На основании этих данных
можно назначить мероприятия, направленные на повышение эффективности
использования оборудования. Такого рода информация может быть также полезной
при расследовании аварийных случаев.
САУ котла являясь целостной структурой, может
рассматриваться как один из модулей глобальной системы управления объектом
регулирования. Цифровая связь, посредством которой осуществляется
взаимодействие между отдельными модулями системы, способна передавать
значительные объемы информации за доли секунд, что делает систему управления
малоинерционной, быстро адаптируемой к изменению внешних параметров.
Функциональная схема подсистемы управления
котлоагрегатом представлена в графической части.
Для обеспечения автоматического режима
функционирования котла на газовой линии принимаются следующие исполнительные
механизмы и датчики:
клапан электромагнитный ВН4Н-0,5 (Ду
= 100) - отсечной клапан;
клапан электромагнитный с электромеханическим
регулятором расхода ВН4М-0,5 (Ду = 100) - регулирующий клапан;
клапан трубопровода безопасности ВФ3/4Н-4 (Ду
= 20), расположенного между клапанами ВН4Н-0,5 и ВН4М-0,5;
клапаны продувочных газопроводов 1, 2, 3, 4
горелок ВФ3/4Н-4 (Ду = 20);
клапаны на линии подачи газа к 1, 2, 3, 4
горелкам ВН1/2Н-4 (Ду = 15);
краны шаровые (входят в состав горелки) с
электроприводами перед 1, 2, 3, 4 горелками;
датчик давления газа установленный на основном
газопроводе к котлу перед блоком газовым;
датчик температуры газа;
датчик расхода газа;
датчик давления газа установленный между
клапанами ВН4Н-0,5 и ВН4М-0,5;
датчики давления газа на 1, 2, 3 ,4 горелках;
На всех этапах функционирования котла операции
включения/выключения исполнительных механизмов контролируются по датчикам
положения с учетом временных характеристик (время включения/выключения). При
обнаружении факта неисполнения команды (открыть/закрыть) в установленное время
котел выключается, автоматически в Протоколе Событий регистрируется аварийное
сообщение с указанием несправного исполнительного механизма, включается
аварийная сигнализация, агрегаты устанавливаются в исходное положение,
выполняется вентиляция топки котла.
При выключенном котле исполнительные механизмы
газовой линии находятся в исходном положении:
входная газовая задвижка (с ручным приводом) -
закрыта;
клапан электромагнитный ВН4Н-0,5 (Ду
= 100) - закрыт;
клапан электромагнитный с электромеханическим
регулятором расхода ВН4М-0,5 (Ду = 100);- закрыт;
клапаны продувочных газопроводов и газопровода
безопасности ВФ3/4Н-4 (Ду = 20) - открыты;
клапаны ВН1/2Н-4 (Ду = 15)
установленные на газопроводах подачи газа к запальным горелкам 1, 2, 3, 4
горелки - закрыты;
краны шаровые установленные на газопроводах
подачи газа к основным горелкам - закрыты;
При включении котла система управления проверяет
исправность всех измерительных каналов (датчиков и линий связи с ними). При
положительном завершении проверки система управления приступает к проверке
герметичности газовой линии, иначе процесс включения котла прекращается и
включается аварийная сигнализация с указанием причины аварии.
Проверка герметичности газовой линии выполняется
в два этапа:
проверка вытекания газа из линии;
проверка натекания газа в линию.
Проверка вытекания газа из линии:
закрываются клапана продувочного трубопровода и
трубопровода безопасности;
открывается входная газовая задвижка;
открывается регулирующий клапан;
кратковременно открывается отсечной клапан для
наполнения линии газом;
включается таймер контроля времени;
если по истечении заданного временного интервала
давление газа по датчику давления после регулирующего клапана находится в
допустимых пределах - проверка прошла успешно и система управления приступает к
выполнению следующего этапа проверки герметичности, иначе процесс управления
прекращается с установкой исполнительных механизмов в исходное положение.
Проверка натекания газа в линию:
открываются клапана в трубопроводах продувки и
безопасности, давление в газовой линии выравнивается с атмосферным;
закрываются клапана в трубопроводах продувки и
безопасности;
включается таймер контроля времени;
если по истечении установленного интервала
времени давление газа в линии не превышает заданной уставки - проверка прошла
успешно и система управления приступает к выполнению операции вентиляции, иначе
процесс включения котла прекращается с установкой исполнительных механизмов в
исходное положение.
После выполнения операции проверки герметичности
газовой линии выполняется операция вентиляции топки котла. После выполнения
операции вентиляции выполняется операция установки требуемого давления воздуха
на горелках и разрежение в топке котла (на уставках розжига).
После выполнения вентиляции топки выполняется
операция продувки газовой линии:
входная газовая задвижка открыта;
отсечной клапан открыт;
регулирующий клапан открыт;
клапана продувочных газопроводов 1, 2, 3, 4
горелок и газопровода безопасности открыты;
шаровые краны на газовых горелках закрыты;
по истечении времени продувки закрываются
клапана:
отсечной;
регулирующий;
продувочные и на газопроводе безопасности.
После выполнения операции продувки газовой линии
начинается операция включения запальников при закрытых клапанах продувочных
газопроводов и клапана на газопроводе безопасности.
Открываются клапана установленные перед
запальными горелками;
включаются запальные устройства 1, 2, 3, 4
горелок;
если в течении заданного интервала времени не
появятся сигналы о наличии пламени на всех запальниках - процесс включения
котла прекращается с установкой исполнительных механизмов в исходное положение;
Операция розжига горелок осуществляется после
установки требуемого давления воздуха на горелках и разрежения в топке котла
(на уставках розжига):
открываются шаровые краны на 1, 2, 3, 4
горелках;
открывается отсечной клапан;
с помощью регулирующего клапана устанавливается
давление газа необходимое для розжига горелок;
включается таймер контроля времени;
если по истечении установленного интервала
времени не появятся сигналы о наличии пламени на всех горелках - процесс
включения котла прекращается с выполнением операции вентиляции топки котла и
установкой исполнительных механизмов в исходное положение.
при включении горелок клапана на запальной линии
закрываются;
в течении установленного интервала времени
происходит процесс стабилизации малого пламени на уставках розжига (давление
газа, воздуха и разрежение).
После завершения процесса стабилизации малого
пламени и установки рабочего давления воздуха и разрежения в топке котла
выполняется операция разогрева котла с медленным, пошаговым увеличением
давления газа и воздуха на горелках.
После достижения заданной температуры
теплоносителя на выходе котла (температура разогрева) включается автоматическая
регулировка газа и воздуха в зависимости от нагрузки на котел.
При выключении котла все исполнительные
механизмы газовой линии устанавливаются в исходное положение и включается
операция вентиляции топки котла.
С момента завершения операции розжига горелок
включается программная Система Безопасности котла.
Основные функции Системы Безопасности котла:
отключение подачи топлива в соответствии с
требованиями п.15.6 СНиП 2-35-76 при:
повышении давления газа перед горелкой;
понижении давления газа перед горелкой;
повышении давления воздуха перед горелкой;
понижении давления воздуха перед горелкой;
повышении разрежения в топке котла;
понижении давления в топке котла;
аварийном отключении дымососа;
погасании факела горелки;
повышении температуры воды за котлом;
повышении давления воды на выходе из котла;
понижении давления воды на выходе из котла;
уменьшении расхода воды через котел;
прекращении подачи электроэнергии;
неисправности цепей противоаварийной защиты;
непрерывный контроль исправности датчиков и
линий связи с ними;
непрерывная генерация тестовых сигналов для двух
независимых внешних схем контроля функционирования программной Системы
Безопасности;
Контроль за состоянием наиболее ответственных
параметров котла программная Система Безопасности осуществляет по показаниям
дублированных (разрежение в топке, температура воды за котлом) и троированных
Приборов (давление газа на горелках, давление воздуха на горелках). Все датчики
в системе управления используются только аналоговые, допускающие непрерывный
контроль их исправности. Дискретные датчики не используются - их
исправность/неисправность может быть установлена в момент их срабатывания или
несрабатывания.
8. Электроснабжение
Для эффективной и надежной работы основного
теплоэнергетического оборудования (котлоагрегатов, деаэраторов,
подогревателей), необходимо быть уверенным в надежности вспомогательного
оборудования. Так при выходе из строя насосов сетевой группы, котельная с
водогрейными котлами немедленно должна быть остановлена, т. к. в данном случае
сетевые насосы являются и циркуляционными. При возникновении неисправности
дымососа или вентилятора котел также не может оставаться в работе. Большинство
электроприемников относятся к 1-й группе по степени надежности
электроснабжения. Поэтому обеспечению надежности питания электропотребителей
уделяется особое внимание.
Для привода вспомогательного оборудования
котельной (насосов, вентиляторов, дымососов) применяются асинхронные
электродвигатели серии 4А. Техническая характеристика двигателей приведена в
таблице 8.1. Чтобы обеспечить надежную работу указанного электрооборудования,
необходимо грамотно и рационально выбрать пускозащитную аппаратуру и питающие
провода и кабели.
Таблица 8.1
Характеристика электротехнического
оборудования.
|
№
двига-теля
|
№
на плане
|
Обозначение
|
Мощность,
кВт
|
частота
вращения, мин-1
|
КПД,
%
|
Kпуск
|
|
|
1
|
2
|
3
|
4
|
5
|
6
|
7
|
8
|
|
Привод
сетевых насосов
|
|
1
|
1,
2
|
АИР
160S4
|
30
|
2900
|
93
|
0,89
|
6,5
|
|
2
|
12
|
4A250М2УЗ
|
90
|
2960
|
92
|
0,9
|
7,5
|
|
3
|
11
|
4A225М2УЗ
|
50
|
2945
|
91
|
0,92
|
7,5
|
|
Привод
рециркуляционных насосов
|
|
4
|
3,
4
|
АИР
112М4
|
5,5
|
2900
|
94
|
0,87
|
7,0
|
|
Привод
подпиточных насосов
|
|
5
|
9,
10
|
4A112M4У3
|
5,5
|
1500
|
85,5
|
0,86
|
7,0
|
|
Привод
дымососов
|
|
6
|
5,
7
|
4А160S6У3
|
11
|
1500
|
90
|
0,90
|
6,5
|
|
Привод
вентиляторов
|
|
7
|
6,
8
|
11
|
1500
|
90
|
0,90
|
6,5
|
|
|
|
|
|
|
|
|
|
|
Определим номинальные токи двигателей с.46[11]:
, (8.1)
где Рн - номинальная мощность
двигателя, кВт;ном - номинальное между фазное напряжение, В;
hн - КПД при
номинальном нагрузке;jн
- номинальный коэффициент мощности.
Для двигателей №1 тип АИР 160S4:
.
Для двигателей №2 тип 4A250М2УЗ:
.
Для двигателей №3 тип 4A225М2УЗ:
.
Для двигателей №4 тип АИР 112М4:
.
Для двигателей №5 тип 4A112M4У3:
.
Для двигателей №6, 7 тип 4А160S6У3:
.
Выбираем магнитные пускатели трехфазного тока
серии ПМЛ (по табл. 6.18 [12]), предназначены для дистанционного управления
асинхронными короткозамкнутыми электродвигателями, при номинальном напряжении
380 В:
Условие
выбора:
н.п.³Iном,
(8.2)
где Iн.п - номинальный ток пускателя,
А;
АИР 160S4: ПМЛ-410004, Iном. = 63 А;
A250М2УЗ: ПМЛ-710004, Iном. = 200 А;
A225М2УЗ: ПМЛ-610004, Iном. = 125 А;
АИР 112М4: ПМЛ-210004, Iном. = 25 А;
A112M4У3: ПМЛ-210004, Iном. = 25 А;
А160S6У3: ПМЛ-210004, Iном. = 25 А.
Выбор защитных аппаратов.
В качестве защиты электроприемников от коротких
замыканий используются плавкие предохранители. С наполнителем типа НПН2 и ПН2.
Номинальный ток плавкой вставки Iп.в. предохранителя
определяется по величине длительного расчетного тока. Для одного
электродвигателя в качестве Iр принимается его номинальный ток Iном.
п.в.³
Iном; (8.3)
По условию перегрузок пусковыми токами
; (8.4)
где a - коэффициент
кратковременной тепловой перегрузки, при легких условиях пуска принимается
равным 2,5;
Iпуск. -пусковой ток
двигателя:
пуск.
= Iном.·Kпуск., А (8.5)
где
Kпуск. - пусковой коэффициент (табл. 8.1).
Для двигателей №1тип АИР 160S4:
.
Для двигателей №2 тип 4A250М2УЗ:
.
Для двигателей №3 тип 4A225М2УЗ:
.
Для двигателей №4 тип АИР 112М4:
.
Для двигателей №5 тип 4A112M4У3:
.
Для двигателей №6, 7 тип 4А160S6У3:
.
Тогда для двигателя:
АИР160S4
:
по табл.
6.4 [12] выбираем предохранитель ПН2-250/160,с Iп.в =160А, Iном.пред.
=250, А;
4A250М2УЗ:
выбираем
предохранитель
ПН2-630/500,с Iп.в =
500А, Iном.пред. = 630 А;
A225М2УЗ:
выбираем
предохранитель
ПН2-400/315,с Iп.в =
315А, Iном.пред. = 400 А;
АИР 112М4:
выбираем
предохранитель
НПН2-63/32,с Iп.в = 32А,
Iном.пред. = 63 А;
A112M4У3:
выбираем
предохранитель
НПН2-63/40,с Iп.в = 40А,
Iном.пред. = 63 А;
А160S6У3:
выбираем
предохранитель
НПН2-63/63,с Iп.в= 63А, Iном.пред.
= 63А.
По условию селективности номинальные
токи плавких вставок двух последовательно расположенных предохранителей по
направлению потока энергии различаются не менее чем на две ступени. Из табл.
6.4 [12] выбираем верхний предохранитель (рис 8.1):
Рисунок
8.1 - Принципиальная схема питания двигателя
АИР160S4
ПН2-250/250;
АИР
112М4 НПН2-63/63;
A112M4У3
ПН2-100/80;
А160S6У3
ПН2-100/100.
Выбор сечения жил проводов кабелей
Сечение жил проводов напряжением до 1 кВ по
нагреву определяется по таблицам, в зависимости от расчетных значений длительно
допустимых токовых нагрузок Iдоп. из соотношения:
, (8.6)
где Ip - расчетный ток проводника;п
- поправочный коэффициент на условие прокладки проводов (при нормальных
условиях прокладки Kп = 1).
Для цеховых электрических сетей применяются
провода с алюминиевыми жилами. Сечение нулевого провода следует принимать
равным или большим половины фазного сечения. Выборные проводники должны соответствовать
их защитным аппаратам, что проверяется по условию
(8.7)
где Kз - кратность длительно
допустимого тока провода по отношению к минимальному току или току срабатывания
защитного аппарата (Kз = 0,33);з - номинальный ток или
ток срабатывания защитного аппарата.
Выбираем провод (табл.7.1[13]) с алюминиевыми
жилами и поливинилхлоридной изоляцией, проложенный в одной трубе:
Для двигателя АИР160S4:
;
Выбираем провод АПВ 3(1´16) + 1(1´10), сечение
16 мм2, допустимая нагрузка 60 А [13].
Соответственно:
A250М2УЗ:дол = 165, А;
выбираем АПВ 3(1´95) + 1(1´70); Iдл.доп.
=200, А;
A225М2УЗ:дол = 103,9, А;
выбираем АПВ 3(1x50)+(1x35); Iдл.доп. =130, А;
АИР 112М4:дол = 10,6, А;
выбираем АПВ 3(1x2)+(1x2); Iдл.доп. =18, А;
A112M4У3:дол = 13,2, А;
выбираем АПВ 3(1x2)+(1x2); Iдл.доп. =18, А;
А160S6У3:дол = 20,8, А;
выбираем АПВ 3(1x3)+(1x2); Iдл.доп. =60, А.
Для двигателей № 2, 3 (на плане 12,
11) принимаем питание кабельной линией от трансформаторной подстанции.
Таблица 8.2
Результаты расчёта
|
1
предохранитель
|
2
предохранитель
|
Провод
|
|
1
|
2
|
3
|
4
|
|
1
|
ПН2-250/160
|
ПН2-250/250
|
АПВ
3(1´16) + 1(1´10)
|
|
2
|
ПН2-630/500
|
-
|
АВВГ
(выбор далее)
|
|
3
|
ПН2-400/315
|
-
|
АВВГ
(выбор далее)
|
|
4
|
НПН2-63/32
|
НПН2-63/63
|
АПВ
3(1x2)+(1x2)
|
|
5
|
НПН2-63/40
|
ПН2-100/80
|
АПВ
3(1x2)+(1x2)
|
|
6
|
НПН2-63/63
|
ПН2-100/100
|
АПВ
3(1x3)+(1x2)
|
Выбираем силовые шкафы для двигателей 1, 5 и
6-ой группы ШР II - 73517 номинальный ток вводного рубильника Р18-373 400 А,
число трехполюсных групп предохранителей на отходящих линиях и их номинальные
токи - 6x100+2х250. Для 2-ой группы двигателей ШР II - 73704 номинальный ток
вводного рубильника Р18-373 250 А, число трехполюсных групп предохранителей на
отходящих линиях и их номинальные токи - 3x63.
Для полного расчета этой схемы необходимо
выбрать автомат, защищающий каждую группу. Для этого находим Ip :
Выполним расчет электрических нагрузок по методу
расчетных коэффициентов. На примере группы вентиляторов.
Групповой коэффициент использования:
, (8.8)
где Pнi - номинальная
мощность i-го электроприемника, кВт;иi - коэффициент использования
i-го электроприемника;
.
Приведенное число электроприемников:
. (8.9)
Расчетная активная нагрузка группы:
, (8.10)
где Кр - коэффициент расчетной
нагрузки.
Определим в зависимости от
коэффициента использования Kигр = 0,78 и приведенного
числа электроприемников
коэффициент
расчетной нагрузки Кр = 1,15.
Тогда
.
Расчетная реактивная мощность:
, (8.11)
где tg j - коэффициент мощности,
зависящий от режима работы электроприемников:
Полная мощность группы:
. (8.12)
Расчетный ток группы:
. (8.13)
Выбираем кабель АВВГ 3´70 + 1´50,
допустимая нагрузка 210 А [11].
Пиковый ток линии:
пик. = Ip+(Kпуск+Kи)·Iном.max.
, А (8.14)пик. =55,1+(6,5-0,78)·165,1=999,5 А.
По данным расчета выбираем автомат
ВА 55-41-1000/1000, кратность тока отсечки к Iн.р 10.
Аналогично выбираем автомат для
второй группы электроприемников.
Групповой коэффициент использования:
.
Приведенное число электроприемников:
.
Расчетная активная нагрузка группы:
Кр = 1;
.
Расчетная реактивная мощность:
Полная мощность группы:
.
Расчетный ток группы:
.
Выбираем кабель АВВГ 3´6 + 1´2,5,
допустимая нагрузка 23 А [11].
Пиковый ток линии:
пик.
=10,2+(7,0-0,65)·13,6=96,6 А.
По данным расчета выбираем автомат
ВА 51-33-160/96,6, кратность тока отсечки к Iн.р 10.
Для третьего двигателя (на плане
11).
Коэффициент использования:
.
Приведенное число электроприемников:
.
Расчетная активная нагрузка:
Кр = 1;
.
Расчетная реактивная мощность:
Полная мощность:
.
Расчетный ток:
.
Выбираем кабель АВВГ (3´25+1´16),
допустимая нагрузка 80 А [11].
Пиковый ток линии:
пик.
=90,7+(7,5-0,85)·76=596,1 А.
По данным расчета выбираем автомат
ВА 52-39-630/596, кратность тока отсечки к Iн.р 10.
Для второго двигателя (на плане 12).
Коэффициент использования:
.
Приведенное число электроприемников:
.
Расчетная активная нагрузка:
Кр = 1;
.
Расчетная реактивная мощность:
Полная мощность:
.
Расчетный ток:
.
Выбираем кабель АВВГ (3´25+1´16),
допустимая нагрузка 125 А [11].
Пиковый ток линии:
пик.
=165,1+(7,5-0,65)·125=903 А.
По данным расчета выбираем автомат
ВА 53-41-1000/903, кратность тока отсечки к Iн.р 10.
Полная схема питания изображена на
листе №7 графической части.
9.
Технико-экономические
показатели
Расчет себестоимости отпускаемой
теплоты.
Заявленные нагрузки на котельной составляют:
- на отопление и вентиляцию Qот=7,5
МВт;
- на горячее водоснабжение Qсрг.в.=
2,25 МВт.
Установленная мощность на котельной
Годовой отпуск теплоты на отопление
рассчитывается по формуле
(13.4, [14]):
, ГДж/год (9.1.1)
где
- средний расход теплоты за
отопительный период на нужды отопления, кВт;0 - продолжительность
отопительного периода, сут;
Средний расход теплоты за отопительный период на
нужды отопления определяется по формуле (9.17, [4]):
(9.1.2)
где
- средняя температура
наружного воздуха за отопительный период, 0С;
- расчетная температура наружного
воздуха для проектирования отопления, 0С;
- расчетная температура воздуха внутри
зданий, 0С;
- среднюю температуру наружного
воздуха за отопительный период принимаем по таблице (табл. 9.1, [17]),
=1,30С;
- расчетную температуру наружного
воздуха для проектирования отопления принимаем
=-220С;
- расчетную температуру воздуха
внутри зданий принимаем +180С.
n0- продолжительность отопительного
периода для города 200 сут;
.
Отсюда
.
Годовой отпуск теплоты на горячее
водоснабжение рассчитывается по формуле:
(9.1.3)
где
- средний расход теплоты за
отопительный период на горячее водоснабжение, кВт;
- средний расход теплоты на горячее
водоснабжение в летний период, кВт;
- число суток в году работы системы
горячего водоснабжения;0 - продолжительность отопительного периода,
сут.
Средний расход теплоты на горячее водоснабжение
в летний период рассчитывается по формуле
, кВт (9.1.4)
где
- средний расход теплоты за
отопительный период на горячее водоснабжение жилых и общественных зданий, кВт;xл
- температура холодной (водопроводной) воды в летний период, 0С;x.з
- температура холодной (водопроводной) воды в отопительный (зимний) период, 0С;
β - коэффициент, учитывающий
снижение среднего расхода воды на горячее водоснабжение в летний период по
отношению к отопительному.xл принимаем txл=15 0Сx.з=5
0С
.
Отсюда
.
Годовой отпуск теплоты от котельной:
(9.1.5)
;
Годовая выработка теплоты котельной
рассчитывается по формуле:
(9.1.6)
где ηт.п -
коэффициент теплового потока, %;
ηт.п -
принимается при работе на газе, ηт.п =95%
.
Число часов использования
установленной мощности котельной в году (ч/год) рассчитывается по формуле :
(9.1.7)
где Qуст - установленная
мощность котельной;
- годовая выработка теплоты
котельной, ГДж/год
.
Удельный расход условного топлива на
1 ГДж отпущенной теплоты; определяется по формуле (13.11, [14]):
т/ГДж (9.1.8)
натурального -
т/ГДж (9.1.9)
где ηбр - КПД
(брутто) котельного агрегата, %;
- низшая теплота сгорания рабочей
массы топлива, МДж/кг;
ηт.п.
-коэффициент теплового потока, %;
принимаем при работе на газе ηт.п. =97%;
; ηбр =90,5%
Отсюда:
, т/ГДж;
, т/ГДж.
Годовой расход топлива котельной :
условного:
, т (9.1.10)
натурального:
, т (9.1.11)
.
.
Годовой расход электроэнергии на
собственные нужды котельной:
, (9.1.12)
где Nуст - установленная
мощность токоприемников, кВт;max - число часов работы котельной в
году, ч/год;
Кэл - коэффициент
использования установленной электрической мощности;
Установленная мощность токоприемников
(по 13.6[14]) :
, (9.1.13)
где
- удельный расход электрической
мощности на собственные нужды котельной, кВт/МВт;уст - установленная
мощность котельной, МВт:
=25
принимаем;
max= 3800
ч/год;
Кэл = 0,55 для котельных
Qуст≤10 МВт
.
Годовой
расход воды котельной рассчитывается по формуле (13.17 [14]):
при закрытой системе теплоснабжения:
, (9.1.14)
где
- расход сырой воды, поступающей на
химводоочистку для приготовления питательной воды при максимально зимнем и
летнем режиме, т/ч;0 - продолжительность отопительного периода, сут;
n0=200 сут;
;
.
Удельный расход сырой воды на один
ГДж отпущенной теплоты рассчитывается по формуле (13.19, [14]):
, (9.1.15)
где
- годовой расход воды, т/год;отп
- годовой отпуск теплоты от котельной, ГДж/год
.
Расчет себестоимости отпускаемой от котельной
теплоты рассчитывается в следующей последовательности:
1) годовые затраты на топливо:
, (9.1.16)
где
- годовой расход натурального
топлива, расходуемого котельной, т./год;
- оптовая цена натурального
топлива по прейскуранту, руб/ т.
Цтр - стоимость транспорта
натурального топлива, руб/т (для природного газа расходы по транспорту вплоть
до котельной учтены в оптовых ценах).
.
2)
Годовые расходы на электроэнергию :
, (9.1.17)
где
- годовой расход электроэнергии на
собственные нужды котельной, кВт∙ч/год;
Цэ - цены (тариф) одного
кВт∙ч, руб,
Цэ=71,5 руб/кВт∙ч
) Годовые расходы на использованную
воду :
, (9.1.18)
где
- годовой расход сырой воды в
котельной, т/год;
Цв - цена за 1 т сырой
воды, руб/м3;
Цв=1074 руб/м3
.
) Годовые расходы на амортизационные
отчисления :
, (9.1.19)
где
=12%- средняя норма амортизации ;
К- стоимость основных производственных фондов:
,руб (9.1.20)
;
;
.
) Годовые затраты на текущий ремонт:
; (9.1.21)
.
) Годовые затраты на заработную
плату эксплуатационных издержек персонала определяются по формуле:
, (9.1.22)
где Зср.год - среднегодовая
заработная плата с начислениями в фонд страхования,
;
Зср.год - принимается
равной
;
- ориентировочный коэффициент ,
чел/МВт;
=0,9 чел/МВт;
.
) прочие суммарные расходы
рассчитываются по формуле:
. (9.1.23)
.
)Годовые расходы эксплуатационные по
котельной :
. (9.1.24)
)Себестоимость отпущенной теплоты:
, руб/ГДж (9.1.25)
где Sкот - годовые
эксплуатационные расходы по котельной, руб/год;
- годовой отпуск теплоты от
котельной, ГДж;
.
В том числе топливная составляющая:
. (9.1.26)
.
)Рентабельность капиталовложений:
, (9.1.27)
где
капвложения в котельную;
, (9.1.28)
где
капвложения в здания и
строительно-монтажные работы;
. (9.1.29)
;
;
где Цq - средний тариф на
теплоэнергию по энергосистеме Цq=8835
:
11) Приведенные затраты на 1ГДж
отпущенной теплоты
, (9.1.30)
.
Определим срок окупаемости данных
теплотехнологических установок:
, (9.1.31)
где tсл - срок службы
объекта, принимаем tсл = 20 лет;- процентная ставка на капитал.
,руб, (9.1.32)
, (9.1.33)
;
;
.
Срок окупаемости
.
Организация ремонта
Эксплуатация и ремонт котлов
котельно-вспомогательного оборудования должны отвечать «Правилам устройства и
безопасной эксплуатации паровых и водогрейных котлов, трубопроводов пара и
горячей воды» утвержденным Госгортехнадзором.
Основной целью организации ремонтного хозяйства
является своевременное и качественное проведение ремонта оборудования.
Организация ремонтных работ предусматривает
[15]:
- доведение до всех бригад календарного
графика ремонта каждой включенной в месячный график единицы оборудования и
участка сети;
- ознакомление с предшествующим ремонту
состоянием оборудования по карте ремонта, по картам осмотра, по дефектным
ведомостям;
согласование конкретной даты и времени
остановки в ремонт каждой подлежащей ремонту единицы оборудования или участка
сети. При этом комплектующее электрооборудование ремонтируется одновременно с
технологическим оборудованием и сроки отдельных этапов ремонта согласовываются
с мастером ремонтного участка, производящего ремонт технологического
оборудования. Все сети, питающие энергетическое оборудование, ремонтируются
одновременно с ремонтом участка сети, к которому они относятся;
комплектование резервного оборудования
для производства обменного ремонта. В достаточно развитом и хорошо поставленном
энергетическом хозяйстве капитального ремонта оборудования не должен вызвать
отдельных проектов, связанных с ним технологических агрегатов и установок. Это
достигается принятием системы обменного ремонта, т.е. путем замены выводимой в
ремонт машины другой, той же или взаимозаменяемой модели и мощности, из состава
складского резерва. Такая замена по календарному графику
планово-предупредительных ремонтов (ППР) готовится заблаговременно,
проверяется, доставляется на рабочее место в подготовительном для
агрегатирования с рабочим механизмом виде, т.е. укомплектованная салазками,
переходными рамами, полумуфтами, шкивами и т.д., осуществляется в нерабочее
время. Для материального стимулирования ремонтной бригады за подготовку и осуществление
беспростойного ремонта ей планируется в этом случае до 10% нормы простойного
времени на капитальный ремонт, приведенной для каждого вида оборудования и
сетей. Плановый ремонт снятого при обменном ремонте оборудования производится в
счет того же плана ремонта, после чего она передается на склад резервного
оборудования. В картах ремонта той и другой единицы оборудования делается
отметка о произведенном передвижении;
разработку последовательности этапов и
графика последовательно-узлового ремонта;
комплектование узлов для узловой или
последовательно-узлового ремонта;
разработку сетевого графика
капитального ремонта оборудования с особо большой трудоемкостью ремонта и для
оборудования, лимитирующего производства;
проверку соответствия состава ремонтных
бригад (количественного по профессии) заданным объемом и характеру предстоящих
ремонтных работ;
разработку и согласование календарного
плана привлечения недостающих в составе бригады специалистов-ремонтников;
согласование обеспечения ремонтных работ
необходимыми подъемно-транспортными средствами.
Помимо сказанного, к организационной подготовке
относится также диспетчеризация проводимых работ и контроль за ходом их
выполнения.
Продолжительность ремонтного цикла для котлов
определяется в зависимости от сезонности работы котлоагрегата и от вида
топлива, а котельновспомогательное оборудование - в зависимости от его функций
в системе котлоагрегата.
Сетевые методы планирования и
управления.
Одним из современных методов планирования и
управления, основанных на использовании математических моделей и электронных
вычислительных машин, являются системы сетевого планирования и управления [16].
Каждая работа имеет одно начальное и одно
конечное событие, вследствие чего она определяется в сетевом графике однозначно,
про помощи кода, образуемого из номеров событий. Код работы состоит из номера
начального события работы и ее конечного события. Принято обозначать
рассматриваемое событие через i , последующие - через j, k, а предшествующие -
h.
В соответствии с этим работы обозначаются h - i;
i - j; j- k, а их продолжительности - t(h- i); t(i-j); t(j-k).
Ранний срок совершения события определяется
самым продолжительным из них, т.е.
. (9.2.1)
Ранний срок совершения события:
. (9.2.2)
где tni -
поздний срок совершения последующего события j;i-j -
продолжительность работы (i-j)
Поскольку каждое событие является
моментом окончания всех предшествующих работ и открывает возможность начать
последующие работы, то очевидно, что ранний срок свершения данного события
является одновременно и наиболее ранним возможным сроком начала (так называемым
ранним началом)
всех работ,
выходящих из этого события, т.е.
.
Следовательно, наиболее ранний срок
окончания любой работы:
. (9.2.3)
Аналогично поздний срок свершения
события
является
наиболее поздним допустимым фоном окончания (так называемым поздним окончанием)
всех работ,
входящих в него, т.е.
и для данной работы (i-j)
Наиболее позднее начало любой
работы:
. (9.2.4)
Таким образом, на сетевом графике
при четырехскоростном методе расчета всегда указаны раннее начало и позднее
окончание всех работ.
Величина полного резерва
определяется так:
. (9.2.5)
На рис. 9.2.1 приведен исходный
условный сетевой график капитального ремонта котла, построенный по данным
карточки-определителя работ (табл. 9.2.1). На графике численных рабочих,
занятых на данной работе, указана числом в кружке над стрелкой, а трудоемкость
работы определяется умножением ее продолжительности (она указана над кружком)
на количество рабочих.
По сетевому графику строится
линейный график (рис. 9.2.2). Они позволяют анализировать сетевую модель с
точки зрения равномерности использования рабочей силы и ее соответствия
имеющейся численности работающих.
Таблица 9.2.1
Карточка-определитель работ
|
№п/п
|
Наименование
работы
|
Продолжительность
работы (смены)
|
Кол-во
занятых работников
|
|
1
|
2
|
3
|
4
|
|
1
|
Предварительная
расшлаковка и промывка котлов
|
2
|
3
|
|
2
|
Отглушка
котлов по газу
|
1
|
2
|
|
3
|
Опрессовка
котлов по воде и воздуху
|
1
|
2
|
|
4
|
Отглушка
котлов по воде и дренаж
|
1
|
2
|
|
5
|
Промывка
хвостовых поверхностей нагрева
|
10
|
3
|
|
6
|
Ремонт
запорной и регулирующей арматуры
|
20
|
6
|
|
7
|
Ремонт
горелок и газоаппаратуры
|
14
|
7
|
|
8
|
Проверка
и очистка воздушных коробов
|
2
|
3
|
|
9
|
Ремонт
дутьевых вентиляторов, дымосов и других вспомогательных механизмов
|
14
|
4
|
|
10
|
Ремонт
обмуровки котлов
|
7
|
5
|
|
11
|
Гидравлические
испытания котлов
|
1
|
6
|
|
12
|
Ремонт
эл. фильтров
|
14
|
3
|
|
13
|
Устранение
дефектов и подготовка котла к растопке
|
2
|
6
|
Рисунок 9.2.2 - Исходный сетевой
график капитального ремонта
10. Охрана труда
Производственная
санитария и техника безопасности
Районная котельная г. Волковыска расположена в
непосредственной близости от тепловых потребителей.
Рельеф площадки котельной ровный, в отдельных её
местах разница в отметках не превышает 2-х метров.
Территория котельной имеет надёжный грунт,
допускающий давление на него от строительных сооружений не более 0,25 МПа.
Уровень грунтовых вод ниже уровня залегания фундаментов зданий, оборудования и
низа подвалов. Грунтовые воды по своему составу не агрессивны и не вызывают
коррозии подземных частей зданий и сооружений.
Котельная расположена вдали от жилых зданий, что
снижает вредное воздействие её на жителей района. Сжигание природного газа в
процессе получения тепла более эффективно и экологически безопасно по сравнению
со сжиганием угля или мазута.
Стационарные котлы установлены в здании
помещение, которого удовлетворяет СНиП II - 35 - 76 «Котельные установки», СНиП
II - 58 - 75 «Электростанции тепловые» и «Правилам устройства и безопасной
эксплуатации паровых и водогрейных котлов».
На котельной г. Волковыска установлены 2
водогрейных котла ТВГ-4р.
Кроме того, в котельной размещены бытовые и
служебные помещения, а также мастерские, предназначенные для ремонта котельного
оборудования.
Уровень пола нижнего этажа котельного помещения
спроектирован на уровне планировочной отметки земли, прилегающей к зданию
котельной.
Подъездная автодорога, связывающая площадку
котельной с внешней сетью автодорог, спроектирована с усовершенствованным
капитальным покрытием.
Площадь участков, предназначенных для
озеленения, составляет не менее 10% площадки котельной, на участках без
твердого покрытия предусмотрен посев травы.
Для древесно-кустарниковых насаждений на
площадке и в санитарно-защитной зоне применены местные виды растений с учетом
их санитарно-защитных и декоративных свойств и устойчивости к вредным выбросам.
Ограждение площадки котельной выполнено из
железобетонных плит высотой 2м.
Котельная спроектирована таким образом, чтобы
обеспечить её естественным светом днём, а в ночное время - электрическим
освещением. При невозможности по техническим причинам обеспечить естественным
светом некоторые места, предусматриваем электрическое освещение. Освещенность
соответствует СНБ 2.04.05 - 98 «Естественное и искусственное освещение».
Согласно VIII разряду зрительной работы, при постоянном общем наблюдении за
ходом производственного процесса освещенность при общем искусственном освещении
составляет 200 лк, при периодическом - 75 лк.
Помимо рабочего освещения, в котельном отделении
предусмотрено аварийное электрическое освещение. Подлежат обязательному
оборудованию аварийным освещением следующие места:
фронт котлов, а также проходы между котлами,
сзади котлов и над котлами;
щиты и пульты управления;
водоуказательные и измерительные приборы;
вентиляторные площадки;
дымососные площадки;
помещения для баков и деаэраторов;
оборудование водоподготовки;
площадки и лестницы котлов;
насосные помещения.
Вдоль границ территории, охраняемой в ночное
время предусматривается, охранное освещение.
Рабочее и аварийное освещение, электрическое
оборудование и его заземление соответствуют требованиям “Правил устройства
электроустановок”.
Установку котельного вспомогательного
оборудования и щитов управления производим перед фронтом котлов так, чтобы
ширина свободных проходов вдоль фронта составляла не менее 1,5 м и
установленное оборудование не мешало обслуживанию котлов [18].
Для бокового обслуживания котла (шуровка,
обдувка, очистка газоходов, коллекторов, выемка труб, обслуживание горелочных
устройств, реперов, элементов топки) ширина бокового прохода предусмотрена 2 м.
Для удобного и безопасного обслуживания котлов
установлены постоянные площадки и лестницы с перилами высотой не менее 0,9 м со
сплошной обшивкой по низу не менее 100 мм. Переходные площадки и лестницы
оборудованы перилами с обеих сторон.
Площадки и ступени лестниц выполнены из
просечно-вытяжного листа, из рифленой листовой стали и из листа с негладкой
поверхностью, полученной наплавкой.
Лестницы спроектированы шириной не менее 600 мм,
высотой между степенями не более 200 мм, шириной ступеней не менее 80 мм.
Лестницы большой высоты спроектированы с промежуточными площадками. Лестницам
высотой более 1,5 м задан угол наклона к горизонтали не более 50°.
Трубопроводы тепловых сетей выполнены из
стальных электросварных труб по ГОСТ 10704 - 91. Трубопроводы прокладываются
подземно в непроходных каналах. Компенсация тепловых удлинений осуществляется
за счет углов поворота трассы и П-образных компенсаторов. Трубопроводы тепловых
сетей покрываются антикоррозионным метализационным покрытием по ГОСТ 7871 - 75*
и изолируются пенополиуретаном цельновспененным.
Фундаменты помещения дымососов и бытовых
помещений сборномонолитные. Сборные кольца фундаментов погружаются методом
опускных колодцев с водоотливом. Под стены укладываются сборные железобетонные
перемычки.
Стены надземной части бытовых помещений -
многослойной кладки с утеплением из полистиролбетонных плит, стены помещения
дымососов - из обыкновенного керамического кирпича на цементно-песчаном
растворе.
Перегородки - сетчатые консольные и кирпичные.
Перемычки - сборные железобетонные и
металлические.
Лестница наружная - металлическая.
Кровля - плоская совмещенная, рубероидная по
утеплителю из газосиликатных плит.
Окна - деревянные, двойные, раздельного типа.
Полы - бетонные, из линолеума, керамической
плитки.
Оборудование и трубопроводы с температурой
стенки более 40оС изолированы, арматура размещена в местах, удобных
для обслуживания. Состав бытовых помещений определен исходя из численности
обслуживающего персонала в соответствии со СНиП 2.09.04 - 87.
Система отопления котельной запроектирована
горизонтальной. В качестве нагревательных приборов приняты радиаторы
МС-140-108. Температура теплоносителя для отопления - (150 - 70)оС.
Система отопления кладовых, примыкающих к котельной, запроектирована совместно
с системой отопления котельной.
Вентиляция помещения котельной - естественная
через дефлекторы и отверстия в кирпичной кладке.
Вентиляция примыкающих кладовых - естественная.
Газооборудование котельной спроектировано в
соответствии со строительными нормами и правилами по проектированию внутренних
и наружных устройств газоснабжения и “Правилами безопасности в газовом
хозяйстве”. Для поддержания необходимого давления газа перед котлами имеется
газорегуляторный пункт (ГРП).
Выбор основного оборудования ГРП производился
исходя из расчетного расхода газа при максимальной производительности
установленных котлов. При выборе регулятора давления расход газа принимался с
коэффициентом запаса 1,15 к расчетному расходу.
Конструкция каждого котла и его основных частей
обеспечивают надёжность, долговечность и безопасность эксплуатации на расчётных
параметрах в течение расчетного ресурса безопасной работы котла, принятого в
технических условиях (техническом задании), а также возможность технического
освидетельствования, очистки, промывки, ремонта и эксплуатационного контроля
металла.
Конструкция котла обеспечивает возможность
равномерного прогрева его элементов при растопке и нормальном режиме работы, а
также возможность свободного теплового расширения отдельных элементов котла.
Для контроля за перемещением элементов котлов
при тепловом расширении в соответствующих точках устанавливаем указатели
перемещения (реперы). Места установки реперов указываются в проекте котла.
Участки элементов котлов и трубопроводов с
повышенной температурой поверхности, с которыми возможно непосредственное
соприкосновение обслуживающего персонала, покрываем тепловой изоляцией,
обеспечивающей температуру наружной поверхности не более 45 °С при температуре
окружающей среды не более 25 °С.
В конструкции котла предусматриваем возможность
удаления воздуха из всех элементов, находящихся под давлением, в которых могут
образоваться воздушные пробки при заполнении котла водой.
Для предотвращения местного охлаждения стенок
элементов котла для устройства вводов питательной воды и присоединения труб
рециркуляции предусмотрены защитные устройства.
При разработке устройства газоходов исключаем
возможность образования взрывоопасного скопления газов, а также обеспечиваем
необходимые условия для очистки газоходов от отложений продуктов сгорания.
В конструкции газоплотных котлов с мембранными
стенками учтена возможность разряжения и кратковременного повышения давления в
топке и газоходах («хлопков»).
В стенках топки и газоходов предусмотрены лазы и
гляделки, обеспечивающие возможность контроля за горением и состоянием
поверхностей нагрева, обмуровки, а также за изоляцией обогреваемых частей
барабанов и коллекторов.
В качестве лазов используем топочные дверцы и
амбразуры горелочных устройств при условии, что их размеры будут не менее
указанных выше.
Дверцы и крышки лазов, лючков и гляделок
изготовлены прочными, плотными и исключающими возможность самопроизвольного
открывания.
В конструкции котла предусмотрены взрывные
предохранительные устройства. Эти устройства установлены в стенке топки,
последнего газохода котла, экономайзера. Взрывные предохранительные устройства
устроены и размещены так, чтобы было исключено травмирование людей.
Конструкция, количество, размещение и размеры
проходного сечения взрывных предохранительных устройств определяются проектом
котла.
Для коллекторов водотрубных котлов применяем плоские
днища с внутренним диаметром 600 мм.
Проводка в котельной выполняется преимущественно
открытой прокладкой кабелей по электроконструкциям и лоткам.
Проводка по площадкам котлов выполняется кабелем
АПВ в электросварных трубах. Нормируемая освещенность рабочих зон
обеспечивается светильниками с люминесцентными лампами, для вспомогательного
освещения используются лампы накаливания.
В целях электробезопасности проектом
предусматривается обеспечение недоступности токоведущих частей путем их
изоляции, применением различного рода защитных ограждений, кожухов и т.п. или
расположением токоведущих частей в недоступных для прикосновения местах.
Все металлоконструкции котельной, трубопроводы и
т.д. присоединяются к сети заземления и зануления котельной.
Для защиты персонала котельной от поражения
током кроме указанных выше мероприятий предусмотрены:
- применение пониженного напряжения 12В, 42В в
осветительных сетях;
- комплектация электроустановок
основными и дополнительными средствами по ТБ.
Пожарная
безопасность
Предусмотренный проектом комплекс
профилактических мероприятий удовлетворяет требованиям соответствующих норм и
правил, направленных на предупреждение возникновения пожаров, на обеспечение
быстрой и безопасной их ликвидации [20].
В соответствии с НПБ 5 - 2000 “Категорирование
помещений, зданий и наружных установок по взрывопожарной и пожарной опасности”
помещения котельной относятся к различным категориям по пожарной опасности
(табл. 10.3.).