Проектирование автоматизированной газовой котельной в п. Космынино
Содержание
Введение
.Проектирование
автоматизированной газовой котельной в п. Космынино
.1
Общие данные
.1.1
Состояние системы теплоснабжения
.1.2
Выводы по существующему состоянию системы теплоснабжения
.2
Основные технические решения по совершенствованию системы теплоснабжения
.2.1
Теплоснабжение от котельных по ул. Чехова и переключение потребителей жилого
фонда от котельной «Космоэлектро»
.2.2
Основные технические решения по строительству источника тепла и тепловых сетей
.3
Расчет характеристик котельной
.3.1
Расчет производства тепловой энергии от проектируемой котельной
.3.2
Расчет потребления газа проектируемой котельной
.3.3
Расчет потребления вод
.3.4
Расчет потребления электроэнергии на котельную
.4
Разработка тепловой схемы котельной
.4.1
Тепловая схема котельной
.4.2
Выбор основного и вспомогательного оборудования
.4.3
Газоснабжение
.5
Автоматизация котельной
.5.1
Теплотехнический контроль
.5.2
Управление и технологическая защита
.5.3
Регулирование параметров
.5.4
Автоматическое управления котельной
.5.5
Определение оптимальных настроек контроллеров
.6
Централизованная диспетчеризация объектов управления
1.6.1
Диспетчеризация котельной Космынин
.7
Конструктивное решение здания котельной
.
Расчет основных экономических показателей эффективности котельной
.
Безопасность жизнедеятельности
Заключение
Библиографический
список
Приложение
Введение
автоматизированный котельная
тепловой
Целью
настоящего проекта является повышение эффективности работы ООО «Костромская
теплоэнергетическая компания» (ООО «КТЭК») в г. Кострома.
В
работе разрабатываются предложения по замещению одной нерентабельной, морально
и физически изношенной котельной работающей на твердом топливе теплоснабжающей
потребителей по ул. Чехова и по переключению потребителей жилого фонда от производственной
котельной «Космоэлектро» работающей на жидком топливе в п. Космынино
Костромской области на автономную блочно-модульную котельную.
В
целях модернизации системы теплоснабжения объектов, расположенных по ул. Чехова
необходимо выполнение работ по строительству современной автоматизированной
блочно-модульной котельной (БМК) взамен муниципальной нерентабельной котельной,
для повышения надежности теплоснабжения, улучшения экологической обстановки в
данном районе.
Проведение
вышеуказанных мероприятий обусловлено неудовлетворительным состоянием
теплоснабжения абонентов, расположенных по ул. Чехова, которое вызвано высокой
степенью физического и морального износа котельного оборудования и тепловых
сетей.
Износ
котельной и тепловых сетей привел к ухудшению качества теплоснабжения, в
результате больших потерь тепла из-за плохой изоляции сетей и роста аварийных
ситуаций.
В
работе рассматривается существующее состояние системы теплоснабжения абонентов.
Рассматривается и оценивается вариант размещения новой блочно-модульной
котельной и переключения абонентов от существующей котельных.
В
результате реализации мероприятий, рассмотренных в работе, произойдет повышение
надежности и качества теплоснабжения, улучшение экологической обстановки в п.
Космынино.
1.
Проектирование автоматизированной газовой котельной в п. Космынино
.1
Общие положения
Поселок
Космынино является муниципальным образованием Нерехтского района Костромской
области Центрального федерального округа, расположен на Костромской
низменности, в 407 км к северо-востоку от города Москва.
Климатические
условия Костромской области, в соответствии со СНиП 23-01-99 характеризуются
следующими температурами наружного воздуха:
абсолютная
минимальная - минус 46 0С
средняя
наиболее холодной пятидневки - минус 31 0С
средняя
за отопительный период - минус 3,9 0С
Продолжительность
отопительного периода составляет 222 суток или 5 328 ч.
Число
часов использования максимальной отопительной нагрузки:
n
= 5 328 * (20 + 3,9) / (20 + 31) = 2 496,85 часов
В
соответствии с Постановлением Правительства РФ от 16.12.2006г. № 772 «О
федеральных стандартах оплаты жилого помещения и коммунальных услуг на 2007
год» (далее - Постановление № 772) предельная стоимость предоставляемых
жилищно-коммунальных услуг на 1 кв.м. общей площади жилья в месяц по
Костромской области составляет 47,9 руб./кв.м.
В
соответствии с Методическим рекомендациям по формированию нормативов
потребления услуг жилищно-коммунального хозяйства, утвержденным Приказом
Минэкономики РФ от 06.05.1999 г. № 240 (далее - Методические рекомендации)
годовой расход тепловой энергии в среднем на отопление составляет 4,4 Гкал на 1
человека, годовой расход тепловой энергии на горячее водоснабжение составляет
1,9 Гкал на человека, при социальной норме площади жилья 18 кв.м на 1 человека
в Костромской области.
Физико-географические
и техногенные условия.
Климат.
Изучаемая
территория расположена на северо-востоке центрального района Русской равнины и
принадлежит к умеренному широтному поясу. Из-за сравнительно большой удаленности
от бассейна Атлантического океана климат района носит континентальный характер.
Это выражается в умеренно суровой зиме и в умеренно теплом лете, а также в
большой амплитуде колебаний суточных и годовых температур.
Тем
не менее, ветры со стороны Атлантики и Средиземноморья вносят существенные
коррективы в континентальность местного климата в виде погодных аномалий, и
определяют преобладание переносов воздуха южных и западных направлений.
Средняя
месячная скорость ветра приведена в Таблице 1.1.1 Повторяемость ветров по
различным направлениям за годовой период представлена на рис. 1.1.1
Таблица
1.1.1
Средняя
скорость ветра
|
Месяц
|
I
|
II
|
III
|
IV
|
V
|
VI
|
VII
|
VIII
|
IX
|
X
|
XI
|
XII
|
|
Скорость
ветра, м/с
|
5.6
|
5.5
|
5.5
|
5.0
|
5.0
|
4.4
|
3.8
|
3.8
|
4.8
|
5.5
|
5.8
|
5.1
|
Рис. 1.1.1 Повторяемость ветров по различным
направлениям.
Скорость ветра 5%-ной обеспеченности принимается
равной 10 м/с.
Средняя месячная и годовая температуры воздуха
на изучаемой территории приведены в Таблице 1.1.2.
Таблица 1.1.2
Средняя температура воздуха
|
Месяц
|
I
|
II
|
III
|
IV
|
V
|
VI
|
VII
|
VIII
|
IX
|
X
|
XI
|
XII
|
Год
|
|
Температура,
0С
|
-9,1
|
-8,4
|
-3,0
|
5,4
|
10,9
|
16,6
|
19,0
|
15,8
|
10,6
|
4,6
|
-4,7
|
-9,0
|
4,3
|
Годовой приход суммарной солнечной радиации
составляет около 75 - 80 ккал/см2. Годовой радиационный баланс положительный и
достигает 23 - 25 ккал/см2.
Абсолютная максимальная температура составляет
+370С; абсолютная минимальная - -460С.
Средняя максимальная температура наиболее
жаркого месяца - +22.90С (июль). Средняя температура наиболее холодного периода
- -15,70С (январь).
Теплый период с положительными среднесуточными
температурами длится в среднем 134 дней в году. Переход среднесуточной
температуры воздуха через 00 к положительным происходит в первой декаде апреля;
к отрицательным - в первой декаде ноября.
Средняя годовая сумма выпадающих осадков
составляет 580 мм. Около 72% годовой суммы осадков приходится на теплый период
года (с апреля по октябрь). Самый влажный месяц - август.
Средняя продолжительность существования снежного
покрова составляет 156 дней. Высота снежного покрова достигает 43 см.
Атмосферное давление в среднем равно 748 мм. рт.
ст.
.1.1 Состояние системы теплоснабжения
В настоящее время теплоснабжение осуществляется
от котельной с установленной мощностью 0,94 Гкал/ч.
Котельная обеспечивает теплоснабжение жилого
фонда.
Присоединенная тепловая нагрузка без учета
потерь в тепловых сетях составляет:
на отопление - 0,898 Гкал/ч;
итого - 0,898 Гкал/ч.
Жилой и общественный фонд оборудован системами
централизованного отопления.
В котельной установлено два паровых котла,
характеристика которых представлена в таблице 1.1.3
Таблица 1.1.3
Характеристика оборудования котельной
|
№
п/п
|
Тип
котла
|
Год
установки
|
Производительность Гкал/час
|
|
1
|
Универсал-6
|
1982
|
0,47
|
|
2
|
Универсал-6
|
1987
|
0,47
|
|
Итого:
|
|
|
0,94
|
Котельная работает на твердом топливе.
Температурный график сетевой воды в тепловых
сетях отопления - 95/70°С.
Подпитка тепловых сетей осуществляется сырой, не
подготовленной водой из системы городского водопровода, водоподготовительное
оборудование отсутствует.
Первоначально от существующей котельной было
предусмотрено обеспечение населения поселка горячим водоснабжением, в настоящее
время по причине износа оборудования горячее водоснабжение в поселке
отсутствует.
Тепловые нагрузки котельной по ул. Чехова
представлены в таблице 1.1.4
Таблица 1.1.4
Тепловые нагрузки котельной по ул. Чехова
|
Наименование
|
Теплопотребность.
Гкал/ч
|
|
Qот
|
Qгвс
|
Qобщ
|
|
1
|
2
|
3
|
4
|
|
Жилой
дом по ул. Чехова,1
|
0.0924
|
|
0.09241
|
|
Жилой
дом по ул. Чехова,2
|
0.0147
|
|
0.01474
|
|
Жилой
дом по ул. Чехова,2а
|
0.0668
|
|
0.06680
|
|
Жилой
дом по ул. Чехова,3
|
0.0562
|
|
0.05620
|
|
Жилой
дом по ул. Чехова,4
|
0.0109
|
|
0.01090
|
|
Жилой
дом по ул. Чехова,5
|
0.0963
|
|
0.09630
|
|
Жилой
дом по ул. Чехова,6
|
0.0139
|
|
0.01390
|
|
Жилой
дом по ул. Чехова,7
|
0.0930
|
|
0.09300
|
|
Жилой
дом по ул. Чехова,8
|
0.0134
|
|
0.01340
|
|
Жилой
дом по ул. Чехова,9
|
0.0990
|
|
0.09900
|
|
Жилой
дом по ул. Чехова,10
|
0.0114
|
|
0.01140
|
|
Жилой
дом по ул. Чехова,11
|
0.1072
|
|
0.10720
|
|
Жилой
дом по ул. Чехова,12
|
0.0160
|
|
0.01600
|
|
Жилой
дом по пер. Чехова,1
|
0.0102
|
|
0.01020
|
|
Жилой
дом по пер. Чехова,2
|
0.0101
|
|
0.01010
|
|
Жилой
дом по пер. Чехова,3
|
0.0102
|
|
0.01020
|
|
Жилой
дом по пер. Чехова,4
|
0.0102
|
|
0.01020
|
|
Жилой
дом по пер. Чехова,5
|
0.0102
|
|
0.01020
|
|
Жилой
дом по пер. Чехова,6
|
0.0102
|
|
0.01020
|
|
Жилой
дом по пер. Чехова,7
|
0.0102
|
|
0.01020
|
|
Жилой
дом по ул. Техническая,8
|
0.0118
|
|
0.01180
|
|
Жилой
дом по ул. Техническая,10
|
0.0239
|
|
0.02390
|
|
Жилой
дом по ул. Техническая,12
|
0.0552
|
|
0.05520
|
|
Жилой
дом по по ул. Комсомольская,4
|
0.0189
|
|
0.01890
|
|
Жилой
дом по по ул. Комсомольская,2
|
0.0256
|
|
0.02556
|
|
ИТОГО
|
0.898
|
|
0.898
|
Система теплоснабжения двухтрубная.
Протяженность тепловых сетей отопления составляет 1800 м в двухтрубном
исполнении. Нагрузка на горячее водоснабжение отсутствует. Тепловая изоляция из
минеральной ваты с покровным слоем из рубероида.
Таблица 1.1.5
Тепловые нагрузки переключаемые от котельной
«Космоэлектро»
|
Наименование
|
Теплопотребность.
Гкал/ч
|
|
Qот
|
Qгвс
|
Qобщ
|
|
Жилой
дом по ул. Чехова,13
|
0.0950
|
|
0.09500
|
|
Жилой
дом по ул. Чехова,15
|
0.1100
|
|
0.11000
|
|
Жилой
дом по ул. Чехова,17
|
0.1590
|
|
0.15900
|
|
Жилой
дом по ул. Чехова,19
|
0.3280
|
|
0.32800
|
|
ИТОГО
|
0.692
|
|
0.692
|
Таблица 1.1.6
Расчет максимально-часовых нагрузок и
планируемой реализации ГВС от проектируемой котельной в п. Космынино
|
Адрес
дома
|
Количество
человек
|
Норматив,
л/мес на 1 чел
|
Максимально
часовая нагрузка, Гкал/ч
|
Норматив
на ГВС Гкал/мес
|
Реализация,
Гкал/год
|
|
1
|
2
|
3
|
4
|
5
|
6
|
|
Чехова,9
|
38
|
115
|
0.03375
|
0.19
|
83.03
|
|
Чехова,11
|
37
|
115
|
0.03375
|
0.19
|
80.845
|
|
1
|
2
|
3
|
4
|
5
|
6
|
|
Чехова,13
|
398
|
115
|
0.35625
|
0.19
|
869.63
|
|
Чехова,15
|
|
|
|
|
|
|
Чехова,17
|
|
|
|
|
|
|
Чехова,19
|
|
|
|
|
|
|
Итого:
|
473
|
|
0.424
|
|
1033.51
|
.1.2 Выводы по существующему состоянию системы
теплоснабжения
Тепловая потребность от котельной по ул. Чехова
составляет 0,898 Гкал/ч (без учета потерь в тепловых сетях).
Тепловая потребность от котельной «Космоэлектро»
составляет 0,692 Гкал/ч (без учета потерь в тепловых сетях).
Тепловая потребность в ГВС составляет 0,424
Гкал/ч (без учета потерь в тепловых сетях)
Котельные, обеспечивающие потребителей, работают
на экологически «грязном топливе», котельная по ул. Чехова - на каменном угле,
котельная «Космоэлектро» - на мазуте (устаревшее оборудование не обеспечивает
полноту сгорания топлива, что наносит значительный урон окружающей среде).
Тепловые сети проложены, в основном, подземно
бесканально, исчерпали свой нормативный ресурс и требуют замены.
Используемая в котельных вода, поступает из
поселкового водопровода.
При формировании вариантов учитывалось
следующее:
Тепловые нагрузки жилищно-коммунального сектора
учтены полностью и составят без учета потерь в тепловых сетях 2,014 Гкал/ч.
Техническое состояние оборудования котельной и
недостатки работы системы теплоснабжения.
Наличие площадки для строительства новой
котельной.
Земельный участок для строительства котельной
намечен в центре нагрузок.
Ввиду неудовлетворительного состояния
существующих тепловых сетей требуется их замена.
Необходимо доведение показателей качества воды, поступающей
на котельные, до нормативных.
1.2.1 Теплоснабжение от котельных по ул. Чехова
и переключение потребителей жилого фонда от котельной «Космоэлектро»
Предусматривается строительство новой котельной.
Блочно-модульная котельная установленной мощностью
2,322 Гкал/ч располагаемой на площадке в центре нагрузок. Присоединенная
тепловая нагрузка без учета потерь в тепловых сетях - 2,014 Гкал/ч.
В качестве основного оборудования используются
котлы типа REX 130 - 1 шт и REX 140 - 1 шт. Изготовитель ICI Caldaie (Италия).
Котлы серии REX малой мощности, с реверсивным
развитием факела в топке.
Рис. 1.2.1 Котел REX 130. Мощность котла 1300,0
кВт/ч
|
Модель
|
Мощность,
кВт
|
Мощность
горелки, кВт
|
Сопр.
топки мбар
|
КПД
|
Высота,
мм
|
Ширина,
мм
|
Длина,
мм
|
Масса,
кг
|
|
REX130
|
1300
|
1409
|
6,5
|
92,26
|
1660
|
1440
|
2500
|
1760
|
Водогрейный котел серии REX малой мощности,
жаротрубный, стальной, напольный с реверсивным развитием факела в топке,
работающий на жидком и газообразном топливе.
Котлы серии REX предназначены для использования
с надувными горелками, работающими на жидком или газообразном топливе.
Применяются, как правило, двухступенчатые и модулирующие горелки.
Все котлы REX имеют Российские сертификаты и
разрешения РОСТЕХНАДЗОРа, в Россию поставляются в комплектации согласно
требований Российских нормативных документов (СНиП, ГОСТ и т.п.).
Котел REX сочетает в себе надежность и большой
срок эксплуатации при высоком КПД.
Стандартная комплектация: внешний корпус с
изоляцией и облицовкой; турбулизаторы; ёршик для чистки котла; панель
управления (1 световой индикатор напряжения; 2 регулировочных термостата котла;
1 предохранительный термостат с ручной перезарядкой; 1 термостат запуска насоса
рециркуляции; 1 переключатель горелки; 1 переключатель насоса рециркуляции; 1
термометр котла).
Опция: Аналоговая/цифровая панель управления;
сверхизоляция (на фотографии показан вариант котла с сверхизоляцией); комплект
дистанционных датчиков.
Использование аналоговой/цифровой панели
управления позволяет управлять температурой воды в интервале (60 - 110°С) в
автоматическом режиме в зависимости от температуры наружного воздуха (работа
при изменяющейся температуре), выполнять другие специальные функции.
Котлы серии REX большой мощности, с реверсивным
развитием факела в топке.
Рис. 1.2.2 Котел REX 140. Мощность котла: 1400,0
кВт/ч
|
Модель
|
Мощность,
кВт
|
Мощность
горелки,кВт
|
Сопр.
топки, мбар
|
КПД
|
Высота,
мм
|
Ширина,
мм
|
Длина,
мм
|
Масса,
кг
|
|
REX
140
|
1400
|
1517
|
6,0
|
92,29
|
1630
|
1470
|
2850
|
2600
|
1.2.2 Основные технические решения по
строительству источника тепла и тепловых сетей
Решения по генеральному плану размещения новой
котельной БМК принимаются в соответствии со СНиП II-89-80* «Генеральные планы
промышленных предприятий», СанПиН 2.2.1/2.1.1.1200-03 «Санитарно-защитные зоны
и санитарная классификация предприятий, сооружений и иных объектов» и с учетом:
выбранного земельного участка;
технологической схемы котельной;
прилегающей застройки в районе строительства
котельной;
существующей инженерной инфраструктуры;
удобных и безопасных путей для транспорта и
пешеходов;
максимального использования естественного
рельефа;
Здание новой котельной планируется выполнить из
легких металлических конструкций на монолитном железобетонном фундаменте со
стеновым ограждением из трехслойных панелей тип «сэндвич» с эффективным
минеральным утеплителем.
Основное и вспомогательное оборудование должно
отвечать основным техническим, эксплуатационным и нормативным требованиям.
экологическим показателям и требованиям
безопасности;
«Правила устройства и безопасной эксплуатации
паровых и водогрейных котлов и водоподогревателей»;
СНиП II-35-76 «Котельные установки»;
Новая котельная по надежности отпуска тепла
потребителям относятся ко второй категории.
На новых источниках тепла в тепловой схеме
предусматривается работа с промежуточным контуром (далее - промконтур)
циркуляции котловой воды.
Технологическая схема с промконтуром изолирует
котлы от тепловых сетей посредством установки теплообменников.
Применение промежуточного контура позволит
защитить поверхности нагрева котлов от коррозии и отложений, так как не
происходит контакта котловой воды с сетевой водой.
Регулирование температуры котловой воды в
промконтуре контуре осуществляется путем изменения подачи топлива и температуры
обратной воды.
Температура обратной воды (на входе в котел)
регулируется насосами рециркуляции и клапаном перепуска на теплообменниках
отопления.
Системы регулирования теплообменников
отопительной воды осуществляют отпуск тепла в соответствии с температурами
наружного воздуха по температурному графику с максимальной температурой воды в
подающей магистрали системы отопления - 95°С.
В контуре системы отопления на обратных
трубопроводах устанавливают грязевики и фильтры для очистки воды от механических
загрязнений.
В котельных предусматривается установка приборов
учета в соответствии с действующими нормами и требованиями Ростехнадзора (Свод
правил по проектированию и строительству, проектирование автономных источников
теплоснабжения). Следует предусматривать показывающие приборы для измерения:
температуры прямой и обратной сетевой воды;
давления в подающем и обратном трубопроводах
тепловых сетей;
давления в подающем и обратном трубопроводах
тепловых сетей (до и после грязевика);
давления газообразного топлива в магистралях
перед котлами.
В проекте котельной следует предусматривать
регистрирующие приборы для измерения:
температуры воды в подающем трубопроводе системы
теплоснабжения и горячего водоснабжения и в каждом обратном трубопроводе;
давления воды в каждом обратном трубопроводе
системы теплоснабжения;
давления и температуры газа в общем газопроводе
котельной;
расхода воды в каждом подающем трубопроводе
систем теплоснабжения и горячего водоснабжения;
расхода циркуляционной воды горячего
водоснабжения;
расхода возвращаемого конденсата (суммирующий);
расхода газа в общем газопроводе котельной
(суммирующий).
В соответствии с требованиями «Правил
эксплуатации котельных жилищно-коммунального хозяйства» и СНиП II-35-76
«Котельные установки» для организации требуемого при эксплуатации котельных
водного режима предусмотрена химическая водоподготовка.
Исходя из анализа исходной воды для
водоподготовки предусматривается одноступенчатое Na-катионирование.
Топливом для новых котельных является природный
газ.
Отвод продуктов сгорания от новой котельной
предусмотрен в дымовую трубу высотой не менее 20 м.
Конструкция дымовой трубы определяется на
последующей стадии разработки проекта - Проект, Рабочая документация.
Транспортировка тепловой энергии от котельной
намечается осуществить по вновь построенным тепловым сетям.
Новое строительство тепловых сетей отопления
предусматривается выполнить из теплоизолированных труб с изоляцией из
пенополиуритана (ППУ).
Для нужд отопления предусматривается температурный
график работы тепловых сетей 95°/70° С.
Новую котельную намечается обеспечить водо-,
электроснабжением, канализированием стоков от действующей в поселке инженерной
инфраструктуры.
В настоящее время ведется газификация поселка,
сети газоснабжения к месту расположения котельной подведены.
Блочно-модульная котельная
К БМК присоединены тепловые нагрузки
потребителей в размере 2,175 Гкал/ч (с учетом потерь в тепловых сетях, которые
составляют 8 % от общей тепловой нагрузки), в том числе:
отопление - 1,59 Гкал/ч;
ГВС - 0,424 Гкал/ч
В здании котельной к установке предлагаются два
водогрейных котла типа «REX 130» 1300 кВт - 1 шт. (1,118 Гкал/ч) и «REX 140»
1400 кВт - 1 шт (1,204 Гкал/ч), общей установленной мощностью 2,322 Гкал/ч.
Работа котельного оборудования, в зависимости от
температуры наружного воздуха представлена в таблице 1.2.1.
Таблица 1.2.1
Характеристика блочно-модульной котельной
|
Наименование
|
Единицы
измерения
|
Значения
показателей по режимам
|
|
|
I
|
II
|
III
|
|
Тепловая
нагрузка на коллекторах с учетом потерь в тепловых сетях
|
Гкал/ч
|
2.175
|
0.971
|
0.458
|
|
Собственные
нужды котельной
|
Гкал/ч
|
0.04
|
0.02
|
0.01
|
|
Выработка
тепла
|
Гкал/ч
|
2.219
|
0.990
|
0.467
|
|
Установленное
оборудование
|
|
REX
1300 кВт. REX 1400 кВт.
|
|
Установленная
мощность котельной
|
Гкал/ч
|
2.322
|
|
Количество
работающего оборудования:
|
|
|
|
|
|
REX
1300 кВт
|
|
1
|
1
|
1
|
|
REX
1400 кВт
|
|
1
|
|
|
|
Теплопроизводительность
работающего оборудования
|
Гкал/ч
|
2.322
|
1.118
|
1.118
|
|
Загрузка
оборудования:
|
|
|
|
|
|
REX
1300 кВт
|
Гкал/ч
|
1.118
|
1.118
|
1.118
|
|
REX
1400 кВт
|
Гкал/ч
|
1.204
|
-
|
-
|
|
Отпуск
тепла от котлов
|
Гкал/ч
|
2.219
|
0.990
|
0.467
|
|
Резерв
теплопроизводительности
|
Гкал/ч
|
0.104
|
0.128
|
0.651
|
|
Коэффициент
использования теплопроизводительности
|
%
|
95.54
|
|
|
Примечание: 1. I режим - максимально-зимний при
расчетной температуре наружного воздуха, II режим - аварийный при выходе из
работы одного котла. III - режим горячего водоснабжения в летний период
Отпуск тепловой энергии от новой котельной
сохраняется аналогично действующему в настоящее время, с учетом переключения
нагрузки от котельной «Космоэлектро»:
для системы отопления - 95°/70°;
Транспортировка тепловой энергии обеспечивается
двухтрубной системой: два трубопровода - на отопление. Для нужд ГВС
предусматривается 2-х трубная система: один трубопровод для подачи горячей воды
потребителям, один трубопровод - рециркуляция её. Схема теплоснабжения
закрытая.
В таблице 1.2.2 приведены диаметры и длины
прокладываемых трубопроводов от новой котельной.
Таблица 1.2.2
Система теплоснабжения от блочно-модульной
котельной (в двухтрубном
исчислении)
|
№
п.п.
|
Участки
|
Протяженность,
м (L)
|
Диаметр,
мм (Ду)
|
|
начало
|
конец
|
|
|
|
1
|
Отопление:
в том числе: новое строительство
|
|
|
|
425
|
50
|
|
|
|
604
|
70
|
|
|
|
287
|
100
|
|
|
|
659
|
125
|
|
Итого
|
1975
|
|
|
Горячее
водоснабжение: (новое строительство)
|
|
|
|
565
|
100
|
|
Итого
|
565
|
|
|
Всего
|
2540
|
|
.3 Расчет характеристик котельной
.3.1 Расчет производства тепловой энергии от
проектируемой блочно-модульной котельной
. Количество тепловой энергии, необходимое для
отопления потребителей на отопительный период:
Qот. = Qот.max*24*(ti
- tо)*n/
ti
- tот
где Qomax - расчетное значение часовой тепловой
нагрузки отопления, Гкал/ч;- усредненное расчетное значение температуры воздуха
внутри отапливаемых зданий, °С; tj=18°С- расчетное значение температуры
наружного воздуха для проектирования отопления в конкретной местности, °С; для
Костромы to= -3,9°С- среднее значение температуры наружного воздуха за
планируемый период, °С; для Костромы toт= -31°С- продолжительность
функционирования систем отопления в планируемый период, сут.; n=222 сут.
Qот. = 1,59*24*(20-(-3,9))*222/(20-(-31))=3970
Гкал/год
. Количество тепловой энергии, необходимое на
горячее водоснабжение:
Средняя часовая тепловая нагрузка горячего
водоснабжения в отопительный период:
Qср.з.=a*N*(55-t)*10-6/T
где a - норма затрат воды на горячее
водоснабжение абонента, л/ед. измерения в сутки; должна быть утверждена местным
органом самоуправления;- количество единиц измерения, отнесенное к суткам, -
количество жителей, учащихся в учебных заведениях и т.д.;- температура
водопроводной воды в отопительный период, °С; при отсутствии достоверной
информации принимается tc = 5 °С;- продолжительность функционирования системы
горячего водоснабжения абонента в сутки, ч; Т=24ч
Qср.от.=105*473*(55-5)*10-6/24=0,103 Гкалгод.
от.= Qср.от.*nот.
где nот.- продолжительность отопительного
периода в часах;
Qгод. от.= 0,103*5328=551,3 Гкал/год
Средняя часовая тепловая нагрузка горячего
водоснабжения в неотопительный период:
Qср.л.= Qср.от*b*(tг.от.-tх.от.)/(
tг.л-tх.л.)
где Qср.от - средняя часовая тепловая нагрузка
горячего водоснабжения в отопительный период, Гкал/ч;
b - коэффициент, учитывающий снижение средней
часовой нагрузки горячего водоснабжения в неотопительный период по сравнению с
нагрузкой в отопительный период; если значение b не
утверждено органом местного самоуправления, b принимается равным
0,8 для жилищно-коммунального сектора городов средней полосы России, 1,2-1,5 -
для курортных, южных городов и населенных пунктов, для предприятий - 1,0;г.от,
tг.л - температура горячей воды в неотопительный и отопительный период,
°С;х.от, tх.л - температура водопроводной воды в неотопительный и отопительный
период, °С; при отсутствии достоверных сведений принимается tcs = 15 °С, tc = 5
°С.
Qср.л.=0,103*08*(55-15)/(55-5)=0,066
Гкал
Qгод. л.= Qср.л.*nнеот.
где nот.- продолжительность неотопительного
периода в часах;
Qгод. л.=0,066*3072=202,5 Гкал/год
.Общий расход тепла на ГВС:
год.= Qгод. от+ Qгод. л.гвс.=551,3+202,5=753,8
Гкал/год
. Общее количество тепловой энергии на отопление
и горячее водоснабжение:
год. = Qот.+ Qгвс.=3970+753,8=4723,8 Гкал/год
. Потери тепловой энергии в сетях п. Космынино
сотавляют 8% от общего объёма реализации тепловой энергии:
пот. =4723,8*0,08=377,9 Гкал/год
. Отпуск тепла от котельной:
= Qгод. + Qпот. =4723,8+377,9=5101,7 Гкал/год
Таблица 1.3.1
Реализация тепловой энергии
|
Реализация
|
|
Объем
реализации отопления
|
3970
|
Гкал/год
|
|
Объем
реализации ГВС
|
753,8
|
Гкал/год
|
|
Объем
реализации
|
4723,8
|
Гкал/год
|
|
Потери
тепловой энергии в сетях п. Космынино
|
377,9
|
Гкал/год
|
|
Отпуск
тепла с котельной
|
5101,7
|
Гкал/год
|
1.3.2 Расчет потребления газа проектируемой БМК
в п. Космынино
VГ = QОТП * НТ ОТП / 1,143
Где QОТП - Отпуск тепла с БМК
НТ ОТП - норматив удельного расхода топлива на
отпуск тепловой энергии с БМК
Таблица 1.3.2
Расчет потребления газа
|
Отпуск
тепла с котельной
|
5101,7
|
Гкал/год
|
|
Норматив
удельного расхода топлива
|
159.000
|
кг
у.т./Гкал
|
|
Переводной
коэффициент из условного топлива в натуральное
|
1.143
|
|
|
Объем
потребления газа
|
709,685
|
тыс.нм3
/год
|
.3.3 Расчет потребления воды
Площадь поперечного сечения:
S= pD2/4 , м2
Объём тепловых сетей:
= L* S, м3
Объём подпитки тепловых сетей:
подп= k*V, м3/ч
Таблица 1.3.3
Расчет нормативной подпитки для тепловых сетей
отопления от блочно-модульной котельной
|
Диаметр
трубопровода
|
Протяженность
|
Площадь
поперечного сечения
|
Объем
|
Часовая
нормативная утечка в тепловых сетях
|
Объем
подпитки тепловых сетей
|
|
|
D,
мм
|
L,м
|
S,
м2
|
V,м3
|
k
|
V
подп
|
|
|
0.05
|
850
|
0.00196
|
1.668
|
0.0025
|
0.00417
|
м3/ч
|
|
0.07
|
1208
|
0.00385
|
4.647
|
0.0025
|
0.01162
|
м3/ч
|
|
0.1
|
574
|
0.00785
|
4.506
|
0.0025
|
0.01126
|
м3/ч
|
|
0.125
|
1318
|
0.01227
|
16.166
|
0.0025
|
0.04042
|
м3/ч
|
|
Суммарная
подпитка
|
0.06747
|
м3/ч
|
|
Суммарная
подпитка за отопительный период
|
359.48
|
м3/от
пер
|
Таблица 1.3.4
Расчет нормативной подпитки для тепловых сетей
ГВС
от блочно-модульной котельной
|
Диаметр
трубопровода
|
Протяжен ность
|
Площадь
поперечного сечения
|
Объем
|
Нормативная
утечка в тепловых сетях
|
|
|
D,
мм
|
L,м
|
S,
м2
|
V,м3
|
k
|
V
подп
|
|
|
0.1
|
1130
|
0.00785
|
8.871
|
0.0025
|
0.02218
|
м3/ч
|
|
Суммарная
подпитка
|
0.02218
|
м3/ч
|
|
Суммарная
подпитка за год
|
186,312
|
м3/год
|
Суммарная нормативная подпитка составит 545,8
м3/год
.3.4 Расчет потребления электроэнергии на
котельную
При расчете принимаем удельную норму по
электроэнергии для блочно-модульной котельной 18 кВт на 1 Гкал выработанной
тепловой энергии (на основании Постановления губернатора Костромской области от
10 августа 2005 г. N 456 «Об утверждении порядка определения норм потребления
топливно-энергетических ресурсов»).
Таблица 1.3.5
Годовой расход электроэнергии по БМК
|
Отпуск
тепла с котельной
|
5101,7
|
Гкал/год
|
|
Норматив
удельного расхода эл. энергии
|
18.00
|
кВт/Гкал
|
|
Расход
эл.энергии
|
91830,6
|
кВт/год
|
.4 Разработка тепловой схемы котельной
.4.1 Тепловая схема котельной
Котельная выполнена в двухконтурном исполнении с
блоком ГВС. (рис. 1.4.1).
Внутренний (котловой) контур предназначен для
нагрева воды в двух жаротрубных котлах (К1) и (К2). Для сжигания топлива
(природного газа) на каждом котле установлены по одной газовой блочной горелке.
Циркуляция воды через котлы и во внутреннем контуре обеспечивается котловыми
насосами (К4), установленными по одному на каждом котле. Нагретая котловая вода
поступает на пластинчатые теплообменники отопления (К9) и ГВС (К10). Для
компенсации резких скачков давления воды установлены расширительные баки
«Flexcon» (К15). При чрезмерном повышении давления в выходном коллекторе котлов
(свыше 7,0 кгс/см2) сработают сбросные клапаны и излишки воды будут сброшены в
канализацию.
Наружный контур (контур тепловой сети отопления)
включает в себя тепловую сеть, грязевик (К13), сетевые насосы (К3),
обеспечивающие циркуляцию воды, и теплообменники отопления (К9).
Обратная вода от потребителей ГВС проходит через
грязевик (К14) и попадает в бак-аккумулятор. При снижении уровня воды в баке до
нижнего рабочего наполнение бака происходит водопроводной водой. Вода из
бака-аккумулятора забирается насосами ГВС (К8) проходит через устройство
нехимической обработки воды (К17), теплообменники ГВС (К10), нагревается до
температуры 60 0С и подается потребителю.
Поддержание температуры теплоносителя в сети
отопления на выходе из котельной в зависимости от температуры наружного
воздуха, а также температуры воды в системе ГВС не ниже 60 0С, производится
изменением объема воды (количественное регулирование), проходящего через
теплообменники отопления (К9) и ГВС (К10) по внутреннему контуру.
Количественное регулирование осуществляется с помощью трехходовых клапанов,
установленных по одному перед теплообменниками отопления и ГВС.
Подпитка внутреннего и наружного контуров происходит
водопроводной водой, прошедшей через насосы сырой воды (К5), автоматическую
установку умягчения воды (К12) и баки запаса химочищенной воды (К16) с помощью
подпиточных насосов внутреннего (К6) и наружного (К7) контуров соответственно.
Коммерческий учет тепловой энергии, выработанной
котельной (отопление и ГВС) производится двумя теплосчетчиками (отопления и
ГВС).
В качестве топлива котельной принят природный
газ с теплотой сгорания Q=8000ккал/нм3.
.4.2 Выбор основного и вспомогательного
оборудования
Выполнение проекта осуществлялось на основании
задания на проектирование, разработанного администрацией п. Космынино
Нерехтского района в соответствии со СНиП II-35-76 [5] и [3].
Назначение котельной - отпуск теплоты на
отопление и горячее водоснабжение.
Установленная теплопроизводительность котельной
- 2,7 МВт (2,014 Гкал/ч).
Расчетная тепловая нагрузка:
на отопление - 1,85 МВт (1,59 Гкал/ч)
на горячее водоснабжение - 0,49 МВт (0,424
Гкал/ч)
Параметры теплоносителя (воды) в теплосети -
95/70 :С.
Параметры теплоносителя (воды) в сети ГВС - 65/5
'С.
Давление в трубопроводах тепловой сети:
в подающем трубопроводе - 4,0 кгс/см2.
В обратном трубопроводе - 2,0 кгс/см2.
Давление в трубопроводах ГВС:
в подающем трубопроводе - 4,0 кгс/см2.
В обратном трубопроводе - 2,5 кгс/см2.
Давление воды в водопроводе - 2,5 кгс/см2.
Основное топливо котельной - природный газ Qpн=
8000 ккал/ нм3
Проектом предусматривается котельная с двумя водогрейными
котлами REX 130 и REX 140 фирмы «ICI CALDAIE» (Италия), предназначенными для
выработки тепла на нужды отопления, вентиляции и горячего водоснабжения. Котлы
оборудованы блочными газовыми горелками ЕК 06.В 120 G/F-ZVT ф. «Elco»
(Германия).
Циркуляция воды в контуре теплосети
обеспечивается сетевыми насосами К 28/500 Т (Зшт: 2-рабочих. 1-резервный) фирмы
«DAB» (Италия). Насосы выбраны исходя из заданных параметром действующих
тепловых сетей. Характеристики насосов: G=30 м3/ч, H=26 м , N=4 кВт (Приложение
1).
Циркуляция теплоносителя во внутреннем контуре
обеспечивается котловыми насосами ВРН 150/340.65Т (2шт.) фирмы «DAB» (Италия).
Характеристики насосов: G=21 м3/ч, H=13 м, N=1,38 кВт (Приложение 1).
Поддержание температуры теплоносителя на входе в
котлы не ниже 70°С осуществляется с помощью трехходовых клапанов V5431F1081 Ду
65 (2шт.) фирмы «Honeywell» (по одному на каждый котел).
Для компенсации температурных расширений
теплоносителя во внутреннем контуре предусмотрена установка двух мембранных расширительных
баков Flexcon СЕ 200 производства фирмы «Flamco» (Голландия).Объём бака V=200л.
Обеспечение необходимой температуры
теплоносителя в теплосети достигается изменением расхода греющего теплоносителя
через подогреватели VT 40 MHL/CDS-16/42 производства ООО «Машимпэкс» по
температурному графику.
Обеспечение необходимой температуры горячей воды
в системе ГВС достигается изменением расхода греющего теплоносителя через
подогреватели ГВС VT 04 PHK/CD-16/22 (2шт.), производства ООО «Машимпэкс» по
температуре нагреваемой воды.
Для заполнения бака химочищенной водой
предусмотрены повысительные насосы сырой воды KPS 30/16 М (2шт., 1-рабочий,
1-резервный) ф. «DAB» (Италия). Характеристики насосов: G=1 м3/ч, H=20 м, N=0,3
кВт (Приложение 1).
Восполнение утечек и поддержание
заданного статического давления осуществляют из бака химочищенной воды 
2,5 м3 насосами KPS 30/16 Т (2шт.)
фирмы «DAB» (Италия) (1-рабочий. 1-резервный). Поддержание заданного
статического давления во внутреннем контуре осуществляется насосами КР 38/18 М
(2шт.) фирмы «DAB» (Италия) (1-рабочий. 1-резервный). Характеристики насосов:
G=1 м3/ч, H=40 м, N=0,6 кВт (Приложение 1). Для достижения необходимого
качества сырой воды предусмотрена установка механического фильтра (грубая
механическая очистка), блочная установка умягчения воды НТ STF 0844-9000.
Дополнительно подпиточная вода на внутренний контур проходит обработку через
коррекционную установку для снижения РН.
Предусмотрена установка двух
баков-аккумуляторов V=5m . Насосы ГВС К 18/500 Т (2шт. 1-рабочий. 1-резервный)
фирмы «DAB» качают горячую воду из баков и подают ее в сеть, тем самым,
обеспечивают циркуляцию воды в контуре ГВС. Характеристики насосов: G=15 м3/ч,
H=28 м, N=3 кВт (Приложение 1).
Для защиты котлов от избыточного
давления предусмотрена установка предохранительных клапанов Prescor S 960-1
1/2» (2шт. по одному на каждый котел). При их срабатывании вода отводится в
канализацию.
.4.3 Газоснабжение
В соответствии с заданием на
проектирование в котельной предусматривается установка двух котлов REX-130 и
REX-140, каждый из которых оборудован блочной газовой горелкой ЕК 06.120
G/F-ZVT производства фирмы «Е1со».
Давление газа к рампе горелки
составляет 21,0 кПа (минимальное давление, необходимое для развития горелкой
максимальной тепловой мощности, составляет 10,0 кПа).
В качестве топлива принят природный
газ с низшей теплотой сгорания 8000 ккал/нм3.
Давление газа на вводе в котельную
25,0 кПа. Подача газа осуществляется от ГРПШ-03М-2У1-1, стоящего рядом с
котельной (рис. 1.4.2).
На случай возникновения пожара,
загазованности котельной, концентрации СО сверх допустимых пределов или
отключения электроэнергии предусмотрена отсечка подачи газа электромагнитным
клапаном ВНЗН-1.
После клапана, для защиты счетчика
газа от механических примесей, установлен фильтр газовый ФНЗ-1.
Учет расхода газа на котельную
осуществляется комплексом СГ-ЭКВз-Т 1-0,2-250/1.6 со счетчиком газа СП6МТ-250 и
электронным корректором объема ЕК-260. Прибор также обеспечивает контроль и
регистрацию параметров газа.
Расчетный расход природного газа в
котельной по теплотехническим параметрам составляет: при максимальном расходе
тепла - Втах= 233.0 нм3/ч. при минимальном расходе тепла - Bmin= 36.3 нм3 /ч.
Согласно требованиям «Правил
пользования газом и предоставления услуг по газоснабжению в Российской
Федерации» в проекте для технологического учета газа предусмотрены поагрегатные
счетчики СП6МТ-250. Ду80 [2 шт.). Максимальный расход газа, измеряемый счетчиком
СГ16МТ-250. Qmax=250 м3/ч. диапазон измерения расходов D 1:20.
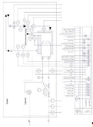
.5 Автоматизация котельной
Проект блочно-модульной котельной
предусматривает полную автоматизацию котельной и эксплуатацию её без
непосредственного участия оператора. Это приведёт к снижению себестоимости
продукции.
При комплексной автоматизации на
автоматическое управление переводятся как вспомогательные, так и основные
процессы. При этом используются всевозможные средства автоматизации, в том
числе и управляющие вычислительные комплексы. В данном проекте в качестве
такого вычислительного комплекса выступает микроконтроллер «РС-365D» фирмы ООО
«Контэл». Роль человека сводится к наладке, регулировке, обслуживанию средств
автоматики и наблюдению за их действием.
По уровню автоматизации теплоэнергетика занимает одно из ведущих мест среди
других отраслей промышленности. Теплоэнергетические установки характеризуются
непрерывностью протекающих в них процессах. При работе выработка тепловой
энергии в любой момент времени должна соответствовать потреблению (нагрузке).
Автоматизация котлов
предусматривает:
. теплотехнический контроль
(измерение) текущих значений параметров технологического процесса, приборы
ведут непрерывный контроль процессов, протекающих в котле;
. дистанционное управление, или
управление машинами и механизмами на расстоянии;
. автоматическое непрерывное
регулирование, обеспечивающее автоматическое поддержание технологических
параметров вблизи заданного предела;
. автоматическую защиту основного и
вспомогательного оборудования от возможных повреждений в процессе эксплуатации,
в зависимости от характера нарушения защита останавливает котел, снижает его
нагрузку или выполняет локальные (местные) операции предотвращающие аварии;
. логическое управление,
обеспечивающее автоматическое включение или отключение регуляторов, машин,
механизмов и установок в заданной последовательности.
.полную диспетчеризацию
блочно-модульной котельной.
Для автоматизации газифицированной
блочно-модульной котельной в п. Космынино необходимо выполнить требования [3] и
СНиП II-35-76 [5].
В котельной подлежат автоматизации
два котла REX-130 и REX-140, оборудованными горелками ЕК 06В. 120 G/F-VT
(«Elco»), работающими на газе среднего давления, и вспомогательное
оборудование.
.5.1 Теплотехнический контроль
Установка приборы теплотехнического
контроля предусмотрена проектом в объеме требований СНиП II-35-76 [5]. Проектом
предусмотрено по топливному тракту:
контроль и регистрация расхода,
температуры и давления газа в общем газопроводе котельной автоматическим
измерительным газовым комплексом с корректором ЕК-260;
контроль давления газа на вводе в
котельную;
контроль перепада давления газа на
счетчике газа;
контроль давления газа до и после
газового фильтра;
контроль загазованности котельной
метаном и оксидом углерода -газоанализатором ЭССА-СО/1-СН4/2.
По котлам предусматривается контроль
параметров (рис. 1.5.1):
давление газа на опуске к каждому
котлу;
-давление газа перед горелкой;
давление воздуха перед горелкой;
давление в топке;
разрежение за котлом;
температура дымовых газов;
температура воды на выходе из котла;
давление воды на выходе из котла;
температура воды на входе в котел;
давление воды на входе в котел;
давление до и после насоса
рециркуляции котла;
содержание 02, СО и NOx в дымовых
газах.
По вспомогательному оборудованию:
регистрация расхода, температуры,
давления в прямой и обратной теплосети и сети ГВС, количества теплоты на
отопление - теплосчётчиком ВКТ-5 с расходомером электромагнитным «ПРЭМ-2».
.5.2 Управление и технологическая
защита
Автоматика горелки ЕК 06В. 120
G/F-VT осуществляют защиту котла при следующих аварийных ситуациях:
исчезновении напряжения в цепях
автоматики:
погасании пламени горелки;
понижении давления воздуха перед
горелкой;
повышении и понижении давления газа
перед горелкой.
Шкаф управления горелкой
осуществляет защиту котла при следующих аварийных ситуациях:
исчезновении напряжения в цепях
автоматики;
погасании пламени горелки;
понижении давления воздуха перед
горелкой;
понижении давления газа перед
горелкой;
повышении давления газа перед
горелкой.
Дополнительно шкаф котловой
автоматики осуществляет защиту котла при следующих аварийных ситуациях:
повышении и понижении давления газа
перед котлом:
повышении температуры воды на выходе
из котла;
повышении давления в топке;
повышении давления воды на выходе из
котла.
Автоматизация котла выполнена на
базе контроллера «PC-365D» компании «Контэл».
Автоматика котла на базе контроллера
«PC-365D» обеспечивает выполнение следующих функций:
автоматический пуск и останов котла:
контроль и защиту по основным
технологическим параметрам;
обеспечение нормативных блокировок в
процессе управления;
сигнализацию о нарушении
технологического процесса и запоминание причин останова котла;
автоматическое поддержание заданного
соотношения «газ-воздух»;
автоматическое поддержание
температуры воды на выходе из котла;
управление котлом в автоматическом и
дистанционном режиме (с верхнего уровня управления).
Автоматика котельной на базе
контроллера «PC-365D» предусматривает:
управление котлами в режиме
«Каскад»;
управление сетевыми, подпиточными
насосами, насосами ГВС и насосами сырой воды с обеспечением режима АВР
(автоматический ввод резервного насоса при останове рабочего);
управление клапаном подпитки по
падению давления в обратном трубопроводе сетевой воды;
управление клапаном подпора по
падению давления в обратном трубопроводе воды ГВС;
смену рабочих насосов сетевых,
подпиточных и насосов ГВС на резервные (раз в неделю или раз в день);
Согласно требованиям СНиП II-35-76
п. 14.6 и «Инструкции по контролю за содержанием окиси углерода в помещениях
котельных» п.4.5. для котельных, работающих без постоянного обслуживающего
персонала, предусмотрено автоматическое отключение подачи топлива в котельную
при загазованности котельной метаном и оксидом углерода, а также при отключении
электроэнергии в котельной, при пожаре. Для этого в котельной на общем
газопроводе предусмотрен отсекатель газа, которым управляет комплекс «PC-365D».
При загазованности оксидом углерода
(20±5) мг/мЗ в котельной выполнена предупредительная сигнализация.
.5.3 Регулирование параметров
Проектом предусмотрены четыре
контура регулирования:
контур регулирования температуры
воды в прямой теплосети. Регулирование осуществляет контроллер «PC-365D»;
контур регулирования температуры
воды в сеть ГВС. Регулирование осуществляет контроллер «РС-365D»;
контур регулирования давления
обратной сетевой воды. Регулирование осуществляет контроллер «PC-365D»;
контур регулирования давления
обратного ГВС. Регулирование осуществляет контроллер «PC-365D».
.5.4 Автоматическое управление
котельной
Теплосчётчик ВКТ-5
Рис. 1.5.2 Теплосчётчик ВКТ-5
Вычислитель предназначен для работы
в составе теплосчетчиков, предназначенных для контроля и учета, в том числе при
учетно-расчетных операциях, потребления теплоносителя, тепловой энергии и
холодной воды при их отпуске и потреблении в водяных и паровых системах тепло и
водопотребления.
Вычислитель обеспечивает
преобразование, вычисление, индикацию и регистрацию количества тепловой
энергии, температуры, давления и расхода теплоносителя по 1…8 трубопроводам, их
среднечасовых, среднесуточных и итоговых значений, а также времени наработки
вычислителя (теплосчетчика).
Вычислитель обеспечивает регистрацию
указанной информации на внешнем устройстве (принтере, ПЭВМ и т.п.) посредством
интерфейса RS232, Centronics, RS485 (последний по заказу).
Вычислитель обеспечивает работу с
датчиками:
)объемного расхода с выходным
частотным или объема с выходным числоимпульсным (частотным) сигналом в
диапазоне частот до 1000 (активный выход) или 200 Гц (пассивный выход) при весе
импульса от 10-6 дм3(л) до 103м3;
)объемного расхода с
пропорциональным выходным сигналом постоянного тока в диапазонах 0-5, 0-20
и/или 4-20 мА;
) массового расхода на основе
расходомеров (до 2-х на трубопроводе) переменного перепада давления, имеющих
линейную (пропорционально перепаду) и/или квадратичную (пропорционально корню
квадратному из перепада) функцию преобразования, с выходным сигналом
постоянного тока в вышеуказанных диапазонах;
)давления (абсолютного и/или
избыточного) с выходным сигналом постоянного тока в вышеуказанных диапазонах;
) температуры - медными и/или
платиновыми термопреобразователями сопротивления с номинальным сопротивлением
50, 100 и/или 500 Ом.
Вычислитель обеспечивает питание
датчиков температуры, а также датчиков объемного расхода и объема с пассивной
выходной цепью типа «замкнуто-разомкнуто» (геркон, транзистор).
В процессе работы вычислитель
производит ввод информации от первичных преобразователей температуры, давления
и расхода теплоносителя, преобразует полученные значения в цифровую форму,
осуществляет фильтрацию, автоматическую калибровку и анализ принятых данных на
достоверность.
Принципиальным отличием ВКТ-5
является возможность конфигураций
измерительных входов по желанию
заказчика, позволяющая использовать теплосчетчик в любых водяных и паровых
системах теплоснабжения и теплопотребления. Кроме этого, ВКТ-5 отличает
многоканальность: прибор единовременно может обрабатывать до 8 токовых сигналов
датчиков расхода или давления, до 8 частотных сигналов датчика расхода и до 8
сигналов термопреобразователей. Интерфейс RS-232, устанавливающийся по
умолчанию, обеспечивает подключение компьютера, модема, принтера, пультов для
считывания архивов и переноса их на компьютер. Интерфейс RS-485, который
устанавливается дополнительно, позволяет объединять приборы в сеть при
подключении к компьютеру или модему.
ВКТ-5 дает возможность осуществлять,
кроме функций учета тепловой
энергии,
автоматическое погодное регулирование теплопотребления зданий. Прибор
обеспечивает поддержание заданной температуры в помещении, а при необходимости
изменяет уровень теплопотребления в течение суток по заданной недельной
программе. Это позволяет при минимальных затратах снизить теплопотребление до
20-30%. Возможность погодного регулирования обеспечивают специально
предусмотренные выходные сигналы на регулирующие механизмы. Они могут быть
установлены в двух системах теплопотребления и реализуют на выбор несколько
алгоритмов регулирования.
Глубина архивации часовых и суточных параметров
теплоносителя составляет не менее 45 суток. Благодаря накопительным пунктам
типа НП, которые разработаны и выпускаются компанией «Теплоком», обеспечивается
быстрое считывание архивов, а с помощью модема - их дистанционная передача на
компьютер диспетчера.
Вычислитель предназначен для эксплуатации в
следующих рабочих условиях:
) температура окружающего воздуха в диапазоне
..........от 5 до 50°С;
) относительная влажность воздуха ....до 95% при
температуре 35 °С;
) атмосферное давление в диапазоне
.............. от 84 до 106,7 кПа;
) переменное частотой 50 Гц магнитное поле с
напряженностью до 400 А/м;
) механическая вибрация частотой 5-25 Гц с
амплитудой смещения до 0,1 мм.
Преобразование значений сопротивления в
показания температуры соответствует интерполяционным управлениям по ГОСТ 6651
при W100=1,428 и/или W100= 1,426 (ТСМ), W100=1,391 и/или W100=1,385 (ТСП).
Вычисление значений разности температур
соответствует уравнению:
dt = t1− t2 , [°С]
где t1 и t2 - температура теплоносителя
подающего и обратного трубопроводов соответственно, °С.
Преобразование числоимпульсного (частотного)
сигнала в показания объема соответствует уравнению:
V = 10-3 N⋅B
⋅
b , [м3]
где: N - число импульсов, имп;
В - вес импульса, дм3/имп;- поправочный
коэффициент на систематическую температурную погрешность датчика расхода
(объема).
Преобразование числоимпульсного (частотного)
сигнала в показания объемного расхода, соответствует уравнению:
Go = 3,6 ⋅
f ⋅B
⋅
b , [м-3/ч ]
где: f - измеренное значение частоты, Гц;
Преобразование токового сигнала в показания
объемного расхода соответствуют уравнению
= (I − I0 ) ⋅K
⋅
b , [м3/ч ]
где: I - измеренное значение тока, мА;о - нижний
предел диапазона изменения тока, мА;- то же, что в формуле;
К - коэффициент преобразования, м3/ч⋅мА.
Преобразование объемного расхода,
пропорционального постоянному току, в показания объема соответствует уравнению
V = ∫G0dτ ,
[м3]
где: Go - то же, что в формуле;
τ - время
интегрирования, ч (дискретность интегрирования 5 с);
Преобразование токового сигнала в показания
давления соответствует уравнению
P = Kp(Pmax
+ Pp ±Pв.ст.);
[МПа(кс/см2)]
где: Pmax - максимальное значение
диапазона преобразования давления, МПа;- измеренное значение тока, мА;(Io) -
значение тока, соответствующее давлению P=Pmax (P=0), мА;
Рв.ст. = 9,807 * 10-3*Н - давление
водяного столба, МПа;
Н - высота водяного столба от точки
отбора давления до датчика, м;
Рб - значение барометрического
давления, МПа;
Кр - системный коэффициент
(1-система СИ [МПа], 10,1972-система МКС [кгс/см2]).
Преобразование токового сигнала в
показания перепада давления:
) линейная функция преобразования:
dP= dPmax
; [кПа]
2) квадратичная функция
преобразования:
dP = dPmax(
)2; [кПа]
где: dPmax - максимальное значение
перепада давления, кПа;- измеренное значение тока, мА;(Io) - значение тока,
соответствующее перепаду давления
dP = dPmax (dP=0), мА.
Вычисление значений массового
расхода, пропорционального объемному расходу, соответствует уравнению
Gм = 10-3 ⋅Go ⋅ρ , [ т/ч]
ρ - плотность теплоносителя в
рабочих условиях, кг/м3;
Вычисление значений массового
расхода, пропорционального перепаду давления, соответствует уравнению
Gм = 0,25⋅
⋅d202 ⋅Ксу2
⋅C⋅Е⋅Кш⋅Кп⋅ε⋅(2⋅ΔP⋅ρ)0,5;
[ т/ч]
где: Кш - поправочный коэффициент,
учитывающий шероховатость внутренней поверхности трубопровода;
Кп - поправочный коэффициент,
учитывающий притупление входной кромки диафрагмы;
ε
-
коэффициент расширения;- диаметр отверстия диафрагмы при 20 °С, м;
ΔP - перепад
давления, Па;
ρ
-
то же, что в формуле;
Е
- коэффициент скорости входа;
С
- коэффициент истечения;
Ксу
- коэффициент, учитывающий изменение диаметра отверстия диафрагмы, вызванное
отклонением температуры среды от 20 °С.
Вычисление
значений массы соответствует:
)
для числоимпульсных (частотных) сигналов:
M
= 10−3 ⋅ V ⋅ ρ , [ т ]
2)
для токовых сигналов:
M
= ∫Gм⋅ dτ , [ т ]
где:
τ
-
время интегрирования, ч;
Принцип
работы тепловычислителя
Принцип
работы вычислителя основан на непосредственном преобразовании сигналов датчиков
в информацию об измеряемых параметрах теплоносителя с последующим вычислением
количества тепловой энергии.
При
использовании, с целью расширения диапазона измерения, на одном трубопроводе
двух или одного автоматически переключаемого расходомера переменного перепада
давления, преобразование осуществляется в том поддиапазоне настройки, которому
соответствует измеренное значение перепада. Исходно (при изменении тока от
нижнего предела) используется младший поддиапазон, затем, при превышении током
верхнего предела более чем на 2%, используется старший поддиапазон. При
обратном изменении значений тока смена поддиапазонов происходит при токе,
значение которого меньше на 2% значения, соответствующего минимальному перепаду
старшего поддиапазона.
Настройка
для датчиков объемного расхода с выходными
частотными
сигналами и сигналами постоянного тока
Настройка
заключается в установке:
•
значений расхода, соответствующих верхнему (Gmax) и нижнему (Gmin) пределам
диапазона измерений датчика расхода, выраженным в единицах измерения «м3/ч»;
•
значений веса импульса частотного датчика или значений коэффициента
преобразования токового датчика и соответствующих им значений расхода (точек
аппроксимации НФП датчика);
•
значения температурного коэффициента датчика.
Значения
точек аппроксимации устанавливаются в процентах от расхода, соответствующего
верхнему пределу диапазона измерения. В вычислителе предусмотрена возможность
установки до четырех значений веса импульса (коэффициента преобразования) в
зависимости от способа его нормирования в технической документации датчика.
Практически
всегда значение веса импульса выражено одним значением для всего диапазона
измерений, поэтому в пункте меню с точкой аппроксимации «ТЧ0» следует установить
«G=100.0%».
Для
частотных сигналов значение веса импульса устанавливается в единицах «дм3/имп
(л/имп)». При этом, для датчиков с числоимпульсными сигналами вес импульса
берется из эксплуатационной документации, а для датчиком с частотными сигналами
определяется из выражения В=Gmax/3,6×fmax.
Для
токовых сигналов значение коэффициента преобразования определяется из выражения
В=Gmax/(Imax - Imin) и устанавливается в единицах «м3/мА⋅ч».
Если
вес импульса выражен в единицах «м3/имп.», то в вычислителе необходимо
установить в 1000 раз большее значение веса.
Если
вес выражен в «имп./дм3 (л)» - необходимо установить значение равное обратной
величине нормированного значения веса.
Если
вес выражен в «имп./м3» - необходимо установить в 1000 раз большее значение от обратной
величины нормированного значения веса импульса.
Установка
значения температурного коэффициента производится в единицах «%/10 °С» с учетом
его знака. Если указанный коэффициент в документации датчика выражен в других
единицах, то устанавливаемое значение предварительно должно быть выражено в
вышеуказанных единицах, если значение коэффициента не нормировано (в
документации не указано), то его значение следует устанавливать равным нулю.
Текущее
значение поправочного коэффициента является безразмерной величиной и
вычисляется по формуле:=1- Kt ⋅ (t − 20)
где:
Кt - температурный коэффициент датчика, %/10 °С;- текущее значение температуры,
°С.
Настройка
для расходомеров переменного перепада давления
Настройка
заключается в установке значений максимального и минимального значений перепада
давления, выраженных в единицах «кПа». Если пределы выражены в других единицах
перепада давления, то их следует предварительно перевести в единицы «кПа». Для
этого пользуйтесь следующими переводными коэффициентами:
1
мм вод.ст. = 9,80665 ×
10-3
кПа; 1 кгс/см 2 = 98,0665 кПа.
Преобразователь
расхода электромагнитный ПРЭМ-2
Рис.
1.5.3 ПРЭМ-2
Преобразователи
ПРЭМ-2 обеспечивают преобразование объемного расхода и объема жидких сред,
протекающих через них в любом направлении, в электрические сигналы и
предназначены для работы с другими изделиями: тепловычислителями, регуляторами,
машинами централизованного контроля и другими вторичными приборами.
Преобразователи могут быть использованы при измерении расхода и объема воды,
спиртосодержащих жидкостей и других жидкостей с удельной электропроводностью от
10-3 до 10 См/
Автоматика
горелки ЕК 06В. 120 G/F-VT.
Горелки
EK06B.120 G/F-ZVT являются полностью автоматизированными моноблочными
модуляционными горелками. Они подходят для оснащения любых видов генераторов
тепла, соответствующих стандарту EN 303 во всем диапазоне их мощности.
Рис.
1.5.4 Горелка EK06B.120 G/F-ZVT
A1
Блок управления и безопасности; B10 Ионизационный мост; F6 Воздушный регулятор;
F12 Термореле выключателя; K1 Выключатель двигателя вентилятора; K4 Реле; M1
Двигатель горелки; T1 Трансформатор розжига (скрыт); TC Пульт управления; Y10
Серводвигатель воздушной заслонки; 8 Наконечник; 15 Кожух горелки
Воздушная
камера
Рис.
1.5.5 Газовая рампа VGD с регулятором SKP 75
Электроподключение
газового регулятора (DIN 43650); 2 Электроподключение газовых клапанов (DIN
43650); 3 Регулятор давления газа; 4 Входной фланец; 5 Точка измерения давления
R1/8, выше фильтра (с обеих сторон); 6 Фильтр (под крышкой); 7 Паспортный
щиток; 8 Подключение трубопровода давления pL, R1/8; 9 Регулировочный винт
соотношения V; 12 Регулировочный винт N; 13 Подключение трубопровода давления в
камере сгорания pF, R1/8; 14 Подключение трубопровода давления pG, R1/8; 15
Выходной фланец; 16 Трубопроводы давления PBr,pL, pF pBr (pG) = трубопровод
давления газа pF = трубопровод давления в камере сгорания, pL = трубопровод
давления воздуха.
В
качестве датчика температуры воды за котлом и до него используется термометр
сопротивления RAK 13.4050S, устанавливаемый на трубопроводе при выходе воды из
котла (на входе воды в котёл), а также датчик температуры погружной КДТ-200.2
Рис.
1.5.6 Датчик температуры погружной КДТ-200.2
Для
исключения максимального или минимального избыточного давления воды
предусмотрена установка датчика давления. В качестве датчика давления я выбрала
датчик МН-2 0…10 бар фирмы «Контэл»
Контроллер
«PC-365D».
Рис.
1.5.7 Контроллер «PC-365D»
Программируемые
логические контроллеры серии «РС-363D» (далее контроллеры) предназначены для
автоматизации локальных и комплексных систем управления. Данная марка
контроллера выбрана мною на основании того, что ООО «КТЭК» в настоящее время
активно сотрудничает с фирмой изготовителем контроллера. Такие контроллеры
установлены на других блочно-модульных котельных и показали себя в работе с
лучшей стороны.
Одни
и те же аппаратные средства могут быть оперативно переориентированы под
разнообразные задачи системой программирования «РЕЛКОН».
Контроллеры
серии «РС-363D» на базе однокристального микропроцессора АТ89C51ED2 решают
широкий круг задач:
Управление
оборудованием сбора информации;
Создание
информационно измерительных комплексов;
Создание
систем диагностики и аварийной сигнализации и т.п.
Корпус
контроллера пластмассовый. Степень защиты IP20. Монтаж на DIN - рельс. Датчики
и исполнительные устройства подключаются к разъемным клеммам по обе стороны контроллера
«PC-365D» в один ряд параллельно DIN - рельсу.
Полный
состав аппаратных средств контроллеров серии «РС-365D»
Устройство
аналогового ввода информации (блок прецизионных делителей напряжения)
Двухканальный
цифро-аналоговый преобразователь с формирователем токовой петли 0-20 мА.
Восьмиканальный
аналого-цифровой преобразователь (12-ти разрядный).
Устройства
дискретного ввода информации с оптической изоляцией.
Центральный
процессор (CPU) - 8-ми разрядный однокристальный микропроцессор АТ89C51ED2
(ATMEL), включающий энергонезависимое запоминающее устройство (EEPROM), в
котором сохраняются параметры контроллера при отключенном напряжении питания.
Энергонезависимое
запоминающее устройство (FRAM), в котором сохраняются протоколы событий с привязкой
ко времени и дате.
Часы-календарь
реального времени.
Устройство
формирования выходных сигналов (оптоизолированные транзисторные ключи -
220В/1,0А) с ограничением тока нагрузки в 2,0А и схемой защиты от короткого
замыкания.
Интерфейс
обмена информацией RS 485.
Импульсный
источник питания КИ-220-2-5 (5В/300мА), производства ООО «Контэл».
В
качестве программного обеспечения для контроллеров поставляется система
программирования «РЕЛКОН».
Контроллер
обеспечивает совместную работу с датчиками:
Температуры:
температура
прямой воды сети - Тпсв;
температура
обратной воды сети - Тосв;
температура
горячего водоснабжения - Тгвс;
температура
внутреннего контура - Твк;
температура
наружного воздуха - Тнв.
Давления:
давление
прямой воды сети - Рпсв;
давление
обратной воды сети - Росв;
давление
горячего водоснабжения - Ргвс;
давление
холодной воды - Рпод.
Контроллер
осуществляет управление исполнительными механизмами, ниже перечисленными, с
помощью выходных сигналов и контроля их состояния с помощью входных дискретных
сигналов:
Насосы:
насосы
холодной воды - Мхв1-Мхв2;
насосы
сетевой воды - Мсв1-Мсв2;
насосы
горячей воды - Мгв1-Мгв2.
Регулирующие
клапана:
РК
на линии подпитки - Рвп;
РК
на линии сетевой воды к подогревателю ГВС - Рвгр;
РК
на линии подмеса обратной сетевой воды Рвпс.
Регулирование
нагрузки котла:
пуск
котла - К1 - К2;
переключение
большое/малое горение - Бг/Мг1 - Бг/Мг3.
Включение
вентилятора при загазованности.
К
контроллеру осуществляется подключение дополнительных дискретных датчиков:
загазованности
СН4 - 10%; 20%;
загазованности
СО - 1 порог; 2 порог;
срабатывание
пожарного извещателя;
авария
в сети;
взлом
входной двери;
- давление газа на вводе в котельную до ГТК выше
или ниже
аварийного.
Работа контроллера заключается в поддержании в
заданных пределах следующих параметров с помощью ниже указанных регуляторов:
температуры прямой сетевой воды (Тпвс)
температуры воды на ГВС (Тгвс)
температуры воды внутреннего контура (Твк);
давления обратной сетевой воды на (Ровс);
в аварийном включении резерва насосов (АВР).
возможность каскадного регулирования температуры
внутреннего контура двумя котлами.
Регулирование температуры прямой сетевой воды
Регулирование Тпсв подмешиванием обратной воды в
прямую заключается в изменении положения регулирующего клапана на линии
подмешивания - РВпс в зависимости от температуры прямой воды, температурного
графика и температуры наружного воздуха.
Регулирование температуры воды на ГВС
Регулирование Тгвс заключается в изменением
положения регулирующего клапана РВгр на подводе горячей воды к подогревателю в
зависимости от температуры воды на ГВС, согласно заданной уставки.
Регулирование давления обратной сетевой воды
. При падении давления обратной сетевой воды
ниже Росв < Рconst - ΔРосв1 и если
давление воды Рпод > Pосв включается в работу регулятор подпитки РВпод
(начинает открываться). По достижению Росв > Рconst + ΔРосв2
регулятор начинает закрываться.
Рconst - уставка регулирования
ΔРосв1 - заданное
значение отклонения от измеряемой уставки вниз
ΔРосв2 - заданное
значение отклонения от измеряемой уставки вверх
. При падении давления обратной сетевой воды
ниже Росв < Рconst - ΔРосв1 и если
давление воды Рпод ≤ Pосв включаются в работу насос холодной воды Мхв
(запускается насос) и регулятор подпитки РВпод (начинает открываться). По достижению
Росв > Рconst + ΔРосв2
регулятор начинает закрываться, после закрытия регулятора, отключается насос
холодной воды.
Регулирование температуры воды внутреннего
контура
Регулирование Твк за счет изменения
производительности котла (перевода с режима Бг - большого горения на Мг - малое
горение и обратно) обеспечивается контроллером.
Для управления режимами работы котлов, как уже
было указано выше, используется контроллер «РС - 365D». Оптимальные настройки
для данного контроллера определим по данным из технической документации с
учетом имеющейся информации о потреблении теплоносителя и предъявляемых
требований к параметрам теплоносителя.
Поскольку в разрабатываемой системе присутствует
контур отопления и контур горячего водоснабжения, расчет настроек контроллера
для каждого контура проводится отдельно.
На примере рассмотрим контур отопления
Точность в установившихся режимах и устойчивость
являются необходимыми условиями работоспособности САУ, но далеко не
достаточными. Важным условием работы системы является качество переходных
процессов - поведение системы при переходе из одного устойчивого состояния в
другое.
Рис. 1.5.8 Схема замкнутой САУ
В замкнутых САУ выходная координата определяется
выражением:
У = Wу(P)*G
+ Wзf(p)*f,
где Wу(P) - передаточная функция по управлению:
Wзf(p) - передаточная функция по
возмущению
Для оценки поведения САУ в
переходных режимах используются различные показатели качества.
. Максимальное динамическое
отклонение DУдин. - это
наибольшее отклонение регулируемой величины от заданного значения за время переходного
процесса. Иногда называется забросом регулируемой величины.
. Перерегулирование б -
характеризует колебательность переходных процессов при ступенчатом воздействии.
Обычно выражается в процентах. Для переходных процессов по управляющему
воздействию
Для переходных процессов по
возмущению
3. Время регулирования tпп (время
переходного процесса). Теоретически переходный процесс в САУ после приложения
воздействия продолжается бесконечно. Для практической оценки за длительность
переходного процесса принимается интервал времени tp по истечении которого
отклонение регулируемой величины от нового установившегося значения не будет
превышать некоторого заданного значения "δ".
Для переходных процессов по
управлению δ
= 0.05 ΔУ(¥). Для переходных процессов
по возмущению δ
= 0.05 A1. Время
регулирования определяется графически.
В зависимости от требования
предъявляемых к технологическому процессу необходимо добиться показателей
качества, не превышающих заданные значения. Исходя из этих требований,
осуществляется выбор регуляторов и параметров их настройки.
Для обеспечения надежного
функционирования системы и достижения необходимых параметров к рассматриваемой
нами системе предъявляются следующие требования:
Максимальное динамическое отклонение
(DУдин) не
должно превышать 20% от установившихся значений;
Перерегулирование должно быть не
более 20%;
Время переходного процесса не более
1 минуты.
Предлагается использование
компьютера, и в частности математического
пакета Mathcad для построения
динамических характеристик и их анализа.
Разгонная характеристика носит
экспоненциальный характер. Её параметры заданы на основании опытных данных для
систем подобного типа. Особенностью таких систем является то, что в процессе
эксплуатации расчётные параметры настройки можно уточнить. Разгонная
характеристика имеет вид:
Рис.1.5.9 Кривая разгона объекта
Определим параметры объекта:
Ко=0,05 -передаточный коэффициент объекта,
То=10с. - постоянная времени
объекта.
Передаточная функция объекта
представлена в виде апериодического звена первого порядка без запаздывания.
Транспортным запаздыванием можно пренебречь.
В данном случае, целесообразно
выбрать ПИД-регулятор, т.к. он обеспечивает более высокое динамическое качество
систем регулирования, интегральная составляющая обеспечивает нулевую
статическую ошибку регулирования, а дифференциальная составляющая способствует
быстрому подавлению колебаний в АСР, что и требуется в нашем технологическом
процессе.
Так же используем апериодический
переходный процесс, поскольку мы не обладаем полной и надежной информации о
динамических свойствах объекта, а системы настроенные на такой переходный
процесс, обладают наибольшим запасом устойчивости.
Найдем параметры ПИД-регулятора:
Тиз=1.68с - время изодрома,
с - запаздывание объекта
Найдем передаточную функцию
замкнутой АСР по управлению, используя формулу:
Передаточная функция для АСР по
управлению:
Воспользовавшись обратным
преобразованием Лапласа в математическом пакете Mathсad, построим переходный
процесс по задающему воздействию:
Рис. 1.5.10 Переходная характеристика АСР
Определим показатели качества:
) Убедимся, что максимальное динамическое
отклонение от установившегося значения не превышает 20% от установившегося
значения(ΔУ(¥)*20%=0,2):
DУдин =1,138-1=0,138.
2) Воспользовавшись формулой
, найдем
перерегулирование:
,
,.
Перерегулирование меньше 20%.
) Время переходного процесса
tпп=5,45с.
Вывод: показатели качества
регулирования удовлетворяют требованиям предъявляемым к САР, следовательно,
выбранный закон регулирования при расчетных параметрах настройки регулятора
обеспечивает необходимые качества регулирования.
Теперь, рассмотрим данную систему с
воздействием по возмущению.
Рис. 1.5.11 Схема САУ по возмущению
Найдем передаточную функцию системы
по возмущению по формуле:
Воспользовавшись обратным
преобразованием Лапласа в математическом пакете Mathсad, построим переходный
процесс по задающему воздействию:
Рис. 1.5.12 Переходная
характеристика АСР
Определим показатели качества:
) Воспользовавшись формулой, найдем
перерегулирование:
,
,.
Перерегулирование меньше 20%.
) Время переходного процесса
tпп=7,5с.
Вывод: показатели качества
регулирования удовлетворяют требованиям предъявляемым к САР, следовательно,
выбранный закон регулирования при расчетных параметрах настройки регулятора
обеспечивает необходимое качество регулирования.
1.6 Централизированная
диспетчеризация объектов управления
Все текущие проекты диспетчеризации
ООО «Контэл» реализует на базе аппаратно-программных средств собственного
производства. Первичная информация с дискретных и аналоговых датчиков поступает
на контроллеры «PC-165» («PC-265», «PC-365», «PC-420»). Контроллеры
непосредственно осуществляют управление объектом. Далее информация может
передаваться на автоматизированное рабочее место (АРМ) диспетчера либо по
RS-485, либо по телефонному каналу, либо по GSM каналу в режиме передачи
данных. Существуют проекты с передачей SMS сообщений. Возможно бюджетное решение,
когда информация передается на удаленный пульт по проводному каналу (до 10 км).
Программное обеспечение верхнего
уровня предназначено для контроля и управления технологическими процессами с
отображением состояния объектов на мнемосхеме, а так же в виде трендов
измеряемых параметров. Данные контроля и управления сохраняются в архиве.
Рассмотрим возможные варианты
диспетчеризации. . На базе ПК, с подключением к шкафу управления объектом на
расстоянии до 1200 метров по проводному каналу RS-485.
Подключение осуществляется через
адаптер RS485/RS232 ООО «Контэл» КА-485-2 на СОМ порт ПК или, без адаптера, на
4-х портовую плату ввода-вывода с интерфейсом RS-485 («МОХА» CP-114
IS-DB9-PCI).
Рис. 1.6.1 Вариант 1 диспетчеризации
Программа АРМ Диспетчера,
установленная на ЭВМ позволяет вести опрос контроллеров шкафа управления
объектом, управлять объектом, архивировать данные опроса аналоговых и
дискретных датчиков, подключенных к контроллерам, отображать состояние объекта
диспетчеризации на мнемосхеме, и в виде графиков и таблиц. Существует
возможность настройки АРМ Диспетчера при подключении дополнительных дискретных
или аналоговых датчиков. Пользователь может вносить изменения в мнемосхему:
добавлять и удалять объекты, изменять данные о подключении датчиков в
соответствии со схемой подключения и номерами входов/выходов контроллеров.. На
базе контроллера «РС-400» и «РС-365» с архивацией данных, передачей SMS
сообщений, подключением 2 верхних уровней. Каналы связи: проводной RS-485,
телефонный модем, GSM модем.
На объекте устанавливается шкаф
диспетчеризации. Сбором и анализом информации занимаются контроллеры «РС-365».
РС-400 является маршрутизатором и ведет архивирование на SD-карту памяти и
отображение информации. Число подключаемых AI, DI, DO наращивается и
определяется только числом подключенных по RS-485 контроллеров «РС-365» и
пропускной способностью канала.
Рис. 1.6.2 Вариант 2 диспетчеризации
ПО верхнего уровня представляет АРМ
Диспетчера. Возможно подключение мнемосхемы объекта. Программное обеспечение
верхнего уровня разрабатывается для каждого объекта индивидуально согласно
техническим требованиям Заказчика.. На базе GSM-модема SIEMENS TC-65. В шкаф
диспетчеризации устанавливается GSM-модем SIEMENS TC-65.
От шкафа управления объектом
заводится линия связи с контроллерами. ПО модема настроено для опроса
контроллеров «PC-365» и архивирования полученных данных.
Рис 1.6.3 Вариант 3 диспетчеризации
С диспетчерского пункта программа
АРМ Диспетчера связывается по GSM каналу с модемом SIEMENS TC-65 на объекте
диспетчеризации, проводит через модем опрос контроллеров шкафа управления
объектом и чтение архива. АРМ Диспетчера позволяет опрашивать с заданным периодом
несколько (до пяти) объектов диспетчеризации с выводом их состояния на карте и
мнемосхеме, и записывать полученные данные в архив. Тренды основных параметров
объекта диспетчеризации отображаются на графике. Для подключения большего числа
объектов в диспетчерской устанавливаются дополнительные GSM-модемы. В случае
аварии на объекте SIEMENS TC-65 самостоятельно дозванивается на диспетчерский
пункт, после чего «АРМ Диспетчера» проводит опрос аварийного объекта и
сигнализирует диспетчеру об аварии.. На базе пульта «РС-400» как средства
отображения информации в диспетчерской.
На объекте устанавливается «РС-400»
и первичные контроллеры «РС-365». Каналы связи: телефонный, GSM модем, SMS
сообщения.
Рис. 1.6.4 Вариант 4 диспетчеризации
Сбором и анализом информации
занимаются контроллеры «РС-365». «РС-400» является только маршрутизатором и
ведет архивирование информации. Число подключаемых AI-16, DI-64. Вся информация
выдается на диспетчерском пункте на жидкокристаллический индикатор «РС-400».
Один «РС-400» в диспетчерской способен принимать информацию с нескольких
объектов. На диспетчерском пункте вывод на персональный компьютер не
предусмотрен.. На базе контроллера «РС-420» на объекте автоматизации с
архивацией данных, передачей SMS сообщений.
На данный момент доступен только GSM
канал передачи данных. Первичные датчики непосредственно подключаются к РС-420.
AI-8; DI-8; DO-8. Контроллер является жестко ориентированным и не может
использоваться для управления объектом. Контроллер выполнен в герметичном
корпусе, и предназначен только для систем диспетчеризации. Не требует
дополнительных шкафов и источников питания.
Рис. 1.6.5 Вариант 5 диспетчеризации
На контроллере имеется 4 строчный жидкокристаллический
индикатор. ПО верхнего уровня представляет АРМ Диспетчера на персональном
компьютере. Подключение конкретной мнемосхемы объекта только по отдельному
заказу. Программа верхнего уровня стандартная. Заказчик самостоятельно может
устанавливать и конфигурировать АРМ Диспетчера (без мнемосхем).. Бюджетный
вариант На базе удаленного пульта диспетчеризации ШКА-01-ПД3. По проводному
каналу до 10 км.
Рис. 1.6.6 Вариант 6 диспетчеризации
Отображение информации на
жидкокристаллическом пульте.
Для определения стоимости и
разработки технико-коммерческого предложения диспетчеризации от Вас необходима
более подробная информация:
тепловая или иная схема объекта;
каналы связи;
требуется ли управление объектом;
весь контроль ведется с одного АРМ
Диспетчера или требуется дополнительные АРМ.
Если все же необходим съем
информации непосредственно по цифровым каналам (RS-485, RS-232) c контроллеров
сторонних производителей ООО «КОНТЭЛ» готово рассмотреть вопрос об интеграции
их в нашу систему. На стадии разработки ТЗ необходимы подробные описания
протокола обмена и алгоритмов управления объектами, а также образцы
оборудования для отладки программного обеспечения.
.6.1 Диспетчеризация котельной п.
Космынино
Для диспетчеризации котельной
наилучшим образом подходит 3 вариант: на базе GSM-модема SIEMENS TC-65. В шкаф
диспетчеризации устанавливается GSM-модем SIEMENS TC-65 (рис. 1.6.7).
Диспетчеризация котельной п.
Космынино решает задачи сбора информации по аварийным сигналам в котельной;
передачи информации на диспетчерский пульт; обработки информации диспетчерской
программой, устанавливаемой на пульте диспетчера, позволяющей информировать
диспетчера об аварийных сигналах с запоминанием времени, вести архив.
Диспетчеризация котельной
разделяется на два уровня:
нижний уровень - аварийные сигналы
приходят в щит управления (ЩУ) котельной, аварийное событие фиксируется
световой сигнализацией на ЩУ;
верхний уровень - аварийные сигналы
приходят в пульт диспетчера, где обрабатываются диспетчерской программой.
Сбор информации в котельной.
В щит управления (ЩУ) приходят
следующие аварийные сигналы:
Авария горелок
Сработал АВР
Авария оборудования в котельной
Загазованность по метану (1-й порог)
Загазованность по метану (2-й порог)
Загазованность по оксиду углерода
(1-й порог)
Загазованность по оксиду углерода
(2-й порог)
Отказ сигнализатора газа
Обрыв электропитания неотключаемой
части котельной
Клапан газа выключен
Пожар
Температура в сети ГВС ниже нормы
Температура в сети отопления ниже
нормы
Давление в системе отопления ниже
нормы
Давление холодной воды на входе в
котельную ниже нормы
Проникновение в котельную
Авария горелок. Аварийный сигнал
приходит со щитов управления горелками (ЩУГ1 и ЩУГ2) в случае аварийного
останова горелки, срабатывания защиты котла по давлению (верхнее или нижнее)
или температуре (аварийная уставка регулирующего прибора или аварийного
термостата), неисправности регулирующего прибора котла (RWF 40). При появлении
аварии на соответствующем щите ЩУГ1 и ЩУГ2 загорается лампа аварийной
сигнализации.
Сработал АВР. Информационный сигнал
приходит со щита ЩАВР в случае отключения одного из вводов электропитания
котельной. Все электрооборудование котельной будет запитано схемой АВР от
оставшегося рабочего ввода.
Авария оборудования в котельной.
Аварийный сигнал приходит со щитов управления насосами (ЩУН-1, ЩУН-2), со щита
РЩ при срабатывании защитного автомата насоса. При аварии на соответствующем
щите загорается лампа аварийной сигнализации.
Загазованность по метану (1-й порог).
Загазованность по метану (2-й порог). Загазованность по оксиду углерода (1-й
порог). Загазованность по оксиду углероду (2-й порог). Отказ газоанализатора
газа. Аварийные сигналы приходят с газоанализатора.
Обрыв электропитания неотключаемой
части котельной. Аварийный сигнал появляется при пропадании питания блока UPS
(блок бесперебойного питания) в щите ЩУ.
Клапан газа выключен. Информационный
сигнал, появляется при снятии напряжения с катушки клапана газа.
Пожар. Аварийный сигнал, приходит с
блока пожарной сигнализации.
Температура в сети ГВС ниже нормы.
Сигнал формируется датчиком - реле температуры, при снижении температуры ГВС
ниже 50 0С.
Температура отопления ниже нормы.
Сигнал формируется датчиком - реле температуры, при снижении температуры отопления
ниже 40 0С.
Давление в системе отопления ниже
нормы. Сигнал формируется датчиком - реле давления, при снижении давления
отопления (обратка) ниже 1.5 кгс/см2.
Давление холодной воды на входе в
котельную ниже нормы. Сигнал формируется датчиком - реле давления, при снижении
давления холодной воды ниже 0.5 кгс/см2.
Проникновение в котельную. Сигнал,
приходит с блока охранной сигнализации.
Передача информации на диспетчерский
пульт
Передача информации с котельной на
диспетчерский пульт производится по каналам сотовой связи. Коммуникационное
оборудование установлено в ЩУ рис.
Список аварийных сигналов:
Авария горелок
Температура в сети ГВС ниже нормы
Сработал АВР
Авария оборудования в котельной
Температура в сети отопления ниже
нормы
Загазованность по метану (1-й порог)
Загазованность по метану (2-й порог)
Загазованность по оксиду углерода
(1-й порог)
Загазованность по оксиду углерода
(2-й порог)
Отказ сигнализатора газа
Обрыв электропитания неотключаемой
части котельной
Клапан газа выключен
Пожар
Давление в системе отопления ниже
нормы
Давление холодной воды на входе в
котельную ниже нормы
Проникновение в котельную
1.7 Конструктивное решение здания
котельной
Здание котельной
предприятия-изготовителя ЗАО «Этон-Энергетик» имеет каркасную конструкцию из
трех секций, одноэтажное. Каркас каждой секции состоит из жесткого основания,
стоек, прогонов и ферм, образующих двухскатную кровлю. Основание имеет вид
решетки, собранной из стальных швеллеров, покрытой стальным рифленым листом.
При сборке здания, основания секций соединяются между собой болтами. Материал
стоек, ферм и прогонов - стальные трубы прямоугольного сечения. Стойки жестко
установлены на основаниях и служат для крепления к ним прогонов и ферм кровли.
Прогоны предназначены для крепления панелей и обеспечивают зазор 20мм между
стойками и панелями стен, фермами и панелями кровли. Крепление ферм перекрытия
к стойкам рассчитано как шарнирное
Стены выполнены из панелей
металлических трехслойных с утеплителем из минераловатной плиты толщиной 100мм.
Панели соответствуют требованиям пожарной безопасности. Материалом панелей
является прокат тонколистовой холоднокатаный и горячеоцинкованный с полимерным
покрытием, что обеспечивает высокую водостойкость и влагостойкость внутренних
стен здания.
Панели кровли состоят из стальных
балок, собранных в решетку, и покрытых изнутри здания стальным листом толщиной
2мм, сверху -профилированным, тонколистовым, горячеоцинкованным, с полимерным
покрытием прокатом С21. Полости панелей кровли заполнены утеплителем типа
«URSA» толщиной 80 мм.
Габаритные размеры здания по осям
(по стенам):
в плане, м 9.2x7.5 (9,44x7,74);
общая высота, м 3.0;
высота до низа несущей конструкции,
м 2,5.
Здание оборудовано двухстворчатой
дверью 1550*h2150мм. Размеры двери обеспечивают установку котлов.
Шесть окон 1800мм*h600мм выполняют
функцию легкосбрасываемых конструкций (легкосбрасываемость окон обеспечивается
особым способом крепления оконных блоков в сэндвич-панелях на специальных
самонарезающих винтах). Отношение площади окон к объему помещения составляет
6.48м2/186м3=0,035, что соответствует требованиям СНиП II-35-76 изм.1, п.3.16
[5].
Отдельно стоящая труба диаметром
426мм и высотой 21м, в обрешетке, без растяжек, устанавливается вблизи
котельной.
2. Расчет основных экономических
показателей эффективности котельной
Автоматизация производственных
процессов приводит к увеличению выпуска, снижению себестоимости и улучшению
качества продукции, уменьшает численность обслуживающего персонала, повышает
надежность и долговечность машин, дает экономию материалов, улучшает условия
труда и техники безопасности.
В технико-экономическом разделе
дипломного проекта производится сравнение двух котельных: старого образца и
новой автоматизированной котельной, а так же определение капитальных вложений и
срока окупаемости проекта.
2.1 Расчёт экономии топлива
Удельная норма расхода каменного
угля составляет В1= 219 кг у.т./Гкал
Удельная норма расхода природного
газа составляет В2=155 кг у.т.
Гкал.
Переведем
в рубли, и
тем самым подсчитаем экономию котельной на природном газе, воспользовавшись
формулой:
, где
- переводной коэффициент,
,18 - коэффициент, учитывающий НДС (18%);
В -затраты на топливо, руб;
- экономия топлива за счет перевода
котельной на автоматизированный режим работы;
С - тариф на топливо, руб./тыс. м3,
Переведём условное топливо в
натуральное:
= 64/Нт отп = 64/1,143=56 м3/ч
Нт отп - переводной коэффициент из
условного топлива в натуральное, равен 1,143.
Котельная работает 5573 часа в год,
следовательно, годовая экономия на природном газе по сравнению с каменным углём
составит:,
где
- коэффициент неравномерности
тепловых нагрузок котельной в зависимости от температуры окружающей среды.
.2 Определение размера капитальных
вложений
Капитальные затраты на реконструкцию
теплоснабжения от котельной по ул.Чехова и переключение нагрузки с котельной
«Космоэлектро» включают в себя:
строительство новой блочно-модульной
котельной;
строительство новых тепловых сетей
на отопление:
При расчете капитальных вложений в
строительство новой блочно-модульной котельной и тепловых сетей использовались
данные заводов-изготовителей, проектных, монтажных организаций.
Предварительный состав оборудования
и капитальные вложения в источники тепла представлены в таблице 2.1.1.
Таблица 2.1.1
Источники тепла
|
Наимено
вание
|
Состав
оборудования
|
Установленная
мощность, МВт
|
Удельные
капвложения, млн. руб/МВт
|
Капитальные
вложения, тыс. руб.
|
|
БМК
|
REX
1300 кВт. REX 1400 кВт.
|
2.70
|
2508.25
|
6
772.28
|
Ориентировочные капитальные вложения в
строительство новых тепловых сетей и других инженерных коммуникаций
представлены в таблице 2.1.2.
Таблица 2.1.2
Инженерные сети
|
Наименование
|
Протяженность,
L. м
|
Капитальные
вложения. тыс. руб.
|
|
Тепловые
сети от БМК - 1:
|
|
8
026.59
|
|
-
новые на отопление
|
1975
|
6
149.47
|
|
-
новые на ГВС
|
565
|
1
877.12
|
|
Инженерные
сети к БМК-1
|
|
1
774.78
|
|
-
сети холодного водоснабжения
|
120
|
480.00
|
|
-
сети водоотведения
|
90
|
360.00
|
|
-
сети электроснабжения - сети газоснабжения
|
100
11
|
150.00
84.78
|
|
Плата
за технологическое присоединение к сетям к «Костромаэнерго»
|
|
700.00
|
Всего капитальные вложения в реконструкцию
системы теплоснабжения от котельной по ул. Чехова 16 488,86 тыс. рублей,
включая НДС, представленные в таблице 2.1.3.
Таблица 2.1.3
Суммарные капитальные вложения
|
Наименование
|
Капитальные
вложения, тыс. руб.
|
|
Источник
тепла:
|
6
772.28
|
|
Тепловые
сети:
|
8
026.59
|
|
Инженерные
сети
|
1
774.78
|
|
ИТОГО
|
16
573.65
|
Объем капитальных вложений будет уточнен после
подготовки проектно-сметной документации.
.3 Выручка от реализации
При работе котельных на каменном угле и мазуте
установленный тариф на тепловую энергию МУП «ЖКХ «Космынино»» Нерехтского
района составил 2099 руб/Гкал, себестоимость тепловой энергии - 1817,3 руб/Гкал
Расчет необходимого уровня тарифа производен в
соответствии с Федеральным законом от 14 апреля 1995 г. № 41-ФЗ «О
государственном регулировании тарифов на электрическую и тепловую энергию в
Российской Федерации» (далее Закон № 41 - ФЗ), Постановлением Правительства РФ
от 26 февраля 2004 г. № 109 «О ценообразовании в отношении электрической и
тепловой энергии в Российской Федерации» (далее - Постановление № 109),
Методическими указаниями по расчету регулируемых тарифов и цен на электрическую
(тепловую) энергию на розничном (потребительском) рынке, утвержденными Приказом
Федеральной службы по тарифам от 6 августа 2004 г. №20-э/2 (далее -
Методические указания № 20 э/2).
Покупателями производимой тепловой энергии
является население пос. Космынино.
Таблица 2.1.4
Натуральные показатели
|
Натуральные
показатели
|
Ед.
изм.
|
Сумма
|
|
Годовая
выработка тепловой энергии
|
тыс.
Гкал
|
5,1
|
|
Расход
тепла на собственные нужды и потери в сетях
|
тыс.
Гкал
|
0,4
|
|
Годовой
объем реализации тепловой энергии
|
тыс.
Гкал
|
4,7
|
|
Необходимый
тариф на тепловую энергию на 2010 г.
|
руб./Гкал
|
1
328,0
|
|
Выручка
от реализации в 2010 г. (без НДС)
|
тыс.
руб.
|
6
241,9
|
Себестоимость тепловой энергии составляет:
qc=
/Qгод=5 404,2/4,7=1 149,8 руб./Гкал
.4 Производственные затраты
Данные по затратам новой БМК были
рассчитаны на основе нормативных показателей для новых котельных с
использованием газовых котлов «REX».
Расход топлива (природный газ)
принят в размере 159 кг у.т./Гкал, годовой объем потребления газа -
709,685тыс.м3.
Удельное потребление электроэнергии
на производство тепловой энергии - 18,0 кВт*ч/Гкал. Годовое потребление
электроэнергии - 91,8 тыс. кВт*ч.
Предполагаемые затраты по котельной
пос. Космынино в условиях 2010 года представлены в расчетной калькуляции
себестоимости отпущенной тепловой энергии (таблица 2.1.5).
Таблица 2.1.5
Предполагаемые затраты по котельной
пос. Космынино
|
Показатели
|
Код
строк
|
2010
год
|
|
1.
Натуральные показатели (тыс. Гкал)
|
|
|
|
Выработка
тепловой энергии
|
1
|
5,1
|
|
Расход
тепловой энергии на собственные нужды
|
2
|
0,1
|
|
Потери
тепловой энергии
|
3
|
0,3
|
|
Отпущено
тепловой энергии всем потребителям
|
4
|
4,7
|
|
2.
Полная себестоимость отпущенной тепловой энергии, тыс. руб.
|
|
|
|
Расходы
на производство тепловой энергии
|
5
|
5015,3
|
|
в
том числе
|
|
|
|
топливо
|
6
|
1047,5
|
|
электроэнергия
|
7
|
168,9
|
|
вода
|
8
|
4,4
|
|
аренда
нового имущественного комплекса
|
9
|
3
070,0
|
|
ремонт
и техническое обслуживание или резерв на оплату всех видов ремонта, в том
числе
|
10
|
195,6
|
|
затраты
на оплату труда
|
11
|
217,6
|
|
отчисления
на социальные нужды
|
12
|
57,0
|
|
цеховые
расходы
|
13
|
254,3
|
|
Прочие
прямые расходы - всего
|
14
|
219,3
|
|
Общехозяйственные
расходы
|
15
|
169,6
|
|
ИТОГО
расходов по эксплуатации (ст.5+14+15)
|
16
|
5
404,2
|
|
ВСЕГО
расходов по полной себестоимости (ст.1200+1300)
|
17
|
5
404,2
|
|
Себестоимость
1 Гкал отпущенной тепловой энергии
|
18
|
1
149,8
|
|
ВСЕГО
ДОХОДОВ
|
19
|
6
241,9
|
|
справочно
валовая прибыль
|
|
Экономически
обоснованный тариф
|
20
|
1
328,0
|
Топливо
Расходы на топливо (природный газ) в 2010 г.
составят 1 047,5 тыс. руб.
Расходы на топливо рассчитаны исходя из
установленной с 01.01.2010 г. цены на газ - 1 476 руб./тыс. м3.
Электроэнергия на технологические нужды
Расходы на электроэнергию для технологических
нужд в 2010 г. составят 168,9 тыс. руб.
Вода на технологические нужды
Расходы на подпитку, собственные нужды в 2010 г.
составят 4,4 тыс. руб.
Для расчета расходов на воду на технологические
нужды применены действующие тарифы МУП ЖКХ пос. Космынино с 01.01.10 г.
Прочие прямые расходы
Арендная плата за землю под зданием котельной и
тепловыми сетями составит в 2010 г. 97,8 тыс. руб.
Отчисления РКЦ составляют 121,5 тыс. руб.
Арендная плата нового имущественного комплекса
Сумма арендной платы в 2010 г. составит 3 070,0
тыс. руб.
Общехозяйственные расходы
Общехозяйственные расходы в 2010 г. составят
169,6 тыс. руб.
Срок окупаемости проекта:
Т=К/П
К - капитальные вложения в проект;
П - годовая прибыль от проекта.
Т=16 573,65/6 241,9=2,7≈3года
Таким образом, срок окупаемости вложенных
средств на модернизацию котельной составит приблизительно 3 года.
Полученные результаты указывают не только на
техническую, но и экономическую целесообразность реализации данного проекта.
3. Безопасность жизнедеятельности
3.1 Подготовка котельной к работе
Проверить готовность котлов и оборудования к
пуску.
Первичный пуск производится по наряду-допуску.
Проверить исправность арматуры. Вся арматура с
ручным обслуживанием на котлах должна быть закрыта.
Проверить отсутствие заглушек на входном и
выходном патрубках котлов. Проверить состояние взрывных клапанов на газоходах.
Проверить исправность и срок годности всех КИП,
наличие и целостность пломб на них.
Проверить плотность присоединения газоходов к
котлам и дымовой трубе.
Проверить наличие масла в гильзах термометров
сопротивления.
Промывку и заполнение контура котлов
химобработанной водой, а также удаление воздуха из контура производить в
следующей последовательности:
а) открыть воздушники на подающем и обратных
коллекторах внутреннего контура;
б) открыть воздушники на котлах, при этом
дренажные трубопроводы должны быть закрыты;
в) подать воду к установке ХВО;
г) заполнить внутренний контур химочищенной
водой;
д) открыть по очереди дренажные заслонки котлов
до появления чистой воды, пополняя при этом систему химочищенной водой;
е) заполнить химочищенной водой внутренний
контур;
ж) после появления воды из воздушников
коллекторов закрыть их;
Заполнить систему отопления (наружный контур)
водой. При первичном заполнении системы необходимо перекрыть сетевые
теплообменники и насосы. Заполнение производить по байпасным линиям. Промыть
систему. Закрыть байпасы. Заполнить теплообменники и насосы, удаляя из них
воздух.
Заполнить систему ГВС, предварительно промыв ее
и удалив воздух. Подать воду к насосам ГВС, удалить из них воздух.
Продуть импульсные трубки манометров на
трубопроводах, открыв и закрыв трехходовые краны.
Проверить исправность управляемого электронным
блоком технологического оборудования с помощью имеющихся приборов управления
или имитацией действия через входные контакты блока, согласно методике по
проверке автоматики безопасности.
Выполнить операции по подготовке к работе
котлов, горелок и другого оборудования, предусмотренные их эксплуатационной
документацией.
Перед началом пуско-наладочных работ необходимо
тщательно проверить:
правильность монтажа в соответствии с
технической документацией;
правильность установки и настройки датчиков;
правильность направления вращения роторов
двигателей насосов и, при необходимости, поменять фазировку (водяные полости
насосов предварительно должны быть заполнены водой).
3.2 Порядок работы
Включение автоматов щита вводного
распределительного.
Перед включением автоматов щита вводного распределительного
проверить положение выключателей всех щитов автоматики котельной. Выключатели
должны быть в положении «Отключен».
Включить вводный автомат щита вводного
распределительного. Последовательно включить все силовые автоматы на каждый
упомянутый щит (распечатка указателей соответствующих автоматов находится на
внутренней стенке силового щита).
Перед включением автоматов щита управления
котельной проверить положение переключателей всех исполнительных механизмов и
насосов котельной, находящихся на лицевой панели шита. Переключатели должны
быть в положении «Отключен».
Проверить уставки датчиков давления системы цепи
подпитки и аварийной защиты по падению давления в соответствии с установленными
при наладке параметрами давления в тепловой сети на щите управления котельной
(согласно карты уставок).
До включения ШКА все задвижки и краны должны
находиться в рабочем положении. Перевести все переключатели на щите в положение
согласно руководства на ШКА-01-С-О-К.
Пуск оборудования котельной в автоматическом
режиме будет возможен только после нажатия кнопки «Пуск» на ШКА.
3.3 Пуск в работу линии подпитки
Открыть задвижку на вводе сырой воды в
котельную.
Заполнить водой механический фильтр.
Открыть задвижки на входе и выходе из ХВП,
включить в работу исполнительные устройства согласно руководству по
эксплуатации ШКА-01-С-О-К.
Заполнить бак химочищенной воды.
Открыть задвижки на всасывающем и нагнетательном
патрубках насосов подпитки внутреннего и наружного контуров, удалить из насосов
воздух.
Пустить в работу насосы подпитки внутреннего в
режиме автоматического управления котельной необходимо, чтобы хотя бы один из
переключателей выбора режима работы насосов подпитки был установлен в положение
«АВТ». Если ни один из переключателей не установлен в положение «АВТ», то
выдается на ПУ3 сообщение об отказе насосов «НП Котл. не Авт». Если во время
работы произошел отказ в работе основного насоса, то автоматически включится
резервный насос, при этом на ПУ формируется предупреждающее сообщение
«Резервн.НП Котл» и наружного, в режиме автоматического управления котельной
необходимо, чтобы хотя бы один из переключателей выбора режима работы насосов
подпитки был установлен в положение «АВТ». Если ни один из переключателей не
установлен в положение «АВТ», то выдается на ПУ сообщение об отказе насосов «НП
Сети. не Авт». Если во время работы произошел отказ в работе основного насоса,
то автоматически включится резервный насос, при этом на ПУ формируется
предупреждающее сообщение «Резервн.НП Сети».
3.4 Включение насосов
Сетевые насосы. Перед пуском сетевых насосов и
во время их работы контролируется автоматический режим работы насосов.
Происходит запуск насоса с наименьшим порядковым номером. Далее в зависимости
от значения уставки «Кол-во насосов», запускается необходимое количество
насосов. Запуск производится последовательно с интервалом времени «Вр.зап.нас.»
В режиме автоматического управления котельной
необходимо, чтобы количество переключателей выбора режима работы насосов,
установленных в положение «АВТ», было не меньше значения уставки «Кол-во
насосов». Если количество переключателей выбора режима работы насосов,
установленных в положение «АВТ», больше уставки «Кол-во насосов», то часть
насосов будет резервными. В случае аварии одного из работающих насосов на ПУ
выдается соответствующее сообщение «Авария насоса 1», «Авария насоса 2»,
«Авария насоса 3», произойдет переключение на резервный насос с меньшим
порядковым номером. Если нет резервных насосов, то чередуются сообщения
«Недост.сет.нас.» и «Авария насоса 1»…«Авария насоса 3».
Если все переключатели не установлены в
положение «АВТ», то выдается на ПУ сообщение об отказе сетевых насосов «Сет.
нас. не. авт.».
Запуск каждого из сетевых насосов производится
последовательно в порядке возрастания порядковых номеров насосов (с 1-го по
3-й) с интервалом времени «Вр.зап.нас.». Для переключения на другой насос
необходимо:
) переключатели выбора режима работы резервных
насосов с порядковыми номерами ниже номера требуемого включаемого насоса
вывести из автоматического режима;
) переключатель требуемого насоса установить в
положение «АВТ»;
) после запуска требуемого насоса установить в
положение «АВТ» необходимое (или большее уставки ««Кол-во насосов») количество
переключателей.
Пример: Работают насосы 2 и 5. Необходимо
включить насос 4, отключить насос 5. Переключатели насосов 1 (резерв), 2, 3
(резерв), 5 в положении «АВТ». Уставка ««Кол-во насосов»=2.
а) переключатели насосов 1, 3 вывести из
положения «АВТ»;
б) переключатель насоса 4 установить в положение
«АВТ»;
в) переключатель насоса 5 вывести из положения
«АВТ»;
Работоспособность насосов контролируется
срабатыванием пускателя контакта или реле, подключенного к обмотке
соответствующего двигателя. Если во время работы насосов окажутся отключенными
все насосы, то формируется сообщение «Авария сет. нас.» .
Насосы ГВС. Перед пуском насосов ГВС и во время
их работы контролируется автоматический режим работы насосов в режиме
автоматического управления котельной необходимо, чтобы хотя бы один из
переключателей выбора режима работы насосов подпитки был установлен в положение
«АВТ». Если ни один из переключателей не установлен в положение «АВТ», то
выдается на ПУ сообщение об отказе насосов «насосы ГВС. не Авт.». Если во время
работы произошел отказ в работе основного насоса, то автоматически включится
резервный насос, при этом на ПУ формируется предупреждающее сообщение «Резервн.
насосы ГВС.».
3.5 Подача газа
Для подачи газа в котельную необходимо открыть
электромагнитный клапан на вводе газа в котельную. Включение клапана-отсекателя
возможно произвести вручную посредством перевода тумблера «Клапан-отсекатель»
на пульте контроллера «Контел» в положение «Автомат». При отсутствии аварий
«Пожар», «Обрыв фаз», «Загазованность СО порог 2», «Загазованность СН»
отсекатель взведется. Срабатывает световая индикация над кнопкой.
Медленно открыть газовый кран после
клапана-отсекателя.
При необходимости взвести ПЗК регулятора
давления газа в ГРУ.
После последовательного открывания газовой
арматуры котельной, подать газ до задвижки на опуске запускаемого в работу
котла.
Произвести запуск котла в соответствии с
Руководствами по эксплуатации котла и Правилами безопасности Ростехнадзора.
Произвести запуск остальных котлов по
аналогичной схеме.
Останов котельной производится в обратном
порядке.
Останов котлов производится в соответствии с
руководством по их эксплуатации.
Отключение котловых насосов производить после
снижения температуры воды на выходе из котла ниже 700С.
3.6 Розжиг горелки
Перевести тумблеры шкафов котловой автоматики
(ШКА-В-Г-А) горелок и котловых насосов в положение «Внешний».
Контроллер РС-365D производит измерение и
индикацию значений аналоговых датчиков и в безаварийной ситуации начинает
запуск каскада котлов:
определяется основной котел в каскаде котлов и
подается сигнал «Пуск» на этот котел;
включается котловой циркуляционный насос;
осуществляется розжиг котла до поступления из
шкафа котла на входы контроллера РС-365D сигнала о работе котла. Максимальное
время розжига котла ограничивается уставкой «Вент котла». При поступлении
сигнала о работе котла на ПУ появляется сообщение «Котлы в раб.».
Если по истечении времени, заданного уставкой
«Вент котла», не пришел сигнал о работе котла, этот котел выводится из работы
каскада: снимается сигнал «Пуск» котла, отключается котловой циркуляционный
насос и запускается следующий в каскаде котел;
после розжига котла - поступление сигнала о
работе котла - начинается прогрев котла в течение времени, заданного уставкой
«Прогр. котла», на горелку подается сигнал «Горение меньше». По окончании цикла
прогрева котла в зависимости от нагрузки каскада включается «Горение больше»
или, в случае необходимости, включается следующий в каскаде котел.
Проверить работу контура в реальных условиях. В
случае необходимости поменять уставки.
3.7 Аварийные ситуации
При возникновении аварийной ситуации включается
индикация, соответствующая виду аварии и звуковая сигнализация.
Перечень возможных аварийных ситуаций, приведен
в таблице 3.1.1.
Таблица 3.1.1
Возможные аварийные ситуации
|
№
п.п.
|
Обозначение
аварии
|
Пояснения
|
|
1
|
Авр.
пожар!!!
|
В
котельной зафиксирован пожар
|
|
2
|
Авр.
нет фазы
|
Возник
обрыв одной или нескольких фаз силового кабеля
|
|
3
|
Авр.
СН
|
Зафиксировано
высокое содержание метана в воздухе котельной
|
|
4
|
Авр.
СО-II порог
|
Содержание
СО в воздухе достигло второго порогового уровня
|
|
5
|
Авар.Газоанализ.
|
Неисправность
датчиков газоанализатора
|
|
6
|
Авр.Ргаза
min
|
Давление
газа на входе в котельную ниже нормы
|
|
7
|
Авр.Ргаза
max
|
Давление
газа на входе в котельную выше нормы
|
|
8
|
ОХРАНА!
ВЗЛОМ!!!
|
Проникновение
в котельную постороннего лица
|
|
9
|
Счетчик
засорен
|
Перепад
на счётчике газа превышает заданное уставкой значение
|
|
10
|
Р
водопр. Min
|
Низкое
давление воды в водопроводе
|
|
11
|
Авария
котлов
|
Сигнал
аварии котлов от контроллера РС2
|
|
12
|
Авария
ГВС
|
Сигнал
аварии системы ГВС от контроллера РС4
|
|
13
|
Авр.нас.подпитки
|
Авария
насосов подпитки
|
|
14
|
Авр.сет.насосов
|
Авария
сетевых насосов
|
|
15
|
Авр.котл.насосов
|
Авария
котловых насосов
|
|
16
|
Авар.нас.подпитки
|
Авария
насосов внешнего подпитки внешнего контура
|
|
17
|
Авр.внеш.нас.ГВС
|
Авария
насоса ГВС
|
|
18
|
Р
обр.сет. max
|
Давление
обратной воды сетевого контура высокое
|
|
19
|
Р
под. сети max
|
Давление
прямой воды сетевого контура высокое
|
|
20
|
Р
обр.котл. max
|
Давление
обратной воды котлового контура высокое
|
|
21
|
P
котловое max
|
Давление
прямой воды котлового контура высокое
|
|
22
|
Р
обр.сет. min
|
Давление
обратной воды сетевого контура низкое
|
|
23
|
Р
под. сети min
|
Давление
прямой воды сетевого контура низкое
|
|
24
|
Р
обр.котл. min
|
Давление
обратной воды котлового контура низкое
|
|
25
|
Воды
в баке min
|
Уровень
воды в баке низкий
|
|
26
|
Воды
в баке max
|
Уровень
воды в баке подпитки высокий
|
|
27
|
Т
обратки низкая
|
Температура
обратной воды теплосети низкая
|
После возникновения аварий 1, 2, 3, и 4
закрывается клапан-отсекатель газа. Дальнейший розжиг горелки возможен после
ликвидации аварии.
При срабатывании «Авария котла № …» (на
контроллере РС) необходимо посмотреть на котловом щите, какая из следующих
аварий сработала:
Таблица 3.1.2
Перечень возможных аварий на котловом щите
|
№
п.п.
|
Обозначение
аварии
|
Пояснения
|
|
1
|
Р
после котл.низ
|
Давление
прямой воды из котла низкое
|
|
2
|
Р
после котл.выс
|
Давление
прямой воды из котла высокое
|
|
3
|
Р
до котла низко
|
Давление
обратной воды котла низкое
|
|
4
|
Р
до котла высок
|
Давление
обратной воды котла высокое
|
|
5
|
Т
дымов высока
|
Температура
дымовых газов на выходе котла высокая
|
|
6
|
P
газа низкое
|
Давление
газа перед котлом низкое
|
|
7
|
Р
газа высокое
|
Давление
газа перед котлом высокое
|
|
8
|
Р
в топке высокое
|
Давление
в топке высокое
|
|
9
|
Авария
горелки
|
Авария
горелки - сигнал, поступающий с блока управления горелкой
|
|
10
|
Авр.котл.нас.
|
Авария
котлового насоса
|
При срабатывании аварии «давление газа min»
посмотреть по прибору, показывающему давление газа к котлу на котловом щите,
текущее давление, сравнить его с картой настройки автоматики безопасности
котла. При «Р газа min» проверить открыт ли отсекатель, взведен ли ПЗК. Если
отсекатель включен, ПЗК взведен, а давления газа недостаточно, необходимо
вызвать газовую службу для настройки регулятора давления газа. При срабатывании
аварии «Р газа max» попробовать разжечь горелку при открытой свече. После
розжига свечу закрыть, вызвать газовую службу для настройки регулятора давления
газа.
При снижении давления воды после котла
необходимо выяснить:
работает ли подпитка;
не сливается ли вода в канализацию (закрыты ли
дренажные линии котлов; не сработали ли предохранительно-сбросные клапаны).
При «Перегреве» котел отключится. Для включения
котла необходимо сбросить аварию на защитном термостате, расположенном на
выходном трубопроводе котла.
При аварии «Давление в топке max» посмотреть не
закрыт ли шибер, ответственному за КИПиА проверить уставку «Давление в топке».
При «Аварии горелок» посмотреть код ошибки и
расшифровку ошибки на блоке управления горелкой LFL, устранить аварию. Запуск
горелки осуществлять после устранения аварии.
При обрыве фаз обслуживающему персоналу
необходимо перевести в нулевое положение переключатели насосов. После подачи
электроэнергии - запустить их заново и взвести клапан-отсекатель.
При первом пороге загазованности СО сработает
звуковая сигнализация, при втором сработает клапан-отсекатель. К данной аварии
может привести не герметичность котлов и газоходов, курение возле датчика ЭССА
или проведение сварочных работ внутри котельной. Обслуживающий персонал должен
проветрить котельную и пустить котлы вновь.
Если произошла авария «загазованность метаном»,
то это значит что в котельной идет утечка газа. Необходимо вызвать газовую
службу.
При пожаре - вызвать пожарную службу.
При аварии «Сухой ход» проверить, не перекрыта
ли задвижка на вводе сырой воды в котельную. Если она открыта, сообщить
диспетчеру о падении давления водопроводной воды.
При «Аварии насосов» - вызвать представителя
службы КИП.
При «Высоком перепаде давления на фильтре или
счетчике» сообщить в газовую службу.
3.8 Обязанности обслуживающего персонала
В процессе работы котельной обслуживающий
персонал должен периодически производить замеры и записывать в журнал
наблюдений следующие параметры:
а) расход воды, м3/ч;
б) температура прямой воды, °С;
в) температура обратной воды, °С;
г) давление воды на входе в котел, МПа;
д) давление воды на выходе из котла, МПа;
е) температура уходящих газов, °С;
ж) параметры горелки и другие параметры (при
необходимости).
з) удалять воздух из коллекторов и котлов.
Данные записей сравнить с заданными параметрами
режимной карты пуско-наладочных испытаний котельной, проанализировать, выявить
причины нежелательных отклонений и устранить их.
Контролирование параметров позволяет следить за
техническим состоянием котлов и поддерживать требуемый режим работы в процессе
эксплуатации. В частности увеличение перепада давления на котлах
свидетельствует о снижении расхода воды в котлах, что может вызвать перегрев
воды в котлах и гидравлические удары.
Контроль температуры уходящих газов позволяет
определить необходимость чистки газоходов.
Контроль параметров горелки (воздуха и топлива),
поддержание их в диапазоне, установленном при пуско-наладочных работах,
позволяет производить качественное сжигание топлива и эффективную работу
котлов.
Для котельной должен быть составлен график, где
указывается периодичность проверок, а также периодичность продувки котлов и др.
График утверждается руководством эксплуатирующего предприятия.
Обо всех аварийных ситуациях информировать
диспетчера.
.9 Работа со щитом общекотельной автоматики
(ШКА)
Шкаф предназначен для управления котельной.
Шкаф производит:
автоматический контроль за работой оборудования
котельной и котлов с подачей световой и звуковой сигнализации об авариях;
обеспечения автоматики безопасности (с
запоминанием первопричины аварийного останова, подачей световой и звуковой
сигнализации). Перечни аварийных параметров и сообщений приведены в Приложениях
регулирование температуры сети отопления в зависимости от температуры наружного
воздуха;
каскадное управление котлами №1 и №2 в
зависимости от нагрузки теплосети;
управление клапаном подачи газа в котельную;
представление информации о текущих значениях
регулируемых параметров;
сигнализацию о загазованности по угарному газу
СО и метану СН4;
мониторинг охранной и пожарной сигнализации в
котельной и включение звуковой сигнализации при аварии;
управление насосами подпитки;
управление сетевыми насосами;
управление насосами котлового контура;
управление клапаном подпитки сети отопления;
управление клапаном подпитки котлового контура;
управление клапаном подпитки бака исходной
водопроводной воды в зависимости от уровня воды в баке;
управление клапаном сброса давления в обратном
трубопроводе сетевого контура;
управление клапаном сброса давления в обратном
трубопроводе котлового контура.
На пультах шкафа ПУ1 и ПУ2 отражаются
действующие значения физических величин, определяемых аналоговыми датчиками.
Шкаф также производит питание следующих
устройств:
детектор обнаружения угарного газа;
детектор обнаружения метана;
звуковая сигнализация.
Соответствие между ключевыми кнопками и
параметрами.
3.10 Останов котла
Останов котла во всех случаях, за исключением
аварийного, производится по письменному распоряжению администрации предприятия.
Плановый останов котла осуществляется
обслуживающим персоналом путем перевода переключателя ШКА режима работы котла в
состояние «0».
При останове котла необходимо:
поддерживать нормальную циркуляцию воды в котле;
на отключенном газопроводе котла открыть
продувочные свечи;
произвести расхолаживание котла и спуск воды из
него воды.
Запрещается продувать газопроводы котлов через
газопродувочные устройства.
Запорная арматура на продувочном газопроводе
после останова котельной должна постоянно находиться в открытом состоянии.
3.11 Осмотр и ремонт котла
При плановой остановке котельной проводится
сезонное обслуживание, при этом:
выполняются мероприятия в объеме периодического
ТО;
производятся: чистка топок, газоходов,
завихрителей, дымогарных труб от сажи; чистка и промывка водяного тракта
химическим способом, изложенным в инструкции предприятия-изготовителя котла;
регулируется или заменяется запорная арматура;
проверяется состояние теплоизоляции;
проводится метрологическая поверка приборов;
протираются с помощью спирта электрические
контакты;
производится (при необходимости) подкраска
котельной и обновление маркировки оборудования.
Текущие и капитальные ремонты котельной должны
производиться по графику планово-предупредительного ремонта, разработанному
эксплуатирующей организацией. Кроме текущего и капитального ремонта может
производиться внеплановый ремонт, возникающий в результате аварий. В
зависимости от объема внеплановый ремонт может быть отнесен к текущему или
капитальному.
Периодичность и содержание работ ТО
комплектующего оборудования, приборов и устройств осуществляется в соответствии
с инструкциями их заводов изготовителей.
Котельная ежегодно, после сезонного ТО или
ремонта должна подвергаться техническому освидетельствованию согласно «Правилам
устройства и безопасной эксплуатации водогрейных котлов с температурой воды не
выше 388. К (115°С)».
Ремонтные работы (текущий и капитальный ремонт)
на котле проводится в соответствии с графиком производственно-плановых работ
эксплуатирующей организацией.
Профилактический осмотр работающего оборудования
проводится 1 раз в неделю, в случае выявления отклонений от нормальной работы
необходимо осуществить текущий ремонт в соответствии с инструкцией
завода-изготовителя данного оборудования.
В случае выхода оборудования из строя в
результате аварии или неправильной эксплуатации с целью ликвидации последней
проводится внеплановый восстановительный ремонт.
Заключение
В дипломном проекте нами была спроектирована
блочно-модульная котельная в п. Космынино, которая позволяет решить следующие
вопросы:
обеспечить потребителей качественным теплоснабжением
и ГВС, отвечающим нормативным требованиям;
повысить надежность и качество теплоснабжения;
улучшить экологическую обстановку в п.Космынино
вследствие закрытия угольной котельной;
снизить себестоимость тепловой энергии
При проектировании были рассмотрены вопросы
автоматизации и диспетчеризации котельной, что позволит сократить оперативный
персонал, обеспечить быстрое отключение котельной в случае аварийной ситуации,
а также осуществлять контроль и управление котельной из диспетчерского пункта.
Дипломный проект по проектированию
автоматизированной блочно-модульной котельной выполнен на основе расчёта
теплопотребления с применением современных технологических решений и
оборудования ведущих отечественных и зарубежных производителей. В ходе
выполнения дипломного проекта разработана функциональная схема автоматизации
технологических процессов и дистанционного контроля рабочих параметров котла.
Автоматика регулирования котельной работает на базе микроконтроллера «РС -
365D» фирмы ООО «Контэл». По сравнению с другими разработчиками аналогичных
систем («Контар», «Термоформ», «Комтерм»), данная САР наиболее полно учитывает
специфику работы водогрейной котельной без постоянного присутствия
эксплуатационного персонала и активно применяется на предприятии ООО «КТЭК».
Алгоритмы управления котельным оборудованием предлагаемой системы автоматизации
обеспечивают нахождение рабочих параметров в заданных пределах, поддерживают
равномерный расход ресурса котлового и насосного оборудования, учитывают при
управлении температуру наружного воздуха и давление холодной воды на входе в
котельную.
Предлагаемая система автоматизации позволяет
эксплуатировать оборудование котельной в автономном режиме с дистанционным
контролем параметров на удаленном диспетчерском пункте по основному и
резервному каналу модемной связи.
Эксплуатация автоматизированной котельной
позволит существенно снизить себестоимость вырабатываемой тепловой энергии.
Расчет экономического эффекта подтвердил целесообразность модернизации
котельной по разработанному варианту. Срок окупаемости затрат на реализацию
проекта составляет 3 года.
Библиографический список
1.
СНиП II-89-80 «Генеральные планы промышленных предприятий». - М.:, 1994.
.
СанПиН 2.2.1/2.1.1.1200-03 «Санитарно-защитные зоны и санитарная классификация
предприятий, сооружений и иных объектов». Утверждены постановлением Главного
государственного санитарного врача Российской Федерации от 06.10.2009 № 61.
.
Правила устройства и безопасной эксплуатации паровых котлов с давлением пара не
более 0.07 МПа (0.7 кГс/см ), водогрейных котлов и водоподогревателей с
температурой нагрева воды не выше 115 С0. Утверждены постановлением
Госатомнадзора РФ и Госгортехнадзора РФ от 19 июня 2003 г. N 4/98.
.
Правила эксплуатации котельных жилищно-коммунального хозяйства. Утверждены
Приказом Минстроя России от 11.11.92 г. № 251
.
СНиП II-35-76 «Нормы проектирования. Котельные установки». - М.: , 1997.
.
«Инструкции по контролю за содержанием окиси углерода в помещениях котельных».
РД 12-341-00. Утверждена постановлением Госгортехнадзора РФ от 1 февраля 2000
года №1. Дата введения: 01-05-2000 г.
.
СНиП 23-01-2003 «Строительная климатология». - Взамен СНиП 23-01-99.
.
МДС 41-4.2000. Методика определения количеств тепловой энергии и теплоносителя
в водяных системах коммунального теплоснабжения. Приказ от 6 мая 2000 года №
105
.
Постановления губернатора Костромской области от 10 августа 2005 г. N 456 «Об
утверждении порядка определения норм потребления топливно-энергетических
ресурсов»).
.
Методическим рекомендациям по формированию нормативов потребления услуг
жилищно-коммунального хозяйства, утвержденным Приказом Минэкономики РФ от
06.05.1999 г. № 240.
.
Постановлением Правительства РФ от 26 февраля 2004 г. № 109 «О ценообразовании
в отношении электрической и тепловой энергии в Российской Федерации»
.
Методическими указаниями по расчету регулируемых тарифов и цен на электрическую
(тепловую) энергию на розничном (потребительском) рынке, утвержденными Приказом
Федеральной службы по тарифам от 6 августа 2004 г.
.
Водяные тепловые сети: Справочное пособие по проектированию. Под ред. Н. К.
Громова, Е. П. Шубина. - М.: Энергоатомиздат, 1988.
.
Справочник проектировщика. Проектирование тепловых сетей. Под ред. А.А.
Николаева. - М.: Стройиздат, 1965.
.
Проектирование котельных и современных систем отопления. А. Мировски. -
Виссман, Польша, 2005.
.
Насосная азбука - М.:ООО ВИЛО РУС, 2006.
.
Гибшман Е.А. Промышленные контроллеры АСУ.: Научтехлитиздат,2004.
.
Стефании Е.П. Основы расчета настройки регуляторов теплоэнергетических
процессов.- М.: Энергия, 1992.
.
Каталог насосов фирмы «DAB».
20.
Документация на приборы фирмы «Контэл» [Электронный ресурс] - Режим доступа:
<#"810230.files/image054.jpg">


На примере рассмотрим контур отопления. На
контроллер поступает сигнал с датчика температуры наружного воздуха. В
зависимости от её контроллер выбирает нужную температуру в тепловую сеть.
Достижение температуры до нужного уровня достигается либо увеличение
(уменьшением) нагрузки на котле, либо для снижения температуры - подмесом с
обратной линии теплосети.
Рис. 10.1.1 Схема диспетчеризации функциональная