Аналіз карбюраторного двигуна ВАЗ-2101
Зміст
Вступ
Розділ 1 Загальні відомості
1.1 Аналіз
бензинового двигуна ВАЗ 2101
1.2 Аналіз
системи впорскування «L-Jetronic»
Розділ
2 Загальна методика проведення досліджень впливу типу системи живлення двигуна
на паливну економічність, енергетичні та екологічні показники автомобілів в
умовах експлуатації
2.1 Розробка
загальної методики проведення досліджень
2.2 Теоретичне
обґрунтування впливу системи впорскування на роботу автомобільного бензинового
двигуна
2.3 Вибір
типу системи впорскування бензину для подальшої заміни карбюраторної системи
живлення в умовах експлуатації
2.4 Вибір
і обґрунтування типу їздового циклу для проведення теоретичних досліджень
Висновок
Список
використаних джерел
Вступ
Сьогодні в нашій країні випускається
лише кілька моделей автомобілів із карбюраторними двигунами, але частка їхніх
продажів на вітчизняному ринку досить велика. За оцінками експертів, продажі
ВАЗ-2107, ВАЗ-2104, «Ниви», «Таврії» та «Славути» (всі - з карбюраторами)
становлять близько 25% від усього ринку. Це найдоступніші за ціною легковики
(від 3800 до 7700 дол. США). Вони давно вже присутні на ринку, тому їх ремонт і
технічне обслуговування не викликають труднощів у будь-яких умовах, включно з
малокваліфікованим сервісом у гаражах.
Ця перевага робила купівлю недорогих
машин привабливою передусім для жителів невеликих населених пунктів, де рівень
автосервісу досить слабкий. Крім того, покупці таких авто не звикли їх
обслуговувати на СТО і навіть нові автомобілі на гарантії часто обслуговували
самостійно. З 1 липня 2006 року вони позбудуться такої можливості.
На заміну карбюраторним версіям
прийдуть аналогічні машини з інжекторною системою живлення двигуна. Процесом
подачі й регулювання палива в таких автомобілях керує електроніка, яку
обслужити в домашніх або гаражних умовах неможливо. Для діагностики,
регулювання та ремонту інжекторних двигунів із каталізаторами, що відповідають
нормам вихлопу Євро2, необхідне спеціальне комп’ютерне обладнання, а головне -
фахівці, які вміють ним користуватися.
Для того, аби продовжувати продавати
автомобілі з інжекторними двигунами жителям цих населених пунктів, продавцям
доведеться створювати в глибинці сервісні станції з сучасним устаткуванням і
кваліфікованим персоналом. Такі СТО зможуть обслуговувати спочатку російські й
українські машини, а згодом і сучасні іномарки. Таким чином, дилери російських
автомарок підготують основу для наступу на вітчизняну глибинку іномарок,
насамперед тих, які складають у нашій країні, - Daewoo, Chevrolet, Skoda,
Hyundai і Kia.
Розділ 1. Загальні відомості
.1 Аналіз карбюраторного двигуна
ВАЗ-2101
ВАЗ 2101
Загальні дані
Виробник: Волзький автомобільний
завод
Роки виробництва: 1970 - 1988
Збирання: Волзький автомобільний
завод (Тольятті, СРСР)
Тип кузова: седан
Компонування: передньомоторне, задньопривідне
Двигун
Виробник: Волзький автомобільний
завод
Марка: ВАЗ - 2101
Тип: чотирьохтактний, карбюраторний,
рядний, з верхнім розташуванням розподільного валу
Об’єм: 1198 см2
Максимальна потужність: 64 к.с. при
5600 об/хв.
Циліндрів: 4
Клапанів: 8
Хід поршня: 66 мм
Діаметр циліндра: 76 мм
Ступінь стиснення: 8,5 (8,8 до
1973р.)
Система живлення: двохкамерний
вертикальний карбюратор з послідовним відкриттям дроселів
Охолодження: рідинне закритого типу,
з примусовою циркуляцією рідини
Порядок роботи циліндрів: 1-3-4-2
Рекомендоване паливо: АИ-93
Трансмісія: 4 ступ.
Розгін до 100 км/год: 20 с
Макс. швидкість: 142 км/год.
На автомобілі ВАЗ 2101
встановлюється чотирьохциліндровий, чотирьохтактний бензиновий двигун з
рідинним охолодженням та рядним вертикальним розташуванням циліндрів.
Цей двигун був спеціально
спроектований для автомобілів що випускались у СРСР при доводці конструкцій
прототипу - італійського автомобіля ФІАТ-124.
Від двигунів що випускались в країні
раніше він відрізняється деякими конструктивними особливостями, які дозволили
при невеликих габаритах та вазі отримати досить потужний, високооборотний та
надійний агрегат, що володіє довговічністю та економічністю при невеликій
трудоємності технічного обслуговування у процесі експлуатації.
Висока літрова потужність, рівна 50
к. с. на літр робочого об’єму, досягнута завдяки підвищеному ступеню стиску,
розподільному валу, розміщеному у головці, раціональній формі камери згорання
ретельно підібраними системами живлення та випуску відпрацьованих газів. Підвищення
ступеня стиску дало можливість підвищити термічний коефіцієнт корисної дії.
Верхній розподільний вал забезпечив зменшення мас, що рухаються
зворотно-поступально у клапанному приводі, тим самим, дозволив підвищити оберти
двигуна.
Висока надійність та довговічність
двигуна, крім конструктивних заходів, забезпечувалась застосуванням передових
технологій та високоякісних матеріалів.
Застосування тонкостінного чавунного
лиття, алюмінієвих сплавів та пластичних мас дозволило рахувати цей двигун не
тільки сучасним, але й достатньо перспективним, що допускає його подальші
вдосконалення.
Трудоємність обслуговування при його
експлуатації зменшена завдяки застосуванню закритої системи охолодження,
збільшеною періодичністю заміни моторного масла, повітряного та масляного
фільтрів та виключенню змащування консистентними змазками.
Високі пускові якості двигуна при
низьких температурах оточуючого повітря забезпечувались: двохкамерним
карбюратором з падаючим потоком, потужним стартером, ефективним акумулятором,
та стабільними показниками застосовуваних масел. Як показали експлуатаційні
випробовування, двигуни надійно запускались без попереднього підігріву при
-30°С. Для пуску при більш низьких температурах було передбачено можливість
встановлення та застосування спеціального передпускового підігрівача.
В той же час конструкція двигуна
така, що дає можливість добитись високої довговічності. Так, застосування
чавунного блоку, повноопорного колінчастого валу і сталеалюмінієвих
тонкостінних вкладишів дозволило знизити знос вкладишів та шийок колінчастого
валу, зменшити вібрації та збільшити жорсткість конструкції. В підсумку
передбачений заводом пробіг автомобіля до капітального ремонту складає не менше
100 тис. км.
Система живлення двигуна ВАЗ-2101
включає в себе прилади подачі у карбюратор палива та повітря, приготування
паливної суміші та випуску відпрацьованих газів. Вона складається з паливного
баку, паливного насосу, паливопроводів, повітряного фільтру, карбюратора,
глушника та трубопроводів.
При роботі двигуна паливо із баку
примусово подається паливним насосом по паливопроводам та шлангах у карбюратор,
у якому готується паливна суміш. Повітря надходить до карбюратору через
повітряний фільтр. Приготована паливна суміш через впускний трубопровід
всмоктується до циліндрів двигуна.
Паливний бак зварений з двох половин
із сталевого листа. Вмістимість баку 39л. включаючи резерв 4-6,5. Він
встановлений у багажному відділенні та прикріплений до кузова двома хомутами.
Паливопроводи виготовлені із
сталевих оцинкованих чи освинцевиних трубок. Паливопроводи між собою, а також з
баком, паливним насосом з’єднані гумовими шлангами у тканинній обгортці та
закріплені стяжними хомутами.
Повітряний фільтр забезпечує очистку
повітря, що надходить у карбюратор, від механічних добавок. Фільтр сухого типу
із змінним фільтруючим елементом. Наявне сезонне регулювання забору повітря.
При роботі двигуна атмосферне
повітря всмоктується у корпус повітряного фільтру через повітрозбірник
холодного повітря і підкапотного простору чи через повітрозбірник теплого
повітря із зони випускного колектора по гофрованому шлангу та патрубку. Повітря
очищається передочисником від більших механічних добавок, фільтруючим елементом
від дрібних добавок та надходить до карбюратора за рахунок розрідження у
циліндрах двигуна.
Бензонасос діафрагмового типу,
встановлений на приливі блоку з лівого боку двигуна, засмоктує паливо з баку та
подає його під тиском до карбюратора.
Привід насосу здійснюється
ексцентриком горизонтального валу, що приводить у рух масляний насос, через
сталевий стержневий штовхач.
Бензонасос має наступні основні
параметри:
максимальний тиск бензину: 0,2…0,25
кг/см2;
робоча потужність 60 л на годину при
2000 об/хв.;
розрідження всмоктування 2…2,5 м
водяного стовпа.
Економічність та потужність двигуна
в значній мірі залежить від справної роботи карбюратора, що є одним із самих
складних та відповідальних вузлів автомобіля.
Двигун ВАЗ 2101 обладнаний
карбюратором типу «Вебер - 32СР», який встановлений на впускній трубі з правого
боку двигуна та закріплений чотирма гайками.
Карбюратор двохкамерний,
вертикальний (з падаючим потоком суміші), з послідовним відкриттям дросельних
заслінок та автоматичним пусковим пристроєм.
Подібна конструкція дозволяє
отримати високу потужність двигуна у поєднанні з хорошою економічністю, стійкою
роботою на усіх режимах та можливістю надійного запуску.
Карбюратор має одну поплавкову
камеру та два головних повітряних канали, що направляють потік в
основну(первинну) та додаткову(вторинну) змішувальні камери карбюратора.
Відлитий із алюмінієвого сплаву
впускний трубопровід служить для продовження процесу приготування паливної
суміші, який розпочинається у карбюраторі, та для її рівномірного розподілу по
циліндрах двигуна.
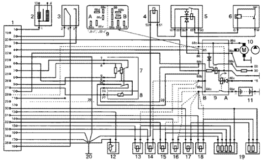
1.2 Аналіз системи впорскування
L-Jetronic
Система впорскування «L-Jetronic» -
це керована електронікою система багатоточкового, переривчастого впорску палива
(L-нім. Lade-заряд, порція). Головні відмінності від систем «К-J» та «КЕ-J»:
відсутній дозатор-розподільник та регулятор керуючого тиску; усі форсунки
(пускова та робочі) з електромагнітним керуванням. Так як немає
дозатора-розподільника, суттєво змінився і витратомір повітря. У системах
«L-Jetronic» приблизно у два рази менший тиск палива у системі і можлива
відсутність накопичувача.
Система впорскування «L-Jetronic» -
це більш досконала система, із збільшеною економічністю, зниженою токсичністю
відпрацьованих газів, покращеною динамікою автомобіля.
Рисунок 1.1 - Схема системи
впорскування палива «L-Jetronic»
- паливний бак; 2 - паливний насос;
3 - фільтр тонкої очистки палива; 4 - регулятор тиску палива у системі; 5 -
розподільна магістраль; 6 - пускова форсунка; 7 - блок циліндрів двигуна; 8 -
форсунка впорску; 9 - датчик температури охолоджуючої рідини; 10 - ЕБУ; 11 -
блок реле; 12-датчик-розподільник запалювання; 13 - вимикач положення
дросельної заслінки; 14 - висотний коректор; 15 - витратомір повітря; 16 -
підвід повітря; 17 - термореле; 18 - гвинт якості суміші на холостому ході; 19
- клапан додаткового повітря; 20 - гвинт кількості суміші на холостому ході; 21
- вимикач запалювання; 22 - підвід розрідження до регулятора тиску палива у
системі.
Склад системи впорскування.
До системи впорскування «L-Jetronic»
входять наступні пристрої:
розподільна магістраль;
форсунки впорскування;
регулятор тиску палива;
ЕБУ;
витратомір повітря з
потенціометричним датчиком;
пускова форсунка;
клапан додаткового повітря;
вхідні датчики.
Розподільна магістраль призначена
для розподілення палива по форсунках впорскування.
Форсунка впорскування забезпечує
імпульсне впорскування палива за рахунок електромагнітного керування голкою
розпилювача.
Регулятор тиску палива служить
для підтримування постійного тиску у розподільній магістралі системи, а також
для усунення пульсацій палива, що виникають при роботі форсунок впорскування.
Електронний блок управління (ЕБУ)
приймає сигнали від вхідних датчиків та перетворює їх у керуючу дію на наступні
виконавчі пристрої:
форсунки впорскування;
пускова форсунка;
клапан додаткового повітря.
Основними керуючими параметрами, що
формує ЕБУ є необхідний об’єм палива палива що впорскується, та час початку
впорскування.
Витратомір повітря
системи відрізняється від витратомірів систем «К». Повітряний потік діє на
вимірювальну заслінку (2, рис.1.2) прямокутної форми. Заслінка прикріплена на
осі у спеціальному каналі, поворот заслінки перетворюється потенціометром у
напругу, пропорційну витраті повітря. Потенціометр, як правило, являє собою
ланцюжок резисторів, ввімкнених паралельно контактній доріжці.
Рисунок 1.2 - Витратомір повітря із
датчиком температури всмоктуваного повітря
- обвідний канал; 2 - вимірювальна
заслінка; 3 - демпферна камера; 4 - пластина демпферу; 5 - потенціометр; 6 -
гвинт якості суміші холостого ходу; 7 - датчик температури; 8 - контакти
паливного насосу.
Дія повітряного потоку на
вимірювальну заслінку (2) врівноважується пружиною. Для гасіння коливань,
викликаних пульсаціями повітряного потоку та динамічними діями характерними для
автомобіля, особливо на поганих дорогах, у витратомірі наявний демпфер (3) з пластиною
(4). Пластина (4) виконана за одно з вимірювальною заслінкою (2). Різке
переміщення вимірювальної заслінки стає неможливим через взаємодію на пластину
зусилля повітря що стискається у демпферній камері.
На вході у витратомір вмонтований
датчик температури повітря (7) що надходить. У верхній частині витратоміру
розташований обвідний канал(1) з гвинтом якості суміші (6). Витратоміри бувають
із 6 і 7-ми штекер ним підключенням.
Пускова форсунка
впорскує додаткову порцію палива. Робота форсунки забезпечується термореле та
датчиком температури охолоджуючої рідини.
Принцип дії системи.
Електричний паливний насос (2, рис.
1.1) забирає паливо із баку (1) та подає його під тиском 2,5 кгс/см2
через фільтр тонкої очистки (3) до розподільної магістралі (5), з’єднаної
шлангами із робочими форсунками циліндрів (8). Встановлений з торця
розподільної магістралі (5), регулятор тиску палива у системі (4) підтримує
постійний тиск впорскування та здійснює злив лишнього палива до баку. Цим
забезпечується циркуляція палива у системі та виключається утворення парових
пробок.
Кількість впорскуваного палива
визначається ЕБУ (10) в залежності від температури, тиску та об’єму повітря що
надходить, частоти обертання колінчастого валу та навантаження двигуна, а також
від температури охолоджуючої рідини.
Основним параметром, що визначає
дозування палива, є об’єм всмоктуваного повітря, що вимірюється витратоміром
повітря. Повітряний потік що надходить відхиляє напірну вимірювальну заслінку,
долаючи зусилля пружини, на визначений кут, що перетворюється в електричну
напругу засобом потенціометру. Відповідний електричний сигнал передається на
ЕБУ, який визначає необхідну кількість палива у даний момент роботи двигуна та
видає на електромагнітні клапани робочих форсунок імпульси часу подачі палива.
Незалежно від положення впускних клапанів, форсунки впорскують паливо за один
чи два оберти колінчастого валу двигуна.
Якщо впускний клапан у момент
впорскування закритий, паливо накопичується у просторі перед клапаном та
надходить у циліндр при наступному його відкриті одночасно з повітрям.
Клапан додаткової подачі повітря
(19) встановлений у повітряному каналі, виконаному паралельно дросельній
заслінці, підводить до двигуна додаткове повітря при холодному пуску та
прогріві двигуна, що приводить до збільшення частоти обертання колінчастого
валу. Для прискорення прогріву використовується підвищені оберти холостого ходу
(>1000об/хв).
Розділ 2. Загальна методика
проведення досліджень впливу типу системи живлення двигуна на паливну
економічність, енергетичні та екологічні показники автомобілів в умовах
експлуатації
2.1 Розробка
загальної методики проведення досліджень
Створення методики
дослідження впливу типу системи живлення автомобільного двигуна на паливну
економічність, енергетичні та екологічні показники автомобілів передбачає
розробку загальних підходів та послідовності конкретних дій дослідження для
досягнення поставленої в дисертаційній роботі мети, а саме підвищення паливної
економічності та зниження шкідливих викидів автомобілів в умовах експлуатації.
При оцінці впливу типу системи
живлення на показники двигунів в результаті заміни традиційної карбюраторної
системи живлення електронною розподіленою системою впорскування бензину, перш
за все при кількісній оцінці, необхідно мати на увазі можливість отримання
неоднозначних результатів. Це пов'язано з тим, що через наявність допусків на
розміри деталей у різних двигунів однієї і тієї ж моделі виходять неоднакові
характеристики. Наприклад, при номінальному значенні ступеню стиснення ε
= 10 фактичне її значення в різних циліндрах може
(при випадковому несприятливому поєднанні розмірів деталей) коливатися від 9,6
до 10,4. Тому допустимі, за умовами відсутності детонації при роботі, кути
випередження запалювання для різних двигунів при такій різниці значень ε
матимуть
неоднакову величину.
Похибка при експериментальних
випробуваннях також залежить від завдання, яке виконує конкретна паливна
система (досягнення максимальної потужності, паливної економічності або
мінімальної токсичності) та рівня її досконалості. З цього виходить, що якщо
порівнювати показники двигуна з карбюратором, налагодженим на максимальну
паливну економічність і показники того ж двигуна з ЕРСВБ з мінімальним рівнем
шкідливих викидів, то одержана при такому некоректному порівнянні інформація не
відобразить всіх принципових переваг, якими володіє система впорскування
бензину. Цим і пояснюється достатньо широка різниця даних, опублікованих в
різних наукових роботах. Для оцінки впливу типу системи живлення слід віддати
перевагу даним, одержаним при випробуваннях одного і того ж двигуна та
автомобіля, що і передбачає запропонована методика.
Першим етапом методики (рис. 2.1)
передбачено аналіз раніше проведених досліджень щодо впливу типу систем
живлення бензинових двигунів на паливну економічність, енергетичні та
екологічні показники автомобіля (блок 1). Результатом виконання цього етапу є
узагальнені висновки проведених раніше досліджень, визначення питань, які
підлягають дослідженню та формулювання задач дисертаційної роботи.
При виборі типу системи впорскування
бензину для подальшої заміни карбюраторної системи живлення в умовах
експлуатації (блок 2) враховувались відповідність вартості переобладнання та
очікуваного поліпшення динамічних, паливо-економічних та екологічних
властивостей автомобіля. Крім того, заміна карбюраторної системи живлення на
систему впорскування повинна окупитись за відносно невеликий пробіг автомобіля
та не повинна бути пов’язана з суттєвими конструктивними змінами двигуна і
автомобіля. Блоком 3 методики передбачено отримання експериментальних
порівняльних характеристик двигуна ВАЗ-2101 з карбюраторною системою живлення
та після заміни її ЕРСВБ при проведенні моторних стендових випробувань на
гальмівному стенді. Цей двигун повинен використовуватись і при проведені випробувань
на автомобілі.
За даними, отриманими під час
моторних стендових досліджень, визначаються коефіцієнти поліноміальних
залежностей, що описують енергетичні, паливо-економічні та екологічні показники
бензинового двигуна і є необхідними для внесення їх в математичну модель, яка
описує двигун як джерело енергії, шкідливих викидів та споживача палива та
повітря (блок 4).
Рис. 2.1 Блок-схема методики
визначення впливу типу системи живлення бензинового двигуна на експлуатаційні
властивості автомобіля
Блоком 5 передбачається перевірка
адекватності математичних залежностей показників роботи двигуна ВАЗ-2101 з
карбюраторною системою живлення та після заміни її ЕРСВБ з використанням критерію
Фишера.
Визначити паливну економічність та
кількісний склад шкідливих викидів у ВГ автомобіля в різних режимах роботи
двигуна в умовах експлуатації важко, а випробування в умовах лабораторії
потребує наявності складного та дорогого обладнання. Тому наступним кроком
дисертаційного дослідження (блок 6) є вибір математичної моделі та вхідних
даних для визначення витрати палива, енергетичних та екологічних показників
бензинового двигуна на різних режимах роботи розрахунковим методом. Уточнення
математичної моделі руху автомобіля за їздовим циклом полягає в введенні
моделей двигуна ВАЗ-2101, як джерела
енергії, шкідливих викидів, споживача палива та повітря з карбюраторною
системою живлення та системою впорскування, які отримані в результаті обробки
експериментальних даних, особливостей роботи вказаних систем, технічних
характеристик автомобіля ВАЗ-2101. Крім того в математичну модель включена
методика розрахунку терміну окупності заміни карбюраторної системи живлення
системою впорскування.
Блоком 7 методики передбачено
отримання експериментальних показників витрати палива автомобіля ВАЗ-2101 з
карбюраторною системою живлення двигуна та після заміни її ЕРСВБ при стендових
випробуваннях на моделюючому роликовому стенді при умовному русі за режимами
Європейського їздового циклу.
Блоком 8 передбачається перевірка
адекватності математичних моделей руху автомобіля ВАЗ-2101 з карбюраторною
системою живлення та після заміни її ЕРСВБ шляхом порівняння експериментально
отриманих та розрахункових витрат палива та ідентичності умов виконання режимів
їздового циклу. З використанням експериментально отриманих залежностей на
уточненій математичній моделі імітації руху автомобіля за режимами
Європейського їздового циклу, визначаються очікувана паливна економічність та
екологічні показники автомобіля ВАЗ-2101 з карбюраторною системою живлення
двигуна та після заміни її ЕРСВБ.
Блоком 9 передбачається визначення
часу розгону та витрати палива автомобілем ВАЗ-2101 з карбюраторною системою
живлення двигуна та системою впорскування на моделюючому роликовому стенді.
Для перевірки отриманих в стендових
випробуваннях даних впливу типу системи живлення на його динамічні та
паливо-економічні показники передбачається проведення дорожніх випробувань
(блок 10).
В подальшому проведено порівняльний
аналіз експериментальних та розрахункових досліджень впливу типу системи
живлення бензинового двигуна на паливну економічність, енергетичні, динамічні
та екологічні показники автомобіля в умовах експлуатації (блок 11).
Блоком 12 передбачено проведення
обґрунтування доцільності заміни карбюраторної системи живлення ЕРСВБ та
розробка рекомендацій щодо заміни карбюраторної системи живлення ЕРСВБ в умовах
експлуатації.
2.2 Теоретичне обґрунтування впливу
системи впорскування на роботу автомобільного бензинового двигуна
Процес утворення
паливоповітряної суміші може бути розділений на два етапи. Перший етап
пов'язаний з дозуванням бензину - встановленням кількісного співвідношення
палива і повітря. Другий етап - отримання можливо найбільш однорідної (гомогенної)
суміші.
Основний ефект в
підвищенні паливної економічності при переході до системи впорскування бензину
пов'язаний з більш точним дозуванням пального з урахуванням вихідних параметрів
двигуна та навколишнього середовища, можливістю швидкого корегування складу ППС
та її рівномірного розподілу між циліндрами. На потужність, економічні і
екологічні показники двигунів впливає склад ППС, який оцінюється коефіцієнтом
надлишку повітря а. На рис. 2.2 показані регулювальні характеристики
карбюраторного двигуна ВАЗ-2101 за складом паливоповітряної суміші, які
показують залежність вмісту токсичних компонентів СО, CmHn,
NOx у відпрацьованих газах, питомої витрати палива ge,
потужності Ne від складу ППС. Ці залежності, внаслідок ідентичності
протікання процесів згорання, характерні і для двигунів з ЕРСВБ. У зв’язку з
тим, що максимальним показникам потужності, паливної економічності та
екологічності двигуна відповідають різні значення α,
стає необхідним виконання експлуатаційних регулювань паливної системи відповідно
завданню, яке виконує автомобіль.
Рис. 2.2
Регулювальні характеристики карбюраторного двигуна ВАЗ-2101 за складом
паливоповітряної суміші
При проведенні
експерименту з регулюванням ЕРСВБ двигуна на середні показники потужності,
паливної економічності та екологічності, були отримані результати витрати
палива, кількісний показник яких на різних режимах роботи на 6...8% менший, ніж
при використанні стандартної карбюраторної системи живлення. За цими ж даними,
максимальна потужність двигуна збільшується на 12%, а величина максимального
крутного моменту на 11%. Відповідно до поліпшення енергетичних показників
двигуна покращуються динамічні характеристики автомобіля.
Процеси
гомогенізації суміші при впорскуванні бензину відрізняються від аналогічних
процесів з використанням карбюратора і можуть бути представлені як сукупність
ряду елементарних процесів:
- розпилювання
бензину;
- руху
і випаровування крапель;
- утворення,
руху і випаровування паливної плівки;
- змішування
парів бензину з повітрям (яке має місце як у впускному тракті, так і в
циліндрах двигуна).
Гомогенізація ППС багато у чому
залежить від конструктивних особливостей апаратури впорскування бензину і
способів його подачі. Більшість систем електронного розподіленого впорскування
бензину забезпечують подачу палива електромагнітними форсунками в зону впускних
клапанів. При впорскуванні у впускний тракт форсунка може бути встановлена в
головці блоку циліндрів (рис. 2.3а). В цьому випадку при впорскуванні бензину
на такті впуску значна частина палива потрапляє прямо в камеру згорання,
аналогічно тому, як при його безпосередньому впорскуванні у циліндри двигуна.
При встановленні форсунки на впускному трубопроводі (рис. 2.3б) головка блоку
може бути повністю уніфікована з головкою блоку базового карбюраторного
двигуна, що значно здешевлює виробництво двигунів з ЕРСВБ.


Рис. 2.3 Схема
розташування форсунки при впорскуванні бензину в зону впускного клапана: 1 -
електромагнітна форсунка
За допомогою експериментальних
досліджень підбирається місце розташування форсунок і форма факела палива, що
розпилюється. Форсунку прагнуть розмістити ближче до зони впускного клапана
так, щоб паливо не осідало на стінках впускного тракту у виді паливної плівки.
Зменшення шляху від місця утворення ППС до циліндрів двигуна дозволяє зменшити
площу паливної плівки, більш точно враховувати випаровування рідкої фракції
бензину та вплив її на процес сумішоутворення.
Впорскування бензину можливо
здійснювати на тарілку впускного клапана, або на стінки впускного каналу.
Аналіз досліджень свідчить, що найбільш ефективною є подача палива на стінку
впускного каналу на відстані 40-60мм від сідла впускного клапана, що у свою
чергу забезпечує поєднання задовільного протікання процесів гомогенізації
суміші як у впускному тракті, так і в циліндрі двигуна. У більшості сучасних
систем впорскування переважним є встановлення паливних форсунок з конічним
факелом розпилювання бензину, які при недостатньому випаровуванні бензину до
його надходження в циліндр, забезпечують більшу рівномірність розподілу рідкої
фази бензину.
Експериментальні дослідження довели,
що ефективний тиск бензину при впорскуванні у впускний трубопровід знаходиться
в межах 1,5-2 кгс/см2, що само по собі спрощує конструкцію форсунок.
Впорскування можливо здійснювати в період такту впуску при закритому впускному
клапані, оскільки за результатами досліджень встановлено, що енергетичні
показники двигунів мало залежать від самого моменту впорскування. Зміна в
широких межах моменту впорскування практично не міняє і економічності двигуна
(рис. 2.4). Цей факт не тільки полегшує проведення експлуатаційних регулювань
паливної апаратури, але і дозволяє відпрацьовувати шляхи для подальшого
спрощення конструкції елементів систем живлення.
При застосуванні
розподіленої системи впорскування бензину розширюються можливості зміни
конструктивних параметрів впускної системи і з'являються сприятливі умови для
застосування газодинамічного наддуву, у тому числі і регульованого.
Рис. 2.4 Зміна
економічності двигуна ГАЗ-21 залежно від зміни моменту впорскування бензину у
впускний тракт
Безпосередньо
впускний тракт сучасного двигуна є системою, що складається з багатьох різних
елементів, які спричиняють складний вплив на характер несталого потоку повітря у
впускній системі і, як наслідок, значно змінюють параметри коефіцієнту
наповнення. Вплив технічних характеристик елементів впускної системи можна
виразити наступними чинниками:
- параметром
гідравлічного опору елементів впускного трубопроводу (втрати на тертя, вхідний
і вихідний опір, опір на розширення і звуження і т. і.);
- характеристиками
несталого характеру руху повітря по впускному трубопроводу (динамічний чинник).
Перший чинник
завжди має місце і, як правило, негативно впливає на показники наповнення.
Другий чинник, залежно від конструкції впускної системи і режиму роботи
двигуна, може вплинути на коефіцієнт наповнення як негативно, так і позитивно.
За рахунок оптимізації конструктивної схеми, форми і геометричних розмірів
елементів впускного тракту можливо не тільки компенсувати втрати від
гідравлічних опорів, але і підвищити коефіцієнт наповнення. Можливості в
організації газодинамічного наддуву з карбюраторною системою живлення,
внаслідок особливостей цієї системи сумішоутворення, обмежені. Характеристики
впускних трубопроводів двигуна з ЕРСВБ відрізняються у кращий бік однаковістю
довжини трубопроводів (відповідно однаковістю динамічних характеристик руху
повітря) та наявністю так званого ресивера, зміна об'єму якого разом зі зміною
діаметру та довжини впускного трубопроводу, дозволяє збільшити максимальну
потужність або максимальний крутний момент двигуна в широкому діапазоні
швидкісних режимів (рис. 2.5, 2.6).
Рис. 2.5 Вплив
довжини впускних трубопроводів двигуна на коефіцієнт наповнення при постійному
об'ємі ресивера
Можливий ефект
збільшення потужності при умові оптимізації об'єму ресивера може досягати 5%.
Більшість сучасних двигунів з розподіленим впорскуванням бензину мають впускні
системи з попередньо налагодженими параметрами та характеристиками.
Рис. 2.6 Вплив
об'єму ресивера на коефіцієнт наповнення при постійній довжині впускних
трубопроводів
Застосовані на
автомобілях двигуни призначені для експлуатації в самих різних умовах із
використанням різних марок палив. При використанні бензину з октановим числом
меншим ніж розрахункове, з'являються детонаційні процеси, що призводять до
втрати потужності, або, за наявності наслідків детонації, взагалі роблять
неможливою нормальну роботу двигуна. Іншим прикладом може служити робота
двигуна при низькому барометричному тиску (на великій висоті в горах), коли
його потужність значно знижується по причині зменшення відсоткової кількості
кисню у повітрі та виникнення надлишкового збагачення суміші. Ці негативні
умови більш точно враховуються при приготуванні ППС за допомогою електронних
систем впорскування бензину.
Проте, найбільшою
мірою переваги ЕРСВБ виявляються в поліпшенні екологічних показників двигуна і
автомобіля в цілому. Наприклад, задоволення вимог стандартів США на токсичність
автомобілів виявилося можливим тільки за допомогою використання систем з
трикомпонентними каталітичними нейтралізаторами, які вимагають надзвичайно
точного дозування суміші з урахуванням показників λ-зонда,
який оцінює кількісний вміст кисню у відпрацьованих газах. Таке управління
сумішоутворення неможливе без використання засобів електроніки, що головним
чином і зумовило інтенсивне використання ЕРСВБ.
В цілому, показники
двигунів залежать від значного числа різноманітних факторів, урахування яких не
може бути повною мірою забезпечене традиційними механічними, гідравлічними і
пневматичними регуляторами, а вимагають застосування сучасних електронних
систем. За допомогою цих систем можливо готувати ППС відповідну особливостям
режимів роботи двигуна, зміни його умов експлуатації з метою отримання
найкращих енергетичних, паливо-економічних та екологічних показників.
2.3 Вибір типу системи
впорскування бензину для подальшої заміни карбюраторної системи живлення в
умовах експлуатації
При виборі типу системи впорскування
бензину для подальшої заміни карбюраторної системи живлення в умовах
експлуатації, необхідно враховувати відповідність вартості переобладнання та
очікуваного поліпшення динамічних, паливо-економічних та екологічних
властивостей автомобіля. Застосування найсучасніших систем впорскування бензину
дозволить досягнути рівня токсичності переобладнаного автомобіля близько до
існуючих міжнародних стандартів. Між тим, таке переобладнання в умовах експлуатації
в зв'язку з досить великою вартістю додаткових датчиків та необхідністю
застосування каталізаторів не дозволить відшкодувати втрати від заміни системи
живлення до закінчення терміну експлуатації автомобіля. Тому, для заміни
карбюратора в умовах експлуатації була обрана більш простіша електронна система
розподіленого одночасного впорскування бензину L-Jetronic, яка налічує у собі
мінімальну кількість додаткових пристроїв (рис. 2.7).
Рис. 2.7 Схема системи впорскування
палива «L-Jetronic»
- паливний бак; 2 - паливний насос;
3 - фільтр тонкої очистки палива; 4 - регулятор тиску палива у системі; 5 -
розподільна магістраль; 6 - пускова форсунка; 7 - блок циліндрів двигуна; 8 -
форсунка впорску; 9 - датчик температури охолоджуючої рідини; 10 - ЕБУ; 11 -
блок реле; 12 - датчик-розподільник запалювання; 13 - вимикач положення
дросельної заслінки; 14 - висотний коректор; 15 - витратомір повітря; 16 - підвід
повітря; 17 - термореле; 18 - гвинт якості суміші на холостому ході; 19 -
клапан додаткового повітря; 20 - гвинт кількості суміші на холостому ході; 21 -
вимикач запалювання; 22 - підвід розрідження до регулятора тиску палива у
системі.
Для ініціації роботи вказаної
системи впорскування достатньо підключення відповідних контактів блоку
управління до мережі електроживлення автомобіля (12В) та
переривача-розподільника (рис. 2.8). Підключення окремих елементів ЕРСВБ
здійснюється стандартним джгутом електродротів.
Зручність підключення до бортової
електромережі автомобіля та наявність малої кількості додаткових датчиків
дозволяє здійснювати заміну карбюраторної системи живлення ЕРСВБ L-Jetronic в
умовах експлуатації без заміни основних вузлів та механізмів двигуна.
бензиновий двигун
карбюраторний впорскування
2.4 Вибір і обґрунтування типу
їздового циклу для проведення теоретичних досліджень
Найбільш об'єктивні дані про
показники роботи автомобіля можна отримати заміром його показників при русі за
їздовими циклами. Їздові цикли містять усталені та перехідні режими у широкому
діапазоні роботи двигуна автомобіля, що дає можливість досить точно та повно
визначити велику кількість його вихідних параметрів. На сьогодні відомо багато
різновидів їздових циклів. Всі вони були отримані в результаті вивчення режимів
руху автомобілів в конкретних містах з урахуванням умов експлуатації, типу
транспортного засобу та багатьох інших факторів.
У країнах Європи
випробування КТЗ згідно з Директивою 70/220/ЕЕС та R-15 здійснюється на стенді
з біговими барабанами при умовному русі КТЗ за європейським міським їздовим
циклом (рис. 2.8).
Рис. 2.8 Європейський міський
їздовий цикл
Цей цикл був
визначений за результатами замірів режимів руху легкових автомобілів у великих
містах та умовно позначений як ЕСЕ R-15 або ЕСЕ і введений Правилами ЄЕК ООН
№15 в 1970 році, коли було започатковано нормування викидів ШР легковими
автотранспортними засобами. Він включає чотири елементарних міських їздових
цикла UDC. Довжина умовного шляху циклу 4052 м, час виконання 780 с,
максимальна швидкість КТЗ 50 км/год.
Перед випробуванням
КТЗ витримують (кондиціонують) не менше ніж 6 годин у спеціальному боксі при
температурі 25±5°С Після цього запускають двигун, який протягом 40с повинен
працювати при мінімальній частоті обертання холостого ходу. З урахуванням
попередньої роботи двигуна в режимі холостого ходу та послідовного виконання
чотирьох елементарних циклів, загальна тривалість виконання Європейського
міського їздового циклу становить 820с, а середня умовна швидкість - 18,7
км/год.
В останній час для
випробування легкових автомобілів на токсичність застосовують модернізований
їздовий цикл (рис. 2.9).
Рис. 2.9 Модернізований
Європейський міський їздовий цикл
Цій цикл включає чотири
звичайних набори міських режимів та додатковий набір режимів EUDC, який імітує
рух автомобіля за містом. При цьому загальний час виконання циклу ЕСЕ R-15 +
EUDC складає 1220 с (з урахуванням початкових 40 с роботи двигуна в режимі
холостого ходу), довжина умовного шляху руху автомобіля - 11,007 км, середня
швидкість руху - 33,6 км/год., максимальна швидкість руху - 120 км/год. або для
автомобіля з двигуном невеликої потужності - 90 км/год. (позначено пунктиром).
Більш складний їздовий цикл для
випробування легкових автомобілів використовується в США (рис. 2.10), в ньому
практично немає усталених режимів руху. Довжина умовного шляху в такому циклі -
17,8 км, час його виконання - 1877 с, максимальна швидкість руху - 91,2
км/год., середня швидкість руху - 34,1 км/год.
В Японії випробування автомобілів з
можливою кількістю пасажирів менше 10 і масою менше 2,5 т проводяться за двома
їздовими циклами: холодні випробування за 11 режимним циклом без попереднього
прогріву двигуна (рис. 2.11), та з попереднім прогрівом двигуна за 10-15
режимним циклом (рис. 2.12).
Рис. 2.10 Міський федеральний
їздовий цикл США
Кожна фаза циклу триває 120 с
що відповідає дистанції 1021 м, середня швидкість руху становить 30,6 км/год.
Рис. 2.11 Одинадцятирежимний
їздовий цикл (Японія)
Довжина 10-15 режимного циклу - 4,16
км, час виконання - 660 с, максимальна швидкість руху - 70 км/год, середня
швидкість руху - 22,7 км/год.
Рис. 2.12 10-15 режимний
їздовий цикл (Японія)
У країнах колишнього СРСР з 1
січня 1992 року для всіх колісних транспортних засобів, за винятком
позашляхових, було введено ГОСТ 20306-90 "Автотранспортные средства.
Топливная экономичность. Методы испытаний", який діє на території України
до останнього часу та співпадає з Правилами №15 ЄЕК ООН (частина 1.4). Він
обумовлює шість їздових циклів:
1. Магістральний цикл на дорозі для
автомобілів повною масою до 3,5 т, автобусів далекого сполучення.
2. Магістральний цикл на дорозі для
вантажних автомобілів та автопоїздів повною масою більше 3,5 т, та міжміських
автобусів.
3. Міський цикл на дорозі для
КТЗ повною масою до 3,5 т.
. Міський цикл на дорозі для
КТЗ повною масою більше 3,5 т, крім міських автобусів.
. Міський цикл на дорозі для
міських автобусів.
. Міський цикл на стенді для
КТЗ повною масою до 3,5 т.
Для проведення теоретичних
досліджень впливу типу систем живлення бензинового двигуна на паливну
економічність та екологічні показники автомобіля необхідно вибрати їздовий
цикл, режими якого найбільш достовірно відтворюють рух автомобіля в умовах
експлуатації та який можливо відтворити при експериментальних випробуваннях на
моделюючому роликовому стенді.
Існує кінцеве число дискретних
режимів руху автомобіля - еквівалентних за витратою палива та рівнем ШВ роботи
двигуна при русі автомобіля за їздовим циклом. Відзначимо, що збільшення
кількості опорних режимів призводить до покращення достовірності показників
руху автомобіля за режимами їздового циклу: з 13% при 9-ти базових точках до 3%
при 14-ти. Сукупність режимів узагальненого їздового циклу, які відображають
найбільш вірогідні режими руху в умовах великого міста, були замінені десятьма
усталеними режимами, на яких рекомендовано діагностування двигунів автомобілів.
Зважаючи на те, що питання зниження забруднення навколишнього середовища ШВ
автомобілів має першочергове значення для міст та населених пунктів, доцільно
вибрати для дослідження показників роботи автомобіля режим міського їздового
циклу. Враховуючи те, що дорожній рух в містах носить циклічний характер, для
оцінки та порівняння показників автомобіля ВАЗ-2101 з різними типами системи живлення,
який є основним об’єктом розрахункових і експериментальних досліджень, був
обраний Європейський міський їздовий цикл, який виконується згідно ГОСТ
20306-90 [74] на стенді для дорожніх транспортних засобів повною масою до 3,5
т.
Рис. 2.13 Фрагмент
елементарного Європейського міського їздового циклу згідно ГОСТ 20306-90
Фрагмент елементарного
міського їздового циклу тривалістю 195 с, довжиною умовного шляху 1013 м і
максимальною швидкістю руху - 50 км/год. показано на рис. 2.13, характеристики
режимів наведено в табл. 2.1.
Таблиця
2.1
Режими Європейського міського
їздового циклу згідно ГОСТ 20306-90
|
Відрізок шляху
|
Назва режиму роботи
|
Швидкість км/год
|
Тривалість режиму роботи, с
|
Прискорення м/с2
|
Сумарний час, с
|
|
1-2
|
Холостий хід (Н)
|
11
|
-
|
11
|
|
2-3
|
Розгін (К1)
|
0...15
|
4
|
1,04
|
15
|
|
3-4
|
Постійна швидкість (К1)
|
15
|
8
|
-
|
23
|
|
4-5
|
Уповільнення (К1)
|
15...10
|
2
|
-0,69
|
25
|
|
5-6
|
Уповільнення з відключеним зчепленням
|
10...0
|
3
|
-0,92
|
28
|
|
6-7
|
Холостий хід (Н)
|
-
|
21
|
-
|
49
|
|
7-8
|
Розгін (К1)
|
0...15
|
5
|
-0,83
|
54
|
|
8-9
|
Переключення передач(К1-К2)
|
-
|
2
|
-
|
56
|
|
9-10
|
Розгін (К2)
|
15...32
|
5
|
-0,94
|
61
|
|
10-11
|
Постійна швидкість (К2)
|
32
|
24
|
-
|
85
|
|
11-12
|
Уповільнення (К2)
|
32...10
|
8
|
-0,75
|
93
|
|
12-13
|
Уповільнення з відключеним зчепленням
|
10...0
|
3
|
-0,92
|
96
|
|
13-14
|
-
|
21
|
-
|
117
|
|
14-15
|
Розгін (К1)
|
0...15
|
5
|
0,83
|
122
|
|
15-16
|
Переключення передач(К1-К2)
|
-
|
2
|
-
|
124
|
|
16-17
|
Розгін (К2)
|
15...35
|
9
|
0,62
|
133
|
|
17-18
|
Переключення передач(К2-К3)
|
-
|
2
|
-
|
135
|
|
18-19
|
Розгін (К3)
|
35...50
|
8
|
0,52
|
143
|
|
19-20
|
Постійна швидкість (К3)
|
50
|
12
|
-
|
155
|
|
20-21
|
Уповільнення (К3)
|
50...35
|
8
|
-0,52
|
163
|
|
21-22
|
Постійна швидкість
|
35
|
13
|
-
|
176
|
|
22-23
|
Переключення передач(К3-К2)
|
-
|
2
|
-
|
178
|
|
23-24
|
Уповільнення (К2)
|
32...10
|
7
|
-0,86
|
185
|
|
24-25
|
Уповільнення з відключеним зчепленням
|
10...0
|
3
|
-0,92
|
188
|
Холостий хід (Н)
|
-
|
7
|
-
|
195
|
Н - важіль коробки передач в
нейтральному положенні з виключеним зчепленням; К1 - включена перша передача,
зчеплення виключено; К2 - включена друга передача, зчеплення виключено; К3 -
включена третя передача, зчеплення виключено.
Європейський міський їздовий цикл
виконується при умовному русі автомобіля, встановленого на динамометричний
стенд з біговими барабанами, відрегульований таким чином, щоб імітувати опір
поступальному руху автомобіля на дорозі при постійних швидкостях. У цьому
випадку, опір поступального руху автомобіля в математичній моделі
розраховувався для умовних швидкостей автомобіля згідно відомих в теорії руху
автомобіля залежностей. Європейський міський їздовий цикл включає також
неусталені режими руху автомобіля і, відповідно, двигуна. Це враховується в
моделі відповідними змінами опору руху автомобіля і особливостями роботи
автомобільного двигуна в неусталених режимах.
Європейський міський їздовий цикл
ЕСЕ R-15 повністю відтворює експлуатаційні умови: робота двигуна автомобіля в
режимі мінімальної частоти обертання активного холостого ходу (імітація
очікування зеленого світла світлофора на перехресті), рушання автомобіля з
місця та розгін до певної швидкості, рух з усталеною швидкістю на певній
ділянці, перемикання передач з нижчої на вищу або в зворотному напрямку, розгін
автомобіля від однієї швидкості до іншої, гальмування двигуном з однієї
швидкості до іншої або до повної зупинки, службове гальмування КТЗ до повної
зупинки з використанням робочої гальмової системи.
За класом, категорією автомобіля
ВАЗ-2101, кількістю та характером режимів руху, порядком їх зміни, Європейський
міський їздовий цикл відповідає поставленій меті при дослідженні зміни витрати
палива та екологічних показників автомобіля з карбюраторною системою живлення
та після заміни її електронною розподіленою системою впорскування бензину в
умовах експлуатації.
В загальному вигляді система
електронного впорскування це комплекс зовнішніх датчиків, виконавчих пристроїв
та ЕБУ. Тому ближче розглянемо датчики які ми застосовуємо у нашій системі
впорскування.
Електрична схема системи
впорскування
1- роз`єм ЕБУ; 2 - котушка
запалювання; 3 - вимикач положення дросельної заслінки; 4 - пускова форсунка; 5
- реле пуску холодного двигуна; 6 - термореле; 7 - витратомір повітря; 8 -
датчик температури повітря що надходить; 9 - блок реле; 10 - паливний насос; 11
- АКБ; 12 - датчик температури охолоджуючої рідини; 13-18 - робочі форсунки; 19
- додаткові резистори; 20 - головна точка з`єднання з масою.
Щоб не отримати травм та не вивести
з ладу вузли системи при обслуговування та ремонті варто дотримуватись кількох
правил:
не підключати напругу 12В до
робочих форсунок так як вони розраховані на напругу у 3В;
- не допускати роботу двигуна
при погано закріплених виводах АКБ;
не від`єднувати проводи від
виводів АКБ при працюючому двигуні;
не відключати АКБ від
бортової мережі при її зарядці
безпосередньо на автомобілі від
зовнішнього джерела струму;
не запускати двигун за допомогою
зовнішнього джерела струму напругою більше 12В.
Функціонування системи впорскування
при різних режимах роботи двигуна
Кожний циліндр має свою форсунку з
електромагнітним управлінням, яка впорскує паливо перед впускним клапаном.
Впорскування узгоджене з частотою обертання колінчастого валу двигуна,
інформація про частоту надходить у ЕБУ від контакту переривача.
Об`єм про ходячого повітря
визначається положенням дросельної заслінки(навантаженням двигуна). Об`єм
повітря виміряється витратоміром.
Про тепловий режим двигуна дає
інформацію датчик температури охолоджуючої рідини.
Інформацію про навантажувальний
режим двигуна в ЕБУ повідомляє вимикач положення дросельної заслінки.
Інформація складається із сигналів: «холостий хід», «часткове навантаження»,
«повне навантаження». Якщо дросельна заслінка закрита, двигун працює на
холостому ході, контакти холостого ходу замкнуті і в ЕБУ іде відповідний
сигнал. Так само здійснюється інформація про повне навантаження двигуна, тільки
у цьому випадку контакти розімкнуті. Сигнал про часткове навантаження
формується при допомозі потенціометра.
Для полегшення холодного пуску суміш
збагачується пусковою форсункою, яка керується від вимикача запалювання через
термореле.
При прогріві двигуна на холостому
ході подача палива також збільшується і в зв`язку з сигналами, що надходять в
ЕБУ від датчика температури двигуна.
В даній системі враховується що
щільність холодного повітря вища ніж у теплого. Чим тепліше повітря що
засмоктується, тим гірше наповнення циліндрів при постійному положенні
дросельної заслінки. Температура повітря що надходить змінюється не тільки і
зв`язку із зміною зовнішньої температури, але із зміною внутрішньої. Нормальна
температура у підкапотному просторі приблизно 50°С. Інформація про температуру
надходить від датчика, вмонтованого у витратомір повітря, в ЕБУ який визначає
дозу впорскуваного палива.
Більшу частину часу двигун працює у
режимі часткових навантажень, тому програма закладена в ЕБУ, забезпечує
мінімально можливий розхід палива при прийнятній концентрації шкідливих речовин
у відпрацьованих газах.
Збагачення суміші відбувається на
холодному пуску, прогріві, холостому ході, прискорені руху, повному
навантажені. При всіх режимах крім останнього, надлишок палива необхідний для
стійкої роботи двигуна. При холодному двигуні «більше палива» означає і більше
його легковипаровуваних фракцій. При холостому ході - гірше наповнення, більше
залишкових газів. При повному навантажені надлишок палива необхідний для
внутрішнього охолодження двигуна за рахунок випаровування частини палива.
У режимі примусового холостого ходу
дросельна заслінка закрита і в ЕБУ йде сигнал «холостий хід». Якщо при цьому
оберти двигуна вище так званої відновлюваної частоти обертання, впорскування
палива припиняється. Відповідно зменшується витрата палива та викид шкідливих
речовин.
Паливний насос
Бензонасос встановлюється у
паливному баку, створює тиск до 8 атм. Продуктивність паливного насосу більше
80 л/год.
Паливний фільтр
Вмонтовується у паливну магістральна
за бензобаком. Термін служби близько 30 тис. км.
Датчик температури охолоджуючої
рідини.
Датчик температури охолоджуючої
рідини встановлений між головкою блоку та термостатом. Він має два контакти. Основне
функціональне призначення датчика, схоже до підсосу - чим холодніший двигун тим
багатша паливна суміш. Конструктивно датчик температури охолоджуючої рідини
являє собою резистор, опір якого змінюється в залежності від температури.
Типові значення: 100°С - 177 Ом, 25°С - 2796 Ом, 0°С - 9420 Ом, 20°С - 28680
Ом.
Температура охолоджуючої рідини
впливає майже на всі характеристики керування двигуном. Датчик досить надійний
у експлуатації. Основні несправності - порушення електричного контакту
всередині датчика, порушення ізоляції чи обрив проводів поблизу датчика.
Відмова датчика приводить до ввімкнення вентилятору на холодному двигуні,
важкість запуску гарячого двигуна, підвищену витрату палива.
Датчик положення дросельної заслінки
Датчик положення дросельної заслінки
ВАЗ встановлений збоку на дросельному патрубку на одній осі з приводом
дросельної заслінки, він зчитує показники з положення педалі «газу».
Висновок
Від двигунів що випускались в країні
раніше він відрізняється деякими конструктивними особливостями, які дозволили
при невеликих габаритах та вазі отримати досить потужний, високооборотний та
надійний агрегат, що володіє довговічністю та економічністю при невеликій трудоємності
технічного обслуговування у процесі експлуатації.
Висока літрова потужність, рівна 50
к.с. на літр робочого об’єму, досягнута завдяки підвищеному ступеню стиску,
розподільному валу, розміщеному у головці, раціональній формі камери згорання
ретельно підібраними системами живлення та випуску відпрацьованих газів.
Підвищення ступеня стиску дало можливість підвищити термічний коефіцієнт
корисної дії. Верхній розподільний вал забезпечив зменшення мас, що рухаються
зворотно-поступально у клапанному приводі, тим самим, дозволив підвищити оберти
двигуна.
Висока надійність та довговічність
двигуна, крім конструктивних заходів, забезпечувалась застосуванням передових
технологій та високоякісних матеріалів.
Застосування тонкостінного чавунного
лиття, алюмінієвих сплавів та пластичних мас дозволило рахувати цей двигун не
тільки сучасним, але й достатньо перспективним, що допускає його подальші
вдосконалення.
Трудоємність обслуговування при його
експлуатації зменшена завдяки застосуванню закритої системи охолодження,
збільшеною періодичністю заміни моторного масла, повітряного та масляного
фільтрів та виключенню змащування консистентними змазками.
Високі пускові якості двигуна при
низьких температурах оточуючого повітря забезпечувались: двохкамерним
карбюратором з падаючим потоком, потужним стартером, ефективним акумулятором,
та стабільними показниками застосовуваних масел. Як показали експлуатаційні
випробовування, двигуни надійно запускались без попереднього підігріву при
-30°С. Для пуску при більш низьких температурах було передбачено можливість
встановлення та застосування спеціального передпускового підігрівача.
В той же час конструкція двигуна
така, що дає можливість добитись високої довговічності. Так, застосування
чавунного блоку, повноопорного колінчастого валу і сталеалюмінієвих
тонкостінних вкладишів дозволило знизити знос вкладишів та шийок колінчастого
валу, зменшити вібрації та збільшити жорсткість конструкції. В підсумку
передбачений заводом пробіг автомобіля до капітального ремонту складає не менше
100 тис. км.
Система живлення двигуна ВАЗ-2101
включає в себе прилади подачі у карбюратор палива та повітря, приготування
паливної суміші та випуску відпрацьованих газів. Вона складається з паливного
баку, паливного насосу, паливопроводів, повітряного фільтру, карбюратора,
глушника та трубопроводів.
При роботі двигуна паливо із баку
примусово подається паливним насосом по паливопроводам та шлангах у карбюратор,
у якому готується паливна суміш. Повітря надходить до карбюратору через
повітряний фільтр. Приготована паливна суміш через впускний трубопровід
всмоктується до циліндрів двигуна.
Паливний бак зварений з двох половин
із сталевого листа. Вмістимість баку 39 л включаючи резерв 4-6,5. Він
встановлений у багажному відділенні та прикріплений до кузова двома хомутами.
Паливопроводи виготовлені із
сталевих оцинкованих чи освинцевиних трубок. Паливопроводи між собою, а також з
баком, паливним насосом з’єднані гумовими шлангами у тканинній обгортці та
закріплені стяжними хомутами.
Повітряний фільтр забезпечує очистку
повітря, що надходить у карбюратор, від механічних добавок. Фільтр сухого типу
із змінним фільтруючим елементом. Наявне сезонне регулювання забору повітря.
При роботі двигуна атмосферне
повітря всмоктується у корпус повітряного фільтру через повітрозбірник
холодного повітря і підкапотного простору чи через повітрозбірник теплого
повітря із зони випускного колектора по гофрованому шлангу та патрубку. Повітря
очищається передочисником від більших механічних добавок, фільтруючим елементом
від дрібних добавок та надходить до карбюратора за рахунок розрідження у
циліндрах двигуна.
Бензонасос діафрагмового типу,
встановлений на приливі блоку з лівого боку двигуна, засмоктує паливо з баку та
подає його під тиском до карбюратора.
Привід насосу здійснюється ексцентриком
горизонтального валу, що приводить у рух масляний насос, через сталевий
стержневий штовхач.
Бензонасос має наступні основні
параметри:
максимальний тиск бензину: 0,2…0,25
кг/см2;
робоча потужність 60 л на годину при
2000 об/хв.;
розрідження всмоктування 2…2,5 м
водяного стовпа.
Економічність та потужність двигуна
в значній мірі залежить від справної роботи карбюратора, що є одним із самих
складних та відповідальних вузлів автомобіля.
Список використаних джерел
1. Гунько
А.В. Загальна методика проведення досліджень впливу типу системи живлення
двигуна на паливну економічність, енергетичні та екологічні показники
автомобілів в умовах експлуатації
2. Артамонов
М.Д., Иларионов В.А., Морин М.М. Основы теории и конструкции автомобиля.
Учебник для техникумов. Изд. 2 - е, перераб., М., «Машиностроение», 2010, 288
с.
3. Сирота
В.І. Основи конструкції автомобілів: Навчальний посібник. - 2 - ге видання,
перероблене та доповнене. - К.: Арістей, 2005. - 280 с.
. Стус
А.П. Теория эксплуатационных свойств автомобиля: Учебное пособие для вузов. -
2-е издание. К. - 256 с.
. Яковлєв
Н.А.,Диваков Н.В. Теория автомобиля. - М.: Высш. школа, 1962. - 202 с.
. Чудаков
Е.А. Теория автомобиля. - М.: Машгиз, 2007 - 343 с.
. Зимелев
Г.В. Теория автомобиля. М.: Воениздат, 2009. - 214 с.
. Мацкерле
Ю. Современный экономичный автомобиль. Пер. с чехословацкого. - М.:
Машиностроение, 2007. - 320 с.
. Гутаревич
Ю.Ф., Долганов К.Е. Пути снижения вредных выбросов в атмосферу. - К.: Общество
«Знание». - 2012. - 24 с.
. Ездовые
циклы для определения условного расхода топлива грузовых автомобилей // А.А.
Токарев, В.Ф. Кутенев, Р.Г. Галусстян и др. - Э.И. Конструкции автомобилей
НИИНавтопром, вып.6, с.16-21