Амплитудная, частотная модуляции
РЕСПУБЛИКА
КАЗАХСТАН
АЛМАТИНСКИЙ
ИНСТИТУТ ЭНЕРГЕТИКИ И СВЯЗИ
Кафедра
телекоммуникационных систем
КУРСОВАЯ
РАБОТА ПО ДИСЦИПЛИНЕ:
Теория
электрической связи
Проверил:
ст. преподаватель
Артюхин
Выполнил: ст.
группы
БРЭ-06-15
Айтжанова А.
АЛМАТЫ
2008
Введение
Информация прошла большой исторический путь - от
передачи посредством звука до передачи посредством СВЧ электромагнитных волн.
Однако информация имеет тенденцию увеличиваться в объеме, к тому же неуклонно
растет число источников информации (абонентов). Это приводит к проблеме
обеспечения информационными ресурсами, надежности и качества связи.
Значительная часть информации в современном
обществе передается электрическими сигналами с помощью радиотехнических средств
в системах связи различного назначения. Поэтому системы связи играют все
большую роль в жизни людей. Последние годы отмечены не только интенсивным
развитием волоконно-оптических систем связи, но и заметным развитием систем
радиосвязи. Помимо традиционных радиорелейных и спутниковых систем радиосвязи,
быстро развиваются сети мобильных цифровых сотовых систем радиосвязи.
Разработки систем связи последнего времени используют не только возможности
современных технологий, но и достижения современной теории связи, позволяющие
повысить не только объемы передаваемой информации, но и качество передачи
сообщений.
Задача оптимизации систем передачи информации
сводится к нахождению наилучшего варианта системы при заданных условиях и
ограничениях, при котором потребителю в единицу времени доставляется
максимальное количество информации при заданной верности передачи. Для
повышения эффективности систем используются сокращение избыточности источника,
помехоустойчивое кодирование и др.
Задание 1
Заданы несущее колебание
Модулирующий сигнал
Требуется:
А) В соответствии с вариантом
записать аналитическое выражение амплитудно-модулированного колебания с
коэффициентом модуляции М; частотно-модулированного колебания с девиацией
частоты ωД;
фазо-модулированное колебание с индексом модуляции m;
Б) Построить амплитудночастотный и
фазочастотный спектры АМ, ЧМ, ФМ колебаний.
В) Изобразить качественно графики
несущего, модулирующего и модулированного АМ, ЧМ, ФМ колебаний (временные
диаграммы)
Исходные данные:
Амплитуда несущего колебания U0=0,4
B
Частота несущего колебания f0=0,62
МГц
Начальная фаза несущего колебания
Амплитуда модулирующего колебания
S0=0,8 B
Частота модулирующего колебания
F=4,2 кГц
Начальная фаза модулирующего колебания
Девиация частоты ωД=4 кГц
Индекс фазовой модуляции m=5
Коэффициент модуляции К=50%
Расчёт
АМ-колебание
В данном случае АМ сигнал
представляет является однотональным (с одной частотой модулирующего колебания):
(1)
-модулирующее колебание (2)
-несущее колебание (3)
Тогда выражение (1) запишется:
(B)
По законам тригонометрии выражение
(1) можно разложить на слагаемые:
Посредством этого выражения можно определить
спектр частот АМ- колебания:
(с-1)
Рисунок 1- АЧ спектр АМ- колебания
Рисунок 2- ФЧ спектр АМ- колебания
Рисунок 3- Временная диаграмма
модулирующего колебания
Рисунок 4- Временная диаграмма
несущего колебания
Рисунок 5- Временная диаграмма АМ
колебания
УМ колебание:
В общем случае записывается так:
(4)
Для частотно-модулируемого сигнала
формула примет вид:
Где J0,J1…….Jn- коэффициенты
Бесселя.
Сигналы с угловой модуляцией как ФМ
так и ЧМ могут быть представлены в виде суммы спектральных составляющих:=ωД/F=
Значение
коэффициентов Бесселя найдём из таблицы:
Таблица 1-Значения коэффициентов
Бесселя при m=5
|
m=5
|
|
J0(5)
|
-0.178
|
|
J1(5)
|
-0.328
|
|
J2(5)
|
0.047
|
|
J3(5)
|
0.365
|
|
J4(5)
|
0.391
|
|
J5(5)
|
0.261
|
|
J6(5)
|
0.131
|
|
J7(5)
|
0.053
|
|
J8(5)
|
0.018
|
|
J9(5)
|
0.006
|
|
J10(5)
|
0.001
|
Подставим эти значения в выражение (5):
Отобразим данный сигнал на временной
диаграмме:
Рисунок 6 - Временная диаграмма
частотно-модулированного сигнала
Теперь построим спектры АЧХ и ФЧХ
Рисунок 7 - амплитудно-частотный
спектр частотно-модулированного колебания
Для построения АЧ спектра возьмём
выше рассчитанные амплитуды по модулю.
Так как m для ФМК и ЧМК одинаковы,
то АЧ спектры ЧМК и ФМК тоже будут одинаковы.
Рисунок 8- Фазо-частотный спектр
частотно-модулированного колебания
Подобные вычисления проводим для
фазомодулированного колебания:
(6)
Данный сигнал также раскладывается
на гармонические составляющие, по которым можно построить спектр.
Известно, что при одинаковой m
спектры ФМ и ЧМ одинаковы.
Построим его временную диаграмму и
спектр частот:
Рисунок 9- Временная диаграмма
фазомодулированного колебания
Самостоятельно рассчитаем индекс
фазовой модуляции m по следующей формуле:
(7)
Исходя из этого значения перепишем значение
коэффициентов Бесселя:
Для ФМК m=5
Перепишем выражение по формуле (5) исходя из
новых данных
cos(Ωt+ψ)=sin(Ωt+ψ+π/2)
Рисунок 10 - фазо-частотный спектр
фазо-модулированного сигнала
Задание 2
Статическое (экономное) кодирование
Для каналов без помех, кодирование,
которого могло бы приблизится к
может быть достигнуто при
использовании неравномерного кода, длительность кодовых комбинаций в нем должна
быть согласована с вероятностью выбора источником отдельных букв (первичных
символов).
На самом деле, избыточная
дискретизация источника порождается статическими (вероятностными) связями между
последовательно выбираемыми буквами.
Один из способов ослабления этих
связей, является укрупнение алфавита.
Статическое кодирование основано на
применении неравномерного кода, выбираемого так, что более вероятные буквы
передаются более короткими кодовыми комбинациями, а менее вероятные буквы
передаются более длинными кодовыми комбинациями. В итоге общая длина кодовой
комбинации уменьшается по сравнению со случайным равномерным кодированием.
Алфавит источника состоит из десяти
символов К, Р, А, С, Н, О, Щ, Е, К, О, В.
Вероятности которых выбираем из
таблицы1: Р(К)=3,2*10-2; Р(Р)=3.9*10-2; Р(А)=6.1*10-2; Р(С)=3,7*10-2;
Р(Н)=4,2*10-2; Р(О)=8*10-2 , Р(Щ)=0.2*10-2, Р(Е)=5.8*10-2, Р(К)=3,2*10-2,
Р(О)=8*10-2, Р(В)=3.3*10-2
Таблица3.1
|
Буква
|
Вероятность
передачи Pi*10-2
|
Кодовые
комбинации двоичного кода
|
|
О
|
8
|
0
|
|
А
|
6,1
|
1
|
|
Е
|
5,8
|
00
|
|
И
|
4,3
|
01
|
|
Н
|
4,2
|
10
|
|
Р
|
3,9
|
11
|
|
С
|
3,7
|
000
|
|
В
|
3,3
|
001
|
|
К
|
3,2
|
010
|
|
Л
|
3
|
011
|
|
Т
|
2,9
|
100
|
|
У
|
2,1
|
101
|
|
М
|
2
|
110
|
|
Д
|
1,9
|
111
|
|
П
|
1,7
|
0000
|
|
Й
|
1,3
|
0001
|
|
Б
|
1,2
|
0010
|
|
Ч
|
1,2
|
0011
|
|
Я
|
1,2
|
0100
|
|
Г
|
1,1
|
0101
|
|
З
|
1
|
0110
|
|
Ы
|
0,9
|
0111
|
|
Ь
|
0,9
|
1000
|
|
Ж
|
0,6
|
1001
|
|
Ш
|
0,6
|
1010
|
|
Х
|
0,5
|
1011
|
|
Ю
|
0,5
|
1100
|
|
Ц
|
0,3
|
1101
|
|
Ф
|
0,2
|
1110
|
|
Щ
|
0,2
|
1111
|
|
Э
|
0,1
|
10101
|
После составления кодовых комбинаций для всех
букв (таблица3.1), производим статистическое кодирование своей фамилии
последовательностью кодовых комбинаций букв, входящих в нее.
Без использования разделительного символа:
0101110001001111000100001
длина кодовой комбинации n=25
Средняя длина кодового слова при статистическом
кодировании без «1»
, где еi- длина кодовой комбинации
i-той буквы, Рi-вероятность передачи i-той буквы, N-число букв в фамилии.=11
Для равномерного кодирования
составляем таблицу 3.2.
Таблица3.2
|
буква
|
Рi
|
Кодов.
комб.
|
буква
|
Рi
|
Кодов.
комб.
|
|
А
|
6,1
|
00001
|
Р
|
3,9
|
10001
|
|
Б
|
1,2
|
00010
|
С
|
3,7
|
10010
|
|
В
|
3,3
|
00011
|
Т
|
2,9
|
10011
|
|
Г
|
1,1
|
00100
|
У
|
2,1
|
10100
|
|
Д
|
1,9
|
00101
|
Ф
|
0,2
|
10101
|
|
Е
|
5,8
|
00110
|
Х
|
0,5
|
10110
|
|
Ж
|
0,6
|
00111
|
Ц
|
0,3
|
10111
|
|
З
|
1
|
01000
|
Ч
|
1,2
|
11000
|
|
И
|
4,3
|
01001
|
Ш
|
0,6
|
11001
|
|
Й
|
1,3
|
01010
|
Щ
|
0,2
|
11010
|
|
К
|
3,2
|
01011
|
Ы
|
0,9
|
11011
|
|
Л
|
3
|
01100
|
Ь
|
0,9
|
11100
|
|
М
|
2
|
01101
|
Э
|
0,1
|
11101
|
|
Н
|
4,2
|
01110
|
Ю
|
0,5
|
11110
|
|
О
|
8
|
01111
|
Я
|
1,2
|
11111
|
|
П
|
1,7
|
10000
|
|
|
|
После составления кодовых комбинаций для всех
букв (таблица3.2), производим равномерное кодирование своей фамилии
последовательностью кодовых комбинаций букв, входящих в нее.
К(01011), Р(10001), А(00001), С(10010),
Н(01110), О(01111), Щ(11010), Е(00110), К(01011), О(01111), В(00011).
=11, ei=5
Без использования разделительного символа:
длина кодовой комбинации n=N*ei=55
Выигрыш определяется экономией времени,
требуемого для передачи сообщения статистическим кодом по сравнению с
равномерным кодом. Это есть соотношение кол-ва символов передаваемых тем и
другим кодом при передаче сообщения. Для равномерного кода средняя длина
кодового слова совпадет с длиной кодовых слов.
W=
р/
с=5*11/25=2,2
Следовательно, статистическое
кодирование является менее оптимальным, чем равномерное кодирование.
Закодируем свою фамилию кодом
Хаффмена, для этого запишем буквы сообщения в таблицу 3.3 в порядке убывания их
вероятностей (таблица3.1).
Таблица3.3-Процесс кодирования по
Хаффмена.

Используя граф этого кода,
определяем кодовые комбинации для каждой буквы фамилии.
Средняя длина кодового слова при
кодировании методом Хаффмена
, где еi-длина кодовой комбинации
i-той буквы, Рi-вероятность передачи i-той буквы, N-число букв в фамилии.
Для расчета выигрыша, даваемого
методом кодирования Хаффмена по сравнению с равномерным кодированием,
необходимо определить количество символов передаваемых кодом Хаффмена при
передаче сообщения.
Данный выигрыш составляет:
Следовательно, кодирование методом
Хаффмена является менее оптимальным, чем равномерное кодирование
Задание 3
Исходные данные:
Номер варианта - 33;
Вид модуляции и способ приема - ДЧМ,
оптимальный когерентный;
Ширина спектра сигнала - ∆F =
600кГц
Число уровней квантования - M = 512
Шаг квантования -
= 2 мВ;
Число каналов в системе передачи N =
8
Структурная схема системы связи
В каналах различного типа есть
ограничения на вид модуляции и способ приема. В каналах с быстрыми флуктуациями
фазы и частоты неэффективно использовать ДФМ и ДЧМ, так как это приводит к
значительному усложнению схемы приемника, что не окупается достигнутым при этом
увеличением помехоустойчивости. Систему с ДФМ нельзя использовать при
некогерентном приеме, т.к. при ДФМ информация заложена в фазу сигналов, а при
неизвестной фазе сигналов они неразличимы друг от друга.
В каналах с неопределенной фазой
сигнала на приеме приходится отказываться от применения когерентного метода
приема даже в тех случаях, когда с помощью сложных устройств можно оценить
начальную фазу принимаемого сигнала. При этом используют алгоритм приема
построенный в предположении, что начальная фаза принимаемого сигнала неизвестна
- т.е. некогерентный способ приема.
Однако, в каналах с медленными
флуктуациями фазы, путем ее оценки, можно достаточно надежно предсказать ее на
интервале анализа. При этом, можно реализовать оптимальный когерентный прием,
так как фаза изменяется достаточно медленно и разности фаз между соседними
единичными элементами практически сохраняются. Здесь вполне возможен
когерентный прием с применением ДОФМ. То же и с ДЧМ в каналах с медленными
флуктуациями частоты.
Оптимальный когерентный прием ДЧМ
сигналов является оптимальным для каналов с медленным флуктуациями фазы при
требовании высокой помехоустойчивости приема.
Структурная схема системы связи
приведена на рисунке 12
ИС - источник непрерывных сообщений
b.
Сообщ/сигн.- преобразователь
непрерывных сообщений b в аналоговый первичный сигнал Ua(t).
Рисунок 12-
Структурная схема системы связи
модулированное колебание кодирование
связь
АЦП - аналого-цифровой преобразователь, преобразующий
аналоговый первичный сигнал Ua(t) в цифровой сигнал Uц(t).
Кодер - для кодирования кодовых комбинаций
простого кода цифрового сигнала помехоустойчивым кодом с проверкой на четность.
Модулятор - для преобразования первичного
цифрового сигнала Uцк(t) во вторичный высокочастотный сигнал S(t),
соответствующий параметрам линии связи. Это дискретный относительный фазовый
модулятор, в котором информация, переносимая
первичным цифровым сигналом, вкладывается в
разность фаз сигналов на соседних единичных интервалах, путем изменения ее по
закону первичного информационного (модулирующего) цифрового сигнала.
Вых. устр. - выходное устройство, включающее в
большинстве случаев усилитель, полосовой фильтр, ограничивающий спектр сигнала
для уменьшения помех взаимного влияния в различных каналах, согласующее
устройство передатчика с линией связи.
Л.С. - линия связи - физическая среда для
передачи сигнала.
ИП- источник помех x(t),
вызывающих отклонение принятых сигналов от переданных (включая искажение
сигнала). S*¢(t) = S¢(t)
+x(t).
Вх.устр. - входное устройство, производящее
фильтрацию входного сигнала для уменьшения уровня помех на входе демодулятора,
усиление сигнала и согласование приемника с линией связи.
Демодулят. - демодулятор, служащий для обратного
преобразования вторичного ВЧ сигнала S*(t) в первичный
цифровой НЧ сигнал U*цк(t), несущий информацию. Это
дискретный относительный фазовый демодулятор, в котором информационный цифровой
сигнал выделяется из изменения разности фаз сигналов на соседних единичных интервалах.
Декодер - декодирует кодовые комбинации
помехоустойчивого кода, обнаруживая в ней ошибки. Код с проверкой на четность
обнаруживает все ошибки нечетной кратности.
ЦАП - цифро-аналоговый преобразователь,
преобразует цифровой сигнал U*ц(t) в первичный аналоговый
сигнал U*a(t).
Сигн/сообщ. - преобразователь аналогового
первичного сигнала U*a(t) в непрерывное сообщение b*.
ПС - получатель непрерывных сообщений.
Преобразование аналогового сигнала в цифровой
Для преобразования аналогового сигнала в цифровой
ИКМ сигнал, в АЦП осуществляются последовательно три операции. Структурная
схема АЦП приведена на рисунке 2.2
Описание преобразований аналогового сигнала в
цифровой в АЦП нужно проиллюстрировать конкретным примером для двух заданных
отсчетов сигнала со значениями, равными номеру варианта с положительным знаком
и половине номера варианта с отрицательным знаком в условных единицах.
Определим значения дискретных отсчетов сигнала:
Д1 = 33 B и UД2 = - 16,5 B
Длина кодовой комбинации для симметричного
двоичного кода определяется исходя из числа уровней квантования М:
где первый дополнительный элемент
служит для кодирования знака номера уровня (полярности кодируемого отсчета), обычно
0-для отрицательных и 1-для положительных значений.
Определим квантованные (разрешенные)
значения отсчетов, следующие от нуля в положительную и отрицательную сторону
через шаг квантования.
Составим нумерацию всех уровней
квантования, начиная от нулевого в положительную и отрицательную стороны.
Заданные отсчеты квантуем, то есть
их значения приравниваем к ближайшим квантованным (разрешенным) значениям.
Составляем кодовые комбинации,
соответствующие номерам уровней для k=10.
На месте разрядов, которые участвовали
в сумме, ставится элемент «1», а на месте разрядов, не участвовавших в сумме -
элемент «0». Первый (знаковый) элемент для отрицательного числа - «0». Для
положительного - «1».
Таблица2.1
|
Кодовые
комбинации номеров уровней
|
Номера
уровней
|
Соответствующие
значения напряжений
|
|
1000100001
|
17
|
34
|
|
0000001000
|
-8
|
-16
|
Интервал дискретизации Тд сигнала определяется
согласно теореме Котельникова, с учетом необходимого защитного частотного
интервала в спектре дискретного (АИМ) сигнала (Fд >2∙∆F) и
кратности частоты дискретизации частоте 8 кГц. Здесь Fд - частота
дискретизации.
д > 2∙F,
F = 600 кГц
Fд >1200
кГц
Учитывая вышесказанные условия,
частоту дискретизации берем Fд=1600 кГц.
Длительность интервала дискретизации
определяется по формуле:
мкс.
,
Временная диаграмма цифрового ИКМ
сигнала представлена на рисунке 14
Таблица2.2
|
Uд1=
33 у. е.
|
Uкв=
34
|
Nур=
17
|
Код.
ком. - Q1(0,1) = 1000100001
|
|
Uд1=
-16.5 у. е.
|
Uкв=
-16
|
Nур=
-8
|
Код.
ком. - Q2(0,1) = 0000001000
|
Рисунок 14 - Временная диаграмма цифрового ИКМ
сигнала
Кодирование кодом с проверкой на честность
При кодировании помехоустойчивым
(корректирующим) кодом с проверкой на четность, который позволяет обнаружить
все ошибки нечетной кратности, к информационной кодовой комбинации длиной k
элементов добавляется один проверочный элемент - r, доводящий число единиц в
полной кодовой комбинации до четного числа. Проверочный элемент ставится в
конце кодовой комбинации после информационных элементов. Длина кодовой
комбинации кода с проверкой на четность равна:
=10+1=11
где k - длина кодовой комбинации
простого кода.
Проверочный элемент определяется
суммой по модулю два всех информационных элементов кодовой комбинации простого
кода:
где Å - сумма по модулю два; , k2, … kк -
элементы кодовой комбинации простого кода.
Параметры кода: (k, k+1).
Для кодовой комбинации Q1(0,1)
=1000100001,
= 1Å0Å0Å0Å1Å0Å0Å0Å0Å1 = 1
Полная кодовая комбинация кода с
проверкой на четность: 10001000011, k=10, n=11,
код(11,10).
Для кодовой комбинации Q2(0,1)
=0000001000,
= 0Å0Å0Å0Å0Å0Å1Å0Å0Å0 = 1
Полная кодовая комбинация кода с
проверкой на четность: 00000010001, код(11,10)
Структурная схема кодера кода с
проверкой на четность показана на рисунке 15
Рисунок 15 - Структурная схема
кодера кода с проверкой на четность (9,8)
Временная диаграмма цифрового
сигнала с учетом кодирования кодом
с
проверкой на четность приведена на рисунке 16
Рисунок 16 - Временная диаграмма цифрового
сигнала закодированного кодом с проверкой на четность
Определим длительность тактового интервала,
учитывая, что в канальном интервале передается n- элементная кодовая комбинация
отсчета
Полоса пропускания канала связи
равна
Скорость передачи информации
цифрового сигнала равна количеству единичных элементов, передаваемых в единицу
времени (в секунду), без учета передаваемых элементов синхросигнала, не несущих
информации. За интервал дискретизации передается n-элементных кодовых
комбинаций отчетов канальных сигналов.
Таким образом, многоканальная
система передачи имеет 10 каналов. Каждый канал содержит 10 информационных
символов+1 символ с проверкой на четность.
Структурная схема цифрового
модулятора
Структурная схема ДЧ модулятора
представлена на рисунке 17
Рисунок 17 - структурная схема
цифрового модулятора
G1 - генератор сигнала с частотой ω1, S1(t)=U∙cos(ω1t+φ).
G0 - генератор сигнала с частотой ω0, S0(t)=U∙cos(ω0t+φ).
X - перемножитель сигналов.
Σ - сумматор.
Алгоритм работы цифрового
дискретного частотного модулятора приведен в таблице 2.3
При передаче символа "0"
несущий сигнал берется с генератора G0 с частотой ω0. При передаче
символа "1" несущий сигнал берется с генератора G1 на этом единичном
интервале, но с частотой ω1.
Таблица 2.3 - Алгоритм работы
модулятора ДЧМ сигналов
|
Символ
|
Первичный
сигнал Uцк(t) на входе модулятора
|
Вторичный
модулированный сигнал S(t) на выходе модулятора
|
|
0
|
U0(t)=0
|
U∙cos(ω0t+φ)
|
|
1
|
U1(t)=Uимп
|
U∙cos(ω1t+φ)
|
Ширина спектра ДЧМ сигнала определяется по
упрощенной формуле:
DFДЧМ = 4/Ттакт., Гц, или DFДЧМ
= 4×Fтакт.
, Гц.
DFДЧМ
=
=57.6 МГц.
Спектральная диаграмма ДЧМ сигнала
изображена на рисунке 18
Рисунок 18 - Спектральная диаграмма
ДЧМ сигнала
Временные диаграммы сигналов в
различных точках схемы модулятора приведены в приложении Б.
Структурная схема цифрового
демодулятора
Структурная схема цифрового
демодулятора при оптимальном когерентном приеме ДЧМ сигналов приведена на
рисунке 19
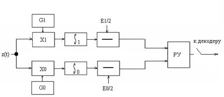
Рисунок 19 - Структурная схема
демодулятора при оптимальном когерентном приеме ДЧМ сигналов
Принятый сигнал с помехой z(t)
следует умножить отдельно на копии передаваемых сигналов S1(t) и S0(t),
произведения проинтегрировать на интервале длительности сигнала t и далее
сравнить результаты интегрирования. По большему из них и выносится решение,
какой же первичный сигнал передавался.
Так если
то
передавался сигнал S1(t), которому соответствует первичный сигнал u1 , а при
обратном знаке неравенства - первичный сигнал u0 (при выполнении неравенства
регистрируется символ «1», в противном случае «0») . Это правило отмечено в
алгоритме тем, что возле знака неравенства стоит тот сигнал, в пользу которого
выносится решение.
Алгоритм работы демодулятора
приводится в таблице 20
Таблица 20 - Алгоритм работы
демодулятора ДЧМ сигналов
|
Принимаемый
сигнал S*(t) на входе демодулятора
|
Первичный
информационный сигнал U*(t) на выходе демодулятора
|
|
S*i(t)=U∙cosω1t
|
U*i(t)=U*1(t)=Uимп т.к.
S*i(t)> S*I+1(t)
|
|
S*i(t)=0
|
U*i(t)=U*2(t)=Uимп т.к.
S*i(t)< S*I+1(t)
|
Временные диаграммы сигналов в различных точках
схемы демодулятора приведены в приложении Б.
Заключение
Двоичный цифровой сигнал на выходе АЦП ИКМ и
ДИКМ представляет собой последовательность однополярных импульсов длительностью
ТД, соответствующих передаче 1. Спектральная плотность мощности этой случайной
последовательности импульсов теоретически бесконечна, но ее основная часть
расположена в пределах от 0 до fД. Линии радиосвязи имеют примерно постоянную
АЧХ в некоторой полосе, симметричной около несущей частоты. В линиях радиосвязи
применяют те или иные виды вторичной частотной или фазовой манипуляции. При
некогерентном приеме манипулированного сигнала предпочтительно использовать
ЧМн, при когерентном - ОФМн.
В кабельных линиях широко распространена
передача сигналов двухуровневыми импульсами постоянного тока.
Исторически сложилось так, что описанные
аналого-цифровые преобразования называют модуляцией. По существу, это двоичное
кодирование непрерывного сигнала. Более точно считать преобразования,
осуществляемые в АЦП и ЦАП, кодированием и декодированием.
Список литературы
1.
Теория электрической связи. Задание и методические указания на курсовую
работу.- Алматы: АИЭС, 1998.- 11 с.
.
Панфилов И.П., Дырда В.Е. Теория электрической связи.- М.: Радио и связь, 1991
.
Емельянов Г.А., Шварцман В.О. Передача дискретной информации. - М.: Радио и
связь, 1982
.
Передача дискретных сообщений / В.П. Шувалов и др. Под ред. В.П. Шувалова - М.:
Радио и связь, 1990
.
Теория электрической связи. /А.Г. Зюко и др. Под ред. Д.Д. Кловского. - М.:
Радио и связь, 1998
.
Пенин П.И., Филиппов Л.И. Радиотехнические системы передачи информации. - М.: Радио
и связь, 1984.
.
ФС РК 10352-1910-У-е-001-2002 - Фирменный стандарт. Работы учебные. Общие
требования к построению, изложению, оформлению и содержанию. - Алматы: АИЭС,
2002. - 34 с.