Активный двухполупериодный выпрямитель
ТЕХНИЧЕСКОЕ ЗАДАНИЕ
Разработать аналого-цифровой преобразователь с
входным мультиплексором, устройством выборки хранения, автоматическим выбором
пределов измерения, автоматической начальной предустановкой в исходное
состояние, автоматическим циклическим выбором номера датчика, различными видами
запуска (ручной, от внешнего генератора, от внутреннего генератора) со
следующими основными характеристиками:
|
Класс
точности (c/d)
|
0,5/0,1
|
|
Входное
сопротивление, не менее МОм
|
6,5
|
|
Число
каналов измерения
|
7
|
|
Время
измерения по одному каналу, не более, с
|
10-4
|
|
Диапазон
рабочих температур, °С
|
-10÷
+65
|
|
Параметры
входного спектра
|
fc1,
кГц
|
25
|
|
fc2,
кГц
|
100
|
|
fc3,
кГц
|
400
|
|
Интерфейс
связи
|
UART
|
|
Напряжение
пробоя изоляции, кВ
|
0,25
|
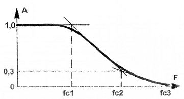
Непрерывный спектр входного сигнала имеет
следующий вид:
Рис. 1
ВВЕДЕНИЕ
Аналого-цифровые преобразователи (АЦП) являются
устройствами, которые принимают входные аналоговые сигналы и генерируют
соответствующие им цифровые сигналы, пригодные для обработки микропроцессорами
и другими цифровыми устройствами.
Принципиально не исключена возможность
непосредственного преобразования различных физических величин в цифровую форму,
однако эту задачу удается решить лишь в редких случаях из-за сложности таких
преобразователей. Поэтому в настоящее время наиболее рациональным признается
способ преобразования различных по физической природе величин сначала в
функционально связанные с ними электрические, а затем уже с помощью
преобразователей напряжение-код - в цифровые. Именно эти преобразователи имеют
обычно в виду, когда говорят об АЦП.
В настоящее время известно большое число методов
преобразования напряжение-код. Эти методы существенно отличаются друг от друга
потенциальной точностью, скоростью преобразования и сложностью аппаратной
реализации. Одним из наиболее распространенных является метод поразрядного
уравновешивания, называемый также методом последовательных приближений.
Преобразователь, построенный на основе этого метода, называемый в литературе
также АЦП с поразрядным уравновешиванием, является наиболее распространенным
вариантом последовательных АЦП.
В основе работы этого класса преобразователей
лежит принцип дихотомии, т.е. последовательного сравнения измеряемой величины с
1/2, 1/4, 1/8 и т.д. от ее возможного максимального значения. Это позволяет для
N-разрядного АЦП последовательного приближения выполнить весь процесс
преобразования за N последовательных шагов (итераций) вместо 2N-1 при
использовании последовательного счета и получить существенный выигрыш в быстродействии.
Данный класс АЦП занимает промежуточное
положение по быстродействию, стоимости и разрешающей способности между
последовательно-параллельными и интегрирующими АЦП и находит широкое применение
в системах управления, контроля и цифровой обработки сигналов.
АЦП по способу преобразования входного сигнала
подразделяются на параллельные, последовательно-параллельные, последовательные,
интегрирующие, сигма-дельта и т.д. Также аналого-цифровые преобразователи
различаются по быстродействию, точности, разрядности. Используются разные типы
интерфейсов (PPI, SPI, USB и т.д.) с гальванической и без гальванической
развязки для передачи в другое цифровое устройство.
Одним из наиболее распространенных является АЦП
последовательных приближений. Разработка такого АЦП является целью данной
курсовой работы.
1. РАСЧЕТ ПАРАМЕТРОВ АЦП
.1 Расчет частоты дискретизации
Непрерывный спектр сигнала имеет вид, показанный
на рис.2, где
= 25 кГц, fc2 = 0,1 МГц, fc3 = 400 кГц:
Рис. 2 - Спектр входного сигнала
Расчёт верхней частоты эффективного спектра
сигнала проводится с учётом того, что для исключения потери информации о
сигнале необходимо, чтобы проектируемое устройство обеспечивало передачу не
менее 95% спектральной мощности входного сигнала. Оценить эту мощность можно по
площади, ограниченной графиком и осями координат.
Площадь, ограниченная спектром сигнала может
быть рассчитана интегрированием составляющих, площадь получится в относительных
единицах.

Энергетическим значимым считается
95% мощности спектра сигнала, а остальную часть можно не учитывать.
Зная площадь энергетически значимой
части спектра можно найти верхнюю частоту спектра сигнала.
Зная площадь энергетически значимой
части спектра можно найти верхнюю частоту спектра сигнала.
поэтому, верхняя частота лежит в
диапазоне частот от 100кГц до 400кГц.
Рассмотрим треугольник, где основание
равно 400000 - 100000, а высота 0,3. Из точки, где определяется верхняя
частота, проведем перпендикуляр до пересечения с гипотенузой. Высота этого
отрезка пусть равно x. Тогда, можно записать
Откуда находим, что
Частота дискретизации по теореме
Котельникова:
Академик В.А.Котельников в 1933г. в
работе «О пропускной способности эфира и проволоки в электросвязи» впервые
опубликовал один из вариантов своей теоремы, обосновав впервые теоретически,
как должен назначаться интервал дискретизации Dt:
Любая непрерывная функция x(t) с
ограниченным спектром частот от нуля до fв может быть полностью определена
своими дискретными значениями (отсчетами), взятыми через интервалы времени
,
т.е. при частоте отсчетов
(дискретизации по времени)
Следовательно, частота дискретизации
определяет требуемое быстродействие АЦП.
Исходя из теоремы Котельникова,
минимально необходимая частота дискретизации входного сигнала
(2.1.1)
Теорема отсчетов распространяется
лишь на функции, удовлетворяющие условиям Дирихле. Спектр входного сигнала
некомпактный, следовательно, не удовлетворяет условию теоремы Котельникова.
Если сигнал не удовлетворяет теореме
отсчетов, то для определения значения шага дискретизации Dt вводится коэффициент запаса
Кз.
(2.1.2)
Выберем значение коэффициента запаса
Кз = 4, тогда в соответствии с (2.1.2) получим новое значение частоты
дискретизации fд’:
Так как предполагается выпрямление
входного сигнала, удваиваем частоту дискретизации. Окончательно получаем
Частота дискретизации по теореме
Бернштейна:
По теореме Бернштейна частота
дискретизации рассчитывается по формуле
где
- погрешность аппроксимации.
Максимальное входное напряжение
равно 0,3В, а на вход АЦП нужно подавать напряжение 5В, поэтому
Погрешность аппроксимации
представляет собой погрешность квантования, которая рассчитывается как
Исходя из того, что
получаем
Погрешность аппроксимации
Частота дискретизации по Бернштейну
По выполненным расчетам частота
дискретизации по Бернштейну превышает в
раз частоту дискретизации по
Котельникову.
1.2 Расчет разрядности и шага
квантования.
Максимальная погрешность АЦП
определяется как
при
и
Рассчитаем
разрядность
Округлив, получаем
Шаг
квантования рассчитывается по формуле
Подставив значения напряжения и
разрядности можно рассчитать шаг квантования
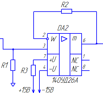
2. РАСЧЕТ ВХОДНОГО ПОВТОРИТЕЛЯ.
Входной повторитель необходим для обеспечения
заданного входного сопротивления схемы.
Рис. 3 - Входной повторитель
Выбираем инвертирующую схему включения входного
повторителя с единичным коэффициентом усиления (рис.6). В качестве DA1
применяем ОУ К140УД26А (широкополосный прецизионный операционный усилитель со
сверхнизким значением входного напряжения шума, высоким коэффициентом усиления
напряжения). Его параметры приведены в приложении.
По данной схеме включения входное сопротивление
задается сопротивлением R1. По техническому заданию Rвх равен 6,5 МОм,
следовательно, R1 = R2 =7МОм.
Т. к. коэффициент усиления определяется
,
выбираем резисторы R1 и R2 типа
С2-29В-0,25-7,06 МОм ± 0,05 % (из ряда Е192).
Резистор R3 необходим для уменьшения
изменений выходного напряжения, вызванных временными и температурными
колебаниями входных токов. Его значение выбирают таким, чтобы эквивалентные
сопротивления, подключённые к входам ОУ, были одинаковы. Сопротивления этого
резистора рассчитывают по формуле:
(3.1.2)
Отсюда резистор R3 равен 3,53 МОм.
Выбираем его типа С2-29В-0,25-3,52 МОм ± 0,05 % (из ряда Е192).
. Входной мультиплексор.
Входной мультиплексор построен на
микросхеме ADG408, являющейся восьмиразрядным мультиплексором аналоговых
сигналов. Его схема представлена на рис. 4 (характеристики приведены в приложении).
Микросхема ADG408 включена по типовой схеме включения и в расчете не нуждается.
Характеристики микросхемы даны в приложении.
Рис. 4 - Входной мультиплексор
3. РАСЧЕТ ФИЛЬТРА НИЖНИХ ЧАСТОТ
Фильтр низких частот (ФНЧ) должен обеспечивать
достаточное подавление характеристики на частотах, превышающих частоту
Найквиста.
Рис. 5 - АЧХ реального фильтра.
На рис.5 показана АЧХ реального ФНЧ,
где
, а
- частота
Найквиста. Частота Найквиста в два раза меньше частоты дискретизации
Затухание в полосе подавления можно
найти исходя из заданной погрешности
. Рассчитаем затухание при частоте
Найквиста
затухание при частоте среза
Определим минимальный порядок
фильтра. Для фильтра Баттерворта с
минимальный порядок можно
определить по формуле [4]
Выбираем порядок фильтра низких
частот n = 2. Выбираем фильтр Баттерворта, построенного по структуре Sallen-Key
(рис.6).
Рис. 6 - Фильтр Баттерворта,
структура Саллена-Ки
Для фильтра Баттерворта 2-го порядка
коэффициенты b и c приведены в таблице:
|
Порядок
фильтра
|
2
|
|
Номер
звена
|
1
|
|
Фильтр
Баттерворта
|
b
c
|
1,4142
1,0000
|
|
|
|
В литературе рекомендуется следующий порядок
расчета ФНЧ. Начальные параметры для расчета: коэффициент усиления в полосе
пропускания А = 1,b=1,4142, с=1, fc=121,7 кГц.
Выбираем значения номиналов
конденсаторов и резисторов
С1=75пФ; С2=34,8пФ (из ряда
Е192);=8,87 кОм; R5=52,3 кОм (из ряда Е192).
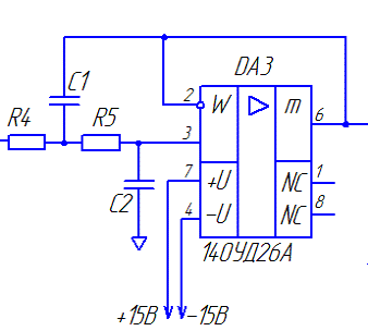
4. АКТИВНЫЙ ДВУХПОЛУПЕРИОДНЫЙ
ВЫПРЯМИТЕЛЬ
Схема, показанная на рис.10, позволяет получать
на выходе положительное напряжение, равное абсолютной величине входного
сигнала; она представляет собой двухполупериодный выпрямитель. Как обычно,
операционные усилители с цепью обратной связи устраняют влияние падения
напряжения на диодах, характерное для пассивного выпрямителя.
Рис. 7 - Выпрямитель средних значений
= R7 = R8 = R11 - С2-29В - 0,25 - 10кОм ±0,05 %
(из ряда Е192),= R1/2 = 4,99кОм - С2-29В - 0,25 - 4,99кОм ±0,05 % (из ряда
Е192)
В качестве выпрямительных элементов используем
тип диодов VD1 и VD2 - 1N3595..
Резистор R10=R12 предназначен для внешней
балансировки (установка нуля) микросхемы ОУ К140УД26А (стандартная схема
включения). Резисторы типа СП3-16а - 0,125 - 10кОм с допуском ±10% (из ряда
Е6).
5. АНАЛОГО-ЦИФРОВОЙ ПРЕОБРАЗОВАТЕЛЬ
Аналого-цифровое преобразование производится по
методу двоично-взвешенного преобразования. Схема АЦП (рис. 8) реализуется на
РПП (регистр последовательных приближений), ЦАП (цифро-аналоговый
преобразователь) и компараторе. Технические характеристики РПП, ЦАП и
компаратора приведены в приложении.
Рис. 8 - АЦП с поразрядным уравновешиванием
Выбираем регистр последовательных приближений
DM54LS502 (рис. 9).
Рис. 9 - РПП
Принцип работы: на вход СР подаются тактовые
импульсы частотой 32МГц, при подаче на вход S напряжения низкого уровня
происходит сброс выходного значения РПП, и начинается новый счёт; выход СС
сигнализирует о завершении преобразования. Если нам необходимо, что РПП работал
циклически, то выход СС нужно соединить со входом S.
Можно реализовать ручной запуск АЦП, для этого
на вход S подается кратковременный сигнал низкого уровня, после которого
запускается РПП и по окончанию счёта останавливается.
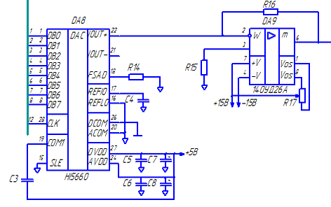
Цифро-аналоговый преобразователь.
Выбрали цифро-аналоговый преобразователь фирмы
Intersil HI5660 (рис.10). Время установления выходного сигнала tуст = 3нс.
Рис. 10 - ЦАП
ЦАП имеет токовый выход, поэтому используется
преобразователь ток-напряжение DA2. Выходное напряжение рассчитывается как:
максимальный выходной ток ЦАП Iout = 20мА (если
на все входы DB0…DB7 поданы лог. 1), максимальное выходное напряжение Uвыхmax =
5В. Тогда сопротивление резистора
Из-за погрешности полной шкалы
значение выходного тока ЦАП может меняться в пределах ±2%. У данной микросхемы
ЦАП имеется вход FSADJ, куда подключают резистор и меняя его сопротивление
можно изменять шкалу выходного тока, тем самым снижая погрешность полной шкалы.
Рекомендуется определять сопротивление из формулы
для HI5660 UFSADJ = 1,16В и R14 =
1,87кОм, если не учитывать погрешность.
Номиналы резисторов выбираем из ряда
Е192. Тип резисторов - С2-29В - 0,25, точность ±0,05 %.
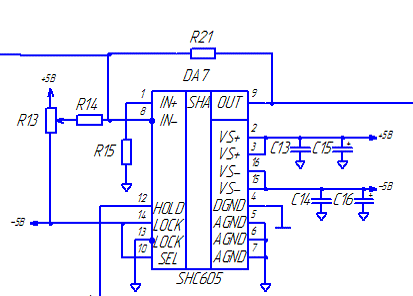
6. УСТРОЙСТВО ВЫБОРКИ-ХРАНЕНИЯ
Основное назначение УВХ (рис.11) - выборка
мгновенного значения аналогового сигнала и его хранение (запоминание) в течение
некоторого промежутка времени, определяемого периодом выборки, т.е. выполнение
операций стробирования.
Необходимость в УВХ возникает при решении задач
минимизации динамических погрешностей аналого-цифровых преобразователей.
Установка устройства выборки - хранения на вход
АЦП будет сохранять отсчет постоянным в течение всего времени преобразования и
поможет избежать апертурой погрешности.
В качестве УВХ взята микросхема SHC605 (описание
в приложении).
Рис. 11 - Устройство выборки-хранения
7. ВЫБОР СХЕМЫ УПРАВЛЕНИЯ
Устройство управления является «ядром» схемы,
оно управляет всеми компонентами, а также обеспечивает переключение режимов.
В данной схеме в качестве устройства управления
применён микроконтроллер PIC18F4455(рис.12). Его характеристики даны в
приложении. Такое решение позволяет сделать систему гибкой, уменьшить
энергопотребление и количество корпусов микросхем.
Рис. 12 - Микроконтроллер PIC18F4455
Управление всеми микросхемами, выбор режимов и
тактирование определяются программой микроконтроллера. Ко входам OSC1 и OSC2
подключается кварцевый резонатор на частоту 4 МГц. Также между этими выводами и
землёй подключаются два конденсатора емкостями 22 нФ.
Микроконтроллер имеет встроенный USART, выводы
RC6 и RC7 после программирования играют роли TX и RX интерфейса USART.
Для повышения надёжности схемы вставлена
гальваническая развязка, построенная на двух микросхемах HCPL-0710 (описание в
приложении).
Рис. 13 - Гальваническая развязка
Вход и выход микросхемы HCPL-0710 имеют
индивидуальные выводы для питания, что позволяет легко согласовать логические
уровни сигнала.
8. РАСЧЕТ ПОГРЕШНОСТЕЙ
Погрешности в зависимости от возникновения
разделяются на:
. Методическая - происходят от несовершенства
метода измерений.
. Инструментальные - происходят от
несовершенства средств измерений.
Погрешности средства измерения зависят от
внешних условий (влияющих величин), поэтому их принято делить на основную и
дополнительную. Основной погрешностью средства измерения называют погрешность в
условиях, принятых за нормальные для данного средства. Дополнительные погрешности
средства измерений возникают при отклонении влияющих величин от нормальных
значений.
В зависимости от измеряемой величины погрешности
средства измерений разделяют на аддитивные и мультипликативные.
Аддитивные (абсолютные) погрешности не зависят
от измеряемой величины. Мультипликативные (абсолютные) погрешности измеряются
пропорционально измеряемой величине.
Относительная основная погрешность:
Рассчитаем погрешности каждого звена
схемы в отдельности.
Погрешность входного повторителя:
. Погрешность (аддитивная) от
напряжения смещения нуля:
2. Погрешность (мультипликативная) коэффициента
усиления:
Погрешность ФНЧ:
а) напряжения смещения:
duсм
=
*100% =
%
б) погрешность коэффициента
усиления:
ΔК = 1-0,999999=0,000001
ΔК =ΔК/К*100% =
0,0001%.
в) Погрешность (мультипликативная)
от разброса сопротивлений резисторов:
Погрешность УВХ:
. Погрешность установления выходного
сигнала (мультипликативная)
. Погрешность напряжения смещения:

. Погрешность от разброса сопротивлений
резисторов:
Погрешность ЦАП:
. Погрешность напряжения смещения:
. Погрешность полной шкалы:
Уменьшается подбором сопротивления
резистора RSET подключаемого ко входу FSADJ ЦАП.
. Погрешность квантования:
Эту погрешность можно уменьшить
подбирая сопротивление резистора Rset подключаемый ко входу FSADJ ЦАП.
Погрешность компаратора:
. Погрешность нечувствительности:
Погрешность выпрямительного каскада
а) напряжения смещения:
duсм
=
*100% =
%
Мультипликативная погрешность:
Погрешности напряжения смещения нуля
операционных усилителей устраняются регулировкой, погрешность коэффициента
усиления входного повторителя и ФНЧ малы, поэтому их можно не учитывать.
Для нахождения основной суммарной погрешности
АЦП примем во внимание, что имеет место нормальный закон распределения
статистической вероятности. Следовательно, итоговая погрешность будет
вычисляться по формуле:
;
;
Погрешность разработанного АЦП
0,4/0,08 что соответствует техническому требованию, по которой погрешность
должна быть 0,5/0,1.
ЗАКЛЮЧЕНИЕ
В данной курсовой работе разработан АЦП
последовательного приближения со следующими техническими характеристиками:
входное сопротивление - 6,5 МОм;
частота дискретизации 1,9472 МГц;
класс точности 0,5/0,1;
число каналов 7;
разрядность 8.
Разработанный АЦП имеет возможность работать как
от внутреннего генератора, так и от внешнего. Режим преобразования может быть
однократным или циклическим. Предустановка АЦП в исходное состояние происходит
автоматически. Выбор номера датчика производится циклическим перебором.
Разработанный АЦП соответствует требованиям технического задания.
СПИСОК ЛИТЕРАТУРЫ
1.
Волович Г.И. Схемотехника аналоговых и аналого-цифровых измерительных
устройств. - М.: Издательский дом «Додэка-ХХI», 2005. - 528с.
.
Шляндин В.М. Цифровые измерительные устройства: Учебник для вузов. - 2-е изд.,
перераб. и доп. - М.: Высш. школа, 1981. - 335 с.
.
Хоровиц П., Хилл У. Искусство схемотехники: Пер. с англ. - Изд. 7-с. - М.: Мир,
БИНОМ. 2010. - 704 с.
.
Джонсон Д. Справочник по активным фильтрам: Пер. с англ./Д. Джонсон, Дж.
Джонсон, Г. Мур. - М.: Энергоатомиздат, 1983. - 128 с.
.
Айфичер Э.С., Джервис Б.У. Цифровая обработка сигналов: практический подход,
2-е издание.: Пер. с англ. - М.: Издательский дом «Вильямс», 2004. - 992 с.
.
Угрюмов Е.П. Цифровая схемотехника. - СПб.: БХВ-Петербург, 2004. - 528 с.
.
Аксенов А.И., Нефедов А.В. Резисторы, конденсаторы, провода, припои, флюсы:
Справочное пособие. 2000. - 239 с.
.
С.В.Якубовский, Л.И. Ниссельсон, В.И.Кулешова и др. Цифровые и аналоговые
интегральные микросхемы: Справочник/ Москва, 1989г.
ПРИЛОЖЕНИЕ
выпрямитель дискретизация квантование
погрешность
Рис. 14 - Структурная схема
. Входной мультиплексор
. Повторитель напряжения
. Микроконтроллер
. Фильтр нижних частот
. РПП
. Выпрямитель
. Устройство сравнения
. Устройство выборки-хранения
. ЦАП