Разработка однофазного однотактного двухполупериодного выпрямителя
КУРСОВОЙ ПРОЕКТ
Разработка однофазного
однотактного двухполупериодного выпрямителя
Введение
выпрямитель микросхема стабилизатор
Полупроводниковые выпрямительные агрегаты
нашли широкое применение в различных областях промышленности, на железнодорожном
транспорте, судах самолетах и т.д. Они используются для питания процессов
электролиза в цветной металлургии и химической промышленности; для питания
системы электропривода двигателей постоянного тока различного назначения и
мощности; для возбуждения крупных электрических генераторов; для тяговых
подстанций и магистральных электровозов переменного тока и для удовлетворения
многих других потребностей народного хозяйства.
Производство и распределение электрической
энергии в основном осуществляется на переменном токе. В то же время
значительная часть электроэнергии потребляется в виде постоянного тока. Это
связано с тем, что часть потребителей может работать только на постоянном токе.
Другая часть потребителей имеет на постоянном токе лучшие характеристики и
параметры.
Для преобразования переменного тока в
постоянный в настоящее время почти исключительно применяются полупроводниковые
преобразователи электрической энергии - выпрямители.
Значительный прогресс в преобразовательной
технике связан с созданием силовых полупроводниковых вентилей. Высокие
электрические параметры, малые габариты и масса, простота конструкции и
обслуживания, высокая эксплуатационная надежность полупроводниковых вентилей
позволяют широко использовать их в схемах преобразования переменного тока в
постоянный.
Целью
курсового проекта является разработка однофазного однотактного
двухполупериодного выпрямителя.
Для этой цели необходимо выполнить следующие задачи:
1. Обзорно-постановочная часть
.1 Общие сведения и классификация выпрямителей
Устройство, предназначенное для преобразования энергии
источника переменного тока в постоянный ток называется выпрямителем.
Выпрямитель может быть представлен в виде структурной схемы, представленной на
рис. 1.
Рис. 1 - Структурная схема выпрямителя
Охарактеризуем основные элементы схемы:
· силовой трансформатор
служит для согласования входного и выходного напряжения выпрямителя и
электрического разделения отдельных цепей выпрямителя (т.е. разделяет питающую
сеть и сеть нагрузки);
· блок вентилей
обеспечивает одностороннее протекание тока в цепи нагрузки, в результате чего
переменное напряжение преобразуется в пульсирующее;
· сглаживающий фильтр
предназначен для уменьшения пульсации напряжения на нагрузке до требуемого
значения;
· стабилизатор напряжения,
служащий для стабилизации среднего значения выпрямленного напряжения при
колебаниях напряжения питающей сети или при изменении тока нагрузки.
Соотношения между параметрами в выпрямительном устройстве во
многом зависят от схемы выпрямления. Под схемой выпрямления понимают схему
соединения обмоток трансформатора и порядок присоединения вентилей к вторичным
обмоткам трансформатора.
Схемы выпрямления (выпрямители) классифицируют по следующим
основным признакам:
1. По числу фаз источника питания переменного напряжения
различают выпрямители однофазного тока и выпрямители трехфазного тока.
2. По способу подключения вентилей к вторичной обмотке
трансформатора - нулевые схемы, с использованием нулевой (средней) точки вторичной
обмотки трансформатора и мостовые схемы, в которых нулевая точка изолирована
или вторичные обмотки трансформатора соединены в треугольник.
Рис. 2 - Схема однофазного мостового выпрямителя
Рис. 3 - Временные диаграммы напряжений и токов мостового
выпрямителя
При положительной полярности напряжения на
вторичной обмотке трансформатора (полярность указана без скобок) на интервале 0
- υ1 (0 - π), ток проводят диоды Д1 и Д2. Падение напряжения на
диодах на интервале проводимости близко к нулю (вентили идеальные), поэтому к
нагрузке прикладывается положительная полуволна напряжения вторичной обмотки
трансформатора, создавая на ней напряжение ud = u2. На интервале υ1 - υ2 (π - 2π) изменится полярность
напряжений u1 и u2 на обратную, что приведет к отпиранию диодов Д3 и Д4. При
этом напряжение u2 будет подключено к нагрузке с той же полярностью, что и на
предыдущем интервале. Следовательно, выходное напряжение ud при чисто активной
нагрузке мостового выпрямителя имеет вид однополярных полу-волн напряжения (ud
= u2).
. По потребляемой нагрузкой
мощности выпрямители делятся на маломощные (единицы кВт), средней мощности
(десятки кВт) и большой мощности (Рпот > 100 кВт).
. Независимо от мощности
выпрямителя все схемы делятся на однотактные или однополупериодные и
двухтактные (двухполупериодные). Однотактные - это схемы, у которых ток
протекает по вторичным обмоткам трансформатора один раз за период (полупериод
или его часть). Все нулевые схемы являются однотактными.
Рис. 4 - Схема однофазного двухполупериодного выпрямителя с
выводом нулевой точки трансформатора
Рис. 5 - Временные диаграммы однофазного выпрямителя с нулевым
выводом при активной нагрузке
Двухполупериодное выпрямление в схеме достигается выполнением
трансформатора с двумя вторичными обмотками. Обмотки соединены последовательно
и имеют общую нулевую (среднюю) точку. Свободные концы вторичных обмоток
трансформатора присоединены к анодам вентилей Д1 и Д2, а связанные между собой
катоды вентилей образуют положительный полюс выпрямителя. Отрицательным полюсом
выпрямителя является общая (нулевая) точка соединения вторичных обмоток. Таким
образом, трансформатор служит в этой схеме как для согласования величины
питающего напряжения и напряжения на нагрузке, так и для создания средней
(нулевой) точки. Очевидно, что напряжения на выводах вторичных обмотках
трансформатора u1 и u2 (или ЭДС е1 и е2) одинаковы по величине и сдвинуты
относительно нулевой точки на 180°, т.е. находятся в противофазе. В каждый
момент времени проводит ток тот диод, потенциал анода которого положителен.
Поэтому на интервале 0 - π открыт диод Д1 и к
сопротивлению нагрузки Rн (Rd) приложено фазное напряжение вторичной обмотки
трансформатора ud = u2-1. Диод Д2 в интервале 0 - π закрыт, так как к нему приложено отрицательное напряжение. В конце
интервала напряжения и токи в схеме равны нулю.
На следующем интервале работы схемы π - 2π напряжения на первичной и
вторичной обмотках изменяют свою полярность на обратную, поэтому диод Д2 будет
открыт, а диод Д1 - закрыт. Далее процессы в схеме выпрямления повторяются.
Кривая выпрямленного напряжения ud состоит из однополярных полуволн фазного
напряжения вторичной обмотки трансформатора. Форма тока нагрузки при чисто
активной нагрузке повторяет форму напряжения. Диоды Д1 и Д2 проводят ток
поочередно в течение полупериода.
3. По назначению:
. Маломощные выпрямители, как
правило, однофазные, используют в системах управления, для питания отдельных
узлов электронной аппаратуры, в измерительной технике и др.;
. Выпрямители средней и большой
мощности служат источниками питания промышленных установок.
. Схемы выпрямления делятся на
простые и сложные. К простым схемам относятся однофазные и трехфазные, нулевые
и мостовые схемы. В сложных (или составных схемах) несколько простых схем
соединяются последовательно или параллельно.
7. По виду (характеру) нагрузки. Для
однофазных схем выпрямления характерны значительные пульсации выпрямленного
напряжения. Для уменьшения пульсаций напряжения на нагрузке используют
сглаживающие фильтры, выполняемые на основе реактивных элементов дросселей (L)
и конденсаторов (С). Характер входной цепи сглаживающего фильтра совместно с
нагрузкой определяют вид нагрузки выпрямителя. Различают работу выпрямителя на
активную нагрузку (R - НГ), активно-индуктивную нагрузку (RL - НГ), активную
нагрузку и емкостный фильтр (RC - НГ). Общим для всех выпрямителей является их
применение преимущественно при RL - НГ. Это объясняется тем, что маломощные
выпрямители чаще всего работают LC - фильтром, а мощные выпрямители - с L -
фильтром.
. По способу управления различают
неуправляемые и управляемые выпрямители.
.2 Компенсационные стабилизаторы напряжения
Стабилизаторы напряжения различают компенсационные
стабилизаторы непрерывного и импульсного действия. Стабилизаторы напряжения
непрерывного действия представляют собой систему автоматического регулирования,
в которой фактическое значение выходного напряжения сравнивается с заданным
значением эталонного (опорного) напряжения. Возникающий при этом сигнал
рассогласования усиливается и должен воздействовать на регулирующий элемент
стабилизатора таким образом, чтобы выходное напряжение стремилось вернуться к
заданному уровню. В качестве источника опорного напряжения обычно используют
параметрический стабилизатор, работающий с малыми токами нагрузки, реже
гальванические батареи.
В зависимости от способа включения регулирующего элемента
различают компенсационные стабилизаторы последовательного и параллельного
типов.
Структурная схема компенсационного стабилизатора
последовательного типа представлена на рис. 9.3, а. В этой схеме регулирующий
элемент РЭ включен последовательно с нагрузкой и играет роль управляемого
балластного сопротивления.
Разностный сигнал рассогласования
, формируемый схемой
сравнения СС, поступает на вход усилителя постоянного тока У, усиливается и
воздействует на регулирующий элемент РЭ.
При положительном сигнале рассогласования
> 0 сопротивление РЭ
возрастает и падение напряжения
на нем увеличивается. Так как РЭ и нагрузка
включены последовательно, то при увеличении
выходное напряжение
уменьшается, стремясь к значению
.
При отрицательном сигнале рассогласования
< 0, наоборот,
внутреннее сопротивление РЭ и падение напряжения на нем уменьшаются, что
приводит к возрастанию выходного напряжения
.
Принципиальная схема компенсационного стабилизатора
напряжения последовательного типа на транзисторах приведена на рис. 9.3, б.
Роль регулирующего элемента в этой схеме играет транзистор
. При увеличении
выходное напряжение
возрастает по абсолютному значению, создавая отрицательный сигнал
рассогласования напряжения
на входе усилителя постоянного тока,
выполненного на транзисторе
. Ток коллектора транзистора
возрастает, а потенциал
коллектора
становится более положительным относительно
потенциала земли. Напряжение база - эмиттер транзистора
уменьшается, что
приводит к возрастанию внутреннего сопротивления транзистора
и падения напряжения на
нем. Выходное напряжение при этом уменьшается, стремясь к прежнему значению.
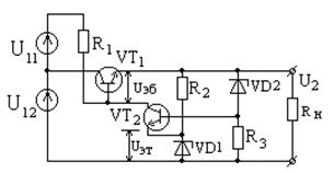
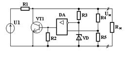
Принципиальная схема компенсационного стабилизатора
напряжения
На рисунке представлена принципиальная схема компенсационного
стабилизатора непрерывного действия с последовательным РЭ. Регулирующий элемент
выполнен на транзисторе VT1, УПТ на транзисторе - VT2, источником эталонного
напряжения служит стабилитрон VD, резистор R2 ограничивает ток
стабилитрона. Делитель напряжения выполнен на резисторах R3, R4.
При возрастании напряжения U1 в первоначальный момент
времени возрастает напряжение на нагрузке U2 и напряжение обратной
связи UОС, снимаемое с нижнего плеча делителя напряжения R4. Напряжение ошибки Ueувеличивается, потенциал
эмиттера транзистора VT2 остается постоянным, а потенциал базы
становится наиболее положительным. Транзистор VT2 открывается, что
приводит к увеличению тока IK2. По закону Кирхгофа для узла: Iδ1 = I1 - IK2, поэтому ток базы транзистора VT1 уменьшается и
транзистор призакрывается. Падение напряжения ∆UКЭ1 увеличивается, а
напряжение в нагрузке восстанавливается.
Рассмотрим перемещение рабочей точки на выходных
характеристиках транзистора (РЭ) при возрастании входного напряжения. При этом
нагрузочная прямая перемещается параллельно вправо по отношению к нагрузочной
прямой для номинального уровня U1ном.
При возрастании напряжения U1 катет прямоугольного треугольника
U2 остается постоянным,
изменяется падение напряжения ∆UКЭ1 = U1 - U2. Рабочая точка переходит из положения «1» в «2».
Рассмотрим принцип действия компенсационного стабилизатора
при изменении тока нагрузки.
При возрастании тока нагрузки возрастает потребляемый ток от
источника IК1, что приводит к увеличению падения напряжения на РЭ - ∆UКЭ1 и уменьшению напряжения
на нагрузке. Рабочая точка переходит из положения «1» в «2» и происходит
приоткрывание транзистора VT1 за счет увеличения тока базы. Напряжение на
нагрузке восстанавливается.
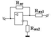
Способы повышения качества стабилизации в компенсационных
стабилизаторах непрерывного действия
Существуют следующие способы повышения качества стабилизации
в компенсационных стабилизаторах непрерывного действия:
. Увеличение коэффициента усиления по постоянному току за
счет использования в качестве УПТ вместо транзистора операционного усилителя.
При этом повышается коэффициент стабилизации за счет увеличения коэффициента
усиления, но снижается устойчивость системы с замкнутой ООС. Включение цепей
коррекции (интегро-дифференцирующих звеньев) исключает частотные изменения
коэффициента усиления и повышает устойчивость. На рисунке приведена схема
компенсационного стабилизатора с параллельным РЭ и операционным усилителем. При
возрастании напряжения U1 в первоначальный момент времени увеличивается
напряжение на нагрузке UН. Это приводит к увеличению напряжения обратной
связи и повышению положительного потенциала на базе транзистора VT1. Транзистор VT1 приоткрывается,
возрастает ток, потребляемый от источника U1, увеличивается падение
напряжения на балластном резисторе R1 и напряжение на нагрузке восстанавливается.
Для увеличения коэффициента усиления УПТ можно увеличить
сопротивление нагрузки R1 и, соответственно, напряжение питания и подавать его на
УПТ от отдельного внешнего источника с большим уровнем напряжения.
. Введение токостабилизирующего звена в
выходной цепи УПТ, при этом исключается влияние изменений входного напряжения
на выходной ток усилителя.

. Введение дополнительных источников эталонного напряжения,
которые устанавливаются в цепи эмиттера и базы транзисторного усилителя, при
этом повышается чувствительность стабилизатора.
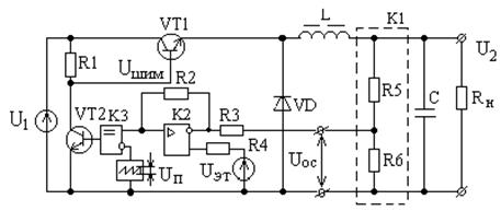
Функциональная
схема импульсного стабилизатора постоянного напряжения
Импульсный стабилизатор напряжения включает в себя РЭ (VT1), сглаживающий фильтр (LC), схему управления.
Силовой контур импульсного стабилизатора имеет три состояния.
При подаче управляющего импульса (UШИМ) на силовой транзисторный ключ VT1 происходит передача
напряжения источника питания U1 через открытый транзистор в нагрузку.
Накапливается реактивная энергия в дросселе сглаживающего фильтра L. При размыкании ключа
(на интервале паузы широтно - модулированного (ШИМ) сигнала) энергия дросселя
передается через обратный диод VD в нагрузку.
Если на интервале паузы ток дросселя спадает до нуля, то
возникает режим прерывистого тока дросселя, при котором конденсатор разряжается
в нагрузку. Схема управления включает в себя: делитель напряжения (R5, R6) с коэффициентом
деления K1
= R6/(R5+R6); усилитель сигнала
рассогласования с коэффициентом передачи K2 (Ue = UОС - UЭТ); компаратор напряжения K3, который формирует ШИМ
- сигнал. Он равен «1», если уровень пилообразного напряжения больше уровня
напряжения UОС. При возрастании входного напряжения U1 уменьшается площадь
между уровнем напряжения «пилы» и UОС, что приводит к уменьшению по длительности ШИМ -
сигнала. Среднее значение напряжения на выходе при этом уменьшается, т.е. U2 восстанавливается.
Коэффициент стабилизации компенсационного стабилизатора
напряжения
Компенсационный стабилизатор - это система автоматического
регулирования с ООС. Дестабилизирующими факторами для выходного напряжения
являются изменение тока нагрузки, температурный режим нелинейных элементов и
изменение напряжения на входе. На выходе схемы сравнения получаем сигнал
ошибки, как разность управляющего сигнала и эталонного напряжения. По сигналу
ошибки Ue изменяется состояние РЭ, за счет чего поддерживается постоянство
напряжения на выходе U2. Качество стабилизации компенсационного
стабилизатора определяется значением петлевого коэффициента усиления Кпет:
где К1 - коэффициент передачи делителя цепи обратной связи;
К2=β1× β2××× βn - коэффициент усиления
по току составного транзистора УПТ, если в качестве УПТ используется
операционный усилитель, то
Для компенсационных стабилизаторов напряжения непрерывного
действия -К3=β1× β2××× βn - коэффициент усиления
по току составного транзистора РЭ.
Для компенсационного стабилизатора напряжения импульсного
действия:
,
где Uпм - размах пилообразного напряжения генератора
пилы.
Выпрямители переменного напряжения
Выпрямители используются в блоках питания радиоэлектронных
устройств для преобразования переменного напряжения в постоянное. Схема любого
выпрямителя содержит 3 основных элемента:
· Силовой трансформатор -
устройство для понижения или повышения напряжения питающей сети и гальванической
развязки сети с аппаратурой.
· Выпрямительный элемент
(вентиль), имеющий одностороннюю проводимость - для преобразования переменного
напряжения в пульсирующее.
· Фильтр - для сглаживания
пульсирующего напряжения.
Выпрямители могут быть классифицированы по ряду признаков:
· По схеме выпрямления -
однополупериодные, двухполупериодные, мостовые, с удвоением (умножением)
напряжения, многофазные и др.
· По типу выпрямительного
элемента - ламповые (кенотронные), полупроводниковые, газотронные и др.
· По величине выпрямленного
напряжения - низкого напряжения и высокого.
· По назначению - для
питания анодных цепей, цепей экранирующих сеток, цепей управляющих сеток,
коллекторных цепей транзисторов, для зарядки аккумуляторов и др.
1.3 Основные характеристики выпрямителей
Основными характеристиками выпрямителей являются:
· Номинальное напряжение
постоянного тока - среднее значение выпрямленного напряжения, заданное
техническими требованиями. Обычно указывается напряжение до фильтра U0 и
напряжение после фильтра (или отдельных его звеньев - U. Определяется значением
напряжения, необходимым для питаемых выпрямителем устройств.
· Номинальный выпрямленный
ток I0 - среднее значение выпрямленного тока, т.е. его постоянная составляющая,
заданная техническими требованиями. Определяется результирующим током всех
цепей питаемых выпрямителем.
· Напряжение сети Uсети -
напряжение сети переменного тока, питающей выпрямитель. Стандартное значение
этого напряжения для бытовой сети -220 вольт с допускаемыми отклонениями не более
10%.
· Пульсация - переменная
составляющая напряжения или тока на выходе выпрямителя. Это качественный
показатель выпрямителя.
· Частота пульсаций -
частота наиболее резко выраженной гармонической составляющей напряжения или
тока на выходе выпрямителя. Для самой простой-однополупериодной схемы
выпрямителя частота пульсаций равна частоте питающей сети. Двухполупериодные,
мостовые схемы и схемы удвоения напряжения дают пульсации, частота которых
равна удвоенной частоте питающей сети. Многофазные схемы выпрямления имеют
частоту пульсаций, зависящую от схемы выпрямителя и числа фаз.
· Коэффициент пульсаций -
отношение амплитуды наиболее резко выраженной гармонической составляющей
напряжения или тока на выходе выпрямителя к среднему значению напряжения или
тока. Различают коэффициент пульсаций на входе фильтра (p0%) и коэффициент
пульсаций на выходе фильтра (p%). Допускаемые значения коэффициента пульсаций
на выходе фильтра определяются характером нагрузки.
· Коэффициент фильтрации
(коэффициент сглаживания) - отношение коэффициента пульсаций на входе фильтра к
коэффициенту пульсаций на выходе фильтра k с = p0 / p. Для многозвенных
фильтров коэффициент фильтрации равен произведению коэффициентов фильтрации
отдельных звеньев.
· Колебания
(нестабильность) напряжения на выходе выпрямителя - изменение напряжения
постоянного тока относительно номинального. При отсутствии стабилизаторов
напряжения определяются отклонениями напряжения сети.
Схемы выпрямителей
Выпрямители, применяемые для однофазной бытовой сети
выполняются по 4 основным схемам: однополупериодной, двухполупериодной с
нулевой точкой (или просто - двухполупериодной), двухполупериодной мостовой
(или просто - мостовой, реже называется как «схема Греца»), и схема удвоения
(умножения) напряжения (схема Латура). Для многофазных промышленных сетей
применяются две разновидности схем: Однополупериодная многофазная и схема
Ларионова. Чаще всего используются трехфазные схемы выпрямителей.
Основные показатели, характеризующие схемы выпрямителей могут
быть разбиты на 3 группы:
· Относящиеся ко всему
выпрямителю в целом: U0 - напряжение постоянного тока до фильтра, I0 - среднее
значение выпрямленного тока, p0 - коэффициент пульсаций на входе фильтра.
· Определяющие выбор
выпрямительного элемента (вентиля): Uобр - обратное напряжение (напряжение на
выпрямительном элементе (вентиле) в непроводящую часть периода), Iмакс -
максимальный ток проходящий через выпрямительный элемент (вентиль) в проводящую
часть периода.
· Определяющие выбор
трансформатора: U2 - действующее значение напряжения на вторичной обмотке
трансформатора, I2 - действующее значение тока во вторичной обмотке
трансформатора, Pтр - расчетная мощность трансформатора.
Основные характеристики различных схем выпрямления.
Сравнение схем выпрямления и ориентировочный расчет
выпрямителя можно сделать, используя данные из таблицы.
|
Тип схемы
|
Uобр
|
I макс
|
I 2
|
U 2
|
C 0 *
|
P0%
|
U C0
|
|
Однополупериодная
|
3 U0
|
7 I 0
|
2 I 0
|
0,75U0
|
60 I 0/U0
|
600 I0 ¯¯¯¯¯¯ U0 *C0
|
1,2U0
|
|
Двухполупериодная
|
3 U0
|
3,5 I 0
|
I 0
|
0,75U0
|
30 I 0/U0
|
300 I0
¯¯¯¯¯¯ U0 *C0
|
1,2U0
|
1,5 U0
|
3,5 I 0
|
1,41 I 0
|
0,75U0
|
30 I 0/U0
|
300 I0
¯¯¯¯¯¯ U0 *C0
|
1.2U0
|
|
Удвоения
напряжения
|
1,5 U0
|
7 I 0
|
2,8 I 0
|
0,38U0
|
125 I 0/U0
|
1250 I0
¯¯¯¯¯¯ U0 *C0
|
0,6U0
|
* Значение емкости конденсатора рассчитано для P0% = 10%
Задавшись значением напряжения на выходе выпрямителя U0 и
значением номинального тока в нагрузке (среднего значения выпрямленного тока) I
0, можно без труда определить напряжение вторичной обмотки трансформатора, ток
во вторичной обмотке, максимально допустимый ток вентилей, обратное напряжение
на вентилях, а также рабочее напряжение конденсатора фильтра. Задавшись
необходимым коэффициентом пульсаций, можно рассчитать значение емкости на
выходе выпрямителя.
Однополупериодный выпрямитель
Принципиальная схема и осциллограммы напряжения в различных
точках выпрямителя приведены на рисунке.- Напряжение на вторичной обмотке
трансформаторан - Напряжение на нагрузке.н0 - Напряжение на нагрузке при
отсутствии конденсатора.
Как видно на осциллограммах напряжение с вторичной обмотки
трансформатора проходит через вентиль на нагрузку только в положительные
полупериоды переменного напряжения. В отрицательные полупериоды вентиль закрыт,
и напряжение в нагрузку подается только с заряженного в предыдущий полупериод
конденсатора. При отсутствии конденсатора пульсации выпрямленного напряжения
довольно значительны.
Недостатками такой схемы выпрямления являются: Высокий
уровень пульсации выпрямленного напряжения, низкий КПД, значительно больший,
чем в других схемах, вес трансформатора и нерациональное использование в
трансформаторе меди и стали.
Данная схема выпрямителя применяется крайне редко и только в
тех случаях, когда выпрямитель используется для питания цепей с низким током
потребления.
Двухполупериодный выпрямитель с нулевой точкой
Принципиальная схема и осциллограммы напряжения в различных
точках выпрямителя приведены на рисунке.- Напряжение на одной половине
вторичной обмотки трансформаторан - Напряжение на нагрузке.н0 - Напряжение на
нагрузке при отсутствии конденсатора.
В этом выпрямителе используются два вентиля, имеющие общую
нагрузку и две одинаковые вторичные обмотки трансформатора (или одну со средней
точкой).
Практически схема представляет собой два однополупериодных
выпрямителя, имеющих два разных источника и общую нагрузку. В одном полупериоде
переменного напряжения ток в нагрузку проходит с одной половины вторичной
обмотки через один вентиль, в другом полупериоде - с другой половины обмотки,
через другой вентиль.
Преимущество: Эта схема выпрямителя имеет в 2 раза меньше
пульсации по сравнению с однополупериодной схемой выпрямления. Емкость
конденсатора при одинаковом с однополупериодной схемой коэффициенте пульсаций
может быть в 2 раза меньше.
Недостатки: Более сложная конструкция трансформатора и
нерациональное использование в трансформаторе меди и стали.
Мостовая схема выпрямителя
Принципиальная схема и осциллограммы напряжения в различных
точках выпрямителя приведены на рисунке.- Напряжение вторичной обмотки
трансформаторан - Напряжение на нагрузке.н0 - Напряжение на нагрузке при
отсутствии конденсатора.
Основная особенность данной схемы - использование одной
обмотки трансформатора при выпрямлении обоих полупериодов переменного
напряжения.
При выпрямлении положительного полупериода переменного
напряжения ток проходит по следующей цепи: Верхний вывод вторичной обмотки -
вентиль V2 - верхний вывод нагрузки - нагрузка - нижний вывод нагрузки -
вентиль V3 - нижний вывод вторичной обмотки - обмотка. При выпрямлении
отрицательного полупериода переменного напряжения ток проходит по следующей
цепи: Нижний вывод вторичной обмотки - вентиль V4 - верхний вывод нагрузки -
нагрузка - нижний вывод нагрузки - вентиль V1 - верхний вывод вторичной обмотки
- обмотка. Как мы видим, в обоих случаях направление тока через нагрузку
(выделено курсивом) одинаково.
Преимущества: По сравнению с однополупериодной схемой
мостовая схема имеет в 2 раза меньший уровень пульсаций, более высокий КПД,
более рациональное использование трансформатора и уменьшение его расчетной
мощности. По сравнению с двухполупериодной схемой мостовая имеет более простую
конструкцию трансформатора при таком же уровне пульсаций. Обратное напряжение
вентилей может быть значительно ниже, чем в первых двух схемах.
Недостатки: Увеличение числа вентилей и необходимость
шунтирования вентилей для выравнивания обратного напряжения на каждом из них.
Эта схема выпрямителя наиболее часто применяется в самых
различных устройствах. На основе этой схемы, при наличии среднего вывода с
вторичной обмотки трансформатора можно получить еще два варианта схем
выпрямления:
На левой схеме отвод от средины вторичной обмотки позволяет
получить еще одно напряжение, меньше основного в 2 раза. Таким образом,
основное напряжение получается с мостовой схемы выпрямления, дополнительное - с
двухполупериодной.
На правой схеме получается двуполярное напряжение амплитудой
в 2 раза меньше чем получаемое в основной схеме. Оба напряжения получаются с
помощью двуполупериодных схем выпрямления.
Схема удвоения напряжения
Принципиальная схема и осциллограммы напряжения в различных
точках выпрямителя приведены на рисунке.- Напряжение вторичной обмотки
трансформаторан - Напряжение на нагрузке.
Отличительной особенностью данной схемы является то, что в
одном полупериоде переменного напряжения от вторичной обмотки трансформатора
«заряжается» один конденсатор, а во втором полупериоде от той же обмотки -
другой. Поскольку конденсаторы включены последовательно, то результирующее
напряжение на обоих конденсаторах (на нагрузке) в два раза выше, чем можно
получить от той же вторичной обмотки в схеме с однополупериодным выпрямителем.
Преимущества: Вторичную обмотку трансформатора можно
расчитывать на значительно меньшее напряжение.
Недостатки: Значительные токи через вентили выпрямителя,
Уровень пульсаций значительно выше, чем в схемах двухполупериодных
выпрямителей.
Эта же схема может использоваться еще в двух вариантах:
Левая схема предназначена для получения двух напряжений
питания одной полярности, правая - для получения двуполярного напряжения с
общей точкой.
Во втором варианте схемы характеристики выпрямителя
соответствуют характеристикам однополупериодного выпрямителя.
Многофазные выпрямители
Многофазные выпрямители применяются, как правило, только в
промышленной и специальной аппаратуре.
Обычно в промышленной аппаратуре применяются трехфазные
выпрямители двух типов - трехфазный выпрямитель и выпрямитель Ларионова.
Трехфазный выпрямитель
Принципиальная схема и осциллограммы напряжения в различных
точках выпрямителя приведены на рисунке.
ФА, ФС, ФВ - напряжения на вторичных обмотках трехфазного
трансформатора.va Uvb Uvc напряжение, на нагрузке получаемое с соответствующего
вентиля.н - Суммарное напряжение на нагрузке.
Выпрямитель представляет собой однополупериодный выпрямитель
для каждой из трех фазных вторичных обмоток. Все три вентиля имеют общую
нагрузку.
Если рассмотреть осциллограммы напряжения на нагрузке при
отключенном конденсаторе для каждой из трех фаз, то можно заметить, что напряжение
на нагрузке имеет такой же уровень пульсаций, как и в схеме однополупериодного
выпрямления. Сдвиг фаз (т.е. сдвиг по времени) напряжений выпрямителей между
собой в результате даст в 3 раза меньший уровень пульсаций, чем в однофазной
однополупериодной схеме выпрямления.
Достоинства: Низкий уровень пульсаций выпрямленного
напряжения.
Недостатки: Так же как и в однофазной однополупериодной схеме
выпрямления, низкий КПД, нерациональное использование трансформатора. Данный
выпрямитель неприменим для обычной однофазной сети.
Схема Ларионова
Принципиальная схема и осциллограммы напряжения в различных
точках выпрямителя приведены на рисунке.
Этот выпрямитель представляет собой мостовые выпрямители для
каждой пары трехфазных обмоток, работающие на общую нагрузку. Соединяя в себе
достоинства мостового выпрямителя и трехфазного питания, он имеет настолько
низкий уровень пульсаций, что позволяет работать почти без сглаживающего
конденсатора или с небольшой его емкостью.
Недостатки: Увеличенное количество вентилей. Выпрямитель
также не может быть применен для работы в однофазной бытовой сети.
Выпрямители для безтрансформаторного питания аппаратуры
Безтрансформаторные выпрямители являются простейшими
неавтономными источниками постоянного тока. Они применяются при напряжениях
близких к напряжению сети или превышающих его в 1,5 - 2,5 раза и токах до
нескольких десятков миллиампер.
Ограниченное применение безтрансформаторных выпрямителей
объясняется в первую очередь требованиями техники безопасности, так как оба
полюса выпрямленного напряжения гальванически связаны с сетью. Второй
недостаток таких выпрямителей - отсутствие гибкости при выборе выпрямленного
напряжения. Для радиоаппаратуры можно использовать в качестве
безтрансформаторных выпрямители: Однополупериодный, мостовой, удвоения
напряжения. Основные характеристики такие же как и в случае с трансформаторным
питанием. Сетевое напряжение подключают к точкам подключения вторичных обмоток
трансформаторов (вместо трансформатора).
Для питания малогабаритной портативной аппаратуры с токами до
15-20 миллиампер можно применять однополупериодные или мостовые схемы с
гасящими конденсаторами.
В этой схеме конденсатор Сгас выполняет роль «безваттного»
реактивного сопротивления, образующий с активным сопротивлением нагрузки
своеобразный делитель напряжения.
Реактивное сопротивление гасящего конденсатора указано в
формуле.
Данная схема может найти применение для заряда малогабаритных
аккумуляторов радиоприемников, радиостанций и радиотелефонов.
При конструировании и эксплуатации выпрямителя также
необходимо соблюдать осторожность!
2. Проектная часть
.1 Микросхема К155ЛА3
Сборка схемы RS-триггера выполняется на элементах мс К155ЛА3.
Микросхема представляет собой четыре логических элемента 2И-НЕ. Корпус К155ЛА3
типа 201.14-1, масса не более 1 г.
Электрические параметры
|
1
|
Номинальное
напряжение питания
|
5 В 5%
|
|
2
|
Выходное
напряжение низкого уровня
|
не более 0,4 В
|
|
3
|
Выходное
напряжение высокого уровня
|
не менее 2,4 В
|
|
4
|
Напряжение на
антизвонном диоде
|
не менее -1,5 В
|
|
5
|
Входной ток
низкого уровня
|
не более -1,6
мА
|
|
6
|
Входной ток
высокого уровня
|
не более 0,04
мА
|
|
7
|
Входной
пробивной ток
|
не более 1 мА
|
|
8
|
Ток короткого
замыкания
|
-18… - 55 мА
|
|
9
|
Ток потребления
при низком уровне выходного напряжения
|
не более 22 мА
|
|
10
|
Ток потребления
при высоком уровне выходного напряжения
|
не более 8 мА
|
|
11
|
Потребляемая
статическая мощность на один логический элемент
|
не более 19,7
мВт
|
|
12
|
Время задержки
распространения при включении
|
не более 15 нс
|
|
13
|
Время задержки
распространения при выключении
|
не более 22 нс
|
Зарубежные аналогиN, SN7400J
2.2 Сборка RS-триггера
Триггер - устройство способное длительно находиться в одном
из двух устойчивых состояний и чередовать их под воздействием внешних сигналов.
В этой схеме его состояние меняется при нажатии кнопок KN1 и KN2. Само
состояние триггера определяется по состоянию светодиода VD1.
При нажатии на кнопку KN1 (вход R) светодиод выключается
(сброс - Reset).
При нажатии на кнопку KN2 (вход S) светодиода включается
(установка - Setting).
Основная функция триггера - запоминать двоичную информацию.
Под памятью триггера подразумевают способность оставаться в одном из двух
состояний и после прекращения действия сигналов (нажатия на кнопки). Приняв
одно из состояний за 1 (логическую единицу), а другое за 0 (логический ноль),
можно считать, что триггер хранит (помнит) один разряд числа, записанного в
двоичном коде.
При изготовлении триггеров преимущественно используются
транзисторы. В настоящее время триггеры используются в вычислительной технике
для организации компонентов вычислительных систем: регистров, счётчиков,
процессоров, ОЗУ.
Так как в программе Multisim отсутствуют российские микросхемы, я
построил принципиальную схему на основе зарубежных аналогов. Ее вид:
Заключение
В данной работе были рассмотрены методы и расчеты применения
однофазных выпрямителей малой мощности для питания электронных устройств,
принципы их построения, действия, а также их использование в электронных
устройствах.
Так же было произведено построение RS - триггера с
использованием
мс К155ЛА3 (логика 2И-НЕ) на макетной плате и в программе MultiSim.
Список используемых источников
1. Наука и техник [Электронный ресурс] /
Двухфазный выпрямитель - Режим доступа: http://nanoalert.ru/content/view/501/36
свободный - Загл. с экрана.
. http://thebard.narod.ru/ [Электронный
ресурс] / Компенсационные стабилизаторы напряжения - Режим доступа:
http://thebard.narod.ru/EPUS/lect/6-2.htm свободный - Загл. с экрана.
. Научная библиотека избранных
естественно-научных изданий научная-библиотека. рф [Электронный ресурс] /
Электронные устройства автоматики - Режим доступа:
http://alnam.ru/book_eua.php? id=53 свободный - Загл. с экрана.
. http://www.cqham.ru/ [Электронный ресурс] /
Выпрямители переменного напряжения - Режим доступа:
http://www.cqham.ru/pow2_15.htm свободный - Загл. с экрана.
. http://www.energoboard.ru/ [Электронный ресурс]
/ Классификация полупроводниковых выпрямителей - Режим доступа:
http://www.energoboard.ru/articles/1950-klassifikatsiya-poluprovodnikovih-vipryamiteley.html
свободный - Загл. с экрана.