Расчет характеристик питания нагрузок в сети электроснабжения железных дорог
Содержание
Задание на курсовой проект
Исходные данные
. Расчет коэффициента
несинусоидальности
.1 Вентильные преобразователи
.2 Дуговые сталеплавильные печи
. Расчет коэффициента несимметрии
. Влияние качества электроэнергии на
работу электроприемников
.1 Расчет дополнительных потерь при
несинусоидальности напряжения
.2 Влияние несимметрии напряжения
.3 Расчет снижения срока службы
электрооборудования при несинусоидальности и несимметрии напряжения
Список используемой литературы
Задание на курсовой проект
Курсовая работа по дисциплине «Электромагнитная
совместимость и средства защиты» - это комплексная самостоятельная работа
обучающегося. Темой курсовой работы является «Расчет характеристик питания
нагрузок в сети электроснабжения железных дорог».
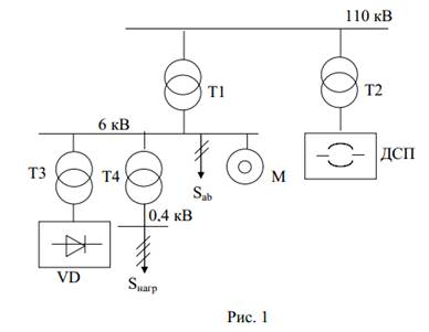
Для заданной схемы (рис. 1) рассчитать
коэффициенты n-ой гармонической составляющей напряжения, коэффициент
несинусоидальности на шинах 110 и 6 кВ, дополнительные потери мощности и
снижение срока службы трансформатора собственных нужд Т4 и асинхронного двигателя
М из-за перегрева токами высших гармоник и несимметрии напряжения. Нормальный
срок службы принять 20 лет.
Исходные данные:
Рабочая температура 75ºС.
С: Sкз,110 = 1600; Sкз,6=170 МВА; Sкз,0,4=3 МВА
Т2: SТ2=50 МВА; Uном=110 кВ
Т3: SТ3=10 МВА; Uном=6 кВ; uк,%=10,5%
Т4: SТ4=1 МВА; Uном=6 кВ; uк,%=5,5%; ∆Ркз=10,5
кВт; ∆Рхх=1,9 кВт
М: РМ = 280; cos φ=0,9; Км=1,2;
К1=5,1: Sпр=8 МВА; cos φ=0,8; m=6
Н: Sнагр=2 МВА; Sab=4 МВА
. Расчет коэффициента
несинусоидальности
.1 Вентильные преобразователи
Самой распространенной схемой выпрямления для
мощных преобразователей является трехфазная мостовая схема (схема Ларионова),
представленная на рис. 2а. Эта схема выпрямления позволяет осуществить так
называемую шестифазную или шестиимпульсную схему выпрямления. Соединение
последовательно или параллельно двух или нескольких выпрямительных мостов при
питании их напряжением, сдвинутым на соответствующий угол, позволяет получить
12, 18, 24, 36, 48...-фазные схемы выпрямления (кратные шести). Сдвиг угла
напряжения осуществляется применением соответствующих схем соединения первичных
или вторичных обмоток трансформатора: Υ - звезда,
Δ-
треугольник,
Z - зигзаг, которые позволяют осуществить практически схемы любой фазности
(импульсности) выпрямления.
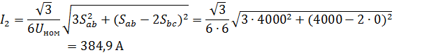
Рис. 2 Схемы полупроводниковых
преобразовательных агрегатов: а - агрегат до 6300 А шестифазного режима
выпрямления (трехлинейная схема); б - однолинейная схема; в - трехлинейная
схема агрегата 12500 А двенадцати- фазного режима выпрямления; г - однолинейная
схема; д - однолинейная схема агрегата 25 000 А и его коммутационная аппаратура
Первичным является появление в питающей сети
коммутационных искажений напряжения, а гармонический анализ их позволяет выявить
наличие высших гармоник напряжения. Порядок высших гармоник определяется
формулой n = тk ± 1, где т - число фаз выпрямления; k=0, 1, 2, 3... -
последовательный ряд натуральных чисел.
Для шестифазной системы напряжения в кривой
питающего напряжения имеются высшие гармоники следующего порядка, называемые
каноническими: n=5, 7, 11, 13, 17, 19, 23...; для 12-фазной схемы n=11, 13, 23,
25, 35, 37...; для 24-фазной схемы n=23, 25, 47, 49, 71, 73 и т. д.
Методика расчета коэффициента несинусоидальности
напряжения kU основывается на вычислении в любой точке питающей сети
действующих значений коммутационных искажений напряжения, что равносильно учету
всех высших гармоник. Следовательно, для определения kU при работе вентильных
преобразователей нет необходимости определять уровни отдельных гармоник. При
этом удается избежать ошибки, возникающей при учете только определенного числа
высших гармоник.
Методика позволяет вычислять kU
в любой точке питающей сети, используя параметры, полученные при вычислении
токов КЗ, и основывается на следующих допущениях: проводимости элементов
питающей сети считаются неемкостными. При этом допущении ошибка в расчете не
превышает 10-15%. Предполагается, что в узлах сети, расположенных в
непосредственной близости от вентильных преобразователей, отсутствуют
конденсаторные батареи и, предназначенные для компенсации реактивной мощности;
не учитываются анормальные гармоники.
Коэффициент несинусоидальности напряжения
питающей сети определяется по формуле [2]:
∙100 (1)
Общий коэффициент несинусоидальности питающей
сети при работе вентильных преобразователей может быть определен по формуле
[2]:
(2)
где
-
эквивалентное сопротивление системы в относительных единицах, приведенное к
мощности преобразователя Snp, т. е. сопротивление от условной точки сети
бесконечной мощности до точки сети, в которой определяется kU;
З - мощность КЗ в точке, в которой определяется kU;
хпр - индуктивное сопротивление цепи
преобразователя в относительных единицах, приведенное к Snp, т. е.
сопротивление от точки возникновения коммутационных КЗ до точки, в которой
определяется kU.
Формула (3) справедлива для преобразователей с
любой последовательностью чередования фаз.
Кроме коэффициента несинусоидальности ГОСТ
нормирует коэффициенты n-ой гармонической составляющей. Согласно [4] :
(3)
При определении kU особое внимание следует
обращать на хпр. Чаще всего требуется определять kU на шинах питания мощных
тиристорных преобразователей. Под преобразователем подразумеваются
выпрямительный мост (или их группа) и питающий понижающий трансформатор.
В этом случае хпр равно сопротивлению
преобразовательного трансформатора и определяется по формуле [2]:
(4)
где Sном,Т - номинальная мощность
преобразовательного трансформатора; коэффициент расщепления обмоток этого
трансформатора; к% - сквозное напряжение КЗ трансформатора, приведенное к
полной номинальной мощности трансформатора.
Для двухобмоточных трансформаторов, применяемых
в шестифазных (трехфазных мостовых) схемах выпрямления, kp=0, трехобмоточных
трансформаторов, применяемых в преобразователях, выполненных по
двенадцатифазной схеме, в общем виде
где uК(НН1-НН2) - напряжение КЗ между вторичными
обмотками трансформатора.
В общем случае для трансформаторов с
расщепленными обмотками kр=0÷4, если
ветви низшего напряжения трансформатора имеют хорошую электромагнитную связь
друг с другом, kр=0; если обмотки НН не имеют магнитной связи друг с другом или
преобразователь выполнен по схеме с двумя трансформаторами, имеющими разные
схемы соединения, то kр=4.
Действующее значение высшей гармоники напряжения
в любой точке питающей сети при работе преобразователя с любой
последовательностью чередования фаз выпрямления может быть определено по
формуле [2]:
(5)
где
-
угол коммутации, рад.
Действующее значение тока любой гармоники в цепи
преобразователя определяется из выражения [2]:
(6)
При работе группы вентильных преобразователей
порядок расчета kU следующий. По приведенным формулам определяются уровни
высших гармоник напряжения для каждого преобразователя.
Одинаковые гармоники напряжения всех преобразователей
геометрически суммируются
. Затем
определяется коэффициент несинусоидальности:
Особое внимание необходимо обращать на
количество учитываемых гармоник, чтобы избежать ошибки в вычислении kU. Чем
больше количество преобразователей и фаз выпрямления, тем большее количество
гармоник необходимо учитывать. Предлагается следующая эмпирическая формула:
p=nmax=4qm+l, (7)
где nmax-наибольшая гармоника; - число
работающих преобразователей; - число фаз выпрямления.
Расчет №1.
Для вентильного выпрямителя рассчитаем коэффициенты n-ой гармонической
составляющей напряжения и коэффициент несинусоидальности на шинах 6 кВ.
Исходные данные:
С: Sкз,6=170 МВА
Т3: SТ3=10 МВА; Uном=6 кВ; uк,%=10,5%: Sпр=10
МВА; cos
φ=0,8; m=6
М: РМ=280 кВт; cos φ=0,9;
Км=1,2;
К1=5,1
Считаем сопротивление преобразователя по формуле
(4):
=
где kр - коэффициент расщепления обмоток (для
двухобмоточного трансформатора равен 0).
Коэффициент несинусоидальности по упрощенной
формуле (2):
=16,56%
Согласно [1] допустимый коэффициент
несинусоидальности для напряжения 6 кВ составляет 5%. Так как расчетный
коэффициент больше допустимого, необходима установка фильтрующих устройств.
Согласно [2] для вентильных преобразователей
необходимо учитывать в расчетах только 5, 7, 11, 13 гармоники.
Угол коммутации в радианах:
где m - число фаз преобразователя.
Напряжения высших гармоник и коэффициенты n-ной
гармонической составляющей по (5) и (3)
1.2 Дуговые сталеплавильные печи
Искажения питающего тока и напряжения при работе
дуговых сталеплавильных печей возникают за счет нелинейной характеристики дуги
и за счет нелинейной характеристики печного трансформатора, работающего при
повышенных значениях магнитной индукции. Уровень высших гармоник тока при
работе дуговых сталеплавильных печей сравнительно невелик, особенно по
сравнению с высшими гармониками, генерируемыми вентильными преобразователями.
Однако с ними следует считаться, так как мощность дуговых печей постоянно
растет.
На основании экспериментальных исследований [2]
получено соотношение для определения максимальных значений уровней отдельных
гармоник тока при работе дуговых печей.
(8)
где Iт
- ток печного трансформатора в расчетном режиме (для расчета максимальных
значений гармоник надо брать в расчет номинальный ток печного трансформатора); n=2,
3, 4, 5...- номер соответствующей гармоники. Из соотношения видно, что
достаточно в расчетах учитывать только до 7-й гармоники, так как остальные
гармоники малы.
Для группы одинаковых дуговых сталеплавильных
печей
(9)
где N - число печей, одновременно работающих в
режиме расплавления.
Для группы печей разной мощности
(10)
где Sn,Ti - мощность i-го печного
трансформатора; Sn,Tmax - наибольшая мощность трансформатора в группе дуговых
печей; In,max - ток n-oй гармоники печного трансформатора наибольшей мощности;
N -общее число работающих печей.
Для определения kU в соответствующей точке сети
необходимо определить уровни напряжения отдельных гармоник, генерируемых ДСП.
Фазное напряжение гармоники в расчетной точке питающей сети находится из
выражения
(11)
где In -действующее значение фазного тока n-oй
гармоники; n -порядковый номер гармоники; Uном - номинальное линейное
напряжение в расчетной точке; SК - мощность КЗ в расчетной точке.
Общий коэффициент несинусоидальности в расчетной
точке при работе дуговых сталеплавильных печей, %
(12)
где Uном - номинальное напряжение основной
частоты в расчетной точке
Расчет №2.
Для дуговой сталеплавильной печи рассчитать коэффициенты n-ой гармонической
составляющей напряжения и коэффициент несинусоидальности на шинах 110 кВ.
Исходные данные:
С: Sкз,110 = 1600
Т2: SТ2=50 МВА; Uном=110 кВ
Считаем номинальный ток печного трансформатора
Согласно [2] в практических расчетах для дуговых
сталеплавильных печей учитываются гармоники со 2-ой по 7-ю.
Токи, напряжения высших гармоник и коэффициенты
n-ой гармонической составляющей напряжения рассчитываем по формулам (8), (11) и
(3), где n -номер гармоники
Коэффициент несинусоидальности напряжения на
шинах 110 кВ
Согласно [1] допустимый коэффициент
несинусоидальности для напряжения 110 кВ составляет 2%. Так как расчетный
коэффициент превышает допустимый, требуется установка фильтрующих устройств на
шины 110 кВ.
несинусоидальность несимметрия
напряжение электрооборудование
При расчете напряжения обратной
последовательности и коэффициента несимметрии однофазные нагрузки учитываются
введением в схему замещения задающих токов обратной последовательности.
Модуль тока обратной последовательности,
потребляемого однофазными нагрузками [4]
(13)
где Sab и Sbc - однофазная нагрузка
соответственно между фазами ab и bc.
Схема замещения сети для нахождения напряжения обратной
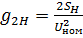
последовательности U2 приведена на рис.2.1 [4]
Рис. 3/ Схема замещения сети для определения
напряжения обратной последовательности. На схеме обозначено: I2 - ток обратной
последовательности несимметричной нагрузки; b2к и b2б - проводимости короткого
замыкания сети мощностью SК и трехфазной батареи конденсаторов Qб (если
последняя имеется); b2н и g2н - проводимость остальной нагрузки подстанции,
рассматриваемой в качестве обобщенной; в относительных единицах
Выражения для активных и реактивных
проводимостей имеют вид
;
;
;
Модуль полного сопротивления обратной
последовательности z2Σ сети после
выполнения несложных преобразований представляется выражением [4]
(14)
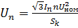
Напряжение обратной последовательности
(15)
Коэффициент несимметрии
(16)
Расчет №3.
Для схемы определим коэффициент несимметрии при подключении однофазной печи к
фазам а и b.
Исходные данные:
С: Sкз,6=170 МВА
Т4: SТ4=1 МВА; Uном=6 кВ; uк,%=5,5%; ∆Ркз=10,5
кВт; ∆Рхх=1,9 кВт: Sпр=8 МВА; cos φ=0,8; m=6
М: РМ = 280; cos φ=0,9
Н: Sнагр=2 МВА; Sab=4 МВА
Ток обратной последовательности находим по
формуле (13)
где Sab и Sbc - однофазная нагрузка
соответственно между фазами ab и bc, кВА.
Суммарная нагрузка на шинах 6 кВ с учетом
вентильного выпрямителя
Sн = Sпр + Sнагр + Sм = 8 + 2 +0,28/0,9 = 10,31
МВА
где Sпр - мощность вентильного преобразователя,
МВА; Sнагр - мощность нагрузки, МВА; Sм - мощность двигателя, МВА.
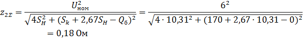
Модуль сопротивления обратной последовательности
по (14)
где Sкз,6 - мощность короткого замыкания системы
на шинах 6 кВ, МВА; Qб -мощность конденсаторной батареи (в данном случае не
установлена, принимаем равной 0), Мвар.
Напряжение обратной последовательности по (15)
384,9∙0,18 =
119,99 В
Коэффициент несимметрии по (16)
Для напряжения 6 кВ допустимый коэффициент
несимметрии согласно [1] составляет 2%. Так как расчетный коэффициент
несимметрии не превышает допустимый, то установка симметрирующих устройств не
нужна.
. Влияние качества электроэнергии на
работу электроприемников
3.1 Расчет дополнительных потерь при
несинусоидальности напряжения
Несинусоидальность напряжения влияет на все виды
электроприемников. Вызвано это не только тепловым дополнительным нагревом ЭП от
высших гармоник (ВГ) тока, но и тем, что ВГ образуют составляющие прямой
последовательности 1 , 4 , 7 и т.д.), обратной последовательности (2, 5, 8 и
т.д.) и нулевой последовательности (гармоники кратные трем). В частности, токи
нулевой последовательности создают дополнительное подмагничивание стали в
электрических машинах, что приводит к ухудшению характеристик этих ЭП и
дополнительному нагреву сердечников (статоры АД, магнитопроводы
трансформаторов).
Обычно ВГ напряжения, суммируясь с основной
гармоникой, способствуют повышению действующего значения напряжения на зажимах
ЭП.
Высшие гармоники напряжения и тока
неблагоприятно влияют на электрооборудование, системы автоматики, релейной
защиты, телемеханики и связи: появляются дополнительные потери в электрических
машинах, трансформаторах и сетях, ухудшаются условия работы батарей
конденсаторов (БК), сокращается срок службы изоляции электрических машин и
аппаратов, возрастает аварийность в кабельных сетях, ухудшается качество
работы, а иногда появляются сбои в работе систем релейной защиты, автоматики,
телемеханики и связи.
Высшие гармоники напряжения и тока влияют также
на значения коэффициента мощности, вращающего момента электродвигателей. Однако
снижение этих характеристик, даже при коэффициенте искажения формы кривой
напряжения 10-15 %, оказывается весьма небольшим. Уровень дополнительных
активных потерь от ВГ в основных сетях электрических систем составляет
несколько процентов от потерь при синусоидальном напряжении. В сетях
предприятий, крупных промышленных центров, а также сетях17 электрифицированного
железнодорожного транспорта эти потери могут достигать 10-15 %.
Во многих случаях в электрических сетях
различных напряжений с источниками гармоник КБ, по существу, не работают: они
или отключаются вследствие перегрузки по току, или в короткий срок выходят из
строя в результате вспучивания, а иногда и разрушения. В условиях промышленных
предприятий батареи конденсаторов способствуют созданию условий резонанса токов
(или близких к этому режиму) на частоте какой-либо из гармоник, что приводит к
опасной перегрузке их по току. В тяговых и промышленных электросетях с
преобразователями такие перегрузки зафиксированы при резонансе на гармониках
40-50-го порядка, в сетях с электродуговыми печами и сварочными установками -
на гармониках 3-7-го порядка.
Особенно чувствительны к появлению ВГ
конденсаторные батареи и кабели. В конденсаторах потери пропорциональны
частоте. ВГ приводят к дополнительному нагреву конденсаторов и быстрому выходу
их из строя. Ограничение по дополнительному нагреву КБ заданы допустимым
увеличением действующего на его зажимах напряжения до 10 % от Uном и
действующего значения тока до 30% от Iном.
Кроме того, увеличение kU приводит к старению
изоляции, качество которой характеризуется tgδ . Работа
КБ с kU=5% в течение двух лет приводит к увеличению tgδ
в
2 раза.
Аналогично восприимчивы к ВГ и кабели, качество
диэлектрика которых характеризуется током утечки. При kU=6,85% за 2,5 года ток
утечки возрастает на 36 %, а через 3,5 года - на 43 %.
При несинусоидальном напряжении наблюдается
ускоренное старение изоляции электрических машин, трансформаторов,
конденсаторов и кабелей в результате необратимых физико-химических процессов,
протекающих под воздействием полей, создаваемых ВГ тока, а также повышенного
нагрева токоведущих частей.
Для оценки дополнительных потерь мощности,
обусловленных ВГ тока могут быть использованы следующие формулы [3]:
для асинхронных двигателей:
(17)
где ΔРм,ном
- потери в меди статора при номинальном токе основной частоты; KI - кратность
пускового тока при номинальном напряжении основной частоты; =Un/Uном -
относительное напряжение n-й гармоники.
для синхронных машин:
(18)
где r2, x2 - активное и реактивное сопротивление
обратной последовательности статора СМ; rСТ - активное сопротивление статора;
RX коэффициент, равный 0,71 для явнополюсных машин и 0,88 - для неявнополюсных.
В статоре СМ:
(19)
где
-
коэффициент, учитывающий потери в меди обмотки от тока основной частоты, а
также глубину проникновения тока в проводник;
для силовых трансформаторов:
(20)
где ΔPxx,
ΔPКЗ,uk
- параметры трансформатора.
для силовых косинусных конденсаторов:
(21)
где tgδ - тангенс
угла диэлектрических потерь конденсатора; Un - действующее значение напряжения
n-й ВГ;
для линий электропередачи:
3.2 Влияние несимметрии напряжения
При несимметрии в трехфазных сетях появляются
дополнительные потери в элементах электросетей, сокращается срок службы ламп и
электрооборудования и снижаются экономические показатели его работы.
Ток I2 обратной последовательности [4]
(22)
где Sab и Sbc - однофазная нагрузка соответственно
между фазами ab и bc.
Этот ток создает вращающееся магнитное поле
обратной последовательности, индуцируя в цепях роторов ЭДС и токи двойной
частоты, что приводит к дополнительному нагреву машины.
В АД при коэффициентах обратной
последовательности напряжения, встречающихся на практике (К2U 0,05-0,06),
снижение вращающего момента оказывается пренебрежимо малым. Влияние несимметрии
на потери в электродвигателе и, следовательно, нагрев и сокращение срока службы
изоляции его проявляются в большей мере. В целом срок службы АД при К2u- 2-4 %
сокращается на 11 % [3].
При работе электродвигателя с номинальным
вращающимся моментом и коэффициентом несимметрии напряжений К2U = 4 %, срок
службы его сокращается примерно в 2 раза только за счет дополнительного нагрева.
Если напряжение на одной из фаз будет значительно превышать номинальное
значение, сокращение срока службы изоляции будет еще больше. Для обеспечения
нормальных условий работы электродвигателей в этом случае необходимо снижать
располагаемую мощность их, а при проектировании - увеличивать номинальную
мощность электродвигателей, если не предусматриваются специальные мероприятия
по симметрированию напряжений сети. Эти обстоятельства возникают, например, при
проектировании электрифицированного железнодорожного транспорта, на
горнообогатительных и некоторых других промышленных предприятиях.
Для расчета дополнительных потерь, вызванных
несимметрией напряжения на вводах АД может быть использовано следующее
выражение [4]:
(23)
где АРм1ном - потери в меди статора при
номинальном токе основной частоты; КI - кратность пускового тока при
номинальном напряжении основной частоты; εU - коэффициент
несимметрии напряжения в отн. ед.
При несимметрии напряжений в синхронных машинах
(СМ) наряду с возникновением дополнительных потерь и нагревом статора и ротора
могут возникать опасные вибрации в результате появления знакопеременных
вращающих моментов и тангенциальных сил, пульсирующих с двойной частотой сети.
При значительной несимметрии вибрация может
оказаться опасной, в особенности при недостаточной прочности или наличии
дефектов сварных соединений. При несимметрии токов, не превышающей 30 % опасные
перенапряжения в элементах конструкций, как правило, не возникают. Снижение
срока службы СД при К2и = 2 - 4 % составляет 16 % [3].
Дополнительные потери мощности в СМ при
несимметричной нагрузке вызывают появление местных (локальных) нагревов обмотки
возбуждения, что приводит к необходимости снижать ток возбуждения и тем самым
уменьшать значение реактивной мощности, выдаваемой в сеть. При этом может
возникнуть необходимость снизить активную нагрузку генератора или момент на
валу синхронного двигателя. Дополнительные потери в статоре СМ значительно
меньше аналогичных потерь в обмотке ротора, поэтому ими обычно20 пренебрегают
(24)
где ΔРДном
= 3I2НОМr2P
- дополнительные потери в СМ при токе обратной последовательности, равном
номинальному; r2P - активное сопротивление обратной последовательности обмотки ротора;
Z2CM -полное сопротивление обратной последовательности СМ.
Несимметрия напряжений не оказывает заметного
влияния на работу воздушных и кабельных линий, в то же время нагрев
трансформаторов и, следовательно, сокращение срока их службы могут оказаться
существенными. В случае несимметрии токов трансформатора нагрев масла будет
несколько меньше, чем в случае симметричной нагрузки при токе фаз, равном току
наиболее загруженной фазы. Это объясняется более интенсивным охлаждением
обмотки этой фазы. Такие условия имеют место в сетях 6-10-35 кВ промышленных
предприятий, работающих с изолированной или компенсированной нейтралью. Расчеты
показывают, что при номинальной нагрузке трансформатора и коэффициенте
несимметрии токов равном 10 % срок службы изоляции трансформатора сокращается
на 16%.
Дополнительные потери в силовых трансформаторах
можно оценить по формуле
(25)
где ΔРХХ,
ΔР
кз, uK - расчетные данные трансформатора.
Срок службы трансформаторов при К = 2-4 %
сокращается на 4 %[3].
При несимметрии линейных напряжений реактивная
мощность, генерируемая батареей конденсаторов, изменяется по сравнению с
номинальным значением Q НОМ на величину
(26)
где U1 - линейное напряжение прямой
последовательности; Uном - номинальное напряжение батареи конденсаторов.
При К2U = 0,05-0,06 значение ΔQ
= (0,01-0,04)QНОМ . Поскольку на практике напряжение U1 может быть больше или
меньше напряжения UHOM, то возможно как увеличение, так и уменьшение
генерируемой реактивной мощности. В последнем случае в наиболее загруженной
фазе значения тепловых потерь могут значительно превосходить номинальное
значение, создавая местный перегрев изоляции, приводящий к сокращению срока ее
службы на 20 % [3]
(27)
где Qном - номинальная мощность конденсаторной
батареи (КБ); tg - тангенс угла диэлектрических потерь; εU
- относительное
значение коэффициента несимметрии.
Несимметрии напряжений и токов отрицательно
влияет на работу руднотермических печей, вызывая снижение их
производительности, увеличение расхода электроэнергии и, тем самым, уменьшение
КПД печи. Ухудшение основных показателей работы рудно-термических печей после
некоторых граничных значений несимметрии, когда наблюдается резкое падение
производительности и КПД печи при резком возрастании расхода электроэнергии.
Последнее объясняется возникновением зон активного и пассивного хода реакции и,
тем самым, неравномерностью распределения энергии по объему ванны печи.
Увеличение напряжения обратной последовательности на 20 % приводит к снижению
производительности рудно-термических печей на 30-40 % [3].
При появлении в 3-фазной сети 380 В напряжения
нулевой последовательности ухудшаются режимы однофазных ЭП. Токи нулевой
последовательности постоянно протекают через заземлители и значительно
высушивают грунт, увеличивая сопротивление заземляющих устройств. Это может
быть недопустимо для работы релейной защиты, из-за усиления воздействия токов
нулевой последовательности на низкочастотные установки связи, устройства
железнодорожных блокировок. При появлении токов обратной и нулевой
последовательности увеличиваются суммарные токи в отдельных фазах сети.
3.3 Расчет снижения срока службы
электрооборудования при несинусоидальности и несимметрии напряжения
При работе электрооборудования в номинальном
режиме дополнительные потери от токов высших гармоник и несимметрии напряжения
приводят к перегреву токоведущих частей выше допустимой температуры. К
повышению температуры весьма чувствительна изоляция обмоток, срок службы
которой снижается.
Согласно [4] прирост температуры от токов высших
гармоник и токов обратной последовательности
(28)
где τнорм
- рабочая температура электрооборудования без воздействия токов высших гармоник
и токов обратной последовательности, ºС,
ΔРn
и ΔРнс
- дополнительные потери соответственно от токов высших гармоник и несимметрии
напряжения.
Коэффициент снижения срока службы
электрооборудования под воздействием токов высших гармоник и несимметрии
напряжения [4]
(29)
Снижение срока службы электрооборудования под
воздействием токов высших гармоник и токов обратной последовательности [4]
(30)
где tнорм - нормальный срок службы оборудования,
лет.
Расчет №4.
Для схемы рассчитать дополнительные потери от токов высших гармоник и
несимметрии напряжения в асинхронном двигателе и цеховом трансформаторе Т4, а
также снижение срока службы из-за перегрева токами высших гармоник и токами
обратной последовательности. Нормальный срок службы принять 20 лет. Рабочая
температура 75ºС.
Исходные данные:
С: Sкз,6=170 МВА
Т4: SТ4=1 МВА; Uном=6 кВ; uк,%=5,5%; ∆Ркз=10,5
кВт; ∆Рхх=1,9 кВт: Sпр=8 МВА; cos φ=0,8; m=6
М: РМ = 280; cos φ=0,9; Км=1,2;
К1=5,1
Н: Sнагр=2 МВА; Sab=4 МВА
а) Считаем дополнительные потери и
снижение срока службы для асинхронного двигателя.
Номинальный ток двигателя
=0,03 кА
Активное сопротивление обмотки статора
=
Номинальные потери мощности
Дополнительные потери от токов высших гармоник
считаем по формуле (17)
Значения kU(n) выбираем из расчета №1
0,426 кВт
Дополнительные потери от токов обратной
последовательности при несимметрии напряжения считаем по (23)
где εU - коэффициент
несимметрии напряжения на шинах 6 кВ из расчета №3, о.е
Прирост температуры от токов высших гармоник и
токов обратной последовательности по (28)
=4,090С
где τнорм
- рабочая температура двигателя без воздействия токов высших гармоник и токов
обратной последовательности, ºС.
Коэффициент снижения срока службы двигателя под
воздействием токов высших гармоник и токов обратной последовательности по (29)
Снижение срока службы двигателя под воздействием
токов высших гармоник и токов обратной последовательности по (30)
б) Считаем дополнительные потери и
снижение срока службы для цехового трансформатора Т4.
Номинальный ток трансформатора
= 0,096 кА
Активное сопротивление трансформатора

Номинальные потери мощности
где ΔРхх
- потери мощности холостого хода трансформатора, кВт.
Дополнительные потери от токов высших гармоник
по (20). Значения выбираем из расчета №1.
= 0,098 кВт
Дополнительные потери от токов обратной
последовательности по (25)
Прирост температуры от токов высших гармоник и
токов обратной последовательности по (28)
0С
где τнорм
- рабочая температура трансформатора без воздействия токов высших гармоник и
токов обратной последовательности, ºС.
Коэффициент снижения срока службы трансформатора
под воздействием токов высших гармоник и токов обратной последовательности по
(29)
Снижение срока службы трансформатора под
воздействием токов высших гармоник и токов обратной последовательности по (30)
Список используемой литературы
1. ГОСТ 13109-97. Электрическая
энергия. Совместимость технических средств электромагнитная. Нормы качества
электрической энергии в системах электроснабжения общего назначения.
. Жежеленко И.В. Показатели качества
электроэнергии на промышленных предприятиях. М.: Энергия, 1977 г. 128 с.: ил.
. Иванов В.С., Соколов В.И. Режимы
потребления и качество электроэнергии систем электроснабжения промышленных
предприятий. - М.: Энергоатомиздат, 1987. - 336 с.: ил. - (Экономия топлива и
электроэнергии)
. Карташов И.И. Качество
электроэнергии в системах электроснабжения. Способы его контроля и обеспечения
/ Под ред. М.А. Калугиной. - М.: Издательство МЭИ, 2000. - 120 с., ил.