Проект электроснабжения участка цеха

  • Вид работы:
    Курсовая работа (т)
  • Предмет:
    Физика
  • Язык:
    Русский
    ,
    Формат файла:
    MS Word
    1,69 Мб
  • Опубликовано:
    2013-02-05
Вы можете узнать стоимость помощи в написании студенческой работы.
Помощь в написании работы, которую точно примут!

Проект электроснабжения участка цеха

СОДЕРЖАНИЕ

Введение

Техническая характеристика

. Описание технологического процесса участка

. Описание ЭТУ как приемника электроэнергии

. Графики нагрузки участка

. Планировка участка с двумя печами ДСП-200 и одной ДСП-100

. Схема электроснабжения участка

. Расчет токов короткого замыкания

. Выбор силового оборудования ЭТУ

. Расчет параметров срабатывания релейной защиты

. Разработка силовой схемы питания ДСП-100

. Схема управления, защиты и сигнализации

. Вид печной подстанции ДСП-100

Заключение

Список использованной литературы

ВВЕДЕНИЕ

Основными агрегатами, обеспечивающими выплавку качественных легированных сталей и сплавов, являются дуговые сталеплавильные печи. У нас в стране применяются ДСП емкостью 200 т и мощностью до 90 МВА. За границей работают печи емкостью 320-350 тонн и мощностью до 160 МВА. Они представляют собой трехэлектродные устройства, питаемые от высоковольтной сети током промышленной частоты через трехфазные понизительные трансформаторы.

Питание ДСП осуществляется от главной понизительной подстанции (ГПП) в основном по радиальным схемам. Учитывая, что ДСП являются по надежности электроснабжения потребителями второй категории, предусматривается резервирование печной нагрузки. Для этого ГПП получают питание минимум от двух линий, имеют в своем составе два и более силовых трансформатора или автотрансформатора.

Выбор систем электроснабжения ДСП во многом определяется стремлением уменьшить влияние их резкопеременной нагрузки на качество электроэнергии. Одним из вариантов является подключение ДСП в точку с максимально возможной мощностью короткого замыкания. Другим вариантом является питание ДСП по схеме глубокого ввода с максимально возможным напряжением. К сожалению, в настоящее время отсутствует необходимое оборудование (печные трансформаторы и выключатели высокого напряжения с требуемыми коммутационной способностью и ресурсом работы) на напряжение 110 кВ и выше. Поэтому применяется напряжение 6, 10 и 35 кВ, что требует обычно дополнительной трансформации на ГПП, питаемых от линий 110 и 220 кВ. способом повышения мощности короткого замыкания является параллельная работа линий и трансформаторов, обеспечивающих надежное питание цехов с ДСП. Кроме того, для уменьшения влияния ДСП на работу других потребителей внутри завода применяются специальные схемы. Наиболее простым вариантом является питание ДСП и спокойной нагрузки от разных секций ГПП или различных трансформаторов.

Иногда практикуется подключение ДСП и спокойной нагрузки через трансформатор с расщепленной обмоткой. При прохождении в одной ветви обмотки трансформатора резкопеременного тока в другой появляется положительная ЭДС, которая уравновешивает появившиеся колебания напряжения.

ТЕХНИЧЕСКАЯ ХАРАКТЕРИСТИКА

Номинальная мощность цеха

192,1 МВт

Полная максимальная мощность цеха

250 МВт

Максимальная мощность цеха

187,5 МВт

Средняя нагрузка

180,5 МВт

Среднеквадратичная нагрузка

194,6 МВт

Заявленная мощность цеха

225 МВт

Количество печей

Одна печь ДСП-100 и две печи ДСП-200

ДСП-100

Номинальная мощность: 60000 кВ∙А Тип трансформатора: ЭТЦ-63000/35 Первичное напряжение: 35 кВ Пределы вторичного напряжения: 560-215 В Число фаз: 3 Частота тока: 50 Гц Удельный расход электроэнергии: 400 кВт*ч/т Номинальный ток электрода: 62,7 кА

ДСП-200

Номинальная мощность: 95000 кВ∙А Тип трансформатора: ЭТЦНДТ-170000/35-УЗ Первичное напряжение: 35 кВ Пределы вторичного напряжения: 981-343 В Число фаз: 3 Частота тока: 50 Гц Удельный расход электроэнергии: 400 кВт*ч/т Номинальный ток электрода: 70,6 кА


1. Описание технологического процесса участка

В современных сталеплавильных цехах с электропечами ёмкостью 100-200 т шихтовый пролёт, как правило, пристраивают к главному зданию цеха. Скрап в шихтовый пролёт доставляется в контейнерах на платформах по железной дороге или на большегрузных автомобилях. Небольшую часть скрапа для корректирующих добавок можно доставлять теми же видами транспорта без контейнеров. Для складирования контейнеров выделяют специальные площадки, для хранения корректирующих добавок скрапа - закрома. Скрап в бадьи загружают контейнерами с помощью мостового крана, корректирующие добавки скрапа - магнитами и специальными захватами.

Шихтовый пролёт оснащают мостовыми кранами, оборудованными двумя расположенными параллельно тележками (для транспортировки и кантования контейнеров со скрапозахватывающим устройством), а также весами. Бадьи со скрапом передают в печной пролёт на поперечных самоходных тележках с весовым устройством; для каждой электропечи сооружают один путь. Для загрузки шихты в электропечи рекомендуется использовать бадьи грейферного типа. Транспортировку бадей в печном пролёте и загрузку печей предусматривают литейными кранами с весовыми устройствами.

В последнее время в нашей стране и за рубежом строят электросталеплавильные цехи в основном двух типов.

Наиболее распространены цехи, где электропечи размещают на границе печного и разливочного пролётов, при этом для завалки скрапа и обслуживания электропечей используют краны печного пролёта, для слива металла в ковш - кран разливочного пролёта.

В цехах второго типа электропечи размещают только в печном пролёте, где проводят завалку скрапа и слив металла. Печной пролёт отделяют от других пролётов стенками (с использованием шумоизолирующих материалов), имеющими ворота. Печи размещены в шумодымоизолирующих кожухах, представляющих собой камеру, имеющую переднюю, боковые, заднюю стенки и крышу. В передней стенке и в крыше для подачи и загрузки шихты предусмотрены проёмы, закрываемые створками. В задней стенке также имеется закрываемый проём для выдачи ковшей со сталью и шлаком. Защита персонала от дыма и шума в цехах требует дальнейшего совершенствования.

Металл из электропечи сливают в ковш, стоящий на сталевозе. Шлак из цеха вывозят в ковшах по железной дороге или автотранспортом. Для хранения и дозирования сыпучих материалов и ферросплавов сооружают отдельный пролёт. Большую часть сыпучих материалов и ферросплавов загружают в печь через дополнительное отверстие в своде, нагретые ферросплавы - с помощью мульдозавалочной машины. Предусматривается внепечная обработка металла в ковше и вакуумирование, разливают сталь на МНЛЗ.

2. ОПИСАНИЕ ЭТУ КАК ПРИЕМНИКА ЭЛЕКТРОЭНЕРГИИ

Рассматривая ЭТУ как передатчик электроэнергии следует отметить, что от работы ЭТУ качество электроэнергии не должно стать хуже, чем это определено ГОСТом, так как существует целый ряд устройств, которые критичны к этим показателям качества. С другой стороны ЭТУ являются приемниками, которые предъявляют свои требования к получаемой электроэнергии. Для характеристики приемников принято пользоваться следующими показателями:

) Мощность;

) Напряжение;

) Род тока;

) Частота;

) Фазность;

) Удельный расход электроэнергии;

) Режим работы;

) График нагрузки;

) Категория надежности;

) Электровооруженность;

) Стабильность расположения оборудования;

) Коэффициент мощности;

) Симметрия.

Питание ДСП производится обычно по системе глубокого ввода от энергосистемы на напряжении 10 кВ трехфазного переменного тока промышленной частоты, хотя применяют и более высокие напряжения. Удельный расход электроэнергии около 450 кВт ч/т.

Нагрузка ДСП является циклически неравномерной. Индивидуальные графики нагрузки ДСП имеют ступенчатый характер, однородный по сменам и суткам в силу непрерывности производства стали на металлургических и большинстве машиностроительных мероприятий.

Коэффициент загрузки печного трансформатора определяет его среднюю загрузку в период включения. Его значения лежат в пределах 0,4-0,45 и в значительной степени зависят от коэффициента включения. При групповой работе печей Ки и Кз относятся к питающим вводам и силовым трансформаторам ГПП. С увеличением числа печей в группе коэффициент загрузки приближается к коэффициенту использования.

ДСП являются крупными потребителями реактивной мощности, что вызвано значительным реактивным сопротивлением электрической цепи печи. Реактивное сопротивление является очень важным фактором, определяющим возможности использования печного трансформатора.

Значительное реактивное сопротивление электрической цепи приводит к низким значениям коэффициента мощности установки. С увеличением емкости ДСП происходит опережающий рост потребления реактивной мощности и снижения вследствие этого коэффициента мощности.

Обычно в печах меньшей емкости наименьший  наблюдается в период расплавления. Это связанно с использованием максимальных рабочих токов и повышенным содержанием в них высших гармоник из-за нелинейности дуги. Однако при проведении металлургических периодов на интенсивных режимах, что характерно для сверхмощных печей,  в эти периоды тоже имеет низкое значение из-за необходимости применять большие значения токов в целях снижения длин дуг и их воздействия на огнеупорную футеровку.

Коэффициент мощности значительно колеблется по периодам плавки и зависит от выбора рабочей точки режима на электрической характеристике печи, усредненное значение коэффициента мощности для ДСП-25 составляет 0,8.

С точки зрения бесперебойности электроснабжения по ПУЭ ДСП относят к потребителям второй категории, т.е. должны иметь резервный источник питания, переход на который может осуществляться дежурным персоналом. Что касается стабильности расположения оборудования, то в связи с тем, что технологический процесс существенно не меняется, следовательно, особых требований по гибкости к строительной части здания не предъявляется. Электровооруженность труда высока.

ДСП имеют ярковыраженный резкопеременный характер нагрузки. Колебания токов, а, следовательно, и активной, и реактивной мощностей зависят от многих причин, связанных с физическими и технологическими явлениями, проходящими в ванне печи. Колебания разделяются на регулярные и нерегулярные.

Нерегулярные колебания токов и напряжений дуг, особенно сильные в период расплавления, связаны с неблагоприятными условиями зажигания и горения дуг, замыканиями электродов с шихтой, обрывами дуг при обвалах и резкими перемещениями при этом электродов.

Относительно регулярные колебания токов и напряжений с частотой 2-10Гц вызываются перемещением дуг под действием электродинамических сил, вибрацией электродов, внезапными изменениями проводимости в зоне горения дуг из-за испарения металла, колебанием поверхности ванны жидкого металла при его кипении и т.д.

Колебания режима в одной фазе могут возникнуть и при изменении режима в других фазах. Они определяются магнитной связью токоподвода и неавтономностью управления отдельными фазами в условиях питания печей по трехфазной схеме без нулевого провода.

Кроме колебания токов и активной мощности происходят колебания и реактивной мощности, что вызывает соответствующие колебания напряжения. Значительная часть спектральной области колебаний реактивной мощности приходится на частоты, наиболее вредные для зрения, что делает особенно актуальными меры по ликвидации последствий колебательного режима.

Колебания напряжения на шинах питающих ДСП подстанций достигают больших значений, которые далеко выходят за допустимые пределы. Это неблагоприятно сказывается на работе других приемников.

Обычно в электросталеплавильных цехах устанавливается группа ДСП. Число печей, питающихся от одного ввода, колеблется от 2 до 10. Наибольшее распространение получили варианты двух или трех одинаковых печей в группе.

Графики нагрузок ДСП, работающих в одном цехе, нельзя считать строго независимыми. Зависимость графиков обуславливается общностью программы цеха, ограниченностью числа кранов, ковшей. В тоже время циклы плавок отдельных печей сдвинуты случайным образом. Наиболее тяжелым режимом системы электроснабжения является совпадение периодов расплавления на нескольких печах.

ДСП характеризуется несимметричным распределением токов и мощностей по фазам. Несимметрию разделяют на статическую и динамическую. Статическая несимметрия вызвана не одинаковостью сопротивлений токоподвода и контактных соединений. Коэффициент асимметрии может достигать 30-40%, что влечет за собой неравенство выделения мощностей под электродами и появления «дикой» и «мертвой» фаз.

Динамическая несимметрия вызывается неодинаковостью условий зажиганий дуг под различными электродами, несовпадение моментов эксплуатационных КЗ электродов и т.д.

Режим дуговой печи характеризуется несинусоидальностью токов и напряжений, которая вызвана нелинейностью электрической дуги как приемника электроэнергии. Степень проявления нелинейности зависит от состояния шихты в печи и температурных условий горения дуги. Начало этапов расплавления металла и проплавления колодцев происходит при неустойчивом горении дуг на холодную шихту, кривые напряжения и тока существенно искажены.

Искажение кривых токов и напряжений различны по фазам печи, имеют вероятностный характер и закономерно изменяются по периодам плавки.

Характерной особенностью режима ДСП является появление при определенных условиях высокочастотных колебаний, частота которых лежит в широком диапазоне частот - от сотен герц до десятков килогерц, а амплитуда доходит до (0,4-0,5). Это влияние вызвано нелинейностью ВАХ дуги, имеющей падающий участок, на котором динамическое влияние дуги отрицательно. Поэтому высокочастотные колебания проявляются в основном в период расплавления.

Кроме статического изменения режима ДСП характеризуется колебательным характером изменения тока, а следовательно, и мощности. При этом дополнительно возникают колебания напряжения, которые оказывают нежелательное воздействие на питающую сеть и работу подсоединенных к ней потребителей. Уменьшение этого влияния можно добиться различными путями. Один из них заключается в применении компенсации реактивной мощности с помощью управляемых динамических компенсаторов реактивной мощности или продольно-емкостной компенсации. Второй реализуется выбором рациональной схемы электроснабжения с повышенной мощностью КЗ.

3. ГРАФИКИ НАГРУЗКИ УЧАСТКА

Электрические нагрузки характеризуют потребление электроэнергии отдельными приемниками или группой приёмников, предприятием в целом.

Правильное определение ожидаемых электрических нагрузок при проектировании является основой для рационального электроснабжения промышленного предприятия. От их значения зависят выбор всех токоведущих элементов и аппаратов и технико-экономические показатели проектируемой системы электроснабжения.

На этапе проектирования и при эксплуатации систем электроснабжения основными являются следующие нагрузки: активная мощность Р, реактивная мощность Q, полная мощность S и ток I. Графики нагрузок разделяют на индивидуальные и групповые.

Групповые графики используются для проектирования систем электроснабжения, а индивидуальные - для определения нагрузок мощных приёмников электроэнергии (электрических печей, преобразовательных агрегатов главных приводов прокатных станов и т.д.). По продолжительности различают суточные и годовые графики нагрузок.

Для комплексного учета нагрузок при проектировании и анализе схемы электроснабжения недостаточно наличия только графиков нагрузки. Необходимо учитывать и ряд дополнительных характеристик. К ним относятся:

. Номинальная мощность приемника. Групповые номинальные активная и реактивная мощности представляют собой сумму номинальных мощностей отдельных приемников, приведенных к продолжительному режиму (ПВ=100%):


2. Средние активные и реактивные нагрузки приёмника


3. Среднеквадратичные нагрузки


4. Максимальные нагрузки Рmax - наибольшие из соответствующих средних величин. Они оцениваются значением и ожидаемой частотой появления за тот или иной период времени.

При наличии данных об удельном расходе электроэнергии на единицу продукции (тонну, штуку и т.д.) wуд и годового выпуска продукции М расчет максимальной нагрузки по цеху можно вести по формуле:

где Тmax - число рабочих часов в году.

. Расчетная нагрузка по допустимому нагреву - это длительная неизменная нагрузка элемента системы электроснабжения, которая эквивалентна ожидаемой изменяющейся нагрузке по тепловому воздействию.


Для мощностей всегда должно выполняться соотношение:


6. Коэффициент использования равен отношению средней активной мощности отдельного приемника (или группы их) к ее номинальному значению


7. Коэффициент включения - отношение продолжительности включения приемника в цикле ко всей продолжительности цикла:


8. Коэффициент загрузки - отношение фактически потребляемой приемником активной мощности за время включения в течение цикла к номинальной его мощности:


9. Коэффициент формы графика нагрузок - отношение среднеквадратичной полной мощности приёмника (или группы) за определенный период времени к среднему значению его за тот же период:


10. Коэффициент максимума - отношение расчетной активной мощности к средней нагрузке за исследуемый период времени:


11. Коэффициент спроса по активной мощности - отношение расчетной или потребляемой активной мощности к номинальной активной мощности группы приёмников:


12. Коэффициент разновременности максимумов нагрузки - отношение суммарного расчетного максимума активной мощности узла системы электроснабжения к сумме расчетных максимумов активной мощности отдельных групп приемников, входящих в данный узел системы электроснабжения:

Графики нагрузки ДСП делятся на индивидуальные и групповые, суммарные, получаемые при совместном питании нескольких печей от одного ввода (одного силового трансформатора ГПП). Для установок ДСП большое значение имеют индивидуальные графики нагрузок, так как они относятся к числу мощных приёмников со специфической природой электрической нагрузки, оказывающих существенное частное влияние на всю систему электроснабжения промышленного предприятия.

Электрическая нагрузка ДСП непрерывно-циклическая. Дуговые сталеплавильные печи металлургических заводов работают непрерывно на протяжении большого числа плавок. Длительные остановки печей происходят только при ремонтах и профилактических осмотрах. Цикличность работы ДСП характеризуется чередованием плавок с остановками печи на слив жидкого металла, заправку печи и завалку ее шихтой.

Процесс плавки характеризуется следующими основными электрическими режимами.

1.   Заправка печи и его загрузка после слива металла предыдущей плавки по времени занимает около 10 минут.

2.      Плавку начинают на ступени с небольшим напряжением, чтобы не прожечь свод, этот период плавки длится не более 20 минут.

.        Затем после некоторого углубления электродов переключают на ступень с большим напряжением и ведут процесс расплавления около 120 минут. Уменьшают напряжение только во время дозавалки, которая длится около 10 минут.

4.   Доводят металл до нужного состояния и сливают. Слив металла по времени занимает около 10 минут.

Групповой график нагрузки цеха строится на основе имеющихся индивидуальных графиков нагрузок отдельных печей.

Для ДСП-200 возьмем трансформатор ЭТЦНДТ-170000/35-УЗ с мощностью 95 МВА.

Для ДСП-100 ЭТЦ-630000/35 с мощностью 60 МВА.

Цикл работы ДСП-100 составляет 160 минут. ДСП-200 160 минут

Рис. 1. Индивидуальный график ДСП-100.

Рис. 2. Индивидуальный график ДСП-200

Рис. 3. Групповой график нагрузки

Обсчитаем групповой график нагрузки:

1.  МВт

 МВт;

, МВт.

2. Расчет средней нагрузки:

 МВт

. Среднеквадратичная нагрузка:

 МВт

. Максимальная мощность

 МВА

 МВт

Определим коэффициенты графика нагрузки:

Коэффициент использования:


Коэффициент включения:


Коэффициент загрузки:

Коэффициент формы:


Исходя из графика табл.2.4 [3] «Влияние количества эффективно используемых электроприемников на коэффициент максимума при различных значениях коэффициента использования» коэффициент максимума .

Расчетная нагрузка по допустимому нагреву:

 МВт.

Коэффициент спроса:


Заявленная мощность:

 МВт.

4. ПЛАНИРОВКА УЧАСТКА С ДВУМЯ ПЕЧАМИ ДСП-200 И ОДНОЙ ПЕЧЬЮ ДСП-100

Есть определенные различия в планировочных решениях действующих цехов с крупными печами. Различие заключается, прежде всего, в технологическом процессе плавки стали и в удельных мощностях, вводимых в печь в период расплавления.

Современные сталеплавильные цехи с электропечами емкостью 200 и 100 т имеют следующие объемно-планировочные решения (рис. 4).

Шихтовый пролет пристраивают к главному зданию цеха. Скрап в шихтовый пролет доставляется в контейнерах на платформах по железной дороге или на большегрузных автомобилях. Для складирования контейнеров выделяют специальные площадки, для хранения корректирующих площадок скрапа - закрома 1.Скрап в бадьи загружают контейнерами с помощью мостового крана, корректирующие добавки скрапа - магнитами и специальными захватами.

Шихтовый пролет оснащают мостовыми кранами, оборудованными двумя расположенными параллельно тележками, а также весами. Бадьи со скрапом передают в печной пролет на самоходной тележке 3, которая по поперечным рельсовым путям перемещается под рабочей площадкой и транспортируется краном печного пролета через вырез в рабочей площадке на печь.

Дуговые сталеплавильные печи 10 размещены вдоль цеха со сливными носками, обращенными в сторону разливочного пролета (Г). В этом случае печные подстанции располагаются в печном пролете (В) и граничат со стенкой, отделяющей шихтовой и печной пролеты. Подстанции выполняются сдвоенными, а печи - правого и левого исполнений. Подача напряжения к печным трансформаторам производится индивидуально по кабельной линии вдоль печного пролета, которая укладывается на изоляторах.

Для пульта управления 12 сооружено отдельное помещение, располагаемое на рабочей площадке напротив печи со стороны рабочего окна. Там размещаются щиты управления, сигнализации, теплоконтроля, щиты и пульты управления. Выкат трансформатора производится в сторону шихтового пролета. В печном пролете размещаются устройства для подачи ферросплавов, поворотный стенд для ремонта разливочных ковшей, есть место для футеровки и сушки разливочных ковшей, стоит шлаковоз 27. Печи размещены в шумодымоизолирующих кожухах, представляющих собой камеру, имеющую переднюю, боковые, заднюю стенки и крышу. В передней стенке и в крыше для подачи и загрузки шихты предусмотрены проемы, закрываемые створками. В задней стенке также имеется закрываемый проем для выдачи ковшей со шлаком и со сталью.

Для хранения и дозирования сыпучих материалов и ферросплавов сооружают отдельный пролет. После плавки сталь разливают на МНЛЗ.

Рис. 4. Планировка цеха

5. Схема электроснабжения участка

Рис. 5 Схема электроснабжения цеха

На рис. 5 показана схема электроснабжения цеха с 2 печами ДСП-200 и одной печью ДСП-100. В качестве источника питания для печи ДСП-100 используется электропечной трансформатор ЭТЦ-63000/35, подключенный через высоковольтный воздушный выключатель типа ВБН/ЭЛКО/ТЭ-35; а для питания печей ДСП-200 используется электропечной трансформатор ЭТЦНДТ-170000/35-УЗ, подключенный через высоковольтный вакуумный выключатель такого же типа.

Дуговые печи являются мощными генераторами помех (колебания напряжения, высшие гармоники, статическая и динамическая несимметрия режимов), что оказывает значительное влияние на качество электроэнергии в энергосистеме и эффективность работы других потребителей электроэнергии.

Проверим колебательность режима. Должно выполняться условие:


где SТ и Sк - установленная мощность трансформатора печи и мощность короткого замыкания энергосистемы в точке подключения.

 МВА


Условие не выполняется. Это может привести к серьезным последствиям: возрастает интенсивность “фликкер-эффекта”, а коэффициент несинусоидальности достигает 9-10%.

Необходимость гашения колебания напряжения при резкопеременной нагрузке вызывает необходимость применения быстродействующих компенсирующих устройств. ДСП оказывают нежелательное влияние на питающую сеть из-за колебательного режима работы, при котором изменение реактивной нагрузки ДСП может достигать 260-280 Мвар/с, что составляет значение, кратное 2,5-3 значениям номинальной реактивной мощности печи в секунду.

Устройства динамической компенсации (УДК) представляют собой устройства из реактивных элементов, подключаемые параллельно печным установкам непосредственно или через согласующие трансформаторы и управляемые с помощью тиристорных устройств. Они могут совмещать функции динамических компенсаторов и функции фильтров для подавления высших гармоник. Поэтому их часто называют фильтрокомпенсирующими устройствами (ФКУ).

Принцип их действия заключается в том, чтобы с максимальным быстродействием измерять реактивную мощность или реактивный ток печи и управлять компенсатором так, чтобы сумма реактивных мощностей компенсатора и печи оставалась с максимальной точностью неизменной и равной заданной.

6. РАСЧЕТ ТОКОВ КОРОТКОГО ЗАМЫКАНИЯ

Питание печей ДСП-200 и ДСП-100 осуществляется по схеме представленной на рис. 6.1. Рассчитаем предложенную схему электроснабжения. Последовательность расчета токов короткого замыкания следующая:

составляется расчетная схема установки;

выбирается место условного короткого замыкания;

задаемся базисными условиями, выражаем сопротивления всех элементов в относительных единицах и составляем схему замещения;

путем постепенного преобразования сводим расчетную схему к простейшему виду;

определяем ток короткого замыкания.

При расчетах принимаем следующие допущения:

в течение всего процесса короткого замыкания ЭДС всех генераторов системы совпадают по фазе;

не учитывается насыщение магнитных систем, что позволяет считать постоянными и независящими от тока индуктивные сопротивления всех элементов короткозамкнутой цепи;

пренебрегают намагничивающими токами силовых трансформаторов;

не учитывают емкости всех элементов короткозамкнутой цепи, включая и воздушные и кабельные линии;

считают, что трехфазная система является симметричной.

По расчетной схеме составляется схема замещения, в которой указываются сопротивления всех элементов, и намечается точка для расчетов токов КЗ. В данном выборе места КЗ сопротивление системы будет меньше, тем самым токи КЗ больше, поэтому соединяем шины. Расчет ДСП проводится на максимальные токи КЗ.

Все сопротивления подсчитывают в относительных или именованных единицах. При наличии нескольких ступеней трансформации расчет схемы замещения удобнее вести в относительных базисных единицах. Для расчета сопротивлений задаются базовыми величинами: напряжением, мощностью, током. За базисное напряжение ступеней трансформации расчет схемы замещения ведут в относительных единицах. За базисную мощность принимают любое число, кратное 10, или суммарную мощность всех источников питания.

Исходные данные для заданной схемы для наглядности приведены на расчетной схеме (рис.6.1).

За базовое значение принимаем:

релейный печь силовой ток

Рис.6.1 Расчетная схема питания цеха

Из заданной схемы питания цеха (рис. 6.1) получим схему замещения представленную (рис. 6.2) и вычислим базисные относительные сопротивления:

Рис.6.2 Схема замещения питания цеха для расчета тока КЗ

Сопротивления гидрогенераторов определяем по следующей формуле:


Сопротивление трансформатора определим по следующей формуле:


Сопротивление реактора определим по следующей формуле:


Сопротивление воздушных линий электропередач определим по следующей формуле

,

где  сопротивление одного километра воздушной линии, l - длина линии.

Сопротивление кабельных линий электропередач определим по следующей формуле:


где  сопротивление одного километра кабельной линии на напряжении 35кВ.

Сопротивление двухобмоточного трансформатора ТДЦ-160000/110 определим по следующей формуле


Упростим схему замещения питания цеха (рис. 6.2) до схемы рис.6.3.

Рис.6.3. Упрощенная схема замещения питания цеха

Преобразование схемы замещения и приведение ее к простейшему виду производится по выражениям:

параллельное соединение


- последовательное соединение:


В результате дальнейшего упрощения получим схему замещения рис. 6.4

Рис.6.4. Схема замещения питания цеха

Преобразуем звезду с сопротивлениями  в треугольник с сопротивлениями


Сопротивление находиться параллельно сопротивлению  и сопротивлению , тогда  равно:


Преобразовав треугольник с сопротивлениями  в звезду с сопротивлениями , получим схему замещения вида (рис.6.5.)

Рис.6.5. Схема замещения питания цеха

Найдем сопротивления для новой преобразованной схемы


В результате дальнейшего упрощения получим окончательную схему расчета КЗ рис. 6.6.

Рис.6.4 Схема расчета тока КЗ

Далее получаем трехлучевую звезду:

;

;

.

На заключительном этапе полученную трехлучевую звезду преобразуем в двухлучевую

;


Ток КЗ определим методом наложения от 2-х ветвей: ГЭС и системы, т.к. имеем два разнотипных источника - конечной мощности.

Электрическая удаленность однозначно характеризуется значением расчетного сопротивления, которое определяется как:

,

где  - суммарная мощность генераторов.

Для ГЭС:


Случай неудаленного КЗ

По расчетным кривым рис. 1.58 [1] определяем кратность тока КЗ :

При   .


где

Для системы:

При   .

где


Определим токи КЗ:


7. ВЫБОР СИЛОВОГО ОБОРУДОВАНИЯ ЭТУ


1. Выключатель высокого напряжения QF1, QF2, QF3, QF4

Условия выбора выключателя:

1)

)

)

)

)

)

) а)

;

;

Выбираем воздушный выключатель ВВУ-35А-40/3200У1

1)  35 кВ ≥ 35 кВ

2)      3200 А ≥ 2630 А

)        3200 А ≥ 3156 А

)        40 кА ≥ 7,65 кА

5)      40 кА ≥ 7,65кА

6)      40 кА ≥ 7,65кА

) 40 кА ≥ 19,49 кА

б) Выключатель высокого напряжения QF5 и QF6

Условия выбора выключателя:

;

Выбираем вакуумный выключатель ВБН/ЭЛКО/ТЭ-35

1)  35 кВ ≥ 35 кВ

2)      1600 А ≥ 989,7 А

3)      1600 А≥ 1187,7 А

4)      25 кА ≥ 7,65 кА

5)      25 кА ≥ 7,65кА

) 25 кА ≥ 19,49 кА

. а) Разъединители QS1 - QS8

Условие выбора разъединителя:

1)

)

)

)

) 35 кВ ≥ 35 кВ

) 3200 А ≥ 2630 А

) 3200 А ≥ 3156 А

4)  125 кА ≥ 19,49 кА

Выбираем разъединитель РВР-35/3200УЗ.

б) Разъединители QS9 - QS12

) 35 кВ ≥ 35 кВ

) 2000 А ≥ 989,7 А

) 2000 А ≥ 1187,64 А

)        115 кА ≥ 19,49 кА

Выбираем разъединитель РВР-35/2000УЗ.

в) Разъединители QS13

) 35 кВ ≥ 35 кВ

) 630А ≥ 0,01А

) 630А ≥ 0,012А

) 51кА ≥ 19,49 кА

Выбираем разъединитель РВ-35/630УЗ.

. Шины. Питание к вакуумному выключателю от сборных шин осуществляется шинами

,


где

= 170 -максимально допустимая температура и напряжение на которую используется шина

Проверка на расчетные нагрузки:


где = 1500 мм=150 см - длина шин;

а = 320 мм = 32 см - расстояние между шинами.

, на изоляторе плашмя лежит шина

- для медных шин

)        360 мм² 219,9 мм²

2)      1125 А ≥ 989,7 А

4)      170 МПА ≥ 130 Мпа

Выбираем медные шины 60x6 мм

4.      а) Трансформатор тока ТА1

Условие выбора трансформатора тока

1)     

)       

)       

)       

)       

)       

Измерительные приборы, питающиеся от трансформатора в таблице

Приборы

Обозначение

Класс точности

,ВА(Вт)

Амперметр

Э351

1.5

0.5

Счетчик Вт-часов

СЭТ3а-02-74-06

1

2.5

Ваттметр

Д-305

1,5

2

Фазометр

Д-301

1,5

5

Счетчик ВА-часов

СЭТ3р-02-34-10

1

2.5


,

где -сопротивление соединительных проводов, -сопротивление подключенных приборов, -сопротивление контактов.

=0,1 Ом;


Выбираем медные провода с


Выбираем медный провод марки ПВ3 сечением =2,5мм².

.

Выбираем трансформатор тока ТПОЛ-35/1500УЗ, класс точности 1

;

;

.

) 35 кВ ≥ 35кВ

) 1500А ≥ 989А

) 1500А ≥ 1186,8А

) 99,9кА≥ 19,49 кА

) 234,23кА²с≥ 14,63 кА²с

) 3,0 Ом ≥ 0,78 Ом

б) Трансформатор тока ТА2 между трансформаторами

Приборы

Обозначение

Класс точности

,ВА(Вт)

Амперметр

Э355

1.5

0.5


Выбираем трансформатор тока ТВТ35-I-1500/1, класс точности 1,5.

;

;

.

1) 35 кВ ≥ 35 кВ

2)   1500А ≥ 989А

3)      1500А ≥ 1186А

)        99,9кА≥ 19,49 кА

5)      189 кА²с ≥ 14,63 кА²с

6)      3,0 Ом ≥ 0,78 Ом

. Трансформатор напряжения TV1

Условие выбора трансформатора напряжения

1)

)

Измерительные приборы:

Приборы

Обозначение

Класс точности

,ВА(Вт)

Вольтметр

Э379

1.5

3

Фазометр

Д-301

1,5

2

Ваттметр

Д-305

1,5

2

Счетчик ВА-часов

СЭТ3а-02-74-06

1

8

Счетчик Вт-часов

СЭТ3р-02-34-10

1

8


=3+2+2+8+8+=23 ВА.

Выбираем трансформатор напряжения НОМ-35-66У1, класс точности 3.

1)   35 кВ ≥ 35 кВ

2)   600 ВА ≥ 23 ВА.

6. Выбор предохранителя

Условие выбора предохранителя:

)

)

)

Выбираю предохранитель ПКТ101-35-3,2УЗ

Номинальный ток предохранителя для трансформатора НОМ-35-66У1 с первичным напряжением


) 35 кВ ≥ 35 кВ

) 2 А ≥ 0,01 А

) 3,2 кА ≥ 0,01 А

. Выбор разрядника FV1-FV3

Условие выбора разрядника:

1)

)

Выбираю разрядник РТФ-35-2/10У1

) 35 кВ ≥ 35 кВ

2) 2 кА < 7,65 кА

8. Выбор опорного изолятора

Условие выбора опорного изолятора:

1)     

)       

Выбираем опорный изолятор ОФ-35-1250У3.

Низ=21,5 см, Н = 6 см,

) 35 кВ ≥ 35 кВ

)

. Выбор проходного изолятора

Условие выбора проходного изолятора

)

)

)

)

Выбираем проходной изолятор ИП-35/1600-1250У

1) 35 кВ ≥ 35 кВ

2) 1600 А ≥ 989,7А

) 1600 А ≥ 1187,64А

4)

. РАСЧЁТ ПАРАМЕТРОВ СРАБАТЫВАНИЯ РЕЛЕЙНОЙ ЗАЩИТЫ

. Максимальная токовая защита.

Является основным видом релейной защиты в электрических сетях промышленных предприятия, срабатывающий от резкого увеличения тока цепи при КЗ или перегрузках. МТЗ выполнена с помощью токовых реле мгновенного действия серии РТ-40, а выдержки времени, и время действия которого не зависит от проходящего в цепи тока КЗ или перегрузки, т.е. представляет собой защиту с независимой характеристикой времени срабатывания. Защита охватывает также питающую линию и осуществляет отключение установки, воздействуя на защитный или оперативно-защитный выключатель. Ток срабатывания реле

;

где ;

kн = 1,2-1,5- коэффициент надежности;

;

- коэффициент трансформации печного трансформатора;

k= 1,7 - кратность тока эксплуатационного КЗ

I2ном= 62,7 кА - номинальный ток электрода,

. Защита от перегрузки.

Защита от перегрузки будет по низкой стороне и осуществляется реле РТ-80 с зависимой от тока выдержкой времени, включенным на разность токов. Защита от перегрузки действует на сигнал или на отключение оперативного или оперативно-защитного выключателя. Защита выполняется в 3-фазном 3-релейном исполнении с помощью реле косвенного действия индукционного типа, имеющего ограниченно-зависимую характеристику. Ток срабатывания реле:

,

где kн =1,2-1,25;

kв=0,85-коэффициент возврата;

;


9. РАЗРАБОТКА СИЛОВОЙ СХЕМЫ ПИТАНИЯ УСТАНОВКИ ДСП 100

Схема питания установки ДСП-100 представлена на рис. 7.

Ввод на печную подстанцию, включающую силовой трансформатор, шкаф КРУ с вакуумным выключателем и трансформатор напряжения, осуществляется шинами 60x6 мм. Питание к электропечному трансформатору от шкафа КРУ с вакуумным выключателем осуществляется медными шинами 60×6 мм.

Печной трансформатор ЭТЦ-63000/35 питается от системы сборных шин через высоковольтный воздушный выключатель QF5 и QF6 ВБН/ЭЛКО/ТЭ-35. Этим выключателем производится включение и отключение печи от сети. Разъединители QS1-QS4 предназначены для того, чтобы показать видимый разрыв цепи при отключении печи. Первичное напряжение для трансформатора - 35 кВ. Предохранители FU1 - FU3 защищают измерительные приборы при превышении определенного значения тока (при КЗ). Разрядники FV1-FV3 предназначены для защиты изоляции электроустановок от опасных повышений напряжения.

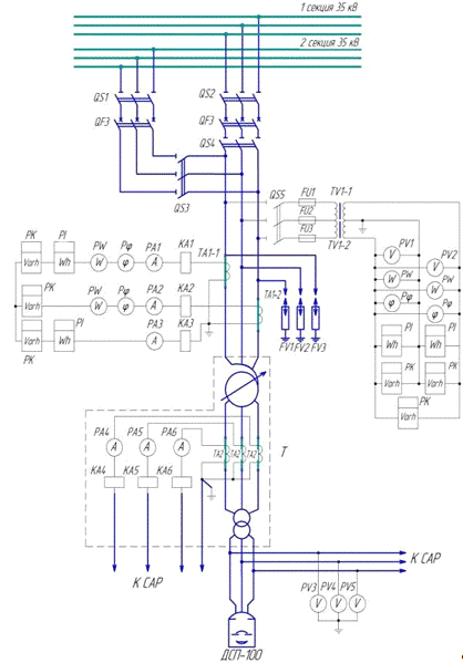
Контроль за работой установки осуществляется по показателям счетчиков активной PI и реактивной PK энергии, комплекта ваттметров PW и фазометров Pj, вольтметров PV1 - PV2 и амперметров PA1 - PA3. Токовые цепи измерительных приборов подключаются через трансформаторы тока типа ТПОЛ-35 (TA1-1, ТА1-2), цепи напряжения - к двум трансформаторам напряжения типа НОМ-35 (TV3-1,TV3-2), собранным в схему открытого треугольника. На высокой стороне трансформатора установлена максимально-токовая защита от КЗ мгновенного действия, собранная на трех электромагнитных реле типа РТ-40 (KA1 -KA3).

Контроль электрического режима плавки ведется по амперметрам PA4 PA6, подключенным к трансформаторам тока TA2. Кроме того, защита от перегрузки устанавливается по низкой стороне на реле РТ-80 индукционного типа с выдержкой времени (KA4 - KA6) и выполняется в 3-фазном 3-релейном исполнении. Измерение напряжения дуг производится вольтметрами PV3 - PV5.

Рис. 7. Схема питания ДСП-100

10. СХЕМА УПРАВЛЕНИЯ, ЗАЩИТЫ И СИГНАЛИЗАЦИИ

В схеме предусмотрены блокировки включения включателя при отсутствии протока воды охлаждения KL2, при отсутствии давления масла и воды KL3, при отсутствии вилки сталевара в её клеммах KL5, при незакрытой сводом ванны печи KL6, и при наклоненной печи (после или во время слива металла, или во время скачивания шлака) KL7.

Имеется в наличии аварийная защита от перегрузки, защита по воде, газовая защита, максимальная токовая защита. Предусмотрено ручное аварийное отключение выключателя (а вместе с ним и печи), которое ещё и продублировано: кнопка ручного аварийного отключения SB1 и вилка сталевара Х.

Предусмотрена также сигнализация звуком (ревун) в случае аварии KL1 и KL3. В случае превышения температуры воды установленного порога срабатывает реле SK1(2,3), и контакт KL4 включает предупредительный сигнал - звонок HA2.

Предусмотрена световая сигнализация о положении свода и ванны HLR3 и HLR4. И состояние выключателя QF1 HLR5 - выключатель отключен, HLR6 - выключатель включен.

Включение и отключение выключателя происходит с помощью электромагнитов включения и отключения YAC и YAT. Предусмотрена как предупредительная, так и аварийная сигнализации. Схема управления, защиты и сигнализации приведена на рис. 8.

Рис. 8. Схема управления, защиты и сигнализации

. Вид печной подстанции ДСП-100

Печная подстанция (рис. 9) выполняется двухэтажной: на первом этаже размещаются насосно-аккумуляторная станция, питающие вводы 35 кВ, фильтрокомпенсирующее устройство; на втором этаже размещены электропечной трансформатор 1, КРУ 4 с вакуумным высоковольтным выключателем и с электроаппаратурой.

Ввод на печную подстанцию осуществляется шинами 60*6 мм. С первого этажа шины выводятся на второй этаж печной подстанции через проходной изолятор, подводя питание к шкафу КРУ 4 с вакуумным высоковольтным выключателем.

Медные шины, отходящие из шинного отсека шкафа КРУ 4 с вакуумным выключателем, поднимаются к потолку на опорные изоляторы 5 и опускаются на выводы ВН электропечного трансформатора 1.

Питание на печь поступает с выводов НН трансформатора через медные шины 3, гибкие кабели 2 и другие участки короткой сети.

Трансформатор имеет емкость для слива масла 6.

1-   Электропечной трансформатор

2-      Гибкие кабели короткой сети ДСП

-        Шинный пакет

-        Шкаф КРУ

-        Опорный изолятор

-        Слив масла

Рис. 9. Печная подстанция ДСП-100

ЗАКЛЮЧЕНИЕ

В данном курсовом проекте было спроектировано электроснабжение участка цеха включающего в себя 2 печи ДСП-200 и 1 печь ДСП-100. Была определена средняя цеховая нагрузка Sср = 180,5 МВА, среднеквадратичная цеховая нагрузка Sсркв = 194,6 МВА, заявленная мощность Sзаявл = 225 МВА, полная мощность S = 250 МВА. Разработана схема электроснабжения участка, по номинальным параметрам выбрано силовое оборудование ЭТУ. Рассчитаны токи КЗ на шинах печной подстанции согласно заданной схеме: Iпо = 7,65 кА; Iк = 8,76 кА; Iуд = 19,49 кА. Произведена проверка выбранного оборудования на действие токов КЗ. Описан технологический процесс участка, ЭТУ как приемник электроэнергии. Разработана схема управления защиты и сигнализации и схема питания установок, которые приведены в графической части проекта. Подобраны контрольно-измерительные приборы. Рассчитаны параметры срабатывания релейной защиты: Для максимально-токовой защиты ток срабатывания равен 8,52 А, для защиты от перегрузки - 6,8 А. Приведена спецификация выбранного оборудования.

СПИСОК ИСПОЛЬЗОВАННОЙ ЛИТЕРАТУРЫ

1.      Миронов Ю.М., Миронова А.Н. Электрооборудование и электроснабжение электротермических, плазменных и лучевых установок: Учеб. пособие для вузов. - Энергоатомиздат. 1991. - 376 с.

.        Неклепаев Б.Н., Крючков И.П. Электрическая часть электростанций и подстанций: Справочные материалы для курсового и дипломного проектирования: Учеб. пособие для вузов. - 4-е изд., перераб. и доп. - М.: Энергоатомиздат, 1989. - 608 с.

.        Электроснабжение электротехнологических установок: Метод. указания к курсовому проектированию Сост. А.Н. Миронова, Е.Ю. Смирнова; Чуваш. ун-т. Чебоксары, 2003. 60с.

.        Электрооборудование электротехнологических установок: Метод. указания к курсовому проектированию Сост. А.Н. Миронова, Е.Ю. Смирнова; Чуваш. ун-т. Чебоксары, 2003. 64с.

.        Электротехнологический справочник; в 3-х т. Т. 2. Электротехнические устройства / Под общ. ред. проф. МЭИ В.Г. Герасимова, П.Г. Грудинсокго, Л.А. Жукова и др. - 6-е изд., испр. и доп. - М.: Энергоиздат, 1981. - 640 с.

Похожие работы на - Проект электроснабжения участка цеха

 

Не нашли материал для своей работы?
Поможем написать уникальную работу
Без плагиата!
Без нейросетей!