Сборные железобетонные конструкции одноэтажного промышленного здания
КУРСОВОЙ ПРОЕКТ
Сборные железобетонные конструкции одноэтажного промышленного
здания
Введение
фундамент колонна здание стропильный
Одноэтажные промышленные здания чаще
всего выполняют каркасными из сборного железобетона. Каркас воспринимает
действующие на здание нагрузки: вертикальные (вес покрытия и снега, нагрузки от
мостовых кранов или подвесного оборудования) и горизонтальные (усилия от
торможения кранов, давление ветра, сейсмические воздействия и др.). Каркас
собирают из отдельных элементов по стоечно-балочной схеме, которая состоит из
стоек (колонн), ригелей, плит покрытия и связей жёсткости. В поперечном
направлении колонны устанавливают на расстоянии L, называемом пролётом, а в
продольном на расстоянии l, называемом шагом колонн. В зависимости от объёмно-планировочного
решения величину L принимают от 6 до 30 м, величину l, 6 или 12 м.
Конструкции, перекрывающие пролёт
называются стропильными (балки, фермы, арки и др.). На них опираются ребристые
плиты покрытия, номинальный пролёт которых равен шагу стропильных конструкций.
Существует и другой тип покрытия, когда пролёт L перекрывают панелями с номинальными
размерами в плане 3х18 или 3х24 м (их называют «плитами на пролёт»). При этом
панели опирают на балки или фермы, ориентированные в продольном направлении, -
их называют продольными (или подстропильными) конструкциями, которые имеют
номинальный пролёт l.
Каркас должен быть жёстким, т.е.
иметь достаточную пространственную жёсткость в поперечном и продольном
направлениях. Поперечную жёсткость обеспечивают поперечные рамы, в
отечественной практике состоящие из жёстко защемлённых в фундаментах колонн и
шарнирно опёртых на них ригелей. Роль ригелей рам выполняют или стропильные
конструкции или «плиты на пролёт». В последнем случае опорные закладные детали
подстропильных конструкций должны быть надёжно приварены к закладным деталям
колонн, чтобы предотвратить опрокидывание подстропильных конструкций.
Продольную жёсткость каркаса
обеспечивают продольные рамы, которые состоят из тех же стоек (колонн), жёстко
защемлённых в фундаментах, и шарнирно опёртых ригелей. Роль ригелей выполняют
ребристые плиты покрытия и подстропильные конструкции или только подстропильные
конструкции. Стропильные конструкции должны быть предохранены от опрокидывания,
что обеспечивается приваркой их опорных закладных деталей к закладным деталям
колонн, а при высоте на опоре более 900 мм - установкой дополнительных
вертикальных связей по торцам стропильных конструкций.
Жёсткость продольных рам меньше
жёсткости поперечных, поскольку моменты инерции сечений колонн в продольном
направлении меньше, чем в поперечном. Поэтому при высоте здания (от пола до
низа стропильных конструкций) Н > 9,6 м без кранов и при любой высоте Н с
мостовыми кранами между колоннами устанавливают продольные вертикальные связи.
Жёсткость каркаса повышают приваркой
плит покрытия не менее чем в трёх точках к нижележащим конструкциям (через
закладные детали). Три точки закрепления образуют вершины геометрически
неизменяемой фигуры - треугольника, т.е. создают жёсткую горизонтальную связь,
а все плиты в совокупности создают горизонтальный жёсткий диск, который
обеспечивает совместную работу продольных и поперечных рам. С этой же целью
зазоры между плитами замоноличиваются.
Здания делят на температурные отсеки
(блоки), длина которых определяется специальным расчётом и зависит, главным
образом, от сезонного перепада температур. Длину блока одноэтажного
отапливаемого здания без расчёта можно назначать не более 72 м.
Целью работы является проектирование
несущих конструкций каркаса бесфонарного одноэтажного промышленного здания,
включая, согласно заданию, одну из конструкций покрытия - балку, ферму, арку
или «плиту на пролёт», а так же среднюю или крайнюю колонну и столбчатый
фундамент под неё.
Исходные данные для проектирования -
размеры здания в плане по наружным осям; расстояния между продольными L и поперечными l разбивочными осями; высоту Н от
отметки чистого пола до низа конструкций (стропильных или «плит на пролёт»),
грузоподъёмность мостовых кранов в каждом пролёте, район строительства (в
зависимости от которого определяют значения снеговых и ветровых нагрузок),
класс напрягаемой арматуры для предварительно напряжённых конструкций покрытия,
расчётное сопротивление грунта.
В состав проекта входит
расчётно-пояснительная записка, включающая сбор нагрузок, статический расчёт
поперечной рамы, расчёт предварительно напряжённых конструкций покрытия по двум
группам предельных состояний (как элементов 3-й категории трещиностойкости),
расчёт по прочности колонны и фундамента.
Графическая часть состоит из
чертежей плана, продольного и поперечного разрезов здания (т.е. схем
расположения элементов каркаса) с узлами соединения сборных конструкций,
чертежей конструкции покрытия, колонны и фундамента. Чертежи сопровождаются
спецификациями, а чертежи изделий, кроме того, - ведомостями расхода стали.
Исходные данные
Число пролётов - n = 2;
Номинальный пролёт - L = 24 м;
Шаг колонн - l = 6 м;
Длина здания - 120 м;
Высота до низа конструкции покрытия
Н = 10,8 м;
Стропильные конструкции - сегментные
фермы;
Грузоподъёмность кранов - Q = 50/12,5 т;
Класс напрягаемой арматуры - А800;
Место строительства - Игарка;
Расчётное сопротивление грунта - R0 = 0,25.
1. Компоновка здания
При внутренней высоте здания Н
12 м принимаем сплошные, а при большей высоте - двухветвевые
колонны. При использовании «плит на пролёт» длину колонн следует уменьшить на
600 мм - опорную высоту подстропильных конструкций.
В зданиях с мостовыми кранами
крайние колонны имеют нулевую привязку при шаге 6 м, грузоподъёмности кранов Q не более 32 т и высоте Н не более
16,2 м. В остальных случаях, а так же при любых кранах, если шаг колонн 12 м,
принимают привязку 250 мм.
Здание по длине делят на равные
температурные блоки, посередине блоков устанавливают продольные вертикальные
связи. Поперечные оси крайних колонн каждого блока смещают внутрь от цифровых
разбивочных осей на 500 мм.
Неточность изготовления и монтажа
учитывают допусками, поэтому проектную длину всех горизонтальных конструкций
назначают меньше номинальной: плит покрытия на 20 мм, балок и «плит на пролёт»
- на 40 мм, ферм и арок - на 60 мм. Равнодействующую опорного давления (т.е.
опорную реакцию) считают приложенной посередине площадки опирания.
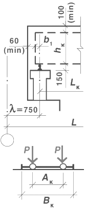
Оси крановых путей располагают от
продольных разбивочных осей на расстоянии λ =
750 мм, поэтому пролёт крана LК, меньше пролёта здания на
1,5 м. С учётом выступающих габаритов крана b1 = 260…300 мм и минимально допустимых просветов (по 60 мм) высота
сечения надкрановой части колонны среднего ряда не должна превышать hВ = 1500 - 2х300 - 2х60 = 780 мм, колонны крайнего ряда при нулевой
привязке hВ = 750 - 300 - 60 = 390
мм, а при привязке 250 мм - 640 мм.
Длину надкрановой части колонны (от
верха консоли) назначают с учётом высоты сечения подкрановой балки, высоты
рельса, высоты крана на опоре hК, минимально допустимого
просвета 100 мм между краном и покрытием. Высоту подкрановой балки при шаге
колонн 6 м можно принять 1000 мм, при шаге колонн 12 м - 1400 мм.

а) б)
Рис. 1.1. а) Сечение сплошной
колонны; б) Крановые габариты
Принимаем:
сплошные колонны;
предварительно назначаем сечение
колонн: крайняя колонна (b = 600 мм, hВ = 640 мм, hН = 1000 мм), средняя колонна (b = 700 мм, hВ = 700 мм, hН = 1000 мм);
привязка крайних колонн - 250 мм;
здание по длине делим на два равных
температурных блока длиной по 60 м;
поперечные оси крайних колонн
каждого блока смещаем внутрь от цифровых разбивочных осей на 500 мм;
Оси крановых путей располагаем от
продольных разбивочных осей на расстоянии λ =
750 мм, поэтому пролёт крана LК, меньше пролёта здания на
1,5 м. С учётом выступающих габаритов крана b1 = 300 мм и минимально допустимых просветов (по 60 мм) высота
сечения надкрановой части колонны среднего ряда не должна превышать hВ = 1500 - 2х300 - 2х60 = 780 мм, колонны крайнего ряда при
привязке 250 мм - hВ = 750 - 300 - 60 + 250
= 640 мм.
высоту подкрановой балки принимаем -
1000 мм;
длину надкрановой части колонны
принимаем НВ = 1000 + 150 + 3150 + 100 = = 4400 мм (вертикальный
габарит крана hК = 3150 мм, высота
рельса 150 мм, зазор между верхом крана и низом стропильной конструкции - 100
мм);
общая длина (высота), учитываемая в
расчёте НР = 10800 + 150 = 10950 мм, где 150 - расстояние от
поверхности пола до верхнего обреза фундамента, считающегося местом заделки
колонны. Полная (опалубочная) длина колонны: 10950 + 900 = 11850 мм, где 900 мм
- глубина заделки колонны в стакан фундамента.
2. Расчёт поперечной
рамы
.1 Сбор нагрузок на раму
Нагрузки от покрытия
Постоянная нагрузка от покрытия
складывается из веса конструкций покрытия, утеплителя и гидроизоляции. Вес
снегового покрова является временной нагрузкой, которую, согласно нормам иногда
разделяют на длительную и кратковременную, при учёте полного значения снеговой
нагрузки её рассматривают как кратковременную. Величина снеговой нагрузки
зависит от географического района.
Нагрузка на колонны передаётся в
виде сосредоточенных сил N - опорных реакций элементов, непосредственно опирающихся на
колонны: стропильных и подстропильных конструкций. Величину N определяют как произведение
равномерно распределённой нагрузки на грузовую площадь колонны, добавляя
нагрузку от стропильных (или подстропильных) конструкций. Вес кровли зависит от
её состава.
Принимаем состав кровли: газобетон (γ = 6кН/м3) слоем
180 мм, цементная стяжка слоем 30 мм, 3 слоя рубероида на битумной мастике.
Плиты покрытия - ребристые размером 3х6 м.
Вес плиты покрытия 1,4 кПа;
Таблица 2.1.1. Нагрузки от веса 1 м2
покрытия
|
№
|
Наименование
|
Нормативная нагрузка, кПа
|
Коэффициент надёжности, γf
|
Расчётная нагрузка, кПа
|
|
1
|
Рубероид
|
0,1
|
1,2
|
0,12
|
|
2
|
Цементная стяжка t
= 30 мм, γ = 18 кН/м3
|
0,54
|
1,1
|
0,59
|
|
3
|
Газобетон t
= 180 мм, γ = 6 кН/м3
|
1,08
|
1,2
|
1,3
|
|
4
|
Плиты покрытия 3х6 м
|
1,4
|
1,1
|
1,54
|
|
Итого
|
gn = 3,12
|
|
g = 3,55
|
При грузовой площади
АКР = 6х24/2 = 72 м2;
постоянная нагрузка на крайнюю
колонну от веса покрытия
N1 = 3,55х72 = 255,6 кН.
Собственный вес фермы равен 92 кН,
нагрузка на колонну от неё при γf = 1,1
N2 = 1,1х92/2 = 50,6 кН.
Суммарная расчётная нагрузка на
крайнюю колонну от веса покрытия
N = N1 + N2 = 255,6 + 50,6 = 306,2 кН.
Сила N приложена на расстоянии 30 + (640 -
30 - 250)/2 = 210 мм от разбивочной оси, её эксцентриситет относительно
геометрической оси надкрановой части колонны
е1 = 210 + 250 - hВ/2 = 210 + 250 - 640/2 = 140 мм.
Игарка расположена в VI снеговом районе с
расчётным значением нагрузки от веса снегового покрова s0 = 4 кПа. Тогда кратковременная расчётная нагрузка на крайнюю
колонну от веса снегового покрова
P = s0∙AКР = 4х72 = 288 кН.
Она приложена к верху колонны с тем
же эксцентриситетом е1 = 140 мм.
Грузовая площадь средней колонны в
двое больше, чем крайней, поэтому вдвое возрастают нагрузки от покрытия, веса
стропильных ферм и снега. В итоге
N = 612,4 кН, P = 576 кН.
При одинаковых пролётах по обе
стороны колонны, нагрузки на нее слева и справа будут одинаковыми,
следовательно силы N и P приложены по оси колонны (с эксцентриситетом е1 = 0).
Ветровая нагрузка
Величину нормативного давления ветра
w0 определяют по СНиП 2.01.07-85* в зависимости от географического
района и типа местности: А - открытая, В-городские территории и лесные массивы,
С - городские территории с высотой застройки более 25 м. С увеличением высоты
здания ветровое давление возрастает, что учитывается поправочным коэффициентом k, а коэффициентом се
учитывают аэродинамическое сопротивление (профиль здания). Таким образом,
величину распределённой по площади нормативной нагрузки определяют из выражения
wm = wwkce.
Для расчёта рамы нагрузка должна
быть представлена в виде погонной нагрузки qw, собираемой с
грузовой полосы стены шириной l:
qw = γfwml,
где γf = 1,4 - коэффициент надёжности по нагрузке.
Поскольку эпюра ветровой нагрузки wm имеет сложную
форму, её для упрощения расчёта заменяют на прямоугольную, но с условием, чтобы
изгибающие моменты М в заделке колонны (ниже отметки чистого пола на 0,15 м)
были равными (замена эквивалентная по моменту).
Ветровое давление на шатёр покрытия
(выше верха колонн) заменяют сосредоточенной силой W, которую прикладывают к верху
колонн. Связано это с тем, что шарнирные опоры ригеля передают на нижележащие
конструкции не момент, а горизонтальные W и вертикальные N реакции. При действии ветровой
нагрузки реакциями N пренебрегают ввиду их малости. Учитывая что ригели имеют
бесконечную продольную жёсткость силы W и W’ суммируют и прикладывают в одной точке.
Рис. 2.1.2. Расчётная а) и
эквивалентная б) ветровые нагрузки
Принимаем тип местности - В
(городская территория), высота ферм на опоре 900 мм, высота плит 300 мм,
толщина кровли 220 мм. Тогда высота вертикальной части шатра 900 + 300 + 220 =
1420 мм.
Игарка расположена в III ветровом районе с
нормативным значением ветрового давления w0 = 0,38 кПа. При высоте до 5 м k1 = 0,5, при высоте 10 м k2 = 0,65, при высоте 20
м, k3 = 0,85. Принимаем аэродинамические коэффициенты се =
0,8 с наветренной стороны и сe3 = 0,5 с подветренной
(активное и пассивное давление).
Находим значения поправочных
коэффициентов на уровне низа шатра (при высоте здания до верха колонны 10,8 м)
kН = (k3 - k2)∙0,8/10 + k2 = (0,85 - 0,65) х0,8/10 + 0,65 = 0,666;
и на уровне верха шатра
kB = (0,85 - 0,65) х (0,8 + 1,42)/10 + 0,65 = 0,694.
Расчётное значение W определяем из объёма фигуры
ветрового давления на шатровую часть:
Рис. 2.1.3. К определению
эквивалентной ветровой нагрузки
W = 0,5 (kH + kB) (сe + ce3) HШ l γf w0 = 0,5 х (0,666 + 0,694)
(0,8 + 0,5) х 1,42 х 6 х х 1,4 х 0,38 = 4,01 кН.
Для приведения фактической нагрузки
к эквивалентной нагрузке qw, равномерно распределённой по высоте, удобнее всего вначале найти
эквивалентное значение коэффициента kЭ. Сделать это можно
через равенство статических моментов S (относительно заделки колонн) площадей фактической и
эквивалентной эпюр ветрового давления, принимая значения w0 и се равными 1.
Принимая с некоторым приближением
линейное возрастание нагрузки по высоте от 5 до 10,8 м (без учёта небольшого
перелома на высоте 10 м) получим от фактической эпюры:
S = k1 х 10,8 (10,8/2+0,15) +
0,5 (kH - k1) х 5,8 (5,8∙2/3 +
5 + 0,15).
От эквивалентной прямоугольной эпюры
S = kЭ х 10,8 (10,8/2 + 0,15).
Подставив в первое выражение k1 = 0,5 и kН = 0,666, приравняв оба
выражения, получим kЭ = 0,572.
Тогда эквивалентная величина
расчётной равномерно распределённой ветровой нагрузки с наветренной стороны
qw = kЭ се l γf w0 = 0,572 х 0,8 х
6 х 1,4 х 0,38 = 1,46 кН/м,
а с подветренной стороны
qw’ = kЭ се3 l γf w0 = 0,572 х 0,5 х 6 х 1,4 х 0,38 = 0,913 кН/м.
Крановая нагрузка
Мостовой кран рассматривают как
балку на двух опорах (по два колеса на каждой опоре), загруженную собственным
весом и тележкой с грузом, которая перемещается вдоль крана. При среднем
положении тележки опорные реакции крана равны, при крайнем - колёса крана давят
на ближайшую подкрановую балку силами Pmax(их нормативные значения приведены в справочнике), а колёса с
противоположной стороны с силами
Pmin = (Q + GК - 2Pmax)/2,
где Q - грузоподъёмность крана, GК - вес крана с тележкой, 2 - число колёс крана на одном пути.
Суммарное расчётное давление колёс
крана на колонну от каждого пути определяют через сумму ординат линии влияния Σyi, коэффициент надёжности по нагрузке γf = 1,1и ψ - коэффициент сочетаний (при одновременной работе 2-х кранов ψ = 0,85, 4-х кранов - ψ = 0,7):
Dmax = γf Pmax ψ Σyi и Dmin = γf Pmin ψ Σyi.
При торможении тележки возникает
тормозное усилие ТК, которое передаётся на один путь и
распределяется поровну между двумя колёсами крана. Для кранов с гибким подвесом
нормативное значение
ТК = 0,05 (Q + GT)/2,
где GT - вес тележки,
0,05 - коэффициент трения, 2 - число колёс крана на одном пути.
Расчётную горизонтальную силу от
одновременного действия 2-х кранов определяют по линиям влияния
T = γf TК ψ Σyi.
Сила Т передаётся на колонну как
горизонтальная опорная реакция подкрановой балки через соединительную деталь
(стальную пластину) на уровне верхней грани балки, т.е. на расстоянии от
консоли колонны, равном высоте подкрановой балки.
ЖБ подкрановые балки пролётом 6 м с
высотой сечения hПБ = 1000 мм и собственным
весом GБ = 60 кН, собственный
вес 1 м кранового пути gп = 2 кН/м.
Для крана пролётом 22,5 м и
грузоподъёмностью Q = 50/12,5 т ширина моста ВК = 6,86 м, расстояние между
колёсами АК = 5,6 м, максимальное давление одного колеса Pmax = 380 кН, масса
тележки GТ = 13,5 т (135 кН),
масса крана с тележкой GК = 48,5 т (485 кН).
Pmin = (Q + GК - 2Pmax)/2 = (500 + 485 -
2∙380)/2 = 112,5 кН.
По линии влияния опорных реакций
подкрановых балок пролётом 6 м
Σyi = 0,79 + 1,0 +
0,066 = 1,856.
Для крайних колонн при двух кранах
Dmax = γf Pmax ψ Σyi = 1,1∙380∙0,85∙1,856
= 659,4 кН;
Dmin = γf Pmin ψ Σyi = 1,1∙112,5∙0,85∙1,856 = 195,2 кН.
Рис. 2.1.4. Линия влияния реакции
подкрановой балки
Дополнительно колонны воспринимают
усилия от собственного веса подкрановой балки и крановых путей на длине l = 6 м
GПБ = γf GБ + γf gп l = 1,1∙60 + 1,2∙2∙6
= 80,4 кН.
еПБ = 250 + λ - hН/2 = 250 + 750 - 1000/2
= 500 мм.
Dmax, Dmin, GПБ действуют на крайнюю колонну с эксцентриситетом относительно её
подкрановой части
Рис. 2.1.5. Нагрузка на крайнюю
На среднюю колонну усилия в левом
пролёте действуют с эксцентриситетом еПБ = -λ = -750 мм.
Тормозная сила от одного колеса
крана
ТК = 0,05 (Q + GT)/2 = 0,05 (500 +
135)/2 = 15,875 кН;
Расчетная тормозная сила на крайнюю
колонну от двух кранов
T = γf TК ψ Σyi = 1,1∙15,875∙0,85∙1,856 = 27,55 кН приложена на
расстоянии от верха колонны НВ - hПБ = 4400 - 1000 = 3400 мм.
Нагрузки от стен
Если стеновое ограждение состоит из
навесных панелей, то необходимо учитывать нагрузку от стен с остеклением
приложенную в виде вертикальных сил с наружной стороны крайних колонн. Если
стены самонесущие, то нагрузка от них передаётся на фундамент и в работе рамы
не участвует.
Принимаем самонесущие стены. колонну
от покрытия и крана
2.2 Статический расчёт
поперечной рамы
Рис. 2.2.1. Схема поперечной рамы
сечениях: 1-1 расположено на отметке верха колонны; 2-2 максимально приближено
к консоли колонны сверху, т.е. до изменения высоты сечения; 3-3 расположено
сразу же после изменения сечения колонны; 4-4 расположено в месте заделки
колонны, т.е. на отметке -0,150
Расчётная схема поперечной рамы
представляет собой одноэтажную многопролётную стержневую систему, состоящую из
вертикальных стоек, защемлённых внизу, и шарнирно связанных с ними не
деформируемых в продольном направлении ригелей, что позволяет выполнять расчёт
ригелей независимо от расчёта рамы.
Статический расчёт рамы необходим
для определения усилий (изгибающих моментов М, продольных N и поперечных Q сил) в сечениях колонны. Поскольку
колонна имеет переменное (ступенчатое) сечение по высоте, для её расчёта
необходимо знать усилия в четырёх расчётных
Рис. 2.2.2. К сбору нагрузок на
крайнюю колонну
Статический расчёт будем выполнять в
программе ask, для чего подготовим исходные данные в табл. 2.2.1.
Таблица 2.2.1. Данные для
статического расчёта поперечной рамы в программе ask
|
№
|
Характеристика
|
Условные обозначения
|
Размерность
|
Колонна
|
|
|
|
|
Крайняя
|
Средняя
|
|
1
|
Шаг колонн
|
l
|
м
|
6
|
6
|
|
2
|
Модель упругости бетона
|
E (Eb)
|
МПа(10-3)
|
24
|
24
|
|
3
|
Ширина сечения колонны
|
b
|
см
|
60
|
70
|
|
4
|
Высота сечения надкрановой части
|
h(hB)
|
см
|
64
|
70
|
|
5
|
Высота сечения подкрановой части
|
c(hH)
|
см
|
100
|
100
|
|
6
|
Высота сечения ветви
|
d(hBT)
|
см
|
50
|
50
|
|
7
|
Число отверстий в подкрановой части
|
n
|
шт.
|
0
|
0
|
|
8
|
Высота колонны
|
H(HP)
|
м
|
10,95
|
10,95
|
|
9
|
Высота надкрановой части колонны
|
F(HB)
|
м
|
4,4
|
4,4
|
|
10
|
Превышение над подкрановой балкой
|
L
|
м
|
3,4
|
3,4
|
|
11
|
Усилие от массы покрытия
|
G(N)
|
кН
|
306,2
|
612,4
|
|
12
|
Эксцентриситет G
относительно оси надкрановой части
|
е(е1)
|
см
|
14
|
0
|
|
13
|
Усилие от массы подкрановых балок
|
Q(GПБ)
|
кН
|
80,4
|
80,4
|
|
14
|
Эксцентриситет Q
относительно оси подкрановой части
|
f(еПБ)
|
см
|
50
|
-75
|
|
15
|
Усилие от массы надкрановой части колонны
|
GB
|
кН
|
46,46
|
59,3
|
|
16
|
Усилие от массы подкрановой части колонны
|
GH
|
кН
|
108,1
|
126,09
|
|
17
|
Усилие от снега на покрытии
|
P
|
кН
|
288
|
576
|
|
18
|
Максимальное давление кранов
|
Dmax
|
кН
|
659,4
|
659,4
|
|
19
|
Минимальное давление кранов
|
Dmin
|
кН
|
195,2
|
195,2
|
|
20
|
Тормозное воздействие кранов
|
T
|
кН
|
27,55
|
27,55
|
|
21
|
Давление ветра на шатёр покрытия
|
W
|
кН
|
4,01
|
-
|
|
22
|
Активное давление ветра на колонну
|
qw
|
кН/м
|
1,46
|
-
|
|
23
|
Пассивное давление ветра на колонну
|
qw’
|
кН/м
|
0,913
|
-
|
Усилие от веса надкрановой части
колонны GB = γf b hB HB γ, где γ - удельный вес
железобетона.
Для крайней колонны:
GB = 1,1 х 0,6 х 0,64 х 4,4 х 25 = 46,46 кН.
Для средней колонны:
GB = 1,1 х 0,7 х 0,7 х 4,4 х 25 = 59,3 кН.
Усилие от веса подкрановой части
колонны GH = γf b hH(HP - HB) γ.
Для крайней колонны:
GH = 1,1 х 0,6 х 1,0 (10,95 - 4,4) х 25 = 108,1 кН.
Для средней колонны:
GH = 1,1 х 0,7 х 1,0 (10,95 - 4,4) х 25
= 126,09 кН.
Вводим исходные данные из таблицы
2.2.1. в программу ask и получаем таблицы расчётных усилий от каждой нагрузки в
расчётных сечениях крайних и средних стоек рамы и таблицы невыгодных сочетаний
нагрузок для тех же сечений.
Таблица 2.2.2. Усилия от вариантов
загружений по программе ask
|
Номер загружения
|
Коэффициент сочетания
|
Крайняя колонна
|
|
|
Усилия М, кН∙м; N,
кН; Q, кН в сечениях
|
|
|
1-1
|
2-2
|
3-3
|
4-4
|
|
|
M
|
N
|
M
|
N
|
M
|
N
|
M
|
N
|
Q
|
|
От постоянной нагрузки
|
|
1
|
1,0
|
306
|
21
|
353
|
-2
|
433
|
-35
|
541
|
-5
|
|
От максимальной вертикальной крановой нагрузки
|
|
2
|
1,0
|
0
|
0
|
-125
|
0
|
205
|
659
|
19
|
659
|
-28
|
|
3
|
0,9
|
0
|
0
|
-112
|
0
|
184
|
593
|
17
|
593
|
-26
|
|
От минимальной вертикальной крановой нагрузки
|
|
4
|
1,0
|
0
|
0
|
-21
|
0
|
76
|
195
|
45
|
195
|
-5
|
|
5
|
0,9
|
0
|
0
|
-19
|
0
|
69
|
176
|
40
|
176
|
-4
|
|
От горизонтальной крановой нагрузки на данную колонну
|
|
6
|
1,0
|
0
|
0
|
-29
|
0
|
-29
|
0
|
67
|
0
|
15
|
|
7
|
0,9
|
0
|
0
|
-26
|
0
|
-26
|
0
|
61
|
0
|
13
|
|
От горизонтальной крановой нагрузки на соседнюю колонну
|
|
8
|
1,0
|
0
|
0
|
5
|
0
|
5
|
0
|
12
|
0
|
1
|
|
9
|
0,9
|
0
|
0
|
4
|
0
|
4
|
0
|
11
|
0
|
1
|
|
От снеговой нагрузки
|
|
10
|
1,0
|
40
|
288
|
33
|
288
|
-19
|
288
|
-31
|
288
|
-2
|
|
11
|
0,9
|
36
|
259
|
29
|
259
|
-17
|
259
|
-28
|
259
|
-2
|
|
От ветровой нагрузки слева
|
|
12
|
1,0
|
0
|
0
|
8
|
0
|
8
|
0
|
72
|
0
|
15
|
|
13
|
0,9
|
0
|
0
|
7
|
0
|
7
|
0
|
64
|
0
|
13
|
|
От ветровой нагрузки справа
|
|
14
|
1,0
|
0
|
0
|
-11
|
0
|
-11
|
0
|
-61
|
0
|
-11
|
|
15
|
0,9
|
0
|
0
|
-10
|
0
|
-10
|
0
|
-55
|
0
|
-10
|
Таблица 2.2.3. Сочетания усилий по
программе ask
|
Крайняя колонна
|
|
Усилия М, кН∙м; N,
кН; Q, кН в сечениях
|
|
1-1
|
2-2
|
3-3
|
4-4
|
|
M
|
N
|
M
|
N
|
M
|
N
|
M
|
N
|
Q
|
|
Mmax
и соответствующие N и Q
|
|
1 10
|
1 10
|
1 2 -6
|
1 4 6
|
|
83
|
594
|
54
|
641
|
232
|
1092
|
77
|
736
|
5
|
|
1 5 -9 11 13
|
1 5 -7 11 13
|
1 3 -7 13
|
1 5 7 13
|
|
79
|
565
|
64
|
612
|
215
|
1027
|
130
|
717
|
17
|
|
Mmin
и соответствующие N и Q
|
|
1 4 -8
|
1 2 6
|
1 10
|
1 14
|
|
43
|
306
|
-133
|
353
|
-21
|
721
|
-96
|
541
|
-16
|
|
1 5 -9 15
|
1 3 7 15
|
1 11 15
|
1 3 -7 11 15
|
|
43
|
306
|
-128
|
353
|
-30
|
692
|
-161
|
1394
|
-55
|
|
Nmax
и соответствующие M и Q
|
|
1 10
|
1 10
|
1 2 -6
|
1 2 -6
|
|
83
|
594
|
54
|
641
|
232
|
1092
|
-83
|
1201
|
-48
|
|
1 11 13
|
1 3 7 11 15
|
1 3 -7 11 13
|
1 3 -7 11 15
|
|
79
|
565
|
-98
|
612
|
198
|
1286
|
-161
|
1394
|
-55
|
3. Расчёт и
конструирование колонн (крайней колонны)
По характеру действующих усилий
колонны относятся к внецентренно-сжатым элементам. Порядок расчёта надкрановых
частей сплошных и двухветвевых колонн одинаков. В подкрановой части
двухветвевых колонн при некоторых сочетаниях усилий одна из ветвей может
работать на внецентренное сжатие, а другая на растяжение. Распорки двухветвевых
колонн - изгибаемые элементы.
Расчёт и конструирование крайней
колонны
Расчётные характеристики:
бетон В20, Rb = 11,5МПа, Rbt = 0,9 МПа;
арматура А400, Rs = Rsc = 355 МПа, Es = 200000 МПа.
В сечениях колонны действуют отличающиеся
по величине положительные и отрицательные моменты. Однако для снижения
трудоёмкости арматурных работ и для повышения надёжности получаемых решений
примем симметричное армирование по всей высоте колонны.
3.1 Надкрановая часть
колонны
Размеры прямоугольного сечения
надкрановой части: b = 600 мм, hB = 640 мм. Для продольной арматуры принимаем а = а’ = 40 мм. Тогда
рабочая высота сечения h0 = 0,64 - 0,04 = 0,6 м.
Расчёт в плоскости изгиба
Сечение арматуры подбираем по РСУ в
сечении 2-2 от загружений 1, 3, 7, 11, 15, поскольку в данном РСУ одновременно
действуют близкие к максимальным значения момента и продольной силы М = -98 кН∙м,
N = 612
кН. В это сочетание входят усилия от постоянной нагрузки M = 21 кН∙м, N = 353 кН (загружение 1, табл.
6.2.2.).
Так как в сочетание входят крановые
нагрузки, расчётная длина надкрановой части колонны в плоскости изгиба (по
табл. 32 СНиП 2.03.01-84*):
l0 = 2HB = 2∙4,4 =
8,8 м,
а коэффициент условий работы бетона γb2 = 1,1.
Поскольку l0/hB = 8,8/0,64 = 13,75 > 10, то необходимо учитывать влияние на
несущую способность прогиба путём умножения значений е0 на
коэффициент η.
С учётом коэффициента условий работы
бетона γb2 = 1,1: Rb = 1,1∙11,5 =
12,65 МПа; Rbt = 0,9∙1,1 = 0,99 МПа. По табл. 18 СНиП 2.03.01-84* для
бетона подвергнутого тепловой обработке при атмосферном давлении Eb = 24000 МПа.
Эксцентриситет продольной силы
е0 = M/N = 98/612 = 0,16 м.
hB/30 = 0,64/30 = 0,0213; НВ/600 = 4,4/600 = 0,0733;
еа = 0,0733 м.
е0 > еа,
следовательно случайный эксцентриситет не учитываем, так как колонна нашей рамы
элемент статически неопределимой конструкции.
Найдём значение условной критической
силы и величину коэффициента η для учёта влияния прогиба элемента на величину эксцентриситета
продольной силы.
δе = е0/h = 0,16/0,64 = 0,25 > δе,min = 0,5 - 0,01l0/h - 0,01Rb = 0,5 - 0,01 х 8,8/0,64 - - 0,01 х 12,65 = 0,236.
Оставляем δе = 0,25.
По п. 3.24 [2] определяем моменты
относительно центра тяжести арматуры As:
M = M + N (h/2 - a) = 98
+ 612 (0,64/2 - 0,04) = 269,36 кН∙м;l = Ml + Nl (h/2 - a) = -21 +
353 (0,64/2 - 0,04) = 77,84 кН∙м;
Тогда по п. 3.6. [2] φl = 1 + βMl/M = 1 + 1∙77,84/269,36 = 1,29.
Для прямоугольного сечения:
В первом приближении принимаем μ = (As + As’)/bh0 = 0,005. Тогда:
,837 МН = 10837 кН.
Тогда эксцентриситет продольной силы
относительно центра тяжести арматуры As по п. 3.61 [3]:
e = e0η + (h0 - a’)/2 = 0,16∙1,06 + (0,6 - 0,04)/2 = 0,45 м.
По п. 3.62 [3] требуемое количество
симметричной арматуры определяется в зависимости от относительной величины
продольной силы:
αn = N/(Rbbh0)
= 612∙10-3/(12,65∙0,6∙0,6) = 0,134 < ξR = 0,581.s = As’ = Rbbh0(αm1 - αn(1 - αn/2))/(Rs(1 - δ)).
αm1 =
Ne/(Rbbh02) = 0,612∙0,45/(12,65∙0,6∙0,62)
= 0,1; δ = а’/h0 =
0,04/0,6 = 0,0666.
As = As’ = 12,65∙60∙60
(0,1 - 0,134 (1 - 0,134/2))/(355 (1 - 0,0666)) = -3,43 см2 < 0.
По расчёту арматура не требуется,
конструктивно принимаем As = As’ = = 2
16 А400 с площадью 4,02 см2. Принятая арматура
обеспечивает μ = 8,04∙100/(60∙60) =
0,22%, что значительно отличается от предварительно принятого μ = 0,5%. Принимаем As = As’ = 2
20 А400
с площадью 6,28 см2. Принятая арматура обеспечивает μ = 12,54∙100/(60∙60)
= 0,35%, расчёт можно не уточнять.
Окончательно принимаем As = As’ = 2
20 А400
= 6,28 см2.
Расчёт из плоскости изгиба
За высоту сечения принимаем размер
из плоскости изгиба, т.е. h = b = 0,6 м. Расчётная длина надкрановой части колонны из плоскости
изгиба по табл. 32 [2] l0 = 1,5HB = 1,5∙4,4 =
6,6 м. Поскольку l0/h = 6,6/0,6 = 11 < 13,75 (гибкость
в плоскости рамы), а усилие приложено со случайным эксцентриситетом, то по п.
3.51. [3] проверку прочности из плоскости изгиба не делаем.
Проверка прочности наклонных сечений
При правильно назначенных размерах
колонны заведомо выполняется условие прочности по наклонным сечениям, а
поперечное армирование назначается по конструктивным требованиям.
Поперечное армирование
Конструктивно принимаем поперечную
арматуру
10 мм с шагом 300 мм.
Рис. 3.1.1. Армирование надкрановой
части колонны крайней колонны
3.2 Подкрановая часть
колонны
Размеры прямоугольного сечения
подкрановой части: b = 600 мм, hн = 1000 мм. Для
продольной арматуры принимаем а = а’ = 40 мм. Тогда рабочая высота сечения h0 = 1,0 - 0,04 = 0,96 м.
Расчёт в плоскости изгиба
Сечение арматуры подбираем по РСУ в
сечении 3-3 от загружений 1, 2, -6, поскольку там действует наибольший
по абсолютной величине момент М = 232 кН∙м, при N = 1092 кН. В это сочетание входят
усилия от постоянной нагрузки М = -2 кН∙м, N = 433кН (загружение 1, табл.
6.2.2.).
Так как в данное сочетание входят
крановые нагрузки, расчётная длина надкрановой части колонны в плоскости изгиба
по табл. 32 [2]: l0 = 1,5Нн =
1,5∙6,55 = 9,825 м, а коэффициент условий работы бетона γb2 = 1,1.
Поскольку 4 < l0/hн = 9,825/1 < 10,
необходимо учитывать влияние прогиба на величину эксцентриситета продольной
силы.
Эксцентриситет продольной силы е0
= M/N = 232/1092 = 0,212 м.
(1/600)∙6,55 = 0,011 м, (1/30)∙1,0
= 0,033
еа = 0,033 м.
е0 > еа
следовательно случайный эксцентриситет не учитываем, так как колонна нашей рамы
- элемент статически неопределимой конструкции.
Найдём значение условной критической
силы и величину коэффициента η для учёта влияния прогиба на величину эксцентриситета продольной
силы.
Заранее зададимся μ < 2,5%, тогда по п.
3.54 [3]:
Ncr = 0,15 (EbA)/((l0/h)2) = 0,15 (24000∙0,6∙1,0)/((9,825/1,0)2)
= 22,376 МН = 22376 кН.
η = 1/(1 - N/Ncr) = 1/(1 -
1092/22376) = 1,05.
Тогда эксцентриситет продольной силы
относительно центра тяжести арматуры As по п. 3.61.
e = e0 + (h0 - a’)/2 = 0,212 + (0,96 - 0,04)/2 = 0,672 м.
По п. 3.62. [3] относительная
величина продольной силы:
αn = N/(Rbbh0)
= 1092∙10-3/(12,65∙0,6∙0,96)
= 0,15 < ξR = 0,581.s = As’ = Rbbh0(αm1 - αn(1 - αn/2))/(Rs(1 - δ)).
αm1 =
Ne/(Rbbh02) = 1,092∙0,672/(12,65∙0,6∙0,962)
= 0,105; δ = а’/h0 =
0,04/0,96 = 0,0416.
As = As’ = 12,65∙60∙96
(0,105 - 0,15 (1 - 0,15/2))/(355 (1 - 0,0416)) = -7,2 см2 < 0.
По расчёту арматура не требуется,
конструктивно принимаем As = As’ = = 2
20 А400 с площадью 6,28 см2. Принятая арматура
обеспечивает μ = 12,54∙100/(60∙96) =
0,22%, что удовлетворяет условию μ <
2,5%.
Окончательно принимаем As = As’ = 2
20 А400
= 6,28 см2.
Расчёт из плоскости изгиба
За высоту сечения принимаем размер
из плоскости изгиба h = b = 0,6 м. Расчётная длина подкрановой части колонны из плоскости
изгиба по табл. 32 [2] l0 = 0,8Нн =
0,8∙6,55 = 5,24 м. Поскольку l0/b = 5,24/0,6 = 8,73 < 9.825
(гибкость в плоскости рамы), а усилие приложено со случайным эксцентриситетом,
то по п. 3.51. [3] расчёт прочности из плоскости изгиба можно не производить.
Проверка прочности наклонных сечений
Прочность наклонных сечений для подкрановой
части колонны заведомо удовлетворяется, а поперечное армирование принимают по
конструктивным требованиям.
Поперечное армирование
Конструктивно принимаем поперечную
арматуру
10 А400 с шагом 300 мм.
Рис. 3.2.1. Поперечное армирование
подкрановой части крайней колонны
При ненулевой привязке колонны
усилия от подкрановых балок приложены с эксцентриситетом относительно
внутренней грани колонны еD = 0,25 + 0,75 - 0,8 = 0,2 м. Однако консоль армируем
конструктивно, см. приложение.
4. Стропильные
конструкции покрытия
В качестве стропильной конструкции
принята сегментная ферма.
Расчёт и конструирование сегментной
фермы
Рассчитаем и запроектируем
стропильную ферму пролётом 24 м, при шаге ферм 6 м.
Принимаем геометрические размеры
фермы 1-го типоразмера по серии ПК-01-129/78 (выпуск 4, лист 39).
4.1 Определение усилий в
элементах фермы
нормативная Nnl = 3,12 х 18 + 92 х
3/23,94 = 67,7 кН;
расчётная Nl = 3,55 х 18 + 1,1
х 92 х 3/23,94 =76,6 кН.
С учётом снега на покрытии:
полная нормативная Nn = 67,7 + 0,7 х 4 х
18 = 118,1 кН;
полная расчётная N = 76,6 + 4 х 18 = 148,6 кН.
Железобетонная ферма с жёсткими
узлами является статически неопределимой системой. Опытом проектирования
установлено, что величины продольных усилий в поясах и решётке слабо зависят от
жёсткости узлов. Поэтому продольные усилия в элементах фермы определяют в
предположении шарнирного соединения в узлах. Влияние жёсткости узлов на
прочность сжатых элементов учитывают уменьшением их расчётной длины, а
трещиностойкость и ширину раскрытия трещин растянутых элементов - введением
поправочных коэффициентов. Поскольку геометрическая схема ферм всех
типоразмеров одинакова, в статическом расчёте удобно использовать единичные
загружения узлов. Умножая усилия от единичных загружений на соответствующие
узловые нагрузки, получаем таблицу проектных усилий в элементах фермы.
Табл. 4.1.1. Усилия в элементах
фермы, кН
|
Тип
|
Элемент
|
Загружение
|
|
|
Единичной
|
Постоянной
|
Полной
|
|
|
|
норм.
|
расч.
|
норм.
|
расч.
|
|
Верхний пояс
|
В1
|
-7,433
|
-503,2
|
-569,4
|
-877,8
|
-1104,5
|
|
В2
|
-7,436
|
-503,4
|
-569,6
|
-878,2
|
-1105,0
|
|
В3
|
-7,126
|
-482,4
|
-545,9
|
-841,6
|
-1058,9
|
|
В4
|
-7,956
|
-538,6
|
-609,4
|
-939,6
|
-1182,3
|
|
Нижний пояс
|
Н1
|
6,556
|
443,8
|
502,2
|
774,3
|
974,2
|
|
Н2
|
8,109
|
549,0
|
621,2
|
957,7
|
1205,0
|
|
Раскосы
|
Р1
|
0,618
|
41,8
|
47,3
|
73,0
|
91,8
|
|
Р2
|
-1,315
|
-89,0
|
-100,7
|
-155,3
|
-195,4
|
|
Р3
|
-0,241
|
-16,3
|
-18,5
|
-28,5
|
-35,8
|
|
Стойки
|
С1
|
0,615
|
41,7
|
47,1
|
72,6
|
91,4
|
|
С2
|
0,321
|
21,7
|
24,6
|
37,9
|
47,7
|
Рис. 4.1.1. Усилия в элементах фермы
пролётом 24 м по серии ПК-01-129/78 от загружения узлов верхнего пояса
единичными силами (табл. 4.1.1.)
4.2 Расчёт элементов
фермы
В качестве напрягаемой арматуры
нижнего пояса принимаем арматуру класса А800 с Rsn = 800 МПа, Rs = Rsс = 695 МПа и Es = 200000 МПа. Тогда потребуется минимальный класс бетона - В20,
Принимаем бетон В30 с характеристиками Rbn = 22 МПа, Rbtn = 1,8 МПа, Rb = 17 МПа, Rbt = 1,2 МПа и Eb = 29000 МПа, по
характеру действующих нагрузок γb2 = 0,9. Прочность бетона при отпуске натяжения арматуры примем Rbp = 0,7В = 21 МПа.
Для армирования верхнего пояса и решётки примем арматуру класса А400 с Еs = 200000 МПа, Rs = Rsc = 365 МПа, Rsw = 290 МПа - при
10 - 40 мм; Rs = Rsc = 355 МПа, Rsw = 285 МПа - при
6 - 8
мм.
Верхний пояс
Из табл. 8.1.1. находим, что в
верхнем поясе наибольшее усилие от полной расчётной нагрузки действует в панели
В4: N = -1182,3 кН, в том числе от длительной Nl = -609,4 кН. При
расчётной длине l0 = 0,9l = 0,9 х 3010 = 2709 мм, где l = 3010 мм - расстояние между
геометрическими узлами для этой панели верхнего пояса, максимальная гибкость в
плоскости фермы λ = l0/h = 270,9/20 = 13,545. Поскольку элемент работает на сжатие со
случайным эксцентриситетом и λ < 20, расчёт ведём из условия п. 3.64. [3]:
N
φ[RbAb + Rsc(As + As’)],
где Ab = 25 х 20 = 500 см2
- площадь бетонного сечения, φ - коэффициент учитывающий гибкость колонны и длительность действия
нагрузок.
Преобразуя формулу получим:
As + As’
(N - φRbAb)/(φRsc).
φ = φ1 + 2 (φ2 - φ1) Rsc(As
+ As’)/(RbAb)
φ2,
где φ1 и φ2 принимаются по табл. 26 [3].
В первом приближении принимаем
минимальное насыщение сечения верхнего пояса арматурой As + As’ = 3,14 см2 (4
10 А400). Тогда в нашем случае, при l0/h = 13,545 и Nl/N = 609,4/1182,3 = 0,515, коэффициенты φ1 = 0,85, φ2 = 0,87.
φ = 0,85 + 2 (0,87 - 0,85) х 365 х 3,14/(0,9 х 17 х 500) = 0,855 < φ2.
Несущая способность сечения:
u = φ[RbAb + Rsc(As + As’)] = 0,855 [17 х 0,9 х 500 + 365 х 3,14] х 10-1 = 752,1
< < 1182,3 кН.
Увеличиваем площадь сечения арматуры
до 4
25 (As + As’ = 19,63 см2)
тогда:
φ = 0,85 + 2 (0,87 - 0,85) х 365 х 19,63/(0,9 х 17 х 500) = 0,887 > φ2
φ =
φ2 = 0,87.
Несущая способность сечения:
Nu = φ[RbAb + Rsc(As + As’)] = 0,87 [17 х 0,9 х
500 + 365 х 19,63] х 10-1 = 1289 > > 1182,3 кН.
Полученный процент армирования от
рабочей площади бетона составляет:
μ = (As + As’) 100/(bh0) = 19,63∙100/(25 х 16,5) = 4,76%.
При гибкости l0/h = 13,545 это выше минимально допустимого процента армирования μmin = 0,2%.
Расчёт сечения пояса из плоскости
фермы не выполняем, так как все узлы фермы раскреплены.
Поперечное армирование принимаем по
с. 1.463.1-16 для фермы 1ФС24 - 1AV.
Нижний пояс
Расчёт нижнего пояса ведём по
наибольшему усилию в панели Н2 от полной расчётной нагрузки: N = 1205 кН. Для расчёта по второй
группе предельных состояний имеем: нормативное значение усилия от постоянной и
полной снеговой нагрузок Nn = 957,7 кН; нормативное значение усилия от постоянной длительной
нагрузки Nnl = 549,0 кН (табл. 8.1.1.).
Определяем площадь сечения
растянутой напрягаемой арматуры при γs6 = η = 1,15 (для арматуры
класса А800):
As = N/(γs6Rs) = 1205/(1,15 х
695 х 10-1) = 15,08 см2.
Принимаем 4
22 А800 - 15,2 см2.
Приведённая площадь сечения Ared = Ab + AsEs/Eb = 22 х 25 + 15,2 х
200000/29000 = 654,8 см2.
Расчёт нижнего пояса на
трещиностойкость
Элемент относится к 3-й категории.
Принимаем механический способ натяжения арматуры. Величину предварительного
напряжения в арматуре σsp, при p = 0,05σsp, назначаем по п. 1.23
[2] из условия:
σsp + p
Rsn; σsp = 800/1,05
761,9.
Принимаем σsp = 750 МПа.
Определяем потери предварительного
напряжения в арматуре при γsp = 1, табл. 5 [2].
Первые потери:
а) от релаксации напряжений в
арматуре
σ1 = 0,1σsp - 20 = 0,1 х 750 - 20 =
55 МПа.
б) от разности температур
напрягаемой арматуры и натяжных устройств (при
t = 65°C)
σ2 = 1,25
t = 1,25 х 65 = 81,25 МПа.
в) от деформации анкеров (при
l = 1,25 + 0,15d = 1,25 + 0,15 х 22 = 4,55 мм и
длине стержней при изготовлении ферм в стенд-камерах l = 25 м)
σ3 =
lEs/l = 4,55 х 200000/25000 = 36,4 МПа.
г) для вычисления потерь от быстронатекающей
ползучести бетона определим усилие натяжения к началу обжатия
P1 = As(σsp - σ1 - σ2 - σ3) = 15,2 х (750 - 55 -
81,25 - 36,4) х 10-1 = 877,57 кН.
Тогда напряжение в бетоне в начале
обжатия
σbp = P1/Ared = 877,57 х 10/654,8 = 13,4 МПа.
σbp/Rbp = 13,4/21 = 0,638
< α = 0,25 + 0,025Rbp = 0,775.
Потери от быстронатекающей
ползучести:
σ6 = 40 х 0,85 х σbp/Rbp = 40 х 0,85 х 13,4/21 = 21,69 МПа,
Где 0,85 - коэффициент, учитывающий
тепловую обработку.
Первые потери составляют:
σlos1 = 55 + 81,25 + 36,4 + 21,69 = 194,35 МПа.
Вторые потери:
а) от усадки для бетона,
подвергнутого тепловой обработке при атмосферном давлении:
класса В35 и ниже σ8 = 35 МПа;
класса В40 и ниже σ8 = 40 МПа;
класса В45 и ниже σ8 = 45 МПа.
При В30 принимаем σ8 = 35 МПа.
б) для вычисления потерь от
ползучести бетона определим усилие натяжения после обжатия
P1 = As(σsp - σlos1) = 15,2 (750 - 194,35) х 10-1 = 844,58 кН.
Тогда напряжение в бетоне после
обжатия
σbp = P1/Ared = 844,58 х 10/654,8 = 12,898 МПа.
σbp/Rbp = 12,898/21 =
0,614 < 0,75.
Потери от ползучести бетона
σ9 = 150 х α х σbp/Rbp = 150 х 0,85 х 12,898/21 = 78,31 МПа,
где
α - коэффициент, учитывающий тепловую
обработку при атмосферном давлении.
Полные потери составляют
σlos = 194,35 + 35 + 78,31 =
307,66 > 100 МПа.
Расчётный разброс напряжений при
механическом способе натяжения принимается равным
γsp = 0,1.
Сила обжатия
P = As(σsp - σlos)γsp, при γsp = 1 -
γsp = 0,9
P = 15,2 (750 - 307,66) х 0,9 х 10-1
= = 605,12кН.
Усилие воспринимаемое сечением при
образовании трещин:
Ncrc = Rbtn(A + 2AsEs/Eb) + P = 1,8 х 10-1 (500 + 2 х 15,2 х 200000/29000) + 605,12=
= 732,86 < 1,15 х Nn = 1,15 х 957,7 = 1101,35,
где 1,15 - коэффициент учитывающий
снижение трещиностойкости вследствие жесткости узлов фермы.
Так как условие трещиностойкости
сечения не соблюдается, необходим расчёт по раскрытию трещин.
Приращение напряжения в растянутой
арматуре от полной нагрузки при γsp = 1:
σs = (Nn - P)/As = (957,7 - 605,12)
х 10/15,2 = 231,96 МПа.
Приращение напряжения в растянутой
арматуре от длительной нагрузки при γsp= = 1:
σs = (Nnl - P)/As = (549,0 - 605,12)
х 10/15,2 < 0,
следовательно, трещины при
постоянной нагрузке не раскрываются.
Коэффициент армирования сечения μ = 15,2/500 = 0,0304.
Ширина раскрытия трещин от
кратковременного действия полной нагрузки на уровне оси нижнего пояса (п. 4,14
[2]):
acrc1 = δ φl η (σs/Es) 20 (3,5 - 100μ)
=
= 1,2 х 1 х 1 (231,96/200000) 20
(3,5 - 100 х 0,02)
=
0,117 мм.
С учётом влияния жёсткости узлов
раскрытие трещин у наиболее растянутых граней будет в 2 раза больше
acrc1 = 2 х 0,117 = 0,234 мм
> [acrc1] = 0,2 мм.
Увеличиваем армирование до 4
25 А800 с площадью 19,63 см2 и повторяем расчёт на
трещиностойкость.
Приведённая площадь сечения Ared = Ab + AsEs/Eb = 22 х 25 + 19,63х
200000/29000 = 685,4 см2.
σsp = 750 МПа.
Определяем потери предварительного
напряжения в арматуре при γsp = 1, табл. 5 [2].
Первые потери:
а) от релаксации напряжений в
арматуре
σ1 = 0,1σsp - 20 = 0,1 х 750 - 20 =
55 МПа.
б) от разности температур
напрягаемой арматуры и натяжных устройств (при
t = 65°C)
σ2 = 1,25
t = 1,25 х 65 = 81,25 МПа.
в) от деформации анкеров (при
l = 1,25 + 0,15d = 1,25 + 0,15 х 25 = 5,0 мм и длине
стержней при изготовлении ферм в стенд-камерах l = 25 м)
σ3 =
lEs/l = 5,0 х 200000/25000 = 40 МПа.
г) для вычисления потерь от
быстронатекающей ползучести бетона определим усилие натяжения к началу обжатия
P1 = As(σsp - σ1 - σ2 - σ3) = 19,63 х (750 - 55 -
81,25 - 40) х 10-1 = 1126,27 кН.
Тогда напряжение в бетоне в начале
обжатия
σbp = P1/Ared = 1126,27 х 10/685,4 = 16,43 МПа.
σbp/Rbp = 16,43/21 = 0,782
> α = 0,25 + 0,025Rbp = 0,775.
Потери от быстронатекающей ползучести:
σ6 = 40α + 0,85β(σbp/Rbp - α) = 40 х 0,775 + 0,85 х 1,365 (16,43/21 - 0,775) = 31МПа,
Первые потери составляют:
σlos1 = 55 + 81,25 + 40 + 31 = 207,25 МПа.
Вторые потери:
а) от усадки для бетона,
подвергнутого тепловой обработке при атмосферном давлении:
класса В35 и ниже σ8 = 35 МПа;
класса В40 и ниже σ8 = 40 МПа;
класса В45 и ниже σ8 = 45 МПа.
При В30 принимаем σ8 = 35 МПа.
б) для вычисления потерь от
ползучести бетона определим усилие натяжения после обжатия
P1 = As(σsp - σlos1) = 19,63 (750 - 207,25) х 10-1 = 1065,42 кН.
Тогда напряжение в бетоне после
обжатия
σbp = P1/Ared = 1065,42 х 10/685,4 = 15,54 МПа.
σbp/Rbp = 15,54/21 = 0,74
< 0,75.
Потери от ползучести бетона
σ9 = 150 х α х σbp/Rbp = 150 х 0,85 х 15,54/21 = 94,38 МПа,
где α
- коэффициент, учитывающий тепловую обработку при атмосферном
давлении.
Полные потери составляют
σlos = 207,25 + 35 + 94,38 =
336,63 > 100 МПа.
Расчётный разброс напряжений при
механическом способе натяжения принимается равным
γsp = 0,1.
Сила обжатия
= As(σsp - σlos)γsp, при γsp = 1 -
γsp = 0,9
P = 19,63 (750 - 336,63) х 0,9 х 10-1 = = 730,31 кН.
Усилие воспринимаемое сечением при
образовании трещин:
Ncrc = Rbtn(A + 2AsEs/Eb) + P = 1,8 х 10-1 (500 + 2 х 19,63 х 200000/29000) +
730,31= = 869,05 < 1,15 х Nn = 1,15 х 957,7 = 1101,35,
где 1,15 - коэффициент учитывающий
снижение трещиностойкости вследствие жесткости узлов фермы.
Так как условие трещиностойкости
сечения не соблюдается, необходим расчёт по раскрытию трещин.
Приращение напряжения в растянутой
арматуре от полной нагрузки при γsp = 1:
σs = (Nn - P)/As = (957,7 - 730,31)
х 10/19,63 = 115,84 МПа.
Приращение напряжения в растянутой
арматуре от длительной нагрузки при γsp= = 1:
σs = (Nnl - P)/As = (549,0 - 730,31)
х 10/19,63 < 0,
следовательно трещины при постоянной
нагрузке не раскрываются.
Коэффициент армирования сечения μ = 19,63/500 = 0,039.
Ширина раскрытия трещин от
кратковременного действия полной нагрузки на уровне оси нижнего пояса (п. 4,14
[2]):
acrc1 = δ φl η (σs/Es) 20 (3,5 - 100μ)
=
= 1,2 х 1 х 1 (115,84/200000) 20
(3,5 - 100 х 0,02)
=
0,0609 мм.
С учётом влияния жёсткости узлов
раскрытие трещин у наиболее растянутых граней будет в 2 раза больше
acrc1 = 2 х 0,0609 = 0,122 мм
< [acrc1] = 0,2 мм.]
Расчёт растянутого раскоса
Растягивающее усилие в крайнем
нисходящем раскосе Р1: нормативное от постоянной и снеговой нагрузок Nn = 73,0 кН;
нормативная от постоянной нагрузки Nnl = 41,8 кН; расчётное значение усилия от постоянной и снеговой
нагрузок N = = 91,8 кН (табл. 8.1.1.).
Требуемая площадь арматуры раскоса
As = N/Rs = 91,8 х 10/365 = 2,52 см2.
Принимаем 4
10 А400 с As = 3,14 см2.
Усилие воспринимаемое сечением при
образованием трещин:
Ncrc = Rbtn(A + 2AsEs/Eb) = 1,8 х 10-1 (15 х 15 + 2 х 3,14 х 200000/29000) =
48,3 < < 1,15 х Nn = 1,15 х 73,0 = 83,95,
где 1,15 - коэффициент учитывающий
снижение трещиностойкости вследствие жесткости узлов фермы.
Так как условие трещиностойкости
сечения не соблюдается, необходим расчёт по раскрытию трещин.
Приращение напряжения в растянутой
арматуре от полной нормативной нагрузки
σs = Nn/As = 73,0 х 10/3,14 =
232,48 МПа.
Приращение напряжения в растянутой
арматуре от длительной нагрузки
σs = Nnl/As
= 41,8 х 10/3,14 = 133,12 МПа.
Коэффициент армирования сечения
μ = As/Ab = 3,14/225 =
0,0139555.
Ширина раскрытия трещин от
кратковременного действия полной нагрузки на уровне оси раскоса:
acrc1’ = δ φl η (σs/Es) 20 (3,5 - 100μ)
= 1,2 х 1 х 1 (232,48/200000) х 20 х (3,5 - 100 х 0,0139555)
= 0,126 мм.
Ширина раскрытия трещин от
кратковременного действия постоянной нагрузки на уровне оси раскоса:
acrc2’ = 1,2 х 1 х 1 (133,12/200000) х 20 х (3,5 - 100 х 0,0139555)
= 0,0724 мм.
Ширина раскрытия трещин от
продолжительного действия постоянной нагрузки на уровне оси раскоса:
acrc2 = 1,2 х 1,39 х 1
(133,12/200000) х 20 х (3,5 - 100 х 0,0139555)
= 0,0100 мм,
где φl = 1,6 - 15μ = 1,6 - 15
х 0,0139555 = 1,39.
Тогда непродолжительное раскрытие
трещин при полной нагрузке
acrc1 = 0,126 - 0,0724 + 0,01
= 0,0636 мм.
С учётом влияния жёсткости узлов
раскрытие трещин у наиболее растянутых граней будет в два раза больше
acrc1 = 2 х 0,0636 = 0,127 мм
< [acrc1] = 0,4 мм,
acrc2 = 2 х 0,01 = 0,02 мм
< [acrc2] = 0,3 мм.
Расчёт опорного узла
Расчёт опорного узла выполняем для
обеспечения прочности на изгиб наклонного сечения с проекцией с0 = lуз - lоп = 115 - 36 = 79 см
(рис. 8.2.1.). В растянутой зоне этого сечения работает слабо заанкерованная
напрягаемая арматура, воспринимающая усилие Nxp = RsAsplop/lp, где lp - длина зоны передачи напряжений по п. 2.29 [2]
lp = ((wpσsp/Rbp) + λp) d = ((0,25 х 750/21) + 10) х 25 = 473
мм,
Рис. 4.2.1. К расчёту опорного узла
фермы
здесь wp и λp - коэффициенты по табл. 28 [2].
Тогда Nxp = 695 х 10-1
х 19,63 х 36/47,3 = 1038,4 кН. Дополнительно к этой арматуре рекомендуется
устанавливать ненапрягаемую, обеспечивающую усилие Nxp = = (0,1 - 0,15) RsAsp (от
полного усилия в напрягаемой арматуре): 0,1 х 695 х х 19,63/365 = 3,73 см2.
Принимаем 4
12 А400
с As = 4,52 см2. Тогда Ns = 365 х 10-1
х х 4,52 = 164,98 кН, а высота сжатой зоны в конце наклонного сечения x = (Nxp + + Ns)/Rbb = (1038,4 +
164,98)/(0,9 х 17 х 10-1 х 25) = 31,46 см.
Плечо внутренней пары z = hуз - 0,5 (hнп + х) = 78 - 0,5 (22 +
31,46) = 51,27 см, а момент воспринимаемый наклонным сечением без поперечной
арматуры
Мu = (Nхр + Ns) z = (1038,4 + 164,98) х 0,5127 = 616,97 кН∙м.
Опорная реакция фермы Q = NH1 tgα, где NH1 - усилие в примыкающей к узлу крайней панели нижнего пояса, α - угол наклона оси крайней
панели верхнего пояса к оси нижнего. Q = 974,2 х 1348/2900 = 452,8 кН приложена на 170 мм от торца
фермы. Тогда внешний момент М = Q(lуз - 0,17) = 452,8 (1,15 -
0,17) = 443,78 кН, что меньше момента воспринимаемого наклонным сечением, т.о.
поперечная арматура по расчету не требуется. Принимаем конструктивно поперечную
арматуру
8 А400 с шагом 100 мм.
5. Расчёт и
конструирование фундамента под крайнюю колонну
Колонны заделывают в сборные или
монолитные (при большой их массе) отдельно стоящие фундаменты с повышенной
стаканной частью.
Условное расчётное сопротивление
грунта R0 = 0,25 МПа; бетон
тяжёлый класса В20. Rb = 11,5 МПа, Rbt = 0,9 МПа; арматура из горячекатаной стали класса А400, Rs = Rsc = 365 МПа. Вес
единицы объёма материала фундамента и грунта на его обрезах γ = 20 кН/м3.
С учётом принятой заделки колонны
900 мм глубину стакана фундамента принимаем 950 мм, что не менее Нан
0,5 + 0,33hн = 0,5 + 0,33 х 1 = 0,83
м; Нан
1,5bн = 1,5 х 0,6 = 0,9 м; Нан
30d = 30 х 0,016 = 0,48 м, где d = 1,6 см - диаметр продольной
арматуры колонны. Расстояние от дна стакана до подошвы фундамента должно быть
не менее 250 мм. Тогда полная высота фундамента составит Н = 950 + + 250 = 1200
мм, а глубина заложения его подошвы Н1 = 1200 + 150 = 1350 мм.
По верхнему обрезу фундамента
(сечение 4-4 колонны) расчётным является сочетание: М = -161 кНм, N = 1394 кН, Q = -55 кН.
Нормативные значения усилий
определим делением расчётных усилий на усреднённый коэффициент надёжности по
нагрузке γf,n = 1,15:
Мn = -140 кНм, Nn = 1212 кН, Qn = -48 кН.
Предварительно площадь подошвы
фундамента с учётом веса грунта на его обрезах определим из выражения:
А = 1,05Nn/(R0 - γH1) = 1,05 х 1212/(250 -
20 х 1,35) = 5,71 м2,
где 1,05 - коэффициент учитывающий
влияние момента.
Принимая отношение сторон b/a = 0,8, получаем а = 2,6 м, b = 2,2 м, тогда площадь подошвы
фундамента А = 2,2 х 2,6 = 5,72 м2, момент сопротивления W = 2,2 х х 2,62/6 = 2,47
м3.
Определим краевое давление на
основание:
pn,max = (Nn
+ Gn)/A + Mn/W и pn,min = (Nn + Gn)/A - Mn/W,
учитывая что изгибающий момент в
уровне подошвы Мn = Мn + QnH = 140 + 48 х х 1,2 = 197,6 кНм, а нагрузка от веса фундамента и
грунта на его обрезах Gn = = b а H1 γ γn (здесь γn - коэффициент надёжности по назначению).
Gn = 2,6 х 2,2 х 1,35 х 20 х 0,95 = 147 кН.
pn,max = (1212 + 147)/5,72 + 140/2,47 = 294 < 1,2R0 = 1,2 х 250 = 300 кН/м2.
pn,min = (1212 + 147)/5,72 - 140/2,47 = 181 > 0.
Конструирование и расчёт тела фундамента
Толщину стенки стакана поверху
примем 200 мм. Тогда при зазоре между её внутренней гранью и колонной 75 мм
высота сечения стаканной части ас = 275 х 2 + + hн = 550 + 1000 = 1550 мм, а ширина bc = 275 х 2 + bн = 550 + 600 = 1150 мм.
Определим напряжения в грунте под
подошвой фундамента в направлении длинной стороны без учёта веса фундамента и
грунта на его обрезах от расчётных нагрузок:
pmax = N/A +
(M + QH)/W = 1394/5,72 + (161 + 55·1,2)/2,47 = 336 кН/м2;min = N/A - (M + QH)/W = 1394/5,72 - (161 + 55·1,2)/2,47
= 151,8 кН/м2.
Увеличиваем длину фундамента до 3,0
м, тогда площадь фундамента А = 3,0 х, х 2,2 = 6,6 м2, момент
сопротивления W = 2,2 х 3,02/6 = 3,3 м3.
pmax = N/A +
(M + QH)/W = 1394/6,6 + (161 + 55·1,2)/3,3 = 280 кН/м2;min =
N/A - (M + QH)/W = 1394/6,6 - (161 + 55·1,2)/3,3 = 142 кН/м2.
Высоту фундаментной плиты по краю
примем 250 мм, а в примыкании к стаканной части 350 мм.
Расстояние от нижней грани до оси
продольных стержней при подготовке из тощего бетона примем а = 50 мм, тогда
полезная высота в сечении 1-1 h0 = 35 - 5 = 30 см.
По линейной интерполяции определим
напряжения в сечении 1-1 p1 = 247 кН/м2
и на грани пирамиды продавливания р2 = 261 кН/м2.
Рассматривая полосу шириной 1 м, определим погонную силу продавливания Q = (a - ac - 2h0) (pmax + p2)/4 = = (3 - 1,55 -
2·0,3) (280 + 142)/4 = 89,7 кН/м.
Сопротивление продавливанию полосы без
поперечной арматуры по п. 3.32 [2]:
φb4 γb2 Rbt b h02/c = = 1,5·1,1·0,9·1·0,32·103/0,3 = 445,5 >
> Q = 89,7 кН.
Принятые размеры фундаментной плиты
достаточны.
Погонный изгибающий момент от
расчётных нагрузок в сечении 1-1:
Рис. 9.1. К расчёту тела фундамента
М = p1(a - ac)2/8 + (pmax
- p1) (a - ac)2/12 = 247 (3 - 1,55)2/8
+ (280 - 247) (3 - - 1,55)2/12 = 70,7 кНм.
Требуемое сечение арматуры:
As = M /0,9h0Rs = 70,7·103/(0,9·30·365) = 7,17 см2/м.
Принимаем
14 А400, ш. 200 мм (As = 7,69 см2/м). Процент армирования µ = =
1,539·100/(25·30) = 0,2052% > µmin = 0,05%.
Арматуру укладываемую параллельно
меньшей стороне фундамента определим по максимальному погонному изгибающему моменту
в сечении 2-2:
M = pmax(b - bc)2/8 = 280 (2,2 - 1,15)2/8 = 38,6 кНм.
Требуемое сечение арматуры:
As = M/0,9h0Rs = 38,6·103/(0,9·30·365) = 3,92 см2/м.
С учётом повышенной коррозийной
опасности принимаем
А400,
ш. 200 мм (As = 7,69 см2/м). Процент армирования µ = =
1,539·100/(25·30) = 0,2052% > µmin = 0,05%).
В стаканной части арматуру принимаем
из стержней
А400 с
шагом вертикальных и горизонтальных стержней 200 мм (при этом соблюдается
условие, что суммарная площадь As вертикальных стержней в каждой из коротких стенок должна быть не
меньше As колонны).
Литература
1. СНиП 2.01.07 - 85*. Нагрузки и воздействия.
2. СНиП 2.03.01 - 84*. Бетонные и железобетонные конструкции.
. Пособие по проектированию бетонных и железобетонных
конструкций из тяжёлых и лёгких бетонов без предварительного напряжения
арматуры (к СНиП 2.03.01 - 84*)/ - М.: Центральный институт типового
проектирования, 1989. - 506 с., 1989. - 193 с.
. Байков В.М. Сигалов З.Е. Железобетонные конструкции.
Общий курс. М.: - Стройиздат, 1991. - 767 с.