Сборные железобетонные конструкции одноэтажного промышленного здания
ФЕДЕРАЛЬНОЕ АГЕНТСТВО ПО ОБРАЗОВАНИЮ
ГОСУДАРСТВЕННОЕ ОБРАЗОВАТЕЛЬНОЕ УЧРЕЖДЕНИЕ
ВЫСШЕГО ПРОФЕССИОНАЛЬНОГО ОБРАЗОВАНИЯ
ЛИПЕЦКИЙ ГОСУДАРСТВЕННЫЙ ТЕХНИЧЕСКИЙ УНИВЕРСИТЕТ
Кафедра архитектуры
КУРСОВОЙ
ПРОЕКТ
По
железобетонным конструкциям
на тему:
«Сборные железобетонные конструкции одноэтажного промышленного здания»
Выполнил:
студент гр. ОЗС-ПЗ-12
Максутова
Д.И
Принял
Суслов
И.А
Липецк
2014
1. КОМПАНОВКА ПОПЕРЕЧНОЙ РАМЫ
Здание отапливаемое, с двумя пролетами по 24 м.
Шаг колонн 12 м. Отметка низа стропильной конструкции 10,8 м; Мостовые краны
грузоподъемностью 20 т в первом и втором пролетах. Подкрановые балки
железобетонные высотой (1/8…1/10)∙l, примем hcb=1,4 м. Район
строительства - г.Курск. Снеговая нагрузка для III снегового района, ветровая
для I I района.
В качестве основной несущей конструкции покрытия
принимаем ж/б фермы с предварительно-напряженным нижним поясом. Плиты покрытия
предварительно напряженные ж/б ребристые плиты размером 3х12 м. Наружные стены
- трехслойные со стальной обшивкой толщиной 80мм, навесные, опирающиеся на
обрешетку.
Отметка кранового рельса
Длину надкрановой Н1 и подкрановой
Н2 частей колонн определяем исходя из:
- отметки низа стропильной конструкции,
равной 10,8 м;
габаритных размеров крана по высоте Нcr =
2400 мм;
зазора между нижнем поясом фермы и краном
а1 = 150 мм;
высота кранового рельса КР-70 с
прокладками hr = 130 мм;
высота подкрановой балки hcb = 1,4 м;
отметки обреза фундамента а2 = 0,15 м;
Тогда длина надкрановой части составит
Н1=Нcr +а1 + hr + hcb =2400+150+130+1400 = 4080
мм.
В соответствии с типоразмерами колонн принимаем
Н1 = 4500 мм.
Длина подкрановой части: Н2 = 10800 - 4500 +
1050 =7350 мм.
Общая длина колонны Н = 4500 + 7350= 11800 мм.
Отметка кранового рельса: Нr =8880 мм.
Рис. 1.1 Конструктивная схема поперечной рамы
2. СБОР НАГРУЗОК
2.1 Постоянные нагрузки
Таблица
2.1.1
|
№
|
Вид
нагрузки
|
Нормативная
кг/м2
|
γf
|
Расчетная
кг/м2
|
|
1
|
Рубероидный
ковер 3 слоя (рубероид на битумной мастике)
|
0,15
|
1,2
|
0,18
|
|
2
|
Асфальтовая
стяжка (γ=18кН/м3; σ=20
мм)
|
0,36
|
1,3
|
0,47
|
|
3
|
Минераловатные
плиты σ=100
мм
|
0,4
|
1,2
|
0,48
|
|
4
|
Обмазочная
пароизоляция
|
0,05
|
1,3
|
0,06
|
|
5
|
Плита
покрытия ребристая 3х12 м
|
1,72
|
1,1
|
1,89
|
|
Итого
|
2,68
|
|
3,08
|
Нагрузки от покрытия приводятся к следующей
системе сил:
Р1 = q · Sf · 3 = 3,08· 12 · 3 = 110,88 кН
Р2 = q · Sf · 1,5 = 3,08 · 12 · 1,5 = 55,44 кН,
где Sf - шаг стропильных ферм
НАГРУЗКИ ОТ ПОДКРАНОВЫХ КОНСТРУКЦИЙ
Сосредоточенная нагрузка от подкрановых конструкций
включает нагрузку от подкрановой балки с тормозными конструкциями и собственный
вес от рельса
Р3 = G· γf·kt + q·
γf·Sk = 108,4· 1,1· 1,5 + 0,528· 1,05· 12 = 185,5 кН,
где G - нормативный вес подкрановой балки;
γf - коэффициент
надёжности по нагрузке;
kt - коэффициент, учитывающий вес тормозных
конструкций;
q - нормативный вес кранового рельса;- шаг
колонн.
Таблица 2.1.2
|
№
|
Вид
нагрузки
|
Нормативная
кг/м2
|
γf
|
Расчетная
кг/м2
|
|
1
|
Трехслойные
со стальной обшивкой
|
0,183
|
1,1
|
0,201
|
|
2
|
Стеновые
ригели опорные
|
0,05
|
1,05
|
0,053
|
|
3
|
Оконные
переплеты с фрамугами h=1800мм
|
0,206
|
1,1
|
0,227
|
Расчетный собственный вес стенового ограждения:=
1,683 кН/м2 ,
Нагрузки от стенового ограждения учитываются в
виде:
Для стеновых панелей
распределённой силы, приложенной к колоннам=
(0,201+0,053) *12= 3,05 кН/м
распределённых моментов относительно оси У:=
q1·е1 = 3,05 · 0,18 =0.55(кН/м)/м
Для оконных переплетов
распределённой силы, приложенной к колоннам=
(0,227+0,053) *12= 3,36 кН/м
распределённых моментов относительно оси У:= q1·е1
= 3,36 · 0,18 =0,6(кН/м)/м
2.2 Нагрузка от снега
Снеговая нагрузка вычисляется по формуле
= Sg
где Sg - расчетное значение веса снегового
покрова;
Елец расположен в III снеговом районе. Расчетная
снеговая нагрузка= 1,8 кН/м2.
Для различных конфигураций покрытий существуют
несколько вариантов коэффициентов, что определяет наличие нескольких вариантов
снеговой нагрузки.
Рис. 2.1 Схемы снеговой нагрузки
ВАРИАНТ 1 Для 1 и 2 пролетов: =0,5
Р1 = Sg· μ· Sf· 1,5 = 1,8·
0,5· 12· 1,5 =13,5кН
Р2 = Sg· μ· Sf· 3 =
1,8· 0,5· 12· 3 =32,4кН
ВАРИАНТ 2 Для 1 и 2 пролета: =0,7
Р1 = 1,8·0,7· 12= 15,12кН
Р2 =1,8·0,53· 12= 11,44кН
Р3 = 1,8·0,26· 12= 5,62кН
Р4 = 1,8·0,13· 12= 2,81кН
2.3 Ветровая нагрузка
Расчётное ветровое воздействие на раму в виде
распределённых по высоте колонн нагрузок определяется:
w = w0·k·c·γf ·Sk
где w0 - нормативное значение ветрового
давления;- коэффициент изменения ветрового давления по высоте;-
аэродинамический коэффициент;
γf = 1,4 - коэффициент надёжности
по ветровой нагрузке;- шаг колонн.
Тамбов расположен во II ветровом районе, и
w0=0,3 кН/м2.
Для 1 и 2 пролёта
При z≤ 5 000 мм k = 0,75. Тогда получим:
для давления ветра: w=0,3· 0,75· 0,8· 1,4· 12 =
3,02кН/м
для ветрового отсоса: w=0,3· 0,75· 0,6· 1,4· 12
= 2,27 кН/м.
При z=10 000 мм k = 1. Тогда получим:
для давления ветра: w=0,3· 1· 0,8· 1,4· 12 =
4,03кН/м
для ветрового отсоса: w=0,3· 1· 0,6· 1,4· 12 =
3,02 кН/м.
При z=15000 мм k = 1,125. Тогда получим:
для давления ветра: w=0,3· 1,125· 0,8· 1,4· 12
=4,54 кН/м
для ветрового отсоса: w=0,3· 1,125· 0,6· 1,4· 12
= 3,4 кН/м.
для кровли се1=-0,6 w=0,3· 1,125· 0,6· 1,4· 12 =
3,4кН/м
се2=-0,4 w=0,3· 1,125· 0,4· 1,4· 12 = 2,27 кН/м
2.4 Нагрузка от
мостовых кранов
Параметры крана:=200 кН - грузоподъёмность;
В=5,6 м - расстояние между упорами крана;
Аcr=4,4 м - расстояние между колёсами крана
вдоль подкрановой балки;=170 кН - максимальная нагрузка от одного колеса;Т=63
кН - собственный вес тележки;К= 220 кН - собственный вес крана с тележкой;=2 -
число колёс на одной стороне крана.
Тип кранового рельса КР-70. Максимальное
давление крана и величина Fmax соответствуют ситуации, когда тележка крана
максимально приближена к подкрановой балке, и при этом поднимается максимальный
груз. В этот момент на противоположной стороне моста крана колеса оказывают
давление силой Fmin, которая вычисляется по формуле
=
=89кН.
Рис. 2.4 Схема передачи нагрузок от
крана
Вертикальное давление от колес
мостовых кранов (на левую колонну)
Максимальное давление:
Dmax =
=
1,1·0,85·170·(0,53+1,0+0,9+0,63)=486,4 кН
где = 0,85 - коэффициент сочетаний
для нагрузок от двух кранов режимов работы 1К…6К;= 1,1 - коэффициент надежности
по нагрузке для крановых нагрузок ;
Минимальное давление:
=
=
1,1·0,85·89·(0,53+1,0+0,9+0,63)=254,6 кН,
- сумма ординат линий влияния.
Нагрузки, соответствующие
максимальному давлению кранов на правую колонну, являются зеркальным
отображением
ПОПЕРЕЧНЫЕ КРАНОВЫЕ НАГРУЗКИ
Нормативная величина силы от
торможения тележки с грузом находится по формуле
Тmax= β(Q+mТ)/n0 =
0,05(200+63)/2 = 6,675 кН,
где β - коэффициент
перехода от вертикальных нагрузок к горизонтальным, зависящий от способа
подвешивания груза (β
= 0,05 - для
гибкого закрепления груза);
Тормозная нагрузка вычисляется:
Т = f ψ Тmax.yi =
1,1·0,85·6,675·(0,53+1,0+0,9+0,63)=19,1 кН
Тормозная нагрузка на правую колонну
прикладывается в противоположную сторону относительно тормозной нагрузки на
левую колонну.
3. СТАТИЧЕСКИЙ РАСЧЕТ РАМЫ
Статический расчёт выполняется с помощью
программного комплекса SCAD.
Рис.3. Расчетная схема поперечной рамы
Результаты расчета приведены в табл. 3.
Табл. 3. Расчетные сочетания усилий по раме
здания
|
РСУ
(от полной нагрузки) Единицы измерений: кН, м.
|
РСУ
(от длительной действующей части нагрузки) Единицы измерений: кН, м.
|
|
|
Номер
эл-та
|
Значения
|
Значения
|
|
|
N
|
M
|
Qmax
|
N
|
M
|
Q
|
|
|
46
|
-815,7
|
-19,88
|
10,5
|
-600,1
|
3,43
|
8,86
|
|
47
|
-788,62
|
-23,1
|
10,2
|
-598,2
|
-12,3
|
-4,54
|
|
48
|
-730,35
|
-17,5
|
9,3
|
-598,06
|
0,94
|
8,64
|
|
49
|
-691,12
|
-17,66
|
10,4
|
-599,77
|
-6,21
|
0,23
|
|
50
|
-651
|
-12,88
|
7,84
|
-590,87
|
-6,4
|
0,33
|
|
51
|
-624,24
|
-12,67
|
26
|
-588,67
|
8,86
|
18,8
|
|
52
|
-3,4
|
-13,7
|
23,91
|
-2,55
|
1,64
|
-25,97
|
|
53
|
-3,3
|
-21,4
|
-37,13
|
-0,34
|
13,2
|
2,1
|
|
54
|
-2,57
|
-13,2
|
-24,22
|
0,12
|
-16,84
|
30,3
|
|
55
|
-4,24
|
-3,6
|
-8,66
|
-1,56
|
-14,4
|
26,7
|
|
56
|
19,72
|
-2,18
|
-2,88
|
18,15
|
-1,75
|
15
|
|
57
|
-26
|
138,75
|
614,4
|
-25,5
|
62,35
|
614
|
|
58
|
-19,04
|
75,48
|
-93
|
-19,04
|
-18,9
|
-105,6
|
|
59
|
-429
|
11,2
|
-14,7
|
-164,23
|
-19,8
|
10,2
|
|
60
|
-396,21
|
1,3
|
-12,15
|
-182
|
-22,8
|
10,5
|
|
61
|
-351,75
|
5,3
|
-8,85
|
-206,7
|
-18,3
|
10,4
|
|
62
|
-322,5
|
-1,87
|
-3,55
|
-228,2
|
-17,2
|
10,3
|
|
63
|
-308,2
|
-4,68
|
0,68
|
-245,76
|
-14,1
|
11,7
|
|
64
|
-298
|
1,1
|
-19,04
|
-255,18
|
-5,3
|
-4,8
|
|
65
|
-675,64
|
-86,67
|
18,7
|
-662,7
|
-95,62
|
20,68
|
|
66
|
-1094,1
|
-7,66
|
12,13
|
-999,12
|
-1,78
|
13,45
|
|
67
|
-1069,75
|
-9,98
|
12,05
|
-974,6
|
-11,06
|
13,37
|
|
68
|
-1025,1
|
-5,67
|
12,18
|
-908,1
|
5,76
|
2,77
|
|
69
|
-987,1
|
-5,24
|
13,04
|
-891,45
|
5,62
|
|
70
|
-952,88
|
0,87
|
1,8
|
-876,5
|
8,92
|
-7,6
|
|
71
|
-928
|
-20,7
|
125,7
|
-848,6
|
-25,73
|
116
|
|
72
|
0
|
-16
|
22,6
|
0
|
0,3
|
20,77
|
|
73
|
0,14
|
-27,3
|
39,22
|
0,14
|
0,73
|
35,5
|
|
74
|
0,87
|
-0,89
|
3,75
|
0,7
|
22,02
|
26,77
|
|
75
|
-11,45
|
0,47
|
-3,75
|
-9,14
|
20
|
22,6
|
|
76
|
126,35
|
-12,4
|
3,75
|
101,25
|
-20,3
|
-17,3
|
|
77
|
-125,65
|
163,44
|
730
|
-116,1
|
390,8
|
645,67
|
|
78
|
-123,21
|
-101,1
|
-706,75
|
-123,21
|
425,3
|
-697
|
|
79
|
-1511
|
5,76
|
2,14
|
-135,37
|
-7,5
|
11,5
|
|
80
|
-1509
|
5,44
|
2,22
|
-1366,8
|
-9,54
|
11,6
|
|
81
|
-1503
|
6,5
|
2,1
|
-1386
|
-4,9
|
11,5
|
|
82
|
-1498
|
6,93
|
1,24
|
-1403
|
-3,92
|
10,6
|
|
83
|
-1492,5
|
5,02
|
12,5
|
-1416,16
|
-3
|
21,86
|
|
84
|
-1487,3
|
31,8
|
-111,37
|
-899,77
|
28,3
|
-123,2
|
|
85
|
-1291,35
|
0
|
0
|
-1265,5
|
-106,54
|
23,7
|
|
86
|
-649,45
|
22,89
|
-21
|
-406
|
45,4
|
-37,8
|
|
87
|
-690,22
|
29
|
-21,32
|
-480,44
|
54,68
|
-36,62
|
|
88
|
-750,8
|
19,97
|
-21,2
|
-588,2
|
37,46
|
-34,18
|
|
89
|
-803
|
17,89
|
-21,2
|
-675
|
32.75
|
-32,4
|
|
90
|
-847,5
|
11,13
|
-21
|
-745,34
|
21,42
|
-30,53
|
|
91
|
-877,65
|
3,62
|
-21,23
|
-776,4
|
9,11
|
-30,8
|
|
92
|
1,31
|
-33,1
|
-56
|
1,15
|
-47,8
|
-80,6
|
|
93
|
2,68
|
-47,83
|
-82,3
|
2,43
|
-71,2
|
-121,23
|
|
94
|
2,06
|
-37,36
|
-64,5
|
1,8
|
-57,72
|
-98,45
|
|
95
|
2,16
|
-45,84
|
-78,65
|
1,23
|
-29,52
|
-51,75
|
|
96
|
1,82
|
-11,6
|
-18
|
1,45
|
-32,4
|
-56,2
|
|
97
|
30,82
|
-73,67
|
-108,25
|
8,26
|
7,2
|
2,1
|
|
98
|
-28
|
-20,4
|
-759,4
|
-28
|
169
|
-756,2
|
|
99
|
-1253,68
|
45,4
|
-37,5
|
-1057,86
|
25,35
|
-21,3
|
|
100
|
-1170
|
55,7
|
-38,64
|
-1007,8
|
31,54
|
-20,97
|
|
101
|
-1033,8
|
38,68
|
-36,08
|
-918,73
|
22,8
|
-21,1
|
|
102
|
-924,13
|
33,72
|
-34,13
|
-843,64
|
20,7
|
-21,1
|
|
103
|
-831
|
22,34
|
-32,2
|
-776,3
|
13,83
|
-20,76
|
|
104
|
-766
|
11
|
-30,5
|
-638,6
|
4,1
|
-21,1
|
|
105
|
-675,6
|
86,67
|
-18,7
|
-638,8
|
108,6
|
-51
|
|
|
|
|
|
|
|
|
4. РАСЧЕТ И КОНСТРУИРОВАНИЕ КОЛОННЫ ПО ОСИ В
арматура фундамент кровля раскос
4.1 Расчет надкрановой
части колонны
Бетон В-40: γb2=1,1
Rb=1,1·22=24,2 МПа, Rbn= Rb,ser=15 МПа, Rbtn =Rbt,ser=1,4 МПа, Rbt=1,1
·1,4=1,54МПа, Eb=32,5·103;
Ненапрягаемая арматура - А-V: защитный слой 4см:
Es=1,9·105 МПа, Rs=Rsс= 400 МПа, Rsw= 545 МПа;
Размеры: 600х500 мм ; l0 = 2·Нв=2·4,5 = 9,0 м.
Усилия в надкрановой части колонны:
от полной расчетной нагрузки: M = 86,67 кН·м; N
= -675,6 кН;
от постоянных и длительных нагрузок: ML =
108,6кН·м; NL = - 638 кН;
Выполним предварительные вычисления, приняв
симметричное армирование сечения.
Рабочая высота сечения
= h-a′s= 60 - 4 =56 cм.
Коэффициент приведения
=
Момент инерции сечения
.
Эксцентриситет приложения нагрузки:
=
=
;
Случайный эксцентриситет:
еа=max(h/30=0,6/30= 0,02 м; l0/600
=9,0/600= 0,015 м;0,01м)=0,02 м.
Расчётный эксцентриситет:
е=max(еа=0,12м; е0=0,04м)=0,12 м.
Определим гибкость колонны: i =
0,289·h=0,289·60=17,34 cм;
=
следовательно необходимо учитывать
влияние прогиба на несущую способность элемента.
Характеристика сжатой зоны бетона:
;
Вычислим граничное значение
относительной высоты сжатой зоны бетона
;
Коэффициент
:
Коэффициент, учитывающий влияние длительного
действия нагрузки:
- для тяжёлого бетона.
Расчет выполним в соответствии с
алгоритмом подбора рабочей арматуры при симметричном армировании.
Принимаем в первом приближении
значение коэффициента армирования μ=0,005, тогда площадь
арматуры составит:
= (AS + AS')·(
)2 =
= 9464см4;
Определим высоту сжатой зоны бетона
Относительная высота сжатой зоны бетона
ξ = x/h0 = 46,5/560 = 0,083.
При ξ=0,083< ξR=0,5 имеем первый
случай внецентренного сжатия.
Условная критическая сила:
Коэффициент увеличения начального
эксцентриситета
.
Определим величину расчётного эксцентриситета:
.
Необходимая площадь рабочей арматуры:
А′s=Аs=
=
.
Принимаем арматуру 4 18 А-V с А′s=Аs
= 10,18 см2.
4.2 Расчет
подкрановой части
В подкрановой части колонна состоит
из двух ветвей прямоугольного сечения, соединяемых распорками. Общая высота
сечения подкрановой балки
, ширина
. Ширина
отдельной ветви
, защитный
слой
.
Рабочая высота сечения
, расстояние
между осями распорок:
Усилия в подкрановой части колонны:
Поперечное сеч. подкрановой части колонны
от полной расчетной нагрузки: M=45,4
кН·м;=-1253,68 кН; Q=-37,5 кН.
от постоянных и длительных
нагрузок:ML =25,35 кН·м;= -1057,86 кН;
Расчетная длина подкрановой части
колонны:=
·
H2=1,5·H2=1,5·9,45= 14,175 м.
Приведённый радиус инерции
двухветвевой колонны в плоскости изгиба:
Приведённая гибкость сечения
=
=
>14
Следовательно, необходим учёт
прогиба колонны на величину эксцентриситета.
Эксцентриситет приложения нагрузки:
=
=
Момент инерции сквозного сечения
колонны
Коэффициент
:
Коэффициент, учитывающий влияние
длительного действия нагрузки:
- для тяжёлого бетона.
Принимаем в первом приближении
значение коэффициента армирования μ=0,005.
Вычислим момент инерции арматуры:
Коэффициент приведения
=
Условная критическая сила
Коэффициент увеличения начального
эксцентриситета
.
Определим усилие в ветвях колонны:

,
.
Изгибающие моменты
е0 =
=
;
еа=max(h/30=0,25/30=0,0083м
/600=1,9125/600=0,0032м;0,01м)=0,01
м.
Поскольку е0 =26 мм>еа=10 мм, в
расчёт вводим е0 =26 мм, тогда:
.
Принимаем симметричное армирование ветвей.
Определим высоту сжатой зоны бетона
Относительная высота сжатой зоны бетона:
ξ = x/h0 = 10,3/21 = 0,5.
При ξ=0,5>
ξR=0,48 - имеет место второй случай
внецентренного сжатия.
;
Площадь арматуры назначаем по конструктивным
соображениям
Аs =0,002∙b∙h0=0,002∙50∙21=2,1
см2.
Принимаем арматуру 3 10 А-V с А′s=Аs =
2,36 см2.
Схема армирования подкрановой части колонны
приведена в чертежах.
.3 Расчет промежуточной
распорки
Изгибающий момент в распорке
Сечение распорки прямоугольное b=500мм
h=400мм;=h-as=400-40=360 мм
Т.к. эпюра двухзначная , то принимаем
симметричное армирование, т.е.
Принимаем арматуру 3 12 А-V с А′s=Аs =
3,39 см2.
Поперечная сила в распоре
;
Проверим условие по СНиП
;
Т. к.
,
поперечную арматуру принимаем конструктивно 6 A-I с Аs =3,39cм2 c шагом S=150.
5. РАСЧЕТ ФУНДАМЕНТА ПО
ОСИ В
.1 Исходные данные для
проектирования
Исходные данные: расчетное сопротивление грунта
арматура класса А-V с
, бетон класса В 15
с вес грунта на обрезах фундамента
.
Расчет производим на наиболее опасную комбинацию
усилий:
.
Нормативное значение усилий:
5.2 Определение
геометрических размеров фундамента
Глубину стакана фундамента устанавливаем из
условий:
заделки фундамента - h =0,5+0,33
hcol
=0,5+0,33
1,2=0,896см;
заделки колонны в фундаменте - h =1,5bcol =1,5∙50=75см;
анкеровки h=30
d=30
1,2=36 см.
Тогда H=0,85+0,2+0,05=1,1 м= 110 см.
Принимаем высоту фундамента H=1200мм (кратно 300
мм).
Глубина заложения фундамента Н1=Н+150=1350 мм.
Принимаем 3-х ступенчатый фундамент с высотой
ступеней h1=300 мм, h2=h3=450мм.
Определим площадь фундамента:
, где
,05- коэффициент, учитывающий наличие момента.
Принимаем размеры фундамента lxb=2,6м х 2,1м.
Т. к. заглубление фундамента Н1<2м, уточним
расчетное сопротивление грунта основания:
Где
для
оснований сложенных пылеватыми песками, супесями, суглинками и глинами, тогда
Пересчитаем площадь фундамента с уточненным R.
.
Окончательно принимаем размеры фундамента
lxb=3,2м х 2,6м=8,32
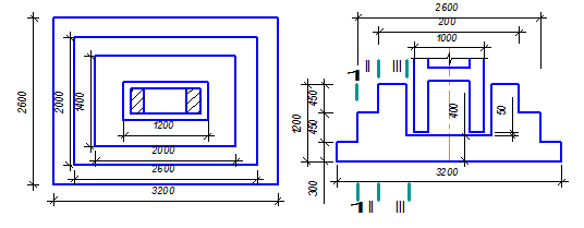
Рис. 5. К расчету фундамента
Проверяем достаточность принятой высоты
фундамента из условия на продавливание от грани колонны
,
Проверим высоту нижней ступени:
рабочая высота
.
При площадь
Средняя линия
.
Проверим условие
;
где
Нормативная нагрузка от веса фундамента и грунта
на его уступах:
Краевое давление:
изгибающий момент на уровне подошвы
.
Определим наибольшее и наименьшее давление под
подошвой фундамента:
- продавливания не
произойдет.
Проверим высоту по прочности наклонного сечения,
начинающегося от грани второй ступени и имеющего длину горизонтальной проекции
.
- принятая высота
ступени достаточна.
Проверку на продавливание второй ступени не
производим, т. к. ее рабочая высота
.
Проверка фундамента на продавливание дна
стакана:
/
.
.
- прочность дна
стакана на продавливание обеспечена.
.3 Расчет арматуры
фундамента
Определим напряжение в грунте под подошвой
фундамента в направление его длинной стороны l без учета веса фундамента и
грунта на его уступах.
Краевое давление под подошвой фундамента:
pmax =
+
= +
= 159,3
кН/м2;=
-
= -
= 81,98
кН/м2;
- изгибающий момент в уровне подошвы
фундамента.
- момент
сопротивления.
Определим расчетные изгибающие моменты:
Сечение I-I:
;
.ечение II-II:
;
.ечение III-III:
;
.
Требуемая площадь арматуры:
Аs1 =
= = 1,9 см2;
Аs2 = = = 5,1см2;
Аs3 = = = 4,8 см2;
Принимаем в направлении вдоль
короткой стороны подошвы фундамента 16 стержней 12 А - I I, с As = 18,1
см2 с шагом 200 мм.
Процент армирования:
=
Т.к. толщина стенки стакана t=400 мм
> 200 мм и t>0,75
h3=0,75
450=337 мм, то их принимаем
не армированными.
Определим арматуру, укладываемую
параллельно меньшей стороне фундамента:
-4 =
= = 137,5 кН/м2-4 =
(b -
bcol)2·а·р4-4 =
(2,6 -
0,6)2·3,2·137,5 =220 кН·м.
Аs4 =
= = 5,3 см2
Принимаем арматуру параллельно
меньшей стороне фундамента 1012 А-V, As = 11,3 см2 с шагом s =200 мм.
·100% =
·100% =
0,06%=min = 0,05%.
6. ПРОЕТИРОВАНИЕ СЕГМЕНТНО-РАСКОСНОЙ ФЕРМЫ
Результаты вычисления усилий в стержнях фермы от
расчётных комбинаций загружений выполняются на вычислительном комплексе
«ScadOffice» .
ИСХОДНЫЕ ДАННЫЕ ДЛЯ РАСЧЕТА:
Ферма проектируется предварительно напряженной
на пролет 24 м, цельной при шаге ферм 12 м:
бетон В30: Rb=17 МПа, Rbn= Rb,ser=22 МПа, Rbtn
=Rbt,ser=1,8 МПа, Rbt=1,2 МПа, Eb=29·103, b2=1,0, Rbp =20МПа;
напрягаемая арматура для нижнего пояса К-I9 d=19
мм: Es=18·104 МПа, Rs=1175 МПа, Rsс= 400 МПа, Rsw= 940 МПа.
ненапрягаемая арматура - Вр-1, диаметр проволоки
5мм: Rs= Rsc=365МПа, Es=17·10
МПа, Rsn=
Rs,ser=405 МПа;
Таблица 4
|
Элементы
фермы
|
№
элемента
|
N,
кН
|
Q,
кН
|
M,
кН∙м
|
|
Верхний
пояс
|
5
|
-1411
|
-40,23
|
0
|
|
Нижний
пояс
|
2
|
1381,7
|
-2,4
|
15
|
|
Раскосы
растянутые
|
19
|
6
|
1,2
|
2,3
|
|
6
|
6
|
1,2
|
2,3
|
|
Раскосы
сжатые
|
11
|
-136,5
|
0
|
1,2
|
|
14
|
-136,5
|
0
|
1,2
|
|
Стойки
|
13
|
194,4
|
0
|
0
|
Длительно действующие усилия в элементах фермы
Таблица 5
|
Элементы
фермы
|
№
элемента
|
N,
кН
|
M,
кН∙м
|
|
Верхний
пояс
|
5
|
-1409,6
|
8,44
|
|
8
|
-1078
|
3
|
|
10
|
-1039
|
1,1
|
|
12
|
-1035,5
|
1,3
|
|
Нижний
пояс
|
1
|
1281
|
20,4
|
|
3
|
1381,7
|
13,3
|
|
4
|
1281
|
20,4
|
|
Раскосы
растянутые
|
19
|
3,1
|
3,2
|
|
6
|
3,1
|
3,2
|
|
Раскосы
сжатые
|
9
|
-127,4
|
3,1
|
|
16
|
-127,4
|
3,1
|
|
Стойки
|
18
|
92
|
0
|
6.1 Расчет верхнего
пояса фермы на прочность
Ширину верхнего пояса принимаем из условия
опирания плит покрытия пролетом 12 м - 280 мм.
Определяем ориентировочно требуемую площадь
сечения верхнего сжатого пояса:
Назначаем размеры сечения верхнего пояса:
Рабочая высота сечения
Коэффициент приведения
Момент инерции сечения
Расчетная длина
Наибольшая гибкость сечения равна
Необходимо учесть влияние прогиба
элемента на его прочность.
Величина случайного эксцентриситета:
где l = 300 см - расстояние между
узлами фермы.
Эксцентриситет приложения эксплуатационной
нагрузки e0=М/N=40,23/1411=0,02м = 2см.
Величина расчётного эксцентриситета
составит:
Коэффициент
:
Коэффициент, учитывающий влияние
длительного действия нагрузки:
- для тяжёлого бетона.
Расчет выполним в соответствии с
алгоритмом подбора рабочей арматуры при симметричном армировании. Принимаем в
первом приближении значение коэффициента армирования
, тогда
момент инерции арматуры составит:
Значение условной критической силы:
Определим значение коэффициента η
Определим величину расчетного
эксцентриситета с учётом прогиба элемента
Характеристика сжатой зоны бетона:
;
Вычислим граничное значение
относительной высоты сжатой зоны бетона
;
Определим коэффициенты
имеет место второй случай
внецентренного сжатия;
;
При принимают конструктивно по
минимальному проценту армирования. Принимаем 414 А-V с Аs = As' = 6,16
см2.
Расчёт сечения из плоскости фермы не
выполняем, так как все узлы фермы раскреплены.
6.2 Расчёт
нижнего пояса фермы по прочности
Расчетные усилия: N2= +1381,7 кН;
М=15 кН∙м
Определяют площадь сечения
напрягаемой арматуры как для внецентренно растянутого элемента.
Принимаем сечение 28х28 см.
Эксцентриситет приложения внешней
нагрузки:=М/N=15/1381,7=0,01м = 1см.
е’=e0+h/2-a’=1+28/2-5=10 см.
Так как h0-a=23-5=18>е’=10
площадь сечения арматуры.
Принимаем 5 К-19 14 с Аs =
6,44 см2 (из условий трещиностойкости), сечение нижнего пояса принято 28x28 см.
Напрягаемая арматура окаймлена хомутами. Продольная арматура каркасов - из
стали класса А-V (4 5 с Аs = 0,784 см2).
Суммарный процент армирования:
Приведенная площадь сечения
, где
Расстояние от центра тяжести сечения
до нижней грани у0=14 см.
Момент инерции приведенного сечения
равен
Момент сопротивления
6.2.1 Расчёт нижнего
пояса фермы на трещиностойкость
Элемент относится к 3-ей категории
по трещиностойкости. Принимаем механический способ натяжения арматуры. Значение
предварительного натяжения в арматуре
при
назначают из условия
Величину начального предварительного
напряжения принимаем максимально допустимой, т.е.
. Принимаем
.
Определим предварительные напряжения
в арматуре при γsp=1.
Первые потери:
- от релаксации напряжений:
;
- от температурного перепада:
;
от деформации анкеров при
инвентарных зажимах:
;
где l=20 м - длина арматуры
(расстояние между гранями упоров);
Δl=1,25+0,15·d - смещение
стержней в инвентарных зажимах;
от трения арматуры
(напрягаемая
арматура не имеет перегибов);
от деформации стальных форм
(напряжение
производится на упоры стенда)
от быстро натекающей ползучести
бетона
;
;
;
;
;
.
,85 - коэффициент, учитывающий
тепловую обработку изделия.
Итого первые потери:
Вторые потери:
от усадки тяжелого бетона
класса В30
;
от ползучести
;
;
;
.
Итого вторые потери
.
Полные потери
.
Усилие обжатия с учетом всех потерь
при γsp=1:
.
6.2.2
Расчет по образованию трещин
Упругопластический момент
сопротивления равен:
Где
- коэффициент, учитывающий влияние
неупругих деформаций бетона в зависимости от формы сечения.
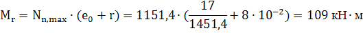
Величина усилия при значении
коэффициента надежности по нагрузке γf=1,2 составляет
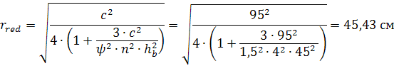
Так как Р2=620,5кН<Nn,max=1151,4
кН значение r определяем по формуле
Момент усилия обжатия относительно оси,
проходящей через ядровую точку, определим по формуле
Момент внешней продольной силы относительно оси,
проходящей через ядровую точку, определим по формуле
Проверим условие трещинообразования
-
трещины в нижнем поясе не образуются
6.3 Расчёт растянутого
раскоса по прочности
Растягивающее усилие в раскосе: нормативное
значения усилия от постоянной и полной снеговой нагрузок Nn = 3,1 кН. Расчетное
значение N = 6 кН от постоянной и полной снеговой нагрузок;
Напрягаемая арматура раскоса 23 Вр-II с
Аs = 0,142 см2 (заводится из нижнего пояса). Натяжение выполняется на упоры,
способ натяжения - механический. Необходимая площадь сечения арматуры из
условия прочности сечения
Принятой площади сечения арматуры достаточно.
Принимаем сечение раскоса
.
6.3.1 Расчет
растянутого раскоса на трещиностойкость
где_
-коэффициент, учитывающий снижение
трещиностойкости вследствие жесткости узлов фермы.= 169,7 кН > N = 6 кН,
условие трещиностойкости соблюдается, т.е. трещины не образуются.
6.4 Расчет
сжатого раскоса
Определяем ориентировочно требуемую
площадь сечения сжатого раскоса
Назначаем размеры сечения
Рабочая высота сечения
Коэффициент приведения
Момент инерции сечения
Т.к. b/bd=28/14=2>1,5 то
расчетная длина из плоскости и в плоскости фермы Наибольшая гибкость сечения
равна
Необходимо учесть влияние прогиба
элемента на его прочность.
Величина случайного эксцентриситета:
в плоскости и из плоскости фермы:
где l = 392 см - расстояние между
узлами фермы.
Величина расчётного эксцентриситета
составит:
6.4.1
Расчет на сжатие в плоскости фермы
Коэффициент
:
Коэффициент, учитывающий влияние
длительного действия нагрузки:
- для тяжёлого бетона.
Расчет выполним в соответствии с
алгоритмом подбора рабочей арматуры при симметричном армировании.
Принимаем в первом приближении
значение коэффициента армирования
, тогда момент инерции арматуры
составит:
Значение условной критической силы:
Определим значение коэффициента η:
Характеристика сжатой зоны бетона:
;
Вычислим граничное значение
относительной высоты сжатой зоны бетона:
;
Определим коэффициенты:
- имеем 1-й случай внецентренного
сжатия;
Принимаем симметричное армирование.
Необходимая площадь рабочей арматуры
Принимаем 2 8 Вр-II с Аs = As' =
1,01см2.
6.5 Расчет
сжатых стоек
Арматура А-V с Rs= 680 МПа; N =
194,4 кН; Rbtn= 1,8 МПа;
=
=
= 2,85 см2;
Принимаем 4 10 А-V с As = 3,14 см2;
Расчет по образованию трещин:
Расчет производим по формуле:
Rbtn·(A + 2·As);=
=
= 169кН;
=
=6,55;
А = b·h =0,2·0,14 = 0,028 м2;·(A +
2·As) = 1800·(0,028+2·6,55·0,000314) = 57,8 кН > Nn = 169 кН;
Трещины не образуются.
Библиографический
список
1.
Железобетонные конструкции: Общий курс, Байков В.Н., Сигалов Э.Е.: Учеб. для
вузов/ Байков В.Н., Сигалов Э.Е. - 5-е изд., перераб. и доп. - М.: Стройиздат,
1991. - 767 с.: ил.
.
Расчёт железобетонных и каменных конструкций, Бондаренко В.М., Судницын А.И.,
Назаренко В.Г.: Учеб. пособие для строит. вузов/ Под ред. Бондаренко В.М. - М.:
Высш.шк., 1988. - 304с.: ил.
.
МУ 748. Проектирование железобетонных ферм одноэтажных промышленных зданий,
Пантелькин И.И, Горюнов М.В., /Курьянова Т.М. - Липецк: Типография ЛГТУ,
2005.-32с.
.
МУ 2686. Проектирование железобетонных колонн одноэтажных промышленных зданий,
Пантелькин И.И, Горюнов М.В.,Капырин Н.В. Курьянова Т.М. - Липецк: Типография
ЛГТУ, 2000.-32с.
.
СНиП 2.03.01-84. Бетонные и железобетонные конструкции/Госстрой СССР. - М.:
ЦИТП Госстроя СССР, 1985. - 79с.
.
СНиП 2.01.07-85. Нагрузки и воздействия/Госстрой СССР. - М.: ЦИТП Госстроя
СССР, 1985. - 79с.