Монтаж сборных железобетонных конструкций промышленного здания
МИНИСТЕРСТВО ОБРАЗОВАНИЯ И НАУКИ
РОССИЙСКОЙ ФЕДЕРАЦИИ
Федеральное государственное бюджетное
образование учреждение высшего профессионального образования
«КУЗБАССКИЙ ГОСУДАРСТВЕННЫЙ
ТЕХНИЧЕСКИЙ УНИВЕРСИТЕТ
ИМЕНИ Т.Ф.ГОРБАЧЕВА»
Кафедра строительного производства и
экспертизы недвижимости
КУРСОВОЙ ПРОЕКТ
Монтаж сборных железобетонных
конструкций промышленного здания
Выполнила:
студентка гр. СК-101
Докина О.И.
Проверил:
Доцент каф. СПиЭН
Санталова Т. Н.
Кемерово 2013
Оглавление
1. Введение
2. Исходные данные для проектирования
3. Определение объемов работ
3.1 Спецификация сборных железобетонных
конструкций
3.2 Спецификация металлоконструкций
3.3 Ведомость заделки стыков
4. Ведомость монтажных и грузозахватных
приспособлений
5. Выбор методов монтажа
6. Выбор монтажных кранов по техническим параметрам
6.1 Определение монтажных характеристик крана при
монтаже колонн
7. Выбор крана для монтажа колонн на основании
технико-экономического обоснования
7.1 Определение наиболее экономичного метода
монтажа колонн
7.2 . Выбираем марку крана по техническим
параметрам
7.3 Определяем сменную эксплуатационную
производительность крана
Определяем стоимость
механизированных затрат
8. Выбор крана для монтажа подкрановых балок и
подстропильных конструкций
9. Выбор крана для монтажа стропильных ферм и плит
покрытия
10. Выбор крана для монтажа стеновых панелей
11. Результаты выбора кранов
12. Технико-экономическое обоснование выбранного
варианта производства работ
12.1 Определение наиболее экономичного варианта
монтажа конструкций здания
12.1.1 Определяем сменную эксплуатационную
производительность кранов
12.1.2 Определяем сменную продолжительность
работы каждого крана на объекте
12.1.3 Определяем стоимость механизированных
затрат по вариантам
13. Технология и организация монтажных работ
13.1 Способы и средства транспортирования конструкций
13.2 Складирование сборных элементов
13.3 Монтаж колонн
13.4 Монтаж подкрановых балок и подстропильных
конструкций
13.5 Монтаж ферм и плит покрытия
13.6 Монтаж колонн фахверка
13.7 Монтаж стеновых панелей
14. Калькуляция затрат труда и заработной платы
15. Назначение транспортных средств и расчет их
количества
16. Расчет состава бригады
17. Инструкция по охране труда для монтажников
стальных и железобетонных конструкций
18. Мероприятия по контролю качества
строительно-монтажных работ
Список используемой
литературы
1.
Введение
Монтаж строительных конструкций - это комплексно - механизированный
процесс поточной сборки зданий и сооружений из элементов и конструктивных узлов
заводского изготовления. До начала монтажных работ должны быть выполнены все
работы подземной части здания.
При монтаже должна быть обеспечена неизменяемость и устойчивость каждой
смонтированной конструкции или ячейки сооружения. Последовательность монтажа
должна предусматривать возможность сдачи в заданные сроки отдельных участков
сооружения под отделку или монтаж оборудования.
Монтаж строительных конструкций состоит из подготовительных и основных
процессов.
В подготовительные процессы входят транспортирование, складирование и
укрупнительная сборка.
Основные процессы - подготовка к подъему и подъем конструкций, выверка и
временное закрепление, замоноличивание стыков и швов, а также
противокоррозионная защита конструкций.
Целью данного курсового проекта является разработка технологической карты
на монтаж сборных железобетонных конструкций одноэтажного промышленного здания.
Задача данного курсового проекта - проектирование рациональных способов
технологии и организации монтажа сборных конструкций.
2.
Исходные данные для проектирования
монтаж сборная железобетонная конструкция
Вариант - 37
Место строительства - г. Кемерово
Срок производства работ - 30 рабочих дней
Начало строительства - 1 июня 2014 года
Тип дорог - бетон
Дальность транспортирования - 5 километров
Парк машин и механизмов - по справочной литературе.
Размеры здания:
Высота - 8,4 метра
Длина - 120 метра
Ширина - 48 метра
Мостовой кран на 10 т нагрузки.
Размер пролета - 24 метров
Шаг колонн: крайних - 6 метров
средних - 12 метров
Вид стропильной конструкции - ферма
3.
Определение объемов работ
3.1 Спецификация
сборных железобетонных конструкций
Таблица 1
|
Наименование сборных
конструкций
|
Марка, серия
|
Эскизы, основные размеры,
мм
|
Кол-во элементов, шт.
|
Масса, т
|
Объем, м3
|
|
|
|
|
одного элемента
|
общая
|
одного элемента
|
общая
|
|
Колонна крайнего ряда, КК
|
1.423-2;
КПI-1
|
|
44
|
5.3
|
233,2
|
2.1
|
92,4
|
|
Колонна среднего ряда, КС
|
1.423-2;
КПI-18
|
|
11
|
10,7
|
117,7
|
4,26
|
46,86
|
|
Стропильная кон-я, СК
|
ПК-01-129/68; ФБ24I-1
|
|
44
|
9.8
|
431,2
|
3.75
|
165
|
|
Подстропильная кон-я, ПК
|
1.463-4; ФП12-5АIV
|
|
10
|
9,4
|
94
|
3,75
|
37,5
|
|
Плита покрытия, ПП
|
1.465-3;ПII/3*12-1
|
|
320
|
7
|
2240
|
2,78
|
889,6
|
|
Колонна фахверка, КФ
|
КФ10-6, КЭ-01-55
|
|
12
|
5,82
|
69,84
|
2,32
|
27,84
|
|
Стеновая панель №1, СП-1
|
ПСЛ24 6х1,2
|
|
260
|
1,9
|
494
|
1,7
|
442
|
|
Стеновая панель №2, СП-2
|
ПСЛ24 6х1,8
|
|
48
|
2,9
|
139,2
|
2,56
|
122,88
|
3.2 Спецификация металлоконструкций
Таблица 2
|
Наименование сборных
конструкций
|
Марка, серия
|
Эскизы, основные размеры,
мм
|
Кол-во элементов, шт.
|
Масса, т
|
|
|
|
|
одного элемента
|
общая
|
|
Крестовая связь(КС)
|
КЭ-01-49
|
|
8
|
0.34
|
2,72
|
|
Портальная связь (ПС)
|
КЭ-01-49
|
|
2
|
0.96
|
1,92
|
|
Подкрановая балка (ПБ)
|
серия 1.426.2-3
|
|
40
|
0,620
|
24,8
|
|
|
|
20
|
1,3
|
26
|
3.3 Ведомость заделки стыков
Таблица 3
|
Место стыка
|
Схема стыка
|
Способ заделки
|
Объем работ
|
Необх.материалы
|
|
|
|
Ед.измер.
|
Кол-во
|
Наимен-е
|
Ед.измер.
|
Кол-во
|
|
Стык колонны с фундаментом
|
|
Замоноли- чивание
|
1 стык
|
55
|
В15
|
м3
|
0,371*55=20,405
|
|
Стык колонны фахверка с
фундаментом
|
|
Ручная электродуговая
сварка
|
1 м шва
|
0,3*2*12= 7,2
|
Электрод Э42А марка УОНИ
13/45
|
кг
|
3,05*7,2= 21,96
|
|
Стык подкрановой балки с
колонной
|
|
Ручная электродуговая
сварка
|
1 м шва
|
0,12*4*2*60=57,6
|
Э42А УОНИ В145
|
кг
|
0,962*57,6=55,4
|
|
Стык плит покрытия со
стропильной конструкцией
|
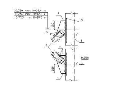
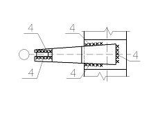
 1 -
стропильная ферма; 2 - плита покрытия; 3 - колонна; 4 - электросварка l = 8 120 ммРучная электродуговая сварка
|
1м шва
|
0,12*4*320=153,6
|
электроды УОНИ 13/45
|
кг
|
0,962*153,6=147,76
|
|
|
Стык между плитами покрытия
|
1 - плита
покрытия; 2 - стропильная конструкция; 3 - раствор
|
Заливка раствором
|
1м шва
|
120*(48/3+1)+48*(120/6+1)=3048
м
|
раствор М100
|
м3
|
0,3*((0,06+0,03)/2)*0,5*3048=17,145
|
|
Стык стеновой панели длиной
6 м с колонной
|
1 - панель
стены; 2 - колонна; 3 - закладная деталь панели стены; 4 - накладка стыка; 5
- стержень; 6 - накладка колонны; 7 - закладная деталь колонны; 8 - стык
между стеновыми панелями l=6x70
|
Ручная электро-дуговая
сварка
|
1м шва
|
(0,07*4*2)*308= 172,48
|
электроды УОНИ 13/45
|
кг
|
0,962*172,48= 165,93
|
Стык между стеновыми панелями
1 - колонна; 2
- стеновая панель; 3 - торцовая стена; 4 - угловой блок; 5 - электросварка l
= 6
70 мм; 6 - электросварка l = 6
100 мм; 7 - стык между стеновыми панелями; 8 - колонна
фахверка
|
1-упругая прокладка;
2-герметизация; 3-зачеканка, расшивка.1 м шва59281-гермит, велотерм;
2-мастика УМС-50; 3-раствор М100.кг0,081·5928=480,168 0,123·5928=729,144 0,24*0,03*5928=42,68
|
|
|
|
|
|
|
|
|
Стык стропильной
конструкции с колонной
|
1 - колонна; 2 - стропильная ферма; 3 -
электросварка l =
10 160 ммРучная электро-дуговая сварка
|
1стык
|
0,16*4*44=28,16
|
электроды В145
|
кг
|
2,225*28,6=34,176
|
|
|
Стык подстропильной
конструкции с колонной
|
1 - колонна;
2 - стропильная ферма; 3 - электросварка l = 10 160 ммРучная электро-дуговая сварка
|
1стык
|
0,16*4*10=6,4
|
электроды В145
|
кг
|
2,225*6,4=14,24
|
|
|
Стык подстропильных
конструкций со стропильными фермами
|
|
Ручная электродуговая
сварка
|
1 м шва
|
(0,27*2)*число стропильных
конструкций=0,27*2*44=23,76
|
Электроды УОНИ 13/45
|
кг
|
*23,76=
|
|
Стык стропильной
конструкции с колонной фахверком
|
1 - колонна фахверка; 2 - стропильная конструкция; 3
- плита покрытия; 4 - электросварка l = 8 120 мм; 5 - электросварка l = 8 200 ммРучная
электродуговая сварка
|
1 м шва
|
(0,12·5+ 0,2·2)12=12
|
Электроды УОНИ 13/45
|
кг
|
0,926·12=11,11
|
|
|
Крепление крестовых связей
к прямоугольным колоннам в крановых зданиях
|
1 - колонна;
2 - связи; 3 - закладная деталь колонны; 4 - электросварка l = 8 200 мм; 5 - электросварка l = 8 110 мм Ручная электро-дуговая сварка
|
1 м шва
|
((8*0,2+0,11*8)*2))*8=39,68
|
электроды УОНИ 13/45
|
кг
|
0,962*39,68=38,17
|
|
|
Портальная связь с колонной
|
Ручная электро-дуговая сварка
|
1 м шва
|
0,4*8*2=6,4
|
Электрод УОНИ 13/45
|
кг
|
0,962*6,4=6,16
|
|
4. Ведомость монтажных и грузозахватных приспособлений
Таблица 4
|
Наименование
|
Назначение
|
Эскиз
|
Технические характеристики
|
|
|
|
Грузоподъемность, т
|
Масса, т
|
Размеры, м
|
|
1. Траверса унифицированная
|
Установка колонн, в которых
предусмотрено строповочное отверстие
|
|
16
|
0,33
|
1,5
|
|
2. Клиновой вкладыш
|
Выверка и временное
крепление колонн при установке их в фундаменты стаканного типа
|
|
-
|
0,01
|
-
|
|
3. Навесная площадка с
подвесной лестницей
|
Обеспечение рабочего места
на высоте
|
|
-
|
0,12
|
-
|
|
4. Траверса, ПИ
«Промстальконструкция» №15946Р-11
|
Установка стропильных ферм
и балок пролетом 24м
|
|
25
|
1,75
|
3,6
|
|
5. Расчалка ПИ
«Промстальконструкция» №2008-09
|
Временное крепление ферм
|
|
-
|
0,1
|
-
|
|
6. Навесная люлька, ПИ
«Промстальконструкция» №21059М
|
Обеспечение рабочего места
на высоте
|
|
0,1
|
0,06
|
-
|
|
|
|
|
|
|
|
7. Траверса
|
Установка подкрановых балок
длиной 6 м
|
|
6
|
0,39
|
2,8
|
|
8. Траверса ПИ
Промстальконструкция 1968Р-9
|
Установка подкрановых балок
длиной 12м
|
|
9
|
0,940
|
3,2
|
|
9. Траверса, КБ
«Главмостстрой» №7016-17
|
Установка подстропильных
ферм пролетом 12м
|
|
15
|
0,48
|
2,8
|
|
10. Траверса
|
|
10
|
1,08
|
3,31
|
|
11. Строп двухветвевой
|
Установка панелей стен и
перегородок длиной 6 м
|
|
5
|
0,02
|
2,2
|
|
12. Строп четырехветвевой
|
Выгрузка и раскладка
раз-личных конструкций
|
|
3 5
|
0,09 0,22
|
4,2 9,3
|
Сведения о заделки стыков
Заделка швов - конечная монтажная операция. Монтажные соединения сборных
элементов подразделяются на стыки, узлы и швы:
стык - место соединения крайних частей элементов;
узел - место соединения нескольких сборных элементов по длине или ширине;
шов - место примыкания друг к другу сборных элементов по длине или
ширине.
На практике все выше указанные соединения обычно называются стыками. При
подсчете стыки и узлы нормируют поштучно, швы погонными метрами. Различают
стыки: несущие и ненесущие; жесткие и шарнирные; сухие, замоноличенные и
смешанные.
Основными операциями при заделки стыков железобетонных конструкций
являются: защита арматуры и закладных деталей от коррозии, герметизации и
утепление (распространяются на стыки наружных стеновых панелей и блоков),
замоноличивание раствором или бетонной смесью.
5.
Выбор методов монтажа
Для данного одноэтажного промышленного здания принят следующий метод
ведения работ:
· Монтаж поэлементный;
· Предварительная раскладка всех конструкций.
· Направление монтажа - продольное;
· Комбинированная установка конструктивных элементов. Монтаж
колонн, подкрановых балок и стеновых панелей выделяем в дифференцированные
потоки, а монтаж стропильных,подстропильных ферм и плит покрытия выполняем
комплексным методом в едином потоке.
· При монтаже колонн кран движется вдоль их ряда, с одной
стоянки монтирует одну колонну.(по результатам технико-экономического
сравнения, изложенного ниже)
Намечаем два варианта монтажа конструкций здания:
ВАРИАНТ №1.
Монтаж колонн, подкрановых балок, колонн фахверка и стеновых панелей
выделяем в дифференцированные потоки, выбираем для них кран, наиболее
соответствующий требуемым техническим параметрам. Монтаж стропильных,
подстропильных ферм и плит покрытия будем выполнять комплексным методом, при
этом монтажный кран должен соответствовать требуемым монтажным характеристикам
конструкций.
ВАРИАНТ №2.
Монтаж ведем в том же порядке, но одним краном, пригодным для установки всех
конструкций здания.
6.
Выбор монтажных кранов по техническим параметрам
.1 Определение монтажных характеристик крана при
монтаже колонн
Qк=mk+mгр - требуемая грузоподъемность крана, т;
mk - масса наиболее тяжелой колонны (10,7т);
mгр - масса грузозахватных
приспособлений (0,333т);
Qк=10,7+0,333=11,03т;
Нкртр=hk+hгр+hмз - требуемая высота подъема крюка, м;
hk - длина наиболее высокой колонны (9,4м);
hгр - высота грузозахватного
приспособления (1,5м);
hмз - монтажный зазор (0,5м);
Нктр=9,4+1,5+0,5=11,4м.
7.
Выбор крана для монтажа колонн на основании технико-экономического обоснования
7.1 Определение наиболее экономичного метода монтажа
колонн
Намечаем две возможные схемы движения крана, монтаж производим кранами
разных марок.
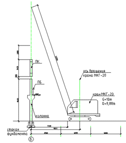
Вариант 1 - кран движется вдоль ряда колонн, кран МКП-16 (Рис 1.1, 1.2);
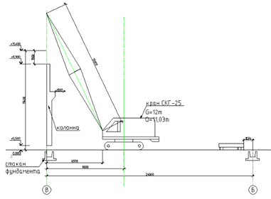
Вариант 2 - кран движется посредине пролета, кран СКГ-30 (Рис 2.1, 2.2).
7.2
Выбираем марку крана по техническим параметрам
Вариант 1.
МКГ-20
длина стрелы lстр=12,5 м;
грузоподъемность Q=12
т;
вылет стрелы Lстр=7 м;
высота подъема крюка Hкр=12
м;
скорость подъема крюка V1=6,3
м/мин;
скорость опускания крюка V2=19
м/мин;
скорость перемещения груза при изменении вылета стрелы V3=15 м/мин;
скорость перемещения крана V4=30
м/мин;
число оборотов стрелы в минуту nоб=0,5 об/мин;
единовременные затраты на доставку и монтаж крана Ео=74 р;
стоимость машино-смены работы крана Смаш.-см=36,27 р.
Вариант 2.
СКГ-25
длина стрелы lстр=15 м;
грузоподъемность Q=12
т;
вылет стрелы Lстр=9 м;
высота подъема крюка Hкр=12
м;
скорость подъема крюка V1=7,1
м/мин;
скорость опускания крюка V2=10,6
м/мин;
скорость перемещения груза при изменении вылета стрелы V3=15 м/мин;
скорость перемещения крана V4=30
м/мин;
число оборотов стрелы в минуту nоб=0,7 об/мин;
единовременные затраты на доставку и монтаж крана Ео=87,8 р;
стоимость машино-смены работы крана Смаш.-см=46,04 р.
7.3 Определяем сменную эксплуатационную
производительность крана
Вариант 1.
Рис.5. Технологическая схема монтажа колонны краном МКГ-20
Рис.6. Схема монтажа колонны краном МКГ-20
Тц=Тм+Тр - время цикла монтажа, мин;
Тр - ручное время цикла монтажа, мин;
Тм=[(Нкр+Но.кр)/V1]+[(Нкр-Но.кр)/V2]+[(2α/360nоб)+S1/V3]kc+S2/V4 - машинное
время цикла монтажа, мин;
Нкр - требуемая высота подъема крюка, м;
Но.кр - требуемая высота опускания крюка, м;
S1 -
расстояние перемещения груза за счет изменения вылета стрелы, м;
kc -
коэффициент, учитывающий совмещение рабочих операций, м;
S2 -
расстояние перемещения крана, приходящееся на один элемент, м;
α - угол поворота стрелы крана, град;
Тр=34 мин; (для колонн устанавливаемых с применением клиньев и расчалок
высотой до 14 м)
Тм=[(11,4+0,5)/6,3]+[(11,4-0,5)/19]+[(2*65/360*0,5)]*1+6/30=3,385 мин;
Тц=3,385+34=37,4 мин;
Пэ.ч=60k1/Тц - средняя часовая
эксплуатационная производительность, шт/ч;
k1 -
коэффициент, учитывающий неизбежные внутрисменные перерывы в работе крана;
(0,85 для кранов без выносных опор).
Пэ.ч=60*0,85/37,4 =1,36 шт/ч;
Пэ.см=Пэ.ч*Q*tсм*k2 - эксплуатационная сменная производительность, м 3;
Q -
масса (объем) колонны м 3;
tсм -
продолжительность смены, ч;
k2 -
переходный коэффициент от производственных норм к сметным;
Пэ.см=1,36*4,26*8*0,75=34,76 м3/смену
Вариант 2.
Рис.7. Технологическая схема монтажа колонны краном СКГ-25
Рис.8. Схема монтажа колонны краном СКГ-25
α=54°
Тр=34 мин;
Тм=[(11,4+0,5)/7,1]+[(11,4-0,5)/10,6]+[(2*54/360*0,7)]*1+6/30=13,13мин;
Тц=13,13+34=47,13 мин;
Пэ.ч=60*0,85/47,13=1,08 шт/ч;
Пэ.см=1,08*4,26*8*0,75=27,66 м3/смену.
Вывод: Вариант 2 обеспечивает небольшой выигрыш в производительности.
Определяем продолжительность работы крана.
Вариант 1
Тсм=Vр/Пэ.см - продолжительность работы
крана, смен;
Vр -
объем работ, м 3;
Тсм=(92,4+46,86)/34,76=4,006 смен;
Вариант 2
Тсм=(92,4+46,86)/27,66=5,03 смен;
Вывод: Вариант 1 обеспечивает небольшое сокращение времени ведения работ.
Определяем
стоимость механизированных затрат.
Со=1,08(ΣEо+ΣСмаш.-см*Тм)+1,5Сз.пл - стоимость
механизированных затрат, р;
Сз.пл=Сз.пл.см*tсм -
зарплата всех рабочих, занятых на монтаже, р;
Сз.пл.см - нормативная оплата труда звена монтажников в смену, р
Согласно ЕНиР 4-1 принимаем звено монтажников из 5 человек: V разряда - 1; IV разряда - 1; III разряда - 2; II разряда - 1
Тарифные ставки рабочих
|
Разряды
|
II
|
III
|
IV
|
V
|
|
Тарифные ставки, kтар,
р/ч
|
0.64
|
0.7
|
0.79
|
0.91
|
Сз.пл.см=(ΣЧр*kтар)tсм;
Чр - число рабочих;
Сз.пл.см=(0,91+0,79+0,7*2+0,64)*8=29,92 р/смену;
Со=1,08(74+36,27*4,006)+1,5*29,92*4,006 =416,63 р.
Вариант 2
Со=1,08(87,8+46,04*5,03)+1,5*29,92*5,03 =570,68 р.
Вывод: Вариант 1 дает существенную экономию затрат.
На основании сравнения принимаем для монтажа колонн кран МКГ-20, с
монтажной схемой движения крана вдоль ряда колонн, как наиболее экономичный.
8.
Выбор крана для монтажа подкрановых балок и подстропильных конструкций
Qк=mпб+mгр - требуемая грузоподъемность крана,
т;
mпб - масса подкрановой балки (1,3т);
mгр - масса грузозахватных
приспособлений (0,94т);
Qк=1,3+0,94=2,24т;
Нкртр=hкон+hпб+hгр+hмз - требуемая высота подъема крюка, м;
hкон - высота колонны от уровня пола до
верха подкрановой консоли (5,2м);
hпб - высота подкрановой балки (1,1м);
hгр - высота грузозахватного
приспособления (2,2м);
hмз - монтажный зазор (0,5м);
Нкртр=5,2+1,1+2,2+0,5=9м.
Qк=mпк+mгр - требуемая грузоподъемность крана,
т;
mпб - масса подстропильной конструкции
(9,4т);
mгр - масса грузозахватных
приспособлений (0,48т);
Qк=9,4+0,48=9,88т;
Нкртр=hкон+hпк+hгр+hмз - требуемая высота подъема крюка, м;
hкон - высота колонны от уровня пола до
верха подкрановой консоли (8,4м);
hпб - высота подстропильной конструкции
(3,42м);
hгр - высота грузозахватного
приспособления (2,8м);
hмз - монтажный зазор (0,5м);
Нкртр=8,4+3,42+2,8+0,5=15,12м.
Примем кран МКГ-20 для монтажа подкрановых балок и подстропильных
конструкций.
длина стрелы lстр=22,5 м;
грузоподъемность Q=2÷14,5т;
вылет стрелы Lстр=5,5÷16 м;
высота подъема крюка Hкр=17÷22 м;
скорость подъема крюка V1=6,3
м/мин;
скорость опускания крюка V2=19
м/мин;
скорость перемещения груза при изменении вылета стрелы V3=15 м/мин;
скорость перемещения крана V4=30
м/мин;
число оборотов стрелы в минуту nоб=0,5 об/мин;
единовременные затраты на доставку и монтаж крана Ео=74 р;
стоимость машино-смены работы крана Смаш.-см=36,27 р.
Рис.9. Схема монтажа подкрановых балок и подстропильных конструкций
Рис.10. Технологическая схема монтажа подкрановой балки
Рис.11. Технологическая схема монтажа подстропильной конструкции
9.
Выбор крана для монтажа стропильных ферм и плит покрытия
Qксф=mсф+mгр - требуемая грузоподъемность крана примонтаже
ферм, т;
mсф - масса стропильной фермы (9,8т);
mгр - масса грузозахватных
приспособлений (1,75т);
Qксф=9,8+1,75=11,55т;
Нкрсф=hк+hсф+hгр+hмз - требуемая высота подъема крюка при
монтаже ферм, м;
hк - высота колонны (8,4+0,7м);
hсф - высота стропильной фермы (3,3м);
hгр - высота грузозахватного
приспособления (3,6м);
hмз - монтажный зазор (0,5м);
Нкрсф=8,4+0,7+3,3+3,6+0,5=16,5м;
Qкпп=mпп+mгр - требуемая грузоподъемность крана
при монтаже плит покрытия, т;
mпп - масса плиты покрытия (7т);
mгр - масса грузозахватных
приспособлений (1,08т);
Qкпп=7+1,08=8,08т;
Нкрпп=hк+hсф+hгр+hмз+hпп - требуемая высота подъема крюка при монтаже плит покрытия,
м;
hк - высота колонны (9,1м);
hсф - высота стропильной фермы (3,3м);
hгр - высота грузозахватного приспособления
(3,31м);
hмз - монтажный зазор (0,5м);
hпп - толщина плиты покрытия (0,3м);
Нкрпп=9,1+3,3+3,31+0,5+0,3=16,51м;
Примем кран МКГ-20.
длина стрелы lстр=22.5 м;
грузоподъемность Q=2÷14,5 т;
вылет стрелы Lстр=5,5÷16 м;
высота подъема крюка Hкр=17÷22 м;
скорость подъема крюка V1=6,3 м/мин;
скорость опускания крюка V2=19 м/мин;
скорость перемещения груза при изменении вылета стрелы V3=15 м/мин;
скорость перемещения крана V4=30
м/мин;
число оборотов стрелы в минуту nоб=0,5 об/мин;
единовременные затраты на доставку и монтаж крана Ео=74 р;
стоимость машино-смены работы крана Смаш.-см=36,27 р.
Рис. 12. Схема монтажа стропильных ферм и плит покрытия.
Рис. 13. Технологическая схема монтажа стропильных ферм.
Рис. 14. Технологическая схема монтажа плит покрытия.
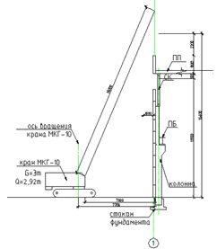
10. Выбор крана для монтажа стеновых панелей
Qк=mсп+mгр - требуемая грузоподъемность крана,
т;
mсп - масса стеновой панели (2,9т);
mгр - масса грузозахватных
приспособлений (0,02т);
Qк=2,09+0,02=2,92т;
Нкртр=hст+hгр+hмз - требуемая высота подъема крюка, м;
hст - высота стены (11,9+1,8м);
hгр - высота грузозахватного
приспособления (2,2м);
hмз - монтажный зазор (0,5м);
Нкртр=11,9+1,8+2,2+0,5=16,4м.
Примем кран МКГ-10
длина стрелы lстр=18 м;
грузоподъемность Q=0,5÷4,5т;
вылет стрелы Lстр=5.5÷16м;
высота подъема крюка Hкр=10,5÷18м;
скорость подъема крюка V1=7,0
м/мин;
скорость опускания крюка V2=17
м/мин;
скорость перемещения груза при изменении вылета стрелы V3=15 м/мин;
скорость перемещения крана V4=30
м/мин;
число оборотов стрелы в минуту nоб=0,7 об/мин;
единовременные затраты на доставку и монтаж крана Ео=45,3 р;
стоимость машино-смены работы крана Смаш.-см=27,63 р.
Рис. 15. Схема монтажа стеновых панелей.
Рис. 16. Технологическая схема монтажа стеновых панелей.
11. Результаты выбора кранов
Таблица 5
|
Наименование монтируемых
конструкций
|
Монтажные характеристики
кранов
|
Краны пригодные по
техническим параметрам
|
|
Qк,т
|
Hкр,м
|
Lстр,м
|
I вариант
|
II вариант
|
|
|
|
|
Марка
|
Технические характеристики
|
Марка
|
Технические характеристики
|
|
Колонны (с учетом
грузозахватных приспособлений и оснастки)
|
11,03
|
11,04
|
4,5
|
МКГ-20
|
lстр=12,5м; Q=5÷20т; Lстр=5÷12м; Hкр=8÷13м.
|
СКГ-25
|
lстр=15м; Q=5÷23т; Lстр=6÷14м; Hкр=7÷13,5м.
|
|
Подкрановые балки
|
2,24
|
9
|
6,85
|
МКГ-20
|
lстр=22,5м; Q=2÷14,5т; Lстр=5,5÷16м; Hкр=17÷22м.
|
МКГ-20
|
lстр=22,5м; Q=2÷14,5т; Lстр=5,5÷16м; Hкр=17÷22м.
|
|
Подстр-ые конструкции
|
9,88
|
15,12
|
7,3
|
|
|
|
|
|
Стропильные фермы
|
11,55
|
16,5
|
6,5
|
МКГ-20
|
lстр=22,5м; Q=2÷14,5т; Lстр=5,5÷16м; Hкр=17÷22м.
|
МКГ-20
|
lстр=22,5м; Q=2÷14,5т; Lстр=5,5÷16м; Hкр=17÷22м.
|
|
Плиты покрытия
|
8,08
|
16,51
|
8,421
|
|
|
|
|
|
Стеновые панели
|
2,92
|
16,4
|
7,0
|
МКГ-10
|
lстр=18м; Q=0,5÷4,5т; Lстр=5.5÷16м; Hкр=10,5÷18м.
|
МКГ-10
|
lстр=18м; Q=0,5÷4,5т; Lстр=5.5÷16м; Hкр=10,5÷18м.
|
12. Технико-экономическое обоснование
выбранного варианта производства работ
12.1 Определение наиболее экономичного варианта
монтажа конструкций здания
Виды монтируемых конструкций.
Таблица 6
|
Конструкция
|
Масса, т
|
Объем, м 3
|
Количество
|
|
Колонны
|
10,7
|
4,26
|
67
|
|
Подкрановые балки
|
1,3
|
-
|
60
|
|
Подстропильные конструкции
|
9,4
|
3,75
|
10
|
|
Стропильные фермы
|
9,8
|
3,75
|
44
|
|
Плиты покрытия
|
7
|
2,78
|
320
|
|
Стеновые панели
|
2,9
|
2,56
|
308
|
12.1.1 Определяем сменную эксплуатационную
производительность кранов
При монтаже колонн (определена ранее).
Для крана МКГ-20 Пэ.см=34,76 м3/смену;
Для крана СКГ-25 Пэ.см=27,66 м3/смену;
При монтаже подкрановых балок и подстропильных конструкций
Для крана МКГ-20:
α=28º(для подкоановой балки);
α=47º(для
подстропильной конструкции);
Трпб=60 мин;
Трпк=24 мин;
Тмпб=[(9+0,5)/6,3]+[(9-0,5)/19]+[(2*28/360*0,5)+0]*1+12/30=2,44
мин;
Тмпк=[(15,12+0,5)/6,3]+[(15,12-0,5)/19]+[(2*47/360*0,5)+0]*1+12/30=4,17
мин;
Тцпб=2,44+60=62,44 мин;
Тцпк=4,17+24=28,17 мин;
Тцср= (N1*ТЦ1+ N2*ТЦ2+…+ Nn*ТЦn)/ (N1+ N2+…+ Nn) - средневзвешенное время одного цикла монтажа;
Nn -
количество монтируемых конструкций;
Тцср= (60*62,44+10*28,17)/(60+10)=57,5мин;
Пэ.ч=60*0,85/57,5=0.89 шт/ч;
Qср= (N1*Q1+N2*Q2+…+ Nn*Qn)/(N1+ N2+…+ Nn) - средневзвешенная масса
монтируемых элементов;
Qср=
(60*1,3+10*9,4)/(60+10)=2,5 т;
Пэ.см=0,9*2,5*8*0,75=13,27т/смену;
При монтаже стропильных ферм и плит покрытия
α=63°;
ТМСФ=[(16,5+0,5)/6,3]+[(16,5-0,5)/19]+[(2*63/360*0,5)+0]*1+3/30=4,3
мин;
∠1=108°;
∠2=118°;
∠3=130°;
∠4=144°;
∠5=160°;
∠6=174°;
∠5=186°;
∠6=195°;
αср=151,875°;
ТМПП=[(16,51+0,5)/6,3]+[(16,51-0,5)/19]+[(2*151,875/360*0,5)+3/30]=5,3
мин;
ТРСФ=33 мин;
ТРПП=15 мин;
ТЦСФ=4,3+33=37,33 мин;
ТЦПП=5,3+15=20,3 мин;
Тцср= (N1*ТЦ1+ N2*ТЦ2+…+ Nn*ТЦn)/ (N1+ N2+…+ Nn) - средневзвешенное время одного цикла монтажа;
Nn -
количество монтируемых конструкций;
Тцср= (44*37,33+320*20,3)/(44+320)=22,36мин;
Пэ.ч=60*0,85/22,36=2,28 шт/ч;
Qср= (N1*Q1+N2*Q2+…+ Nn*Qn)/(N1+ N2+…+ Nn) - средневзвешенная масса
монтируемых элементов;
Qср=
(44*3,75+320*2,78)/(44+320)=2,9 м3;
Пэ.см=2,4*2,9*8*0,75=41,76 м3/смену;
При монтаже стеновых панелей
Для крана МКГ-10:
α=180°;
Тр=(260*23+48*27)/(260+48)=23,6 мин;
S2=2*(120+48)/(260+48)=1,09
м;
Тм=[(16,4+0,5)/7]+[(16,4-0,5)/17]+[(2*180/360*0,7)+0]*1+1,09/30=6,3 мин;
Тц=6,3+23,6=30 мин;
Пэ.ч=60*0,85/30=1,7 шт/ч;
Пэ.см=1,7*1,83*8*0,75=18,7 м3/смену.
12.1.2 Определяем сменную
продолжительность работы каждого крана на объекте
Таблица 7
|
Монтируемые конструкции
|
Объем работ, т
|
Продолжительность работ,
смен
|
|
|
Вариант №1
|
Вариант №2
|
|
Колонны
|
92,4+46,86=139,26
|
139,26/34,76 =4,006
|
МКГ-20
|
139,26/27,66=5,03
|
СКГ-25
|
|
Подкрановые балки и
подстропильные конструкции
|
94+24,8+26=144,8
|
144,8/13,27=10,9
|
МКГ-20
|
144,8/13,27=10,9
|
МКГ-20
|
|
Стропильные фермы и плиты
покрытия
|
165+889,6=1054,6
|
1054,6/41,76=25,25
|
|
1054,6/41,76=25,25
|
|
|
Стеновые панели
|
442+122,88=564,88
|
564,88/18,7=30,2
|
МКГ-10
|
564,88/18,7=30,2
|
МКГ-10
|
|
Итого
|
70,356
|
71,38
|
12.1.3 Определяем стоимость
механизированных затрат по вариантам
Вариант №1
Со=1,08(74+74+45,3+36,27*4,006+36,27*(10,9+25,25)+27,63*30,2)+1,5*29,92*70,356=5840,496
р.
Вариант №2
Со=1,08(87,8+74+45,3+46,04*5,03+36,27*(10,9+25,25)+27,63*30,2)+1,5*29,92*71,38=5994,5
р.
Вывод: Вариант №1 с использованием 3 кранов МКГ-20(12,5м), МКГ-20(22,5м),
МКГ-10 экономически наиболее выгоден.
13. Технология и организация монтажных работ
Монтаж конструкций осуществляют с предварительным складированием в зоне
действия монтажного крана в технологической последовательности их монтажа.
Разгрузку и раскладку конструкций производят стреловым краном отдельной
такелажной бригадой.
Монтаж конструкций здания выполняют пятью потоками:
первый поток - колонны со связями;
второй поток - подкрановые балки и подстропильные конструкции;
третий поток - конструкции покрытия: фермы, связи, плиты;
четвертый поток - колонны фахверка;
пятый поток - стеновые панели.
13.1 Способы
и средства транспортирования конструкций
Основной вид транспорта для перевозки сборного железобетона -
автомобильный при дальности транспортирования до 5 км.
Отпуск сборных конструкций производят при достижении бетоном 100%-ной
прочности в зимнее время и 70%-ной прочности в летнее, при условии, что
завод-изготовитель гарантирует набор бетоном марочной прочности к 28-дневному
возрасту.
Элементы длинной до 6м транспортируют на бортовых автомашинах. Более
длинные элементы - на автопоездах с прицепами и на безбортовых полуприцепах при
массе элементов более 14 т; на прицепах-трейлерах - до 40 т; на панеле-,
фермо-, блоковозах - до 35 т.
Укладку сборных элементов на транспортные средства производят с учетом
следующих требований:
элементы должны находиться в положении, близком к проектному, за
исключением колонн, которые транспортируются «плашмя», а разгружаются и
раскладываются в положении «на ребро»;
необходимо, чтобы элементы опирались на деревянные инвентарные прокладки
и подкладки, располагаемые в местах, указанных в рабочих чертежах на
изготовление этих элементов. Толщина прокладок и подкладок должна быть не менее
25мм и не менее высоты петель и других выступающих частей элементов. Применение
промежуточных прокладок не допускается;
при многоярусной погрузке подкладки и прокладки следует располагать
строго по одной вертикали;
элементы необходимо тщательно укреплять с целью предохранения от
опрокидывания, продольного и поперечного смещения, а также ударов друг о друга;
офактуренные поверхности элементов должны быть защищены от повреждений.
При транспортировании автомобильным и железнодорожным транспортом размер
грузов должен вписываться в габариты подвижного состава. Всякие отклонения от
этих габаритов по высоте, ширине, длине требуют специального согласования и
контролируемых условий перевозки.
Разгрузку доставленных на строительную площадку сборных конструкций
обычно производят специальным разгрузочным самоходным краном и реже основным
монтажным механизмом.
.2 Складирование
сборных элементов
Склады размещают на спланированной площадке, с учетом стока ливневых и
талых вод.
Обычный запас конструкций - на 3…7 дней работы монтажных кранов.
При хранении конструкции на приобъектном складе необходимо:
раскладывать сборные элементы и размещать штабеля в зоне действия
монтажного крана с учетом последовательности монтажа;
конструкции, имеющие большую массу (или парусность), располагать вблизи
монтажного крана;
хранить сборные элементы в условиях, исключающих их деформирование и
загрязнение;
на территории склада установить указатели проездов и проходов;
все элементы складируют на деревянных подкладках размером 6х6 и 8х8 см,
при этом должны быть обеспечены соосность укладки элементов, исключены
возможности образования трещин и перенапряжений в бетоне конструкции.
Складирование элементов необходимо организовать так, чтобы иметь доступ к
любой конструкции для возможности определения ее маркировки и подготовки к
монтажу.
Оптимальные размеры штабелей для плит покрытий и перекрытий - до 10…12
рядов, но максимальная высота штабеля не должна превышать 2,5м.
На складе стеновые панели устанавливают вертикально или наклонно в
металлических пирамидах или кассетах.
Расположение сборных элементов на складе должно быть таким, чтобы при их
подъеме для установки в проектное положение вылет стрелы крана не изменялся,
т.е. стрела крана при монтаже не поднималась и не опускалась.
.3 Монтаж
колонн
До монтажа колонн необходимо:
принять по акту (с приложением исполнительной схемы) фундаменты и
проверить их соответствие проектному положению с учетом требования нормативных
документов;
нанести по четырем граням на уровне верхней плоскости фундаментов риски
установочных осей;
закрыть стаканы фундаментов щитами для предохранения от загрязнения;
устроить дороги для проезда монтажного крана и автомобилей;
подготовить площадки для складирования колонн у места их установки;
доставить в зону монтажа необходимые монтажные средства, приспособления и
инструменты;
проверить положение всех закладных деталей колонн;
нанести риски установочных осей на боковых гранях колонн.
Колонны монтируются отдельным (дифференцированным) потоком, вдоль здания.
Колонны предварительно раскладывают у мест монтажа на деревянных
прокладках толщиной не менее 25мм. Перед монтажом каждую колонну необходимо
осмотреть с тем, чтобы она не имела деформаций, повреждений, трещин, раковин,
сколов, обнаженной арматуры, наплывов бетона. Необходимо проверить
геометрические размеры колонны, наличие монтажного отверстия, правильность
установки стальных закладных деталей при помощи рулетки.
Монтаж колонн ведем краном МКГ-20 с длиной стрелы 12,5 метров.
Строповку колонн осуществляют за монтажный стержень, пропускаемый в
специальное отверстие колонны. Необходимо обеспечить дистанционную
расстроповку, исключающую необходимость подъема рабочего к месту строповки
после установки колонны в стакан фундамента. Строповку осуществлять при помощи
траверсы с устройством для расстроповки с земли. Колонны при помощи монтажного
крана опускают в стакан фундамента на железобетонные подкладки или на
выравнивающий слой бетонной смеси.
Выверку и временное закрепление установленных в фундаменты колонн
осуществляется при помощи комплекта монтажного оснащения. Проектное положение
низа колонны на дне стакана фундамента, временное крепление и выверка колонн по
вертикали осуществляется с помощью клиновых вкладышей.
Выверку и исправление колонн по вертикали производят при помощи
домкратов; при этом отклонение от вертикали и смещение осей колонн в нижнем
сечении не должно превышать нормативных величин.
Расстроповку установленных колонн следует производить после надежного
закрепления их в стаканах фундаментов клиновыми вкладышами.
Перед заделкой стыка между колонной и фундаментом бетонной смесью на
клиновой вкладыш устанавливают ограждение, которое извлекают из стакана сразу же
после уплотнения жесткой бетонной смеси или после начала схватывания при
обычных смесях.
После выверки колонн закрепление их в проектном положении осуществляется
путем бетонирования стыков бетонной смесью на быстротвердеющем безусадочном
цементе при помощи пневмонагнетателя. Клиновые вкладыши вынимают только после
приобретения бетоном стыка прочности, указанной в проекте производства работ
или по достижении бетоном 70%-ной прочности.
При монтаже колонн необходимо проверять отметку дна стакана фундамента, совмещение
риски на грани в нижней части колонны с разбивочной риской на верхней грани
фундамента, вертикальность колонн, отметки крановой консоли и оголовка колонны.
Совмещение осей колонны и разбивочных осей необходимо контролировать по двум
осям, вертикальность колонны должна быть обеспечена при помощи одного или двух
теодолитов по двум разбивочным осям. Отметки опорных площадок для подкрановых
балок и ферм контролируют методом геометрического нивелирования.
13.4 Монтаж
подкрановых балок и подстропильных конструкций
Монтаж конструкций ведем совместно краном МКГ-20, захват осуществляется
траверсой. Подкрановые балки и подстропильные конструкции устанавливают с
последующей выверкой. При этом балки и подстропильные конструкции устанавливают
на всю длину секции. После временного крепления балок выверяют отметку их верха
на опорах. Если отклонения превышают 5мм по сравнению с наиболее высокой
отметкой, под остальные опоры балок подкладывают стальные прокладки. Устройство
для выверки состоит из жёсткой рамы с направляющими и двух стоек. Выверку
подкрановых балок выполняют два монтажника. Сначала устройство краном
устанавливают на торец подкрановой балки. Для выверки балки устройство
устанавливают на консоль колонны и закрепляют страховочной цепью. Верхний пояс балки
захватывается клещевыми устройствами. Смещение балки по высоте и в плане
производится при помощи домкрата и горизонтального винта. По окончании выверки
под балку укладывают подкладки и закрепляют её анкерными болтами. Далее
траверсу опускают, выводят крюки из зацепления, устройство поднимают и на
роликах перекатывают по балке к следующей колонне. До начала монтажа должны
быть выполнены работы по устройству связей между колонами.
Подстропильные конструкции и балки устанавливают в проектное положение с совмещением
осевых рисок на их торцах с рисками на опорных поверхностях нижележащих
конструкций(колонн), после чего их закрепляют сваркой закладными элементами
этих конструкций.
13.5 Монтаж
ферм и плит покрытия
Стропильные фермы и плиты покрытия монтируют в одном потоке после
установки и закрепления всех нижерасположенных конструкций каркаса здания.
Комплексный монтаж конструкций покрытия ведется продольным методом.
Монтажный кран находится за пределами монтируемой ячейки, после установки
очередной стропильной балки укладывают через нее плиты покрытий. При этом
подвешенные на крюке крана плиты расположены длинной стороной вдоль стрелы
крана.
До начала монтажа покрытия, сборные конструкции должны находиться в зоне
их монтажа.
Конструкции покрытий раскладывают и устанавливают в проектное положение
краном МКГ-20 с длиной стрелы 22,5 метров.
Перед монтажом конструкции покрытия необходимо оснастить
предохранительным канатом и оттяжками, а крайние плиты инвентарными
ограждениями.
Фермы устанавливают в проектное положение монтажники, находящиеся на
монтажных площадках, путем совмещения осевых рисок на их торцах с разбивочными
рисками на опорных поверхностях нижележащих конструкций (колонн).
После проверки правильности расположения их закрепляют в проектном
положении при помощи электросварки.
Устойчивость монтируемых стропильных ферм должна быть обеспечена
дополнительным креплением верхнего пояса не ближе чем на 3 метра до опорного
узла на колонне, или временным креплением расчалками или инвентарными
распорками.
Временное крепление первых двух монтируемых стропильных ферм выполняют с
помощью расчалок, закрепленных за приставные инвентарные якоря. Устойчивость
последующих стропильных ферм может быть обеспечена постановкой инвентарных
распорок пролетом 12 метров.
Закрепляют стропильные фермы в проектном положении приваркой закладных
деталей двумя боковыми швами.
Ориентирование монтируемых стропильных ферм производят с помощью,
приваренных к закладным деталям опорных площадок, пластин фиксаторов.
Расстроповку конструкций, а также снятие временного крепления с них
выполняют только после приварки опорных узлов стропильных ферм и проектного
закрепления монтируемой плиты покрытия не ближе, чем за 3 метра до опорного
узла фермы. Первая плита покрытия, устанавливаемая на стропильную ферму,
приваривается в 4-х опорных узлах, а последующие плиты должны быть приварены не
менее чем в 3-х узлах.
Плиты покрытия монтируются от одного конца стропильной фермы к другому,
начиная со стороны ранее смонтированного пролета.
При укладке первой плиты один монтажник находится на лестничной площадке,
закрепленной на колонне, второй, на плите, ранее смонтированной ячейки или на
лестнице-площадке. Последующие плиты монтажники укладывают, находясь на ранее
смонтированных плитах покрытия.
После монтажа и закрепления плит покрытия начинают замоноличивание стыков
плит покрытия раствором М100.
.6 Монтаж
колонн фахверка
Монтаж ведется краном МКГ-20 с предварительной раскладкой. Строповка
осуществляется при помощи траверсы с устройством для расстроповки с земли.
После установки в проектное положение, колонну закрепляют в стакане фундамента
с помощью клиновых вкладышей и производят замоноличивание и потом приваривают к
стропильной конструкции.
13.7 Монтаж
стеновых панелей
Стеновые панели монтируются самостоятельным потоком после завершения
монтажа каркаса здания и покрытия.
Строповку панелей ведем с помощью траверсы.
Подъем и подачу стеновых панелей к месту установки осуществляют стреловым
краном МКГ-10.
Монтажники выверяют и крепят устанавливаемые стеновые панели с рабочих
площадок, находящихся с внутренней стороны здания.
Монтажники, находящиеся на площадке, обеспечивают наведение и установку
панелей в проектное положение, их выверку, временное и окончательное крепление
путем электросварки закладных деталей. Перед установкой панели делают заливку
раствором на горизонтальную поверхность ниже установленной панели,
устанавливают упругую прокладку, наносят слой мастики. Заливку вертикальных
швов цементным раствором производят после окончательного крепления панелей.
При производстве работ следует контролировать размер швов, качество
заделки и целостность лицевых граней смонтированных панелей.
Геометрические размеры панелей при приемке их на строительную площадку
следует контролировать компарированной рулеткой.
При геодезическом контроле точность монтажа для панелей первого ряда и
для панелей над пролетами, проверяют совмещением осей нижней грани панели с
рисками, нанесенными от разбивочных осей на опорные столики.
Контроль осуществляют в двух местах нижней грани панели стальной линейкой
или боковым нивелированием. Для последующих рядов панелей совмещение грани
монтируемой панели с гранями установленной ранее панели контролируют методом
бокового нивелирования с помощью теодолита. При этом мерную рейку поочередно приставляют
к сопрягаемым граням панелей в двух местах.
Вертикальность установленной панели контролируют по двум граням при
помощи отвеса-рейки или методом бокового нивелирования. Положение по высоте
контролируется размером разности отметок верхних граней установленных панелей,
опорных столиков, а также подкладок методом геометрического нивелирования.
Панели монтируют снизу вверх, в пределах зоны, ограниченной двумя
колоннами.
14. Калькуляция затрат труда и заработной платы
|
Шифр норм
|
Наименование работ
|
Ед. измер.
|
Нормы времени на единицу
|
Объем работ
|
Трудоемкость
|
Расценка, р.
|
Σ
зарплаты, р.
|
Состав звена
|
|
|
|
чел.-ч
|
маш.-ч
|
|
чел.-ч
|
маш.-ч
|
|
|
Профессия
|
Разряд
|
Кол-во
|
|
1
|
2
|
3
|
4
|
5
|
6
|
7
|
8
|
9
|
10
|
11
|
12
|
13
|
|
Внутрипостроечные
транспортные работы
|
|
E1-5,T2, №12
|
Выгрузка колонн m=5,3т
и m=10,7т
|
100т
|
3
|
1,5
|
3,509
|
10,527
|
5,264
|
1-59 1-92
|
12-32
|
Машинист Такелажник
|
6 2
|
1 2
|
|
E1-5,T2, №3
|
Выгрузка подкрановых балок m=0,62т
и m=1,3 т
|
100т
|
8,8
|
4,4
|
0,508
|
4,47
|
2,24
|
4-66 5-63
|
5-23
|
|
|
|
|
E1-5,T2, №11
|
Выгрузка подстропильных
конструкций m=9,4т
|
100т
|
3,2
|
1,6
|
0,94
|
3,01
|
1,5
|
1-70 2-05
|
3-53
|
|
|
|
|
E1-5,T2, №11
|
Выгрузка стропильных ферм m=9,8т
|
100т
|
3,2
|
1,6
|
4,31
|
13,79
|
6,9
|
1-70 2-05
|
16-16
|
|
|
|
|
E1-5,T2, №9
|
Выгрузка плит покрытия m=7т
|
100т
|
3,6
|
1,8
|
22,4
|
80,64
|
40,32
|
1-91 2-30
|
94-30
|
|
|
|
|
E1-5,T2, №8
|
Выгрузка колонн фахверка m=5,82т
|
100т
|
3,8
|
1,9
|
0,698
|
2,65
|
1,33
|
2-01 2-43
|
3-10
|
|
|
|
|
E1-5,T2, №4
|
Выгрузка стеновых панелей m=1,9т
|
100т
|
7,2
|
3,6
|
4,94
|
35,57
|
17,78
|
3-82 4-61
|
41-64
|
|
|
|
|
E1-5,T2, №5
|
Выгрузка стеновых панелей m=2,9т
|
100т
|
5,4
|
2,7
|
1,392
|
7,52
|
3,76
|
2-86 3-46
|
8-80
|
|
|
|
|
E1-5,T2, №1
|
Выгрузка крайних связей m=0,34т
|
100т
|
22
|
11
|
0,03
|
0,66
|
0,33
|
11-66 14-09
|
0-77
|
|
|
|
|
E1-5,T2, №2
|
Выгрузка средних связей m=0,96т
|
100т
|
12
|
6,1
|
0,02
|
0,24
|
0,122
|
6-47 7-68
|
0-28
|
|
|
|
|
Монтаж каркаса здания
|
|
E4-1-4А, T2,№5,8
|
Установка крайних колонн
|
шт.
|
5,5
|
1,1
|
44
|
242
|
48,4
|
4-11 1-17
|
232-32
|
Монтаж-к Машинист
|
5;4;3;2 6
|
1;1;2;1 1
|
|
Установка средних колонн
|
шт.
|
9
|
1,8
|
11
|
99
|
19,8
|
6-73 1-91
|
95-04
|
|
|
|
|
E4-1-6Б,
T3,№2
|
Установка подкрановых балок
|
шт.
|
4,3
|
0,86
|
60
|
258
|
51,6
|
3-22 0-91,2
|
247-92
|
|
|
|
|
E4-1-6В,
T3,№2
|
Установка подстропильных
конструкций
|
шт.
|
5
|
1
|
10
|
50
|
10
|
4-10 1-06
|
51-60
|
Монтаж-к Машинист
|
6;5;4;3;2 6
|
1;1;1;1;1 1
|
|
E4-1-6В,
T4,№3
|
Установка стропильных ферм
|
шт.
|
9,5
|
1,9
|
44
|
418
|
83,6
|
7-79 2-01
|
431-2
|
|
|
|
|
E4-1-7,№11
|
Установка плит покрытия
3х6=18м²
|
шт.
|
1,2
|
0,3
|
320
|
384
|
96
|
0-84,9 0-31,8
|
373-44
|
Монтаж-к Машинист
|
4;3;2 6
|
1;2;1 1
|
Установка колонн фахверка
|
шт.
|
5,5
|
1,1
|
12
|
66
|
13,2
|
4-11 1-17
|
63-36
|
Монтаж-к Машинист
|
5;4;3;2 6
|
1;1;2;1 1
|
|
E4-1-8А,
T2,№2
|
Установка стеновых панелей
1,2х6=7,2м²
|
шт.
|
3
|
0,75
|
260
|
780
|
195
|
2-28 0-79,5
|
799-50
|
Монтаж-к Машинист
|
5;4;3;2 6
|
1;1;1;1 1
|
|
E4-1-8А,
T2,№3
|
Установка стеновых панелей
1,8х6=10,8м²
|
шт.
|
4
|
1
|
48
|
192
|
48
|
3-04 1-06
|
196-80
|
|
|
|
|
E5-1-3,
T2,№1,2,3,4
|
Портальные связи
|
шт. + на 1т
|
0,15 1,4
|
0,05 0,47
|
2
|
0,3 2,8
|
0,1 0,94
|
0-12 0-05,3 1-12 0-49,8
|
0-346 3-236
|
Монтаж-к Машинист
|
5;4;3; 6
|
1;1;1 1
|
|
E5-1-6,
T2,№1,2,3,4
|
Крестовые связи
|
шт. + на 1т
|
0,64 3
|
0,21 1
|
8
|
5,12 24
|
1,68 8
|
0-512 0-223 2-40 1-06
|
5-88 27-68
|
Монтаж-к Машинист
|
6;5;4;3 6
|
1;2;3;1 1
|
|
Сварочные работы
|
|
E22-1-6,№1,3
K=1,25;k=1,2;k=1,4
|
Сварка колонны фахверка и
фундаментной плиты kf=12мм
|
10м шва
|
9,45
|
-
|
0,72
|
6,8
|
-
|
7-48
|
5-39
|
Сварщик
|
4
|
1
|
|
E22-1-6,№1,3
K=1,25;k=1,2;k=1,4
|
Сварка колонны фахверка и
стропильной конструкции kf=6мм
|
10м шва
|
5,25
|
-
|
1,2
|
6,3
|
-
|
4-16
|
4-99
|
Сварщик
|
4
|
1
|
|
E22-1-6,№1,3 K=1,25;k=1,2;k=1,4
|
Сварка подстропильной
конструкции с колонной kf=8мм
|
10м шва
|
5,67
|
-
|
0,64
|
3,63
|
-
|
5-17
|
3-31
|
Сварщик
|
5
|
1
|
|
E22-1-6,№1,3 K=1,25;k=1,2;k=1,4
|
Сварка стропильной и
подстропильной конструкции kf=10мм
|
10м шва
|
7,35
|
-
|
2,376
|
17,46
|
-
|
6-70
|
15,92
|
Сварщик
|
5
|
1
|
|
E22-1-6,№1,3 K=1,25;k=1,2;k=1,4
|
Сварка плит покрытия и
стропильной конструкции kf=10мм
|
10м шва
|
7,35
|
-
|
15,36
|
112,9
|
-
|
5-82
|
89-40
|
Сварщик
|
4
|
1
|
|
E22-1-6,№1,3 K=1,25;k=1,2;k=1,4
|
Сварка колонны и крестовой
связи kf=8мм
|
10м шва
|
5,67
|
-
|
3,968
|
22,38
|
-
|
4-47
|
17-74
|
Сварщик
|
4
|
1
|
|
E22-1-6,№1,3 K=1,25;k=1,2;k=1,4
|
Сварка колонны и портальной
связи kf=8мм
|
10м шва
|
5,67
|
-
|
0,64
|
3,63
|
-
|
4-47
|
2-86
|
Сварщик
|
4
|
1
|
|
E22-1-6,№1,3 K=1,25;k=1,2;k=1,4
|
Сварка колонны и стеновых
панелей kf=6мм
|
10м шва
|
5,25
|
-
|
17,248
|
90,55
|
-
|
4-158
|
71-72
|
Сварщик
|
4
|
1
|
|
E22-1-6,№1,4 K=1,25;k=1,2;k=1,4
|
Колонна-подкрановая балка kf=12мм
|
10м шва
|
4,5
|
-
|
5,76
|
25,92
|
-
|
4-77
|
27-48
|
Сварщик
|
5
|
1
|
|
Заделка стыков и швов
|
|
E4-1-25,№2
|
Замоноличивание колонн в
стакан фундамента
|
шт.
|
1,2
|
-
|
55
|
66
|
-
|
0-89
|
48-95
|
Монтажник
|
4; 3
|
1; 1
|
|
E4-1-26
|
Заливка швов плит покрытия
|
100м шва
|
6,4
|
-
|
30,48
|
195,07
|
-
|
4-77
|
145-39
|
|
|
|
|
E4-1-27
|
Гидроизоляция швов
бутил-каучуковой лентой
|
10м шва
|
0,78
|
-
|
273,48
|
213,314
|
-
|
0-58,1
|
158-89
|
|
|
|
|
E4-1-27
|
Герметизация швов
полиизобутиленовой лентой -горизонтальных -вертикальных
|
10м шва
|
1,3 1,4
|
- -
|
220,8 52,68
|
287,04 57,948
|
- -
|
0-96,9 0-82
|
213-96 43-2
|
|
|
|
|
E4-1-28
|
Расшивка швов
|
10м шва
|
1,4
|
-
|
273,48
|
382,872
|
-
|
1-11
|
303-56
|
Монтажник
|
4
|
1
|
|
Итого: 1811,579
|
|
|
|
3867-212
|
|
|
|
|
|
|
|
|
|
|
|
|
|
|
|
|
|
|
|
|
|
|
|
|
|
|
|
|
|
|
|
|
|
|
|
|
|
|
15. Назначение транспортных средств и расчет их количества
|
Наименование перевозимых
конструкций
|
Основные размеры, м
|
Масса одной конструкции, m,
т
|
Марка прицепа и тягача
|
Грузо-подъемность, т
|
Кол-во перевозимых
конструкций, n, шт
|
Коэффициент использования
|
|
длинна
|
ширина
|
высота
|
|
|
|
|
|
|
Крайние и средние
колонны
|
9,4
|
0,4
|
0,6
|
5,3 10,7
|
УПР-1212 МАЗ-504В
|
12
|
2 1
|
0,88 0,98
|
|
Фахверковые колонны
|
9,3
|
0,5
|
0,5
|
5,82
|
УПР-1212 МАЗ-504В
|
12
|
2
|
0,96
|
|
Стропильные фермы
|
24
|
3,3
|
0,24
|
9,8
|
ПФ-2024 КрАЗ-221
|
20
|
2
|
0,98
|
|
Подстропильные конструкции
|
12
|
3,42
|
0,5
|
9,4
|
ПФ-2024 КрАЗ-221
|
20
|
2
|
0,94
|
|
Плиты покрытия
|
6
|
3
|
0,3
|
7
|
УПР-1212 МАЗ-504В
|
12
|
1
|
0,61
|
|
Подкрановые балки
|
6
|
0,6
|
0,7
|
0,62
|
УПР-1212 МАЗ-504В
|
12
|
5
|
0,26
|
|
Подкрановые балки
|
12
|
0,5
|
1,1
|
1,3
|
УПР-1212 МАЗ-504В
|
12
|
5
|
0,54
|
|
Связи крестовые
|
-
|
-
|
-
|
0,34
|
ГКБ-817
|
5,5
|
5
|
0,31
|
|
Связи портальные
|
-
|
-
|
-
|
0,96
|
ГКБ-817
|
5,5
|
5
|
0,87
|
|
Стеновые панели
|
6 6
|
0,24 0,24
|
1,2 1,8
|
1,9 2,9
|
ПП-1207 МАЗ-504В
|
12,5
|
5 3
|
0,76 0,70
|
Количество машин определяем по формуле:
=15км-дальность транспортирования;
V=30км/ч
(бетонное покрытие дорог);
tп, tр - время погрузки и разгрузки автотранспортного средства;
п=Нвр.маш-ч × m;п’=Нвр.маш-ч × n × m;р= tп’- tп;
tм -время для маневрирования (0,008ч).
Необходимое количество машин при перевозке крайних
колонн:р=tп=1,5х5,3х2/100=0,159ч;м=(1+0,159х2+0,008)/0,159=8,33≈9 машин.
Необходимое количество машин при перевозке средних
колонн:р=tп=1,5х10,7х1/100=0,1605ч;м=(1+0,1605х2+0,008)/0,1605=8,28≈9
машин.
Необходимое количество машин при перевозке подстропильных
конструкций:р=tп=1,6х9,4х2/100=0,30ч;м=(1+0,30х2+0,008)/0,30=5,36≈6
машин.
Необходимое количество машин при перевозке подкрановых
балок:р=tп=4,4х(0,62+1,3)х5/100=0,43ч;м=(1+0,43х2+0,008)/0,43=2,8≈3 машин.
Необходимое количество машин при перевозке колонн
фахверка:р=tп=1,5х5,82х2/100=0,175ч;м=(1+0,175х2+0,008)/0,175=5,95≈6
машин.
Необходимое количество машин при перевозке плит
покрытия:р=tп=1,8х7х1/100=0,126ч;м=(1+0,126х2+0,008)/0,126=10 машин.
Необходимое количество машин при перевозке стеновых панелей массой 1,9
т:р=tп=3,6х1,9х5/100=0,342ч;м=(1+0,342х2+0,008)/0,342=4,95≈5 машин.
Необходимое количество машин при перевозке стеновых панелей массой 2,9
т:р=tп=2,7х2,9х3/100=0,235ч;м=(1+0,235х2+0,008)/0,235=6,3≈7 машин.
Необходимое количество машин при перевозке портальных связей:м=1 машина,
т.к. связей всего 2.
Необходимое количество машин при перевозке крестовых связей:м=1 машина,
т.к. связей всего 8.
16.
Расчет состава бригады
Расчет ведем на основании календарного графика производства работ.
Подсчет плановой трудоемкости по разрядам
|
Профессия
|
трудоемкость
|
В том числе по разрядам
|
|
|
2
|
3
|
4
|
5
|
6
|
|
Монтажник
|
|
Монтаж колонн, связей
|
45
|
9
|
18
|
9
|
9
|
-
|
|
Замоналичивание колонн
|
8
|
-
|
-
|
8
|
-
|
-
|
|
Выгрузка и монтаж
подстропильных ферм и подкрановых балок
|
30
|
5
|
10
|
5
|
5
|
5
|
|
Монтаж стропильных ферм и
плит покрытия
|
75
|
15
|
15
|
15
|
15
|
15
|
|
Заливка швов плит покрытия
|
24
|
-
|
12
|
12
|
-
|
-
|
|
Выгрузка и установка колонн
фахверков
|
7,5
|
1,5
|
3
|
1,5
|
1,5
|
-
|
|
Монтаж стеновых панелей
|
120
|
30
|
30
|
30
|
30
|
-
|
|
Заделка стыков панелей стен
|
114
|
-
|
57
|
57
|
-
|
-
|
|
Итого
|
423,5
|
60,5
|
145
|
137,5
|
60,5
|
20
|
|
Сварщик
|
|
Сварка связей и колонн k=8
|
3
|
-
|
-
|
3
|
-
|
-
|
|
Сварка подстропильных ферм
и подкрановых балок с колонной
|
3
|
-
|
-
|
-
|
3
|
-
|
|
Сварка стропильной фермы;
сварка плит покрытия
|
14
|
-
|
-
|
7
|
7
|
-
|
|
Сварка колонны фахверка
|
1,5
|
-
|
-
|
1,5
|
-
|
-
|
|
Сварка стеновых панелей
|
11
|
-
|
-
|
11
|
-
|
-
|
|
Итого
|
32,5
|
-
|
-
|
22,5
|
10
|
-
|
|
Такелажник
|
|
Выгрузка колонн связей и
распорок
|
2
|
2
|
-
|
-
|
-
|
-
|
|
Выгрузка стропильных ферм и
плит покрытия
|
10
|
10
|
-
|
-
|
-
|
-
|
|
Выгрузка стеновых панелей
|
5
|
5
|
-
|
-
|
-
|
-
|
|
Итого
|
17
|
17
|
-
|
-
|
-
|
-
|
Все монтажники второго разряда имеют удостоверение такелажника/
Чр=Тплан*100/t*k - число рабочих;
Тплан - плановая трудоемкость строительного процесса, чел.-смен;
t -
продолжительность выполнения работы, смен;
k -
коэффициент выполнения норм, % (kср=103,58%);
Всего в бригаде:
Чр=502,7*100/29*103,75=24 чел;
В том числе по разрядам:
Чмонт2р=[(64,5*100)/
103,75*(4+3+6+1,5+5)]+[17,2*100/103,75*(0,5+2,5+2,5)]=6 чел;
Чмонт3р=(150*100)/ 103,75*(4+2+3+6+3+1,5+5+9,5)=4
чел;
Чмонт4р=[(141,5*100)/
103,75*(4+2+3+6+3+1,5+5+9,5)]=4 чел;
Чмонт5р=[(64,5*100)/ 103,75*(4+3+6+1,5+5)]=3 чел;
Чмонт6р=25*100/103,75*(3+6)=3 чел;
Чсвар4р=[(19,5*100)/ 103,75*(4+1,5+5)]=2 чел;
Чмонт5р=[(14,5*100)/ 103,75*(4+3)]=2 чел;
Состав комплексной бригады
|
Профессия
|
кол-во
|
в том числе по разрядам
|
|
|
2
|
3
|
4
|
5
|
6
|
|
Монтажник
|
20
|
6
|
4
|
4
|
3
|
3
|
|
Сварщик
|
4
|
0
|
0
|
2
|
2
|
0
|
|
Итого
|
24
|
|
17.
Инструкция по охране труда для монтажников стальных и железобетонных
конструкций
Требования безопасности перед началом работы:
1. Перед началом работы монтажники обязаны:
а) Предъявить руководителю удостоверение о проверке знаний безопасных
методов работ и пройти инструктаж на рабочем месте с учетом специфики
выполняемых работ;
б) Надеть каску, спецодежду, спецобувь установленного образца;
в) Получить задание на выполнение работы у бригадира или руководителя.
. После получения задания монтажники обязаны:
а) Подготовить необходимые средства индивидуальной защиты, в том числе:
пояс предохранительный и канат страховочный - при выполнении верхолазных работ;
защитные очки - при пробивке отверстий в железобетонных конструкциях;
б) Проверить рабочее место и подходы к нему на соответствие требованиям
безопасности;
в) Подобрать технологическую оснастку и инструмент, необходимые при
выполнении работы, проверить их на соответствие требованиям безопасности;
г) Осмотреть элементы строительных конструкций, предназначенные для
монтажа, и убедиться в отсутствии у них дефектов.
. Монтажники не должны приступать к выполнению работы при:
а) Неисправностях технологической оснастки, средств защиты работающих,
указанных в инструкциях заводов-изготовителей, при которых не допускается их
применение;
б) Несвоевременном проведении очередных испытаний технологической
оснастки, инструментов и приспособлений;
в) Несвоевременном проведении очередных испытаний или истечении срока
эксплуатации средств защиты работающих, установленного заводом-изготовителем;
г) Недостаточной освещенности рабочих мест и подходов к ним.
Обнаруженные неисправности должны быть устранены собственными силами, а
при невозможности сделать это монтажники обязаны сообщить о них бригадиру или
руководителю работ.
Требования безопасности во время работы:
4. Для прохода на рабочее место монтажники должны использовать
оборудованные системы доступа (лестницы, трапы, мостики). Нахождение
монтажников на элементах строительных конструкций, удерживаемых краном,
не допускается.
. Навесные монтажные площадки, лестницы и другие приспособления,
необходимые для работы монтажников на высоте, следует устанавливать и
закреплять на монтируемых конструкциях до их подъема.
. При отсутствии ограждения рабочих мест на высоте монтажники обязаны применять
предохранительные пояса в комплекте со страховочным устройством. При этом
монтажники должны выполнять требования "Типовой инструкции по охране труда
для работников, выполняющих верхолазные работы".
. Очистку подлежащих монтажу элементов строительных конструкций от грязи
и наледи следует осуществлять до их подъема. При строповке строительных
конструкций монтажники обязаны выполнять требования "Типовой инструкции по
охране труда для стропальщиков".
. При монтаже конструкций сигналы машинисту крана должны подаваться
только одним лицом: при строповке изделий стропальщиком, при их установке в
проектное положение бригадиром или звеньевым, кроме сигнала "Стоп",
который может быть подан любым работником, заметившим явную опасность.
. В процессе перемещения конструкций на место установки с помощью крана
монтажники обязаны соблюдать следующие габариты приближения их к ранее
установленным конструкциям и существующим зданиям и сооружениям;
а) Допустимое приближение стрелы крана - не более 1м;
б) Минимальный зазор при переносе конструкций над ранее установленными -
0,5м;
в) Допустимое приближение поворотной части грузоподъемного крана - не
менее 1м.
. Предварительное наведение конструкции на место установки необходимо
осуществлять с помощью оттяжек пенькового или капронового каната. В процессе
подъема-подачи в наведения конструкции на место установки монтажникам
запрещается наматывать на руку конец каната.
. Перед установкой конструкции в проектное положение монтажники обязаны:
а) Осмотреть место установки конструкции и проверить наличие разбивочных
и геометрических осей на опорной поверхности;
б) Приготовить необходимую оснастку для ее проектного или временного
закрепления;
в) Проверить отсутствие людей внизу непосредственно под местом монтажа
конструкции. Запрещается нахождение людей под монтируемыми элементами до
установки их в проектное положение и окончательного закрепления.
. При установке элементов строительных конструкций в проектное положение
монтажники обязаны:
а) Производить наводку конструкции на место установки, не применяя
значительных физических усилий;
б) Осуществлять окончательное совмещение разбивочных и геометрических
осей с помощью монтажного ломика или специального инструмента (конусных
оправок, сборочных пробок и др.).
Проверять совпадение отверстий пальцами рук не допускается.
. После установки конструкции в проектное положение необходимо произвести
ее закрепление (постоянное или временное) согласно требованиям проекта. При
этом должна быть обеспечена устойчивость и неподвижность смонтированной конструкции
при воздействии монтажных и ветровых нагрузок. Крепление следует производить за
ранее закрепленные конструкции, обеспечивая геометрическую неизменяемость
монтируемого здания (сооружения).
. Расстроповку элементов конструкций, установленных в проектное
положение, следует производить после их постоянного или временного закрепления
согласно проекту при соблюдении следующих требований безопасности:
а) Расстроповку элементов конструкций, соединяемых заклепками или болтами
повышенной прочности, при отсутствии специальных указаний в проекте следует
производить после установки в соединительном узле не менее 30%, от проектных заклепок или болтов,
если их более пяти, в других случаях - не менее двух;
б) Расстроповку элементов конструкций, закрепляемых электросваркой и
воспринимающих монтажную нагрузку, следует производить после сварки проектными
швами или прихватками согласно проекту. Конструкции, не воспринимающие
монтажные нагрузки допускается расстроповывать после прихватки электросваркой
длиной не менее 60мм.
. Временное крепление монтируемых конструкций разрешается снимать только
после их постоянного закрепления в соответствии с требованиями проекта.
Требования безопасности в аварийных ситуациях
. В случаях обнаружения неисправности грузоподъемного крана, рельсового
пути, грузоподъемных устройств или технологической оснастки монтажники обязаны
дать машинисту крана команду "Стоп" и поставить об этом в известность
руководителя работ.
. При обнаружении неустойчивого положения монтируемых конструкций, технологической
оснастки или средств защиты монтажники должны поставить об этом в известность
руководителя работ или бригадира.
. При изменении погодных условий (увеличении скорости ветра до 15 м/с и
более, при снегопаде, грозе или тумане), ухудшающих видимость, работы
необходимо приостановить и доложить руководителю.
Требования безопасности по окончании работы:
19. По окончании работы монтажники обязаны:
а) Сложить в отведенное для хранения место технологическую оснастку и
средства защиты работающих;
б) Очистить от отходов строительных материалов и монтируемых конструкций
рабочее место и привести его в порядок;
в) Сообщить руководителю или бригадиру о всех неполадках.
18.
Мероприятия по контролю качества строительно-монтажных работ
. Требуемое качество и надежность зданий и сооружений должны
обеспечиваться строительными организациями путем осуществления комплекса
технических, экономических и организационных мер эффективного контроля на всех
стадиях создания строительной продукции.
. Контроль качества строительно-монтажных работ должен осуществляться
специалистами или специальными службами, входящими в состав строительных
организации или привлекаемыми со стороны, и оснащенными техническими
средствами, обеспечивающими необходимую достоверность и полноту контроля.
. Производственный контроль качества строительно-монтажных работ должен
включать входной контроль рабочей документации, конструкций, изделий,
материалов и оборудования, операционный контроль отдельных строительных
процессов или производственных операций и приемочный контроль
строительно-монтажных работ.
. При входном контроле рабочей документации должна производиться проверка
ее комплектности и достаточности содержащейся в ней технической информации для
производства работ.
При входном контроле строительных конструкций, изделий, материалов и
оборудования следует проверять внешним осмотром соответствие их требованиям
стандартов или других нормативных документов и рабочей документации, а также
наличие и содержание паспортов, сертификатов и других сопроводительных
документов.
. Операционный контроль должен осуществляться в ходе выполнения
строительных процессов или производственных операций и обеспечивать
своевременное выявление дефектов и принятие мер по их устранению и
предупреждению.
При операционном контроле следует проверять соблюдение технологии
выполнения строительно-монтажных процессов; соответствие выполняемых работ
рабочим чертежам, строительным нормам, правилам и стандартам. Результаты
операционного контроля должны фиксироваться в журнале работ.
Основными документами при операционном контроле являются нормативные
документы части 3 СНиП, технологические (типовые технологические) карты и схемы
операционного контроля качества.
Схемы операционного контроля качества, как правило, должны содержать
эскизы конструкций с указанием допускаемых отклонений в размерах, перечни
операций или процессов, контролируемых производителем работ (мастером) с
участием, при необходимости, строительной лаборатории, геодезической и других
служб специального контроля, данные о составе, сроках и способах контроля.
. При приемочном контроле необходимо производить проверку и оценку
качества выполненных строительно-монтажных работ, а также ответственных
конструкций.
. Скрытые работы подлежат освидетельствованию с составлением актов по
установленной форме. Акт освидетельствования скрытых работ должен составляться
на завершенный процесс, выполненный самостоятельным подразделением
исполнителей.
Освидетельствование скрытых работ и составление акта в случаях, когда
последующие работы должны начинаться после перерыва, следует производить
непосредственно перед производством последующих работ.
Запрещается выполнение последующих работ при отсутствии актов
освидетельствования предшествующих скрытых работ во всех случаях.
. Ответственные конструкции по мере их готовности подлежат приемке в
процессе строительства (с участием представителя проектной организации или
авторского надзора) с составлением акта промежуточной приемки этих конструкций.
. При возведении сложных и уникальных объектов акты приемки ответственных
конструкций и освидетельствования скрытых работ должны составляться с учетом
особых указаний и технических условий проекта (рабочего проекта).
. Управление качеством строительно-монтажных работ должно осуществляться
строительными организациями и включать совокупность мероприятий, методов и
средств, направленных на обеспечение соответствия качества
строительно-монтажных работ и законченных строительством объектов требованиям
нормативных документов и проектной документации.
. На всех стадиях строительства с целью проверки эффективности ранее
выполненного производственного контроля должен выборочно осуществляться
инспекционный контроль.
. По результатам производственного и инспекционного контроля качества
строительно-монтажных работ должны разрабатываться мероприятия по устранению
выявленных дефектов, при этом учитываться также требования авторского надзора
проектных организаций и органов государственного надзора и контроля,
действующих на основании специальных положений.
Список используемой литературы
1. Типовые железобетонные конструкции зданий и сооружений для
промышленного строительства: Справочник проектировщика.- М.: Стройиздат, 1981.
. Хамзин С.К. технология строительного производства. Курсовое
и дипломное проектирование/С.К. Хамзин, А.К. Карасев. - М.: Высшая школа, 1989.
. Возведение одноэтажных промышленных зданий унифицированных
схем.- М. Стройиздат, 1973
. Бороздин, И.Г. Технико-экономическое обоснование выбора
монтажных кранов и приспособлений. - М.:Стройиздат,1973.
. Афанасьев, А.А. Технология строительных процессов: учебник/
А.А. Афанасьев, Н.Н. Данилов, В.Д. Копытов. - М. Высш. шк., 200
. Литвинов, О.О. Технология строительного производства:
учебник/ О.О. Литвинов. Ю.И. Беляков. Г.М. Батура. - Киев: Выш. шк.,1985
. Единые нормы и расценки на общестроительные и ремонтные
работы. Сборник №1; 4-1; 5-1; 22.-М.: Стройиздат, 1987.
. СНиП 3.03.01-87. Несущие и ограждающие конструкции. Правила
производства и приемки работ.- М.: Стройиздат, 1987.
. СНиП 12-03-01 Безопасность труда в строительстве. - М
Стройиздат, 2001
СНиП 12-03-01 Безопасность труда в строительстве. - М
Стройиздат, 2003
Специализированные автотранспортные средства для перевозки
железобетонных конструкций. - М.: Стройиздат, 1987.