Технология конструкционных материалов и материаловедение
Министерство
сельского хозяйства Российской Федерации
Федеральное
государственное бюджетное образовательное учреждение
высшего
профессионального образования
"Алтайский
государственный аграрный университет"
Контрольная
работа
по дисциплине
Материаловедение
Выполнил:
студент 2 ускор. курса з/о
Инженерного факультета,
(спец. Технические системы
в Агробизнесе)
Шифр 13503 Костыркин П.А.
Проверил: д.т.н.,
доцент Иванайский В.В.
Барнаул 2014
Содержание
Раздел 1. Цементация. Сущность, способы, основные параметры процесса,
термообработка после цементации, применение. Понятие азотирования,
нитроцементации, диффузионного насыщения металлами
Раздел 2. Основные классы конструкционных легированных сталей. Общая
характеристика, примеры, применение. Инструментальные легированные стали
Раздел 3. Литье по выплавляемым моделям и в оболочковые формы. Сущность,
сравнительная характеристика, применение
Раздел 4. Сварочный трансформатор и выпрямитель. Принципиальное
устройство, обозначение, характеристика, применение
Раздел 5. Производственный и технологический процессы машиностроительного
производства, их структура. Основные типы производства в зависимости от
масштаба производства, их сравнительная характеристика
Раздел 6. Тепловые явления при резании металлов. Смазывающе-охлаждающие
жидкости, виды, способы подачи, влияние на процесс резания
Список литературы
цементация сталь машиностроительство
металл
1. Цементация. Сущность, способы, основные параметры
процесса, термообработка после цементации, применение. Понятие азотирования,
нитроцементации, диффузионного насыщения металлами
Цементация - химико-термическая обработка,
заключающаяся в диффузионном насыщении поверхностного слоя атомами углерода при
нагреве до температуры 900-950°С. Цементации подвергают стали с низким
содержанием углерода (до 0,25%).
Глубина цементации - расстояние от поверхности изделия
до середины зоны, где в структуре имеются одинаковые объемы феррита и перлита
(h = 1-2 мм). Степень цементации - среднее содержание углерода в поверхностном
слое (обычно не более 1,2%).
На практике применяют цементацию в твердом и газовом
карбюризаторе (науглероживающей среде). Участки деталей, которые не
подвергаются цементации, предварительно покрываются медью (электролитическим
способом) или глиняной смесью.
Цементация в твердом карбюризаторе. Почти готовые
изделия, с припуском под шлифование, укладывают в металлические ящики и
пересыпают твердым карбюризатором. Используют древесный уголь с добавками
углекислых солей BaCO3, Na2CO3 в количестве 10-40%. Закрытые ящики укладывают в
печь и выдерживают при температуре 930-950°С.
Цементацией (науглероживанием) называется
химико-термическая обработка, заключающаяся в диффузионном насыщении
поверхностного слоя стали углеродом при нагревании в соответствующей среде -
карбюризаторе. Как правило, цементацию проводят при температурах выше точки Ас3
(930-950°С), когда устойчив аустенит, растворяющий углерод в больших
количествах. Окончательные свойства цементованные изделия приобретают в
результате закалки и низкого отпуска, выполняемых после цементации. Назначение
цементации и последующей термической обработки - придать поверхностному слою
высокую твердость и износостойкость, повысить предел контактной выносливости и
предел выносливости при изгибе и кручении. Для цементации обычно используют
низкоуглеродистые (0,1-0,18% С), чаще легированные, стали. Для цементации
крупногабаритных изделий применяют стали с более высоким содержанием углерода
(0,2-0,3%). Выбор таких сталей необходим для того, чтобы сердцевина изделия, на
насыщающаяся углеродом при цементации, сохраняла высокую вязкость послезакалки.
На цементацию детали поступают после механической обработки с припуском на
шлифование (50-100 мкм). Во многих случаях цементации подвергается только часть
детали; тогда участки, не подлежащие упрочнению, защищают тонким слоем меди
(20-40 мкм), которую наносят электрическим способом или изолируют специальными
обмазками, состоящими из смеси огнеупорной глины, песка и асбеста, замешанных
на жидком стекле, ленитом и др.
Концентрация углерода в поверхностном слое должна
составлять 0,8-1,0%. Для получения максимального сопротивления контактной
усталости количество углерода может быть повышено до 1,1-1,2%. Более высокая
концентрация углерода вызывает ухудшение механических свойств цементуемого изделия
Широко применяемый карбюризатор состоит из древесного
угля, 20-35% BaCO3 и ~3,5% CaCO3, который добавляют для предотвращения спекания
частиц карбюризатора. Рабочую смесь, применяемую для цементации, составляют из
25-35% свежего карбюризатора и 65-75% отработанного. Содержание BaCO3 в такой
смеси 5-7%, что обеспечивает требуемую толщину слоя и исключает образование
грубой цементитной сетки на поверхности. Детали, подлежащие цементации, после
предварительной очистки укладывают в ящики: сварные стальные, или, реже, литые
чугунные прямоугольной или цилиндрической формы. При упаковке изделий на дно
ящика насыпают и утрамбовывают слой карбюризатора толщиной 20-30 мм, на который
укладывают первый ряд деталей, выдерживая расстояние между ними и до боковых стенок
ящика 10-15 мм. Затем засыпают и утрамбовывают слой карбюризатора толщиной
10-15 мм, на него укладывают другой ряд деталей и т.д. Последний (верхний) ряд
деталей засыпают слоем карбюризатора толщиной слоем 35-40 мм с тем, чтобы
компенсировать возможную его усадку. Ящик накрывают крышкой, кроки которого
обмазывают огнеупорной глиной или смесью глины и речного песка. После этого
ящик помещают в печь. Нагрев до температуры цементации (910-930°С) составляет
7-9 мин на каждый сантиметр минимального размера ящика. Продолжительность
выдержки при температуре цементации цементации для ящика с минимальным размером
150 мм составляет 5,5-6,5 ч для слоя толщиной 700-900 мкм и 9-11 ч для слоя
толщиной 1200-1500 мкм. При большем размере ящика (минимальный размер 250 мм)
для получения слоя толщиной 700-900 мкм продолжительность выдержки равна
7,5-8,5 ч, а при толщине 1200-1500 мкм - 11-14 ч. После цементации ящики
охлаждают на воздухе до 400-500°С и затем раскрывают
Газовая цементация. Этот процесс осуществляют нагревом
изделия в среде газов, содержащих углерод. Газовая цементация имеет ряд
преимуществ по сравнению с цементацией в твердом карбюризаторе, поэтому ее
широко применяют на заводах, изготовляющих детали массовыми партиями. В случае
газовой цементации можно получить заданную концентрацию углерода в слое,
сокращается длительность процесса, так как отпадает необходимость прогрева
ящиков, наполненных малотеплопроводным карбюризатором; обеспечивается
возможность полной механизации и автоматизации процессов и значительно
упрощается последующая термическая обработка деталей, так как закалку можно
проводить непосредственно из цементационной печи
В крупносерийном и массовом производствах газовую
цементацию проводят в безмуфельных печах непрерывного действия.
Термическая обработка стали после цементации и
свойства цементованных деталей. Окончательные свойства цементованных деталей
достигаются в результате термической обработки, выполняемой после цементации.
В большинстве случаев, особенно при обработке
наследственно мелкозернистых сталей, применяют закалку выше точки Ас1
(сердцевины) при 820-850°С.
После цементации термическая обработка иногда состоит
из двойной закалки и отпуска. Первую закалку (или нормализацию) с нагревом до
880-900°С (выше точки Ас3 сердцевины) назначают для исправления структуры
сердцевины. Кроме того, при нагреве в поверхностном слое в аустените
растворяется цементитная сетка, которая уже вновь при быстром охлаждении не
образуется. Вторую закалку проводят с нагревом 760-780°С для устранения
перегрева цементованного слоя и придания ему высокой твердости.
Заключительной операцией термической обработки
цементованных деталей во всех случаях является низкий отпуск при 160-180°С,
переводящий мартенсит закалки в поверхностном слое в отпущенный мартенсит,
снимающий напряжения.
Раздел 2. Основные классы конструкционных легированных сталей. Общая
характеристика, примеры, применение. Инструментальные легированные стали
Конструкционная легированная сталь
Конструкционная сталь, общее название группы сталей, предназначенных для
изготовления строительных конструкций и деталей машин или механизмов.
Конструкционная сталь должна обладать хорошей свариваемостью, в связи с чем
содержание в ней углерода не должно превышать 0,25%; она подразделяется на
углеродистую и низколегированную (до 5% легирующих элементов) повышенной
прочности, а также в зависимости от назначения - для мостостроения и каркасов
высотных зданий.
Конструкционная
сталь, используемая в машиностроении, по химическому составу классифицируется
на углеродистую и легированную (хромистая, хромоникелевая и др.); по методу
изготовления - на деформируемую и литейную; по условиям работы - на
конструкционную, жаропрочную, нержавеющую (коррозионностойкую), износостойкую.
В зависимости от содержания углерода различают низкоуглеродистую цементуемую
сталь (0,1-0,25% С) и так называемую улучшаемую сталь (0,25-0,45% С); для
некоторых деталей (например, пружин, рессор) применяется сталь с более высоким
содержанием углерода (0,5-0,65% С). По степени легированности сталь для машиностроения
делят на низко- (до 5% легирующих элементов), средне- (5-10%) и
высоколегированную (более 10%). Детали машин, изготовленные из стали, как
правило, подвергают термической обработке
<#"795657.files/image001.gif">
Рисунок 3.8 - Технология литья в оболочковые формы
Для предварительного формирования оболочки бункер 1, снабженный цапфами
11 и поворотным механизмом, поворачивают на 1800, и формовочный материал падает
на горячую модельную плиту (рис. 3.8, б), уплотняясь под действием
гравитационных сил.
В прилегающем к плите слое смеси смола плавится (при температуре 95-115oС),
смачивая зерна песка, а затем начинает полимеризоваться, загустевая и
отверждаясь по мере прогрева до более высокой температуры. За 30-40 с выдержки
смола успевает оплавиться в слое толщиной около 10 мм.
Слой остается на модельной плите после поворота бункера в исходное
положение (рис. 3.8, в) и сброса на дно бункера не прореагировавшей, сохранившей
свои начальные свойства и пригодной для последующего использования части смеси.
Теперь модельную плиту со сформированной оболочковой полуформой снимают с
бункера (рис. 3.8, г) и подают в печь 12 (рис. 3.8, д), где при температуре
300-400oС за 90-120 с заканчивается полимеризация, и смола
приобретает высокую технологическую прочность. Затем готовую оболочковую
полуформу снимают с модельной плиты (рис. 3.8, е) и соединяют с другой
полуформой (например, склеиванием) на специальном пневмопрессе (рис. 3.8, ж).
Для исключения прорыва расплава, формы с вертикальным разъемом обычно
заформовывают (рис. 3.8, з) в опорный наполнитель (песок, дробь и т. п.). Формы
небольшой высоты с горизонтальным разъемом в большинстве случаев не
заформовывают и заливают на поддонах с песчаной постелью.
В оболочковые формы получают отливки практически из любых промышленных
сплавов массой до 200-300 кг. Преимущества литья в оболочковые формы по
сравнению с литьем в песчано-глинистые разовые формы заключаются в следующем:
· уменьшение параметров шероховатости поверхности и
существенное улучшение внешнего товарного вида отливок;
· возможность получения отливок с тонким и сложным рельефом, а
также толстостенных отливок с литыми каналами малых сечений;
· уменьшение трудоемкости ряда операций технологического
процесса (приготовление смеси, изготовление формы, очистка отливок и пр.);
· сокращение в 8-10 раз и более объема переработки и
транспортирования формовочных материалов;
· уменьшение металлоемкости формовочного оборудования.
Кроме того, для литья в оболочковые формы характерна меньшая жесткость
оболочки, что следует рассматривать как достоинство метода в сравнении с
методами литья в кокиль.
Основные недостатки метода литья в оболочковые формы:
· относительно высокая стоимость смоляного связующего;
· сложность модельной и стержневой оснастки;
· повышенное выделение вредных химических веществ в ходе
термического разложения смоляного связующего;
· недостаточная прочность оболочек при получении тяжелых
отливок;
· склонность к появлению некоторых специфических видов
дефектов, сопровождающих низкую газопроницаемость литейной формы.
Раздел 4. Сварочный трансформатор и выпрямитель. Принципиальное
устройство, обозначение, характеристика, применение
Сварочные выпрямители
Сварочные выпрямители являются устройствами для преобразования напряжения
переменного тока в напряжение постоянного тока для получения сварочной дуги.
Сварка на постоянном токе имеет преимущества по сравнению со сваркой на
переменном токе: повышается стабильность горения дуги из-за отсутствия нулевых
значений сварочного тока, увеличивается глубина проплавления свариваемого
металла, снижается разбрызгивание металла, повышается прочность металла шва и
снижается количество дефектов шва. Поэтому сварку ответственных соединений
лучше выполнять на постоянном токе.
Некоторые металлы свариваются на постоянном токе, например,
высоколегированные и теплоустойчивые стали, чугуны, титан, сплавы на основе
меди и никеля.
Элементами сварочного выпрямителя являются силовой трансформатор,
выпрямительный блок на полупроводниковых приборах, устройства пуска,
регулирования, защиты, измерения, охлаждения.
В сварочных выпрямителях желательно применение трехфазного тока, при
котором меньше пульсации выпрямленного напряжения.
Силовые трансформаторы для питания выпрямительного блока по принципу
действия и устройству сходны с трансформаторами для сварки на переменном токе.
Для выпрямления тока используются неуправляемые полупроводниковые вентили-диоды
или управляемые полупроводниковые вентили-тиристоры.
Важными элементами сварочного выпрямителя являются радиаторы охлаждения
вентилей, вентилятор, включающийся перед пуском выпрямителя, элементы защиты от
токовых перегрузок и перегрева.
Одним из способов электромеханического регулирования тока сварки является
применение выпрямителей с трансформаторами, имеющими секционированные обмотки
высшего напряжения которые могут включаться последовательно переключателем. При
этом происходит ступенчатое изменение тока во вторичной цепи силового
трансформатора. Такие выпрямители просты в изготовлении и надежны в
эксплуатации, их применение целесообразно для полуавтоматической сварки в среде
защитных газов, так как они имеют жесткую внешнюю характеристику.
Ступенчатое изменение силы сварочного тока может производиться с
применением вольтодобавочных трансформаторов, обмотки которых включаются
согласно или встречно со вторичными обмоткам силового трансформатора. Плавное
изменение тока в пределах каждой ступени производится изменением напряжения в
первичной обмотке вольтодобавочного трансформатора.
Электрические схемы регулирования сварочного тока в сварочных
выпрямителях применяются в выпрямительных блоках или после них.
Распространенной схемой регулирования сварочного тока является схема с
применением тиристоров. При этом регулирование сварочного тока производится
изменением времени открытия тиристоров в течение полупериода напряжения,
получаемого от трансформатора. Это время открытия тиристоров изменяется
системой импульсно-фазового управления (СИФУ) и называется углом регулирования.
Получается плавная регулировка тока сварки, которую можно осуществлять и
дистанционно, и получается дуга с высокой стабильностью работы.
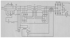
На рис. 7 приведена электрическая схема, показывающая принцип действия
сварочного трехфазного выпрямителя, которая является упрощенной. На схеме
показаны только сварочный трансформатор и блок полупроводниковых диодов со
сварочной дутой.
Рис. 7. Упрощенная принципиальная схема сварочного выпрямителя: Т -
трансформатор понижающий; VD1-VD6 - блок выпрямительных вентилей; Iв - ток
вентиля; Id - выпрямленный ток
Рис. 8. Принципиальная электрическая схема сварочного выпрямителя: КМ -
магнитный пускатель включения выпрямителя; Т1 - трансформатор понижающий; Т2 -
трансформатор в цепи управления; А - магнитный усилитель; К1 - реле защиты от
аварийных режимов; К2 - реле контроля работы вентилятора; М - электродвигатель;
S - переключатель обмоток трансформатора на схемы "звезда - звезда"
или "треугольник - треугольник"
На рис. 8 приведена принципиальная электрическая схема сварочного
выпрямителя ВД-306. Силовой трансформатор Т1 включается магнитным пускателем
КМ. От трансформатора получает питание блок выпрямительных вентилей VD1-VD6.
Также получает питание двигатель вентилятора через автоматический выключатель
QF и системы защиты.
Переключение диапазонов изменения сварочного тока осуществляется
переключением первичных и вторичных обмоток трансформатора Т1 в
"треугольник-треугольник" (диапазон больших токов) или в
"звезду-звезду" (диапазон малых токов). Такое переключение диапазонов
обеспечивает изменение величины сварочного тока в три раза без дополнительного
расхода активных материалов.
Плавное регулирование тока внутри диапазона производится за счет
изменения расстояния между катушками первичного и вторичного напряжений
трансформатора Т1. Выпрямительный блок состоит из шести кремниевых вентилей
VD1-VD6, соединенных по трехфазной мостовой схеме выпрямления.
Вентиляция выпрямителя - воздушная принудительная, работа которой
контролируется ветровым реле К2. При отсутствии вентиляции контакт К2 ветрового
реле размыкается и пускатель КМ отключает выпрямитель от сети, так как контакт
реле К2 включен в цепь управления магнитного пускателя КМ.
Выпрямитель имеет также защиту, отключающую его от сети при выходе из
строя одного из вентилей выпрямительного блока или при пробое на корпус
вторичной обмотки трансформатора. Защита состоит из магнитного усилителя А,
трансформатора Т2 и реле К1. В нормальном состоянии переменный ток, текущий по
фазным проводам, проходящим через окно магнитопровода магнитного усилителя, не
насыщает магнитопровод, и все напряжение падает на обмотках усилителя. При
аварийных режимах в фазных проводах появляется постоянная составляющая токов,
магнитопровод магнитного усилителя насыщается, в цепи реле К1 появляется ток и
оно срабатывает, размыкая цепь управления магнитного пускателя КМ, который
отключает выпрямитель от сети.
Раздел 5. Производственный и технологический процессы
машиностроительного производства, их структура. Основные типы производства в
зависимости от масштаба производства, их сравнительная характеристика
Объектами машиностроительного производства являются
машины различного назначения.
Технологический процесс изготовления машин
предусматривает производство деталей, сборочных единиц (узлов) и изделий.
Изделие - продукт конечной стадии машиностроительного
производства. Изделием может быть машина, сборочная единица или деталь в
зависимости от того, какую продукцию выпускает завод (предприятие). Так,
например, для одного из заводов изделием может быть металлорежущий станок, для
другого робот к нему, для третьего - обычный болт. Помимо изделий основного
производства возможно получение на том же заводе изделий вспомогательного
производства, которые используются для собственных нужд.
Примером может служить крупный автомобильный завод,
выпускающий металлорежущие станки специального назначения.
Деталь - первичный элемент изделия. Детали изготовляют
из однородного по наименованию и марке материала. Отличительной особенностью
детали является отсутствие в ней каких-либо соединений как разъемных, так и
неразъемных. Покрытия различного вида не являются отдельными деталями.
Различают детали с покрытиями и без покрытий.
При сборке детали сопрягаются с другими деталями по
поверхности, образуя соединения.
Геометрические и физико-механические показатели
поверхностей и поверхностных слоев являются важнейшими характеристиками
качества деталей.
Сборочная единица {узел) - разъемное или неразъемное
соединение частей изделия. С технологической точки зрения узел представляет
собой обособленную часть изделия, которую можно собрать отдельно от других
частей, оценить по выходным параметрам.
Многие термины и определения регламентируются
Государственными стандартами, но периодически претерпевают изменения. Узловая
сборка деталей проводится на заводе основного производства либо наотдельных
заводах, выпускающих такие узлы в качестве изделий, и способствует
совершенствованию технологических процессов изготовления машин. С
конструкторской точки зрения узел представляет собой часть машины в
соответствии с функциональным назначением без учета особенностей сборки. Так,
распределительный механизм машины, расположенный, например, наряду с другими
механизмами в ее корпусной детали, является конструктивной сборочной единицей
(узлом), но не является технологической сборочной единицей, так как не может
быть собран обособленно.
Наиболее совершенной является сборочная единица,
которая одновременно отвечает условию ее функционального назначения в изделии и
условию обособленной сборки.
В зависимости от положения сборочной единицы в изделии
различают их порядок.
Так, сборочные единицы, входящие в процессе сборки
непосредственно в изделие, называют сборочными единицами первого порядка.
Те сборочные единицы, которые входят в сборочные
единицы первого порядка, называют сборочными единицами второго порядка и т.д.
Такое представление о деталях и сборочных единицах существенно помогает описать
в целом изделие и его элементы. Общая компоновка элементов изделия представлена
на рис. 1. Очевидно, что собственно детали могут входить как в сборочные
единицы любого порядка, так и непосредственно в изделие вне сборочных единиц.
Рис. 1. Общая компоновка элементов изделия
Общая компоновка элементов изделия позволяет
разработать технологическую схему сборки и увязать воедино процесс изготовления
деталей, узловую сборку и сборку всего изделия. Целесообразность разработки
схемы сборки определяется сложностью изделия.
Особую роль играют базовые детали. Они имеют базовые
поверхности, с помощью которых другие детали и сборочные единицы ориентируются
относительно друг друга.
Сборка, как правило, начинается с базовых деталей. При
сборке машины одна из сборочных единиц (узлов) может играть роль базовой
сборочной единицы (базового узла). Чаще всего базовыми являются корпусные
детали.
Условия производства могут требовать, чтобы на сборку
изделия его элементы подавались группами. Каждая такая группа называется
сборочным комплектом. Если эти элементы не вводят в состав машины на заводе
изготовителе, а они имеют вспомогательное назначение, то такая группа
называется комплектом (например, комплекты запасных частей). Изделие
предприятия-поставщика, используемое на заводе-изготовителе, называется
комплектующим изделием. Сборочная единица, способная самостоятельно выполнять в
изделии определенные функции, называется агрегатом.
Основное место в производстве машин отводится
разработке технологических процессов.
В свою очередь эти процессы являются составной частью
производственных процессов (рис. 2).
Производственный процесс характеризуется совокупностью
действий, в результате которых материалы и полуфабрикаты превращаются в готовые
изделия в соответствии с их служебным назначением. Для функционирования
производственного процесса необходимы соответствующие исходные данные. Так,
директивное задание содержит необходимые указания о развертывании производства
машин определенного назначения или серии машин с указанием объема годового
выпуска.
Прорабатываются вопросы обеспечения данного
производства материалами, полуфабрикатами, оценивается возможная система
управления производством. В качестве исходных рассматривают также социально-экономические
факторы, возможную экологическую обстановку в регионе размещения данного
предприятия. Создание производственного процесса является задачей высшего
порядка сложности и рассматривается на государственном уровне. Так, в понятие
"производственный процесс" будет входить все, что связано, например,
с созданием автомобильного завода.
Каждый элемент производственного процесса может
представляться соответствующим производственным подразделением, функции
которого определяются предельно четко. Одно из подразделений берет на себя
функции снабжения материалами, комплектующими изделиями и т.д., а также функции
хранения готовой продукции (хотя хранение может быть организовано и в другом
подразделении).
Вопросы обслуживания различного рода поручаются второму
подразделению, а в третьем - разрабатывается структура управления
производственным процессом, формируются органы управления и т.д.
Полезно выделять вспомогательный производственный
процесс (см. рис. 2). Он может предусматривать обеспечение производства
технологической оснасткой, различными инструментами, включать систему
транспортирования объектов труда, обеспечивать уход за оборудованием и его
наладку.
Каждый из элементов вспомогательного производственного
процесса в зависимости от масштаба производства может представляться участком,
цехом или отдельным заводом.
Технологический процесс - часть производственного
процесса, включающая в себя последовательное изменение размеров, форм и других
свойств предмета производства. Это понятие имеет весьма широкие границы и в
различные периоды времени уточняется соответствующими стандартами, однако
главным остается понятие о непосредственном изменении состояния объекта труда.
Технологический процесс представляется чаще всего совокупностью процессов,
основанных на применении различных методов их выполнения (см. рис.2). Так,
важной составной частью технологического процесса может быть процесс
изготовления заготовок (литье, обработка давлением, сварка и др.), процесс
изготовления деталей, т.е. превращение заготовок в составные элементы машины,
процесс сборки и другие. Прогрессивным оказывается такой технологический
процесс, когда уже на стадии изготовления заготовок сразу выдается готовая
деталь.
Технологическая операция - это часть технологического
процесса, выполняемая на одном рабочем месте, над одним или несколькими
одновременно обрабатываемыми предметами, одним или несколькими рабочими.
Аналогичные понятия рассматриваются для процесса
изготовления заготовок, сборки и др. Наличие рабочего места является
непременным условием проведения операции.
Рис. 2. Структура производственного и технологического
процессов
Рабочее место представляет собой часть
производственной площади, оборудованной в соответствии с выполняемой работой.
Работа в рамках одной операции предусматривает условие непрерывности в том
смысле, что исключается переход к выполнению другой работы. В
автоматизированном и гибком автоматизированном производствах понятие
технологической операции несколько изменяется.
Технологический процесс предусматривает также наличие
вспомогательных операций, связанных с транспортированием, контролем и другими
действиями, не изменяющими свойств объектов труда.
Составными частями операции являются технологические
переходы, характеризуемые постоянством применения инструмента и обрабатываемых
поверхностей.
Технологический переход - законченная часть
технологической операции, выполняемая над одной или несколькими поверхностями
заготовки, одним или несколькими одновременно работающими инструментами при
неизменных режимах обработки. Обработка следующей поверхности заготовки или
изменение режимов обработки означают наличие нового перехода.
Вспомогательный переход не изменяет состояние объекта
труда, но сопровождает выполнение технологического перехода. Затраты времени на
вспомогательные операции и переходы следует неизменно сокращать.
Проход (рабочий ход) - часть технологического
перехода, состоящая из однократного перемещения инструмента относительно
заготовки и связанная с изменением состояния этой заготовки. В свою очередь
частью прохода является прием - законченная совокупность действий человека,
применяемых при выполнении перехода или его части и объединенных одним целевым
назначением. Приемы состоят из отдельных движений. Операции, переходы и проходы
всегда выполняются на рабочих местах в одной или нескольких позициях, а также с
одного или нескольких установок.
Позиция - фиксированное положение, занимаемое
неизменно закрепленной обрабатываемой заготовкой совместно с оснасткой
относительно инструмента или неподвижной части оборудования для выполнения
операции или ее части.
Установка - часть операции, выполняемая при неизменном
закреплении обрабатываемых заготовок.
Аналогичная структура может быть представлена для
технологического процесса сборки, окраски и др. Технологическая операция
является основной единицей производственного планирования и учета.
Каждый технологический процесс разрабатывают
применительно к определенному типу производства, который представляет собой
классификационную категорию производства, выделяемую по принципу объема
годового выпуска продукции и широте номенклатуры производства изделий.
Технологический процесс, прогрессивный для одного типа производства, может быть
совершенно неприемлемым для другого типа производства.
Современное производство подразделяется на массовое,
серийное и единичное.
Массовое производство характеризуется узкой
номенклатурой и большим объемом выпуска изделий, изготовляемых непрерывно в
течение большого отрезка времени. Это означает, что на каждом рабочем месте
постоянно выполняется одна и та же работа, т.е. технологические операции
постоянно повторяются (например, сверление отверстий в поршнях автомобиля
данной модели). Поэтому используют специальное оборудование, которое
расставляют в цехах в полном соответствии с выполнением операций
технологического процесса; ему подчиняют работу транспортирующих устройств,
контроль, работу складов заготовок и др. Современное массовое производство
использует роботы, автоматические линии и целые производственные системы,
управляемые ЭВМ. Применяемые заготовки характеризуется высокой точностью.
Серийное производство характеризуется ограниченной
номенклатурой изделий, изготовляемых периодически повторяющимися партиями,
сравнительно большим объемом выпуска. Такой тип производства является основным
и на его предприятиях выпускается 75-80% всей продукции машиностроения.
В зависимости от количества изделий в партии различают
мелкосерийное, среднесерийное и крупносерийное производство. Типаж оборудования
для серийного производства оказывается весьма широким.
Используют универсальные, специализированные и
специальные станки, автоматические линии. Большое распространение получают
станки с ЧПУ. Расстановка станков чаще всего проводится по технологическим
группам, хотя встречаются и другие виды компоновки станков. Заготовками
являются горячий и холодный прокат, поковки, точные штампованные заготовки и
отливки.
Единичное производство характеризуется широкой
номенклатурой выпускаемых изделий и малым объемом их выпуска. Такой объем, как
правило, исчисляется штуками или десятками штук. Технологические операции,
выполняемые в производстве этого типа, повторяются нерегулярно или не
повторяются совсем. Используют универсальное оборудование, которое
расставляется по технологическим группам. Заготовки имеют простейшую форму.
Так, крупносерийное производство приближается к
массовому, а мелкосерийное - к единичному. Однако установление типа
производства при разработке технологических процессов является крайне
необходимым,
поскольку в каждом типе производства для изготовления
деталей одного и того же наименования используют совершенно различные
технологические процессы. Решение такой задачи оказывается весьма сложным и,
как правило, связано с выполнением ряда этапов.
Очевидно, что отнесение изделий по их габаритам в ту
или иную группу без учета других особенностей этих изделий, является в
значительной степени произвольным. Тем не менее, представляется возможным в
самом первом приближении наметить тип производства.
Эта работа требует дальнейших уточнений на основе
использования коэффициентов закрепления операций, т.е. отношения числа всех
различных технологических операций, выполненных или подлежащих выполнению в
течение месяца, к числу рабочих мест. Принимают следующие значения
коэффициентов закрепления операций: для мелкосерийного производства св. 20 до
40 вкл.; для среднесерийного производства св. 10 до 20 вкл.; для
крупносерийного производства св. 1 до 10 вкл. Для массового производства
коэффициент закрепления операций равен 1.
Определение коэффициентов закрепления операций требует
в свою очередь прикидочных расчетов и определения числа операций и рабочих мест
исходя из заданного объема месячного выпуска изделий. Следовательно, такие
расчеты уже делаются с ориентацией на определенный тип производства и в
дальнейшем требуют ряда последовательных уточнений. Выполняя эту работу,
технологи опираются на опыт изготовления аналогичных изделий в конкретных
производственных условиях.
Вид оборудования, применяемого в различных типах
производства, определяется технологическим процессом. Однако в мировой практике
уже сложилось представление о необходимости использования оборудования с учетом
гибкости в зависимости от номенклатуры изготовляемых деталей и объема годового
выпуска продукции (рис. 3).

Область 1 предусматривает использование автоматических
линий с жесткими связями.
В этом случае обеспечивается самая низкая
себестоимость продукции. Автоматические линии имеют специальное оборудование,
широко используются совмещение рабочих и вспомогательных движений при
многопозиционной обработке. Область 2 характеризуется использованием
специальных линий, на которых обрабатывают однотипные заготовки, но различных
размеров. В области 3 используют гибкие производственные комплексы, а в области
4 - гибкие модули. Те и другие обладают достаточно высокой гибкостью, т.е.
сравнительно быстро могут быть переналажены для обработки новой заготовки.
Гибкий модуль представляет собой переналаживаемую производственную ячейку. Для
оборудования областей 3 и 4 характерна очень высокая стоимость. Область 5
представляется станками с ЧПУ, обладающими еще большей гибкостью.
При последовательном переходе от области к области 5
гибкость оборудования увеличивается, а производительность уменьшается.
Раздел 6. Тепловые явления при резании металлов. Смазывающе-охлаждающие
жидкости, виды, способы подачи, влияние на процесс резания
В процессе резания металлов около 80% работы затрачивается на
пластическое и упругое деформирование срезаемого слоя и слоя, прилегающего к
обработанной поверхности и поверхности резания, и около 20% работы - на
преодоление трения по передней и задней поверхностям резца. Примерно 85-90%
всей работы резания превращается в тепловую энергию, количество которой (в зоне
резания) существенно влияет на износ и стойкость инструмента, на шероховатость
обработанной поверхности. Установлено, что свыше 70% этой теплоты уносится
стружкой, 15-20% поглощается инструментом, 5-10% - деталью и только 1%
излучается в окружающее пространство. Температура в зоне резания зависит от
физико-механических свойств обрабатываемого материала, режимов резания,
геометрических параметров режущего инструмента и применяемой
смазочно-охлаждающей жидкости. При обработке стали выделяется больше теплоты,
чем при обработке чугуна. С увеличением прочности и твердости обрабатываемого
материала температура в зоне резания повышается и при тяжелых условиях работы
может достигнуть 1000-1100 градусов С. При увеличении подачи температура в зоне
резания повышается, но менее интенсивно, чем при увеличении скорости резания.
Глубина резания оказывает наименьшее (по сравнению со скоростью и подачей)
влияние на температуру в зоне резания. С увеличением угла d резания и главного
угла j в плане температура в зоне резания возрастает, а с увеличением радиуса г
скругления резца - уменьшается. Применение смазочно-охлаждающей жидкости
существенно уменьшает температуру в зоне резания.
Применение СОЖ благоприятно воздействует на процесс резания металлов:
значительно уменьшается износ режущего инструмента, повышается качество
обработанной поверхности и снижаются затраты энергии на резание. При этом
уменьшается наростообразование у режущей кромки инструмента и улучшаются
условия для удаления стружки и абразивных частиц из зоны резания. Наименьший
эффект дает применение СОЖ при обработке чугуна и других хрупких материалов.
При работе твердосплавным инструментом на высоких скоростях резания
рекомендуется обильная и непрерывная подача СОЖ, так как при прерывистом
охлаждении в пластинах твердого сплава могут образоваться трещины и инструмент
выйдет из строя. Наиболее эффективно применение СОЖ при обработке вязких и
пластичных металлов, при этом с увеличением толщины среза и скорости резания
положительное воздействие СОЖ на процесс стружкообразования уменьшается. Выбор
СОЖ зависит от обрабатываемого материала и вида обработки. СОЖ должна обладать
высокими охлаждающими, смазывающими антикоррозионными свойствами и быть
безвредной для обслуживающего персонала. Все СОЖ можно разбить на две основные
группы - охлаждающие и смазочные. К первой группе относятся водные растворы и
эмульсии, обладающие большой теплоемкостью и теплопроводностью. Широкое
распространение получили водные эмульсии, содержащие поверхностно-активные
вещества; водные эмульсии применяются при обдирочных работах, когда к
шероховатости обработанной поверхности не предъявляют высоких требований. Ко
второй группе относятся минеральные масла, керосин, а также растворы
поверхностно-активных веществ в масле или керосине. Жидкости этой группы
применяются при чистовых и отделочных работах. Также нашли применение
осерненные масла (сульфофрезолы), в которых в качестве активированной добавки
используется сера.
Список литературы
1. Лахтин
Ю.М., Леонтьева В.П. Материаловедение. - М.: Машиностроение, 1990. - 528 с
. Гуляев А.П.
- М.: Металлургия, 1986. - 648 с.
.
Материаловедение. / Под. Общ. Ред. Арзамасова Б.Н. - М.: Машиностроение, 1986.
384 с.
. Некрасов
С.С. Обработка материалов резанием - М.: ВО Агропрмиздат. 1988.
. Аршинов
В.А., Алексеев Г.А. Резание металлов и режущий инструмент. - М.:
Машиностроение. 1975.
. Кондратьев
Е.Т. Технология конструкционных материалов и материаловедение. - М.:
Машиностроение. 1983. - 288 с.
. Сучков О.К.
Технология конструкционных материалов. - М.: машиностроение. 1977. - 278 с.