Розрахунок основного і транспортного устаткування гнучкого автоматизованого виробництва

  • Вид работы:
    Курсовая работа (т)
  • Предмет:
    Другое
  • Язык:
    Украинский
    ,
    Формат файла:
    MS Word
    286,36 Кб
  • Опубликовано:
    2014-07-07
Вы можете узнать стоимость помощи в написании студенческой работы.
Помощь в написании работы, которую точно примут!

Розрахунок основного і транспортного устаткування гнучкого автоматизованого виробництва















Курсова робота

Розрахунок основного і транспортного устаткування гнучкого автоматизованого виробництва

Вступ

1. Аналіз задач проектування системи оперативного управління ГАД

1.1 Визначення параметрів ГАД, як об’єкта управління

1.2 Постановка задач проектування СОУ ГАД

1.3 Аналіз та вибір методів дослідження

. Проектування алгоритмічного забезпечення системи оперативного управління

.1 Розробка інформаційних структур даних задач проектування

.2 Складання розкладу роботи технологічного обладнання

.2.1 Правило найкоротшої операції

.2.2 Правило максимальної залишкової трудомісткості

.2.3 Правило вирівнювання завантаження верстатів

.2.4 Правило мінімальної залишкової трудомісткості

.2.5 Правило найдовшої операції

.3 Розробка алгоритму транспортного обслуговування ГВС

.4 Синтез сіткової моделі функціонування обладнання ГВС

Висновки

Література

оперативне управління верстати транспортне устаткування

Вступ

Особливістю проблеми створення алгоритмічного та програмного забезпечення системи управління виробництвом є застосування різних за змістом та призначенням інженерних методів розв'язання комплексу задач проектування та експлуатації інтегрованого виробництва, важливою складовою частиною якого постає гнучка виробнича система (ГВС) цехового рівня.

Темою курсового проектування даної дисципліни є створення алгоритмічного та програмного забезпечення системи оперативного управління (СОУ) гнучким автоматизованим підрозділом (цехом, ділянкою, лінією). За змістом завдання постає як комплексне за рахунок послідовного розв'язання взаємопов'язаних задач з розробки підсистем оперативно-календарного планування для організаційного рівня, оперативно-диспетчерського управління для технологічного рівня виробництва та імітаційного моделювання роботи ГВС для виконавчого рівня верифікації роботи обладнання.

Для забезпечення подавання виробів на ГВМ та організації їх взаємодії з автоматизованим складом в ГАД використовується автоматизована транспортна система в складі транспортних модулів та роботів-штабелерів, які мають транспортні маршрути пересування. ГВМ обов'язково мають в своєму складі вхідний та вихідний накопичувачі, в які деталі надходять для подальшої обробки згідно технології, а після завершення обробки тимчасово зберігаються для подальшого транспортування на інше технологічне обладнання. Це дозволяє спочатку привезти наступну деталь для обробки, а потім вивезти ту, що чекає на подальшу обробку.

Для створення ефективно діючої СОУ ГАД необхідно в першу чергу визначити технологічні маршрути обробки деталей на ГВМ для заданого номенклатурного переліку виробів, розрахувати порядок запуску деталей у виробництво для визначення часу виробничого циклу і розкладу

роботи обладнання, а потім розробити графік проведення транспортних операцій для своєчасного виконання технологічних операцій на ГВМ згідно розкладу їх роботи. Одночасно в ході складання розкладу та графіку обґрунтовується вибір достатньої кількості та призначення (спеціалізації) ГВМ та транспортних модулів, який забезпечить виконання розробленого виробничого циклу обробки деталей. Отримана інформація буде включати дані про початок і завершення різних операцій на ГВМ, транспортних модулях, напрям та їх мету пересування. З метою аналізу можливості реалізації розробленого розкладу та графіку роботи всього устаткування ГАД виконується сіткове моделювання, яке перевіряє умови ініціювання операцій, виконання всього запланованих переліку дій у системі, повернення обладнання в початковий стан, обмеження ресурсів та інше. Крім, того виконується пошук вузьких місць, конфліктів при роботі обладнання. Дослідження завершується виробленням рекомендацій щодо усунення помилок та неточностей, які були припущені при проектуванні структури та алгоритмів функціонування ГАД.

1. Аналіз задач проектування системи оперативного управління ГАД

1.1 Визначення параметрів ГАД, як об’єкта управління

ГАД - це виробнича система, в якій реалізується автоматизоване групове багатономенклатурне виробництво, що оперативно переналагоджується у визначеному параметричному діапазоні продукції через синхронну роботу всіх функціональних модулів за допомогою системи оперативного управління. Будь-яка ГАД має у своєму складі такі модулі:

ü гнучкі виробничі модулі (ГВМ) основного технологічного обладнання (верстати, складальні машини, тощо);

ü  автоматизований склад (виробів, напівфабрикатів, комплектуючих, інструментів);

ü  автоматизовану транспортну систему.

В даному курсовому проекті розглядається ГАД, яка складається з 3 ГВМ, автоматизованого складу, та транспортних модулів, що обслуговують ГВМ, дорівнює - 2.

Структурно-компонувальна схема даного ГАД має наступний вигляд (рис.1):

Рис.1. Структурно-компонувальна схема ГАДВихідним завданням до курсового проекту є матриця деталеоперацій.

Оброблюється 14 деталей з наступною номенклатурою операцій, яка проводиться над кожною з них. Деталь №1 (Д1)  Деталь №2 (Д2)  Деталь №3 (Д3)  Деталь №4 (Д4)  Деталь №5 (Д5)  Деталь №6 (Д6)  Деталь №7 (Д7)  Деталь №8 (Д8)   Деталь №9 (Д9)  Деталь №10 (Д10)  Деталь№11 (Д11)  Деталь №12 (Д12)  Деталь №13 (Д13)  Деталь №14 (Д14)

де Ті - токарні операції;

Сі - свердлильні операції;

Фі - фрезерувальні операції;

Рі - операції нарізки різьблення.

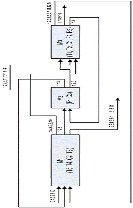
Структурно-технологічна схема ГАД з урахуванням того, які операції виконуються на кожному з ГВМ, має такий вигляд (рис.2):

Рис.2. Структурно-технологічна схема ГАД

Основні параметри ГАД представлені у таблиці 1:

Таблиця 1

Найменування параметрів

Позначення

Значення

Од. вимірювання

Середня трудомісткість обробки однієї ДУ

tоб

0,3

год

Час завантаження ГПМ

tз

5

хв

Час розвантаження ГПМ

tр

3

хв

Довжина переміщення РШ

lср

25

м

Швидкість переміщення РШ

Vср

30

м/хв

Час на операцію взяти/поставити

tвз=tпост

0,24

хв


1.2 Постановка задач проектування СОУ ГАД

При проектуванні СОУ ГАД необхідно вирішити наступне:

)   Задачу оперативного планування, яка припускає складання розкладу роботи технологічного устаткування. При оперативному плануванні необхідно детально проробити графік роботи всього комплексу обладнання або визначити план роботи тільки технологічного устаткування та встановити стратегію диспетчеризації операцій обслуговування й транспортування, а диспетчеризацію здійснити в режимі застосування синхронної моделі функціонування або в режимі прямої диспетчеризації транспортних операцій відповідно до стратегії обслуговування основного технологічного устаткування.;

2)      Задачу організації оперативно-диспечерського управління - визначення фактичних термінів запуску деталей у виробництво і їх надходження на технологічне устаткування. Рішення цієї задачі пов’язано з складанням розкладу роботи АТМ - виконання транспортних операцій з урахуванням забезпечення мінімального відхилення від часів закінчення виконання технологічних операцій згідно побудованого розкладу роботи технологічного устаткування.

)        Виконати якісний аналіз коректності функціонування ГАД:

-   Транспортні підсистеми;

-        Технологічні підсистеми.

Організація оперативного управління підприємством неможлива без деталізації виробничої програми випуску продукції за часовими інтервалами в межах встановленого планового періоду. Реалізація цієї функції здійснюється задачею календарного планування, результатом розв’язку якої є часове упорядкування комплексу запланованих робіт програми. Часове упорядкування виражається у визначені строків початку та завершення виконання робіт, тобто календарний план визначає, скільки продукції необхідно виготовити у кожному інтервалі встановленого періоду. У ГВС оперативний плановий період, як правило, не перевищує місячного терміну, а строками запуску-випуску є такі часові інтервали: декади, тижні або дні.

Математичною формою представлення задач даного класу є лінійна дискретна оптимізаційна модель, а методологією розв’язання - цілочисельне програмування.

Формально задача подається таким чином.

Номенклатурний перелік продукції, яка виробляється на m групах () обладнання, складається з n найменувань ().

Виготовлення партії деталей кожного найменування заздалегідь визначене послідовністю проходження деталей через групи обладнання, яку називають технологічним маршрутом Gj = ( | ), де  - технологічна операція, яка виконується і-ою за порядком виготовлення j-ої деталі; Mj - кількість операцій, які виконуються над j-ою деталлю.

У маршруті технологічні операції  = (, ) мають такі характеристики:

 = k - номер групи обладнання, налагодженого на виконання операції Lij;

 - нормативна тривалість виконання операції .

Необхідно скласти розклад P = ( | , ), який визначає моменти початку виконання операцій  (моменти запуску партії деталей на одиницях обладнання) і задовольняє системі обмежень:

ü  умова виконання технологічної послідовності: ;

ü умова виконання технологічних маршрутів;

ü  умова виконання операцій без перерв: ;

ü  умова виконання в кожний момент часу тільки однієї операції на одиниці обладнання:  ,

де  - момент закінчення виконання операції .

Об’єктами процесу планування є роботи - технологічні операції, партії деталей, для яких необхідно встановити порядок проходження через устаткування при фіксованих технологічних маршрутах обробки.

Максимальна продуктивність ГАД не може бути досягнутою без досягнення узгодженості дій при проходженні одиниць матеріального потоку через оброблювальні ресурси.

Забезпечення даної узгодженості виконує система оперативного управління СОУ ГАД.

1.3 Аналіз та вибір методів дослідження

Розробка підсистеми оперативного передбачає рішення задачі оперативного планування.

Об'єктами процесу планування є технологічні операції, які виконуються над партіями деталей, для яких необхідно визначити розклад (порядок і час) проходження через устаткування при фіксованих технологічних маршрутах обробки.

Технологічний маршрут деталі заздалегідь встановлює порядок виконання технологічних операцій на устаткуванні, але він не визначає термінів надходження деталей. Зміст оперативного планування полягає в знаходженні черговості проходження партії деталей через одиниці технологічного устаткування. Для вирішення цієї задачі необхідно знати:

• номенклатуру випуску продукції;

• технологічний маршрут обробки (послідовність виконання технологічних операцій), встановлений для кожної деталі.

Необхідно скласти розклад, який визначає терміни початку виконання операцій (терміни запуску партії деталей на одиницях устаткування).

Для вирішення даної задачі використовуються такі критерії оцінки:

·        мінімізація часу випуску заданого об'єму деталей (окремий випадок представлення даного критерію - мінімізація часу виробничого циклу);

·        оптимізація завантаження устаткування: рівномірне завантаження устаткування(окремий випадок - мінімізація часу простою устаткування);

·        мінімізація максимального часу очікування деталей перед обробкою.

Існує ряд методів, які дозволяють організовувати диспетчерський контроль, із застосуванням комп'ютерної техніки і методів0 математичною моделювання. Усі методи розв’язання задач нього типу умовно розбивають на такі основні класи:

- аналітичні методи, які ґрунтуються на апараті дискретної оптимізації;

імітаційні методи, які ґрунтуються на імітації роботи об'єкту планування та використання повного або часткового перебору варіантів запуску деталей в обробку.

Існуючі аналітичні методи звичайно прямо або непрямо пов'язані з перебором варіантів але їх працемісткість експоненційно залежить від розмірності задачі. Відомі методи відсіювання варіантів типу "гілок та границь" дозволяють зменшити, іноді суттю коефіцієнт пропорційності в залежності між працемісткістю алгоритму та розмірністю задачі і тим самим поширити область практичного застосування переборних алгоритмів. Однак експоненційний характер цих алгоритмів для задач у загальному вигляді залишається незмінним. Для складних задач (різні технологічні маршрути обробки, кількість обладнання перевищує три та інше) з точки зору практичних цілей отримання результату за короткий термін частіше використовують евристичні алгоритми складання розкладів на базі вирішальних правил в режимі імітації роботи виробничої системи. У цьому режимі виконуються паралельна (одночасна) побудова діаграм Ганта для усіх одиниці, технологічного обладнаним, які беруть участі, у процесі планування.

В даній роботі вирішення задачі оперативного планування базується на імітаційному методі, так як даний метод простіший у використанні і менш працемісткий при вирішенні задачі.

При зіставленні розкладу часто доводиться вирішувати проблему вибору деталей, які одночасно поступили на один станок в один момент часу. Для вирішення даної проблеми використовуються правила переваги для кожної деталі. В якості правил переваги в алгоритмах імітаційного моделювання найчастіше використовуються наступні:

1) Оправило найкоротшої операції - з поточного портфелю робіт, які підготовлені до обробки на поточному верстаті, вибирається деталь з мінімальним часом обробки; мета правила - якнайшвидше завантажити роботою наступні за технологічним маршрути верстати;

) правило максимальної залишкової трудомісткості - з поточного портфелю робіт, які підготовлені до обробки, вибирається деталь з максимальною сумою часу обробки на усіх ще невиконаних операціях; мета правила - закінчити обробку всіх деталей приблизне одночасно;

) правило вирівнювання завантаження верстатів - з портфелю робіт вибирається деталь, яка потім надходить на верстат, який має у даний час мінімальний за трудомісткістю портфель підготовлених робіт; мета правила - рівномірно завантажити верстати (правил можна використовувати при багатоваріантних маршрутах);

4) правило мінімальної залишкової трудомісткості - альтернатива правилу 2;

) правило найдовшої операції - альтернатива правилу 1;

) правило призначення у порядку надходження (РІРО) - 3 поточного портфелю робіт вибирається деталь, яка надійшла в чергу на обробку до верстата першою;

) правило LIFO - альтернатива правилу 6.

Із наведених правил видно, що вони мають евристичний характер, тобто за їх допомогою неможливо встановити та оцінити наближення до оптимальності отриманого рішення, але можна виробити "добре" рішення в залежності від їх призначення по застосуванню чи від критерію функціонування виробничої системи, для якої розробляється розклад роботи.

Вибір найкращого розкладу технологічного устаткування проводиться по критеріях ефективності, серед яких найбільш поширені:

.критерій максимального завантаження верстатів

.критерій мінімізації часу випуску заданої кількості продукції (загальний час виробничого циклу).

При складанні алгоритму організації транспортного обслуговування, критерієм служить критерій мінімізації часу випуску. Для визначення найкращого розкладу узято декілька правил для складання декількох розкладів, щоб відібрати з них те, яке є більш ефективним по заданому критерію: правило максимальної залишкової трудомісткості; правило мінімізації виробничого циклу.

Як додаткове правило вибрано правило найтривалішої операції. Перевага віддається деталям з найбільшою трудомісткістю.

Для отримання повної картини функціонування представленої виробничої ділянки необхідно змоделювати роботу даної ділянки. Ефективним способом моделювання є сітки Петрі. Їх основні властивості полягають в можливості відображення паралелізму асинхронності, ієрархічності модельованих об'єктів більш простими способами Сітки Петрі відображають логічну послідовність подій, дозволяють простежувати потоки інформації відображають взаємодію паралельних процесів. Переваги цього типу моделей полягає в простоті розуміння на інженерному рівні і швидкості читання графічних образів. Упровадження графіки в моделювання дає нові можливості в представленні динаміки функціонування сітки. Відтворення динаміки міток на екрані дисплея дозволяє прослідити хід і якісні характеристики процесів.

2. Проектування алгоритмічного забезпечення системи оперативного управління

2.1 Розробка інформаційних структур даних задач проектування

Для того, щоб ефективно налагодити систему управління виробничою ділянкою і, звичайно ж, сам ГВС необхідно визначити:

ü номенклатуру деталей обробки;

ü  у якій послідовності і на яком устаткуванні;

ü  кількість транспортних модулів;

ü  схему здійснення транспортування об'єктів виробництва.

Ця інформація була надана в розділі 1.1.

Для визначення розкладу роботи технологічного устаткування складемо технологічний маршрут для кожної деталі:

Технологічний маршрут включає порядок проходження деталей через технологічне устаткування і час обробки деталі на одиниці технологічного устаткування. Порядок проходження деталей через технологічне устаткування був визначений згідно операціям, які необхідно провести з деталлю і можливості виконання операції на одній одиниці технологічного устаткування без виконаної операції на іншій одиниці технологічного устаткування. На підставі цих даних, була складена матриця розмірністю операція на деталь, де на перетині операції і деталі вказаний номер ГВМ, на якому виконується дана операція. Складена матриця наведена в таблиці 2.

Таблиця 2


Д1

Д2

ДЗ

Д4

Д5

Д6

Д7

Д8

Д9

Д10

Д11

Д12

Д13

Д14

Т1

3

3

3

3

3

3

3

3

3

3

3

3

3

3

Т2


3






3

3

3

3

3

3

3

ТЗ

1

1

1

1

1

1

1


1

1

1

1

1


Т4

1

1

1


1


1

1

1


1

1

1

1

Т5


1

1

1


1

1






1

1

С1






3


3

3

3

3

3

3

3

C2

1

1

1

1

1

1

1



1


1



C3

2














Ф1

2

2



2








2


Ф2

3




3


3

3


3





Ф3








3


3






Після перетворення матриці шляхом об'єднання в один етап обробки операцій, що здійснюються одна за іншою на одному ГВМ, одержимо необхідну матрицю маршрутів. Вона приведена в таблиці 3.

Таблиця 3


Д1

Д2

Д3

Д4

Д5

Д6

Д7

Д8

Д9

Д10

Д11

Д12

Д13

Д14

етап 1

3

3

1

1

1

1

3

1

3

1

3

3

3

3

етап 2

1

1

3

3

2

3

1

3


3

1

1

2

1

етап 3

2

2

1

1

3

1

3






1


етап 4

1

3



1










етап 5

2

1













етап 6

3














етап 7
















де ГВМ1={ }; ГВМ2={ }; ГВМ3={ };

Час виконання кожної операції залежить від її складності, що визначається типом операції і розмірами оброблюваної поверхні. Самій складній операції із 100% поверхнею обробки присвоюється значення 1. Частіше за все перші операції в технологічній схемі обробки деталей мають найбільшу складність за часом виконання тому, що пов'язані з підготовки поверхні до виконання наступних операцій. Це операцій токарської обробки.

Всі наступні операції порівняно з ними мають меншу складність обробки. Слід зазначити, що деякі токарські операції можуть мати однакову складність, якщо виконуються на ГВМ підряд (це випадок виконання на одному ГВМ однакових за функціональним призначенням операцій з двох сторін деталі за дві установки). Свердлильні операції за складністю виконання можна порівняти с токарськими, якщо вони виконуються на повну довжину деталі, в іншому випадку їх складність менша ніж токарських операцій.

Фрезерні операцій менш складні ніж токарські та свердлильні. Вони дооформлюють оброблювальну поверхню, тому їх витрати часу і відповідна складність складає 0,3-0,6. Операції різьблення виконуються на поверхнях, які підготовлені свердлильними операціями, але тільки на частину довжини отвору. Тому, їх складність треба визначати менше, ніж складність відповідних свердлильних операцій. Отже, складність виконання операцій представлена в таблиці 4.

Таблиця 4.

Операція

Тип

Оброблювана поверхня %

Складність

Т1

токарна

100

1

Т2

токарна

60

0,6

Т3

токарна

85

0,85

Т4

токарна

80

0,8

Т5

токарна

50

0,5

С1

свердлильна

60

0,6

С2

свердлильна

65

0,65

С3

свердлильна

10

Ф1

фрезерувальна

30

0,3

Ф2

фрезерувальна

35

0,35

Ф3

фрезерувальна

15

0,15


У відповідності зі складністю обробки розраховується час кожної операції за формулою:

 (12)

де n - загальна кількість операцій (деталеустановки), tоб - середній час обробки однієї деталеустановки, tсл - час обробки складної операції з Копi = 1, Кслj - коефіцієнт складності j-ої деталі, Копi -коефіцієнт складності і-ої операції, що входить в технологічний процес обробки j-ої деталі.

Для розрахунку ti наведемо таблицю операцій для кожної деталі у наступному вигляді:

Таблиця 5


Д1

Д2

ДЗ

Д4

Д5

Д6

Д7

Д8

Д9

Д10

Д11

Д12

Д13

Д14

Коп

Т1

3

3

3

3

3

3

3

3

3

3

3

3

3

3

33,6

Т2


3






3

3

3

3

3

3

3

20,16

ТЗ

1

1

1

1

1

1

1


1

1

1

1

1


28,56

Т4

1

1

1


1


1

1

1


1

1

1

1

26,88

Т5


1

1

1


1

1






1

1

16,8

С1






3


3

3

3

3

3

3

3

20,16

C2

1

1

1

1

1

1

1



1


1



21,84

C3

2














3,36

Ф1

2

2



2








2


10,08

Ф2

3




3


3

3


3





11,76

Ф3








3


3





5,04

Ксл

4,05

4,7

3,8

3

3,95

3,6

4,15

3,5

3,85

4,2

3,85

4,5

4,65

3,5

 ∑Kcл=55,3




Розрахуємо складність виконання кожної операції і приведемо їх в таблиці 6.

Таблиця 6

Операції

Тип

Поверхня

Складність

Час(хв.)

Т1

Токарська

100

1

33,6

Т2

Токарська

60

0,6

20,16

Т3

Токарська

85

0,85

28,56

Т4

Токарська

80

0,8

26,88

Т5

Токарська

50

0,5

16,8

С1

Свердлильна

60

0,6

20,16

С2

Свердлильна

65

0,65

21,84

С3

Фрезерна

10

0,1

3,36

Ф1

Фрезерна

30

0,3

10,08

Ф2

Фрезерна

35

0,35

11,76

Ф3

Різблення

15

0,15

5,04


На підставі отриманих значень складемо матрицю тривалостей обробки деталей на ГВМ:

Таблиця 7


Таким чином ми сформували всі початкові дані, необхідні для побудови розкладу роботи технологічного обладнання та транспортної системи ГАД.

Для складання розкладу транспортного обслуговування ГВМ необхідно знати час транспортування між ГВМ та між АС та ГВМ, Це розраховується з урахуванням того, що ГВМ знаходяться на однаковій відстані один вид одного, та від АС, та з урахування структурно-компонувальної схеми ГВС. Середня відстань між ГВМ, та середня швидкість переміщення наведені в таблиці 1. Час транспортування розраховується тільки для маршрутів наведених у структурно-технологічній схемі. Послідовність дій:


Підраховані дані представлені у таблиці 8.

Таблиця 8


АС

М1

М2

М3

АС

0

4,31

5,14

5,97

М1

7,97

0

9,31

11,31

М2

7,14

10,97

0

9,31

МЗ

6,31

10,14

10,14

0


2.2 Складання розкладу роботи технологічного обладнання

Розклад роботи технологічного устаткування будується по наступному алгоритму:

При складанні розкладу часто доводиться вирішувати проблему вибору деталей, які одночасно поступили на один верстат воднораз часу. Для вирішення даної проблеми використовуються правила переваги для кожної деталі. Як правила переваги в алгоритмах імітаційного моделювання найчастіше використовуються наступні:

ü Правило найкоротшої операції

ü  Правило максимальної залишкової трудомісткості

ü  Правило вирівнювання завантаження верстатів

ü  Правило мінімальної залишкової трудомісткості

ü  Правило найдовшої операції.

У якості критерію для оцінки ефективності побудованого розкладу роботи обладнання буде використовуватись критерій мінімуму виробничого циклу.

Для цього завантажимо побудовані матриці та інші вхідні дані у такій формі:

2.2.1 Правило найкоротшої операції

З поточного портфелю робіт, які підготовлені до обробки на поточному верстаті, вибирається деталь з мінімальним часом обробки; мета правила - якнайшвидше завантажити роботою наступні за технологічним маршрутом верстати.

Рис.3 Правило найкоротшої операції

Виробничій цикл Т=121 год.

2.2.2 Правило максимальної залишкової трудомісткості

З поточного портфелю робіт, які підготовлені до обробки, вибирається деталь з максимальною сумою часу обробки на усіх ще невиконаних операціях; мета правила - закінчити обробку всіх деталей приблизно одночасно.

Рис.4 Правило максимальної залишкової трудомісткості

Виробничій цикл Т= 111 год.

2.2.3 Правило вирівнювання завантаження верстатів

Рис.5 Правило вирівнювання завантаження верстатів

Виробничій цикл Т= 122 год.

2.2.4 Правило мінімальної залишкової трудомісткості

З поточного портфелю робіт, які підготовлені до обробки, вибирається деталь з мінімальною сумою часу обробки на усіх ще невиконаних операціях; мета правила - закінчити обробку всіх деталей приблизно одночасно.

Рис.6 Правило мінімальної залишкової трудомісткості

Виробничій цикл Т= 111 год.

2.2.5 Правило найдовшої операції

З поточного портфелю робіт, які підготовлені до обробки на поточному верстаті, вибирається деталь з максимальним часом обробки; мета правила - якнайшвидше завантажити роботою наступні за технологічним маршрутом верстати.

Рис.7 Правило найдовшої операції

Виробничій цикл Т= 121 год.

Пошук найкращого розкладу

Результати розрахунку за допомогою діаграми Ганта мають наступний вигляд:

Таблиця 9


Час виробничого циклу



Правило найкоротшої операції

121 хв.

Правило максимальної залишкової трудомісткості

111 хв.

Правило вирівнювання завантаження верстатів

122 хв.

Правило мінімальної залишкової трудомісткості

111 хв.

Правило найдовшої операції

121 хв.


Оптимальний розклад роботи ГВМ обираємо з умови мінімума тривалості виробничого циклу.

min(max{Tijк}) ,,i(max{Tkр+Tkп}) ,(max{å(Tijоч+Tij)}) ,i

де Tkр - сумарний час виконання операцій на k-й одиниці обладнання,kп - сумарний час простоїв k-ої одиницi обладнання,ijоч - очікування j-ої детелі перед обробкою на і-й операції;

Розклад, складений за правилом вирівнювання завантаження верстатів, характеризується найменшими простоями обладнання , та найменшим очікуванням деталей.

2.3 Розробка алгоритму транспортного обслуговування ГВС

Таким чином, загальний алгоритм диспетчерського управління на базі стратегії транспортного обслуговування складається з наступних етапів:

.   Хай в деякий момент часу T К-ий верстат закінчив обробку поточної деталі.

.   Оброблена деталь заноситься в портфель робіт наступного по технологічному маршруту верстата. Якщо є декілька варіантів технологічного маршруту, деталь одночасно заноситься у відповідну кількість портфелів. Якщо виконана операція була останньою в технологічному маршруті, тоді деталь виключається з тих, що розглядаються.

3.      Якщо портфель робіт К-го верстата порожній, то він буде переведений в стан простою. Інакше за допомогою визначального правила переваги з портфеля вибирається одна деталь і записується в розклад робіт даного верстата як поточна з вказівкою часу завершення операції T = T + Tij. Вибрана таким чином деталь виключається зі всіх портфелів, в які вона поміщалася.

.        Якщо у разі виконання п.1 з'явилася можливість завантажити верстат, який знаходиться в стані простою, то відповідна деталь записується в розклад робіт цього верстата, для якого формується нове значення часу завершення операції.

.        Обирається наступний верстат з мінімальним поточним значенням T і виконується перехід до п.1.

Планування ведеться до повного виконання всіх операцій над деталями або до тих пір, поки не буде побудовано розклад на потрібний інтервал планування.

На підставі діаграми Ганта (рис.4) побудованою за даним правилом була побудована розширені діаграма Ганта з урахуванням складеного розкладу роботи транспортних пристроїв. При побудові розширеної діаграми Ганта враховувався час, що витрачається першим і другим АТМ на пересування між ГПМ і ГПМ і між стелажем і ГПМ.

Для вирішення цього завдання скористаємося декількома правилами переваги і побудуємо розклад транспортного обслуговування для кожного випадку. Як робочих правил приймемо:

1. Прив’язка до деталей:

Рис.8 Розширена діаграма Ганта, побудована відповідно до правила №1

Т=800,87

Максимізація загрузки:

Рис.9 Розширена діаграма Ганта, побудована відповідно до правила №2

Т = 445

2. Мінімізація загрузки:

Рис.10 Розширена діаграма Ганта, побудована відповідно до правила №3

Т = 438,19

3. Найблищого РШ:

Рис.11 Розширена діаграма Ганта, побудована відповідно до правила №4

Т = 438,69

Отримана загальна тривалість виробничого циклу для кожного з варіантів представлена в табл.8. Як видимий, найменшу тривалість циклу 648,67 мин.) дає метод - мінімізація завантаження (правило №3).

Таблиця 10

Правило переваги

Тривалість виробничого циклу, Тц, мін

№1 Прив’язка до деталей

800,87

№2 Максимізація завантаження

445

№3 Мінімізація завантаження

438,19

438,69


Для оптимальної розширеної діаграми Ганта складемо розклад транспортного обслуговування (табл. 9).

№п/п

Виконавець

Операція

Тривалість , хв

1 2 3 4 5 6 7 8 9 10

РШ1 РШ2 РШ3 РШ4

узяти Д11 АС і завантажити на ГПМ1 узяти Д5 АС і завантажити на ГПМ2 узяти Д7 АС і завантажити на ГПМ3 узяти Д12 АС і завантажити на ГПМ1

13,2 27 33,6 33,6

2.4 Синтез сіткової моделі функціонування обладнання ГВС

На основі побудованого розкладу роботу елементів ГАД, розробимо мережу Петрі, за допомогою якої проведемо якісний аналіз роботи системи і визначимо його властивості. Побудована мережа буде з інгібіторними дугами, тому що необхідно накласти додаткові обмеження на деякі умови відбування процесів системи. Для моделювання роботи системи скористаємось процедурним підходом. Аналіз отриманої моделі проведемо за допомогою побудови дерева досяжності, тому що матричний підхід для аналізу мережі з інгібіторними дугами не можна застосовувати.

Висновки

В даному курсовому проекті були послідовно виконані всі стадії складання розкладу роботи основного і транспортного обладнання ГАД. Для вибору оптимального розкладу роботи обладнання та транспортних пристроїв були проведені розрахунки при різних правилах переваги. Для вирішення задачі оперативного планування були використані наступні правила переваги:

максимальної залишкової трудомісткості

найкоротшої операції

вирівнювання завантаження верстатів

найдовшої операції

мінімальної залишкової трудомісткості

Після цього був вибраний оптимальний розклад по критерію мінімуму тривалості виробничого циклу. Мінімальний виробничий цикл отримали при використанні правила максимальної вирівнювання завантаження верстатів. Тривалість виробничого циклу дорівнює 1527,2 хв.

Для побудови оптимального розкладу роботи транспортних пристроїв були використані наступні критерії:

найкоротшої транспортної операції

мінімальної залишкової трудомісткості технологічних операцій

мінімальної залишкової трудомісткості транспортних операцій

Розклади, побудовані за цими правилами однакові, тому що час транспортування деталей набагато меньше часу обробки деталей на ГВМ. Тому не виникає конфліктних ситуацій і нема необхідності застосування правил переваги. Тривалість виробничого циклу дорівнює 1780,4хв.

Для моделювання роботи системи був використай апарат мережі Петрі. Аналіз мережі за допомогою її дерева досяжності показав, що у роботі системи немає заціклюваня та тупикових ситуацій. Але мережа Петрі є неживою, тому що нема повернення на початкове маркування. Це є результатом того, що спочатку на АС знаходяться заготовки, а у кінці роботи - готові деталі. Але якщо зробити заміну готових деталей на нові заготовки, то буде забезпечено повторне виконання технологічних операцій після їх завершення.

Побудована мережева модель є обмеженою, тобто немає накопичуючих елементів, завдяки чому забезпечується кінцевість процесів та виконання заданих умов при роботі об'єкту моделювання. Також мережа є зберігаючою, що свідчить про неможливість знищення або виникнення додаткових ресурсів у системи, яка моделюється.

Література

1.Слепцов А.И., Юрасов А.А. Автоматизация проектирования управляющих систем гибких автоматизированных производств.-К.:Тэхника, 1986.- 110с.

. Управление дискретными процессами в ГПС./Под ред. Л.С.Ямпольского.- К.:Техника, 1992.- 251с.

. Робототехника и гибкие автоматизированные производства. В 9-ти кн. Кн.5. Моделирование робототехнических систем и гибких автоматизированных производств./Под ред. И.М.Макарова.- М.:Высш.шк., 1986.- 175с.

.Питерсон Дж. Теория сетей Петри и моделирование систем.-М.:Мир, 1984.- 264с.

.Шкурба В.В. Задачи календарного планирования и методы их решения.- К.:Наукова думка, 1966

Похожие работы на - Розрахунок основного і транспортного устаткування гнучкого автоматизованого виробництва

 

Не нашли материал для своей работы?
Поможем написать уникальную работу
Без плагиата!
Без нейросетей!