Режимы резания металлов

  • Вид работы:
    Дипломная (ВКР)
  • Предмет:
    Другое
  • Язык:
    Русский
    ,
    Формат файла:
    MS Word
    1,13 Мб
  • Опубликовано:
    2015-07-19
Вы можете узнать стоимость помощи в написании студенческой работы.
Помощь в написании работы, которую точно примут!

Режимы резания металлов

План

Введение

. Общий раздел

1.1    Назначение детали

1.2    Материал детали и его свойства

.3      Анализ технологичности детали

2.Технологический раздел

2.1    Определение типа производства

.2      Выбор и обоснование метода получения заготовки

.2.1   Предварительный выбор двух вариантов получения заготовки

.2.2   Технико-экономическое обоснование выбора лучшего варианта заготовки. Анализ заводского технологического процесса

2.3    Разработка проектного варианта технологического процесса

.3.1   Разработка маршрута обработки детали

.3.2   Краткая техническая характеристика используемого оборудования

.4      Расчёт промежуточных припусков и размеров заготовки

2.5    Подробная разработка операций

.5.1   Подробная разработка операции с ЧПУ

.Конструкторский раздел

3.1    Проектирование станочного приспособления

.1.1   Описание конструкции и принципа действия приспособления

.1.2   Расчёт точности базирования заготовки. Расчётная схема для определения усилия зажима. Определение основных параметров зажимного механизма и привода

.2      Описание и расчёт режущего инструмента

.3      Описание и расчёт средства измерения

4.Организационно-экономический раздел

Список использованной литературы

Введение

В настоящее время машиностроение в значительной степени определяет развитие и совершенствование всего народного хозяйства республики.

В свое время машиностроение пережило несколько этапов своего развития. Первые этапы характеризовались накоплением опыта производства машин, опубликовывались статьи по обработке заготовок и появлялись нормативные материалы. Появлялись теоретические труды в области машиностроения, разрабатываемые методы анализа точности и управления качеством продукции с помощью математической статистики и теории вероятности.

В наши дни широко используются фундаментальные и теоретические науки. Для решения теоретических и практических задач используются современные вычислительные средства. Создаются и развиваются системы автоматизированного производства.

В процессе механической обработки деталей машин возникают проблемные ситуации, связанные с необходимостью выполнения технических требований, поставленных конструктором перед производством. Производственный процесс связан с эксплуатацией сложного металлорежущего оборудования, в том числе полуавтоматического, оснащенного системами числового программного управления, быстродействующей технологической оснасткой. Механическая обработка определяет трудоёмкость и себестоимость продукции, а так же долговечность эксплуатационных свойств деталей машин.

Требование современности - выпуск конкурентоспособных изделий, востребованных на внутреннем и внешнем рынке. В связи с этим основными направлениями развития современной технологии являются: переход от прерывистых, дискретных технологических процессов к непрерывным автоматизированным, обеспечивающим увеличение масштабов производства и качества продукции; внедрение безотходной технологии для наиболее полного использования сырья, материалов, энергии, топлива и повышения производительности труда; создание гибких производственных систем, широкое использование роботов и роботизированным технологических комплексов в машиностроении и приборостроении.

Технический прогресс всего народного хозяйства зависит от уровня развития машиностроительной промышленности. Целью проекта является закрепление, расширение и углубление теоретических знаний по технологии машиностроения, приобретение навыков практического применения полученных теоретических знаний к комплексному решению конкретных задач, предусмотренных в дипломном проекте.

1. Общий раздел

1.1 Назначение детали

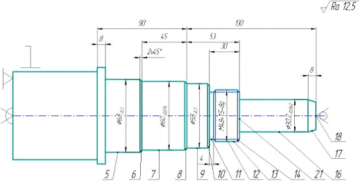
Деталь цапфа относится к классу валов и предназначена для передачи крутящего момента через муфту от двигателя на винт. Цапфа соединяется с винтом с помощью прессовой посадки. Деталь входит в узел газорезочной машины.

Заготовка детали может быть получена как из проката, так и штамповкой. Деталь представляет собой вал, у которого диаметры увеличиваются от одного торца к другому.

На цапфе расположены два шпоночных паза для установки призматических шпонок. На поверхности Æ48 нарезана резьба М48х1,5-8g. Так же на цапфе имеется канавка 4 мм. На некоторых ступенях вала имеются скругления R1. Так же с двух сторон цапфы наблюдается конусность 1:20.

1.2 Материал детали и его свойства

Сталь 45 ГОСТ 1050-74 - среднеуглеродистая качественная сталь, имеющая хорошие механические свойства для обрабатывания резанием, хорошо закаливается, достаточно недорогостойкая. Сталь 45 применяют для изготовления средненагруженных деталей: валов, втулок, вилок, кулачков, зубчатых колес. В данном случае применение данного материала целесообразно.

Таблица 1.1 - Механические свойства стали 45 ГОСТ 1050-74

Режим термообработки

, МПа, МПа % %HB





Операция

Температура,Охлаждающая средане менее




Закалка

840

Вода (масло)

560

800

13

48

220

Нормализованная

-

Вода или воздух

360

610

16

40

229


Таблица 1.2 - Химический состав стали 45 ГОСТ 1050-74, %

C

Si

Mn

S

P

Cr

Ni

Cu




не более




0,42-0,5

0,17-0,37

0,50-0,80

≤0,04

≤0,035

0,25

≤0,30

≤0,30


1.3    Анализ технологичности детали

Качественный анализ:

Данная деталь относится к деталям типа «вал». Материал - углеродистая, качественная сталь 45 ГОСТ 1050-74, позволяющая цапфе воспринимать достаточно высокую нагрузку в процессе работы. Жёсткость конструкции детали является достаточной и не ограничит режимы резания при обработке.

Конструкция детали имеет достаточные по размерам и расположению базовые поверхности, что позволяет при обработке применять принципы совмещения и постоянства баз, обеспечивая точность формы обрабатываемых поверхностей, точности их расположения и точность размеров.

Конструкция детали позволяет обрабатывать её стандартными режущими инструментами. Возможно совмещение технологических и измерительных баз. Для обработки поверхностей не требуется изготовления специальных инструментов. К нетехнологичным элементам можно отнести: закрытый шпоночный паз Ø8(+0,1), обработка в упор, канавка.

Вывод: на основании качественной оценки деталь можно считать технологичной.

Количественная оценка технологичности детали сводится к определению показателей технологичности в соответствии с ГОСТ 14202-73.

Коэффициент унификации:

 Ку.э.=  (1.1)

где Qу.э.- число унифицированных размеров конструктивных элементов,

Qэ - число конструктивных элементов в детали

Ку.э.=13/13=1

Остальные коэффициенты принимаю равные единице.

Вывод: по результатам качественного анализа выявлено, что деталь технологична.

2.  Технологический раздел

2.1    Определение типа производства

Выбираю тип производства предварительно в зависимости от заданной годовой программы (N=1200 шт.) и массы (m=6,7 кг) детали.

Таблица 2.1 - Предварительный выбор типа производства.

Масса, кг

Годовая программа


единичное

мелкосерийное

серийное

крупносерийное

массовое

до 1

до 20

10÷1500

1500÷75000

75000÷200тыс.

>200тыс.

1÷2,5

до 10

10÷1000

1000÷50000

50000÷100тыс.

>100тыс.

2,5÷5

до 10

10÷500

500÷35000

35000÷75тыс.

>75тыс.

5÷10

до 10

10÷300

300÷25000

25000÷50тыс.

>50тыс.

>10

до 10

10÷200

200÷10000

10000÷25тыс.

>25тыс.


По таблице 3 определяю тип производства - серийный.

Далее определяю партию запуска деталей n, шт.:

(2.1)

где, N - годовая программа выпуска деталей;

а - необходимый запас деталей в днях (принимается от 5 до 10дн.);

 - действительный годовой фонд времени работы (=260дн.)

.

Принимаю партию запуска 37 штук.

2.2    Выбор и обоснование метода получения заготовки

.2.1   Предварительный выбор двух вариантов получения заготовки

Для серийного типа производства я выбираю два метода получения заготовки:

а) сортовой круглый прокат ГОСТ 2590 - 88

б) штамповка на КГШП ГОСТ 7503 - 89

а) Определяю размеры заготовки из проката.

Общий припуск на обработку наружной цилиндрической поверхности определяется как сумма межоперационных припусков :

=(++)×2 (2.2)

Выбираю припуск под обработку на поверхность Ø:

Токарная черновая - 1,5 мм

Токарная чистовая - 1 мм

 =(1,5+1)×2=5

Диаметр заготовки из проката по ГОСТ 2590 - 88:

=90+5=

Длина заготовки определяется по формуле lзаг., мм:

Lзаг.=lдет.+2z (2.3)

Lзаг.=298+2×5=308-0,57

Рисунок 2.1 - Сортовой круглый прокат ГОСТ 2590 - 88

б) Определяю размеры штампованной заготовки.

Выбираем припуск под обработку на поверхность Ø:

Токарная черновая - 1,5 мм

Токарная чистовая - 1 мм

Рассчитаю общий припуск по формуле 2.3

=(1,5+1)×2=5 мм

Диаметр заготовки равен

=90+5=

Выбираю припуск под обработку на поверхность Ø

Токарная черновая - 2,8 мм

2,8 мм

=68+2,8×2=72,6≈

 Выбираю припуск под обработку на поверхность Ø48

Токарная черновая - 2,8 мм

2,8 мм

=48+2,8×2=52,6≈

Выбираю припуск под обработку на поверхность Ø

Токарная черновая - 1,6 мм; Ø30,5

Токарная чистовая - 0,30 мм; Ø30,2

Шлифовальная - 0,20 мм

=(1,6+0,30+0,20)×2=4,2 мм

=30+4,2=34,2≈

Рисунок 2.2 - Штампованная заготовка

.2.2   Технико-экономическое обоснование выбора лучшего варианта заготовки

а) Сортовой круглый прокат ГОСТ 2590 - 88:

Определяю объем заготовки с учётом потерь металла на разрезку проката Вр, при резке металла на ленточно-отрезном станке Вр=1,6 мм:

 (2.4)

где, =3,14 - постоянное значение;

d - диаметр заготовки, мм;

h - длина заготовки, мм

Определяю объем заготовки по формуле 2.4:

Определяю массу заготовки по формуле Qз, кг:


где,  - плотность материала;

V - объем заготовки

Массу заготовки определяю по формуле 2.5:

Рассчитаю коэффициент использования материала по формуле


где  - масса детали, кг;

 - масса заготовки, кг

Себестоимость заготовки, руб.:

(2.7)

где Q - масса заготовки, кг;

S - цена материала заготовки, руб. (24000 руб.);

q - масса готовой детали, кг;

 - цена за 1т стружки, руб. (4500 руб.)

=

б) штамповка

Разобью заготовку на элементы и найдём массу каждого элемента. Общую массу заготовки определяю по формуле, кг:

Qобщ=Q1+Q2+Q3+Q4 (2.8)

Определяю объем цилиндра 1 по формуле 2.4:

Массу заготовки определяю по формуле 2.5:

Q1=

Определяю объем цилиндра 2 по формуле 2.4:

Массу заготовки определяю по формуле 2.5:

Определяю объем цилиндра 3 по формуле 2.4:

Массу заготовки определяю по формуле 2.5:

Определяю объем цилиндра 4 по формуле 2.4:

Массу заготовки определяю по формуле 2.5:

Определяю общий объём заготовки по формуле 2.8:

Qобщ=5,4+3,4+0,51+0,54=9,85 кг

С учётом потерь металла на угар и облой (10…15)%, фактический расход определяю по формуле QI, кг:

I=Q+0,1Qдет (2.9)

QI=9,85+0,1×6,7=10,52 кг

Коэффициент использования материала определяю по формуле 2.6:

Себестоимость заготовки из штамповки:

 (2.10)

где, стоимость 1т заготовки (48000 руб.);

 Q - масса заготовки;

S - цена за 1кг заготовки материала, руб;

q - масса готовой детали;

 - цена за 1т стружки;

 - коэффициент, зависящий от класса точности штампов;

 - коэффициент, зависящий от сложности штамповок;

 - коэффициент, зависящий от массы штамповок;

 - коэффициент, зависящий от годовой программы выпуска штамповок;

 - коэффициент, зависящий от марки материала штамповок;

Определяю себестоимость заготовки из штамповки

=(551,75 руб.

Таблица 2.2 - Выбор варианта заготовок

Заготовка

С

Штамповка

0,64

551,75

Прокат

0,25

560,55


Вывод: Самым оптимальным вариантом выбора заготовки, исходя из табличных расчетов припуска на обработку, является штамповка.

2.3    Анализ заводского технологического процесса

Заводской технологический процесс разработан с учётом особенностей единичного производства, технических требований чертежа и с учётом принятой заготовки - проката.

Применение при механической обработке заготовок напайного режущего инструмента, имеющего стойкость и производительность на 30% ниже по сравнению со сборным инструментом, экономически нецелесообразно.

Равным образом и мерительный инструмент, применяемый при измерении параметров деталей, также является, в основном, нормализованным: штангенциркули, микрометры и т.д., что целесообразно для условия единичного производства. Для контроля профиля канавки и резьбовой поверхности предпочтительны калибры.

В заводском техпроцессе в связи с наличием припуска существуют промежуточная термическая операция: улучшение. Потому весь техпроцесс делится на два этапа обработки: до т.о. и после т.о.

В техпроцессе предусмотрены все необходимые черновые и чистовые операции для получения детали согласно требованиям чертежа по точности размеров, расположения поверхностей и по параметрам шероховатости, а также все необходимые операции разметочные и слесарные, что соответствует конкретно единичному типу производства. Оборудование для изготовления детали выбрано верно с учётом вида работ, габаритов детали и требуемой точности из наличия станков существующего механического парка.

Различная технологическая оснастка, которая используется в цехе, изготавливается в инструментальном производстве предприятия.

В маршрутных картах не указан весь применяемый нормализованный режущий инструмент, что объясняется спецификой данного предприятия.

Измерительные средства указаны, но запись их не всегда соответствует требованиям ЕСТД.

2.4    Разработка проектного варианта технологического процесса

.4.1   Разработка маршрута обработки детали

Рисунок 2.3 - Деталь с нумерацией поверхностей

Таблица 2.3 - Маршрут обработки детали класса «Цапфа»

№ операции

Наименование операции

№уст. базы

№об пов.

Оборудование

Приспособление

Режущий инструмент

Средства измерения

1

2

3

4

5

6

7

8

005

Фрезерно-центровальная

3, 16, 21

1,22, 18,  19

Фрезерноцентро вальный МР-71

Призмы, пнев мо-прихват

Фреза торцевая 2шт. Ø120 Т5К10 центр.сверлов=3.15 Р6М5

Шаблон на центровые отв., образцы шероховатости ШЦ-II-320 ГОСТ 166-80

010

Токарная черновая

Уст.А 1,16, 19 Уст.Б 1,22, 20

4,3  5,23,7,9,10, 16

Токарно-винторезный. 16К20

3-х кулачковый самоцентр. патрон; задний вращ. центр

Резец проходной Т5К10, =

ШЦ-II-320 ГОСТ 166-80, Линейка 1-300

015

Токарная программная

18,1, 22

2,3,4

Токарный станок 16К20Т1

Патрон поводковый с плав.центром,центр задний вращ.

Резец контурный с механич. креплениемТ15К6,

ШЦ-II-320 ГОСТ 166-80

020

Токарная программная

1,18, 22

17,16,14,13, 10,9,87,6,5,23,11, 12

Токарный станок 16К20Т1

Патрон поводковый с плав.центром,центр задний вращ.

Резец контурный Т15К6, резец канавочный Т5К10, резец резьбовой Т15К6 в=60,

ШЦ-II-320 к-кольца М48×1,5,шаблоны на конусы, шаблоны канавочные, сартроник

025

Кругло-шлифовальная

Уст А 1,18, 19 УстБ 1,18, 22

 3   7,16

Кругло-шлифо вальный 3М151

Мягкие про кладки, патрон поводковый, центра неподвижные

Шлифов. круг ПП600х100х 20  15А 40Н С2 6 К1 Б 35м/с

ИЧ-10-0,01 ГОСТ 577-68, к-скобы, сартроник

030

Шпоночно-фрезерная

3,16, 19

15,20

Шпоноч -  но-фрезерный 6Д92

Призмы, упор, пневмо-прихват

Фреза концеваяØ6, фреза шпоночная Ø8 Р6М5 ГОСТ  17026-71

ШЦ-II-320 ГОСТ 166-80 Микрометр

2.4.2 Краткая техническая характеристика используемого оборудования

Фрезерно-центровальный станок МР-71М

Краткая техническая характеристика.

Диаметр обрабатываемой заготовки, мм

25-125

Длина обрабатываемой заготовки, мм

200-500

Число скоростей шпинделя фрезы

6

Пределы чисел оборотов шпинделя фрезы в минуту

Наибольший ход головки фрезы (стола), мм

220

Число скоростей сверлильного шпинделя

6

Пределы чисел оборотов сверлильного шпинделя в минуту

238-1125

Ход сверлильной головки, мм

75

Пределы рабочих подач сверлильной головки (бесступенчатое регулирование), мм/мин

20-300

Мощность электродвигателя, кВт: фрезерной головки сверлильной головки

7,5/10  2,2/3

Габариты станка: Длина, мм Ширина, мм

 3140 1630

Категория ремонтной сложности

7


Токарно-винторезный станок 16К20

Краткая техническая характеристика.

Диаметр обработки над станиной, мм

400

Диаметр обработки над суппортом, мм

220

Расстояние между центрам

1000/1500

Максимальная масса заготовки, закрепленной в патроне, кг

300

Пределы рабочих подач - продольных, мм/об

0,7 - 4,16

Наибольший крутящий момент, кНм

2

Мощность электродвигателя главного привода

10 кВт

Габаритные размеры станка (Д х Ш х В), мм

3 200х1 166х 1 324


Шпоночно-фрезерный станок 6Д92

Краткая техническая характеристика.

Пределы частоты вращения шпинделя Min об/мин                    250

Пределы частоты вращения шпинделя Max об/мин                   3150

Класс точности станка по ГОСТ 8-82, (Н,П,В,А,С)                    П

Мощность двигателя кВт                                                              2.2

Число инструментов в магазине                                                           4

Диаметр обрабатываемой детали, мм                                          120

Длина детали, мм                                                                                    600

Наибольший диаметр устанавливаемой заготовки, мм              8500

Габариты станка Длинна Ширина Высота (мм)       1995_1115_1530

Масса, кг                                                                              2650

2.5    Расчёт промежуточных припусков и размеров заготовки

Расчетный пространственного отклонения, мкм/1/,/2/,/3/:

Rz=150 - высота микронеровностей,

T=200- глубина дефекта поверхностного

Рассчитаю пространственные отклонения Р:

 ρ=(ρкор.2+ρсмещ.2)0,5 , мкм (2.11)

где, ρкор.=250 - общая кривизна заготовки;

ρсмещ.=400 - погрешность смещения

Определяю пространственные отклонения по формуле 2.11:

ρ=(2502+4002)0,5=471 мкм

ρ1=0,06×ρзаг.=28 мкм

ρ2=0,04×ρчер.=18 мкм

ρ3=0,03×ρчист.=14 мкм

Расчетный припуск 2Zmin, мкм:


2Zmin=2×[(Rz+T)+(P2+E2)×0,5] (2.12)

где, E - погрешность базирования

Zmin1 = 2×[(150 + 200) + (4712+02)×0,5] = 1,642 мкм

Zmin2 = 2×[(50 + 50) + (282+02)×0,5] = 0,256 мкм3 = 2×[(25 + 25) + (182+02)×0,5] = 0,136 мкм

Расчетный размер dр, мм:

dр=dр[i-1]+2Zmin[i-1] (2.13)

1=60 + (-0,004)= 59,996 мм

2=59,996+0,136= 60,132 мм

3=60,132+0,256=60,388 мм

4=60,388+1,642=62,03 мм

Предельный размер dmin, мм:

dmin= (2.14)

dmin1=59,996 мм 2=60,132 60,1 мм3=60,388 60,4 мм4=62,03 62 мм

Предельный размер dmax, определяю по формуле, мм:

dmax=dmin+Td (2.15)

dmin1=59,996 + 0,019=60,015 мм

dmax2=60,132+0,12=60,252 60,3 мм

dmax3=60,388+0,3=60,688 60,7 мм

dmax4=62,03 +1,2=63,2363,2 мм

Предельный припуск 2Zmin, мм:

2Zmin=dmin[i]-dmin[i-1] (2.16)

2Zmin1=62 - 60,4= 1,6 мкм

2Zmin2=60,4 - 60,1= 0,3 мкм

2Zmin3=60,1 - 59,996= 0,104 мкм

Предельный припуск 2Zmax, мкм:

2Zmax=dmax[i]-dmax[i-1] (2.17)

2Zmax1=63,2 - 60,7= 2,5 мкм

2Zmax2=60,7 - 60,22= 0,48 мкм

2Zmax3=60,22 - 60,015= 0,205 мкм

Общий припуск:

2Zmin=2,004 мкм

2Zmax=3,185 мкм

Проверка:

 ITзаг - ITдет = 2Zmax-2Zmin (2.18)

1,2 - 0,019 = 3,185 - 2,004

1,181 = 1,181 (и)

0,3 - 0,12 = 0,48 - 0,3

0,18 = 0,18 (и)

Вывод: расчёты сделаны верно.

Таблица 2.4 - Расчет промежуточных припусков и предельных размеров

Последовательностьобработки

Поле допуска

Шерохо-ватость

Rz

T

P

E

Расчетный припуск

Расчетный размер

Td

dmin

dmax

2Zmin

2Zmаx

Заготовка



150

200

471



59,996

1,2

59,996

60,015



Точение черновое

h12

12,5

50

50

28

0

1,642

60,132

0,3

60,1

60,3

1,6

2,5

Точение чистовое

h10

6,3

25

25

18

0

0,256

60,388

0,12

60,4

60,7

0,3

0,48

Шлифование чистовое

k6

3,2

5

5

14

0

0,136

62,03

0,019

62

63,2

0,104

0,205

Итого:












2,004

3,185


Рисунок 2.4 - Схема расположения припусков, допусков и межоперационных размеров

2.6    Подробная разработка операций

2.6.1 Подробная разработка операции с ЧПУ

а) Подробная разработка операции с числовым программным управлением

Оборудование: Токарный станок мод. 16К20Т1 с ЧПУ

Краткая техническая характеристика.

Наибольший диаметр изделия, устанавливаемого над станиной, мм

500

Наибольшая длина устанавливаемого изделия в центрах, мм

1000

Максимальная рекомендуемая скорость рабочей продольной подачи, мм/мин

2000

Точность позиционирования, мм

0,01

Диапазон частот вращения шпинделя, 1/об

20-2500

Количество позиций инструментальной головки

6

Мощность привода главного движения кВт

11

Габаритные размеры станка, мм

3700х2260х1650


Базовые поверхности: центровые отверстия, левый торец.

Токарная программная

Установить деталь в поводковый патрон и поджать задним центром

Т1 1. Точить конусную поверхность 1:20 в размер 8-0,062

2. Точить поверхность 16 до Ø30,2-0,062 и торец 21 в размер 69-0,074

3. Снять фаску 2×450

 4. Точить поверхность 13 Ø47,85-0,26 в размер 30-0,21

5. Снять фаску 2×450

 6. Точить поверхность 9 Ø58-0,30 в размер 23-0,21

7. Снять фаску 2×450

 8. Точить поверхность 7 Ø60,2-0,074 в размер 43-0,25

 9. Снять фаску 2×450

 10. Точить поверхность 5 Ø68-0,30 и торец 23 в размер 35-0,25

 Т2 1. Проточить канавку b=4

Т3 1. Нарезать резьбу поверхность 12 по УП М48×1,5 - 8g в размер 26-0,21

Открепить, снять деталь

Приспособление: патрон поводковый с плавающим центром, центр задний вращающийся.

Режущий инструмент: резец проходной контурный с углом φ=93 Т15К6 20×16×120мм, резьбовой резец Т15К6, резец канавочный 16х16х170 b=4

Средства измерения: Штангенциркуль ШЦ II - 320; к-кольца М48×1,5 ПР,НЕ; Шаблоны на конус, шаблоны канавочные, сартроник.

СОТС: 5% Аквол - 11.

Рисунок 2.5 - Операционный эскиз

Расчёт режимов резания аналитическим методом /1/,/2/,/3/

Т1:1 переход - точить конус 1:20 в размер 8-0,062

Глубина резания t, мм:

t=h/2 (2.19)

где, h - припуск.=0,9/2=0,45 мм

Подача S, мм/об:

Подачу выбираем по таблицам:=0,45 - 0,60 => 0,6 мм/об

Уточним подачу по паспортным данным Sд:д=0,6 мм/об

Диапазон: 0,01-20,47

Стойкость резца Т:

Т=60 мин.

Определяю cкорость резания V, м/мин:

V=(Cv/Tm*tx*Sy)*Kv (2.20)

где, Kv=Kmv*Knv*Kиv*Kфиv*Kфи1v*Krv, значения коэффициентов: Kmv, Knv, Kиv, Kфиv*Kфи1v*Krv

Определяю значение коэффициента:

Kmv=Kr(750/qB)nv (2.21)

Kmv=1*(750/750)1=1

Определяю скорость по формуле 2.20:

=(290/600,2*0,450,15*0,60,45)*1*1*1*1*1*1=172,4 м/мин

Частота вращения шпинделя n, мин-1:

 n=1000*V/3.14*D (2.22)

=1000*172,4/3.14*28=1960,9 мин-1

Тангенциальная сила Pz, Н:

Pz=10*Cpz*tx*Sy*Vn*Kpz (2.23)

где, Kpz=Kmpz*Kфиpz*Kгаммаpz*Kлямбдаpz*Krpz, значения коэффициентов: Kmpz , Kфиp, Kгаммаpz, Kлямбдаpz, Krpz

Определяю значение коэффициента:

Kmpz=(qB/750)n (2.24)

=(750/750)0,75)=1

Найду тангенциальную силу Pz по формуле 2.23:=10*300*0,451*0,60,75*172,4-0,15*1*1*1*1*1=425,08 Н

Проверка мощности резания N, квт:

Nэ<Nшп

Nэ=Pz*Vд/60*1020 (2.25)

Nэ=425,08*172,4/60*1020=1,2 квт

Определяю мощность шпинделя Nшп, кВт:

Nшп=Nд*n (2.26)

шп=11*0,85=9,3 квт

,2<9,3

Основное время Т, мин:

Tо=(L/n*S)*i (2,27)

где, i - число переходов, L - длина, мм.

L=l+y+x (2.28)

L=8+0+0,9=8,9 мм

Определяю основное время по формуле 2.27:о=(8,9/1961*0,6)*1=0,01 мин.

На остальные поверхности режимы резания определяем табличным методом и сводим в таблицу 2.7

Таблица 2.5 - Табличные показатели режимов резания

инструмент

 переход

 t, мм

 i

S, мм/об

n, мин-1

V,м/мин

T0, мин

Резец проходной контурный с углом φ=93 Т15К6 20×16×120мм

2

0,35

1

0,6

1900

179

0,07


3

0,25

1

0,6

1249

188,2

0,01


4

0,4

1

0,6

1164

175,4

0,04


5

0,5

1

0,6

932

169,7

0,01


6

0,6

1

0,6

906

165

0,04


7

0,45

1

0,6

915

172,4

0,01


8

0,7

1

0,6

856

161,3

0,09


9

0,65

1

0,6

764

163,1

0,01


10

0,7

1

0,6

755

161,2

0,09

Резец резьбовой Т15К6

11

0,22

5

5

677

102

0,12

резец канавочный 16х16х170 b=4

12

0,3

1

0,54

1224

173

0,01


Нормирование операции:

Время на установку и снятие делали Туст:

Туст=0,25 мин

Вспомогательное время, мин:

Tв.=Tуст.+Tх.х.+Tпер.+Тсм.+Твыд.+Тдоп. (2.29)


Tх.х.=Tх.х.(Х)+Tх.х.(Z) (2.30)

где, Tх.х.(Х) - времени холостых ходов по оси Х;

Tх.х.(Х)=L(х)/Sмин х.х. (2.31)

где, L(х) - суммарная длина холостых ходов по оси Х, мм;мин х.х - скорость быстрого перемещения инструмента, мм/мин;мин х.х=2000 мм/мин;

По паспортным данных станка:0..7000

Определим время холостых ходов по оси Х по формуле 2.32:х.х.(Х) =200/2000 = 0,1 мин.х.х.(Z) - времени холостых ходов по оси Х:

Tх.х.(Z)=L(z)/Sмин х.х. (2.32)

где, L(z) - суммарная длина холостых ходов по оси Z, мм;мин х.х - скорость быстрого перемещения инструмента, мм/мин;

По паспортным данных станка:0..5000;мин х.х=500 мм/мин;

Определим время холостых ходов по оси Х по формуле 2.33:х.х.(Х)=150/500=0,3 мин.

Определим сумму времени холостых ходов по формуле 2.31:х.х.=0,1+0,3=0,4 мин.пер. - сумма времени на переход с одного кадра УП на последующий, мин;

Tпер.=tпер.*K (2.33)

где, tпер.=0,02 мин;

К - количество кадров УП, К=48;пер.=0,02*48=0,96 мин.см. - сумма времени на смену инструмента, мин;см.=0,12 мин.выд. - сумма времени выдержки между кадрами при обработки УП, мин;выд.=0,33 мин.доп. - дополнительное время управления станком, мин;

время на включение и выключение станка - 0,04 мин;

время на открытие и закрытие заградительных щитов - 0,03 мин;

время на ввод коррекции - 0,04 мин;

время на установку координат Х и Z - 0,15 мин;доп.=0,04+0,03+0,04+0,15=0,26 мин.

Определим вспомогательное время по формуле 2.30:в.=0,25+0,4+0,96+0,12+0,33+0,26=2,32 мин.

Оперативное время, мин:

Tоп.=Tо.+Tв. (2.34)

Топ.=13,76+2,32=16,08 мин.

Время на обслуживание рабочего места Тобс, мин:

Tобс.=(a%/100)*Tоп (2.35)

где, a% - процентная величина, a%=7обс.=(7/100)*16,08=1,12 мин.

Штучное время Тшт., мин.:

Tшт.=Tоп.+Tобс.отл.+Tотл (2.36)

шт.=16,08+1,12 =17,20 мин.

Штучно-калькуляционное время Тшт. к., мин.:

Tшт.к.=Tшт.+(Tпз./N) (2.37)

где, Tпз. - подготовительно заключительное время, мин

Tпз.=Tпз.1+Tпз.2+Tпз.3+...+Tпз.n (2.38)

Тпз.=0+0,2+0,5+0,4+1=2,01 мин.шт.к.=17,20+(2,01/1200)=17,20 мин.

Разработка УП

Траектория

Кадры программы

Пояснение


N1M3

По часовой стрелке


N2M40

Диапазон частот вращения


N3S9

Частота вращ. 2000 мин-1


N4F50

Подача 0,5 мм/мин


N5T1

Инструмент №1


N6M8

Включение СОЖ

0 - 1

N7X2600~

Подвод на быстром ходу


N8Z30200~


1 - 2

N9X3000

Обработка конуса


N10Z29200*


2 - 3

N11Z22300


3 - 4

N12X4500


4 - 5

N13X4800 - 450

Обработка фаски

5 - 6

N14Z19300


6 - 7

N15X5400


7 - 8

N16X5800 - 450


8 - 9

N17Z17000


 9 - 10

N18X6000 - 450


10 - 11

N19Z12500


11 - 12

N20X6800 - 450


12 - 13

N21Z8000


13 - 14

N22X7200


14 - 15

N23X10000~



N24Z10000~



N25T2

Инструмент №2


N26S3



N27F10


0 - 1

N28X5800



N29Z19300


1 - 2

N30X4500


2 - 3

N31X10000~


3 - 4

N32Z19300~



N33T3

Инструмент №3


N34S8



N35F10



N36X4800~



N37Z22500~



N38G31

Нарезание резьбы


N39X4800*



N40Z2600*



N41F15000*



N42P200*



N43P20*



N44X10000~



N45Z10000~



N46M9

Выключение СОЖ


N47M5

Останов шпинделя


N48M30

Конец программы


2.1.2 Подробная разработка универсальной операции

Круглошлифовальная операция

Оборудование: круглошлифовальный станок мод. 3М151

Технические характеристики станка

Наибольший диаметр заготовки, мм      200

Наибольшая длина заготовки, мм          700

Наибольший диаметр шлифуемого отверстия, мм 2700

Наибольшие размеры шлифовального круга, мм:

Частота вращения шпинделя об/мин      1590

Класс точности станка по ГОСТ 8-82, (Н,П,В,А,С) П

Частота вращения шпинделя бабки изделия, об/мин        30 - 500

Мощность двигателя кВт     10

Габариты станка Длинна Ширина Высота (мм)       4635_2450_2170

Масса, кг   6032

Базовые поверхности: центровые отверстия, торец.

Содержание операции:

Установ А:

Установить и закрепить деталь в поводковом патроне

1. Шлифовать поверхность 16 Ø в меру

2.      Шлифовать поверхность 7 Ø в меру

Открепить деталь

Установ Б:

Установить и закрепить деталь в поводковом патроне и центрах

1. Шлифовать поверхность 3 Ø в меру

Открепить, снять деталь.

Приспособление: патрон поводковый, центра неподвижные.

Режущий инструмент: шлифовальный круг ПП600х100х20 15А 40Н С2 6 К1 Б 35м/с

Средство измерения: ИЧ-10, калибры-скобы, сартроник.

СОТС: 5% Аквол - 11 .

Рисунок 2.6 - Операционный эскиз

Определим режимы резания аналитическим методом - шлифовать наружную цилиндрическую поверхность ф30к6.

. Припуск, мм:

h=0,15

. Стойкость шлифовального круга: =25 мин.

. Допустимая скорость шлифовального круга, м/с:

по маркировке V=35

Определим скорость шлифовального круга Vкр, м/с:кр.=3.14*600*1590/1000*60=34,92 м/с.

. Скорость детали, м/мин:

м/мин.=1000*30/3.14*30=318,47 мин-1

V=3.14*30*318,47/1000=30 м/мин.

. Поперечная подача, мм/об:=0,005-0,050=0,05

Vstx=Stx*n (2.42)

=0,05*318,47=15,92 мм/мин;

. Машинное время, мин:

T=(h*k)/(n*S) (2.43)

где L=l+(1-0,4)*Bk;

k=1,5;=( 0,15*1,5 ) / ( 318,47*0,05 )=0,01 мин.

На остальные поверхности режимы резания определяем табличным методом и сводим в таблицу 2.8

Таблица 2.6 - Табличные сведения режимов резания

инструмент

переходы

t, мм

i

S,мм/об

nд, мин-1

V,м/с

T,мин

Тв

Тшт.к

Шлифовальный круг ПП600х100х 20 15А 40Н С2 6 К1 Б 35м/с

2

0,15

1

0,05

196,39

34,92

0,02

7,48

12,28


3

0,15

1

0,05

194,19

34,92

0,02




Нормирование шлифовальной операции:

Время на установку и снятие делали, мин:

Туст=3,5 мин.

. Время, связанное с переходам, мин:пер.=1,18 мин.

. Время, связанное с контрольным измерением, мин:ки.=2,8 мин.

. Вспомогательное время, мин:в.= 3,5+1,18+2,8=7,48 мин.

. Оперативное время, мин:оп.= 4,05+7,48=11,53 мин.

. Время на обслуживание рабочего места, мин:%=2,5обс.=(2,5/100)*11,53=0,29 мин.

. Время на отдых и личные надобности, мин:%=4отл.=(4/100)*11,53=0,46 мин.

. Штучное время, мин:шт=11,53+0,29+0,46=12,28 мин.

. Штучно-калькуляционное время, мин:шт.к.=12,28+( (9+8)/1200) )=12,28 мин.

Для остальных операций норму времени назначим табличным методом и сведем в таблицу 2.7 /2/, /12/, /11,5/

Таблица 2.7 - Нормирование операций табличным методом

№ операции

То, мин

Тв, мин

Тпз, мин

Тшт, мин

Тшт.-к, мин

005

2,7

1,63

29

3,27

27,12

010

1,8

1,64

24,2

3,78

21,10

015

1,47

1,32

22

2,13

10,45

030

1,24

1,07

32,5

2,54

15,34



3. Конструкторский раздел

3.1    Проектирование станочного приспособления

3.1.2 Описание конструкции и принципа действия приспособления

Назначение и устройство приспособления

Приспособление спроектировано для операции 030 и предназначается для закрепления заготовки при фрезеровании шпоночного паза на шпоночно-фрезерном полуавтомате модели 6Д92. Приспособление является универсально переналаживаемым, что важно для серийного производства.

Приспособление состоит из следующих элементов:

установочные элементы - две призмы ˂900;

зажимные элементы: прихват и пневматический привод диафрагменного мембранного типа двухстороннего действия;

основание, на котором установлены установочные призмы и пневматический привод;

направляющие шпонки - 2 штуки;

Крепление приспособления осуществляется на столе станка двумя болтами, которые вставляются в проушины паза в основании приспособления. Деталь наружной цилиндрической поверхностью Ø82 и Ø30 устанавливается на установочных призмах 900. Зажим осуществляется прихватом за поверхность Ø60 мм. Для зажима детали сжатый воздух подается в бесштоковую полость цилиндра. Поршень перемещается вверх, зажимным штоком давит на правое плечо прихвата, а левое плечо осуществляет зажим детали. Для того чтобы снять деталь после окончания обработки, сжатый воздух подается в штоковую полость цилиндра: поршень начинает перемещаться вниз и прихват освобождает деталь.

Схема базирования, сил резанья и усилий зажима детали показана на рис.3.1

Рисунок 3.1 - Схема базирования, сил резания и усилий зажима детали

3.1.2 Расчёт точности базирования заготовки. Расчётная схема для определения усилия зажима. Определение основных параметров зажимного механизма и привода

1Определение погрешности базирования.

Деталь Ø30к6(0,1) устанавливается на призму с углом α=900. Размер глубины шпоночной канавки задан от верхней образующей 8+0,1.

Погрешность базирования можно определить по следующей формуле:

ε=1,21TD (3.1)

где, TD - допуск на наружную цилиндрическую поверхность, которой деталь устанавливается на призму, TD=0,1

Тогда погрешность базирования будет:

ε=1,21×0,1=0,121 мм

Такая погрешность базирования по высоте укладывается в допуск размера 8, который составляет 0,25 мм. Расчёт потребной силы зажима детали Сдвигающая сила Рос, кГс:

Рос=1,2×Рz (3.2)

Pz=×Kp (3.3)

где, Cp - коэффициент, характеризующий обрабатываемый материал и другие условия;

Kp - общий поправочный коэффициент, представляющий собой произведение коэффициентов, отражающих состояние отдельных параметров, влияющих на величину силы резания;

Kр = Kmp × Kvp × Kgр × Kjv (3.4)

где, K - коэффициент, учитывающий свойства материала обрабатываемой заготовки;

K - коэффициент, учитывающий скорость резания;

K - коэффициент, учитывающий величину переднего угла g;

K - коэффициент, учитывающий величину угла в плане j.

Значения коэффициента Ср и показателей степеней x , y, u, q, w приведены в /табл.16 /карта 3 технолога машиностроителя/

Kр =1,02×1×1,20×1,06=1,3

Pz=×1,30=4,62 Н

Рос=1,2×3,08=5,54 Н

Определим удерживающую силу детали Т, кГс:

Т=Qзаж×f (3.5)

где, Qзаж - усилие зажима детали, кГс;

f - коэффициент силы трения, f=0,2

Условие надёжного зажима

 Т≥К×Рос (3.6)

где, К - коэффициент надёжности закрепления

Q×f≥1,5Pос (3.7)

Откуда

Q=1,5Pосf (3.8)

Q=1,5×5,54×0,2=1,67 Н

Определение размеров привода зажима (диаметра пневмоцилиндра, диаметра зажимного штока).

Диаметр цилиндра диафрагменного мембранного типа определяется по формулам:

для пневмокамеры двухстороннего действия, кГс:

Q=0,2(D+d)2 Рв×Ƞ=0,58×D2×Pв×Ƞ (3.9)

где, D - диаметр диафрагмы внутри камеры, см;

d - диаметр шайбы штока, см. d=0,7D;

Рв - давление воздуха в магистрали,

Принимаем Рв=4 кГс/см2 (0,4 МПа);

Ƞ - коэффициент полезного действия, Ƞ=0,95;

q - усилие сопротивления пружины (5 кГс)

Dдиафр.= (3.10)

Dдиафр.==2,76 см

Принимаем ближний больший размер диафрагмы (23, 24, 25).

D=100 мм Определим диаметр зажимного штока, мм:

dштока=0,7D (3.11)

dштока=0,7×100=70 мм

Рисунок 3.2 - Схема сил, действующих на прихват

3.2 Описание и расчёт режущего инструмента

Рассчитаем и сконструируем канавочный резец с пластиной из твёрдого сплава для чернового обтачивания детали «Цапфа» из стали 3 кл. 2.

Dзаг=95h10

h=2мм.

So=0,6 мм/об.

l=20 мм

где, Dзаг - диаметр заготовки, h - припуск на обработку детали, So - технологическая подача, l - расчётная длина.

.В качестве материала для корпуса резца выбираем углеродистую сталь 50 с σ=650 мПа (≈65 кгс/) и допустимым напряжением на изгиб =200 мПа (≈20 кгс/).

.Главная составляющая силы резания Pz, кгс/:

Pz=10*** (3.12)

где, , x,  - эмпирические коэффициент и показатели степени, приведённые в табл.15;- глубина резания (при отрезании, прорезании и фасонном точении - длина лезвия резца), мм;- поправочный коэффициент, учитывающий фактические условия резания. Численные значения этих коэффициентов приведены в табл. 13 и 16.

Определим главную составляющую силы резания по формуле 58:

Pz=10*300*2**1=409 кгс/

.При условии, что h≈1,6b, то ширина прямоугольного сечения корпуса резца:

b= (3.13)

b==9,8 мм

Принимаем ближнее большее сечение b≈10 мм

h=1,6b

h=1,6*10=16 мм

Принимаем h=16 мм.

.Проверим прочность и жёсткость резца: Максимальная нагрузка, допускаемая прочностью резца Pzдоп, кгс/:

Pzдоп.= (3.14)

цапфа прокат штамповка

Pzдоп.==426 кгс/

Максимальная нагрузка, допускаемая жёсткостью резца Pzжёст., кгс/:

 Pzжёст.= (3.15)

где, f=0,1*(≈0,1 кгс/) - допускаемая стрела прогиба резца;

Е=20000 кгс/ - модуль упругости материала корпуса резца;

J - момент инерции прямоугольного сечения корпуса резца, :

J= (3.16)

J==3400

Рассчитаем максимальную нагрузку, допускаемой жесткостью резца по формуле 3.14:

Pzжёст.==2550 кгс/

Резец обладает прочность и жёсткостью, так как:

Pzдоп.>Pz<Pzжёст.

>409<2550

.Конструктивные размеры резца берём по СТСЭВ100 - 75. Общая длина резца L=180 мм; расстояние от вершины резца до боковой поверхности в направлении лезвия n=5 мм; радиус кривизны вершины лезвия резца r=10 мм; пластина из твёрдого сплава l=35 мм.

.Геометрические элементы лезвия резца выбираем по карте 18 справочника ([12], с. 188, 189).

.По ГОСТ 5688 - 61 принимаем: качество отделки (параметр шероховатости) передней и задней поверхности лезвия, резца и опорной поверхности корпуса, предельные отклонения габарит размеров резца.

Рисунок 3.3 - Канавочный резец

3.3 Описание и расчёт средства измерения

По СТ СЭВ 144-95 находим допуск IT=6 мкм и подсчитываем предельные отклонения: es=93, ei=71. Следовательно предельные размеры будут: Dmax=82,093 мм, Dmin=81,929 мм.

По таб. 1 для IT6 и интервала номинальных размеров 80 - 120 мм, находим данные (в мкм) для расчёта размеров калибров: z1=5;y1=4;d1=0;Н1=6;Нр=2,5.

Предельные размеры определяют по соответствующим формулам см. таб.2. Схема расположения полей допусков приведена на рис. 10.

В нашем случае наименьший размер проходного нового калибр-скобы:


ПРmin=82,093-0,005-=82,085 мм

Исполнительным размером калибра скобы ПР 82,085+0,006

Наибольший размер изношенного проходного калибр скобы:

ПРизн.=Dmax+Y1 (3.18)

ПРизн.=82,093+0,004=82,097 мм

Когда калибр ПР будет иметь этот размер его нужно будет изъять из эксплуатации.

Наименьший размер непроходного калибр скобы:

НЕmin=Dmin- (3.19)

НЕmin=81,929 -=81,926 мм

Исполнительный размер калибра скобы НЕ 81,926+0,006

Определим размеры контрольных калибров для рабочих калибров скоб предназначенных для вала 82s6.

По таб.1 для IT 6 и интервала номинальных размеров находим данные (в мкм) для расчёта размеров контркалибров: z1=5;y1=4;d1=0;Н1=6;Нр=2,5.

Предельные размеры контркалибров определяют по соответствующим формулам(см. таб.2)

В нашем случае:

К-ПРmax=Dmax- z1+ (3.20)

К-ПРmax=82,093-0,005+=82,08675≈82,088 мм

Исполнительный размер проходного контркалибра К-ПР 82,088-0,0025

Исполнительный размер непроходного контркалибра:

К-НЕmin=Dmin+ (3.21)

К-НЕmin=81,929+=82,930

Исполнительный размер контркалибра:

К-Н= Dmax- α1+ (3.22)

К-Н=82,093+=82,105-0,0025

Рисунок 3.4 - Схема расположения допусков

. Организационно-экономический раздел

Расчёт количества оборудования и его загрузки

Годовая трудоёмкость работ механического участка составляет 83400 н.ч. Маршрут обработки детали «Цапфа», № чертежа 5621.92.207 состоит из следующих операций:

Фрезерно-центровальная - 5%

Токарная черновая - 10%

Токарная программная - 10%

Токарная программная - 11%

Круглошлифовальная - 11%

Фрезерная - 20%

Дополнительно:

Расточная - 5%

Зубофрезерная - 8%

Сверлильная - 11%

Протяжная - 5%

Прочие операции - 4%

Итого: 100%

Для расчёта загрузки участка необходимо рассчитать количество оборудования, для этого определим трудоёмкость работ по каждой операции по формуле:

Топер.=Тшт.к.×%, н. - ч. (4.1)

где, % - процент работ в общей сумме работ

Тфрез.-центр.=83400×0,05=4170 н. - ч.

Тток.=83400×0,31=25854 н. - ч.

Тшлиф.=83400×0,11=9174 н. - ч.

Тфрез.=83400×0,20=16680 н. - ч.

Траст.=83400×0,05=4170 н. - ч.

Тзуб.=83400×0,08=6672 н. - ч.

Тсверл.=83400×0,11=9174 н. - ч.

Тпротяж.=83400×0,05=4170 н. - ч.

Тпроч.оп.=83400×0,04=3336 н. - ч.

Итого: 83400 н. - ч.

Рассчитаем количество оборудования по операциям по формуле:

Ср=Топер./(Тn×Kв), ед. (4.2)

где, Тn - полезный фонд времени работы оборудования, при 2-сменном рабочем дне принимаем 3850 н. ч.;

Кв - коэффициент выполнения норм 1,1…1,2, принимаем 1,2.

Ср фрез.-центр.=4170/(3850×1,2)=0,9 Спр=1

Ср ток..=25854/(3850×1,2)=5,6 Спр=6

Ср шлиф.=9174/3850×1,2=1,9 Спр=2

Ср фрез.=16680/3850×1,2=3,6 Спр=4

Ср раст.=4170/3850×1,2=0,9 Спр=1

Ср зуб.=6672/3850×1,2=1,4 Спр=2

Ср сверл.=9174/(3850×1,2)=1,9 Спр=2

Ср протяж.=4170/3850×1,2=0,9 Спр=1

Ср проч.оп.=3336/3850×1,2=0,7 Спр=1

Определим коэффициент загрузки оборудования по формуле:

Кз.о.=Ср/Спр≤1 (4.3)

где, Спр - принятое количество оборудования;

Кз.о.фрез.-центр.=0,9/1=0,90

Кз.о.ток.=5,6/6=0,93

Кз.о.шлиф.=1,9/2=0,95

Кз.о.фрез.=3,6/4=0,90

Кз.о.раст.=0,9/1=0,90

Кз.о.зуб.=1,4/2=0,70

Кз.о.сверл.=1,9/2=0,95

Кз.о.протяж.=0,9/1=0,90

Кз.о.проч.оп.=0,7/1=0,70

Определим средний коэффициент загрузки по формуле:

Кз.ср.=∑Ср/∑Спр≤1 (4.4)

Кз.ср.= = =0,89

Расчёт коэффициента загрузки оборудования показан в сводной таблице 4.1:

Таблица 4.1 - Расчёт коэффициента загрузки оборудования

Наименование операций

Расчётное количество, ед.

Принимаемое количество, ед.

Коэффициент загрузки

1

2

3

4

Фрезерно-центровальная

0,9

1

0,90

Токарная

5,6

6

0,93

Круглошлифовальная

1,9

2

0,95

Фрезерная

3,6

4

0,90

Расточная

0,9

1

0,90

Зубофрезерная

1,4

2

0,70

Протяжная

1,9

1

0,95

Сверлильная

0,9

2

0,90

Прочие операции

0,7

1

0,70

Итого:

17,8

20

0,89

Построим график загрузки оборудования, рис. 4.1:

Рисунок 4.1 - График загрузки оборудования

Расчёт площади участка и планировка оборудования

Общая площадь участка рассчитывается по формуле, м2:

Робщ.=Рпр.+Рвсп. (4.5)

где, Рпр. - производственная площадь, м2

Производственная площадь участка рассчитывается по формуле:

Рпр.=(а×в+Рдоп.)×Спр (4.6)

где, а, в - габаритные размеры оборудования, м2;

Рдоп. - дополнительная площадь на проходы, Рдоп.=10 м2;

Спр - принятое количество оборудования данной модели

Рпр МР-71=(3,140×1,630+10) ×1=15,12 м2

Рпр 16К20=(2,505×1,198+10) ×3=39,00 м2

Рпр 16К20Т1=(3,080×1,700+10) ×3=45,70 м2

Рпр 3М151=(3,100×2,100+10) ×2=33,02 м2

Рпр 6Д92=(1,995×1,115+10) ×2=24,45 м2

Рпр 6Р80=(1,525×1,875+10) ×2=25,72 м2

Рпр 2М614=(4,330×2,715+10) ×1=21,76 м2

Рпр 53А10=(1,300×0,980+10) ×2=22,55 м2

Рпр 7Б75=(3,600×1,260+10) ×1=14,54 м2

Рпр2Н135=(1,030×0,835+10) ×2=21,72 м2

Рпр 7А311=(1,380×0,800+10) ×1=11,10 м2

Рассчитаем общую площадь участка по формуле 4.5:

Рпр.общ.=15,12+39,00+45,70+33,02+24,45+25,72+21,76+22,55+14,54+21,72+11,10=274,68 м2

Общая вспомогательная площадь включает:

.Склад заготовок и готовых деталей 15% от производственной площади

Рсклад.=0,15×274,68=41,20 м2

2.Инструментальная раздаточная кладовая 0,65 м2 на один станок

Ринструм.=0,65×20=13 м2

3.Служебное помещение - 12 м2

4.Контрольное отделение 5% от производственной площади

Рконтр.отд.=0,05×274,68=13,73 м2

Общая вспомогательная площадь

Рвсп.=41,20+13+12+13,73=79,93 м2

Общая площадь участка, Робщ.:

Робщ.=274,68+79,93=354,61 м2

Расчётная длина участка Lр рассчитывается по формуле, м:

Lр=Робщ./В (4.7)

где, В - ширина участка, по нормативам составляет 18 или 24 м

Принимаем 18 м

Lр=354,61/18=19,70 м

Принятая длина участка должна быть кратка шагу колон. Шаг колон 6 м.

Принятая длина участка Lр=24 м

Объём здания рассчитывается по формуле, м3:

V=Lp×B×H (4.8)

где, Н - высота здания по нормативам составляет 9 - 12 м, принимаем 10 м.

V=18×24×10=4320 м3

Стоимость одного м3 строительных работ здания принимаем в размере 5000 рублей

Общая стоимость здания рассчитывается по формуле 1.10:

Ст. зд.=V×5000, руб. (4.9)

Ст.зд.=4320×5000=21600000 руб.

Расчёт численности работающих

Численность основных и производственных рабочих рассчитывается по формуле, чел.:

Кр=Т/(Fg×Кв) (4.10)

где, Fg - действительный фонд времени 1 работающего, принимаем 1850 ч/год.

Кр фрез.-центр.=4170/1850×1,2=1,9≈2 чел.

Кр ток.=25854/1850×1,2=11,6≈12 чел.

Кр шлиф.=9174/1850×1,2=4,1≈5 чел.

Кр фрез.=16680/1850×1,2=7,5≈8 чел.

Кр раст.=4170/1850×1,2=1,9≈2 чел.

Кр зубофрез.=6672/1850×1,2=3 чел.

Кр свер.=9174/1850×1,2=4,1≈5 чел.

Кр протяж.=4170/1850×1,2=1,9≈2 чел.

Кр прочие.=3336/1850×1,2=1,5≈2 чел.

Общая численность основных рабочих составляет:

Кр общ.=2+12+5+8+2+3+5+2+2=41 чел.

Численность вспомогательных рабочих планируется в размере 20% от общей численности основных рабочих, чел.:

Кр всп.=% × Кр (4.11)

Кр=0,2×41=8.2≈9 чел.

К вспомогательным рабочим участка относят:

Слесари по ремонту оборудования - 4 чел.

Наладчики оборудования - 3 чел.

Крановщики - 1 чел.

Контролеры - 1 чел.

Численность инженерно-технических работников зависит от числа смен. Так как предприятие работает в 2 смены, принимаем 2 мастера.

Численность младшего обслуживающего персонала планируется в размере 2% от общей численности работающих, чел.:

МОП=2%×Кр (4.12)

МОП=0,02×50≈2 чел.

Составляется сводная ведомость работающих:

Таблица4.3 - Сводная ведомость работающих

Категория работающих

Численность

По сменам

В % к общей численности



I

II


1

2

3

4

5

1.Основные рабочие

41

24

17

75,93

2.Вспомогательные рабочие

9

5

4

16,67

3.ИТР

2

1

1

3,70

4.МОП

2

1

1

3,70

ИТОГО:

54

31

23

100


Для распределения рабочих по разрядам и сменам составляется таблица 4.4:

Организация рабочих мест и многостаночное обслуживание

Рабочее место - это зона нахождения работника и приложение его труда.

Рабочая зона определяется на основе технологичных и энергомичных нормативов и оснащены различным оборудованием.

В зависимости от производственного процесса и характера выполненных работ, рабочее место подразделяется на:

Простое;

.Многостаночное;

.Коллективное;

.Стационарное:

.Подвижное;

.Пространственное.

Простым называется рабочее место, где один работник обслуживает один станок.

Многостаночное рабочее место предполагает обслуживание одним работником одновременно нескольких агрегатов.

Коллективные рабочие места характерны для химической промышленности, нефтехимической, металлургической и ряде подотраслей пищевой промышленности, а также крупных транспортных средств.

Стационарные рабочие места неподвижны, располагаются на закреплённой производственной площади и оснащаются стационарными средствами труда (машинами, механизмами, инструментами). Предметы труда подаются непосредственно к рабочему месту.

Подвижные рабочие места не имеют закрепленных за ними производственных площадей, а сами продвигаются к месту расположения предметов труда.

Свободное рабочее место - это рабочая зона, в которой данная категория работников может свободно использовать любую точку территории предприятия для выполнения возложенных обязанностей.

Численность и профессиональный состав персонала регламентируется количеством и характером рабочих мест на предприятии. Наличие рабочих мест, строго учитывается и постоянно регулируется.

Факторы и производственные связи между отдельными рабочими местами, бригадами, участками, на основе которых происходит их объединение. Это единообразие обрабатываемых изделий сходство технологии обработки продукции или близость территории, на которой размещены рабочие места.

Рисунок 1.2 - Схема рабочего места

Организация обслуживания производства и техники безопасности

Под типом организации производства понимают комплексную характеристику особенностей организации и технического уровня промышленного производства. На тип организации производства оказывает влияние ряд факторов: уровень специализации; масштабность производства; сложность и устойчивость изготовляемой номенклатуры изделий, обусловленной размерами и повторяемостью выпуска. Различают три основных типа производства: единичное, серийное, массовое.

Единичное производство предусматривает штучный выпуск изделий разнообразной и непостоянной номенклатуры ограниченного потребления.

Важнейшие особенности этого типа производства:

многономенклатурность выпускаемой продукции, зачастую не повторяющейся;

организация рабочих мест по технологической специализации; отсутствие возможности закрепления постоянной номенклатуры деталей, узлов и агрегатов, сборочных и монтажных операций за рабочими;

использование универсального оборудования и технологической оснастки;

наличие большого объема ручных сборочных и доводочных операций;

преимущественная численность высококвалифицированных рабочих-универсалов, занятых в производственном процессе; большая длительность производственного цикла;

значительная величина незавершенного производства; децентрализация оперативно-производственного планирования и руководства производством;

нецелесообразность автоматизации процессов контроля качества изделий;

невозможность использования статистических методов в управлении качеством продукции; относительно большие затраты живого труда.

Серийное производство предусматривает одновременное изготовление сериями широкой номенклатуры однородной продукции, выпуск которой повторяется в течение продолжительного времени. Под серией понимается выпуск ряда конструктивно одинаковых изделий, запускаемых в производство партиями, одновременно или последовательно, непрерывно в течение планового периода.

Основные особенности организации серийного производственного процесса:

постоянство относительно большой номенклатуры повторяющейся продукции, изготовляемой в значительных количествах;

специализация рабочих мест для выполнения нескольких закрепленных операций;

периодичность изготовления изделий сериями, обработка деталей партиями;

преобладание специального и специализированного оборудования и технологического оснащения;

наличие незначительного объема ручных сборочных и доводочных операций;

преимущественная численность рабочих средней квалификации; незначительная длительность производственного цикла;

централизация оперативно-производственного планирования и руководства производством;

автоматизация контроля качества изготовляемой продукции; применение статистических методов управления качеством продукции;

унификация конструкций деталей и изделий, типизация технологических процессов и оснастки.

В зависимости от количества одновременно изготовляемых изделий в серии различают мелкосерийное, среднесерийное и крупносерийное производства..

Массовое производство характеризуется непрерывностью и относительно длительным периодом изготовления ограниченной номенклатуры однородной продукции в больших количествах. К предприятиям с массовым выпуском продукции можно отнести, например, автомобильные, тракторные заводы, заводы автомобильного, тракторного и сельскохозяйственного машиностроения.

Массовое производство - высшая форма специализации производства, позволяющей сосредоточивать на предприятии выпуск одного или нескольких типоразмеров одноименных изделий. При этом типе организации производства различные изделия выпускаются одновременно и, как правило, непрерывно. Непременным условием массового производства является высокий уровень стандартизации и унификации при конструировании деталей, узлов и агрегатов.

Организации массового производства присущи следующие особенности:

строго установленный выпуск небольшой номенклатуры изделий в огромном количестве;

специализация рабочих мест для выполнения, как правило, одной закрепленной операции; расположение рабочих мест в порядке следования операций;

большой удельный вес специального и специализированного оборудования и технологического оснащения;

высокий процент комплексно-механизированных, автоматизированных технологических процессов;

минимальное подготовительно-заключительное время на операции;

резкое сокращение объема ручных сборочных и доводочных работ; высокая степень загрузки рабочих мест;

применение труда рабочих невысокой квалификации, выполняющих закрепленную за каждым из них одну операцию;

минимальная длительность производственного цикла по сравнению с серийным производством;

централизация управления и планирования производства;

непрерывная дистанционная диспетчеризация производства;

внедрение автоматизированных систем управления предприятием (АСУП);

высокий уровень автоматизации контроля качества изделий; широкое применение статистических методов управления качеством продукции.

Правильное размещение оборудования является основным звеном в организации безопасной работы производственного участка и цеха. При размещении оборудования необходимо соблюдать установленные минимальные разрывы между станками, между станками и отдельными элементами здания, правильно определять ширину проходов и проездов. Невыполнение правил и норм размещения оборудования приводит к загромождению помещений и травматизму.

Расположение оборудования на площади цеха или участка определяется в основном технологическим процессом и местными условиями.

При автоматизированном производстве (комплексные автоматические заводы или цеха, автоматические линии, поточное производство) оборудование размещается по ходу технологического процесса в единую цепочку с соблюдением расстояний между оборудованием и конструктивными элементами здания. На автоматических и поточных линиях большой протяженности для перехода с одной стороны линии на другую устраивают переходные мостики.

При многостаночном обслуживании оборудование располагают с учетом максимально возможного сокращения расстояний между рабочими местами. Если по условиям технологического процесса необходимо предусмотреть стеллажи или столы для заготовок и готовых изделий, то для этого отводится дополнительная площадь в соответствии с особенностями производства.


Не нашли материал для своей работы?
Поможем написать уникальную работу
Без плагиата!
Без нейросетей!