Деталь 'Корпус'

  • Вид работы:
    Отчет по практике
  • Предмет:
    Другое
  • Язык:
    Русский
    ,
    Формат файла:
    MS Word
    398,74 Кб
  • Опубликовано:
    2014-10-27
Вы можете узнать стоимость помощи в написании студенческой работы.
Помощь в написании работы, которую точно примут!

Деталь 'Корпус'

ВВЕДЕНИЕ

СП ОАО "Брестгазоаппарат" - белорусско-российское совместное предприятие. Создано в форме открытого акционерного общества в 2000 году и является правопреемником прав и функций Белорусского открытого акционерного общества «Брестгазоаппарат», созданного по решению учредительного собрания от 8 июня 1994 года.

СП ОАО "Брестгазоаппарат"- ведущий производитель газовых и электрических плит в СНГ. Брестские плиты хорошо известны хозяйкам от Таллинна до Чукотки. Уже более 50 лет завод в Бресте работает на рынке кухонной ”белой” техники. За это время предприятие выработало свою стратегию успеха. Основное положение - обеспечение качества изготовления и разработка стильного внешнего вида. Именно это позволило с честью заявить: сегодня около 20 миллионов брестских плит украшают кухни во всех уголках СНГ. Этому способствует неуклонный контроль качества по системе ISO 9001 и гарантийные обязательства предприятия. Оригинальные конструкторские решения - это 89 модификаций на 14 моделях газовых и электрических плит.

Основа продукции СП ОАО «Брестгазоаппарат» - бытовое газовое и сопутствующее кухонное оборудование: газовые, электрические и газоэлектрические плиты <#"788249.files/image001.gif">

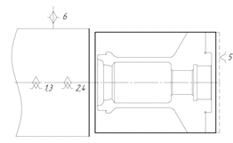
Рисунок 1.1 - Корпус 01242.00034

1.2 Анализ конструкции детали

Деталь имеет форму тела вращения максимальным диаметром84мм и длиной 94,5мм. В конструкции детали можно выделить следующие поверхности:

) Поверхность Æ50h7мм, торец Æ84мм и три отверстия Æ8,5мм - основные конструкторские базы, определяющие положение детали в приспособлении. Поверхностью Æ50h7мм, торцем Æ84мм цанга устанавливается в шпиндель станка, а отверстиями Æ8,5мм задается ее определенное положение.

) Поверхность Æ20H7мм и коническое отверстие с углом 20° и Æ30H7мм - вспомогательная конструкторская база детали. Поверхность Æ20H7мм служит в качестве направляющей для рычага, передающего усилие зажима. Коническое отверстие с углом 20° и Æ30H7мм служит для базирования в ней конической втулки, соединенной с рычагом и передающей усилие зажима.

) Коническое отверстие с углом 20° и Æ30H7мм; коническая поверхностьÆ47мм с уклоном3° с пазами и выборками и прилегающий к ней торец Æ51мм - исполнительные поверхности. Коническое отверстие с углом 20° и Æ30H7мм предназначено для передачи усилия зажима от конической втулки. Коническая поверхность Æ47мм с углом конуса 3° и прилегающий к ней торец Æ51мм предназначены для установки и закрепления обрабатываемой детали.

Остальные поверхности являются свободными.

В конструкции детали предусмотрены канавки между поверхностями Æ50h7мм и Æ84мм, Æ47мм и Æ51мм. Они предназначены для выхода шлифовального круга при обработке.

На исполнительной коническая поверхности Æ47мм с уклоном 3° предусмотрено сетчатое рифление 1,0 ГОСТ 21474-75, предназначенное для надежного закрепления обрабатываемой детали.

1.3 Анализ технических условий изготовления детали

Поверхность детали Æ50мм выполняется по 7 квалитету точности с основным отклонением h. В данном случае такое поле допуска позволяет быстро и с высокой точностью установить деталь в посадочное отверстие шпинделя. Цанга устанавливается в шпиндель до упора в торец Æ84мм. Данные поверхности определяют положение цанги в шпинделе и, поэтому к ним предъявляются высокие требования точности и шероховатости (Ra 0,8).

Коническая поверхность Æ47мм с углом 3° выполняется по 10 квалитету точности. Вместе с прилегающим торцем Æ51мм, данные поверхности служат для установки и закрепления обрабатываемой детали. Поэтому для плотной и надежной фиксации обрабатываемой детали данные поверхности выполняются с шероховатостью Ra 0,8 и радиальным биением не более 0,02 мм.

Отверстие Æ20ммвыполняется по 7 квалитету точности с основным отклонением H.В данном случае такое поле допуска обеспечивает точное центрирование подвижного соединения. Шероховатость поверхности Ra 0,8.

Коническое отверстие Æ30мм с углом 20° выполняется по 7 квалитету точности с основным отклонением H. Данная поверхности служит сопряжения с конической втулкой, передающей усилие зажима. Поэтому для плотного и надежного контакта данная поверхность выполняются с шероховатостью Ra 0,8 и радиальным биением не более 0,02 мм.

Деталь подвергается термической обработке - закалка до твердости HRC42...48.

Требования к точности остальных поверхностей 14 квалитет, требования шероховатости Ra 3,2.

В целом можно сделать вывод, что требования к точности поверхностей детали "Цанга" соответствует условиям ее работы.

1.4 Характеристика материала детали

Деталь «Цанга 7146-4404А» изготавливают из стали 65Г ГОСТ 14959-79. Данная сталь применяется для изготовления таких деталей как пружины, рессоры, упорные шайбы, тормозные ленты, фрикционные диски, шестерни, фланцы, корпусы подшипников, зажимные и подающие цанги и другие детали, к которым предъявляются требования повышенной износостойкости, и детали, работающие без ударных нагрузок. Материал-заменитель: сталь 51ХФА ГОСТ 14959-79 или 60С2А ГОСТ 14959-79.

Таблица 1.1 - Химический состав стали 65Г ГОСТ 14959-79

С, %

Сu, %

Si, %

Mn, %

Ni, %

Cr, %

S, %

P, %







не более

0,62-0,70

0,2

0,17…0,37

0,9…1,2

0,25

0,25

0,035

0,035


Таблица 1.2 - Свойства стали 65Г ГОСТ 14959-79

Материал

δ, %

Ψ, %

НВ

KCU,Дж/см2

g,кг/м3

l, Вт/(м×°С)

a×106,1/°С


МПа








Сталь65Г

785

980

8

30

240

49

7850

37

11,8


2. АНАЛИЗ ТЕХНОЛОГИЧНОСТИ КОНСТРУКЦИИ ДЕТАЛИ

Деталь имеет простую форму, что позволяет рассматривать в качестве методов получения исходных заготовок как отрезку от проката круглого сечения, так и различных методов пластического деформирования металла в нагретом состоянии. При этом нет необходимости использовать сложные разъемы штампа. Получение отверстий в штамповках не представляется возможным ввиду их малого диаметра.

Деталь имеет поверхности удобные для базирования закрепления при установке на станках в процессе обработки. В качестве технологических баз могут быть использованы наружные цилиндрические поверхности Æ50мм, Æ84мм, отверстие Æ20мм, торцы детали.

Материал детали - конструкционная легированная пружинно-рессорная сталь 65Г хорошо обрабатывается резанием (коэффициент обрабатываемости 0,85). Так как детали, изготавливаемые из данного материала, работают без ударных нагрузок и к ним предъявляются требования повышенной износостойкости, то в качестве термообработки наиболее часто применяют закалку и отпуск.

Большинство поверхностей детали доступны для обработки на станках и непосредственного измерения. В конструкции отсутствуют сложные контурные обрабатываемые поверхности, нет мест резких изменений формы, концентраторов напряжений, поэтому применение специальных приспособлений не требуется. При обработке детали нет необходимости применять специальный режущий инструмент. Все поверхности и конструктивные элементы цанги могут быть обработаны стандартным инструментом (резцами, фрезами, сверлами и т.д.).

Перед сверлении трех отверстий Æ8,5мм, необходимо произвести зацентровку, так как в случае сверления отверстия в образующей конической поверхности возможен увод сверла.

Деталь жесткая, возможно применение высокопроизводительных методов обработки. Отношение длины к диаметру не превышает 3.

В целом конструкцию детали «Цанга 7146-4404А» можно считать достаточно технологичной.

3. ПОЛУЧЕНИЕ ЗАГОТОВОК

В качестве заготовки детали "Цанга" используется круглый прокат:


Использование проката обусловлено тем, что количество изготавливаемых деталей - 2 штуки. В данных условиях нет необходимости применять дорогостоящие методы получения заготовок. Поэтому круглый прокат является наиболее рациональной заготовкой для изготовления детали "Цанга".

К недостаткам можно отнести следующее: большой объем металла переводится в стружку; высокая трудоемкость операций, связанных с удалением больших припусков и напусков.

4. ТЕХНОЛОГИЧЕСКИЕ ПРОЦЕССЫ МЕХАНИЧЕСКОЙ ОБРАБОТКИ

.1 Технологический процесс

Таблица 4.1 - Технологический процесс обработки цанги

Наименование и содержание операции

Оборудование

1

2

3

005

Заготовительная 1. Подрезать торец. 2. Обточить наружную поверхность в размер Æ84мм на длину94,5 мм с учетом припусков. 2. Отрезать заготовку, выдерживая размер 94,5 мм с учетом припусков.

Токарный 16К20

010

Токарная с ЧПУ Установ А 1. Подрезать торец. 2. Сверлить отверстие Æ18ммнапроход. 3. Черновое (многопроходное) и чистовое точение поверхности Æ50h7мм с подрезкой торца 82,5±0,02мм, оставляя припуск 0,6мм под шлифование. 4.Расточить отверстия Æ28мм с образованием фаски 0,5045°, выдерживая размер 10мм; отверстие Æ20H7мм начисто с припуском 0,4 под шлифование на глубину 40мм с образованием фаски 1045°. 5. Расточить канавку до Æ30мм, выдерживая размер 10мм. 6. Точить канавку П согласно чертежу. 7. Точить фаску 0,5045° на поверхности Æ50h7мм, точить фаску 0,3045° на поверхности Æ84мм. Установ Б 8. Подрезать торец, выдерживая размер 94,5мм, оставляя припуск под шлифование. 9. Черновое (многопроходное) точение поверхности Æ47±0,05мм, выдерживая размер 7±0,2мм, 82,5±0,02мм и уклон 3°±15', оставляя припуск на чистовую обработку; поверхностиÆ51мм; поверхностиÆ42мм, выдерживая размер 15мм, углы 45° и 120°, радиусы скругленийR5. 10. Чистовое точение поверхности Æ47±0,05мм, выдерживая размер 7±0,2мм, 82,5±0,02мм и уклон 3°±15', оставляя припуск 0,4мм на шлифование. 11. Черновое растачивание отверстия Æ38+0,5мм на глубину 5,2+0,3мм и радиусом скругленияR2±0,5мм с образованием фаски 0,5045°; отверстия Æ30H7 с углом конусности 20°, оставляя припуск на чистовую обработку; отверстия Æ34мм, выдерживая размер 14мм, 61мм, угол 120° и скруглениеR3мм; расточить фаску 1045°мм в отверстии Æ20H7мм. 12. Чистовое растачивание отверстия Æ30H7 с углом конусности 20°, оставляя припуск на шлифование. 13. Точить фаску 0,5045° на конический поверхности Æ47мм, точить фаску 0,3045° на поверхности Æ51мм. 14. Точить канавку Г согласно чертежу. 15. Выполнить 5 канавок глубиной 0,8мм вместо рифления.

Токарный с ЧПУ Gildemeister CTX 400

015

Координатно-расточная 1. Установить заготовкув делительную головку. 2. Фрезеровать 2 технологические лыски на Æ84мм. 3. Сверлить 3 отв. центр. А2 ГОСТ 14034-74. 4. Сверлить 3 отверстия Æ8,5мм. 5. Цековать 3 отверстия Æ13,5мм, выдерживая размер 13мм. 6. Фрезеровать 3 паза по размерам Æ5±0,1015°0R19,5±0,2 на глубину 7±0,2 мм., подфрезеровать паз по размеру 5,2+0,5мм, снять 6 фасок 1030°. Фрезеровать 2 выборки по размерам R19±0,5054°7'±10'015°0R2,5.

Координатно-расточной с ЧПУ Mikron VCE 600Pro

020

Термическая Закалка HRC 42...48


025

Круглошлифовальная Установ А 1. Шлифовать Æ50h7мм, торец Ж, Æ84мм как "чисто" убрав черноту и подготовив базу. Установ Б 2. Шлифовать конусную поверхность в размер Æ47±0,05мм, Æ52,85±0,05мм и 3°±15'.

Круглошлифовальный с ЧПУ StuderS33

030

Плоскошлифовальная Шлифовать в размер 94,5.

3Е710А

035

Координатно-расточная 1. Установить заготовку в делительную головку. 2. Фрезеровать 2 технологические лыски на Æ84мм как "чисто" подготовив базы.

Координатно-расточной с ЧПУ Mikron VCE 600Pro

040

Токарная с ЧПУ Подрезать торцы в размер 82,5±0,02мм, подправить фаски на Æ50h7мм, Æ84мм; переустановить, подправить фаски по виду Г.

Токарный с ЧПУ Gildemeister CTX 400

045

Внутришлифовальная 1. Установить в технологическую плиту 7146-4403А-Т01 (заказ 56606). 2. Шлифовать отверстие Æ20H7мм. 3. Шлифовать конус 20°±5', выдерживая Æ30H7.

Mikromat60 Sc

050

Термическая Отпуск


055

Электроэрозионная Резать 8 прорезей и 8 отв. Æ5мм за 4 установа.

Agie Cut 20P


Анализ технологического процесс обработки цанги.

Технологический процесс обработки цанги строится на том принципе, что каждая последующая операция уменьшает погрешность и увеличивает качество поверхности. При этом, чем точнее поверхность, тем позже она обрабатывается.

Операция 005 служит для подготовки черновые базы для последующей обработки (торец и наружная цилиндрическая поверхность), а так же на данной операции разрезают пруток на мерные заготовки.

На операции 010 максимально формируется контур детали. При этом снимается большой объем материала, что позволяет выявить внутренние дефекты заготовки; окончательно формируются свободные поверхности; подготавливаются чистовые базы. Последующие операции окончательно формируют контур детали, их параметры точности и шероховатости.

Операции 010 и 015 включают себя большое количество переходов и производятся на станках с ЧПУ, что увеличивает концентрацию операций, позволяет уменьшить количество необходимого оборудования и занимаемую им площадь. Данные станки позволяют обработать сложный контур, применяя при этом простые приспособления и стандартный режущий инструмент. Черновые и чистовые переходы совмещены в рамках данных операций, что обусловлено особенностью используемого оборудования.

В технологический процесс включены переходы по обработке технологических лысок, а так же шлифование поверхности Æ84мм. Данные переходы необходимы ввиду особенности применяемого приспособления на данном предприятии.

Окончательная обработка наиболее точных поверхностей производится на шлифовальных станках с ЧПУ. Конструкция данных станков позволяет обработать на них несколько поверхностей.

Получение 8 прорезейна последней операции обусловлено тем, что они препятствуют обработке и контролю некоторых поверхностей.

Таблица 4.2 - Технологические возможности применяемого оборудования

№ операции

Модель станка

Предельные или наибольшие размеры обрабатываемой заготовки, мм



Диаметр (ширина) d (b)

Длина L

Высота h

005

16К20

400

1000

-

010

GildemeisterCTX 400

570

635

-

015

MicronVCE 600 Pro

600

500

540

025

StuderS33

350

650

-

030

3Е710А

125

400

-

045

Mikromat60Sc

1000

800

550

055

AgieCut 20P

900

680

250


4.2 Базирование заготовок при обработке

Операция 005. Базирование осуществляется по двойной направляющей базе в трехкулачковом самоцентрирующем патроне с выверкой по линейке.

Операция 010. Базирование осуществляется по установочной и двойной упорной базе в трехкулачковом самоцентрирующем патроне.

Рисунок 4.1 - Базирование на операции 005

Рисунок 4.2 - Базирование на операции 010

Операция 015. Базирование осуществляется по установочной и двойной упорной базе в делительной головке, оснащенной трехкулачковым самоцентрирующим патроном.

Рисунок 4.3 - Базирование на операции 015

Операция 025. Базирование осуществляется по установочной и двойной упорной базе в трехкулачковом самоцентрирующем патроне.

Рисунок 4.4 - Базирование на операции 025

Операция 030. Базирование осуществляется по установочной базе на магнитной плите.

Рисунок 4.5 - Базирование на операции 030

Операция 035. Базирование аналогично операции 015.

Операция 040. Базирование аналогично операции 010.

Операция 045. Базирование осуществляется по установочной (торец Æ84мм), направляющей и упорной базе (технологические лыски) в технологическую.

Рисунок 4.6 - Базирование на операции 045

Операция 055. Базирование осуществляется по установочной и двойной упорной базе в делительной головке, оснащенной трехкулачковым самоцентрирующим патроном.

Рисунок 4.6 - Базирование на операции 055

5. РЕЖУЩИЙ, ВСПОМОГАТЕЛЬНЫЙ ИНСТРУМЕНТ И ПРИСПОСОБЛЕНИЯ

Таблица 5.1 - Режущий инструмент

№ операции

Наименование инструмента

Вид инструмента

Материал режущей части

Стойкость, мин

СОЖ

005

Резец проходной DCLNR 2525 M 12

Стандартный

Т5К10

60

Blasocut 2000 Universal


Резец отрезной XLCFN 3204 M 5.00

Стандартный


60


010

Резец проходной PCLNL 2525 M 12

Стандартный

Т5К10

60

Blasocut 2000 Universal


Резец контурный PDJNL 2525 M 15

Стандартный

Т30К4

60



Резец расточной A12K-SDUCL 07

Стандартный

Т15К6

60



Резец для наружных канавок GHMUL 25

Стандартный

Т15К6

60



Резец для внутренних канавок A20R-GGFL 0313

Стандартный

Т15К6

60



СверлоÆ18мм DCM 180-144-25A-8D

Стандартный

Т15К6

45


015

Фреза концевая HM90 E90A-D30-4-C32

Стандартный

Т15К6

60

Blasocut 2000 Universal


Сверло центровочное А2 ГОСТ 14952-75

Стандартный

Р6М5

6



СверлоÆ8,5мм DCM 085-042-12A-5D

Стандартный

Т15К6

25



ЦековкаÆ13,5мм 2350-0706 ГОСТ 26258-87

Стандартный

Р6М5

30



Фреза концевая ECR-B4M 05-10C06-57

Стандартный

Т15К6

60


025

Шлифовальный круг 1-N-5000630203 25А 10-П С1 6 К6 50м/с Акл. ГОСТ2424-83

Стандартный

Электрокорунд белый

-

Blasogrind HC 5


Шлифовальный круг 1 5000630203 25А 10П С28 К6 50м/с Акл. ГОСТ2424-83

Стандартный

Электрокорунд белый



030

Шлифовальный круг 1 200032046 25А 10П С28 К6 35м/с Акл. ГОСТ2424-83

Стандартный

Электрокорунд белый

-

Blasogrind HC 5

045

Шлифовальная головка AW16020 24А 10П СТ1 6 К6 35м/с А кл.ГОСТ 2447-82

Стандартный

Электрокорунд белый

-

Blasogrind HC 5


Шлифовальная головка KW18020 24А 10П СТ1 6 К6 35м/с А кл.ГОСТ 2447-82

Стандартный





Таблица 5.2 - Вспомогательный инструмент

№ операции

Наименование инструмента

Вид инструмента

010

Резцедержатель VDI40 B5 25016030 (4 шт.)

Стандартный


Держатель для расточных резцовVDI40E2 40012

Стандартный


Держатель для расточных резцовVDI40E2 40020

Стандартный


Держатель для сверл VDI40 E2 40025

Стандартный

015

Патрон для концевых фрез по DIN1835 Форма B BT40 EM 320110

Стандартный


Цанговый патрон ER BT40 ER25060 B

Стандартный


Переходник к конусу Морзе BT40 MT2060

Стандартный


Патрон для концевых фрез по DIN1835 Форма B BT40 EM 6050

Стандартный


Таблица 5.3 - Установочно-зажимные приспособления

№ операции

Название приспособления

Вид приспособления

Привод приспособления

005

Патрон 7100-0033 ГОСТ 2675-80

УБП

ручной

010

Патрон DIN 6353 - B30160

УБП

ручной

015

Делительная головка 7036-0062 ГОСТ 8615-89

УБП

ручной

025

Патрон 7100-0033-П ГОСТ 2675-80

УБП

ручной

030

Плита магнитная 7208-0001 ДП ГОСТ 16528-87

УБП

электрический

045

Технологическая плита 7146-4403А-Т01

УСП

ручной

055

Делительная головка 7036-0062 ГОСТ 8615-89

УБП

ручной

В данном техпроцессе на всех операциях применяется стандартный режущий и вспомогательный инструмент, а так же стандартные приспособления. Это позволяет быстро переналаживать оборудование на обработку других деталей.

Учитывая тип производства, способ организации производства, а также анализируя данные таблиц можно сделать вывод, что применяемые режущий, вспомогательный инструмент и приспособления соответствует требованиям технологического процесса.

6. МЕХАНИЗАЦИЯ И АВТОМАТИЗАЦИЯ ТЕХНОЛОГИЧЕСКИХПРОЦЕССОВ

Таблица 6.1 - Характеристика механизации и автоматизации технологического процесса

№ операции

Модель станка

Управление циклом станка

Способ загрузки заготовок

Вид межоперационного транспорта

005

16К20

Ручной

Ручной

Ручной

010

GildemeisterCTX 400

ЧПУ

Ручной

015

MicronVCE 600 Pro

ЧПУ

Ручной

Ручной

025

StuderS33

ЧПУ

Ручной

Ручной

030

3Е710А

Мех.

Ручной

Ручной

045

Mikromat60Sc

ЧПУ

Ручной

Ручной

055

AgieCut 20P

ЧПУ

Ручной

Ручной


Анализируя данные таблицы 6.1, можно сделать вывод, что управление оборудованием автоматизировано, а перемещение и загрузка деталей производится вручную.

Автоматическое управление циклом большинства станков позволяет значительно сократить время основных и вспомогательных ходов, а также упростить расчёт этих составляющих времени; повысить производительность оборудования при заданной точности.

7. САПР И ВЫЧИСЛИТЕЛЬНАЯ ТЕХНИКА

На предприятии СП ОАО «Брестгазоаппарат» внедрена система АСУП, предназначенная для эксплуатации службами завода по следующим подсистемам задач:) подсистема “Бухгалтерский учет и финансовые расчеты”;

б) подсистема “Маркетинг, центр-сервис и управление сбытом готовой продукции”;

в) подсистема “Оперативное управление основным производством”;

г) подсистема “Техническая подготовка производства”;

д) подсистема “Учет труда, кадров и заработанной платы, пропускного режима”;

е) подсистема “Управление материально-техническим снабжением”;

ж) подсистема “Учет по серийным номерам”;

з) “База данных и система управления ими”;

и) “Управление потоком работ”;

к) “Электронный документооборот”;

л) “Программные средства общего назначения - редакторы и электронные таблицы”.

На предприятии внедрен так называемый сквозной САПР. Главная задача сквозного автоматизированного проектирования - проектирование и изготовление оснастки, возможность как можно быстрее уходить от ручного проектирования бумажной конструкторской документации, переходить к электронному проектированию, что резко сокращает сроки изготовления штампов и пресс-форм. Проектирования осуществляется с помощью таких систем, как “Delcam”, которая разделяется в свою очередь на систему CAD (проектирование изделия и оснастки) и систему CAM (изготовление штампов, пресс-форм); ГеММа - Центрального аэрогидродинамического института (ЦАГИ) (Россия), позволяет моделировать сложные геометрические объекты и УП для их обработки; “Euclid”, разработанной французской фирмой “MatraDtv”.Так же используется систем для создания УП - “PowerMill” английской фирмы “Delcam” и система для создания поверхностей - “PowerShape”. Кроме того, внедряется система так называемого реверсного инжиниринга - сканирование и воссоздание сложных поверхностей с помощью специальных устройств и программных средств фирмы “Delcam”.

В КБ завода используют программы для автоматизированного черчения -“AutoCAD”.и “Компас”.

Сейчас все технические службы завода работают в одной сети.

8. СТАНДАРТИЗАЦИЯ И КОНТРОЛЬ КАЧЕСТВА ИЗДЕЛИЯ

При контроле качества детали "Цанга" 7146-4404А применяются стандартные средства измерения. Это обусловлено малым количеством изготавливаемых деталей, что не требует применения специальных контрольных приспособлений и измерительных устройств.

Контроль таких параметров детали, как радиальное биение производится непосредственно на оборудовании, выполняющем финишную обработку поверхностей с данным контролируемым параметром. При этом измерения могут, проводятся либо специальными устройствами - щупами, либо на оборудование устанавливается штатив с индикатором.

В качестве измерительных средств используют:

) Штангенциркуль ШЦЦ-I-125-0,01 ГОСТ 166-89;

) Микрометр МК50-1 ГОСТ 6507-90;

) Нутромер НИ 18-50-1 ГОСТ 868-82;

) Индикатор ИЧ02 кл. 0 ГОСТ 577-68.

Измерение конической поверхности Æ47±0,05мм с уклоном 3° производится при помощи калибра - Шарик 3-3 ГОСТ 3722-81. При этом контролируется размер 52,85±0,05мм.

9. ОРГАНИЗАЦИЯ ПРОИЗВОДСТВА

Автоматизированная система управления производством (АСУП) на предприятии СП ОАО "Брестгазоаппарат".

Отдел автоматизированной системы управления производством (ОАСУП) является структурным подразделением СП ОАО «Брестгазоаппарат». ОАСУП возглавляет начальник отдела, который подчиняется заместителю генерального директора по экономике и финансам.

деталь корпус стандартизация цанга

Рисунок 9.1 - Структура ОАСУП

Задачи ОАСУП:

) Разработка, внедрение на предприятии программного обеспечения.

) Поддержание программного обеспечения в актуальном состоянии.

) Обеспечение подразделений завода средствами вычислительной техники, периферийных устройств, копировальной техники и оргтехники.

) Обслуживание средств вычислительной техники, периферийных устройств, копировальной техники и оргтехники для обеспечения ритмичной работы пользователей по использованию данных средств.

) Ремонт средств вычислительной техники, периферийных устройств, копировальной техники и оргтехники при необходимости.

Функции ОАСУП:

) Разработка и внедрение на предприятии программного обеспечения, предназначенного для эксплуатации службами завода по следующим подсистемам задач:) подсистема “Бухгалтерский учет и финансовые расчеты”;

б) подсистема “Маркетинг, центр-сервис и управление сбытом готовой продукции”;

в) подсистема “Оперативное управление основным производством”;

г) подсистема “Техническая подготовка производства”;

д) подсистема “Учет труда, кадров и заработанной платы, пропускного режима”;

е) подсистема “Управление материально- техническим снабжением”;

ж) подсистема “Учет по серийным номерам”;

з) “База данных и система управления ими”;

и) “Управление потоком работ”;

к) “Электронный документооборот”;

л) “Программные средства общего назначения - редакторы и электронные таблицы”

) Поддержание в актуальном состоянии программного обеспечения.

) Анализ программного обеспечения разработки сторонних организаций и представление руководству информации, проектов договоров для принятия решения по использованию данного программного обеспечения на СП ОАО «Брестгазоаппарат» (при необходимости).

) Эксплуатация программного обеспечения.

) Укомплектование служб завода средствами вычислительной, множительной и оргтехники, периферийными устройствами, в т.ч. установка, подключение, настройка оборудования, в основном по решению компьютерной комиссии.

) Обслуживание и обеспечение ритмичной работы персональной компьютерной техники, принтеров, сканеров, копировальной техники, устройств локальной вычислительной сети, других устройств, используемых в комплексе с вычислительной техникой, источников бесперебойного питания, электронной проходной, оборудования систем штрихового кодирования, кабельной системы локальной вычислительной сети.

) Ремонт (при необходимости) персональной компьютерной техники, принтеров, сканеров, копировальной техники, устройств локальной вычислительной сети, других устройств, используемых в комплексе с вычислительной техникой, источников бесперебойного питания, электронной проходной, оборудования систем штрихового кодирования, кабельной системы локальной вычислительной сети.

) Сравнительный анализ представленного на рынке оборудования: вычислительной техники, копировальных устройств, периферийных устройств, оргтехники и представление руководству предложений, проектов договоров для принятия решения о приобретении технических средств (при необходимости, не реже 1 раза в год).

) Анализ представленных на рынке расходных материалов, запасных частей, услуг по ремонту и обслуживанию и представление руководству информации и проектов договоров для принятия решения (при необходимости, не реже 1 раза в год).

) Обучение и консультирование пользователей ПЭВМ.

) Создание безопасных условий труда, соблюдение требований правил и норм по технике безопасности, промышленной санитарии и пожарной безопасности.

) Тестирование и инсталляция программного обеспечения, ведение архива программного обеспечения.

) Совместно с подразделением-заказчиком внедрение программного обеспечения.

) Администрирование локальной вычислительной сети, серверных систем.

) Системное обслуживание вычислительной техники, ЛВС и обеспечение резервного копирования серверов.

10. ТЕХНИКО-ЭКОНОМИЧЕСКИЙ АНАЛИЗ ТЕХНОЛОГИЧЕСКИХ ПРОЦЕССОВ

Программа выпуска - 2 штуки.

Число смен работы оборудования - 2.

Масса готовой детали -1,12 кг.

Масса заготовки - 5 кг.

Коэффициент использования материала заготовки - 22%.

11. ТЕХНИКА БЕЗОПАСНОСТИ И ПРОТИВОПОЖАРНАЯ ПРОФИЛАКТИКА

Общие требования техники безопасности:

. Работать только на станках, к которым Вы допущены, и выполнять работу, которая поручена Вам администрацией цеха;

. Сосредоточить внимание на выполняемой работе, не отвлекаться на посторонние дела и разговоры, не отвлекать других;

. Не допускать на свое рабочее место лиц, не имеющих отношения к порученной работе. Без разрешения мастера не доверять свой работающий станок другому рабочему;

. Не опираться на станок во время его работы;

. Заметив нарушение инструкции другим рабочим, предупредить его о необходимости соблюдения требований по технике безопасности;

. О всяком несчастном случае с Вами или Вашим товарищем немедленно поставить в известность мастера или бригадира и обратиться в медицинский пункт;

. При ремонте станка и пусковых устройств на станке должен быть вывешен плакат: «Не включать - ремонт»;

. Нельзя работать на неисправном и не имеющем необходимых ограждений станке. Не производить ремонт и переделку станка самостоятельно;

. Не разрешать уборщику убирать у станка во время его работы;

. Запрещается работать на станке в рукавицах или перчатках, а также с забинтованными пальцами без резиновых напальчников;

. Во избежание несчастных случаев и попадания грязи и стружки в механизмы станка запрещается обдувать воздухом из шланга обрабатываемую поверхность и станок;

. Надежно и жестко закреплять обрабатываемую деталь на станке;

. Масса и габаритные размеры обрабатываемой детали должны соответствовать паспортным данным станка;

. Устанавливать и снимать тяжелые детали и приспособления (массой более 16 кг) только с помощью подъемных механизмов. Не превышать нагрузку, установленную для грузоподъемных средств;

. Пользоваться грузоподъемными механизмами только после специального обучения и аттестации;

. Деталь должна быть надежно закреплена; для подъема применять специально строповочно-захватные приспособления. Освобождать обрабатываемую деталь от стропов или захватных приспособлений только после надежной установки, где надо - и закрепления детали на станке;

. Отрегулировать местное освещение станка так, чтобы рабочая зона была достаточно освещена и свет не слепил глаза. Протереть арматуру и светильник. Пользоваться местным освещением напряжением выше 36 В запрещается;

. При всяком перерыве в подаче электроэнергии немедленно выключить электрооборудование станка;

. Если на металлических частях станка обнаружено напряжение (ощущение тока), электродвигатель работает на две фазы (гудит), заземляющий провод оборван, остановить станок и немедленно доложить мастеру о неисправности электрооборудования;

. Если пол скользкий (облит маслом, эмульсией), потребовать, чтобы его посыпали опилками, или сделать это самому;

. Пользоваться деревянной решеткой и содержать ее в исправном состоянии;

. Каждый рабочий обязан:

требовать от администрации цеха проведения инструктажа по технике безопасности до назначения на работу и при переводе на станок другой модели;

требовать от администрации цеха, чтобы печатная инструкция о мерах безопасности при работе на данном станке находилась на рабочем месте станочника;

строго выполнять все правила безопасности;

обязательно пользоваться полагающейся спецодеждой, спец обувью и индивидуальными защитными средствами (очками, респираторами, масками и др.);

при обнаружении возможной опасности предупредить товарищей и немедленно сообщить администрации цеха или отдела;

содержать в чистоте рабочее место в течение всего рабочего дня и не загромождать его деталями, заготовками, металлическими отходами, мусором и т. п.;

укладывать устойчиво на подкладках и стеллажах поданные на обработку и обработанные детали; высота штабелей не должна превышать для мелких деталей 0,5 м. для средних - 1 м, для крупных- 1,5 м;

применять только исправные гаечные ключи соответствующих размеров;

при работе ключами не наращивать их трубой или другими рычагами; нельзя пользоваться прокладками, если ключи не соответствуют размерам гаек.

не мыть руки в масле, эмульсии, керосине и не вытирать их обтирочными концами, загрязненными стружкой;

не принимать пищу у станка;

не оставлять свою одежду на рабочем месте.

. На территории завода, в цехе, на подъездных путях выполнять следующие правила:

быть внимательным к предупредительным сигналам электрокар, автомашин, электровозов, электрических кранов и других видов движущегося транспорта, а также выполнять требования предупредительных плакатов, световых сигналов в местах пересечения железнодорожных путей, автомобильного транспорта;

не находиться под поднятым грузом;

не проходить в местах, не предназначенных для прохода, не подлезать под стоящий железнодорожный состав и не перебегать путь перед движущимся транспортом;

не переходить в неустановленных местах через конвейеры и рольганги и не подлезать под них; не заходить без разрешения за ограждения технологического оборудования;

не прикасаться к токоведущим частям электрооборудования, клеммам и электропроводам, к арматуре общего освещения, не открывать дверцы электрошкафов; в необходимых случаях обращаться к электромонтеру;

не включать и не останавливать (кроме - аварийных случаев) машины, станки, механизмы, работа на которых Вам не поручена администрацией цеха.

. Работая с подручным или учеником, обучать его безопасным приемам работы и следить за их выполнением.

. К работе с грузоподъемными кранами могут быть допущены лица не моложе 18 лет, специально обученные, систематически инструктируемые, сдавшие экзамен квалификационной комиссии и имеющие на руках удостоверение.

Общие требования перед началом работы:

. Перед каждым включением станка убедиться, что пуск станка никому не угрожает опасностью;

. Привести в порядок рабочую одежду: застегнуть или подвязать обшлага рукавов, надеть головной убор; женщины должны убрать волосы под косынку, повязанную без свисающих концов;

. Принять станок от сменщика: проверить, хорошо ли убраны ставок и рабочее место; ознакомиться с имевшимися в предыдущей смене неполадками в работе станка и с принятыми мерами по их устранению;

. О неисправности станка немедленно заявить мастеру; до устранения неисправности к работе не приступать;

. Приготовить крючок для удаления стружки, ключи и другой необходимый инструмент. Не применять крючок с ручкой, в виде петли;

. Проверить наличие и исправность:

ограждений зубчатых колес, приводных ремней, валиков, приводов и пр., а также токоведущих частей электрической аппаратуры (пускателей, рубильников, трансформаторов, кнопок;

заземляющих устройств;

предохранительных устройств для защиты от стружки, охлаждающих жидкостей;

устройств для крепления инструмента (отсутствие трещин, надломов, прочность крепления пластинок твердого сплава или керамических пластинок, стружколомающих порогов и пр.);

режущего, измерительного, крепежного инструмента и приспособлений и разложить их в удобном для пользования порядке.

. Работать только исправным инструментом и приспособлениями и применять их строго по назначению;

. Если при обработке металла образуется отлетающая стружка, то при отсутствии специальных защитных устройств на станке надеть защитные очки или предохранительный щиток из прозрачного материала;

. При обработке вязких металлов, дающих сливную стружку, применять резцы со специальными стружколомающими устройствами;

. При обработке хрупких металлов (чугуна, бронзы и т. д.), дающих отлетающую стружку, а также при дроблении стальной стружки в процессе обработки применять следующие защитные устройства: специальные стружкоотводчики, прозрачные экраны или индивидуальные щитки (для защиты лица);

. Проверить на холостом ходу станка:

исправность органов управления (механизмов главного движения, подачи, пуска, останова движения и др.);

исправность системы смазки и охлаждения (убедиться в том, что смазка и охлаждающая жидкость подаются нормально и бесперебойно);

исправность фиксации рычагов включения и переключения (убедиться в том, что возможность самопроизвольного переключения с холостого хода на рабочий исключена);

нет ли заеданий или излишней слабины в движущихся частях станка, особенно в шпинделе, в продольных и поперечных салазках суппорта;

. Для предупреждения кожных заболеваний рук при применении на станках охлаждающих насел и жидкостей по указанию врача перед началом работ смазывать руки специальными пастами и мазями;

. Проверять доброкачественность ручного инструмента при получении его из кладовой:

ручка напильника и шабера должна иметь металлическое кольцо, предохраняющее ее от раскалывания;

молоток должен быть насажен на рукоятку овального сечения, расклиненную металлическим клином и изготовленную из твердых и вязких пород дерева; боек молотка должен иметь ровную слегка выпуклую поверхность; нельзя работать молотком со сбитым бойком, имеющим трещины или насаженным на рукоятку из дерева мягких пород, а также плохо закрепленным на рукоятке;

зубило и другой ударный инструмент должны быть длиной не менее 150 мм. Кернер - 100 мм и не иметь наклепа на бойке;

гаечные ключи должны быть исправными и соответствовать размеру гаек; запрещается работать гаечными ключами с прокладками, удлинять их трубами и применять контрключи;

разложить инструмент и приспособления в удобном для пользования порядке.

. Пользоваться режущим инструментом, имеющим правильную заточку. Применение неисправного инструмента и приспособлений запрещается;

. Проверить и обеспечить достаточную смазку станка; при смазке пользоваться только соответствующими приспособлениями;

. Разместить шланги, подводящие охлаждающую жидкость так, чтобы была исключена возможность соприкосновения их с режущим инструментом и движущимися частями станка. Охлаждающую жидкость подавать только насосом.

. Запрещается охлаждать режущий инструмент мокрыми тряпками или щетками,

. Не допускать разбрызгивания масла и жидкости на пол. Для защиты от брызг устанавливать щитки.

Общие требования во время работы:

. Выполнять указания по обслуживанию и уходу за станками, изложенные в «Руководстве к станку», а также требования предупредительных таблиц, имеющихся на станке;

. Устанавливать и снимать режущий инструмент только после полного останова станка;

. Не работать без кожуха, прикрывающего сменные шестерни;

. Остерегаться срыва ключа, правильно накладывать ключ на гайку и не поджимать им гайку рывком;

. Во время работы станка не брать и не подавать через работающий станок какие-либо предметы, не подтягивать болты, гайки и другие соединительные детали станка;

. Остерегаться наматывания стружки на обрабатываемый предмет или резец и не направлять вьющуюся стружку на себя. Пользоваться стружколомателем;

. Не удалять стружку от станка непосредственно руками и инструментом, пользоваться для этого специальными крючками и щетками-сметками;

. Следить за своевременным удалением стружки с рабочего места и станка;

. Остерегаться заусенцев на обрабатываемых деталях;

. При возникновении вибрации остановить станок. Принять меры к устранению вибрации: проверить крепление резца и детали;

. Обязательно остановить станок и выключить электродвигатель при:

уходе от станка даже на короткое время (если не поручено обслуживание двух или нескольких станков);

временном прекращении работы;

перерыве в подаче электроэнергии;

уборке, смазке, чистке станка;

обнаружении неисправности в оборудовании;

подтягивании болтов, гаек и других соединительных деталей станка;

установке, измерении и съеме детали;

проверке или зачистке режущей кромки резца;

снятии и надевании ремней на шкивы станка.

. Передвижение ремня по ступенчатым шкивам на ходу допускается только с применением переводок;

. При обработке деталей применять режимы резания, указанные в операционной карте для данной детали;

. Не увеличивать установленные режимы резания без ведома мастера.

Общие требования по окончании работы:

. Выключить станок и электродвигатель;

. Привести в порядок рабочее место: убрать со станка стружку, инструмент, приспособление, очистить станок от грязи, вытереть и смазать трущиеся части станка, аккуратно сложить готовые детали и заготовки;

. Убрать инструмент в отведенные для этой цели места. Соблюдать чистоту и порядок в шкафчике для инструмента;

. При сдаче смены сообщить сменщику или мастеру о замеченных дефектах станка, вентиляции и др. и о принятых мерах по их устранению;

. О всякой замеченной опасности немедленно заявить администрации;

. Вымыть лицо и руки теплой водой с мылом или принять душ.

Общие положения пожарной безопасности:

. Настоящая инструкция распространяется на работников отдела занятых эксплуатацией и техническим обслуживанием вычислительных средств.

Каждый работник обязан:

знать место расположения первичных средств пожаротушения и уметь пользоваться ими;

в случае возникновения загорания принимать активное участие в тушении пожара, спасении людей и материальных ценностей;

уметь оказывать и оказывать помощь пострадавшим;

знать маршруты эвакуации из здания;

выполнять указания руководства и госпожарнадзора по вопросам обеспечения пожарной безопасности.

. Лица, виновные в нарушении требований настоящей инструкции несут ответственность в дисциплинарном или судебном порядке в зависимости от характера и последствий нарушения.

Меры пожарной безопасности:

Работники отдела, работающие с вычислительной техникой обязаны:

. Поддерживать чистоту и порядок на рабочем месте. Не загромождать проходы к средствам пожаротушения и электрощитам;

. Строго соблюдать режим работы с электронной аппаратурой и электроустановками, следить за исправностью всего электрооборудования;

. Работы по ремонту узлов (блоков) вычислительных машин, как правило, должны проводиться в отдельном помещении;

. Горючие, легковоспламеняющиеся жидкости для промывки и чистки ТЭЗов, блоков и других элементов необходимо хранить в металлических, плотно закрывающихся сосудах, в количестве, не превышающем сменную потребность для полного обслуживания технических средств, но не более 0,5

. Курить в помещении отдела строго запрещается. На территории завода разрешается курить только в помещениях оборудованных специально для курения с надписью “Место для курения”;

. Обрывки бумаги хранить в специальных ящиках с обязательной уборкой после окончания работы.

Действия в случае возникновения пожара:

. Отключить работающее оборудование;

. Принять срочные меры по тушению возгорания, используя первичные средства пожаротушения;

. При невозможности ликвидировать пожар самостоятельно с помощью первичных средств пожаротушения немедленно сообщите в пожарную охрану;

. Эвакуировать людей и материальные ценности, которым угрожает дым, огонь в безопасное место;

. В дальнейшем выполнять все распоряжения прибывшего работника пожарной охраны или руководителя.

12. ПРАВОВОЕ ЗАКОНОДАТЕЛЬСТВО И ОХРАНА ОКРУЖАЮЩЕЙ СРЕДЫ

Наиболее эффективной формой защиты природной среды от выбросов промышленных предприятий является разработка и внедрение безотходных и малоотходных технологических процессов во всех отраслях промышленности.

Безотходная технология - это активная форма защиты окружающей среды от вредного воздействия, которая представляет собой комплекс мероприятий в технологических процессах от обработки сырья до использования готовой продукции, в результате чего сокращается до минимума количество вредных выбросов.

На СП ОАО «Брестгазоаппарат» важными направлениями экологизации производства являются совершенствование технологических процессов, замена неутилизируемых отходов на утилизируемые, применение аппаратов и систем, уменьшающих воздействие на природу.

К пассивным методам защиты, применяемым на СП ОАО «Брестгазоаппарат», относятся устройства и системы защиты окружающей среды, применяемые для очистки вентиляционных и технологических выбросов от вредных примесей, рассеяния их в атмосфере, очистки сточных вод, глушения шума, экранирования источников энергетического загрязнения окружающей среды, захоронения, ликвидации и обезвреживания токсичных отходов.

На предприятии широко применяются газопылеулавливающие аппараты и системы. В настоящий момент ведутся работы по модернизации систем очистки и нейтрализации газовых выбросов. Очистка сточных вод от механических примесей осуществляется процеживанием, отстаиванием, фильтрованием, отделением механических частиц в поле действия центробежных сил, от маслосодержащих примесей - отстаиванием, обработкой в гидроциклонах, фильтрованием, обработкой специальными реагентами.

Для очистки сточных вод от металлов и их солей применяют реагентные, ионообменные, сорбционные методы.

Планирование мероприятий по улучшению условий труда, предупреждению травматизма и заболеваемости на СП ОАО «Брестгазоаппарат» является одной из основных функций управления охраной труда и осуществляется в соответствии с Положением о планировании и разработке мероприятий по охране труда.

Мероприятия по охране труда направлены на осуществление главной цели - сохранения жизни и здоровья работников в процессе трудовой деятельности.

СПИСОК ИСПОЛЬЗУЕМЫХ ИСТОЧНИКОВ

1. Программа второй конструкторско-технологической практики для студентов специальности «Технология машиностроения».

. Справочник технолога-машиностроителя. В 2-х т./Под ред. А.М. Дальского, А.Г. Косиловой, Р.К. Мещерякова, А.Г. Суслова. - 5-е изд., перераб. и доп. - М.:Машиностроение-1, 2001 г., ил.

. Анурьев В.И. Справочник конструктора-машиностроителя. В 3-х томах. Т1. М. Машиностроение, 1979.

. Анурьев В.И. Справочник конструктора-машиностроителя. В 3-х томах. Т2. М. Машиностроение, 1979.

. Проектирование техпроцессов механической обработки в машиностроении Под редакцией В.В. Бабука. Мн., Вышейшая школа,1987.255 с.

. Горошкин А.К. Приспособление для металлорежущих станков. Справочник М., Машиностроения,1979. 303 с.


Не нашли материал для своей работы?
Поможем написать уникальную работу
Без плагиата!
Без нейросетей!