Выбор и расчет режимов резания
Задача 1.
На вертикально-сверлильном станке модели 2Н135
производится сверление отверстия диаметром D
и глубиной сверления L
в заготовке толщиной H.
Рис. 1 Материал
заготовки: 20ХГСА, σ=780 МПа;
D=25 мм;
L=H=80
мм.
Решение
Последовательность расчета режимов резания при
сверлении следующая:
1. Глубина резания, равная половине
диаметра просверливаемого отверстия;
2. Подача, которая при сверлении без
ограничивающих факторов принимается максимально допустимой по прочности сверла
[2];
3. Скорость резания, определяемая по
формуле
.
Поскольку требуется изготовить сквозное
отверстие в легированной стали 33ХС, то по каталогу в качестве инструмента
принимаем спиральное сверло Dormer
A110 (рис. 3),
параметры которого приведены в таблице 3:
Рис. 3.
Сверло Dormer
A100
Таблица 3
|
d1
|
l1
|
l2
|
Материал
|
Угол
при вершине заборного конуса λ
|
|
25
|
290
|
190
|
Быстрорежущая
сталь
|
118˚
|
Итак, глубина резания t,
согласно принятой методике, равна 0,5D,
то есть t=12,5 мм.
Как мы уже указали, подача выбирается исходя из
прочности сверла, однако, по данным [2, стр. 277] для определения подачи таким
методом необходимо знать твердость стали по Бриннелю. Для этого воспользуемся
данными стандарта DIN
50150 [3], где пределу прочности на растяжение 780 МПа поставлена в
соответствие твердость по Бриннелю 245.
Тогда по данным [2] определяем, что подача может
находиться в пределах:
Принимаем подачу по паспорту станка
равной S=0,35 мм/об.
Теперь мы можем определить
геометрические параметры срезаемого слоя, изображенного на рис. 4.
Рис. 4. Геометрия
срезаемого слоя
Геометрические параметры срезаемого
слоя определяем следующим образом:
Определяем скорость резания при
сверлении по формуле
.
Показатели в формуле, определенные
по данным [2], приведены в таблице 4.
Таблица 4 Коэффициент
и
показатели степени в формуле скорости резания
|
qmy
|
|
|
|
|
9,8
|
0,4
|
0,20
|
0,5
|
Общий поправочный коэффициент на
скорость резания
определяется
по формуле:
,
где
- коэффициент на обрабатываемый
материал;
-
коэффициент на инструментальный материал;
- коэффициент на глубину резания.
Коэффициент на обрабатываемый
материал рассчитывается по формуле:
,
где
- коэффициент, учитывающий группу
стали;
-
показатель, учитывающий инструментальный материал и вид обработки.
Для нашего случая:
;
;
;
.
Скорость резания, таким образом,
равна:
м/мин.
Определяем число оборотов шпинделя
станка:
об/мин.
По паспорту станка принимаем
действительное число оборотов шпинделя n=355 об/мин,
соответственно V=27,87 м/мин.
Для проверки принятых значений
параметров режима резания необходимо рассчитать мощность резания по формуле
и сравнить
с номинальной мощностью привода главного двигателя станка.
Определим крутящий момент по
формуле:
. Показатели
степени и коэффициенты приведены в таблице 5.
Таблица 5 Коэффициенты
и показатели степени в формуле крутящего момента
|
qy
|
|
|
|
|
0,0345
|
2,0
|
0,8
|
1,152
|
Таким образом, крутящий момент равен:

,
Номинальная мощность двигателя
привода главного движения станка 2Н135
кВт.
Следовательно, параметры режима
резания выбраны верно.
Рассчитываем требуемое машинное
время на обработку по формуле:
,
где L - длина
резания; i - число
переходов; Sмин - минутная
подача, определяемая как
мм/мин.
мин.
Задача 2.
При решении задачи следует проанализировать
предложенные для заданных условий методы обработки и сопоставить эффективность
их применения по машинному времени и качеству обработки.
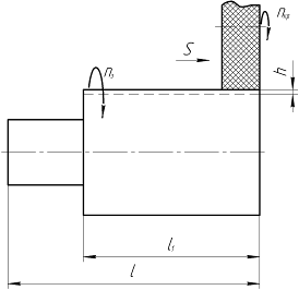
Обработать плоскость A
B заготовки
толщиной C. Припуск на
обработку h, мм.
Сопоставить эффективность обработки при различных процессах: строгании и
фрезеровании. Модели станков: при фрезеровании - горизонтально-фрезерный станок
модели 6Н82Г, при строгании - поперечно-строгальный модели 736.
Таблица 1
|
Размер
заготовки
|
Припуск h,
мм.
|
Шероховатость
после обработки, мкм.
|
Материал
заготовки
|
σ,
МПа
|
|
A
|
B
|
C
|
|
|
|
|
|
500
|
210
|
100
|
3,0
|
Rz 20
|
Сталь
35Л
|
550
|
Решение
Вариант 1. Фрезерование цилиндрической фрезой
В качестве инструмента будем применять фрезу
2200-0468 ГОСТ 29092-91, изображенную на рис. 5,
параметры которой приведены в табл. 6.
Рис. 5.
Фреза 2200-0457 ГОСТ 29092-91
Таблица 6
|
D
|
d
|
L
|
Число
зубьев z
|
|
160
|
60
|
250
|
18
|
Глубину резания t
принимаем равной 3,0 мм.
Определяем по данным [2] подачу на зуб Sz
равную 0,12 мм/зуб.
Скорость резания при фрезеровании рассчитывается
по формуле:
Коэффициент
и
показатели степени в формуле скорости резания приведены в таблице 7.
Таблица 7 Коэффициент
и
показатели степени в формуле скорости резания
|
Припуск,
мм
|
qxyupm
|
|
|
|
|
|
|
|
3,0
|
700
|
0,17
|
0,38
|
0,28
|
0,08
|
0,1
|
0,33
|
Скорость резания, рассчитанная по этим
параметрам, равна:
м/мин
Определяем по формуле
число
оборотов шпинделя:
По паспорту станка определяем число
оборотов шпинделя в минуту:
Скорость резания для данного числа
оборотов:
Для проверки принятых значений
параметров режима резания необходимо рассчитать эффективную мощность резания по
формуле
и сравнить
с номинальной мощностью привода главного двигателя станка.
Осевая сила резания Pz
рассчитывается по формуле:
Коэффициенты и показатели в формуле
силы резания приведены в таблице 8.
Таблица 8 Коэффициенты
и показатели в формуле силы резания
|
|
|
|
|
|
68,2
|
0,86
|
0,72
|
1,0
|
0,86
|
0
|
Сила резания, рассчитанные по этим показателям,
равна:
Эффективная мощность резания равна:
Сравнивая эффективную мощность с
номинальной, обнаруживаем, что номинальная мощность двигателя главного привода
станка, равная 7,5 кВт, ниже эффективной мощности резания, следовательно
необходимо изменить принятые параметры режима резания.
Уменьшаем частоту вращения шпинделя
Тогда
Рассчитываем требуемое машинное
время на обработку по формуле:
,
где L - длина
резания; i - число
переходов; Sмин - минутная
подача.
Вариант 2. Строгание
При строгании выбираем резец
отогнутый строгальный Типа 1 2175-0031 ГОСТ 18893-73 с напайной твердосплавной
пластиной из сплава ВК8 типа 06270 по ГОСТ 25397-90. Форма и геометрические
параметры резца показаны на рисунках 6 и 7, и в
таблицах 9 и 10. Форма и
геометрические параметры пластины приведены на рис. 8 и в табл. 11
Рис. 6. Вид и
размеры резца
Таблица 9 Размеры
резца
|
Сечение
резца h bLlm
|
|
|
|
|
63 5050012525,0
|
|
|
|
Рис. 7.
Элементы конструкции и геометрические параметры резцов
Таблица 8 Геометрические
параметры резцов
|
Сечение
резца h bLl1rr1anh1h2Обозначение
пластин по ГОСТ 25397-90
|
|
|
|
|
|
|
|
|
|
|
63 50125436812,53216,79,55,006270
|
|
|
|
|
|
|
|
|
|
Рис. 8.
Форма пластины 06270 ГОСТ 25397-90
Таблица 11 Размеры
пластины 06270 ГОСТ 25397-90
|
l
|
b
|
s
|
r
|
α
|
|
32
|
20
|
9.0
|
12,5
|
18˚
|
Припуск при строгании разбиваем на три прохода с
глубиной резания каждого t=1
мм.
Подачу выбираем в соответствии с данными [2]
равной s=1,3 мм/дв. ход.
Скорость резания при строгании рассчитывается по
формуле:
,
где
,
- коэффициент, учитывающий влияние
главного угла в плане;
-
коэффициент, учитывающий влияние вспомогательного угла в плане;
-
коэффициент, учитывающий влияние инструментального материала;
-
коэффициент, учитывающий влияние вида строгания.
Таблица 10 Коэффициенты
и показатели в формуле скорости резания
|
my  
|
|
|
|
|
|
|
|
47
|
0,20
|
0,80
|
1,4
|
1,0
|
0,74
|
0,8
|
Скорости резания, рассчитанные по этим формулам,
следующие:
По табличным данным, взятым из
паспорта станка, окончательно утверждаем:
Рассчитываем силу резания по
формуле:
Таблица 11 Коэффициенты
и показатели в формуле силы резания
Получившееся значение силы резания равно:
Эффективная мощность резания,
рассчитанная по формуле
, равна:
Что меньше, чем номинальная мощность
двигателя главного привода поперечно-строгального станка модели 736, равная 3,5
кВт. Таким образом, все режимы резания выбраны верно.
Рассчитываем требуемое машинное
время на обработку по формуле:
,
где L - длина
двойного хода; i - число двойных ходов; V - скорость
резания; f -
количество проходов.
мин.
Вывод. Как строгание, так и
фрезерование может применяться для обработки плоских поверхностей с заданной
точностью, однако область применения этих методов и условия его применения
различны. Фрезерование выгоднее применять в условиях массового производства,
так как время на обработку фрезерованием меньше, чем время на обработку строганием.
Строгание же выгодно использовать в условиях мелкосерийного и единичного
производства, так как при строгании ниже затраты на инструмент.
Задача 3.
На круглошлифовальном станке модели 3М131
шлифуется участок вала диаметром d
и длиной l1.
Припуск на обработку h,
длина вала l. Способ крепления
заготовки - в центрах.
Рис. 2
Таблица 2
|
Обрабатываемый
материал
|
Шероховатость
поверхности, Ra
|
d, мм.
|
l1, мм
|
l, мм.
|
h, мм.
|
|
Ст.
5 незакаленная
|
1,25
|
74
|
182
|
320
|
0,14
|
Решение
Будем использовать в качестве
инструмента шлифовальный круг 125
20
20 25А на керамической связке,
параметры которого приведены в таблице 12.
Таблица 14 Параметры
режущего инструмента
|
Наружный
диаметр
|
Толщина
|
Посадочный
диаметр
|
Зернистость
|
Шлифматериал
|
|
125
|
20
|
20
|
25
- 40
|
25А
|
Глубину шлифования за один проход примем равной t=0,02
мм.
Продольную подачу принимаем равной S=0,3∙20=6
мм/об.
Определяем скорость детали по формуле:
;
Таблица 15 Коэффициенты
и показатели в формуле скорости детали
|
qmx
|
|
|
|
|
0,270
|
0,3
|
0,5
|
1,0
|
Расчетная частота вращения детали:
По данным паспорта станка принимаем:
Определяем скорость шлифовального
круга по формуле:
Скорость перемещения стола
определяется по формуле:
Определяем силу резания по формуле:
Таблица 14 Коэффициенты
и показатели в формуле силы резания
|
xyn
|
|
|
|
|
2,10
|
0,5
|
0,55
|
0,5
|
Эффективная мощность резания
определяется по формуле:
Номинальная мощность двигателя
привода главного движения станка 3М131 - 7,5 кВт, следовательно, эффективная
мощность резания не превышает номинальную мощность, и параметры режима резания
выбраны верно.
Основное технологическое время
определяется по формуле:
,
где L - длина
продольного хода детали, мм.; h - припуск на обработку, мм.; к -
коэффициент, учитывающий точность шлифования и износ круга, равный 1,3.
,
где l - длина
шлифования, B - ширина
круга.
резание сверление строгание
шлифование
Список литературы
1. Выбор режимов резания:
методические указания и контрольные задания к курсовой работе по дисциплине
«Процессы формообразования и инструмент» /С.А.
Ничкова, Е.В. Кускова, А.Г. Ничков. Екатеринбург: УГТУ, 1996. 20 с.
2. Справочник
технолога-машиностроителя. В 2-х т. Т. 2/ Под ред. А.Г. Косиловой и Р.К.
Мещерякова. - 4-е изд., перераб. и доп. - М.: Машиностроение, 1986. 496
с.,
ил.
. DIN 50150-2000.
Testing of metallic materials - Conversion of hardness values, 2000, 52 p.
4. ГОСТ 29092-91. Фрезы
цилиндрические: технические условия. М.: ИПК Издательство стандартов, 2004, 10
с.
. ГОСТ 18893-73. Резцы строгальные
подрезные с пластинами из твердого сплава. Конструкция и размеры. М.: ИПК
Издательство стандартов, 2000, 7 с.
. ГОСТ 25397-90. Пластины
твердосплавные напаиваемые типов 06, 66. Конструкция и размеры. М.: ИПК
Издательство стандартов, 2006, 5 с.
. Паспорта на металлорежущие
станки моделей 2Н135, 6Н82Г, 736, 3М131.