Аналіз небезпечних та шкідливих виробничих факторів в приміщенні

  • Вид работы:
    Контрольная работа
  • Предмет:
    Безопасность жизнедеятельности
  • Язык:
    Украинский
    ,
    Формат файла:
    MS Word
    86,63 Кб
  • Опубликовано:
    2014-05-22
Вы можете узнать стоимость помощи в написании студенческой работы.
Помощь в написании работы, которую точно примут!

Аналіз небезпечних та шкідливих виробничих факторів в приміщенні

Міністерство освіти і науки України

Вінницький національний технічний університет

Кафедра БЖД






Контрольна робота

з дисципліни: «Охорона праці»

на тему: «Аналіз небезпечних та шкідливих виробничих факторів в приміщенні»


Виконав ст. гр. ТГ- 13сп

Байдюк Р.Ю.

Перевірив:

Лемешев М.С.






Вінниця ВНТУ 2014

Вступна частина

Охорона праці має велике соціально-економічне значення.

Соціальне значення охорони праці полягає в сприянні росту ефективності суспільного виробництва шляхом безперервного вдосконалення і поліпшення умов праці, підвищення їх безпеки, зниження виробничого травматизму і профзахворювань.

Зростання продуктивності праці відбувається в результаті збільшення фонду робочого часу завдяки скороченню внутрішньо-змінних простоїв шляхом ліквідації мікротравм або зниження їх кількості, а також завдяки запобіганню передчасного стомлення шляхом раціоналізації і покращення умов праці та введенню оптимальних режимів праці і відпочинку та інших заходів, які сприяють підвищенню ефективності використання робочого часу.

Збереження трудових ресурсів і підвищення професійної активності працюючих відбувається завдяки покращенню стану здоров'я і подовженню середньої тривалості життя шляхом покращення умов праці, що супроводжується високою трудовою активністю і підвищенням виробничого стажу. Підвищується професійний рівень також завдяки зростанню кваліфікації і майстерності. Економічне значення охорони праці визначається ефективністю заходів з покращення умов і підвищення безпеки праці та є економічним виразом соціальної значущості охорони праці. Економічне значення охорони праці оцінюється за результатами, отриманими при зміні соціальних показників шляхом впровадження заходів з покращення умов праці.

В даному розділі розглядаються умови праці при влаштуванні системи опалення та вентиляції робітником-монтажником у виробничій споруді, а також шкідливі фактори впливу на працюючого.


1. Технічні рішення з гігієни праці та виробничої санітарії

В дипломному проекті розробляється влаштування системи опалення та вентиляції двоповерхової промислової споруди в м. Іллінці. Дана будівля містить виробничі приміщення по виробництву рибної продукції та опалюється двома котлоагрегатами з теплового пункту, розташованого на першому поверсі споруди. Вентиляція здійснюється за допомогою місцевих (над робочими зонами) на загально-обмінних систем.

До основних джерел, що можуть спричинити виникнення небезпечних та шкідливих факторів під час монтажу та обслуговування системи опалення та вентиляції можна віднести :

Робота котлів: шкідливими факторами при цьому є вібрація, шум, підвищена температура повітря, можливий витік газу, загроза теплового забруднення та опіків персоналу;

Зварювальні роботи при монтажі: ураження електричним струмом, опіки, вибух ацетиленових генераторів, велика яскравість променів світлової дуги, перегрів тіла зварювальників, підвищена температура на робочому місці;

Робота з електричним обладнанням: враження електричним струмом, забої, поранення, вібрація;

Робота з несправним робочим інструментом: порізи, пошкодження шкірних м’язів, забої.

Мікроклімат та склад повітря робочої зони

У приміщеннях, при монтажі систем виконуються роботи: прорізання штроб, прокладання трубопроводів, встановлення опалювальних пристроїв, агрегатів, встановлення лічильників, випробування систем. Дані роботи вимагають від робітників переміщення невеликих вантажів (до 10кг), виконання робіт стоячи, ходіння, супроводжуються помірним фізичним напруженням і тому, згідно з ДБН В.2.5-67:2013 «Опалення, вентиляція та кондиціювання», відносяться до складності категорії ІІб, з тепловиділенням від однієї людини 233 - 290 Вт.

Оптимальні та допустимі норми відносної вологості, температури, швидкості руху повітря в робочій зоні при виконанні монтажних робіт зводиться в таблицю 1.

Таблиця 1 - Оптимальні та допустимі норми температури, відносної вологості та швидкості руху повітря в робочій зоні виконання монтажних робіт

Період року

Категорія робіт

Температура, 0С

Відносна вологість, %

Швидкість руху повітря, м/с



Опти-мальна

Допус-тима

Опти-мальна

Допустима

Оптимальна

Допустима

Теплий

Середньої важкості ІІ б

20 - 22

15-27

60 - 40

70 - при 250С

0,3

0,2 - 0,5


Щоб забезпечити оптимальні умови мікроклімату та складу повітря робочої зони проектом передбачені такі рішення: подача свіжого повітря через відкривання віконних проємів; дотримання робочого графіку виконання робіт; дотримання правил безпеки під час виконання монтажних робіт.

Виробниче освітлення

Характеристика основних робіт, що виконуються на об’єкті - середньої точності, оскільки при монтажі системи опалення необхідно розрізняти об’єкти розміром 0,5-4 мм (різьбові з’єднання). Але також, в окремих випадках об’єкт розрізнення може становити від 1.0 до 5,0 мм (поділки на шкалі манометра, при виконання випробувальних робіт), тому приймається розряд зорової роботи V. Контраст об’єкта з фоном середній, характеристика фону - середній (бетонна підлога, оштукатурені стіни, ніші) під розряд «б» та «в», система освітлення комбінована, тип джерела освітлення - лампи розжарювання) нормативне значення освітленості 200 лк.

Тому характеристика робіт, що виконуються на об’єкті - малої точності. Світлові прорізи орієнтовані на всі сторони горизонту.

Розрахунок природного освітлення приведений в розділі 4 даної роботи. Результати зведені в таблицю 2.

Таблиця 2 - Норми освітлення для штучного освітлення та КПО для природного та суміщеного освтілення згідно ДБН В.2.5-28-2006

Характе-ристика зорової роботи

Найменший або еквівалентний розмір обёєкта розрізнення , мм

Розряд зорової роботи

Підрозряд зорової роботи

Конт-раст об`єкта з фоном

Характе-ристика фону

Штучне  освітлення

Природнє освітлення

Суміщене освітлення







Освітленість

КПО, , %







Комбіноване

Загальне

Верхнє або бокове

бокове

Верхнє або комбіноване

бокове

У т.ч. від загального






1

2

3

4

5

6

7

8

9

10

11

12

13

Малої точності

Більше 1.0 до 5

V

б

середній

середній

-

-

200

3

1

1,8

0,6




в

середній

середній









Для забезпечення нормованих значень виробничого освітлення передбачено: віконні прорізи обладнують регульованими пристроями (жалюзі, завіски, зовнішні козирки); штучне освітлення в приміщенні і на робочих місцях повинно забез­печувати добру видимість; штучне освітлення має здійснюватися системою загального рівномірного освітлення, а в разі необхідності і комбінованого (сумарного загального і міс­цевого) освітлення; система загального освітлення має становити суцільні або переривчасті лінії світильників, розташовані з боку робочих місць (переважно ліворуч), паралельно лінії зору працюючих.

Виробничі віброакустичні коливання

До виробничих віброакустичних коливань відносяться: інфразвук, шум, ультразвук та вібрація. ДСН 3.3.6-037-99 регламентують граничні величини шуму на робочих місцях.

За характером шум на дільниці широкосмуговий із безперервним спектром шириною більше октави. За часовими характеристиками - шум постійний, так як припускаємо, що рівень звуку за восьмигодинний робочий день змінюється в часі не більше ніж на 5 дБА.

Таблиця 3 - Гранично допустимий спектр шуму

Вид трудової діяльності

Рівні звукового тиску, дБ в октавних смугах із сердньогеометричними частотами, Гц

Рівні звуку та еквівалентні рівні звуку, дБА


31,5

63

125

250

500

1000

2000

4000

8000


На не постійних робочих місцях

107

95

87

82

78

75

73

71

69

80


До основних джерел шуму можна віднести опалювальні котли Orlan 80, а також інструменти для монтажу: перфоратор Bosch, різьбонарізальні машини Rems та електродрелі DeWalt. Дані по їхнім шумовим характеристикам зведені в таблицю 4.

Таблиця 4 - Шумові характеристики обладнання, яке використовується при виконанні монтажних робіт для робітника-монтажника

Обладнання

Рівні звукового тиску в дБ по октавним смугам

Еквівалентний рівень звуку, дБ (А)


125

250

500

1000

2000


Котли Orlan 80 Перфоратор Bosch Труборіз REMS Електродрелі DeWalt

80 89 81 75

71 76 77 77

68 72 75 75

66 71 80 75

72 78 79 79

 

Відповідно, захист від шуму повинен досягатися розробкою та застосуванням техніки, яка не спричиняє шуму, засобів і методів колективного захисту по ДБН В.1.2-10-2008 «Система забезпечення надійності та безпеки будівельних об'єктів. Основні вимоги до будівель і споруд».

Для зменшення шуму від робочих інструментів використовують індивідуальні засоби захисту (навушники), так як робочі місця непостійні, вводять періодичність використання шумоутворюючих інструментів, після кожної двогодинної роботи з інструментом проводять робочі перерви по 15-30 хв. Нормована кількість робочого часу з інструментом не повинна перевищувати 8 год. при зміні шуму не більше за 5дБ, що відповідає вимогам.

Параметри вібрації відповідно до вимог ДСН 3.3.6.039-99 «Державні санітарні норми виробничої та загальної вібрацій» зведені до таблиці 5.

Таблиця 5 - Граничнодопустимі рівні локальної вібрації

 Середньогеометричні частоти октавних смуг, Гц

Гранично допустимі рівні по осях Хл Yл Zл


Віброшвидкість

Віброприскорення


м/с10-2дБм/с2дБ




125

1,4

109

10,7

91

250

1,4

109

21,3

97

500

1,4

109

42,5

103

1000

1,4

109

85

109

Коректований, еквівалентний коректований рівень

2

112

2

92


Джерелами вібрацій в умовах, що розглядаються в проекті є котли Orlan 80, а також інструменти для монтажу: перфоратор Bosch, різьбонарізальні машини Rems та електродрелі DeWalt.

Дані по виміряним параметрам вібрації зведені зведені в таблицю 6.

Таблиця 6 - Вібраційні характеристики обладнання, яке використовується при виконанні монтажних робіт робітником-монтажником

Обладнання

Рівні локальної вібрації при частотах октавних смуг

Еквівалентний рівень вібрації, дБ


125

250

500

1000


Котли Orlan 80 Перфоратор Bosch Труборіз REMS Електродрелі DeWalt  Еквівалентний коректований рівень

77 83 88 103

82 87 90 111

83 89 92 114

78 84 99 108

80 85 92 109 91


Отже бачимо, що за загальним рівнем вібрації дані інструменти не перевищують допустимі значення.

Основним методом боротьби з вібрацією устаткування є зниження вібрації впливом на джерело його виникнення. Для зменшення вібрації в котельному агрегаті встановлюють на гумові віброізолятори.

Для зниження вібрації від робочого інструменту (нарізальна машина Rems, перфоратор Bosch, електродрель DeWalt) регулюють відхилення від режиму резонансу, зменшення кількості використання інструментів на певному робочому місці. Для зменшення впливу вібрації на працівника використовубть індивідуальні засоби захисту.

2. Технічні рішення щодо безпечного виконання робіт (безпечної експлуатації об’єкта)

.1 Безпека щодо організації робочих місць

Організація робочих місць має бути такою, щоб забезпечувала вимоги до виконання робіт. Машини, механізми, обладнання, інвентар, інструменти повинні відповідати характеру виконуваних монтажних робіт і знаходитися в справному стані.

Робітники повинні бути забезпечені спецодягом, спецвзуттям та засобами індивідуального захисту у відповідності з характером виконуваних робіт і типовими нормами.

Підтримання безпечних умов праці грунтується на систематичній перевірці стану безпеки праці на всіх робочих місцях перед початком роботи, усуненні виробничої небезпеки і контролю зі сторони безпосереднього керівника та інженера з техніки безпеки за станом обладнання, захисних пристроїв та суворому дотриманні безпечних способів виконання робочих операцій.

Відповідно до вимог ДБН А.3.2-2-2009 Охорона праці і промислова безпека в будівництві:

Монтаж трубопроводів необхідно виконувати з інвентарного риштовання, обладнаного сходами для піднімання і спускання працівників. Піднімання і спускання конструкціями естакад не допускається.

Забороняється перебування людей під обладнанням, що встановлюється, монтажними вузлами обладнання і трубопроводів до їх остаточного закріплення.

У приміщеннях знежирення трубопроводів забороняється користуватися відкритим вогнем і допускати іскроутворення. Місце, де проводиться знежирення, необхідно відгородити і позначити знаками безпеки. Електроустановки у зазначених приміщеннях повинні бути у пожежовибухобезпечному виконанні.

Приміщення, в яких проводиться знежирення, повинно бути обладнано припливно- витяжною вентиляцією. У разі виконання робіт на відкритому повітрі працівники повинні перебувати з навітряної сторони.

.2 Безпечність технологічного обладнання та процессу

шкідливий виробничий праця освітлення

Робоча зона і місце монтажу повинні бути звільнені від сторонніх предметів, очищенні від будівельного сміття, мати хороші підходи та освітлення Не допускати до місця виконання робіт сторонніх осіб.

Обладнання, яке використовується під час робіт повинно бути сертифіковане та відповідати діючим вимогам та нормативам. Під прорізання утроб, свердлінні отворів робітники обов’язково повинні бути захищенні (бути у спецодягу, використовувати захисні окуляри, захисні рукавиці, та спец взуття).

Відповідно до ДБН А.3.2-2-2009 Охорона праці і промислова безпека в будівництві:

) Під час монтажу інженерного обладнання будівель инеобхідно вживати заходів із запобігання впливу на працівників таких небезпечних і шкідливих виробничих факторів:

розташування робочого місця на висоті 1,3 м і більше щодо землі (підлоги);

підвищена напруга в електричному колі, замикання якого може відбутися через тіло людини;

підвищена загазованість повітря робочої зони.

) Монтаж обладнання, трубопроводів поблизу електричних мереж виконується при знятій напрузі. За неможливості зняття напруги роботи необхідно виконувати за нарядом-допуском, затвердженим у визначеному порядку .

) Під час продування трубопроводів необхідно встановлювати на кінцях труб щити для захисту очей від окалини та піску.

Персоналу забороняється перебувати проти чи поблизу кінців труб, що продуваються.

) Під час монтажу трубопроводів і обладнання стикування та з'єднання отворів і перевіряння їх збігу в деталях, що монтуються, необхідно виконувати за допомогою спеціального інструменту (конусних оправок, складальних пробок тощо). Перевіряти збіг отворів у деталях, що монтуються, пальцями рук не допускається.

) Під час монтажу обладнання повинні бути вжиті заходи із запобігання самовільному чи випадковому його вмиканню.

) Під час монтажу обладнання з використанням домкратів необхідно вжиття заходів, що запобігають перекосу чи перекиданню домкратів.

.3 Електробезпека

Виконувані монтажні роботи за категорією електробезпеки відносяться до приміщень з підвищеною небезпекою, які характеризуються наявністю в них однієї або декількох вимог, що утворюють особливу небезпеку:

струмопровідного пилу;

високої температури.

В даному проекті використовується трифазна чотирипровідна електромережа з глухозаземленим нульовим проводом. Величина напруги мережі - 380х220 В (фазна напруга (фаза - "0") - 220 В, а міжфазна лінійна (фаза - фаза) - 380 В).

Для того, щоб уникнути враження електричним струмом проектом передбачені наступні технічні рішення:

Ізоляція і захист від механічних ушкоджень струмоведучих частин зварювального ланцюга. Опір ізоляції повинен бути не менше 0,5 мОм згідно наказу Держнаглядохоронпраці №254 «Про затвердження інструкцій» від 05.06.2001 р. Довжина первинного ланцюга між пунктом живлення і пересувної зварювальної установки не повинна перевищувати 10 м;

Занулення корпуса електрозварювального устаткування, агрегату, зварювальних столів, і в неробочий час знеструмлення. Для приєднання проводу, що заземлює, на електрозварювальному устаткуванні передбачають болт діаметром 5-8 мм, розташований у доступному місці з написом «Земля» (або умовним позначенням). Опір заземлення з глухозаземленою нейтраллю повинен бути не більш 0,5 Ом згідно ДБН А.3.2-2-2009 «Охорона праці і промислова безпека в будівництві».

Забезпечення недоступності неізольованих струмоведучих елементів: розміщення їх на недосяжній висоті, в окремих приміщеннях з обмеженим доступом, у металевих шафах, огородження металевими сітками;

Використання пониженої напруги: 12 В у стаціонарній мережі розеток для переносного електричного освітлення і 42 В у системі місцевого освітлення і для ручного електроінструменту.

3. Технічні рішення з пожежної безпеки

Згідно НАПБ Б.03.002-2007 «Нормы определения категорий помещений,зданий и наружных установок по взрывопожарной и пожарной опасности» будівля, у якій виконується монтаж систем, відноситься до II ступеня вогнестійкості (відповідно до завдання).

У приміщеннях виконуються монтажні, випробувальні роботи. Приміщення за пожежонебезпекою відносяться до категорії Д (негорючі речовини і матеріали в холодному стані).

Дані про даний об’єкт зведено в таблиці 7,8.

Таблиця 7 - Категорії приміщення, будівель та зовнішніх установок за вибухо- та пожежонебезпекою

Категорія приміщення

Характеристика речовин і матеріалів, що знаходяться в приміщенні

  Д

Горючі гази і легкозаймисті речовини знаходяться у такій кількості, що їх питома пожежна навантага для твердих і рідких горючих реочивн на окремих дялнках плщею не менше 10 квадратних метрів не перевищує 180 МДж/, а також, негорючі речовини і (або) матеріали в холодному стані.


Таблиця 8 - Конструктивні характеристики будинків залежно від їхнього ступеня вогнестійкості

Ступінь вогнестійкості

Конструктивні особливості

  ІI

Будинок з несучими та огороджувальними конструкціями з природних матеріалів або штучного каменю, бетону або залізобетону з застосуванням листових і плиткових негорючих матеріалів. У покриттях будівель дозволяється застосовувати незахищені стальні конструкції


.1 Системи запобігання пожежі

Система попередження пожеж - це комплекс організаційних заходів і технічних засобів, спрямованих на запобігання виникненню та розвитку пожежі. Вона передбачає виявлення початкової стадії пожежі, своєчасну інформацію й, у разі необхідності, включення автоматичних систем пожежегасіння.

Проектом передбачено встановлення теплових, димових та світлових датчиків у виробничих приміщеннях споруди, а також автоматичного теплового сповіщувача.

.2 Системи протипожежного захисту

Система протипожежного захисту - це сукупність організаційних заходів і технічних засобів, спрямованих на запобігання дії на людей небезпечних факторів пожежі й обмеження збитку від неї.

Основними напрямками протипожежного захисту об’єкта є:

) Обмеження розмірів та поширення пожежі, що досягається плану-ванням будівель і споруд з урахуванням вимог Правил пожежної безпеки, правильним розміщенням виробничих цехів, приміщень, дільниць у ме-жах будівлі, вибором будівельних конструкцій, встановленням протипо-жежних перешкод, влаштуванням систем пожежегасіння та ін.;

) Обмеження розвитку пожежі. Це, перш за все, обмеження кількості горючих речовин, що одночасно знаходяться в приміщенні, аварійне стравлювання горючих рідин та газів, своєчасне звільнення приміщень від залишків горючих матеріалів, а також застосування для пожежовибу-хонебезпечних речовин (матеріалів) спеціального устаткування;

) Створення умов для успішного гасіння пожежі.

У відповідності до категорії пожежонебезпеки Д, проектом передбачено встановлення водяної спринклерної системи пожежогасіння.

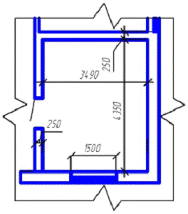
4. Розрахунок природного освітлення

Проведемо розрахунок природного освітлення для типового приміщення, в якому виконуються монтажні роботи (див. рисунок 4.1).

Рисунок 4.1 - План приміщення

Відповідно ДБН В.2.5-28-2006 «Природне і штучне освітлення» коефіцієнт природного освітлення для V розряду зорових робіт повинен складати еН = 1%.

Нормоване значення КПО:

еN = 1 . 0,9 =0,9%

Згідно [16] при бічному освітлені КПО можна оцінити за формулою:

 , (4.1)

де геометричний КПО в розрахунковій точці при боковому освітлені, який враховує пряме світло неба, який визначається за формулою:

 ,(4.2)

 коефіцієнт, який враховує нерівномірну яскравість хмарного неба ;

геометричний КПО в розрахунковй точці при боковому освітлені, який враховує світло, відбите від протилежних будинків;- коефіцієнт, який враховує відносну яскравість протилежного будинку, протилежні будівлі відсутні R=0;

коефіцієнт, який враховує підвищення КПО при боковому освітленні завдяки світлу, яке відбивається від поверхонь приміщення та підстилаючого шару, прилеглого до будинку 2.4;

загальний коефіцієнт світлового проникнення, який визначається за формулою:

, (4.3)

де коефіцієнт, який враховує втрати світла в рамах світлового отвору, ;

коефіцієнт, який враховує втрати світла в рамах світлового отвору, ;

коефіцієнт, який враховує втрати в несучих конструкціях, при боковому освітленні, τ3 = 1;

коефіцієнт, який враховує втрати світла в сонцезахисних пристроях ;

коефіцієнт, який враховує втрати світла в захисній сітці, яка встановлюється під ліхтарями;

Сонцезахисні пристрої відсутні , отже  та  не враховуємо.

коефіцієнт запасу, 1,5.



Знаходимо значення геометричного КПО:


Визначаємо дійсний КПО:

%.

< еN (0,82<0,9)

Отже світлові прорізи не забезпечують вимоги нормативів щодо природного освітлення приміщень.

Висновки до роботи

У даній роботі проведено аналіз умов праці по монтажним роботам системи опалення та вентиляції промислової споруди. Виділено основні небезпечні та шкідливі умови праці та їх вплив на організм працюючого. Порівняно нормативні дані по освітленню, мікроклімату робочого місця, шуму, вібрації з фактичними. Визначено категорію зорових робіт (V) і розраховано значення коефіцієнта природного освітлення на робочому місці, яке становить 0,82%, що не задовольняє вимоги нормативу. Розроблено заходи по захисту працюючих від основних шкідливих та небезпечних виробничих факторів, таких як шум, вібрація та недостатнє освітлення робочого місця.

Похожие работы на - Аналіз небезпечних та шкідливих виробничих факторів в приміщенні

 

Не нашли материал для своей работы?
Поможем написать уникальную работу
Без плагиата!
Без нейросетей!