Электромеханическая следящая система углового перемещения объекта
Курсовая
работа
Электромеханическая
следящая система углового перемещения объекта
Введение
автоматический частотный усилитель двигатель
В настоящее время в приборостроении
применяется десятки тысяч различных типов систем автоматического регулирования
(САР), которые обеспечивают высокую эффективность производственных процессов.
Современные САР представляют собой сложные
динамические системы, обеспечивающие высокую точность обработки сигналов
управления в условиях действия различных возмущений и помех. При больших
величинах возмущений и уровней помех нарушаются нормальные эксплуатационные
режимы, снижается точность, и ухудшаются показатели качества переходных
процессов в системах по сравнению с заданными техническими условиями.
Проектирование таких САР представляет
собой достаточно сложную проблему, так как в них входят устройства и объекты
управления различной физической природы. При проектировании САР довольно часто
необходимо располагать амплитудно-фазовыми частотными характеристиками, по которым
находят запасы устойчивости всей разомкнутой системы. Пользуясь ими, можно
оценивать влияние изменений параметров элементов системы и объектов на ее
устойчивость в замкнутом состоянии. Методы исследования систем в частотной
области позволяют находить также показатели качества и характеристики точности.
Задача разработки САР состоит в том, чтобы, располагая
некоторыми сведениями об объекте и заданным техническими требованиями к системе
в целом (качеству, точности, запасу устойчивости, надежности, усилению по
мощности и т.д.), выбрать соответствующую элементную базу и составить схему
системы, обеспечивающую реализацию этих требований.
Разработка и проектирование САР является сложной задачей,
которая состоит из следующих этапов:
1
определение
характеристик и параметров объекта регулирования и условий его работы;
составление математических моделей;
2
формулировки
требований к САР
3
выбор
структуры и первоначальной схемы;
4
выбора
элементов схемы регулирования с учетом статических, динамических,
энергетических и эксплуатационных требований и т.д.;
5
определения
законов регулирования и расчета корректирующих устройств, обеспечивающих
заданные требования;
6
уточнения
структурной схемы системы регулирования, выбора и расчета ее элементов и
параметров;
7
экспериментального
исследования системы регулирования (или отдельных ее частей) в лабораторных
условиях и внесения соответствующих исправлений в ее схему и конструкцию;
8
проектирования
и производства системы регулирования;
9
наладка
системы регулирования в реальных условиях ее работы;
10 опытной эксплуатации.
Выбор отдельных устройств системы начинается с определения
мощности двигателя, необходимого для перемещения управляемого объекта.
Определение мощности является исходным моментом для статического расчета
следящей системы. В процессе этого сначала выбирается исполнительный двигатель
и усилители мощности, предварительный и конечный, а затем устройство измерения
входной и выходной величин системы их системы соединения для получения сигнала
ошибки и др.
Если в качестве исполнительного двигателя выбираем
электрический двигатель, то для его соединения с объектом используется
редуктор.
После выбора исполнительных устройств и соединения их в
замкнутую систему, необходимо обеспечить работоспособность и качество работы
системы. Эти задачи решаются при помощи динамического расчета. В результате
этого расчета выбираются схемы и устанавливаются численные значения параметров
корректирующих устройств, предназначенных обеспечить работоспособность и
надлежащее качество системы.
Устойчивость является необходимым, но не
достаточным условием нормального функционирования САР. Наличие устойчивости
свидетельствует лишь о том, что переходный процесс, вызванный действием
внешнего воздействия или существованием ненулевых начальных условий, является
затухающим. Но при этом не определяются, ни время затухания, ни максимальное
отклонение регулируемой величины, ни число колебаний. А именно эти показатели и
характеризуют качество протекания процессов регулирования.
Целью данного курсового проекта является
закрепление и практическое применение полученных знаний для расчета силовой
следящей автоматической системы регулирования.
1. Описание принципа действия выбранной
конструкции следящей системы автоматического регулирования (САР)
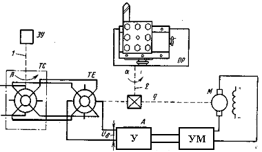
Выбранная система показана на рис. 1.1 и
представляет собой следящий привод, управляющий положением суппорта станка. От
разности угловых положений задающего и исполнительного валов зависит
управляющий сигнал, вырабатываемый с помощью измерителя рассогласования на двух
вращающихся трансформаторах (ВТ). Один ВТ (датчик ТС) связан с задающим валом,
другой ВТ (приемник ТЕ) связан с исполнительным валом. Они играют роль
сравнивающего устройства. Так как величина ошибки может быть небольшой, но её
необходимо компенсировать, в исходной САР добавлен электронный усилитель 3.
Сигнал с усилителя идёт через усилитель мощности на исполнительный двигатель 4.
Последний через редуктор 5 соединён с трансформатором - приёмником 2 и объектом
регулирования 8. Задание регулируемой величины происходит на трансформаторе -
датчике. Электронный усилитель 3 состоит из одного каскада, необходимого для
усиления сигнала рассогласования. Напряжение рассогласования Uδ, снимаемое с ВТ-приемника и пропорциональное разности р - а,
поступает на вход усилителя А, а затем через усилитель мощности УМ подается на
исполнительный двигатель М. Двигатель через редуктор q перемещает суппорт
станка и одновременно ВТ-приемник в направлении уменьшения ошибки
рассогласования. В момент, когда суппорт достигает согласованного положения (а
= р), напряжение управления Uδ становится равным нулю,
и двигатель останавливается.
Рисунок 1.1 - Исходная САР
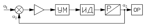
Рисунок 1.2. - Функциональная схема исходной САР
. Выбор и расчёт исполнительного двигателя
(определение передаточной функции)
Исполнительным устройством (ИУ) СП называется устройство,
предназначенное для перемещения ОР в соответствии с заданным законом
регулирования. ИУ СП работают в сложных динамических режимах слежения за
сигналом рассогласования. Отсюда вытекают специфические требования к этим
устройствам: обеспечение необходимых выходных усилий во всех режимах работы и
способность выдерживать кратковременные перегрузки, возникающие в приводе;
обеспечение высоких скоростей и ускорений по перемещению ОР; плавное
регулирование в широких пределах и обеспечение независимости частоты вращения
от изменения нагрузки; отсутствие «самохода»; малая инерционность и способность
работать в определённых температурных диапазонах без перегрева. Кроме
перечисленных к ИУ предъявляют и общетехнические требования: малые масса и
размеры, высокая надёжность при механических и климатических воздействиях.
В СП в качестве ИУ применяют электродвигатели постоянного и
переменного тока, электромагнитные устройства (муфты, преобразователи, шаговые
двигатели), гидравлические устройства.
Для выбора ИУ (в нашем случае двигателя) определим мощность
ИД, необходимую для перемещения нагрузки с требуемой скоростью и ускорением.
Выбираем двигатель М-31. По данным, взятым из [1] определяем
технические характеристики двигателя.
Мощность двигателя Рд.ном=0,45 кВт
Частота вращения nном=3000 мин-1
Напряжение питания Uном=110 В
Ток якоря Iя=5,6 А
Сопротивление обмотки якоря Rя=0,345 Ом
Момент номинальный Мном=1,45Н×м
Момент инерции Jд=91,8*10-4 кг×м2
Определим оптимальное передаточное отношение
Проверим, подходит ли выбранный двигатель по скорости
Выбранный двигатель по скорости подходит
Проверим, подходит ли выбранный двигатель на перегрузку
Двигатель удовлетворяет требованиям на перегрузку.
Делаем вывод, что двигатель М - 31 выбран правильно, так как он
удовлетворяет условию обеспечения требуемых скорости и ускорения.
Определим передаточную функцию двигателя
Рассчитаем следующие коэффициенты:
Коэффициент противоЭДС:
Коэффициент момента или токовая постоянная
Полный момент инерции нагрузки, приведённый к валу двигателя, при
Механическая постоянная времени:
Коэффициент передачи двигателя по скорости:
Передаточная функция двигателя:
Рассмотрим другие элементы нашей САР.
3. Выбор сравнивающего устройства
Наибольшая статическая ошибка -
. Суммарная ошибка -
. Так как
, то необходимо использовать канал точного
отсчета.
Передаточная функция для данного типа устройств следующая:
. Выбор усилителя мощности
В
контуре регулирования СП усилитель относится к изменяемой части, так как его
выбирают на основе уже известных характеристик чувствительных и исполнительных
элементов из условия обеспечения заданной точности системы. Поскольку общий
коэффициент усиления разомкнутой системы обычно невелик, то для получения
заданной добротности коэффициент передачи усилителя по напряжению должен быть
высоким. Кроме того, для обеспечения требуемой мощности управления ИУ усилитель
должен обладать высоким коэффициентом усиления по мощности.
Усилительные устройства СП должны отвечать техническим
требованиям по линейности статических характеристик, входному сопротивлению,
зоне нечувствительности, стабильности нуля, линейности суммирования входных
сигналов и безинерционности.
Выбор усилителя и его структуры зависит от назначения и
условия работы проектируемого СП, типа источника входного сигнала и ИУ,
качественных показателей и эксплуатационных требований. Но определяющим
фактором при выборе усилителя является тип ИУ, его мощность и режим работы.
Для питания двигателя возьмем электромашинный усилитель.
Выбор усилительного элемента определяется типом САР, а также
требуемой мощностью. Требуемая мощность усилителя должна быть больше мощности,
необходимой для управления двигателем.
Критерием выбора усилителя являются выражения:
Н.ЭМУ =UН.Д IН.ЭМУ/IН.Д>1
Для двигателя М-31 выбираем усилитель ЭМУ-12А со следующими
параметрами
Iном=9,1 A Рвх=0,4 Вт
Uном=110 В nном=2850 об/мин
Iy=8,5 мA Ту=0,07 с
Ia=3,75 A Та=0,084 с
Ry=1830 Oм
UН.ЭМУ =UН.Д = 110 В
ЭМУ выбран правильно, так как выполнены требования по обеспечению
номинальных параметров двигателя.
Определяем коэффициент усиления ЭМУ по напряжению:
Передаточная функция ЭМУ:
. Определение общей передаточной функции исходной САР
Передаточная функция электрического усилителя равна заданному
коэффициенту усиления системы.
.
Габариты двигателя зависят от частоты вращения выходного
вала. С уменьшением частоты вращения габариты увеличиваются. С целью
обеспечения необходимой частоты вращения выходного звена в САР включают
редуктор.
Для редуктора передаточная функция обратно пропорциональна
оптимальному передаточному отношению для двигателя
Общая передаточная функция для исходной САР будет являться
произведением передаточных функций составляющих звеньев:
W(p)=W(p)двW(p)уW(p)р W(p)эму W(p)с.у.
Структурная схема исходной САР представлена в приложении 3, рис.
3.1.
. Определение устойчивости исходной САР
Устойчивостью САР называется способность системы возвращаться в
исходное состояние, из которого она была выведена под действием внешних
возмущающих факторов, после прекращения действия этих факторов.
Для определения устойчивости воспользуемся критерием Гурвица:
система будет устойчива, если коэффициенты характеристического уравнения больше
0 и определитель 1-го, 2-го до n-1 порядка
положителен.
Передаточная функция разомкнутой системы:
Передаточная функция замкнутой
системы, [14, c. 17]:
1) коэффициенты характеристического уравнения больше нуля:
2) определители 2-го и 3-го порядков должны быть
положительны:
) Запишем вид главного определителя:
Определитель 2-го порядка:
Определитель 3-го порядка:
> 0.
Следовательно, по критерию Гурвица, система устойчива.
Окончательный вид передаточной функции САР следующий:
Проверим устойчивость системы с помощью критерия Михайлова.
Замкнутая система будет устойчива, если функция Михайлова начинается на
положительной действительной оси и огибает против часовой стрелки начало
координат, проходя при этом n квадрантов
(где n - порядок характеристического многочлена F(р)):
Заменим в характеристическом уравнении замкнутой системы
комплексную переменную p мнимой
переменной
, т.е.
Выделим действительную и мнимую части:
Из графика (рис. 6.1.) видно, что линейная система 4-го порядка
устойчива, так как при изменении
от 0 до
годограф Михайлова последовательно обходит
4 квадранта комплексной плоскости против часовой стрелки, начинаясь в точке на
положительной вещественной полуоси, и нигде не проходит через начало координат.
В качестве эффективного метода нахождения границ устойчивости
можно применить метод Д-разбиения.
Характеристическое уравнение системы, [14, c. 18]:
Заменим комплексную переменную p мнимой переменной
. После этого находим мнимую и вещественную части (в общем виде
) и на комплексной плоскости, изменяя w от 0 до бесконечности, строим график D-разбиения (рис. 6.2.).
Рисунок
6.1. - Определение устойчивости по методу Михайлова
Затем строится зеркальная характеристика. Область
устойчивости определяется методом штриховки: двигаясь по кривой от -¥ до +¥ с левой стороны нанесём
штриховку.
Область предполагаемой устойчивости лежит там, где штриховка
обращена внутрь. Граница D-разбиения для исходной САР показана на рисунке 6.2.
Рисунок 6.2. - D-разбиения для исходной САР.
Мы видим, что параметр К находится в пределах от 0 до
13,67.
Окончательный вид передаточной функции САР следующий:
7. Анализ качества исходной САР по частотных характеристикам
(АФЧХ, АЧХ, ФЧХ, ВЧХ, ЛАЧХ, ЛФЧХ)
Для построения частотных характеристик системы выделим действительную
(Re(ω))
и мнимую (Im(ω))
части из передаточной функции
исходной незамкнутой системы.
Для этого произведём замену р=jw. Для того, чтобы избавиться от комплексного числа в знаменателе,
необходимо и числитель и знаменатель домножить на комлексно-сопряжённое
выражение. После этого получим в явном виде действительную (Re(ω)) и мнимую (Im(ω)) части.
Передаточная функция разомкнутой системы:
Передаточная функция замкнутой системы:
(1)
Для получения частотной передаточной функции необходимо в
передаточной функции в операторной форме заменить p на jw, [14, c. 14]:
Преобразуем:
Домножим на комплексно сопряженное выражение и числитель и
знаменатель (избавимся от мнимости в знаменателе):
Выделим действительную и мнимую части:
Преобразуем и получим тогда:
.ЛАЧХ - логарифмическая амплитудно-частотная характеристика
системы. ЛАЧХ строят по следующему алгоритму: определяются опорные частоты
звеньев. В нашем случае это будут частоты:
w1=1/Т1=1/0,084=11,9 с-1
w2=1/Т2=1/0,07=14,29 с-1
w3=1/Т3=1/0,047=21,28 с-1
На частоте, соответствующей w =1с-1 находят
значение:
logk=20log3,49=10,9
Из этой точки под наклоном -20дБ/дек проводят прямую до
пересечения с асимптотой w1. Теперь прямая уже с наклоном -40дБ/дек пойдет
до пересечения с асимптотой, соответствующей w2. Потом ЛАЧХ имеет
наклон -60дБ/дек до пересечения с асимптотой w3 и последний наклон ЛАЧХ
-80дБ/дек. ЛАЧХ исходной системы изображена в приложении 1 на рис. 1.1.
. ЛФЧХ - логарифмическая фазо-частотная характеристика
системы.
При построении ЛФЧХ следует учесть, что каждое динамическое
звено дает сдвиг по фазе выходных сигналов по отношению к входным в зависимости
от его вида на следующие величины, [14, c. 14]:
) идеальное интегрирующее на - p/2;
) апериодическое на - аrctg(w×T).
ЛФЧХ в соответствии с этим примет вид:
С помощью ЛАФЧХ легко проверить САР на устойчивость и определить
запас устойчивости по амплитуде и по фазе. Запас устойчивости по амплитуде
определяется ординатой ЛАЧХ, соответствующей точке пересечения ЛФЧХ с прямой -p и равен
. Запас устойчивости по фазе определяется превышением ЛФЧХ над
прямой -p при частоте среза wср и равен
.
ЛФЧХ исходной системы изображена в приложении 1 на рис. 1.2.
3. АЧХ - аплитудно-частотная характеристика. Значение
амплитуды находятся по формуле:
где Re(w) -
действительная часть, Im(w) - мнимая часть передаточной функции (1).
Подставляя значения w от 0 до ¥, получим
АЧХ замкнутой системы. АЧХ исходной системы изображена в приложении 1 на рис.
1.3.
. ФЧХ - фазочастотная характеристика. Значение фазы находятся по
формуле:
где Re(w) -
действительная часть, Im(w) - мнимая часть передаточной функции (1).
Задавая значения w от 0 до
¥, получим ФЧХ замкнутой системы. ФЧХ
исходной системы изображена в приложении 1 на рис. 1.4.
.АФЧХ - аплитудно-фазо-частотная характеристика. Эта
характеристика соответствует уравнению
где Re(w) -
действительная часть, Im(w) - мнимая часть передаточной функции (1).
Подставляя значения w от 0 до ¥, получим
АФЧХ замкнутой системы. АФЧХ исходной системы изображена в приложении 1 на рис.
1.5.
. ВЧХ - вещественно-частотная характеристика. Эта характеристика
соответствует уравнению:
где Re(w) -
действительная часть (1).
ВЧХ исходной системы изображена в приложении 1 на рис. 1.6.
Теперь проанализируем качество работы исходной САР.
Устойчивость является необходимым, но не достаточным условием нормального
функционирования САР. Поэтому также определяют качество переходных процессов в
системе автоматического регулирования. Оценить качество можно или
непосредственно по опытным или по расчетным кривым переходного процесса, или
косвенно по каким-либо другим динамическим параметрам. Оценки качества,
полученные непосредственно по кривым переходного процесса, называются прямыми
оценками. Все другие относятся к косвенным оценкам.
Для определения показателей качества необходимо построение
кривой переходного процесса (приложение 1, рис. 1.7). Кривая переходного
процесса связана с ВЧХ следующей зависимостью, [14, c. 31]:
.
Определение качественных показателей по кривой переходного
процесса:
В данном случае время переходного процесса будет равно:
.
Перерегулирование - относительная величина максимального
отклонения регулируемой величины от установившегося значения, [14, c. 31]:
.
Статическая ошибка, [14, c. 31]:
.
Определение качественных параметров по АЧХ системы (приложение 1,
рис. 1.3.):
Показатель колебательности, [14, c. 30]:
.
Ширина полосы пропускания - чем она шире, тем меньше длительность
переходного процесса:
.
Определение качественных параметров с использованием ВЧХ
(приложение 1, рис. 1.6):
Начальная ордината ВЧХ равна установившемуся процессу переходной
кривой:
.
Частота, ограничивающая интервал положительных ВЧХ:
.
Перерегулирование в системе, [14, c. 31]:
.
Время переходного процесса будет, [14, c. 31]:
.
Для определения качества работы следящей
системы определим положение рабочей точки, которая определяет работу системы с
заданными показателями скорости и ускорения. Рабочая точка имеет следующие
координаты, [14, c.
19]:
Ар(
),
где
=1,5’=0,000435 рад
Определим координаты рабочей точки, [14, c. 19]:
дБ.
Рабочая частота -
,
где
- максимальное угловое ускорение вала,
- максимальная частота вращения вала.
Координаты рабочей точки Ар(
).
Анализируя положение рабочей точки, находим, что исходная
система не удовлетворяет требованиям по качеству работы САР, так как она
располагается выше исходной ЛАЧХ.
Анализ ЛАЧХ и ЛФЧХ показывает, что система не дает заданного
запаса по амплитуде и фазе, хотя и является устойчивой по коэффициенту
усиления. Анализ переходного процесса исходной САР показывает, что время
переходного процесса составляет 1,56 с, что превышает заданные 0,5 с, при этом
система сделает 2 колебаний. Перерегулирование в исходной системе составляет
15,5%. График переходного процесса представлен в приложении 1 на рис. 1.7.
Итак, определив качественные параметры системы, мы видим, что
система недостаточно качественна, и требуется ее коррекция.
. Корректировка качества работы исходной САР.
Построение желаемой ЛАЧХ и ЛФЧХ
Для того чтобы система соответствовала заданным показателям
качества, т.е. работала с заданными показателями скорости и ускорения, а также
имела заданные запасы устойчивости по амплитуде и ускорению, необходимо
произвести корректировку системы, для этого строится ЖЛАЧХ. Перед построением
желаемой ЛАЧХ (ЛФЧХ) необходимо найти несколько характерных точек, через
которые она должна проходить.
Рабочая точка - это максимальная частота входного
синусоидального сигнала, при котором динамическая ошибка системы еще не должна
быть больше заданной.
Координаты рабочей точки были найдены ранее (см. п. 3):
Ар(
).
Определим частоту среза и граничные частоты для построения
среднечастотного участка желаемой ЛАЧХ.
Частота среза, [14, c. 20]:
,
Где b - коэффициент, находимый из номограммы
Солодовникова по допустимому перерегулированию:
(
- необходимый запас по фазе). По
номограмме b=8.
Частоты начала и конца среднечастотного
участка ЖЛАЧХ определяем по уравнению, [14, c. 20]:
.
Проводим через
прямую наклоном
до пересечения с асимптотами
и
. Высокочастотный участок ЖЛАЧХ проводят
параллельно высокочастотному участку ЛАЧХ исходной САР, причем осуществим этот
переход благодаря дополнительно введенной частоте. Сопряжение высоко- и
среднечастотного участков ЖЛАЧХ осуществим при помощи участка с наклоном -60
дБ/дек. Точка пересечения
примем равной 2000Гц. Сопряжение низко- и
среднечастотного участков ЖЛАЧХ осуществим при помощи участка с наклоном -40
дБ/дек. Точка пересечения
низкочастотного участка с сопрягающим
участком определяется путём математических преобразований. Расчет дает
Гц. При этом коэффициент усиления будет
равен
, т.к. при
сопряжение среднечастотного и низкочастотного участков невозможно
с помощью линии наклоном в -40 дБ/дек.
Наклон низкочастотной части ЖЛАЧХ должен совпадать с наклоном ЛАЧХ
исходной системы. Чтобы ЖЛАЧХ совпадала либо проходила над рабочей точкой,
необходимо ее прохождение на частоте 1,25 Гц выше ординаты 57,3 дБ. Поэтому
проведем низкочастотный участок через точку (1,25 Гц, 57,3 дБ) под наклоном
-20дБ/дек, как у исходной ЛАЧХ.
Постоянные времени скорректированной САР:
,
,
.
Желаемая передаточная функция САР:
ЛФЧХ скорректированной САР определяется формулой:
.
Все выкладки приведены в Приложении 2 к данной курсовой работе.
ЖЛАЧХ изображена на рис. 2.1, ЖЛФЧХ на рис. 2.2.
9. Определение области устойчивости расчетной САР по коэффициенту
усиления
Для построения области устойчивости САР по коэффициенту
усиления разрешим характеристическое уравнение замкнутой скорректированной САР
относительно коэффициента усиления. Получим:
Характеристическое уравнение системы, [14, c. 18]:
Заменим комплексную переменную p мнимой переменной
. После этого находим мнимую и вещественную части (в общем виде
) и на комплексной плоскости, изменяя w от 0 до бесконечности, строим график D-разбиения. Затем строится зеркальная характеристика.
Область устойчивости определяется методом штриховки: двигаясь по кривой от -¥ до +¥ с левой стороны нанесём штриховку. Область предполагаемой
устойчивости лежит там, где штриховка обращена внутрь. Граница D-разбиения для скорректированной САР показана в приложении
2, рис. 3. Мы видим, что параметр К находится в пределах от 0 до 6220.
Общий коэффициент скорректированной САР
.
Построение кривой D-разбиения
показывает, что максимальный коэффициент усиления, при котором система
устойчива:
.
Кривая D-разбиения изображена в приложении 2, рис.
2.3.
. Расчет последовательных и встречно-параллельных корректирующих
звеньев аналитически и по ЛАЧХ
Выбор
корректирующих динамических звеньев и определение их передаточных функций
Кривые исходной и желаемой ЛАЧХ не совпадают. Проведем
некоторые изменения в исходной ЛАЧХ, которые приблизят ее к желаемой.
Поднимем по оси ординат исходную ЛАЧХ, для чего вычислим
коэффициент усилителя, который необходимо включить в систему последовательно с
основным усилителем, [14, c. 21]:
,
Прямые с наклоном -20 дБ/дек совпали, но имеют разную
протяженность. Перенесем частоту
в точку с частотой
. Для этого надо охватить звено ЭМУ обратной связью. Найдем
передаточную функцию этой обратной связи, [14, c. 23]:
,
.
После выполнения этой операции график ЛАЧХ изменится следующим
образом:
Перенесем частоту
в точку с частотой
, для того чтоб прямые с наклоном -80 дБ/дек совпали. Для этого
охватим звено двигателя обратной связью. Найдем передаточную функцию обратной
связи:
Обозначим через Z(p) передаточную функцию ОС, [14, c. 23]. Тогда
p (0,047p+1) +2,94Z(p) = p (0,0029p+1)
График ЛАЧХ теперь выглядит следующим образом:
Прямые с наклоном -40 и дБ/дек совпали. Перенесем частоту
в точку с частотой
. Для этого охватим уже скорректированное
звено ЭМУ еще одной обратной связью. Найдем передаточную функцию этой обратной
связи, [14, c. 23]:
,
.
После выполнения этой операции график ЛАЧХ изменится следующим
образом:
Теперь исходная и желаемая ЛАЧХ практически совпадают.
Найдем передаточную функцию звена, которое необходимо включить
последовательно, чтобы система была окончательно скорректирована. Для этого от
ординаты желаемой ЛАЧХ отнимем координату ЛАЧХ исходной, и получим ЛАЧХ
корректирующего звена (рис. 10.1.1).
ЛАЧХ будет иметь наклон 0дБ/дек при частоте меньшей 34,9 Гц и
частоте большей 349 Гц, и 20 дБ/дек при частотах от 34,9 Гц до 349 Гц. Опишем
такую ЛАЧХ передаточной функцией, [14, c. 26]:
.
Рисунок 10.1. - ЛАЧХ корректирующего звена
Расчет последовательных и встречно-параллельных корректирующих
звеньев
В ходе корректировки исходной САР были получены передаточные
функции корректирующих звеньев. Теперь перед нами стоит задача технически
реализовать эти звенья, то есть подобрать такие параметры корректировочных
устройств, чтобы они соответствовали их передаточным функциям.
По структурной схеме скорректированной САР видим корректирующие
звенья:
Усилитель, включенный последовательно с Кк=258
Последовательное пассивное дифференцирующее звено с передаточной
функцией
;
Два встречно-параллельных активных звена, охватывающих ЭМУ, с
передаточными функциями
и
;
Звено встречно-параллельное активное, охватывающее двигатель, с
передаточной функцией
.
Рисунок 10.2. - Последовательное пассивное дифференцирующее звено
Найдем параметры цепи, полагая R1 = 1кОм, [14, c. 27]:
T1 = R1C C = T1/R1 = 0,029/1000=29мкФ
Рассчитаем новый коэффициент усиления усилителя:
/0,1=10, следовательно, Кк=258*10=2580.
Рисунок 10.3. - Встречно-параллельное активное звено
Имеет общую передаточную функцию вида
, где:
и
.
Первое встречно-параллельное активное звено:
,
.
Если принять
и
, тогда
и
.
Второе встречно-параллельное активное звено, [14, c. 27]:
,
.
Если принять
и
, тогда
и
.
Для реализации звена, охватывающего двигатель обратной связью,
необходимо учесть, что мы охватываем обратной связью двигатель, у которого
выходной величиной является угол поворота вала. Поэтому на выходной вал
необходимо установить тахогенератор постоянного тока. Напряжение на его
обмотках будет пропорционально угловой скорости, то есть его передаточная
функция, [14, c. 27]:
Выберем тахогенератор с крутизной характеристики
. Последовательно тахогенератору
необходимо включить еще одно дифференцирующее звено на операционном усилителе,
на вход которого включен конденсатор. Это будет соответствовать звену с
передаточной функцией:
.
Найдем параметр Т этого звена. Передаточная функция всей обратной
связи
, тахогенератора 0,1 р.
Поэтому параметр Т равен, [14, c. 27]:
Рисунок 10.4 - Схема дифференцирующей цепи
Полагая R=10 кОм, получим С=15 мкФ.
Структурная схема скорректированной САР представлена в
приложении 3, рис. 3.2.
. Анализ качества скорректированной САР по
частотным характеристикам (АФЧХ, АЧХ, ФЧХ, ВЧХ, ЛАЧХ, ЛФЧХ)
Для построения частотных характеристик системы выделим
действительную (Re(ω)) и мнимую (Im(ω)) части из передаточной функции исходной незамкнутой системы.
Для этого произведём замену р=jw. Для того, чтобы
избавиться от комплексного числа в знаменателе, необходимо и числитель и
знаменатель домножить на комлексно-сопряжённое выражение. После этого получим в
явном виде действительную (Re(ω)) и мнимую (Im(ω)) части.
Передаточная функция разомкнутой системы (1):
Передаточная функция замкнутой системы (2):
Для получения частотной передаточной функции необходимо в
передаточной функции в операторной форме заменить p на jw:
Преобразуем знаменатель
Следовательно:
Домножим на комплексно сопряженное выражение и числитель и
знаменатель (избавимся от мнимости в знаменателе):
Выделим действительную и мнимую части:
Преобразуем:
Тогда:
1.ЛАЧХ - логарифмическая амплитудно-частотная характеристика
системы. ЛАЧХ стоят по следующему алгоритму: определяются опорные частоты
звеньев. В нашем случае это будут частоты, [14, c. 28]:
w1=1/Т1=1/0,2=5
с-1
w2=1/Т2=1/0,029=34,9
с-1
w3=1/Т3=1/0,0029=349
с-1
w4=1/Т4=1/0,001=1000
с-1
На частоте, соответствующей w =1с-1 находят значение
logk=20log900=59,1дБ
Из этой точки под наклоном -20дБ/дек проводят прямую до
пересечения с асимптотой w1. Теперь прямая уже с наклоном -40дБ/дек
пойдет до пересечения с асимптотой, соответствующей w2. Потом ЛАЧХ имеет наклон -20дБ/дек до пересечения с асимптотой w3 имеет наклон -60дБ/дек до пересечения с асимптотой w4 и последний наклон ЛАЧХ -80дБ/дек. ЛАЧХ скорректированной системы
изображена в приложении 2 на рис. 2.5.
.ЛФЧХ - логарифмическая фазо-частотная характеристика системы.
Её строят в соответствии с уравнением, [14, c. 29]:
С помощью ЛАФЧХ легко проверить САР на устойчивость и определить
запас устойчивости по амплитуде и по фазе. Запас устойчивости по амплитуде
определяется ординатой ЛАЧХ, соответствующей точке пересечения ЛФЧХ с прямой -p а равен
. Запас устойчивости по фазе определяется превышением ЛФЧХ над
прямой -p при частоте среза wср и равен
. ЛФЧХ скорректированной системы изображена в приложении 2 на рис.
2.6.
.АЧХ - аплитудно-частотная характеристика. Значение амплитуды
находятся по формуле, [14, c. 30]:
где Re(w) -
действительная часть, Im(w) - мнимая часть передаточной функции (2).
Подставляя значения w от 0 до ¥, получим
АЧХ замкнутой системы. АЧХ скорректированной системы изображена в приложении 2
на рис. 2.7.
.ФЧХ - фазочастотная характеристика. Значение фазы находятся по
формуле, [14, c. 30]:

где Re(w) -
действительная часть, Im(w) - мнимая часть передаточной функции (2).
Задавая значения w от 0 до
¥, получим ФЧХ замкнутой системы. ФЧХ
скорректированной системы изображена в приложении 2 на рис. 2.8.
.АФЧХ - аплитудно-фазо-частотная характеристика. Эта
характеристика соответствует уравнению, [14, c. 29]:
где Re(w) -
действительная часть, Im(w) - мнимая часть передаточной функции (2).
Подставляя значения w от 0 до ¥, получим
АФЧХ замкнутой системы. АФХ скорректированной системы изображена в приложении 2
на рис. 2.9.
.ВЧХ - вещественно-частотная характеристика. Эта характеристика
соответствует уравнению, [14, c. 31]:
где Re(w) -
действительная часть передаточной функции (2).
ВЧХ скорректированной системы изображена в приложении 2 на рис.
2.10.
12. Построение кривой переходного процесса
скорректированной САР. Определение качественных параметров САР
Для исследования качества работы скорректированной САР
используем передаточную функцию скорректированной САР. Передаточная функция
замкнутой скорректированной САР имеет вид:
Для получения частотной передаточной функции необходимо в
передаточной функции в операторной форме заменить p на jw:
Кривая переходного процесса скорректированной САР будет строится
по зависимости, [14, c. 31]:
Кривая переходного процесса скорректированной САР имеет вид,
показанный на рисунке 2.11 в приложении 2.
Определение качественных показателей по кривой переходного
процесса:
Время переходного процесса:
.
Перерегулирование, [14, c. 31]:
.
Число колебаний за время переходного процесса - 1.
Определение качественных параметров по АЧХ системы (приложение 2,
рис. 2.7):
Показатель колебательности, [14, c. 30]:
.
Ширина полосы пропускания - чем она шире, тем меньше длительность
переходного процесса:
Время переходного процесса в первом приближении можно оценить как,
[14, c. 31]:
.
Определение качественных параметров с использованием ВЧХ
(приложение 2, рис. 2.10):
Начальная ордината ВЧХ равна установившемуся процессу переходной
кривой:
.
Частота, ограничивающая интервал положительных ВЧХ:
.
Перерегулирование в системе, [14, c. 31]:
.
Время переходного процесса будет, [14, c. 31]:
.
Теперь мы видим, что перерегулирование составляет 19%, а время
регулирования составляет менее 0,5 с. Таким образом, скорректированная САР
является качественной.
Запас устойчивости по амплитуде определяется значением ЖЛАЧХ при
частоте, на которой ЛФЧХ скорректированной САР пересекает прямую с ординатой
:
Запас устойчивости по фазе определяется превышением ЛФЧХ над
прямой -p при частоте среза wср.
Таким образом, скорректированная САР удовлетворяет всем
требованиям.
Вывод
Как видно из анализа характеристик, конечная система обеспечивает
требуемую точность при заданных скоростях и ускорениях, является устойчивой и
обладает необходимыми запасами устойчивости по амплитуде
и по фазе
, что удовлетворяет требуемую не менее
; перерегулирование
; время переходного процесса
не больше заданного
. Следовательно, спроектированная система
является полностью работоспособной и удовлетворяет поставленным задачам.
Список источников литературы
1. Бесекерский
В.А., Попов Е.П. Теория систем автоматического регулирования. - М.: Наука,
1975. - 768 с.
2. Ганэ
В.А., Степанов В.Л. «Расчет следящих систем» Мн., 1990
. Ильин
В.В. Телеуправление и телеизмерение: Уч. пособие для вузов. - М.: Энергоиздат,
1982. - 560 с.
. Киселев
М.Г., Минченя В.Т..Савченко А.Л., Минченя Н.Т. Элементы автоматики. - Минск:
БНТУ, 2010. - 113 с.
. Ливанов
Ю.В., Жуков В.М. Телемеханика. - М.: Недра, 1978. - 192 с.
. Макаров
В.А. Теоретические вопросы телемеханики. - Л.: ЛГУ, 1974. - 286 с.
. Минченя
В.Т. Автоматика и автоматизация производственных процессов. Лабораторный
практикум. Ч 1. - Минск, 1986.
. Минченя
В.Т., Савченко А.Л. Основы автоматики. Лабораторный практикум. Ч. 1. - Минск,
2002.
. Смирнова
В.И. «Проектирование и расчёт автоматизированных приводов» М., 1990
. Солодовников
В.В., Плотников В.Н., Яковлев А.В. Основы теории и элементы систем
автоматического регулирования. - М.: Машиностроение, 1985.
. Теория
автоматического управления / Под ред. Воронова А.А. - М.: Высшая школа, ч. 1,
2. - 1986.
. Теория
автоматического управления. Учебник / Под ред. А.В. Нетушила. - М.: Высшая
школа, 1983. - 432 с.
. Топчеев
Ю.И. Атлас для проектирования систем автоматического регулирования: Учеб.
пособие для втузов. - М.: Машиностроение, 1978.