Суммирующий синхронный счетчик
МИНИСТЕРСТВО
ОБРАЗОВАНИЯ И НАУКИ УКРАИНЫ
ХАРЬКОВСКИЙ
НАЦИОНАЛЬНЫЙ УНИВЕРСИТЕТ РАДИОЭЛЕКТРОНИКИ
Кафедра БМЕ
Курсовая
работа
по предмету:
Цифровая схемотехника
на тему:
«Суммирующий синхронный счетчик»
ХАРЬКОВ 2003
Реферат
Пояснительная записка содержит страниц текста,
13 рисунков, 5 таблиц, 6 источников.
Целью курсовой работы является разработка и
расчет синхронного суммирующего восьмиразрядного счетчика на основе
JK-триггера.
Задачи, решаемые в данном курсовом проекте:
выбор оптимального типа триггера для реализации
нормального функционирования счетчика;
– минимизация комбинационной схемы управления
работы счетчика.
СИНХРОННЫЙ, СЧЕТЧИК, JK-ТРИГГЕР, СУММИРУЮЩИЙ,
ДИАГРАММА
счетчик программа индикатор
дешифратор
Содержание
Введение
1.
Аналитический обзор
2.
Выбор элементной базы
.
Построение схемы
.
Расчетная часть
.
Моделирование схемы в программе «Electronic Work Bench»
Заключение
Список
использованных источников
Приложения
Введение
В наше время проявляется тенденция к бурному
развитию цифровой электроники. Курсовая работа предполагает рассмотрение и
разработку такого устройства цифровой электроники как суммирующий синхронный
счетчик.
Счетчики получили очень широкое распространение
в самых различных отраслях промышленности, в быту, в повседневной жизни, потому
что они являются многофункциональными устройствами.
Эти устройства используются не только для
подсчета импульсов, поданных на вход, но и для деления входной частоты с
заданным коэффициентом деления.
Актуальность проектирования подобного вида
устройств заключается в том, что они обладают высоким быстродействием,
приемлимой помехоустойчивостью, низкой потребляемой мощностью, относительно
низкой стоимостью.
Счетчики могут применяться в качестве счетчиков
каких-либо изделий на производстве, в роли счетчика частиц (например, фотонов)
и даже в самых обыкновенных электронных часах используются счетчики.
1. Аналитический обзор
Счетчиком называется устройство, предназначенное
для подсчета числа импульсов, поданных на вход. Число разрешенных состояний
счетчика называют его модулем или коэффициентом счета Ксч.
Используется множество различных вариантов
счетчиков: асинхронный и синхронный; двоичные и десятичные; однонаправленные (с
увеличением счета) и двунаправленные (с увеличением или уменьшением счета),
называемые реверсивными, с постоянным или переключаемым коэффициентом деления.
Основа любого счетчика является линейка из нескольких триггеров. Между
триггерами могут быть введены дополнительные обратные связи, позволяющие
получить любой коэффициент деления, а не только равный 2n. Например,
счетчик, состоящий из четырех триггеров, может иметь максимальный коэффициент
деления 24=16.
Для четырехтриггерного счетчика минимальный
выходной код - 0000, максимальный - 1111, а при коэффициенте деления КД=10
выходной счет останавливается при коде 1001=9.
Следовательно, удобно выпускать четырехтригерные
счетчики в двух вариантах: двоичном и десятичном. Расширить функции счетчиков
можно, видоизменяя их цепи управления и вводя дополнительные связи между
триггерами.
Основными временными характеристиками счетчиков
являются максимальная частота поступления счетных импульсов fсч и
время перехода из одного состояния в другое.
По характеру операций счета счетчики делятся на
суммирующие, вычитающие и реверсивные. В зависимости от основания системы
счисления, в которой осуществляется счет, они могут быть двоичными,
двоично-десятичными, двоично-пятеричными и т.д. По схемным признакам счетчики
могут быть асинхронными и синхронными.
В асинхронных счетчиках на тактирующие входы
синхронных триггеров или на информационные входы асинхронных триггеров
информация поступает с выходов соседних триггеров, поэтому триггеры в таких
схемах срабатывают не одновременно, а последовательно, друг за другом. В
синхронных счетчиках все триггеры переключаются одновременно под действием
общего синхронизирующего сигнала, поступающие на тактирующие входы всех
триггеров одновременно.
По способу организации цепей переноса они
делятся на схемы с последовательным, параллельным и групповым переносом.
В счетчиках с последовательным переносом перенос
в соседний старший разряд формируется только после переключения триггера в
предыдущем разряде. Их быстродействие определяется суммой времен установления
(задержки) триггеров всех разрядов.
В счетчиках с параллельным переносом аргументами
функций переносов для каждого разряда являются только сигналы на выходах
триггеров соответствующих сигналов, причем переносы для всех разрядов счетчика
формируются одновременно. Их быстродействие определяется временем установки
одного триггера и одной комбинационной схемы независимо от числа разрядов
счетчика.
Цепи сквозного переноса организуются таким
образом, чтобы функция переноса i-го разряда счетчика являлась аргументом
функции переноса (i+1)-го разряда. В этом случае сигналы переносов для каждого
разряда формируются поочередно, начиная с младших разрядов счетчика. Счетчики
со сквозным переносом требуют меньшего числа логических элементов для
организации цепей переноса, но уступают счетчикам с параллельным переносом в
быстродействии. Их быстродействие определяется в худшем случае переключением n
логических схем в цепях сквозного переноса и одного триггера (n - число
разрядов счетчика).
Если счет выполняется в канонической двоичной
системе счисления (в однородной позиционной двоичной системе счисления с
естественным порядком весов), то такой счетчик называют с естественным порядком
счета. Коэффициент счета при этом может быть Ксч≤2n,
но независимо от его значения счет выполняется от 0 до Ксч.
Если счет выполняется в неканонических системах
(например, символических, с искусственным порядком весов и т.д.), то порядок
счета считается искусственным (произвольным).
В счетчиках Ксч ≠2n
и произвольным порядком счета наиболее часто применяются схемы с принудительным
насчетом и с начальной установкой.
Счетчики, выполненные в виде отдельных
функциональных узлов, имеются в составе многих серий микросхем. Номенклатуру
счетчиков отличает большое многообразие. Многие из них обладают универсальными
свойствами и позволяют управлять коэффициентом и направлением счета, вводить до
начала цикла исходное число, прекращать по команде счет, наращивать число
разрядов и т.п.
В ряде случаев, однако, может возникнуть
необходимость в счетчике с нетиповыми характеристиками. Такие счетчики синтезируются
из отдельных триггеров и логических элементов.
Простейший двоичный счетчик может быть
реализован путем последовательного соединения счетных Т-триггеров (рис. 1.1).
Рисунок 1.1 - Двоичный суммирующий счетчик с последовательным
переносом
При построении временных диаграмм учитывалось,
что каждый триггер изменяет свое состояние по спадающему фронту «1-0» на своем
синхровходе. Логические уровни на выходах триггеров соответствуют двоичным
числам, которые возрастают с приходом каждого входного импульса. Это объясняет
название: «суммирующий двоичный счетчик».
Из временных диаграмм следует, что частота на
выходе каждого триггера уменьшается в два раза. Поэтому двоичные счетчики
называют также делителями частоты. Общий коэффициент деления равен:
,
где: n - количество последовательно включенных
триггеров.
На основе Т-триггеров можно построить вычитающий
двоичный счетчик, если на вход следующего триггера подавать сигналы с
инверсного выхода предыдущего триггера. Вычитающий двоичный счетчик можно
реализовать также по схеме на рис.1.2, если использовать Т-триггеры,
управляемые восходящим фронтом «0-1».
Рисунок 1.2-Вычитающий двоичный счетчик с
последовательным переносом
Логические уровни на выходах триггеров (см.
временные диаграммы на рис.1.3) соответствуют двоичным числам, которые
уменьшаются с приходом каждого входного импульса. Из нулевого состояния счетчик
переходит - в максимальное (для четырехразрядного счетчика - это код 15).
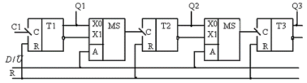
На рис. 1.4 приведен фрагмент реверсивного
счетчика. Этот счетчик может работать как суммирующий при подаче на управляющий
вход «D/~U» низкого логического уровня или как вычитающий, если
подать на управляющий вход высокий логический уровень.
Рисунок 1.3 - Временные диаграммы двоичного
вычитающего счетчика
Переключение режимов реверсивного счетчика
осуществляется мультиплексорами «2 на 1».
В большинстве случаев счетчики имеют цепи
установки всех триггеров в исходное состояние.
Рисунок 1.4-Реверсивный двоичный счетчик с
последовательным переносом
Общим недостатком всех счетчиков с
последовательным переносом (в литературе встречается также название
«асинхронные счетчики») являются большие и неравномерные задержки
распространения входного сигнала до всех выходов триггеров. Особенно большие
задержки распространения сигнала заметны на выходе последнего триггера.
Если выходные логические уровни триггеров подать
на входы дешифратора, то на выходах дешифратора будут заметны «ложные импульсы»
(за счет эффекта гонок) длительностью до 12*tз и более.
Для выравнивания временных задержек всех
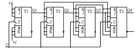
триггеров применяют счетчики с параллельным переносом (рис.1.5), которые
называются также «синхронными счетчиками», потому что входной сигнал С подают
параллельно на синхровходы всех триггеров.

Синхронный счетчик реализован на J-K-триггерах,
имеющих по три входа J и три входа К, объединенных логической операцией
конъюнкции.
Временные диаграммы этого счетчика такие же, как
на рис.1.3. Первый триггер работает в счетном режиме. Для этого на его входы J
и K постоянно поданы уровни логической «1».
Второй триггер изменяет (инвертирует) свое
состояние по фронту «1-0» входного сигнала только при единичном уровне на
выходе Q1.
Третий триггер изменяет свое состояние по фронту
«1-0» входного сигнала С только при единичных уровнях на выходах первого и
второго триггера. Четвертый триггер изменяет свое состояние, когда три первых
триггера находятся в единичном состоянии. Поэтому на входы J, K последнего
триггера поданы выходные сигналы первых трех триггеров.
Все триггеры могут изменять свои состояния
только одновременно по фронту «1-0» входного сигнала. Поэтому задержки
распространения сигналов на всех выходах будут примерно равны (если не считать
технологический разброс параметров триггеров). Такой счетчик обладает
минимальными задержками распространения сигналов от входа С ко всем выходам и
поэтому - максимальным быстродействием.
. Выбор элементной базы
Суммирующие синхронные счетчики (уровни ТТЛ)
строятся из двоичных ячеек - триггеров, из которых срабатывают те, на входе
которых существует сигнал переноса. В настоящее время в счетчиках используется
большое разнообразие триггеров: RS-, T-, JK-, D-триггеры. Наиболее
универсальными из перечисленных типов триггеров являются JK -триггеры. Счетчики
с любым коэффициентом пересчёта выполняются на этих триггерах без каких-либо
дополнительных элементов. Это обусловило широкое применение JК - триггеров в
электронных счетчиках.
Работа JК- триггера описывается следующим
логическим уравнением:
,
где Qn, Кn, Jn
- соответственно значения выходного сигнала и сигналов на входах К и J на
данном такте;n+1 - значение выходного сигнала на последующем такте.
По этому уравнению можно построить
таблицу состояний JK триггера для различных входных сигналов.
Таблица 2.1− Состояния JK
триггера для различных входных сигналов.
|
Qn
|
Jn
|
Kn
|
Qn+1
|
|
0
|
0
|
0
|
0
|
|
0
|
0
|
1
|
0
|
|
0
|
1
|
0
|
1
|
|
0
|
1
|
1
|
1
|
|
1
|
0
|
0
|
1
|
|
1
|
0
|
1
|
0
|
|
1
|
1
|
0
|
1
|
|
1
|
1
|
1
|
0
|
Из уравнения и таблицы видно, что
JК- триггер не меняет своего состояния, если на входах J и К действуют нули,
устанавливается в состояние «1», если на входе J действует «1», на входе К -
«0», устанавливается в состояние «0», при наличии на входе J «0», а на входе К
- «1», и, наконец, изменяет свое состояние на противоположное, если на обоих
входах действуют единичные сигналы. Отсюда следует, что при воздействии
сигналов в отдельности на входы J и К, JК - триггер аналогичен RS -триггеру, а
при подаче сигналов одновременно на К, J - входы (т.е. при их объединении) работает
как счетный триггер. Причем, переключение происходит по окончании сигнала. JК-
триггеры, выпускаемые в микроисполнении, обычно имеют счетный вход, несколько J
и К входов и два установочных входа. По счетному, J, K входам триггер
управляется единичными сигналами, а по установочным - нулевыми. Например,
сдвоенный ТТЛ JК - триггер типа К555ТВ6, имеет по одному счётному и по одному
J, K, R -входу. Его параметры следующие: U0вых
0,4 В, U1вых
2,5 В, Краз=10,
t1,0зр
10 нс, t0,1зр
10 нс, Рпот
2 мВт, f
15 МГц.
Для реализации схемы суммирующего
синхронного счетчика на практике с начальными условиями курсовой работы
возможно использование микросхем серии К155 и К555. Но серия К155 в данное
время почти не применяется.
На смену микросхемам серии К155
промышленность выпускает микросхемы серии К555, отличающихся существенно
меньшей потребляемой мощностью. Обозначения многих микросхем этой серии
содержат такие же буквенно-цифровые индексы, как и микросхемы серии К155,
поскольку логика их работы и «цоколевка» выводов одинаковы.
Напряжение питания +5В±5% подводят к
выводу микросхем с максимальным номером (у К555ТВ6-14 вывод), а общий провод-к
выводу с вдвое меньшим номером (у К555ТВ6-7 вывод).
В цифровых устройствах широко
применялись и еще используются в настоящее время микросхемы серии К155.Однако
наряду с такими достоинствами, как высокое быстродействие, хорошая
помехоустойчивость, обширная номенклатура, они обладают существенным
недостатком - большой потребляемой мощностью. Это заставило разработчиков
выпустить им на смену микросхемы серии К555.Коллекторные переходы входящих в
них транзисторов зашунтированы диодами Шоттки, что позволило исключить их
насыщение и существенно уменьшить задержку выключения. Эти транзисторы имеют
значительно меньшие размеры, следовательно, существенно более низкие емкости
переходов. В результате притом же быстродействии микросхем, что и у серии К155,
удалось снизить потребляемую мощность примерно в 4…5 раз.
Основные технические характеристики
микросхем серии К555.
Средняя потребляемая одним
логическим элементом мощность-2 мВт, рабочий диапазон температур- -10…+70°С,
средняя задержка распространения сигнала-20 нс, максимальный уровень 0-0,36…0,4
В (в зависимости от разновидности схемы), минимальный уровень 1-2,6…2,9 В;
входной ток при уровне 0 на входе-0,36…0,4 мА, при уровне 1-0,02 мА;
максимальный выходной ток при уровне 0 на выходе-8 мА (нагрузочная способность-20
входов микросхем этой же серии), максимальный выходной ток при уровне 1 на
выходе-0,4 мА (некоторый микросхемы допускают большие выходные токи).
Основные правила использования
микросхем серии К555-такие же, как и серии К155. Следует, однако, иметь ввиду,
что они менее помехоустойчивы, а потому критичны к взаимному расположению
сигнальных цепей. Более существенно влияет на их работу и индуктивность цепей
питания, поэтому последние должны быть зашунтированы керамическими
конденсаторами емкостью в несколько десятков нанофарад на каждые 3-5 микросхем
и расположены на плате равномерно. Входы микросхем нельзя оставлять свободными.
Их следует соединить с используемыми входами того же элемента или подать на них
уровень 1, подключив через резистор сопротивлением 1 кОм к источнику напряжения
+5В или к выходу инвертирующего логического элемента, входы которого соединены
с общим проводом. Неиспользуемые входы элементов ИЛИ или ИЛИ-НЕ также соединяют
с общим проводом.
При соблюдении указанных правил
микросхемы серий К555 и К155 взаимозаменяемы. Однако при их совместном
применении следует помнить, что нагрузочная способность микросхем серии К555 на
входы элементов серии К155 равна 5.
Микросхема К555ТВ6 (электрические
характеристики приведены в таблице 2.2, рис 2.1) содержит два JK-триггера с
максимальной рабочей частотой менее 15 МГц. Каждый из них имеет вход для подачи
тактовых импульсов С, информационные J и K и вход сброса R. Приоритетом
пользуется последний. При поступлении на него уровня 0 триггер переключается в
«нулевое» состояние независимо от напряжения на других.
Таблица 2.2-Электрические
характеристики микросхемы К555ТВ6
|
Параметр
|
К555ТВ6
|
Режим
измерения
|
|
I0вх,
мА по входам JK C R
|
-0,36
-0,72 -0,8
|
Т=-10,
+25°С Uи п=5,25 В
|
|
I1вх,
мА по входам JK C R
|
0,02
0,08 0,06
|
Т=+25,
+70°С Uи п=5,25 В
|
|
U0вых,
В
|
0,5
|
|
U1вых,
В
|
2,7
|
Т=-10,
+25, +70°С Uи п=4,75 В I1вых=-0,4 мА
|
|
Iпот,
мА
|
8
|
Т=+25°С
Uи п=5,25 Uвх=0 В
|
|
t0,1здр,
нс
|
10
|
Т=+25°С
Сн=15 пФ Rн=2 кОм Uи п=5 В
|
|
t1,0здр,
нс
|
10
|
|
|
Рпот,
мВт
|
2
|
|
При уровне «1» на входе R разрешается запись
информации с входов J и K по спаду импульсов положительной полярности на входе
С триггера. Если на вход J подан уровень «1», а на вход К- уровень «0», триггер
устанавливается в «единичное» состояние, если наоборот- в «нулевое». При уровне
«0» на обоих входах J и K триггер не переключается, при уровне
«1»-устанавливается в другое состояние.
Для переключения триггера важна информация на
входах J и K лишь непосредственно перед спадом уровня на входе С. Сменяться на
них она может в любое другое время.
Рисунок 2.1- Условное графическое обозначение
микросхемы К555ТВ6
Описание выводов микросхемы
выводы 1 и 8-информационные входы J;
и 9-информационные входы К;
и 11-вход для подачи тактовых импульсов С;
и 10-вход сброса R;
(5) и 2(6)-прямой и инверсный выходы
соответственно;
-общий вывод (не обозначен);
-питание микромхемы (не обозначен).
Корпус у данной микросхемы прямоугольный
пластмассовый.
Кроме микросхемы К555ТВ6 из серии К555 в схеме
используется микросхема К555ЛИ1, которая представляет собой четыре элемента
«2И». Корпус у них прямоугольный керамический. Графическое обозначение
микросхемы К555ЛИ1 приведено на рис 2.2.
Рисунок 2.2 - Условное графическое обозначение
микросхемы К555ЛИ1
Электрические параметры этой микросхемы
приведены в таблице 2.3.
Таблица 2.3 - Электрические параметры микросхемы
К555ЛИ1
|
Параметр
|
К555ЛИ1
|
Режим
измерения
|
|
I0вх,
мА
|
-0,36
|
Т=-10,
+25°С Uи п=5,25 В
|
|
I1вх,
мА
|
0,02
|
Т=+25,
+70°С Uи п=5,25 В
|
|
U0вых,
В
|
0,5
|
Т=-10,
+25, +70°С Uи п=4,75 В I0вых=8 мА
|
|
U1вых,
В
|
2,7
|
Т=-10,
+25, +70°С Uи п=4,75 В I1вых=-0,4 мА
|
|
I
0пот, мА
|
8,8
|
Т=+25°С
Uи п=5,25
|
|
I
1пот, мА
|
4,4
|
|
|
t0,1здр,
нс
|
15
|
Т=+25°С
Сн=15 пФ Rн=2 кОм Uи п=5 В
|
|
t1,0здр,
нс
|
15
|
|
Описание выводов микросхемы К555ЛИ1:
,2,4,5,9,10,12,13-входы;
,6,8,11-выходы.
Для индикации результата суммирования счетчика
используется одноразрядный цифро-буквенный полупроводниковый индикатор АЛС314А
с высотой цифры 2,5 мм, из семи сегментов. Изготавливаются на основе планарных
структур галлий-фосфор-мышьяк. Выпускаются в пластмассовом корпусе. Масса не
более 0,25 г.
Индикатор АЛС314А изображен на рис 2.3
Рисунок 2.3 - Условное графическое обозначение
индикатора АЛС314А
Основные параметры индикатора АЛС314А:
Яркость при Iпр=5 мА через каждый
сегмент АЛС314А, не менее-350 кд/м2;
Сила света при Iпр=5 мА через каждый
сегмент АЛС314А, не менее-285 мккд;
Цвет свечения - красный;
Постоянное прямое напряжение при Iпр=5
мА, не более-2 В;
Максимум спектрального распределения излучения
на длине волны-0,65 мкм;
Разброс значений силы света элементов одной
шкалы, не более-3 раза.
Рисунок 2.4 - Условное графическое обозначение
дешифратора 514ИД4А
Дешифраторы 4-разрядного двоичного кода в
сигналы 7-сегментного кода. Выпускаются в металлостеклянном корпусе. При
эксплуатации крепятся к радиатору с тепловым сопротивлением не более 20°С/Вт.
Предназначены для управления полупроводниковыми
7-сегментными цифро-буквенными индикаторами на основе светодиодных структур с
разъемными анодами.
Обозначение выводов:0-D3-информационные
входы, предназначенные для приема 4-разрядного двоичного слова;
Г - вход гашения;
УП - вход управления памятью;, B, C, D, E, F, G
- выходы, подключаемые к анодам сегментов индикатора;
-Uпит;
-общий.
Дешифрирование входных сигналов осуществляется
при установлении низких логических уровней на входах Г и УП. При указанных
условиях микросхема функционирует по следующему логическому закону соответствия
входной (на выводах D3, D2, D1, D0)
и выходной (на выводах A, B, C, D, E, F, G) информации (в скобках указывается
соответствующий символ, индицируемый индикатором):
-1111110 (0), 0001-0110000 (1), 0010-1101101
(2),
-1111001 (3), 0100-0110011 (4), 0101-1011011
(5),
-1011111 (6), 0111-1110000 (7), 1000-1111111
(8),
-1111011 (9), 1010-1110111 (A), 1011-0011111
(B),
-1001110 (C), 1101-0111101 (D), 1110-1001111
(E),
-1000111 (F).
Сигнал высокого логического уровня, поступающий
на вход Г, переводит все выходы дешифратора в состояние логических нулей, при
этом все сегменты индикатора гаснут.
Основные параметры дешифратора 514ИД4А при
Т=25°С приведены в таблице 2.4
Таблица 2.4 - Электрические параметры
дешифратора 514ИД4А
|
Параметр
|
Значение
|
|
I0вх
(при Uвх=0,4 В),мкА
|
800
|
|
I1вх
(при Uвх=2,4 В),мкА
|
40
|
|
I0вых
(при Uвых=1,25 В),мкА
|
200
|
|
I1вых
(при Uвых=1,7 В),мА
|
13
|
|
I1вых
(при Uвых=3 В),мА
|
7
|
|
Iпот
(при выключенных сегментах индикатора),мА
|
60
|
. Построение схемы
Функциональная схема синхронного суммирующего
счетчика представлена на рис 3.1.
Рисунок 3.1 - Схема синхронного суммирующего
счетчика (для n-разрядов)
Составим таблицу истинности для цепи переноса и
логическое выражение для функции i-го рода.
Таблица 3.1-Таблица истинности для цепи переноса
|
ai
|
Pi
|
Ci
|
Pi+1
|
|
0
|
0
|
0
|
0
|
|
0
|
1
|
1
|
0
|
|
1
|
0
|
1
|
0
|
|
1
|
1
|
0
|
1
|
i -
цифра i-го разрядаi - сигнал переноса, который поступает из i-1 в
i-й разрядi - последующая цифра i-го разрядаi+1 - сигнал
переноса, поступающий в более старший разряд)
Логическое выражение для функции i-го рода имеет
вид:
При этом для первого разряда
счетчика сигнал переноса считается равным единице и постоянным.
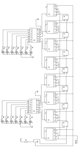
Электрическая принципиальная схема
суммирующего синхронного восьмиразрядного счетчика (уровни ТТЛ) приведена в
приложении А.
Принцип работы данной схемы
заключается в том, что из JK-триггеров составляются Т-триггеры путем подачи на
входы J и K уровня логической единицы. Вводится цепь переноса. Каждое звено
цепи переноса формируют из значения переноса предыдущего разряда и сигнала
переноса для следующего разряда. Так как при поступлении сигнала триггеры
переключаются последовательно, то в итоге получаем параллельный синхронный
суммирующий счетчик.
Сигнал переноса разрешает инверсию
текущего состояния. Если есть сигнал переноса, то на входах JK присутствует
уровень логической единицы. Следовательно, инвертируем значение в счетчике.
. Расчетная часть
Расчет резисторов R2-R8
производится в соответствии с электрической принципиальной схемой, приведенной
в приложении 1 и электрическими характеристиками цифро-буквенного индикатора
АЛС314А и дешифратора 514ИД4А.
Так как цифро-буквенный индикатор
АЛС314А имеет входное напряжение 2 В (на каждом сегменте) при входном токе 3
мА, а дешифратор 514ИД4А выходное напряжение 3В (на каждом выходе), то выходит,
что:2= R3= R4= R5= R6= R7=
R8=1/3·10-3 =300 Ом
здр= 7·tздр(К555ЛИ1)+
tздр(К555ТВ6)
здр=230 нс
Следовательно, fсчmax в
таком случае будет равно:
счmax=1/ tздр=4,3
МГц
Такая максимальная частота счета
вполне удовлетворительна и соответствует заданным условиям. При подстановке
данных результатов в схему, смоделированную в программе «Electronic Work
Bench», счетчик перестает нормально функционировать.
. Моделирование схемы в программе
«Electronic Work Bench»
Программа «Electronic Work Bench»
была создана специально для моделирования практически идеальных электронных и
электрических схем. Чтобы проверить правильность решения задачи, поставленной в
курсовой работе, была смоделирована схема суммирующего синхронного счетчика.
Эта схема приведена на рис 5.1.
Рисунок 5.1 - Схема суммирующего
синхронного счетчика в программе «Electronic Work Bench»
В данной схеме были использованы
JK-триггеры, логические элементы «И», источник питания, генератор прямоугольных
импульсов, индикаторы состояния, комбинированные цифро-буквенные индикаторы,
логический анализатор.
Как видно из рис 5.1, данная схема
содержит те же элементы, что и схема электрическая принципиальная. Однако,
здесь отсутствуют дешифраторы (преимущество программы) и входы сброса в
триггерах (недостаток).
Просимуллировав процесс счета, с
помощью логического анализатора получена временная диаграмма (рис 5.2), которая
соответствуют моменту времени, изображенному на рис 5.1. Из нее следует, что
переключение триггеров происходит по заднему фронту. Это соответствует
теоретическим данным и подтверждает правильность моделирования схемы.
Рисунок 5.2 - Временная
характеристика работы счетчика
Заключение
В данной курсовой работе был
спроектирован суммирующий синхронный счетчик (уровни ТТЛ) с максимальной
частотой счета 4,3 МГц на микросхемах серии К555 (К555ТВ6). Данный счетчик можно
охарактеризовать малой потребляемой мощностью, приемлимой помехоустойчивостью и
высоким быстродействием.
Проектирование данного устройства
производилось двумя методами: теоретическим и визуальным.
Теоретический метод заключался в
правильности выбора для данного вида счетчика элементной базы, от которой
зависят основные параметры устройства, а также расчета элементов схемы. Так,
например, в схеме (см. приложение А) производился расчет сопротивлений для
согласования работы индикатора и дешифратора, подачи напряжения питания на
микросхемы. Кроме этого при выборе элементной базы учитывались такие параметры,
как экономичность, компактность, масс-габаритные параметры.
Визуальный метод предполагал
проектирование данного устройства при помощи программы «Electronic Work Bench»
(версия 5.12). Данный метод обладает, как и всякий другой, рядом преимуществ и
недостатков. Например, к преимуществам можно отнести то, что условия, в которых
проектируется схема максимально приближаются к идеальным, а к недостаткам - ограниченность
элементной базы и программного обеспечения как такового.
Тем не менее, временные диаграммы,
полученные с среде программы «Electronic Work Bench» подтверждают правильность
проектирования теоретическим методом (например, то, что счет происходит по
заднему фронту и т.д.).
То обстоятельство, что
проектирование устройства осуществлялось теоретически и визуально, доказывает
то, что теорию нужно подкреплять практическими навыками.
Данная курсовая работа является
наглядным примером применения интегральных микросхем и теоретических расчетов
на практике.
Список использованных источников
1. Гусев В.Г., Гусев Ю.М.
Электроника - Москва: Высшая школа, 1996г.
2. Гольденбег Л.М. Импульсные
устройства - Москва: Радио и связь, 1981г.
. Изъюрова Г.И., Королев Г.В.
Расчет электронных схем - Москва: Высшая школа, 1987г.
. Яковлев В.Н., Генис А.А.
Справочник по импульсной технике - Киев: Техника, 1971г.
. Ерофеев Ю.М. Импульсные
устройства - Москва: Высшая школа, 1989г.
. Тарабрин Б.В. Интегральные
микросхемы. Справочник - Москва: Радио и связь, 1984г.
Приложение А
Суммирующий синхронный счетчик. Схема
электрическая принципиальная ГЮИК.7.090.804.8 Э3
Приложение Б
|
Поз.
обозн.
|
Наименование
|
Кол
|
Примечание
|
|
DD1-DD8
|
JK-триггер
К555ТВ6
|
4
|
|
|
DD9-DD14
|
Логический
элемент «И» К555ЛИ1
|
2
|
|
|
DD16,
DD17
|
Дешифратор
514ИД4А
|
2
|
|
|
DD18,
DD19
|
Индикатор
АЛС314А
|
2
|
|
|
R1-R8
|
Резистор
МЛТ-0.125 -300 Ом±5%
|
8
|
|
|
|
|
|
|
ГЮИК.7.090.804.26
ПЭ3
|
|
|
|
|
|
|
|
Изм
|
Лист
|
№
документа
|
Подпись
|
Дата
|
|
|
Разработал
|
Шама
А.А...
|
|
|
Суммирующий
синхронный счетчик Перечень элементов
|
Лит.
|
Лист
|
Листов
|
|
Проверил
|
Прасол
И.В.
|
|
|
|
У
|
|
|
|
1
|
|
|
|
|
|
Кафедра
БМЭ
|
|
Н.контроль
|
|
|
|
|
|
|
|
|
|
|
|
|
|
|
|
|
|