Разработка реверсивного счетчика с циклом 21
Введение
Микроэлектроника оказывает
существенное воздействие на многие виды человеческой деятельности.
Современная радиоэлектронная
аппаратура (РЭА) характеризуется тремя основными чертами:
- резким возрастанием
количества компонентов и в связи с этим значительным уплотнением аппаратуры;
- мобильностью, т. к.
РЭА устанавливается на объектах, движущихся с космической скоростью;
- количественным
ростом выпуска аппаратуры и, следовательно, резким увеличением производства.
Для решения основных проблем,
связанных с конструированием и эксплуатацией РЭА, возможности транзисторной
техники оказались ограниченными. Транзисторная РЭА высокой сложности
оказывается ненадежной, дорогой, неэкономичной, имеет большие габариты и массу.
Поэтому потребовался принципиально новый подход к решению задачи: переход от
дискретных компонентов к интегральным. Появилась интегральная электроника или
микроэлектроника, на базе которой создаются новые РЭА.
Использование средств
микроэлектроники - основа современного этапа развития всех отраслей
радиоэлектроники. Процессы производства и применения интегральных микросхем
является совокупным отражением передовых научно-технических достижений в
области физики, радиотехники, электроники, автоматики, кибернетики,
машиностроение. Применение интегральных схем позволило существенно улучшить
параметры РЭА и открыло долговременную перспективу ее поэтапного
усовершенствования.
Переход к интегральным микросхемам
дает возможность существенно усложнить РЭА без усложнения технологии
производства и эксплуатации, обеспечивает выпуск РЭА нового поколения в
требуемых количествах при минимальных трудовых затратах. [1]
Совокупность электрорадиоэлементов,
обеспечивающих заданное действие над сигналом и объединенную в конструктивно
законченную единицу, называют функциональным узлом.
Функциональными узлами являются
также простые цифровые интегральные микросхемы. Обычно функциональными узлами
считают микросхемы, в которых структуры простых интегральных микросхем
соединяются определенным образом для выполнения более сложных функций. Таковы,
например, дешифраторы двоичных кодов, реализованные на конъюнкторах; счетчики
импульсов, содержащие триггеры и конъюнкторы.
Цифровые и функциональные узлы могут
быть комбинационного и последовательностного типа, такие как триггеры, регистры,
счетчики.
Счетчики находят широкое применение
как в вычислительной технике, так и в различных устройствах автоматики. Они
применяются для формирования адреса ячеек запоминающих устройств, счета
количества циклов выполнения операций, запоминания кода в аналого-цифровых
преобразователях, для деления частоты и так далее. [2]
Целью данного курсового проекта
является разработка реверсивного счетчика с циклом 21.
1. Общая часть
.1 Общие сведения о счетчиках
Счетчик - устройство,
предназначенное для подсчета числа сигналов, поступающих на его вход, и
фиксации этого числа в виде кода, хранящегося в триггерах. Для счета и выдачи
результатов в счетчиках имеется один вход и n выходов в зависимости от
количества разрядов, определяющимся наибольшим числом, которое должно быть
получено в каждом конкретном случае.
Счетчик состоит из запоминающих
ячеек - триггеров. Между собой они соединены таким образом, чтобы каждому числу
импульсов соответствовали единичные состояния определенных ячеек. При этом
совокупность единиц и нулей на выходах n ячеек счетчика представляет
собой n-разрядное двоичное число, которое однозначно определяет
количество прошедших на входе импульсов. Поэтому ячейки счетчика называют его
разрядами. Каждый разряд может находиться в двух состояниях.
По коэффициенту счета счетчики
подразделяются на двоичные, десятичные, с произвольным постоянным коэффициентом
счета и с произвольным переменным коэффициентом счета.
По направлению счета счетчики
подразделяются на суммирующие, если с каждым входным импульсом
зарегистрированное число в счетчике увеличивается; вычитающие, если число
уменьшается, и реверсивные - счетчики, работающие как на сложение, так и на
вычитание.
По способу организации счета
счетчики подразделяются на асинхронные (с последовательным переносом),
состояния переключающихся разрядов изменяются последовательно друг за другом и
синхронные (с параллельным переносом) - состояния переключающихся разрядов
изменяются одновременно.
Характеристики счетчиков:
- модуль счета
характеризует число устойчивых состояний счетчика;
- разрешающая способность
- минимально допустимый период следования входных сигналов, при котором
обеспечивается надежная работа счетчика;
- время регистрации -
интервал времени между моментами поступления входного сигнала и окончания
самого длинного переходного процесса в счетчике;
- емкость счетчика -
максимальное число единичных сигналов, которое может быть зафиксировано на
счетчик.
.2 Суммирующий счётчик
Триггеры суммирующего счётчика
переключаются последовательно друг за другом. Это означает, что счётные
импульсы следует подавать на вход триггера первого (младшего) разряда, каждым
из которых он должен переключаться; между собой триггеры должны быть соединены
так, чтобы обеспечить переключение последующего, когда предыдущий переходит из
1 в 0; все триггеры должны быть счётными, чтобы изменить своё состояние под
действием каждого переключающего перепада.
Схема суммирующего счётчика,
реализованная на Т-триггерах, в соответствии с рисунком 1.
Рис.1
Переключение триггера DD1 из
единичного состояния в нулевое не приведет к переключению триггера DD2. Второй
входной импульс возвращает DD1 в нулевое состояние; на вы ходе Q1 формируется
нулевое состояние, переключающее триггер DD2 в состояние 1. Третий импульс
(аналогично первому) устанавливает в 1 первый триггер, на выходе которого
формируется единичное состояние и так далее.
Работу суммирующего счетчика
поясняет временная диаграмма в соответствии с рисунком 2.
Рис. 2
Фронты импульсов на диаграмме
показаны идеальными; потенциал, соответствующий логическому 0, считается равным
нулю.
Если в счетчике используются
триггеры, переключающиеся фронтом импульса, то вход последующего триггера нужно
соединить с инверсным выходом предыдущего, на котором формируется этот перепад,
когда по прямому выходу триггер переключается из 1 в 0.
.3 Вычитающий счетчик
Для такого счетчика счетные импульсы
следует подавать на вход триггера младшего разряда, а между собой они должны
быть соединены так, чтобы обеспечить переключение последующего, когда
предыдущий по прямому выходу переходит из 0 в 1. Для выполнения этого условия
счетный вход последующего триггера соединяют с инверсным выходом предыдущего,
если триггеры переключаются срезом импульса, или с прямым выходом, если
триггеры переключаются фронтом импульса.
Схема вычитающего счетчика на
триггерах, переключающихся спадом импульса, в соответствии с рисунком 3.
Рис. 3
По входам S в разряды счетчика
заносится двоичное число, из которого нужно вычесть число, представляемое
количеством входных импульсов.
Работу вычитающего счетчика
представляет временная диаграмма в соответствии с рисунком 4.
Рис.4
Пусть, например, в счетчике записано
число 5 (101). Первым входным импульсом триггер DD1 переключается из 1 в 0 (по
прямому выходу); при этом на инверсном входе Q1 возникает перепад 0/1, которым
триггер DD2 переключиться не сможет; в счетчике останется число 4 (100). Таким
образом, вычитающий счетчик производит счет в обратном направлении.
1.4 Реверсивный счетчик
Такой счетчик работает как в прямом
направлении, так и в обратном. В суммирующем счетчике каждый последующий
триггер получает информацию с прямого выхода предыдущего, а в вычитающем - с
инверсного, т. е. для перехода от сложения к вычитанию и обратно надо изменять
подключение счетного входа последующего триггера к выходам предыдущего.
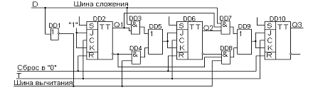
Схема реверсивного счетчика в
соответствии с рисунком 5.
Рис. 5
На объединенные входы J и K каждого
триггера подается конъюнкция сигналов с выходов предыдущих триггеров. Входы J и
K каждого триггера через дизъюнктор могут присоединяться к основному выходу
предыдущего триггера (через конъюнктор верхнего ряда - DD3, DD7) или к
инверсному выходу (через конъюнктор нижнего ряда - DD4, DD8).
Чтобы осуществить сложение, на шину
сложения с входа D подается 1, которой вводятся в действие конъюнкторы верхнего
ряда. При этом на шине вычитания присутствует 0, за счет чего конъюнкторы
нижнего ряда выключены. Вычитание осуществляется при подачи 1 на шину вычитания
и 0 на шину сложения. Счетные импульсы поступают на вход Т.
Каждый триггер переключается по
тактовому входу С при J равном K и равном 1, что имеет место, когда на выходах
всех предыдущих триггеров (на прямых - при сложении, на инверсных - при
вычитании) будут единицы.
2. Специальная часть
.1 Разработка структурной схемы
устройства
На основании задания, приведенного в
приложении А, разработана структурная схема устройства.
Структурная схема реверсивного
счетчика в соответствии с рисунком 6.
Рисунок 6
Генератор тактовых импульсов
предназначен для формирования прямоугольных импульсов, поступающих на вход
счетного узла с частотой равной 700 Гц.
Узел запуска - обеспечивает запуск
счетного узла, в зависимости от поданного на него кода.
Счетный узел - осуществляет счет в
прямом или в обратном направлении, в зависимости от подачи сигнала на
соответствующий вход.
.2 Выбор элементной базы устройства
На основании разработанной
структурной схемы выбирается элементная база для построения электрической
принципиальной схемы устройства. Микросхемы всех устройств выбраны одной серии,
так как при разных сериях микросхем необходимо согласовывать между собой уровни
напряжений и токов схем.
Выбраны микросхемы серии КР1533. Эта
серия построена по технологии ТТЛШ. Схемы этой технологии имеют значительно
меньшее время выключения транзистора, увеличенную динамическую помехоустойчивость
при высоком уровне за счет активного выключения выходного транзистора. Основным
эксплуатационным отличием микросхем этой серии является меньшая потребляемая
мощность.
Электрические параметры микросхемы
КР1533 приведены в таблице 1.
Таблица 1
|
Параметр
|
Значение
|
|
Напряжение питания, В
|
Uпит
|
5±10%
|
|
Максимальное напряжение на входе, В
|
Uвх. max
|
4,5
|
|
Минимальное напряжение на входе, В
|
Uвх. min
|
-0,4
|
|
Входной ток нулевого уровня, мА
|
-0,2
|
|
|
Входной ток единичного уровня, мА
|
0,02
|
|
|
Выходное напряжение нулевого уровня, В
|
0,4
|
|
|
Выходное напряжение единичного уровня, В
|
2,5
|
|
|
Входной ток, мА
|
Iвх
|
0,1
|
Для построения генератора тактовых
импульсов выбирается микросхема КР1533ЛА3, которая представляет собой четыре
логических элемента 2И-НЕ. Условно графическое обозначение микросхемы КР1533ЛА3
в соответствии с рисунком 7.
Рисунок 7
Четырнадцатый вывод микросхемы
служит для подачи напряжения питания, +5 В.
Седьмой вывод микросхемы является
общим выводом, служит для подачи напряжения 0 В.
Для построение устройства запуска
выбираются микросхемы КР1533ЛН1, КР1533ЛИ1, КР1533ЛЛ1.
Микросхема КР1533ЛН1 представляет
собой шесть логических элементов НЕ, которые инвертируют поступающие на вход
сигналы. Условно графическое обозначение микросхемы КР1533ЛН1 в соответствии с
рисунком 8.
Рисунок 8
Четырнадцатый вывод микросхемы
служит для подачи напряжения питания, +5 В. Седьмой вывод микросхемы является
общим выводом, служит для подачи напряжения 0 В.
Микросхема КР1533ЛИ1 представляет
собой четыре логических элемента 2И, у которых на выходе единица только в том
случае, если на входах единицы, в остальных случаях на выходе нуль. Условно
графическое обозначение микросхемы КР1533ЛИ1 в соответствии с рисунком 9.
Четырнадцатый вывод микросхемы
служит для подачи напряжения питания, +5 В. Седьмой вывод микросхемы является
общим выводом, служит для подачи напряжения 0 В.
Рисунок 9
Микросхема КР1533ЛЛ1 представляет
собой четыре логических элемента 2ИЛИ, у которых на выходе нулевой сигнал
только в том случае, если на входах все нули, в остальных случаях на выходах
будут единицы. Условно графическое обозначение микросхемы КР1533ЛЛ1 в
соответствии с рисунком 10.
Рисунок 10
Четырнадцатый вывод микросхемы
служит для подачи напряжения питания, +5 В. Седьмой вывод микросхемы является
общим выводом, служит для подачи напряжения 0 В.
Для построения счетного узла
выбирается микросхема КР1533ИЕ7, представляющая собой двоичный четырехразрядный
реверсивный счетчик с синхронизацией по фронту импульса. Условно графическое
обозначение микросхемы КР1533ИЕ7 в соответствии с рисунком 11.
Рисунок 11
Выводы 1, 9, 10, 15 являются входами
предустановки. Выводы 2, 3, 6, 7 - выходы счетчика. Выводы 4 и 5 являются
входами «Обратного» и «Прямого» счета соответственно. Вывод 11 - вход
стробирования предварительной записи. Выводы 12 и 13 являются выходами
«Прямого» и «Обратного» переноса соответственно. Вывод 14 - выход «Установка в
состояние «логический 0». Восьмой вывод является общим, для подачи напряжения 0
В. Шестнадцатый вывод для подачи напряжения питания, +5 В.
Функциональная схема счетчика в
соответствии с рисунком 12.
Рисунок 12
Для осуществления прямого счета на
вход «-1» подается высокий уровень напряжения, а на вход «+1» - положительный
импульс. Для обратного счета - наоборот.
Режимы работы реверсивного счетчика
приведены в таблице 6.
Таблица 6
|
Режим работы
|
Вход
|
Выход
|
|
R
|
С
|
+1
|
-1
|
CR
|
BR
|
|
Установка в состояние «логический 0»
|
1
|
X
|
X
|
X
|
X
|
X
|
|
Запись информации
|
0
|
0
|
X
|
X
|
X
|
|
Неактивное состояние
|
0
|
1
|
1
|
1
|
0
|
0
|
|
Счет прямой
|
0
|
1
|
∏
|
1
|
1
|
0
|
|
Счет обратный
|
0
|
1
|
1
|
∏
|
0
|
1
|
|
Примечания 1 Х - сигнал высокого или низкого уровня 2 ∏ -
импульсный сигнал
|
.3 Разработка электрической
принципиальной схемы устройства
реверсивный счетчик триггер
микросхема
В соответствии с разработанной
структурной схемой и выбранной элементной базой разрабатывается электрическая
принципиальная схема устройства.
ГТИ построен на трех элементах 2И-НЕ
по схеме автоколебательного мультивибратора, он также содержит резистор и
конденсатор. Резистор R1 служит для обеспечения заряда и разряда конденсатора
C1, которые обеспечивают переключение логических элементов. Схема ГТИ в
соответствии с рисунком 13.
Рисунок 13
Устройство запуска построено на двух
элементах 2И, двух элементах 2ИЛИ и одном элементе НЕ. Устройство запуска
состоит из двух блоков - узел разрешения подачи кода запуска и узел запрещения
подачи импульса. Для построения устройства запуска необходимо выполнить
логический расчет.
Блок разрешения подачи кода запуска
должен обеспечивать работу счетчика в прямом направлении при подаче двоичного
кода 10 и в обратном направлении при подаче двоичного кода 11. На основании
этого составляется таблица истинности. Состояние входов и выходов блока
разрешения подачи кода запуска приведено в таблице 11.
Таблица 11
|
Вход
|
Выход
|
|
D2
|
D1
|
Y2
|
Y1
|
|
0
|
0
|
0
|
0
|
|
0
|
1
|
0
|
0
|
|
1
|
0
|
1
|
0
|
|
1
|
1
|
0
|
1
|
По таблице 11 записываются СДНФ
выходных сигналов в соответствии с формулами:
=D2 D1 (1)=D2 D1 (2)
Данные функции реализуют на
логических элементах в соответствии с рисунком 14.
Так как узел разрешения подачи кода
запуска имеет два выхода, то и блок запрещения подачи импульса тоже будет иметь
два выхода, следовательно, функцию реализуют на логических элементах для двух
выводов узла.
Узел запрещения подачи импульса
должен запрещать подачу импульса при единичном сигнале с выхода блока
разрешения подачи кода запуска и разрешать при нулевом сигнале. На основании и
этого составляется таблица истинности. Состояние входов и выходов узла
запрещения подачи импульса приведено в таблице 12.
Таблица 12
|
Вход
|
Выход
|
|
Dг
|
Y
|
K
|
|
0
|
0
|
0
|
|
0
|
1
|
|
1
|
0
|
1
|
|
1
|
1
|
1
|
По таблице 12 записывается СКНФ
выходного сигнала в соответствии с формулой:
=Dг + Y (3)
На основании полученных функций (1)
(2) (3) строится схема узла запуска в соответствие с рисунком 14
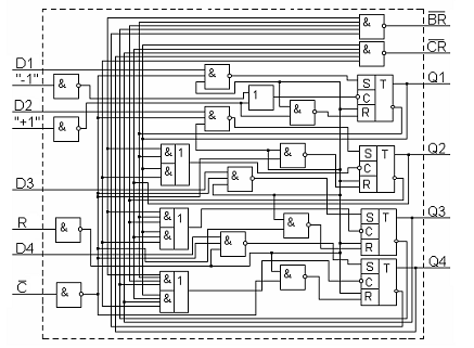
Рисунок 14
Счетный узел построен на двух
микросхемах КР1533ИЕ7. Так как один счетчик считает до шестнадцати, а в
соответствии с заданием требуется построить реверсивный счетчик с коэффициентом
счета 21, поэтому используется два четырехразрядных счетчика.
Для построения счетного узла
необходимо выполнить логический расчет. При записи кода предустановки на вход C
первого счетчика необходимо подать сигнал низкого уровня, а при окончании цикла
счета - единичного и счетчики должны устанавливаться в первоначальное
состояние. На основании этого составляется таблица истинности. Состояние входов
и выходов счетного узла приведено в таблице 13.
Таблица 13
|
Вход
|
Выход
|
|
Q5
|
Q6
|
C
|
R
|
|
0
|
0
|
1
|
0
|
|
0
|
1
|
1
|
1
|
|
1
|
0
|
0
|
0
|
|
1
|
1
|
0
|
0
|
По таблице 13 записывается СДНФ и
СКНФ выходных функций по формулам
R=
,
(4)=
(5)
Полученные функции
реализуются на логических элементах в соответствие с рисунком 15.
У второго счетчика
используются только два выхода - Q5 и Q6 для обеспечения подачи низкого уровня
сигнала при записи кода предустановки и сброса счетчиков в первоначальное
состояние. Входы предустановки второго счетчика не используются, поэтому на них
подается уровень логического 0, а на вход стробирования предварительной записи
подается 1.
Рисунок 15
Электрическая принципиальная схема
устройства приведена в графической части, лист КП. 10. 00. 00. Э3.
.4 Расчет элементов устройства
Расчет элементов генератора тактовых
импульсов.
Данные для расчета берутся из
таблицы 1.
Среднее падение напряжения(Uср,
В) на резисторе R1, определяется по формуле:
, (6)

В
Сопротивление резистора
R1, Ом, определяется по формуле:
, (7)
где
-
выходной ток единичного уровня, мА.
Ом
Из стандартного ряда
номиналов резисторов Е24 выбирают сопротивление резистора R1, равное 16 кОм.
Мощность PR1, Вт,
рассеиваемую на резисторе R1, определяют по формуле:
, (8)
Вт
Из справочника [4] по
ГОСТ 2825-67 выбирают резистор R1 типа МЛТ-0,125-10Б-16кОм ± 5%.
Период следования
импульсов определяют по формуле:
, (9)
где f - частота ГТИ, Гц.
Постоянную времени заряда
конденсатора С1 определяют по следующим формулам:
, (10)
, (11)
Подставив в формулу (10)
формулу (11) и формулу (9) выражают емкость конденсатора C1, Ф, которая
определяется по формуле:
, (12)
Ф
Из стандартного ряда
номиналов емкостей Е6 выбирается емкость C1, равная 0,65 мкФ. Рабочее
напряжение конденсатора Uраб, В, определяется по формуле:
(13)
В
Мощность, потребляемую
каждой микросхемой, Pi, Вт, определяют по формуле:
, (14)
где Iпорт. -
ток потребления каждой микросхемой, мА.
Мощность P1, Вт,
потребляемая микросхемой КР1533ЛА3, равна:
Вт
Мощность P2, Вт,
потребляемая микросхемой КР1533ЛН1, равна:
Вт
Мощность P3, Вт,
потребляемая микросхемой КР1533ЛИ1, равна:
Вт
Мощность P4, Вт,
потребляемая микросхемой КР1533ЛЛ1, равна:
Вт
Мощность P5, Вт, потребляемая
микросхемой КР1533ИЕ7, равна:
Вт
Общую мощность Pобщ,
Вт, потребляемую всем устройством, определяют по формуле:
, (15)
Вт
.5 Описание работы
электрической принципиальной схемы
При подаче напряжения
питания начинается работа схемы. На входы устройства запуска с линии поступает
код, разрешающий работу счетчика в прямом или обратном направлении.
Для запуска счетчика в
режиме прямого счета на вход «-1» подается высокий уровень напряжения, а на
вход «+1» - положительный импульс. Счет начинается с нуля. Досчитав до
шестнадцати, на выходе прямого переноса CR счетчика DD5 образуется 0 (так как
выходы прямого и обратного переносов инверсные). Этим сигналом запускается
второй счетчик DD6. На выходе первого разряда Q5 счетчика DD6 образуется 1 (так
как код шестнадцати - 10000), а на выходе второго разряда Q6 - нулевой сигнал.
Этими сигналами обеспечивается подача низкого уровня сигнала на вход
предварительной записи С счетчика DD5 и запись кода предустановки- кода
одиннадцати (1011) на входы предустановки счетчика DD5, так как он должен
продолжать счет с одиннадцати. Досчитав опять до шестнадцати, на выходе Q5
счетчика DD6 образуется сигнал нулевого уровня, а на выходе Q6 - единичного
уровня. Этими сигналами происходит сброс счетчиков в первоначальное состояние
после окончания цикла счета. Полную работу счетчика в прямом направлении
поясняет временная диаграмма в соответствии с рисунком 16.
Рисунок 16
Для запуска счетчика в
режиме обратного счета на вход «+1» подается уровень логической единицы
напряжения, а на вход «-1» - положительный импульс. Начальное состояние выходов
счетчика DD5 - код пятнадцати (1111), а счетчика DD6 - код нуля. Счетчик DD5,
досчитав до 0 (0000), формирует на выходе обратного переноса BR сигнал 0,
который приводит в действие счетчик DD6. На выходах Q5 и Q6 счетчика DD6
образуются единичные сигналы. Этими сигналами обеспечивается подача низкого
уровня сигнала на вход предварительной записи Со счетчика DD5 и запись кода
предустановки - кода четверки (0100) на входы предустановки счетчика DD5.
Досчитав до нуля, на выходе Q5 счетчика DD6 образуется сигнал нулевого уровня,
а на выходе Q6 - единичного уровня. Этими сигналами происходит сброс счетчиков
в первоначальное состояние после окончания цикла счета. Полную работу счетчика
в обратном направлении поясняет временная диаграмма в соответствии с рисунком
17.
Рисунок 17
.6 Разработка чертежа
печатной платы устройства
Для определения площади
печатной платы определяется площадь проекций каждого элемента на поверхность платы.
Площади проекций всех
элементов приведены в таблице 14.
Таблица 14
|
Наименование элементов
|
Площадь эле- мена Is, мм»
|
Обозначение
|
|
Микросхема КР1533ЛА3
|
126,75
|
SDD1
|
|
Микросхема КР1533ЛН1
|
126,75
|
SDD2
|
|
Микросхема КР1533ЛИ1
|
126,75
|
SDD3
|
|
Микросхема КР1533ЛЛ1
|
126,75
|
SDD4
|
|
Микросхема КР1533ИЕ7
|
144,3
|
SDD5, SDD6
|
|
Конденсатор К10-23 16В-0,13 мкФ±5%
|
40,5
|
SC1
|
|
Резистор МЛТ-0,125-10Б-7,5 кОм±5%
|
22
|
SR1
|
Общая площадь проекций всех
элементов вычисляется по формуле:
эл=SDD1+SDD2+SDD3+SDD4+SDD5+SDD6
(15)
SЭЛ=126,75+126,75+126,75+126,75+288,6+40,5+22=858,1
мм2
Площадь печатной платы Sп.,
мм», определяется по формуле:
, (16)
где
-
коэффициент плотности монтажа, который выбирается из диапазона от 0,3 до 0,6.
Для расчета выбирают
,
равный 0,4, из-за большого количества проводников.
мм2
Выбираем линейные размеры сторон 54
мм и 40 мм.
Sпп=
=2160
мм2
Печатная плата
устройства приведена в графической части, лист КП 10. 00. 00. ПП.
Заключение
По техническому заданию
было разработано устройство - реверсивный счетчик с коэффициентом счета 21,
произведен расчет ГТИ, определена элементная база для разработки печатной
платы.
Счетчики находят широкое
применение как в вычислительной технике, так и в различных устройствах
автоматики. Они применяются для формирования адреса ячеек запоминающих
устройств, счета количества циклов выполнения операций, для деления частоты.
Список используемых источников
1. В.Л. Свирид. Микросхемотехника аналоговых электронных
устройств. Минск, «Дизайн ПРО», 1998.
2. Ю.А. Браммер. Импульсные и цифровые устройства. М.,
«Высшая школа», 2003.
. Справочник Логические ИС КР1533, КР1534. М.,
«Бином»,1993.
. Н.Н. Акимов, Е.П. Ващуков. Справочник Резисторы,
конденсаторы, трансформаторы, дроссели, коммутационные устройства РЭА. Минск, “Беларусь”,
1994.
. Ю.Д. Сибикин, М.Ю. Сибикин. Электробезопасность при
эксплуатации электроустановок промышленных предприятий. М., «Академия», 2003.
ГОСТ 2.109-73 Основные требования к чертежам.
ГОСТ 2.705-75 Правила выполнения электрических схем.
ГОСТ 2.710-81 Обозначение буквенно-цифровые в электрических
схемах.