Счетчики

  • Вид работы:
    Реферат
  • Предмет:
    История техники
  • Язык:
    Русский
    ,
    Формат файла:
    MS Word
    77,39 kb
  • Опубликовано:
    2009-01-12
Вы можете узнать стоимость помощи в написании студенческой работы.
Помощь в написании работы, которую точно примут!

Счетчики

Счетчики

Это устройства предназначенные для подсчета числа сигналов, поступающих на его вход и фиксация этого числа в виде кода хранящегося в триггерах.  Количество разрядов счетчика определяется наибольшим числом, которое должно быть получено в каждом конкретном случае. Для подсчета и выдачи результата  счетчики имеют один вход и n выходов, где n-количество разрядов. В общем случае счетчик имеет 2ⁿ устойчивых состояния, включая и 0-е. Количество устойчивых состояний называется коэффициентом пересчета счетчика (М= 2ⁿ). По назначению счетчики подразделяются на: простые и реверсивные.

Простые счетчики- счетчики, работающие только на сложение или вычитание. Суммирующий счетчик предназначен для выполнения счета в прямом направление, т.е. с приходом очередного сигнала показатель счетчика увеличивается на 1. Вычитающий счетчик предназначен для счета в обратном направлении, т.е. с приходом нового сигнала счетчик уменьшается на 1.

Реверсивный счетчик может работать и на сложение и на вычитание.

По способу организации счета счетчики бывают: асинхронные или синхронные.

По способу организации цепей переноса между разрядами счетчика счетчики бывают: последовательные, параллельные и частичнопараллельные.

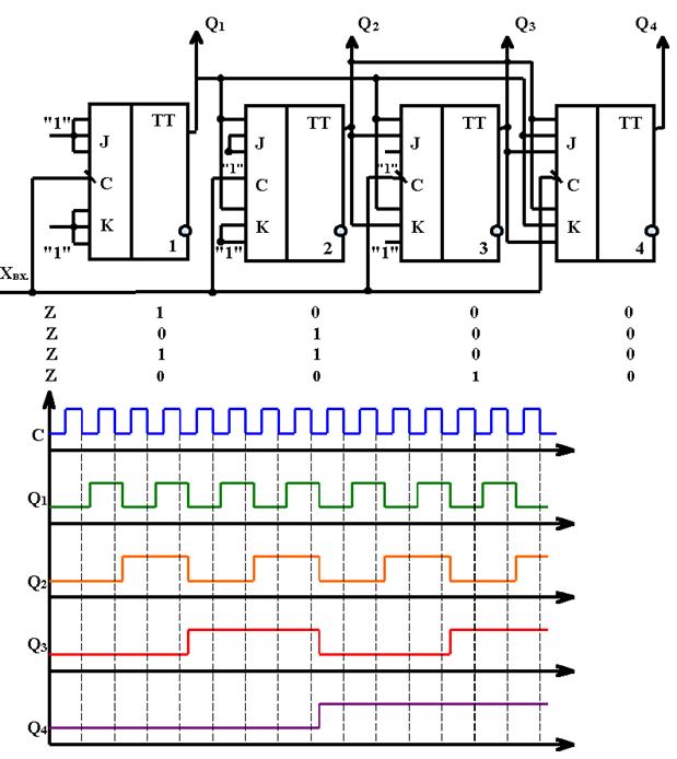
Двоичный счетчик с параллельным переносом.


Xвх

Q1

Q2

Q3

Q4

0

0

0

0

0

1

1

0

0

0

1

0

1

0

0

1

1

1

0

0

1

0

0

1

0

1

1

0

1

0

1

0

1

1

0

1

1

1

1

0

1

0

0

0

1

1

1

0

0

1

1

0

1

0

1

1

1

0

1

1

0

0

1

1

1

1

0

1

1

1

0

1

1

1

1

1

1

1

1


Для повышения быстродействия в счетчике организован параллельный перенос. Параллельный перенос можно сделать в счетчике из 4-х разрядов, т.к. внутренняя схема "И" JK-триггера имеет три входа. Поэтому, при количестве разрядов счетчика больше 4, счетчик разбивается на группы, группа имеет четыре разряда и параллельный перенос, а между группами последовательный перенос. Время срабатывания этого счетчика определяется временем срабатывания JK-триггера.

Десятичный счетчик.

Xвх

Q1

Q2

Q3

Q4

0

0

0

0

0

1

1

0

0

0

1

0

1

0

0

1

1

1

0

0

1

0

0

1

0

1

1

0

1

0

1

0

1

1

0

1

1

1

1

0

1

0

0

1

1

1

0

0

1

1

0

0

0

0


Асинхронные счетчики с послед. переносом

Асинхронный счетчик с последовательным переносом, работающий в режиме обратного счета.


Xст

Q1

Q2

Q3

0

1

1

1

1

0

1

1

1

1

0

1

1

0

0

1

1

1

1

0

1

0

1

0

1

1

0

0

1

0

0

0

1

1

1

1

Список литературы

Для подготовки данной работы были использованы материалы с сайта http://www.shpora-zon.narod.ru/

Похожие работы на - Счетчики

 

Не нашли материал для своей работы?
Поможем написать уникальную работу
Без плагиата!
Без нейросетей!