Реализация синхронного автомата на интегральных микросхемах
Министерство
образования и науки Российской Федерации
ФЕДЕРАЛЬНОЕ
ГОСУДАРСТВЕННОЕ БЮДЖЕТНОЕ ОБРАЗОВАТЕЛЬНОЕ УЧРЕЖДЕНИЕ ВЫСШЕГО ПРОФЕССИОНАЛЬНОГО
ОБРАЗОВАНИЯ
«ВОРОНЕЖСКИЙ
ГОСУДАРСТВЕННЫЙ ТЕХНИЧЕСКИЙ УНИВЕРСИТЕТ»
Факультет
заочного обучения
Кафедра
автоматизированных и вычислительных систем
Специальность
230101 «Вычислительные машины, комплексы, системы и сети»
Контрольная
работа
по
дисциплине: «Схемотехника ЭВМ»
Тема:
«Реализация синхронного автомата на интегральных микросхемах»
Студент Машинистов Кирилл Юрьевич
Руководитель В.И. Захватов
Нормоконтролер В.И. Захватов
Воронеж 2013
Задание
Технические условия: приобретение практических навыков по решению задач
логического синтеза узлов и блоков цифровых ЭВМ, а так же практической их
реализации на интегральных микросхемах.
Содержание и объем проекта: формализация словесного описания алгоритма
функционирования; разработка схем структурной, функциональной и
электрической-принципиальной заданного устройства; проверка правильности
функционирования функциональной схемы в пакете схемотехнического моделирования
«Electronics Work-bench»;
составление расчетно-пояснительной записки.
Содержание
Введение
. Выбор
способа решения задачи проектирования
.1
Формализация алгоритма функционирования
.2
Детализация исходной структуры
. Разработка
схемы электрической принципиальной
.1 Синтез
схемы электрической функциональной
.2
Оптимизация схемы электрической принципиальной
. Проверка
корректности принятых технических решений
.1 Разработка
методики проверки правильности функционирования
.2 Разработка
модели схемы электрической принципиальной
Заключение
Список
литературы
Введение
Счетчики - это автоматы, которые под действием входных импульсов
переходят из одного состояния в другое, фиксируя тем самым число поступивших на
их вход импульсов в том или ином коде. Специфичной для счетчиков операцией
является изменение их содержимого на единицу, возможно и условную. Счетчики
также выполняют и другие операции - сброс, установка, параллельная загрузка
заданного числа. Основной характеристикой счетчика является его модуль (или
коэффициент) пересчета (М). Модуль пересчета определяет максимальное число
возможных состояний счетчика.
По способу кодирования счетчики классифицируют как:
двоичные, с модулем 2n;
двоичные, с модулем не равным 2n;
с недвоичным кодированием (счетчики в коде Грея, счетчики в коде «1 из
N»);
полиномиальные счетчики.
Счетчики могут быть суммирующими (прямого счета), вычитающими (обратного
счета) и реверсивными (с изменением направления счета). Счетчики строятся на
базе триггерных схем, имеющих межразрядные связи. Поэтому, организуя их
соответствующим образом, можно строить счетчики с последовательным,
параллельным или комбинированным переносом.
Двоичным счетчиком является счетчик с модулем М=2n, где n -
целое число. Такой счетчик последовательно считает коды состояний, т.е. на его
выходах формируются двоичные числа, соответствующие десятичным - 0, 1, 2, 3,…,
М-1. Число n также отображает количество триггерных схем в счетчике.
Следовательно, счетчик с модулем М=4=22 будет строиться на базе двух
триггеров, считая последовательно состояния от 0 до 3 (всего 4 состояния),
счетчик с М=8=23 будет иметь в составе схемы 3 триггера и считать от
0 до 7 (всего 8 состояний) и т.д.
Схемы таких счетчиков являются наиболее простыми. Среди них максимальным
быстродействием обладают синхронные счетчики с параллельным переносом, схема
которых взята за основу для построения счетчиков с модулем не равным 2n.
Для построения счетчиков с произвольным модулем (т.е. М может быть равен 3, 5, 7,
9…) используются разные методы, причем для построения каждой схемы требуется
свой конкретный расчет. Такие счетчики имеют (2n-М) лишних
состояний, которые необходимо исключить из работы счетчика. Способов исключений
лишних состояний очень много, и для любого М можно предложить множество
реализаций.
Также, счетчики могут быть синхронными и асинхронными. В асинхронных
счетчиках смена состояний разрядных выходов происходит по мере распространения
входного воздействия от разряда к разряду, что порождает кратковременные ложные
состояния. В синхронных счетчиках смена состояний внутренних триггеров
происходит одновременно, исключая тем самым влияние переходных процессов на
состояние разрядных выходов.
1. Выбор способа решения задачи проектирования
1.1 Формализация алгоритма функционирования
В проекте поставлена задача проектирования синхронного счетчика с
четырьмя выходами, циклически изменяющего свои состояния в соответствие с
вариантом задания. Последовательность состояний счетчика приведена в таблице 1.
Таблица 1 - Последовательность состояний
|
Состояние счетчика
|
|
№ состояния
|
1
|
2
|
3
|
4
|
5
|
6
|
7
|
8
|
|
Код состояния (дес.)
|
0
|
12
|
1
|
3
|
5
|
7
|
9
|
11
|
|
Код состояния (дв.)
|
0000
|
1100
|
0001
|
0011
|
0101
|
0111
|
1001
|
1011
|
Для 8-ми состояний счетчика необходимо |log28| = 3 тактируемых по положительному фронту D-триггера
с объединенными входами синхронизации, на которые будут подаваться импульсы с
генератора G. Но, так как для описания состояний
12, 9 и 11 трех триггеров недостаточно, то будем использовать четыре D-триггера. Текущее состояние счетчика
будут отображаться с помощью цифрового индикатора. Структурная схема
проектируемого счетчика показана на рисунке 1.

1.2 Детализация исходной структуры
По каждому фронту импульса генератора G на выходы триггеров Q1 - Q4 записывается информация с входов D1 - D4. Поэтому дальнейший синтез счетчика
сводится к построению комбинационной схемы (логики переходов), формирующей из
выходных сигналов Q1 - Q4 уровни сигналов D1 - D4 на информационных входах триггеров, необходимые для
перехода в следующее состояние. Для этого составим таблицу переходов для
сигналов D1 - D4.
Таблица 2 - Порядок переходов счетчика из состояния в состояние
|
Текущее состояние счетчика N
|
Следующее состояние
счетчика N+
|
|
N
|
код
|
Q4
|
Q3
|
Q2
|
Q1
|
N+
|
код
|
D4
|
D3
|
D2
|
D1
|
|
1
|
0
|
0
|
0
|
0
|
0
|
2
|
12
|
1
|
1
|
0
|
0
|
|
2
|
12
|
1
|
1
|
0
|
0
|
3
|
1
|
0
|
0
|
0
|
1
|
|
3
|
1
|
0
|
0
|
0
|
1
|
4
|
3
|
0
|
0
|
1
|
1
|
|
4
|
3
|
0
|
0
|
1
|
1
|
5
|
5
|
0
|
1
|
0
|
1
|
|
5
|
5
|
0
|
1
|
0
|
6
|
7
|
0
|
1
|
1
|
1
|
|
6
|
7
|
0
|
1
|
1
|
1
|
7
|
9
|
1
|
0
|
0
|
1
|
|
7
|
9
|
1
|
0
|
0
|
1
|
8
|
11
|
1
|
0
|
1
|
1
|
|
8
|
11
|
1
|
0
|
1
|
1
|
1
|
0
|
0
|
0
|
0
|
0
|
2. Разработка схемы электрической принципиальной
2.1 Синтез схемы электрической функциональной
На основе приведенной таблицы составим ДНФ для сигналов D1 - D4.

(1)

(2)

(3)

(4)
2.2 Оптимизация схемы электрической принципиальной
Для минимизации логических функций можно воспользоваться основными
законами булевой алгебры или картами Карно. На рисунке 2 представлены карты
Карно, построенные по выражениям (1) - (4).
Рисунок 2 - Карты Карно логических функций сигналов D1 - D4
По картам Карно выполняется минимизация ДНФ сигналов D1 - D4.

(5)

(6)

(7)

(8)
Проведем
анализ запрещенных состояний данной схемы. Составим таблицу переходов счетчика
при запрещенных состояниях.
Таблица
3 - Переходы счетчика при запрещенных состояниях
|
Текущее состояние счетчика N
|
Следующее состояние
счетчика N+
|
|
код
|
Q4
|
Q3
|
Q2
|
Q1
|
код
|
D4
|
D3
|
D2
|
D1
|
|
2
|
0
|
1
|
0
|
12
|
1
|
1
|
0
|
0
|
|
4
|
0
|
1
|
0
|
0
|
12
|
1
|
1
|
0
|
0
|
|
6
|
0
|
1
|
1
|
0
|
12
|
1
|
1
|
0
|
0
|
|
8
|
1
|
0
|
0
|
0
|
1
|
0
|
0
|
0
|
1
|
|
10
|
1
|
0
|
1
|
0
|
0
|
0
|
0
|
0
|
0
|
|
13
|
1
|
1
|
0
|
1
|
15
|
1
|
1
|
1
|
1
|
|
14
|
1
|
1
|
1
|
0
|
8
|
1
|
0
|
0
|
0
|
|
15
|
1
|
1
|
1
|
8
|
1
|
0
|
0
|
0
|
Из таблицы следует, что зацикливаний не происходит и схема из любого
запрещенного состояния возвращается в разрешенного. Следовательно,
дополнительных операций по оптимизации не требуется.
3. Проверка корректности принятых технических решений
3.1 Разработка методики проверки правильности
функционирования
Проведем дополнительные преобразования выражений (5) - (8), приведя их к
базису И-НЕ, использую преобразования Де Моргана.

(9)

(10)

(11)

(12)
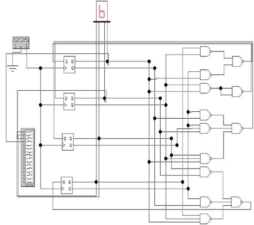
С
учетом соотношений (9) - (12) в пакете Electronics Workbench построена функциональная схема эксперимента по
изучению работы счетчика. Тактовые импульсы снимаются с выхода тактового
генератора. Индикация состояний счетчика производится с помощью семисегментного
индикатора с функцией преобразования четырехразрядного двоичного числа в
шестнадцатеричное число на индикаторе. Частота генератора выбрана равной 1 Гц.
Схема счетчика показана на рисунке 3. Выходные сигналы показаны на рисунке 4.
Рисунок
3 - Функциональная схема счетчика
Рисунок
4 - Выходные сигналы
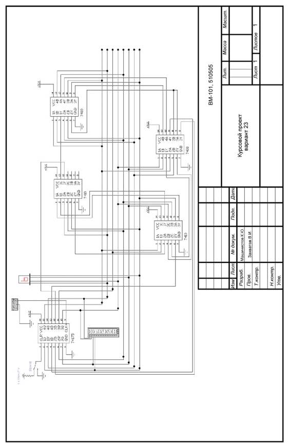
3.2 Разработка модели схемы электрической принципиальной
Для хранения текущего состояния счетчика удобно использовать микросхему
74175 (К155ТМ8), так как она содержит необходимое количество D триггеров.
Чтобы реализовать комбинаторные схемы, описанные выражениями (9) - (12),
необходимы следующие микросхемы:
– 7400 (К155ЛА3) (Четыре элемента «2И-НЕ»), 2 шт.;
– 7410 (К155ЛА4) (Три элемента «3И-НЕ»), 2 шт.
Необходимы так же семисегментный индикатор с функцией преобразования
четырехразрядного двоичного числа в шестнадцатеричное число, генератор
прямоугольных импульсов и лабораторный источник питания.
Выходные сигналы показаны на рисунке 5.
Рисунок 5 - Выходные сигналы
счетчик
синтез цифровой электрический
Заключение
В процессе выполнения работы были закреплены основные теоретические
положения дисциплины «Схемотехника ЭВМ», приобретены практические навыки по
решению задач логического синтеза узлов и блоков цифровых ЭВМ.
Освоена методика разработки структурных и функциональных схем.
Результатом выполнения проекта является схема электрическая
принципиальная цифрового устройства. Схема проверена средствами пакета
схемотехнического моделирования Electronics Workbench (EWB).
Список литературы
1. ГОСУДАРСТВЕННЫЙ
ОБРАЗОВАТЕЛЬНЫЙ СТАНДАРТ ВЫСШЕГО ПРОФЕССИОНАЛЬНОГО ОБРАЗОВАНИЯ (Направление
подготовки дипломированного специалиста 654600 - Информатика и вычислительная
техника). - М.: МО РФ, 2000. - 50 с.
2. Воробьев
Н.И. Проектирование электронных устройств: Учебное пособие. - М.: Высш. шк.,
1989. - 223 с.
3. Карлащук
В.И. Электронная лаборатория на IBM PC. Лабораторный
практикум на базе Electronics Workbench и MATLAB. Издание 5-е. - М.: СОЛОН-Пресс, 2004. - 800 с.
(электронная версия).
. Тюрин
С.В. Практикум по теории автоматов: синтез синхронного управляющего автомата.
Учебное пособие. Воронеж: Воронеж. гос.техн.ун.-т, 2004. 84 с. (Электронная
версия).
5. ГОСТ 2.701 - 84. Схемы. Виды
и типы. Общие требования к выполнению.