Режущий инструмент
Министерство образования Российской
Федерации
Арсеньевский технологический институт
(филиал ДВГТУ)
Курсовая работа
Режущий инструмент
Студент гр.
Ар-4211 Лежнев А.В.
Руководитель
Зенченко А. В.
Арсеньев 2003г.
Техническое задание
1. Рассчитать и спроектировать фасонный резец для наружного обтачивания
фасонной заготовки
Материал детали: латунь ЛС59-1;
Допуски на размеры:
радиальные Н9.
Рис 1
2. Рассчитать и спроектировать протяжку для обработки внутреннего
отверстия
Таблица 1
|
Материал детали
|
Форма отверстия под протягивание
|
Размеры отверстия в мм
|
Примечание
|
|
|
Ширина квадрата
|
Длина, мм
|
|
|
Бр.АЖ9-4
|
квадрат S = 26
|
28H12
|
24
|
Прошивка
|
. Рассчитать и спроектировать зуборезный долбяк для нарезания цилиндрических
колес
Таблица 2 Исходные данные для расчета зуборезного долбяка
|
Материал обрабатываемой заготовки
|
Модуль, мм
|
Угол профиля, град
|
Число нарезаемых зубьев
|
Тип долбяка
|
|
|
|

|
|
|
|
Сталь35
|
2
|
20
|
17
|
50
|
Дисковый
|
1. ПРОЕКТИРОВАНИЕ
ФАСОННОГО РЕЗЦА
1.1 Выбор инструментального материала
режущей части
По таб. 2.9 [1] для режущей части резца выбираем быстрорежущую сталь
Р6М5.
1.2 Выбор конструкции резца
По форме и конструкции фасонные резцы делятся на круглые, призматические
и стержневые. Круглые резцы более технологичны в изготовлении и допускают
большое количество переточек, поэтому для обработки заданной детали выбираем
круглый резец с кольцевыми образующими. Для закрепления резца в державке
торцовые поверхности снабжаются отверстиями под штифт.
.3 Расчет фасонного резца
Расчет резца проводится по методике, приведенной в работе [2].
Величины переднего и заднего углов резца по табл. 44[2]: =50, =120.
Общая ширина резца вдоль оси детали (см. Рис. 24 [2]) Lp=56 мм.
Наибольшая глубина профиля детали
(1.1)
Где
Dmax=38 мм - наибольший диаметральный размер детали. Dmin=14 мм - наименьший
диаметральный размер детали. Наибольшая глубина профиля детали tmax=12 мм.
Габаритные
и конструктивные размеры резца с отверстиями под штифт для наибольшей глубины
профиля tmax=12 мм, принимаются по табл. 42 [2]: D=90 мм, d=22 мм, d1=34 мм.
Высота
заточки резца
=R sin(+) (1.2)
где R=D/2=45 мм - радиус резца.
Р=45 sin(5+12)=13,157 мм.
Высота установки резца
=R sin =45 sin120=9,356 мм (1.3)
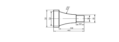
Согласно размерам на эскизе детали (рис. 1.1) радиусы окружностей узловых
точек профиля детали r1, r2, r3 и т.д. и осевые расстояние до этих точек от
торца:
R1 =7 мм l1-2 =12 мм=7 мм l1-2 =12 мм=9 мм l1-3 =12 мм=16,5 мм l1-4 =38
мм=19 мм l1-5 =38 мм=19 мм l2-7 =46 мм
Рис. 1.2 Эскиз детали
Коррекция профиля резца производится аналитическим расчетом. Данные
коррекционного расчета заносятся в табл. 1.1
Криволинейный участок профиля резца заменяется дугой окружности, радиус
кривизны которой отличается от дуги окружности на профиле детали.
Таблица 1.1
Данные коррекционного расчета
|
Расчетная формула
|
Обозначение размера
|
Численная величина размера
|
|
Hu=r1 sin 1
|
hu r1=r2 sin1
|
0.611 7 0.087
|
|
A1=r1 cos 1
|
r1 cos1 A1=A2
|
7 0.996 6.98
|
|
sin 3=hu/r3
|
0.611 9 0,067
|
|
A3=r3 cos 3
|
r3 cos3 A3
|
9 0,998 8,98
|
|
C3=A3-A1
|
А3 А1 С3
|
8,98 6,98 2
|
|
sin 4=hu/r4
|
hu r4 sin4
|
0.611 16.5 0,037
|
|
A4=r4 cos 4
|
r4 cos4 A4
|
16.5 0,999 16,489
|
|
C4=A4-A1
|
А4 А1 С4
|
16,489 6,98 9,509
|
|
sin 5=hu/r5
|
hu r5=r6 sin5
|
0.611 19 0,032
|
|
A5=r5 cos 5
|
r5 cos5 A5
|
19 0,9995 18,99
|
|
C5=A5-A1
|
А5 А1 С5
|
18,99 6,98 12,01
|
|
C5=C6
|
C5 C6
|
12,01 12,01
|
|
1=1+1
|
1 1 1
|
12 5 17
|
|
H=R1 sin 1
|
R1 sin 1 H
|
45 sin 17 13,156
|
|
B1=R1 cos 1
|
R1 cos 1 B1
|
45 cos 17 43,034
|
|
B2=B1
|
B1 B2
|
43,034 43,034
|
|
B3=B1-C3
|
B1 C3 B3
|
43,034 2 41,033
|
|
tg 3=H/B3
|
H B3 tg 3
|
13,156 41,033 0,321
|
|
R3=H/sin 3
|
H sin 3 R3
|
13,156 0,306 43,134
|
|
B4=B1-C4
|
B1 C4 B4
|
43,034 9,509 33,525
|
|
tg 4=H/B4
|
H B4 tg 4
|
13,156 33,525 0,392
|
|
R4=H/sin 5
|
H sin 4 R4
|
13,156 0,365 36,044
|
|
B5=B1-C5
|
B1 C5 B5=B6
|
43,034 12,012 31,022
|
|
tg 5=H/B5
|
H B5 tg 5
|
13,156 31,022 0,424
|
|
R5=H/sin 5
|
H sin 5 R5
|
13,156 0,39 33,733
|
При симметричном расположении центра заменяющей окружности радиус
определяется по следующей формуле:
(1.4)
; 
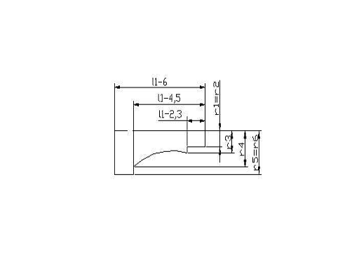
Рис. 1.3 Схема для определения размера радиусного участка профиля резца.
Построение шаблонов и контршаблонов для контроля фасонного профиля резца
(при контроле точности шлифования фасонных поверхностей на резце) сводится для
круглого резца к определению разности радиусов всех узловых точек рассчитанного
фасонного профиля относительно угловой контурной точки 1.
=R1-R2=0 мм (1.5)=R1-R3=1,84
мм==R1-R4=9 мм= P6=R1-R5=25,4 мм
Таблица 1.2
Размеры фасонных дисковых резцов с отверстиями под штифт, мм
|
Глубина профиля заготовки , мм      
|
|
|
|
|
|
|
|
|
|
8
|
60
|
16
|
25
|
11
|
3
|
2
|
34
|
5
|
Рис. 1.4 Размеры фасонного дискового резца с отверстиями под штифт
.4 Расчет режимов резания
Назначаем подачу по табл.6 [6].
При ширине резца 56 см и диаметре обработки 38 мм S=0.025 мм/об

Расчитываем
скорость резания по формуле:=120 мин; Cv =22.7; y=0.5; m=0.3 тогда v=30 м/мин

Определяем
частоту вращения шпинделя соответственно найденой скорости:

Корректируем
частоту n=250 об/мин.
Тогда
скорость равна:

Определяем
мощность:=746 H тогда N=3.6 вТ
Сравниваем
мощности резания и мощность станка

шп=7,5
кВт.
Основное
время:

2. Расчет и конструирование протяжки
Для
обработки отверстий протягиванием заготовку обычно предварительно сверлят или
зенкеруют. Протягивают также предварительно необработанные отверстия. В
большинстве случаев протянутые отверстия дальнейшей обработке не подвергают,
так как после обработки обеспечиваются 7 - 9-й квалитеты, а параметры
шероховатости обработанной поверхности достигают
2,5…0,2
мкм.
Материалом
для протяжек служит легированная сталь ХВГ или быстрорежущие стали Р9К5, Р6М5,
Р9 и Р18.
У
рабочей и задней направляющей частей должна быть HRC 62 - 65.
Поверхности
и все сопряжения радиусов впадины зуба должны быть плавными, без уступов и
других дефектов заточки.
Параметры
шероховатости должны быть следующие: задних и передних поверхностей всех зубьев
1,6 мкм, поверхностей спинок зубьев, радиусов впадин,
стружкоделительных канавок и выкружек
6,3 мкм,
поверхностей передней и задней направляющих
0,63
мкм, поверхностей хвостовика
1,25
мкм.
В отличие от протяжек, работающих на растяжение, прошивки работают на
сжатие.
2.1 Принимаем материал режущей части
прошивки - легированная сталь ХВГ
Припуск под протягивание квадратного отверстия и значения допусков на
изготовление предварительных отверстий определяем по табл. 98
Т.к.
наибольшее сечение протягиваемого отверстия равно
мм, то припуск по ширине и высоте профиля равен 1,2
мм, допуск на размер предварительного отверстия: +0,34 мм.
Подъем
на зуб на сторону
выбираем по табл. 99[1]. Так как отверстие квадратное
и материал заготовки - бронза, то
=
0,06…0,2 мм. Принимаем
= 0,06 мм (для стали ХВГ - меньшее значение).
Между
режущими и калибрующими зубьями делаем три зачищающих зуба (
) с постоянно убывающим подъемом на зуб. Распределяем
подъем на зуб следующим образом:
0,03 мм;
0,02 мм;
0,01мм.
Профиль,
размеры зуба и стружечных канавок между зубьями выбираем по табл. 100[1].
Необходимо,
чтобы площадь сечения стружечной канавки между зубьями отвечала условию
=
= 2…5, где (2.1)
=
3 - коэффициент заполнения канавки (по табл. 101[1]);
-
площадь сечения канавки,
;
-
площадь сечения среза металла, снимаемого одним зубом,
.
(2.2)
(2.3)
Пользуясь
табл. 100[1] для ближайшего большего значения
, при
прямолинейной форме стружечной канавки зуба принимаем:
Шаг
протяжки: t = 6 мм;
глубина
канавки: h = 2,0 мм;
длина
задней поверхности: b = 2,5 мм;
радиус
закругления канавки: r = 1,0 мм
Шаг
калибрующих зубьев
для квадратных протяжек:
.
Для
получения лучшего качества обработанной поверхности шаг режущих зубьев делаем
переменным: от t+(0,2…1) до t-(0,2…1). Принимаем изменение шага: ±0,2 мм. Тогда
из двух смежных шагов один равен 6,2; второй - 5,8 мм.
Фаска
f на калибрующих зубьях плавно увеличивается от первого зуба к последнему с 0,2
до 0,6 мм.
Назначаем
геометрические параметры режущих и калибрующих зубьев. Принимаем
. Принимаем число стружкоразделительных канавок по
табл. 102[1]: 3 и их размеры: m = 1;
.
Предельное
отклонение передних углов всех зубьев: ±2°: задних углов режущих зубьев: ±30’;
задних углов калибрующих зубьев: ±15’.
Профили
режущих и калибрующих зубьев изображены на рисунке 2.2
Рисунок
2.1 Профили режущих и калибрующих зубьев
Максимальное
число одновременно работающих зубьев:
Определяем размеры режущих зубьев.
Ширину квадрата первого зуба принимаем равной ширине квадрата передней
направляющей части:
Ширину
квадрата каждого последующего зуба увеличиваем на
. На последующих трех зачищающих зубьях,
предшествующих калибрующим зубьям, подъем на зуб постепенно уменьшаем по данным
п.1.3.
Определяем
ширину квадрата калибрующих зубьев.
Предельные
отклонения размеров режущих зубьев не должны превышать 0,01 мм, калибрующих -
0,005 мм.
Определяем
число режущих зубьев.
где
A - припуск на протягивание.
Принимаем
.
Число
калибрующих зубьев для квадратной протяжки:
Определяем
общую длину прошивки.
См.
рисунок 2.2.
Рисунок 2.2 Схема для определения длины прошивки
Принимаем по табл. в зависимости от ширины задней направляющей.
Определяем
общую длину протяжки:
; (2.6)
(длина
режущих зубьев);
(длина
зачищающих зубьев);
(длина
калибрующих зубьев).
.
Принимаем
Определяем
ширину передней и задней направляющих прошивки.
Ширину
передней направляющей
принимаем равной ширине предварительного отверстия
заготовки с предельным отклонением по e8:
Ширина
задней направляющей
равна наименьшему диаметру протянутого отверстия,
выполненного с полем допуска f7:
.
Расчет
на прочность.
Производим
расчет прошивки на устойчивость. Прошивка являться устойчивой, т.е. не
происходит ее прогиба, если выполняется следующее условие:
, где
- критическая сила; (2.7)
- сила
резания. (2.8)
, где
- модуль Юнга; (2.9)
- момент
инерции.= 270 - (49+40+24) = 157 мм
Условие
устойчивости выполняется. Прогиба прошивки не произойдет. Обработка возможна.
Назначение
режимов резания.
Определяем
скорость резания, допускаемую мощностью электродвигателя станка:
(2.10)
Обработку
ведем на станке мод. 7А510, мощность его электродвигателя N = 14 кВт,
.
Назначаем
скорость резания v = 20 м/мин
3. Проектирование зуборезного долбяка
.1 Выбор инструментального материала долбяка
В качестве материала для зуборезного долбяка принимаем быстрорежущую
сталь Р6М5.
3.2 Определение дополнительных технологический
параметров зубчатого колеса
.2.1 Диаметры делительных окружностей колес
=mz1 (3.1)=mz2 (3.2)
где m=2 мм - модуль
нарезаемого колеса, z1= 17 - число зубьев нарезаемого колеса, z2=50 - число
зубьев сопряженного с ним колеса.=2 17=34 мм=2 50=100 мм
Рис. 3.1 Исходное сечение
стандартного долбяка
3.2.2 Диаметры основных окружностей колес
d01=d1 cos (3.3)=d2
cos (3.4)
где =20 - угол профиля=34
cos20 =31.95 мм=100 cos20=93.97 мм
3.2.3
Диаметры наружных окружностей
=d1+m (3.5)=d2+m (3.6)
=34+2=36 мм=100+2=102 мм
3.2.4
Наибольший радиус кривизны профиля зуба нарезаемого колеса
(3.7)
3.2.5 Радиус кривизны в точке начала активной части
профиля зуба нарезаемого колеса
(3.8)
где
A1,2 = (d1+d2)/2=67 мм - межосевое расстояние.
3.3 Расчёт прямозубого долбяка
Определение
исходных данных.
3.3.1 Число зубьев долбяка выбирается с учетом
имеющихся стандартных делительных диаметров долбяков в соответствии с ГОСТ
9323-79*
=du/m (3.9)
где
d0’ - номинальный делительный диаметр долбяка. Принимается du = 75 мм.=75/2=38
мм.
.3.2
Диаметр делительной окружности долбяка
=2 38=75 мм
.3.3
Диаметр основной окружности
=d0 co (3.11)
=75 cos20 = 70,477 мм
3.3.4 Боковой задний угол в плоскости,
параллельной оси долбяка
(3.12)
где
Определение
параметров долбяка в исходном сечении.
3.3.5 Диаметр наружной окружности долбяка в исходном
сечении
/
=d1+d0-df1 (3.13)
где
ff1 - диаметр окружности впадин зубьев колеса
=d1-1.25m (3.14)
=34-2,5
= 31.5 мм/=34+75-31.5=77.5 мм
3.3.6 Толщина зуба на делительной окружности по
нормали в исходном сечении
/=
m/2 (3.15)
/=3,141592/2=3,14159
мм
3.3.7 Угол давления на головке зуба
(3.16)
3.3.8 Толщина зуба на вершине в исходном сечении
(3.17)
Определение
исходных расстояний.
.3.9 Станочный угол зацепления переточенного долбяка,
гарантирующий отсутствие среза и неполной обработки вершины зуба колеса
неэвольвентной частью профиля зуба долбяка
(3.18)
где
0 - минимальный радиус кривизны профиля зуба долбяка для d0=75 мм принимается 3
мм.
тогда
с=12,46
заготовка
зуборезный долбяк фасонный
3.3.10 Вспомогательная величина
=2tg бок=0,11154 (3.19)
3.3.11 Максимальное отрицательное исходное
расстояние предельно сточенного долбяка
(3.20)
3.3.12 Станочный угол зацепления нового долбяка, определяющий
полную обработку рабочей части профиля зуба колеса
(2.21)
тогда
WH=21,25
3.3.13 Положительное исходное расстояние,
обеспечивающее полную обработку рабочей части профиля зуба колеса
(3.22)
3.3.14 Расчётный задний угол по вершине зуба
(3.23)
тогда
=13,06
.3.15 Исходное расстояние, регламентируемое
заострением зуба долбяка
(3.24)
.3.16 Максимально допустимая величина стачивания
долбяка
=aH-ac (3.25)
где
аН=3.94 мм - наименьшая величина из a’H и a’’H
Н=3.94-(-9.91)=13.85
мм
Положительное расстояние исходного сечения А от передней
поверхности.=аН=3.94 мм, т.к. максимально допустимая длина рабочей части зубьев
Bp=20мм>H
Определение размеров долбяка по передней поверхности.
3.3.17 Станочный угол зацепления нового долбяка
H=inv +ac/(d1+d0) (3.26)
H=0,014904+(13.85 0,11154)/(34+75)=0,028
тогда H=24,46
3.3.18 Диаметр вершин зубьев нового долбяка
(3.27)
3.3.19 Станочный угол зацепления предельно сточенного
долбяка
(3.28)
где
bp=H - принимаемая величина стачивания
тогда
с=19,75
3.3.20 Фактический задний угол по вершине
(3.29)
тогда
ab=8,895011
В=bp+(35)=18.85
мм (3.30)
3.3.22 Толщина зуба на делительной окружности по
нормали
=S’ou+aс
(3.31)
=3,14159+3.94
0,11154=3.575 мм
3.3.23 Высота головки зуба по передней поверхности
(3.32)
где
=5 - для чистовых долбяков
3.3.24 Скорректированный торцовый профильный
угол долбяка для уменьшения искажения профиля колеса от наличия переднего и
заднего углов
=tg+tgtg бок (3.33)
=tg20+tg5 tg3,14159=0,369
=20,246474
3.3.24 Диаметр основной окружности долбяка при
шлифовании его профиля
=d0cos0 (3.34)
=75 0.938=70.36 мм
Основные конструкционные размеры долбяка, а также технические требования
к нему принимаются по ГОСТ 9623-79.
.4 Режим резания
Назначаем круговую подачу (подачу обкатки). Станок 5122 относится к III
группе станков, так как мощность его электродвигателя 3 кВт. По карте 13
находим круговую подачу.
Так как материал нарезаемого колеса БрОС10-2, S = Sтабл KMs =
(0,22…0,25)0,9 = 0,2…0,225 мм/дв. ход.
Подачи в карте приведены для обработки в один рабочий ход, т. е. принято,
что i = 1.
Назначаем период стойкости долбяка. Для чистового чашечного долбяка
рекомендуется период стойкости T = 240 мин.
Определяем скорость главного движения резания, допускаемую режущими
свойствами долбяка (по нормативам) uтабл = 39 м/мин.
Учитывая поправочный коэффициент
.
.5 Назначаем режимы резания
Глубина
резания t=1.4m=2.8мм
Подача
sk=0.025 мм/двойной ход
Скорость
резания v=44.1 м/мин
Стойкость
инструмента T=400 мин.
Число
двойных ходов k=512 двойных ходов/мин. Основное время T0=1.8 мин
Список использованных источников
1. Нефедов
Н. А., Осипов К. А. Сборник задач и примеров по резанию металлов и режущему
инструменту. 5-е изд., перераб. и доп. М.: Машиностроение, 1990.
. Шатин
В. П., Шатин Ю. В. Справочник конструктора-инструментальщика. М.:
Машиностроение, 1975.
. Рубинштейн
С. А., Левант Г. В. Основы учения о резании металлов и режущий инструмент. М.:
Машиностроение, 1968.
. Кацев
П. Г. Обработка протягиванием. М.: Машиностроение, 1986.
. Аршинов
В. А., Алексеев Г. А. Резание металлов и режущий инструмент. М.:
Машиностроение, 1975.
. Справочник
инструментальщика /И.А. Ординарцев, Г.В. Филиппов, А.Н. Шевченко и др. Л.:
Машиностроение. 1987.
. Справочник
технолога - машиностроителя./ Н.В Гриднев, В.В Досчатов, В.С. Заламин и др. М.:
Машиностроение 1972.