Упрочнение режущих инструментов, используемых в кожевенно-меховом производстве с применением плазменных нанотехнологий
Реферат
Работа содержит 116 страниц, 40 рисунков, 6
таблиц, 30 использованных источников, 4 приложения.
РЕЖУЩИЙ ИНСТРУМЕНТ, КОЖЕВЕННО-МЕХОВОЕ
ПРОИЗВОДСТВО, ИОННО-ПЛАЗМЕННАЯ КОНДЕНСАЦИЯ, ВЛИЯНИЕ ТЕХНОЛОГИИ, ТЕХНОЛОГИЧЕСКИЙ
ПРОЦЕСС ДЛЯ ОПЫТНО-ПРОМЫШЛЕННОГО ПРОИЗВОДСТВА, УВЕЛИЧЕНИЕ СРОКА СЛУЖБЫ,
ЭКОНОМИЧЕСКИЙ ЭФФЕКТ.
Целью данной работы является проведение
исследований по повышению стойкости режущих инструментов кожевенно-меховых
производств, определение оптимальных режимов и разработка технологии
реализации.
В результате проведенной работы разработан
технологический процесс ионно-плазменного нанесения покрытия нитрида титана с
упрочняющей фазой на режущий инструмент, используемый в кожевенно-меховом
производстве, и на металлорежущий инструмент. Стойкость инструментов повысилась
в 2-3 раза. По результатам работы подана заявка патентование полезной модели.
Результаты докладывались на 3 конференциях: XI Международной
научно-практической конференции «Нанотехнологии в промышленности», - Казань,
2010г.; пятой Российской студенческой научно-технической конференции «Вакуумная
техника и технология», - Казань, 2011г.; VII международной научно-практической
конференции «Новые технологии и материалы легкой промышленности», - Казань,
2011г.
Содержание
Реферат
Введение
Аналитический
обзор
.1
Режущие инструменты используемые в кожевенно-меховых производствах
.2
Трение и износ режущих инструментов при обработке кожевенно-мехового сырья
.3
Технологии повышения стойкости режущих инструментов и материалы для упрочнения
.3.1
Основные технологические способы обработки поверхности режущих инструментов
упрочняющими слоями
.3.2
Основные требования к упрочняющим слоям
.3.3
Износостойкие покрытия упрочнения режущих инструментов
.3.4
Оборудование и технологии для нанесения плазменных, вакуумных покрытий
.4
Вывод по аналитическому обзору
2
Выбор направления исследования
3
Объекты и методы исследования
3.1
Номенклатура и характеристики режущих инструментов используемые в
кожевенно-меховых производствах
3.2
Оборудование для нанесения покрытий
3.3
Методика нанесения покрытий на инструменты
3.4
Характеристика применяемых материалов
3.5
Методики определения характеристик инструмента с покрытием
3.6
Технология нанесения покрытий
.
Результаты
экспериментальных исследований и их обсуждение
4.1
Исследование влияния параметров нанесения покрытия на характеристики режущих
инструментов
4.2
Характеристики нитридтитанового покрытия
4.3
Технико-экономическое обоснование
Заключение
Список
использованных источников
Приложения
инструмент режущий покрытие кожевенный
Введение
В процессе работы режущего инструмента, основная
нагрузка приходится на его рабочую поверхность, что, в конечном счете, приводит
к частичному или полному износу последней. Актуальным является повышение
стойкости или ресурса работы режущего инструмента и быстроизнашиваемых деталей
технологического оборудования. При этом экономятся средства на изготовление
новых деталей.
В кожевенно-меховом производстве рабочими
органами большой группы машин кожевенного и мехового производства являются режущие
инструменты, причем в себестоимости изделия доля затрат на инструменты может
составлять 3-10%. Следовательно, один из путей снижения себестоимости продукции
- повышение работоспособности режущего инструмента. Проблему повышения
стойкости режущих инструментов можно решить, используя поверхностное
упрочнение.
Существует ряд технологических способов
обработки рабочей поверхности, направленных на ее упрочнение, наиболее
прогрессивным и эффективным из которых является метод нанесения на поверхность
инструмента покрытий из твердых соединений. Такие покрытия позволяют повысить
стойкость режущего инструмента в 2 и более раза.
Целью данной работы является проведение
исследований по повышению стойкости режущих инструментов кожевенно-меховых
производств, и разработка технологии реализации.
В задачи работы входило:
выбор и обоснование направления исследования;
анализ и выбор номенклатуры режущих
инструментов;
выбор оборудования и материала для упрочнения;
проведение экспериментальных исследований по
определению режимов упрочнения и характеристик упрочняющих слоев;
разработка технологии упрочнения режущих
инструментов;
проведение производственных испытании
упрочненного инструмента;
оценка экономических эффектов.
Основные положения и результаты, полученные в
магистерской диссертационной работе докладывались и обсуждались на: научной
сессии Казанского государственного технологического университета, 2010г.; VI
международной научно-практической конференции «Новые технологии и материалы
легкой промышленности», - Казань, 2010г.; XI Международной научно-практической
конференции «Нанотехнологии в промышленности», - Казань, 2010г.; пятой
Российской студенческой научно-технической конференции «Вакуумная техника и
технология», - Казань, 2011 г.; VII международной научно-практической
конференции « Новые технологии и материалы легкой промышленности», - Казань,
2011г.;
Основные результаты магистерской диссертационной
работы опубликованы в 5 печатных работах.
Аналитический обзор
Режущие инструменты используемые в
кожевенно-меховых производствах.
Кожевенное и меховое производство относится к
одному из древнейших производств, освоенных человеком. Многие тысячелетия
выделка кож и меха производилась вручную с применением простейших инструментов
и приспособлении. Специальное технологическое оборудование стало применяться
только во второй половине XIX в. С начала XX в. за рубежом появились первые
кожевенные заводы, оснащенные машинами для механической обработки полуфабриката
и аппаратами с механическим приводом. Один из проблем и кожевенного и мехового
производства является быстрое изнашивание деталей машин. Это обычно приводит к
замене деталей, а иногда даже машин. Как правило, все эти затраты сказываются
на себестоимости выпускаемой продукции.
Рабочими органами большой группы машин кожевенного
и мехового производства являются также вращающиеся валы с винтовыми ножами. К
таким машинам относятся мездрильные, строгальные, волососгонно-чистильные,
разводные, отжимные, тянульные, разбивочные и др. Например, в кожевенно-меховом
производстве «Мелита» с такими ножами используется мездрильные машины ММ-1625 и
«Оздерсан»-1200, строгальная машина «Кострой-1800», а кожевенное предприятие
«Сафьян» использует итальянские машины фирмы «Rizzi»: мездрильная машина SG-3 с
шириной рабочего прохода 2200 мм и строгальная машина «RLA-1300». Машины с
ножевым валом используется и на предприятии ООО «Меховщик», это мездрильная
машина ММ-1625 и строгальная машина МСГ 600-3-КРЭ.
Рисунок 1.1 - Вал с винтовыми ножами: 1- вал; 2 - нож; 3 - зачеканка.
Ножевой вал представляет собой стальной сплошной
цилиндр, установленный на подшипниках качения или скольжения. На поверхности
цилиндра профрезерованы винтовые канавки прямоугольного сечения, в левой
половине - правого направления, а в правой половине - левого. В винтовых
канавках зачеканены мягким металлом (как правило, красной медью с лицевой
стороны) спиральные ножи из металлической ленты (рис. 1.1). На стыках
посередине вала ножи скругляют. Собранные валы тщательно балансируют.
В зависимости от назначения ножевые валы
различаются числом ножей, их материалом, толщиной, формой рабочей кромки, углом
подъема винтовой линии. На валу находятся обычно 8-16 левых и столько же правых
ножей.
Ножи мездрильных и строгальных машин,
предназначенных для резания материала, изготавливают из стальной холоднокатаной
ленты: толщиной 2,5-4 мм для мездрильных машин и толщиной 1,5-2 мм для
строгальных машин. Режущая кромка ножа должна быть достаточно твердой и
износостойкой, в то время как сам нож должен быть достаточно вязким, нехрупким.
Поэтому нож цементируется (науглероживается) с передней режущей стороны или с
обеих сторон на глубину 0,15-0,25 мм и закаливается до твердости НР = 60-80.
Иногда ножи изготавливают из двухслойной стали: передний режущий слой - из
твердой износостойкой стали, а задний слой - из более мягкой и пластичной.
Угол подъема винтовой линии ножа является одним
из его важнейших параметров и выбирается в зависимости от назначения машины.
Для обработки полуфабриката резанием он берется меньше: 22-23° для строгания,
30-36° для мездрения, а для обработки фрикционным контактом берется большим -
от 42 до 75°. В зависимости от вида обработки полуфабриката винтовые ножи
изготавливаются по-разному (рис 1.2).
Рисунок 1.2 - Геометрия ножей и их
взаимодействие с полуфабрикатом при обработке на машинах: а - мездрильной; б -
строгальной; в - строгальной с наклонными ножами; г - волососгонно-чистильной;
д - разводной
Строгание полуфабриката производится для получения
кожи заданной толщины по всей площади и ровной, чистой бахтармяной поверхности.
Обычно строгание осуществляется после дубления при влажности кожи 55-60%. При
большей влажности кожа прилипает к прижимному валу, а стружка забивает ножи.
При: небольшой влажности кожа сильно нагревается от трения ножей и может даже
прижигаться. Кроме того, кожа с малой влажностью имеет повышенную жесткость,
плохо расправляется на прижимном валу, вследствие чего возможны ее порубы.
При строгании, как и при всякой обработке винтовыми
ножами, происходит растяжение полуфабриката, приводящее к увеличению площади и
изменению физико-механических свойств, что проявляется и в коже. В этом состоит
существенное отличие строгания кожи от выравнивания ее толщины ленточным ножом.
После появления современных двоильно-ленточных машин, позволяющих получать кожу
заданной толщины с точностью до 0,1 мм, делались попытки полностью исключить
операцию строгания. Однако это привело к уменьшению выхода кож хромового
дубления по площади и снижению ее прочности и тягучести. Поэтому для получения
кожи высокого качества для верха обуви и увеличения ее выхода па площади
строгание имеет большое значение.
К качеству резания при строгании предъявляют
более высокие требования, чем при мездрении. Плохая балансировка ножевого вала,
люфты в его подшипниках, вибрация и недостаточная жесткость станины, слабое
крепление ножей в канавках ножевого вала и недостаточная их заточка приводят к
таким дефектам, как «лестница» и «дробь» (волнистость поверхности полуфабриката),
а также мелкие и сквозные порубы.
Ножи строгальных машин делают тоньше (1,5-2 мм)
и затачивают их значительно чаще, чем ножи мездрильных машин, а для уменьшения
рабочего угла резания угол подъема винтовой линии уменьшают до 23°. Для
уменьшения угла заточки ножи в канавках ножевого вала иногда устанавливают с
наклоном вперед до 35°. При этом угол заточки уменьшается с 90 до 55°, что
значительно снижает окружное усилие резания и расход энергии, улучшает качество
резания.
Один из быстроизнашиваемых ножей это - дисковый
нож мездрильной машины ДМ-3, которую использует ОАО «Мелита» и ООО «Меховщик»
Рисунок 1.3 - Схема машины дисковой мездрильной
ДМЗ-30
Машина дисковая мездрильная ДМЗ-30 (рис. 1.3)
предназначена для подмездривания, мездрения и строгания шкурок норки, кролика и
морского зверя. Машина состоит из литой чугунной станины l, выполненной в виде
стойки, ножевой головки 2, смонтированной на станине с возможностью поворота
относительно вертикальной оси, и элект-родвигателя 8, установленного на
салазках в нижней части станины. В головке в центрах 3 закреплен дисковый нож
4. Диаметр ножа 300-310 мм, толщина 2-2,5 мм. Нож приводится во вращение
электродвигателем через клиноременную передачу 5. Слева и справа от плоскости
ножа установлены ограничители - губки 11. Положение губок относительно режущей
кромки ножа регулируется с помощью винтов 12. Взаимное положение ножа и губок
показано на рис. 1.4 а, геометрические параметры ножа - на рис. 1.4, б.
Рисунок 1.4 - Взаимное положение ножа и губок в
машине дисковой мездрильной ДМЗ-30
Губки обеспечивают правильное взаимодействие
ножа с обрабатываемой шкурой, снижают возможность повреждения последней при ее
перемещении по лезвию ножа. Левая губка имеет наклонные пазы для выравнивания
обрабатываемой шкурки, правая поддерживает шкурку и защищает руки рабочего от
порезов.
Для двоения кожи используется ленточные ножи.
Машины с такими ножами использует «Сафьян», это - итальянская
двоильно-ленточная машина SR с шириной рабочего прохода 1800 фирмы Rizzi.
Распиливание полуфабриката ножом, выполняемое на
двоильно-ленточных машинах, является одним из важнейших технологических
процессов кожевенного производства.
Основная цель этой операции - уменьшение и
выравнивание толщины материала или получение одного или нескольких слоев
материала заданной толщины. Дополнительная цель - получение спиленного слоя
кожи (спилка), который может быть использован при выработке определенных видов
изделий.
Кожевенный полуфабрикат в зависимости от
технологии и назначения готовой кожи двоят на различных стадиях производства: в
голье, после дубления или сухой полуфабрикат. Наиболее равномерная толщина кожи
достигается при двоении сухого полуфабриката, а наименьшая - при двоении голья.
Каждый из видов двоения имеет преимущества и недостатки.
Перед двоением голье подвергают золению, в
результате чего оно набухает, т. е. получает так называемый нажор. Причем
разные участки шкуры набухают в различной степени: плотные - меньше, рыхлые -
больше. Поэтому после двоения голья получается полуфабрикат неравномерной
толщины, так как толщина рыхлых участков после дальнейшей обработки (в том
числе после снятия нажора) уменьшается в сравнении с толщиной других участков.
Но при этом последующие операции жидкостной обработки полуфабриката ускоряются.
Для двоения полуфабриката применяются машины с
непрерывно движущимся ленточным ножом. Машины широко используются на кожевенных
заводах и меховых фабриках, так как при меньшем усилии резания обеспечивается
хорошее качество поверхности полуфабриката по сравнению с другими способами
резания.
Основным рабочим органом двоильно-ленточных
машин является нож в виде бесконечной ленты. Режущая часть ножа обычно имеет
форму несимметричного двустороннего клина, получающегося заточкой передней
кромки ленты точильными шлифовальными кругами. В режущей части ножа различают
следующие элементы: две наклонные плоскости (грани) и вершина (острие).
Значение отдельных элементов ножа в процессе
резания видно из следующего: острие изменяется в наибольшей степени в связи с
износом - затуплением и изгибанием, вследствие чего изменяется как мощность
резания, так и характер обработки. Грани при этом остаются почти нетронутыми.
Однако длина граней влияет как на быстроту износа острия, так и на механизм
процесса резания, а следовательно, и характер и качество обработки. В зависимости
от характера обработки ножи затачиваются по-разному (рис1.5).
Каждый элемент ножа выполняет определенные
функции. Режущая часть ножа должна обеспечить ориентировочное разрушение
материала путем его деформации. Деформация в начальном периоде резания характеризуется
местным сжатием материала острием под действием контактных напряжений. По мере
нарастания давления напряжение сжатия возрастает и в итоге достигает величины,
превосходящей напряжение разрушения,- материал разрушается. При этом основная
деформация сжатия концентрируется на небольшом участке материала. Чем меньше
этот участок, тем выше концентрация распределенных усилий сжатия и тем лучше
качество резания.
Рисунок 1.5 - Виды заточек лезвия ленточного
ножа для разрезания различных материалов
Ленточный нож представляет собой тонкую (не
более 1,5 мм), но широкую (80-96 мм) замкнутую стальную ленту, надетую на
шкивы. Ленточные ножи изготовляются из холоднокатаной стальной ленты,
соответствующей по химическому составу инструментальной углеродистой стали У8А
ГОСТ 1435-74. Лента проходит термообработку: закалку с последующим высоким
отпуском.
ОАО «Мелита» и ООО «Меховщик» для облегчения
дальнейшей обработки волосяной покров овчин укорачивают до 18-20 мм на рубильных
машинах МР-1200-1М. Рубильные машины проще по конструкции, чем шерстерезные,
однако срезаемый ими волос рубится на несколько частей и ценность его
снижается. Поэтому рубильные машины применяют для предварительной стрижки менее
ценной шубной овчины.
Рисунок 1.6 - Рубильная машина КСМР1-120
Режущий узел машины состоит из ножевого вала и
неподвижного ножа (рис1.6). На ножевом валу 3 закреплен режущий нож 1 и
заправляющий нож 4 со скругленной кромкой и несколько меньшего радиуса. Оба
ножа - спиральные, с углом подъема винтовой линии около
°. Неподвижный нож 5 закреплен на массивной
траверсе. Положение ножа по вертикали относительно траверсы регулируется.
Траверса может смещаться по горизонтали. Таким образом, неподвижный нож может
быть точно (с небольшим зазором) установлен относительно подвижного ножа.
Неподвижный нож также используется на
стригальных машинах «Оздерсан-1250», «Свит-1800» в ОАО «Мелита» и КСМ2-1200 ООО
«Меховщик». Стригальные машины применяют в отделочных цехах меховых фабрик для
окончательного выравнивания высоты волосяного покрова. Иногда их используют и
для предварительной стрижки волосяного покрова шкурок кролика и овчин.
Рабочими органами стригальных машин являются
вращающийся вал со спиральными ножами, неподвижный нож и конвейер. Различаются
стригальные машины типом удерживающего шкурку приспособления, которое может
представлять собой вакуумную коробку, струнное или игольчатое устройство.
Рисунок 1.7 - Ножевой вал стригальной машины
Ножевой вал стригальной машины (рис. 1.7)-это
сплошной стальной цилиндр с дисками на концах. Ножи имеют фасонный профиль в
виде уголка и изготавливаются из двухслойной стали сечением 35x2 мм. Основной
слой - это малоуглеродистая мягкая сталь, хорошо сопротивляющаяся ударным
нагрузкам, рабочий слой - легированная инструментальная сталь, которая после
закалки становится достаточно твердой и износостойкой. На режущей грани ножа
нанесена насечка глубиной 0,3 и с шагом 1,25 мм, препятствующая соскальзыванию
волоса с лезвия ножа.
Полка ножа плотно прилегает к валу и крепится к
нему сваркой или винтами 4, для чего на полке имеются отверстия. К концам ножа
крепятся хвостовики 5 с резьбой, которые входят в отверстия концевых дисков 2
вала. С помощью гаек 1, навертываемых на хвостовики, нож натягивается в
продольном направлении, что уменьшает его вибрацию.
Ножу придается спиральная форма с углом подъема
винтовой линии 70-75°. Благодаря этому подвижные и неподвижные ножи постоянно
имеют до 20 точек контакта, удары ножей исключаются и резание происходит
плавно. Кроме того, точки контакта ножей непрерывно скользят вдоль режущей
кромки, резание происходит по принципу ножниц.
В последнее время стали применяться ножевые валы
более простой конструкции, аналогичные валам мездрильных и стригальных машин:
спиральные ножи 1 из плоской ленты зачеканиваются в канавки, профрезерованные
на валу 2 (рис. 1.8, а). Неподвижный нож 6 из закаленной инструментальной стали
закрепляется на траверсе и может быть точно устанозлен относительно ножевого
вала перемещением траверсы по горизонтали и самого ножа относительно траверсы
по вертикали. Рассмотрим процесс резания волоса на стригальной машине. Шкурка 5
плотно облегает переднюю цилиндрическую часть подающего конвейера 4. Подвижный
нож 3 подходит к волосу, изгибает и прижимает его к неподвижному ножу. В момент
контакта ножей часть волоса срезается.
Рисунок 1.8 - Схема рабочих органов стригальной
машины
.2 Трение и износ режущих инструментов при
обработке шкурок
Режущий инструмент в процессе резания
воздействует на обрабатываемый материал и вызывает образование стружки и
формирование новой поверхности, однако сам при этом подвергается воздействию со
стороны обрабатываемого материала и интенсивно изнашивается. Режущие
инструменты работают в чрезвычайно тяжелых условиях действия громадных давлений
на поверхностях контакта и высокой температуры, в условиях трения чистых, вновь
образованных поверхностей. По этим причинам интенсивность изнашивания режущих
инструментов в тысячи и десятки тысяч раз превосходит интенсивность изнашивания
трущихся деталей машин.
В результате изнашивания режущее лезвие
инструмента теряет свою первоначальную форму и, как следствие, режущую
способность. Для восстановления режущей способности инструмента производится
затачивание его рабочих поверхностей. В процессе затачивания инструмента с его
рабочей части срезаются довольно большие слои дорогостоящего инструментального
материала. Кроме того, на смену затупившегося инструмента затрачивается время,
которое увеличивает продолжительность операции механической обработки, а
следовательно и ее стоимость; срезаемый при затачивании абразивным инструментом
дорогостоящий инструментальный материал переводится в шлам и безвозвратно
теряется. В целом все это существенно удорожает механическую обработку и
ограничивает ее эффективность.
Характер износа режущего инструмента, то есть
распределение его по рабочим поверхностям инструмента, зависит от многих
конкретных условий, в которых производится резание. Рабочие поверхности
режущего инструмента изнашиваются как от механического воздействия на него
обрабатываемого материала, так и в результате молекулярно-термических процессов
происходящих в зоне резания на поверхностях контакта инструмента с
обрабатываемым материалом. Инструмент может подвергаться различным по своей
природе, видам изнашивания: абразивному, адгезионному, химическому,
диффузионному, электроэрозионному и другим. В процессе резания все эти виды
изнашивания могут иметь место, но в зависимости от конкретных условий один из
них является доминирующим, определяющим интенсивность изнашивания и стойкость
режущего инструмента.
Первостепенной причиной изнашивания деталей
(особенно сопрягаемых и трущихся при движении друг о друга) является трение -
процесс сопротивления относительному перемещению, возникающего между двумя
телами в зонах соприкосновения их поверхностей по касательным к ним,
сопровождаемый диссипацией энергии, т. е. превращением ее в теплоту.
При мездрении на нож действуют следующие силы
(Рис.1.9):- усилие прижатия одного ножа к шкурке;
µР1 - сила трения торцевой грани ножа о
материал;
µN1 - Сила трения передней грани ножа об
отделяемому мездру.
Силы трения направлены навстречу вектору
скорости относительного скольжения соответствующих поверхностей.
Рисунок 1.9 - Кинематика и динамика резания
винтовым ножом
Наиболее разрушительное действие на нож
оказывает абразивное изнашивание, которое наблюдается в тех случаях, когда
трущиеся поверхности загрязняются мелкими абразивными и металлическими
частицами. Абразивное изнашивание происходит по причине царапания поверхностей
инструмента твердыми включениями обрабатываемого материала. Твердые включения
при этом как микрорезцы скоблят поверхность инструмента.
При обработке продубленных шкур ножи быстрее
изнашиваются, чем при обработке не продубленных. Это связано с тем, что
продубленные шкуры или стружки этих шкур имеют металлические включения, которые
действуют как абразивный материал.
Рисунок 1.10 - Кинематика резания ленточным
ножом
При двоении ленточным ножом происходит пилящее
резание (рисунок 1.10). Нож изнашивается при трении стружки и обрабатываемого
полуфабриката о поверхности режущего инструмента. В связи с быстрым
изнашиванием ленточный нож двоильно-ленточной машины непрерывно затачивают,
снимая фаску. Нож стачивается до ширины 30мм за 100 ч или около 16 смен. Потом
нож заменяют.
1.3 Технологии повышения стойкости режущих
инструментов и материалы для упрочнения.
.3.1 Основные технологические способы обработки
поверхности режущих инструментов
Существует несколько способов обработки рабочей
поверхности инструмента, направленных на повышение ее прочности:
химико-термическая обработка металлов.
Химико-термической обработкой называется
термическая обработка, заключающаяся в сочетании термического и химического
воздействия с целью изменения состава, структуры и свойств поверхностного слоя
металла. При поверхностной закалке (газопламенная закалка) и химико-термической
обработке (цементование) упрочнение обусловлено главным образом возникновением
в поверхностном слое остаточных сжимающих напряжений вследствие образования
структур большего удельного объема (нитриды и карбонитриды при нитроцементации
и азотировании), чем структуры основного металла.
Азотирование - это технологический процесс
химико-термической обработки, при которой поверхность различных металлов или
сплавов насыщают азотом в специальной азотирующей среде. Поверхностный слой
изделия, насыщенный азотом, имеет в своём составе растворённые нитриды и
приобретает повышенную коррозионную стойкость и микротвёрдость. По
микротвёрдости азотирование уступает только борированию, в то же время
превосходя цементацию и нитроцементацию (незначительно).
Цианирование в сталелитейном производстве -
процесс диффузионного насыщения поверхностного слоя стали одновременно
углеродом и азотом при температурах 820-950° C в расплаве цианида натрия или
других солей с тем же анионом. Цианирование применяют для повышения
износостойкости и коррозионостойкости деталей. Процесс цианирования по
сравнению с процессом цементации требует гораздо меньше времени для получения
слоя заданной толщины, характеризуется значительно меньшими деформациями и
короблением деталей сложной формы.
Борирование - химико-термическая обработка,
заключающаяся в диффузионном насыщении поверхностного слоя стали бором при
нагреве в соответствующей среде (упрочнение поверхностей). Тысячные доли бора
увеличивают износостойкость стали в 2 раза. Борирование чаще всего проводят при
электролизе расплавленной буры (Na2B4O7). Изделие служит катодом. Температура
насыщения 930-950 °C, выдержка 2 - 6 часов. Борирование можно производить при
отливке деталей. В этом случае на поверхность литейной формы наносится слой
специальной боросодержащей массы (краски). При использовании выжигаемых моделей
из пенопластов боросодержащая краска наносится на поверхность модели. Способ
отличается производительностью и простотой. Борирование применяют для повышения
износостойкости втулок грязевых нефтяных насосов, дисков пяты турбобура,
вытяжных, гибочных и формовочных штампов, деталей пресс-форм и машин литья под
давлением. Стойкость деталей после борирования увеличивается в 2 - 10 раз.
Изделия, подвергшиеся борированию, обладают повышенной до 800 °C
окалиностойкостью и теплостойкостью до 900-950 °C. Твердость борированного слоя
в сталях перлитного класса составляет 15 000-20 000 МПа.
Цементация стали - поверхностное диффузионное
насыщение малоуглеродистой стали углеродом с целью повышения твёрдости,
износоустойчивости. Цементации подвергают низкоуглеродистые (обычно до 0.2 % C)
и легированные стали, процесс в случае использования твёрдого карбюризатора
проводится при температурах 900-950 °С, при газовой цементации (газообразный карбюризатор)
- при 850-900 °С. После цементации изделия подвергают термообработке,
приводящей к образованию мартенситной фазы в поверхностном слое изделия
(закалка на мартенсит) с последующим отпуском для снятия внутренних
напряжений.[3]
Закалка - вид термической обработки изделий из
металлов и сплавов, заключающийся в их нагреве выше критической температуры
(температуры изменения типа кристаллической решетки, т. е. полиморфного
превращения), с последующим быстрым охлаждением, как правило, в жидкости (воде
или масле). Различают закалку с полиморфным превращением, для сталей, и закалку
без полиморфного превращения, для большинства цветных металлов. Материал,
подвергшийся закалке приобретает бо́льшую
твердость, но становится хрупким, менее пластичным и вязким, если сделать
большее количество повторов нагревание-охлаждение. Для снижения хрупкости и
увеличения пластичности и вязкости, после закалки с полиморфным превращением
применяют отпуск. После закалки без полиморфного превращения применяют
старение. При отпуске имеет место некоторое снижение твердости и прочности
материала.
В некоторых изделиях закалка выполняется
частично, например при изготовлении японских катан, закалке подвергается только
режущая кромка меча.[4]
Упрочнение поверхности пластической деформацией.
Поверхностное пластическое деформирование (ППД) - наклеп поверхностного слоя на
глубину 0.2-0.8 мм с целью создания в нем остаточного напряжения сжатия. При
наклепе поверхностный слой расплющивается. Удлинению поверхностного слоя
препятствует сила сцепления с нижележащими слоями металла. Вследствие этого в
наклепанном слое возникают двухосные напряжения сжатия, а в толще основного
металла незначительные реактивные напряжения растяжения. Складываясь с рабочими
напряжениями растяжения, остаточные напряжения сжатия уменьшают, а при
достаточно больших значениях компенсируют первые. Возникающие при наклепе
множественные искажения структуры (деформация зерна, местные пластические
сдвиги) эффективно тормозят развитие усталостных повреждений и расширяют область
существования нераспостроняющихся трещин, увеличение которых обуславливает
существование разрушающих напряжений.
Дробеструйная обработка заключается в наклепе
поверхностного слоя потоком закаленных шариков (диаметр 0.5-1.5 мм),
создаваемым центробежными дробеметками. Качество поверхности при данном
процессе немного снижается.
Плоские поверхности упрочняют обкатыванием
шариками, установленными во вращающемся патроне. Заготовке придают движение
продольной и поперечной подачи, при правильно выбранном режиме обкатывания,
остаточные напряжения сжатия в поверхностном слое составляют 600-1000 МПа.
Глубина уплотнения слоя 0.2-0.5 мм. Данный процесс улучшает качество
поверхности детали. Поверхность вращения упрочняют обкатыванием стальными
закаленными роликами. Силу прижатия ролика выбирают с таким ращетом, чтобы
создать в поверхностном слое напряжения, превышающие предел текучести материала
в условиях всестороннего сжатия (для стали 5000-6000 МПа).
Чеканку производят бойками со сферической
рабочей поверхностью, приводимыми в колебания пневматическими устройствами.
Частота колебаний и скорость вращения заготовки должны быть согласованы таким
образом, чтобы наклепанные участки перекрывали друг друга.
Алмазное выглаживание заключается в обработке
предварительно шлифованной и полированной поверхности закругленными алмазными
резцами (радиус 2-3 мм). Поверхностный слой уплотняется до глубины 0.3-0.5 мм.
Качество поверхности значительно улучшается.[5]
Газотермическое напыление.
Основное преимущество газопламенного напыления (ГТН)
- его функциональная универсальность. Методы газотермического напыления
применяют для восстановления, упрочнения и коррозионной защиты поверхностей
деталей, при этом применение названных методов позволяет наносить покрытия на
такие материалы, как дерево, ткани, бетон, металлы, пластмассы и пр. Толщина
наносимого слоя лежит в диапазоне от десятков микрометров до нескольких
миллиметров, а в отдельных случаях до десятков миллиметров. Покрытие может
наноситься на заданные участки или без ограничения размеров поверхностей
напыления; на наружные и внутренние поверхности деталей и т.д.
Основные преимущества методов ГТН перед другими
способами восстановления:
нагрев детали в процессе напыления до
температуры не выше 200 градусов Цельсия;
отсутствие коробления деталей после напыления в
связи с отсутствием нагрева при обработке;
отсутствие структурных изменений в материале
напыляемой детали;
возможность напыления на закаленные
поверхностные слои и на чугун;
возможность напыления покрытий на легкоплавкие
материалы слоев из более тугоплавких материалов ( в т.ч. на дерево и
пластмассы);
возможность напыления материалов в самых
различных сочетаниях, что невозможно сделать при наплавке (например, напыление
алюминия на медь или наоборот);
возможность напыления оксидов и карбидов;
высокая экономическая эффективность процесса.
Существует несколько методов газотермического
напыления:
электродуговая металлизация
Принципиальная схема электродуговой металлизации
показана на рисунке. Через два канала в горелке непрерывно подают две проволоки
(диаметром 1,5-3,2 мм), между концами которых возбуждается дуга, за счет тепла
которой и происходит расплавление проволоки. Расплавленный металл
подхватывается струёй сжатого воздуха, истекающего из центрального сопла
электрометаллизатора, распыляется и в виде жидких капель переносится на
поверхность напыляемой детали.
Рисунок 1.11 - Схема дугового напыления. 1 -
сопло; 2 - место ввода напыляемого материала (проволоки); 3-место подачи
сжатого воздуха
Газопламенное напыление в зависимости от
состояния напыляемого материала может быть трех типов: напыление проволокой,
прутком или порошком.
Рисунок 1.12 - Схема газопламенного напыления. П
- покрытие; С - струя напыляемого материала и продуктов сгорания газов.
Принцип плазменного напыления. Между катодом и
медным водоохлаждаемым соплом, служащим анодом, возникает дуга, нагревающая
поступающий в сопло горелки рабочий газ, который истекает из сопла в виде
плазменной струи. В качестве рабочего газа используют аргон или азот, к которым
иногда добавляют водород. Порошковый наплавочный материал подается в сопло
струёй транспортирующего инертного газа, нагревается плазмой и с ускорением
переносится на поверхность основного материала для образования покрытия.
Средняя температура плазмы на выходе из сопла плазмотрона находится в пределах
от нескольких тысяч градусов до десятков тысяч градусов Кельвина.
Схема пламенного напыления
Рисунок 1.13- Схема пламенного напыления. П -
покрытие; С - струя напыляемого материала и продуктов сгорания газов.
Холодное газодинамическое напыление
металлических покрытий - это процесс формирования металлических покрытий при
соударении холодных (с температурой, существенно меньшей температуры плавления)
металлических частиц, ускоренных сверхзвуковым газовым потоком до скорости
несколько сот метров в секунду, с поверхностью обрабатываемой детали. При
ударах нерасплавленных металлических частиц о подложку происходит их
пластическая деформация и кинетическая энергия частиц преобразуется в тепло и,
частично, в энергию связи с подложкой, обеспечивая формирование сплошного слоя
из плотно упакованных металлических частиц.
Основной особенностью холодного газодинамического
напыления является отсутствие высоких температур в процессе формирования
металлических покрытий, следовательно, отсутствие окисления материалов частиц и
основы, процессов неравновесной кристаллизации, высоких внутренних напряжений в
обрабатываемых деталях.
К настоящему времени существуют две основных
разновидности:
Холодное газодинамическое напыление высокого
давления. В качестве рабочего газа используются азот или гелий при давлениях
выше 1,5 МПа (15 атм), расходе более 2 куб.м/мин., и мощностью подогрева более
18 кВт. Для напыления обычно используются чистые металлические порошки размером
5-50 мкм.
Холодное газодинамическое напыление низкого
давления. В качестве рабочего газа используется сжатый воздух давлением 0,5-1,0
МПа (5-10 атм), расходом 0,5 куб.м/мин, и мощностью подогрева 3-5 кВт. Для
напыления покрытий используются механические смеси металлических и керамических
порошков. Включение керамического компонента в напыляемую смесь обеспечивает
получение качественных покрытий при сравнительно небольших энергозатратах.
Технология позволяет создавать алюминиевые, медные, цинковые, оловянные,
свинцовые, никелевые и другие металлические покрытия. В качестве керамической
примеси обычно используется оксид алюминия, хотя могут быть использованы и
другие материалы, отличающиеся высокой твердостью и температурой плавления.
Технология находит широкое применение в различных отраслях промышленности для
решения целого ряда задач по нанесению металлических покрытий в машиностроении,
авиакосмической технике, электротехнике, нефте- газодобыче, переработке, на
газоперекачивающих станциях магистральных газопроводов, в судостроении,
судоремонте, атомной энергетике, железнодорожном транспорте, метро, ремонте
автомобильной, дорожной и специальной техники, в декоративно-прикладном
искусстве.[6-10]
нанесение антифрикционных покрытий;
Процесс нанесения антифрикционных покрытий
должен обеспечивать выполнение тех же требований, что и для износостойких
покрытий, с той лишь разницей, что при его проведении строго не ограничивается
толщина покрытия. Антифрикционные материалы (от англ. friction - трение) - это
группа материалов, обладающих низким коэффициентом трения или материалы
способные уменьшить коэффициент трения других материалов.
Твердые антифрикционные материалы обладают повышенной
устойчивостью к износу при продолжительном трении. Используется для покрытия
трущихся поверхностей (например, в подшипниках скольжения). Например, такими
материалами могут служить латунь, железографит, бронза или баббит.
Эти материалы должны иметь минимальный
коэффициент трения, структура покрытия должна обеспечивать антисхватывание и
возможность быстрой приработки к контртелу, механические характеристики
материала должны соответствовать эксплуатационным нагрузкам, должны быть
достаточно износостойкими и пластичными. [11]
наплавка.
Наплавка - это нанесение слоя металла или сплава
на поверхность изделия посредством сварки плавлением.
Восстановительная наплавка применяется для
получения первоначальных размеров изношенных или поврежденных деталей. В этом
случае наплавленный металл близок по составу и механическим свойствам основному
металлу.
Наплавка функциональных покрытий служит для
получения на поверхности изделий слоя с необходимыми свойствами. Основной
металл обеспечивает необходимую конструкционную прочность. Слой наплавленного
металла придаёт особые заданные свойства: износостойкость, жаростойкость,
жаропрочность, коррозионную стойкость и т. д.
Наплавку производят при восстановлении
изношенных и при изготовлении новых деталей машин и механизмов. Наиболее широко
наплавка применяется при ремонтных работах. Восстановлению подлежат корпусные
детали различных двигателей внутреннего сгорания, распределительные и
коленчатые валы, клапаны, шкивы, маховики, ступицы колес и т. д.[12]
Вакуумное нанесение на рабочую поверхность
инструмента покрытий из сверхтвердых соединений. Данный способ является
наиболее эффективным и прогрессирующим из выше упомянутых способов, позволяет
резко повысить эксплуатационные качества режущего инструмента тем самым,
расширяя его область применения.[13]
Вакуумное нанесение - перенос частиц напыляемого
вещества от источника (места его перевода в газовую фазу) к поверхности детали
осуществляется по прямолинейным траекториям при вакууме 10-2 Па и ниже
(вакуумное испарение) и путем диффузионного и конвективного переноса в плазме
при давлениях 1 Па (катодное распыление) и 10-1-10-2 Па (магнетронное и
ионно-плазменное распыление). Судьба каждой из частиц напыляемого вещества при
соударении с поверхностью детали зависит от ее энергии, температуры поверхности
и химического сродства материалов пленки и детали. Атомы или молекулы,
достигшие поверхности, могут либо отразиться от нее, либо адсорбироваться и
через некоторое время покинуть ее (десорбция), либо адсорбироваться и
образовывать на поверхности конденсат (конденсация). При высоких энергиях
частиц, большой температуре поверхности и малом химическом сродстве частица
отражается поверхностью. Температура поверхности детали, выше которой все
частицы отражаются от нее и пленка не образуется, называется критической
температурой напыления вакуумного; ее значение зависит от природы материалов
пленки и поверхности детали, и от состояния поверхности. При очень малых
потоках испаряемых частиц, даже если эти частицы на поверхности адсорбируются,
но редко встречаются с другими такими же частицами, они десорбируются и не
могут образовывать зародышей, т.е. пленка не растет. Критической плотностью
потока испаряемых частиц для данной температуры поверхности называется
наименьшая плотность, при которой частицы конденсируются и формируют пленку.
Структура напыленных пленок зависит от свойств материала, состояния и
температуры поверхности, скорости напыления. Пленки могут быть аморфными
(стеклообразными, например оксиды, Si), поликристаллическими (металлы, сплавы,
Si) или монокристаллическими (например, полупроводниковые пленки, полученные
молекулярно-лучевой эпитаксией). Для упорядочения структуры и уменьшения
внутренних механических напряжений пленок, повышения стабильности их свойств и
улучшения адгезии к поверхности изделий сразу же после напыления без нарушения
вакуума производят отжиг пленок при температурах, несколько превышающих
температуру поверхности при напылении. Часто посредством вакуумного напыления
создают многослойные пленочные структуры из различных материалов.
1.3.2 Основные требования к износостойким
покрытиям
К покрытиям в зависимости от материала и условий
эксплуатации режущего инструмента, предъявляются своего рода технологические
требования, которые можно подразделить на четыре категории.
Во-первых, это условие, учитывающее условия
работы инструмента. Покрытие должно обладать: высокой твердостью, превышающей
твердость материала инструмента; устойчивостью к высокотемпературной коррозии;
отсутствие схватываемости с обрабатываемым материалом во всем диапазоне
температур резания; устойчивостью к разрушению при колебании температур и
напряжений; постоянством механических свойств, даже при температурах, близких к
температурам разрушения инструментального материала.
Во-вторых, это необходимость совместимости
свойств материала покрытия со свойствами материала инструмента: сродство
кристаллохимического строения материала покрытия и инструмента; оптимальное
соотношение материалов покрытия и инструмента по модулям упругости,
коэффициентам Пуассона и линейного расширения, теплопроводности; малая
склонность к образованию хрупких вторичных соединений.
В-третьих, это требования к технологическим
особенностям метода нанесения покрытий: создание в процессе нанесения покрытия
на инструмент условий, не оказывающих существенного влияния на физические и
кристаллохимические свойства материала инструмента.
В-четвертых, требования, относящиеся к покрытиям
в целом: покрытие должно быть сплошным и иметь постоянную плотность по всему
объему, тем самым, защищая материал инструмента от соприкосновения с
обрабатываемым материалом и газовой средой; стабильность свойств покрытия во
времени; малость колебаний толщины покрытия в процессе работы, позволяющая не
изменять рельеф материала инструмента. [14-18]
.3.3 Износостойкие покрытия для режущих
инструментов
Наиболее широко в качестве износостойких
покрытий применяются соединения тугоплавких d-переходных металлов IV-VI
Периодической системы элементов с кислородом, углеродом и азотом [5]. Это
связано с особенностями их кристаллохимического строения:
Во-первых, эти металлы имеют недостаток
электронов на внутренних s, p и d орбиталях, и это приводит к тому, что они с
достаточной легкостью могут приобретать электроны из любого источника, которым
может служить междоузельные атомы углерода, азота и кислорода.
Во-вторых, большинство переходных металлов имеют
достаточно большие атомные радиусы и при образовании соединений с атомами C,N и
O могут подчинятся правилу Хэгга, согласно которому отношение радиуса атома
неметалла к радиусу атома металла меньше критического значения 0.59. Для
соединений металлов IV группы (Ti,Zr,Hf) достаточно точно выдерживается правило
Хэгга, что приводит к образованию простых структур, в которых превалирует связь
металл-металл, а атомы C,H,O можно рассматривать как вставленные в решетку
атомов металла.
В-третьих, большинство переходных металлов имеют
широкие области гомогенности, что позволяет в зависимости от содержания
кислорода, азота и углерода достаточно сильно изменять физико-механические
свойства их карбидов, нитридов и оксидов.
В-четвертых, переходные металлы и некоторые их
соединения, в первую очередь соединения с простой кубической структурой типа
NaCl (ZrC,ZrN,TiN,VC,TaC), отличаются очень высокими температурами плавления.
Соединения металлов IV-VI групп с кислородом,
углеродом и азотом можно рассматривать и как наиболее устойчивый (в
термодинамическом отношении) материал для покрытий, способный противостоять
твердо- и жидкофазным диффузионным реакциям, коррозии и окислению при высоких
температурах. Ниже будет показано, что свойства соединений тугоплавких металлов
с О,N и С при обычных и повышенных температурах сильно зависят от многих
факторов: состава (стехиометрии), наличия примесей, микроструктуры и текстуры,
пористости и т.д.
Карбиды обладают рядом противоречивых свойств,
что осложняет детальное изучение их физической природы. В частности, строение
монокарбидов с кубической решеткой соответствует структуре типа NaCl , вместе с
тем электропроводность карбидов сравнима с электропроводностью металлов. Высокая
твердость карбидов проявляется за счет ковалентной связи атома углерода с
атомом метала.
Наибольшая склонность к образованию
энергетически стабильных конфигураций sp3 проявляются у карбидов металлов IV
группы (Ti, Zr, Hf ). Это обусловлено большей донорской способностью этих
металлов (особенно Ti) при относительно высоком содержании углерода в карбиде
(до 20%). Стабильные конфигурации карбидов атомов металлов IV группы
объясняется уменьшением общего числа нелокализованных электронов sp-переходов,
смещения равновесия вправо и уменьшения общего числа нелокализованных
электронов: sp2 + p « sp3. Поэтому карбиды обладают
повышенной жесткостью кристаллической решетки, определяющей их высокую
твердость, теплостойкость и хрупкость. При переходе к карбидам V группы
донорская способность металлов этой группы снижается, что приводит к снижению
статистического веса устойчивости sp3-конфигурации карбидов и соответственно
уменьшает соответственно твердость этих карбидов. Область их гомогенности
сужается, в составе наряду с карбидами МС образуются низшие карбиды М2С с
гексагональной структурой. Так например, твердость TiC равна 31.7 ГПа, а
твердость TaC - 17.4 ГПа, Nb2C - 21 Гпа. У карбидов тугоплавких металлов VI
группы (Cr, Mo,W) содержание углерода падает до 6%, снижается число
обобществленных электронов, поэтому статический вес атомов наиболее стабильной
электронной конфигурации sp3 оказывается очень низким, а свойства карбидов
определяются главным образом свойствами d5-конфигурации. Связи d5 более гибкие,
чем sp3, допускают упругий прогиб решетки, более свободное движение в ней
дислокаций. Поэтому карбиды металлов VI группы имеют меньшую твердость и
хрупкость (CrC, MoC, WC), чем твердость и хрупкость карбидов IV группы (TiC,
ZrC, HfC). Так твердость CrC равна 29.5 ГПа, а твердость ZrC - 29.5 ГПа.
Карбиды тугоплавких металлов V группы занимают промежуточное положение. У
карбидов VI группы имеются узкие области гомогенности. Образование карбидов
таких металлов связано с сильными искажениями кристаллической решетки металла
(Cr) либо с нарушением порядка упаковки (Mo, W). В следствии этого, у карбидов
VI могут возникать и прямые связи C-C (MoC, CrC) [5].
По своим свойствам и строению нитриды весьма
похожи на карбиды, однако, между ними существуют определенные различия. Главное
различие состоит в сильном снижении связи металл - неметалл из-за уменьшения
ковалентности азота (трехвалентный) по сравнению с валентностью углерода
(четырехвалентный).
Атом азота в нитридах, имеющий в изолированном
состоянии конфигурацию валентных электронов s2p6 , может быть как донором, так
и акцептором электронов. Акцепторная способность азота преимущественно
проявляется при образовании нитридов металла IV-VI групп, у которых преобладает
ковалентно-металлическая ионная связь. Донорские способности тугоплавких
металлов IV группы (особенно Ti) в результате присоединения трех атомов азота
приводят к образованию энергетически очень устойчивых конфигураций s2p6: s2p3 +
3p «
s2p6 [5].
Вследствие резкого снижения донорской и роста
акцепторной способности металлов VI группы (Cr, Mo, W) для этой группы может
проявляться и донорская способность азота (s2p3 ® sp4 ®
sp3 + p ) с образованием избыточных (не участвующих в химической связи)
электронов, которые снижают температуру плавления этих нитридов.
Хотя особенность конфигурационного строения
нитридов переходных металлов (s2p6) свидетельствует о их высокой коррозионной
стойкости (снижение склонности к твердо- и жидкофазным диффузионным реакциям),
необходимо отметить меньшую термодинамическую устойчивость нитридов, по
сравнению с карбидами. Практически это означает, что нитриды имеют более низкую
по сравнению с карбидами сопротивляемость к высокотемпературному окислению,
коррозии. Причем, при переходе нитридов металлов IV группы (TiN, ZrN, HfN) к
нитридам металлов V (VN, NbN, TaN) и особенно VI группы (CrN, MoN, WN)
сопротивляемость к высокотемпературному окислению снижается. Вместе с тем
нитриды имеют и свои преимущества. Они более пластичны и менее хрупки, чем
карбиды. Так например, предел прочности при изгибе TiN равен 240 МПа, а TiC -
15 МПа [5].
Оксиды обладают твердостью, сравнимой с
твердостью нитридов. Так например, твердость TiN равна 20.5 ГПа, а твердость
Al2O3 - 19.9 ГПа. Между тем, по коррозийным свойствам оксиды превосходят
нитриды. Хрупкость оксидов сравнима с хрупкостью карбидов. [18]
.3.4 Оборудование и технология для нанесения
плазменных, вакуумных покрытий
Вакуумно-плазменные методы нанесения покрытия в
промышленности называют PVD-метод - нанесение конденсацией из паровой (газовой)
фазы (англ. physical vapour deposition; сокращённо PVD) обозначает группу
методов напыления покрытий (тонких плёнок) в вакууме, при которых покрытие
получается путём прямой конденсации пара наносимого материала.
При физическом осаждении (PVD) материал покрытия
переходит из твердого состояния в газовую фазу в результате испарения под
воздействием тепловой энергии или в результате распыления за счет кинетической
энергии столкновения частиц материала. Энергия, распределение и плотность
потока частиц определяются методом нанесения, параметрами процесса и формой
источника частиц. Нанесение покрытий методом PVD проводится при температуре до
450°С, что практически не накладывает ограничения по используемым материалам,
на которые наносится покрытие. Это особенно важно при нанесении покрытия на
быстрорежущую сталь, так как температура процесса не превышает температуру
отпуска закаленной стали (около 550°С). PVD-процессы проводят в вакууме или в
атмосфере рабочего газа при достаточно низком давлении (около 10-2 мбар). Это
необходимо для облегчения переноса частиц от источника (мишени) к изделию
(подложке) при минимальном количестве столкновений с атомами или молекулами
газа. Это же условие определяет обязательность прямого потока частиц. В
результате покрытие наносится только на ту часть изделия, которая ориентирована
к источнику частиц. Скорость осаждения зависит в этом случае от относительного
расположения источника и материала. Для равномерного нанесения покрытия
необходимо систематизированное движение материала или применение нескольких,
определенным образом расположенных, источников. В то же время, поскольку
покрытие наносится только на поверхности "в прямой видимости
источника", метод позволяет селективно наносить покрытие только на
определенные части поверхности, оставляя другие без нанесенного слоя. Это
абсолютно невозможно при использовании метода химического осаждения. Основными
факторами, определяющими качество покрытия, нанесенного методом физического
осаждения, являются чистота исходных материалов и реакционного газа, а также
необходимый уровень вакуума.
При PVD-методе материал покрытия внутри
установки переводится из твердого состояния в газообразное с помощью различных
физических процессов. Их можно разделить на две большие группы - процессы
испарения и распыления. Испарение осуществляется за счет резистивного
сопротивления, индукционного нагрева, электронно-лучевых пучков, низковольтной
дуги, полого катода, катодной или анодной дуги, лазерного луча. Процессы могут
проходить с дополнительной ионизацией или без нее, в среде реакционного газа
или без него, с напряжением смещения или без него.
Распыление бывает диодное или магнетронное, при
постоянном токе или токе высокой частоты, в среде реакционного газа или без
него, с напряжением смещения или без него, с дополнительной модификацией
магнитного поля (несбалансированной или с замкнутым полем) или без нее.
Для нанесения покрытий на инструмент в
подавляющем большинстве случаев применяется один из трех методов ионного
осаждения. К ним относятся:
испарение электронным пучком,
испарение электрической дугой (метод КИБ),
распыление (магнетронное) ионной бомбардировкой.
Процессы протекают в среде инертного газа в
присутствии реакционного газа (например, азота и/или ацетилена) при
отрицательном напряжении смещения на покрываемом материале. Для улучшения
переноса частиц в камере поддерживается пониженное давление (меньше 10 2 бар
или около 1 Па) или высокий вакуум (10~5 бар или 10"3 Па).
Поскольку покрытие наносится только на
поверхности, обращенные в сторону источника частиц, покрываемый материал должен
совершать сложное планетарное движение. Для реализации такого движения материал
помещают на специальные подставки
Практически все современные установки работают
по замкнутому циклу, включающему:
загрузку в очищенную камеру подставки с тщательно
очищенным материалом (инструментом), на который будет наноситься покрытие;
откачивание воздуха из камеры;
нагрев камеры и материала внешним источником и
ионной бомбардировкой (при положительном напряжении смещения на материале);
очистку материала ионным травлением
(аргонно-ионным или метало-ионным) с последующим отсосом загрязнений (рис.
1.14);
испарение или распыление и ионизацию материала
"мишени" (например, титана) с одновременной подачей энергии, рабочего
газа (например, аргона) и реакционного газа (азота для образования нитридов,
углеводорода для образования карбидов и кислорода для образования оксидов);
перенос частиц (ионов, атомов, молекул, электронов, радикалов) в среде
ионизированного газа (плазме);
столкновение частиц с материалом и конденсацию
(для улучшения процесса применяется отрицательное напряжение смещения на
материале);
охлаждение камеры и материала;
выгрузку подставки с материалом после
выравнивания давления.
Рисунок 1.14 - Ионная очистка материала
При правильно подобранных параметрах процесс
выполняется автоматически с высокой степенью надежности и воспроизводимости.
Обязательное условие - тщательная очистка материала перед нанесением покрытия,
осуществляемая последовательной обработкой (отмывкой) в нескольких химических
средах, частично с ультразвуковой обработкой. После этого следует промывка в
чистой воде и сушка. Инструмент не должен иметь никаких следов термической
обработки. Особое внимание уделяется также очистке внутренних каналов подвода и
"дегазации" мест пайки. Для подготовки поверхности под покрытие часто
применяется микроструйная обработка.
Рисунок 1.15 - метод испарения электронным лучом
В установках, использующих испарение электронным
пучком, к катоду с тлеющей дугой подводится высокое напряжение (1-10 кВ). В
результате создается сфокусированный и ускоренный пучок электронов (около 200
А), который направляется на мишень с металлическим материалом покрытия (рис.
1.15). Мишень установлена в центре горизонтально расположенного котла из
графита, керамики или меди. К котлу подведено положительное напряжение. К
противолежащей подставке с покрываемыми инструментами подведено отрицательное
напряжение, называемое напряжением смещения. Положительные ионы испаренного
вещества (например, титана) вступают в реакцию с реакционным газом (например,
азотом) и образуют материал покрытия (нитрид титана), который осаждается на
покрываемом инструменте. Камера покрытия изготавливается из нержавеющей стали с
двойными стенками с системами нагрева и охлаждения.
Рисунок 1.16 - Метод КИБ (конденсация в условиях
ионной бомбардировки)
При использовании дугового испарения зажигается
электрическая дуга (рис. 1.16). В литературе метод носит название КИБ
(конденсация из плазменной фазы в условиях ионной бомбардировки). После
зажигания дуги ее перемещение по поверхности мишени, установленной в медном
охлаждаемом катоде, управляется с помощью системы магнитов. Основная цель -
обеспечить равномерное удаление материала с поверхности мишени и продлить срок
ее службы. Катод устанавливается вертикально на стенки камеры, и к нему
подводится отрицательное напряжение. В момент розжига дуги на поверхности
мишени возникает местный расплав (рис. 1.17а). Начинается испарение металла
мишени (рис. 1.17б и 1.17в), однако при испарении вместе с ионами материала
также ускоряются неионизированные частицы металла (капли) (рис. 1.17г), которые
также осаждаются на поверхность инструмента. Наличие такой капельной фазы
является основным недостатком дугового метода, так как капли ухудшают качество
покрытия.
Рисунок 1.17 - Образование пара и капель
На дуговых установках можно наносить композитные
(состоящие из нескольких металлов) и многослойные покрытия. Для этого
применяются различные катоды. На противоположных стенках камеры можно
установить несколько катодов из чистых металлов (например, титана и алюминия),
а можно использовать один катод из их сплава. При недостатке места можно
использовать комбинированные катоды, состоящие из нескольких
"чистых", сведенных на одном катодном блоке мишеней. Применение
нескольких одинаковых мишеней увеличивает скорость нанесения покрытия.
Из установок, использующих метод распыления,
наибольшее применение находят установки на основе магнетронов (MSIP - Magnetron
Sputtering Ion Plating - ионное осаждение магнетронным распылением). При
приложении высокого напряжения в атмосфере инертного газа (как правило, аргона)
возникает тлеющий разряд (рис. 1.18). Ионы инертного газа из плазмы, обладающие
высокой энергией, ударяются об мишень, включенную как катод. За счет ударного
импульса материал распыляется, минуя промежуточную жидкую фазу. В этом случае,
в отличие от установок с котлом, возможно произвольное расположение мишеней. С
помощью магнитных полей (замкнутых и разомкнутых) путь электронов удлиняется
(по спирали вдоль линий магнитного поля), увеличиваются плотность плазмы и
ударная энергия. Позади мишени располагается магнитная система, определяющая распределение
области распыления материала по всей поверхности мишени. [19]
Рисунок 1.18 - Метод магнетронного распыления
На сегодняшний день широкое распространение на
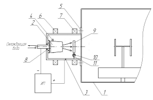
территории России получила установка типа ННВ-6.6 (рисунок 1.19) для нанесения
ионно-плазменным методом защитных, износостойких и декоративных покрытий из
различных материалов (Ti, Zr, Cr, Mn, Al, Mo, W, их оксиды, нитриды и карбиды,
сплавы). Особенности установки позволяют получать высококачественные однородные
и многослойные покрытия при пониженных температурах.
Рисунок 1.19 - Схема установки типа ННВ-6.6: 1 -
камера, 2 - стол вращения, 3 - электродуговой испаритель, 4 - катод, 5 -
стабилизирующая катушка, 6 - фокусирующая катушка, 7 - источник питания дуги, 8
- ис-точник опорного напряжения, 9 - источник высокого напряжения, 10 - бал-лон
с реакционным газом, 11 - вакуумметр, 12 - форвакуумный насос,
- диффузионный паромасляный насос, 14 -
пирометр.
Корпус имеет вид вертикального цилиндрического
сосуда с боковым проемом, который закрывает дверца. Он выполнен с двойными
стенками, образующими полость водоохлаждения. На боковых стенках корпуса
установлены два электродуговых испарителя. Корпус с дверцей образует вакуумную
камеру. На дверце установлен третий электродуговой испаритель, который может
быть размещен и на верхней плоскости корпуса. Вакуумная система обеспечивает
создание в рабочей камере необходимого рабочего давления. Регулирование
остаточного давления выполняется с помощью автоматического регулятора напуска
рабочего газа. Электрическая часть служит для электроснабжения установки и
управления технологическим процессом. Электроснабжение производится от
трехфазной сети напряжением 380 В, цепи управления питаются напряжением 220 В и
частотой 50 Гц.
Высоковольтный источник питания, включает в себя
тиристорный преобразователь напряжения, высоковольтный трансформатор и
выпрямитель. Источник опорного напряжения, включает в себя тиристорный
преобразователь (общий с высоковольтным источником), трансформатор и
выпрямитель.
Такие установки изготавливает ОАО
"Электротерм-93". Они предназначены для нанесения упрочняющих
покрытий на инструмент и некоторые детали машин, а также декоративных покрытий
на изделия широкой номенклатуры диаметром до 400 и длиной до 250 мм способом
конденсации вещества с ионной бомбардировкой в вакууме. [20] Также свыше 25 лет
ОАО "ВНИИИНСТРУМЕНТ" разрабатывает и внедряет в промышленность
технологии ионно-плазменного напыления на режущий инструмент на установках типа
ННВ 6.6 ("Булат") (рисунок 1.20). Наноградиентные покрытия из
сепаративной плазмы дугового разряда - новое направление в PVD технологии.
Полный комплект технологий и оборудования для осаждения ионно-плазменных
твердых защитных покрытий на основе элементов: Ti, Al, Zr, Cr, Mo, Ni, C и др.,
и газов: N2, Ar, CnHk, O2, H2. В основу технологии положено сепарирование
плазменного потока. [21]
Рисунок 1.20 - Установка ННВ6.6 с сепаратором.
Состав установки включает в себя все необходимые
части и узлы, для синтеза твердых, износостойких пленочных покрытий на основе
соединений металлов, азотирования (азотирование - только для сталей HS, HSS,
HSSE).
Существует также модернизированные установки
ННВ6.6 с двухярусными испарителями для нанесения на более габаритные
инструменты (рисунок 1.21). [21]
Рисунок 1.21 - Установка ННВ 6.6 И4
модернизированная двухъярусная.
В России кроме ННВ6.6 существует участок НПО
«Сатурн» ионно-плазменных покрытий, который оснащен специальным оборудованием
для нанесения жаростойких покрытий на трактовые поверхности рабочих и сопловых
лопаток газотурбинной техники методом ВЭПТВ на установках МАП. [22]
ОАО НПО «ЦНИИТМАШ» изготавливает промышленную
установку NanoARCmaster (Рисунок 1.22). Она предназначена для ионного нанесения
однослойных, многослойных, нанослойных и нанокомпозитных защитных и
триботехнических покрытий на детали машин и режущий инструмент методом ионного
осаждения с дуговым испарением. Для каждого типа инструментов и деталей
рекомендованы определенные типы покрытий, запрограммированы стандартные режимы
их нанесения. [23]
Магнетронная модификация оборудования позволяет
наносить как однокомпонентные, так и многокомпонентные составы, в частности
припои, подложки для пайки, заменять гальванические, а так же наносить
жаростойкие покрытия.
Рисунок 1.22 - Установка NanoARCmaster
Современные высокотехнологичные вакуумно-дуговые
установки максимально возможно снижают размеры и количество капельной фазы.
[23]
Один из мировых лидеров в этом секторе является
Швейцарская фирма «Платит». Он занимается упрочнением режущих инструментов и
быстроизнашиваемых деталей машин. «Платит» производит оборудование для
нанесения покрытий, основанное на плазме. [24]
Покрытие наносится методом дугового испарения и
магнетронным методом. С дуговым испарением производится такие установки как
PL70, PL1001, PL2001. А так же имеется новые установки с боковыми вращающимися
катодами (LARC®) и с центральными вращающимися катодами (CERC) ПЛАТИТ π80
и
π300.
Рисунок 1.23 - установка ПЛАТИТ π80
и
π300.
а
- LARC® (боковые вращающиеся катоды) б - CERC® (Центральные вращающиеся
катоды).
С помощью таких технологий наносят следующие
покрытия:
* Стандарт: TiN, TiAlN, AlTiN
* Дополнительный: TiCN-MP, TiAlCN, GRADVIC®,
GRADVIC2®, ZrN, CrN, CROMVIC®, CROMVIC2®, nACRo
* Nanocomposite:nACo®, nACRo®,
nATVIc®, nATTIVIc®, Fi-VIc®, Fi-TIVIc2®, nACRo®, nACVIc®
* Тройное покрытие: nACRo3, nATRCo3, nACo3®
* Монослои, Мультислои, нанослои,
нанокомпазиционные, и их комбинации
Структура тройного покрытия nACRo3 показано на
рисунке 1.24. [24]
Рисунок 1.24 - Покрытие nACRo3 полученное на
установке ПЛАТИТ π300 CERC технологией
CERC
В Германии существует производство установок для
нанесения ионно-плазменных покрытий (PVT Plasma und Vakuum Technik GmbH),
которые имеют достойное место на мировом рынке с PVD технологиями нанесения
покрытий под вакуумом. Дуговое испарение и магнетронный способ - самые
универсальные методы осаждения в PVD для самого широкого диапазона материалов.
Обе технологии используются, например, для нанесения покрытий тонкой пленки из
AlTiN, TiAIN, TiCN, TiN, CrN, ZrN и т.д. Покрытия наносятся на карбид
вольфрама, сталь, металлические подложки, пластмассы и керамику.
Установка PVT S2/ARC является индустриальной
небольшого размера вакуумной системой для нанесения покрытия. [25]
Рисунок 1.25 - Установка PVT S2/ARC
.4 Вывод по аналитическому обзору
На основании проведенного обзора литературы
можно сделать следующий вывод:
) На основании литературной проработки по
методам нанесения износостойких покрытий на режущий инструмент показано, что
нанесение износостойкого покрытия на инструментальные материалы позволяют
приблизиться к созданию «идеального» материала, обладающей высокой
износостойкостью в сочетании с достаточной прочностью и вязкостью. Он может
удовлетворить самым высоким требованиям, предъявляемым к качеству,
производительности и надежности.
) Самым универсальным и эффективным среди
существующих методов упрочнения является вакуумно-плазменное нанесение твердых
покрытий.
) В кожевенно-меховом производстве, в результате
изнашивания, режущая кромка инструмента теряет свою первоначальную форму и, как
следствие, режущую способность. Для восстановления режущей способности
инструмента производится затачивание его рабочих поверхностей. В процессе
затачивания инструмента с его рабочей части срезаются довольно большие слои
дорогостоящего инструментального материала. Кроме того, на смену затупившегося
инструмента затрачивается время, которое увеличивает продолжительность операции
механической обработки, а следовательно и ее стоимость. Операция обработки
резанием в кожевенно-меховом производстве используется от подготовительных операций
до финишной обработки полуфабриката, поэтому, задача уменьшения интенсивности
изнашивания режущих инструментов и увеличения срока его службы остается одной
из задач кожевенно-мехового производства.
2.
Выбор направления исследования
Один из проблем кожевенно-мехового производства
- это быстрое изнашивание режущих инструментов и деталей технологического
оборудования. В процессе работы режущего инструмента, основная нагрузка
приходится на его рабочую поверхность, что, в конечном счете, приводит к частичному
или полному износу.
Такие затраты сказываются на себестоимости
продукции. Таким образом, увеличение работоспособности и ресурса работы
инструментов и быстроизнашиваемых деталей приводит к снижению себестоимости
продукции. Операция обработки резанием в кожевенно-меховом производстве
используется от подготовительных операции до финишной обработки полуфабриката,
поэтому целесообразно использовать упрочненные режущие инструменты.
Обеспечить максимизацию работоспособности
режущего инструмента, значит повысить рост производительности труда, сэкономить
дорогостоящий материал, энергию и трудовые ресурсы. Работоспособность режущего
инструмента может быть повышена благодаря такому изменению поверхностных
свойств инструментального материала, при котором контактная поверхность
инструмента будет наиболее эффективно сопротивляться абразивному, адгезионному,
коррозийно-окислительному и др. видам износа как в нормальных, так и в
агрессивных средах. Так же инструментальный материал должен обладать
достаточным запасом прочности при сжатии, изгибе, приложении ударных нагрузок.
Большинство инструментальных материалов обладают лишь несколькими из указанных
выше свойств, что резко снижает их область применения. Например, инструменты из
быстрорежущей стали обладают относительно высокой теплостойкостью, средней
твердостью, небольшими прочностью при изгибе и ударной вязкостью; керамические
режущие инструменты имеют повышенную твердость, износостойкость и высокую
теплопроводность, но им присущи низкая ударная вязкость и повышенная хрупкость.
На сегодняшний день существует множество
технологии обработки поверхности направленное на его упрочнение, наиболее
универсальным из которых является метод нанесения на поверхность инструмента
покрытий из сверхтвердых соединений. Современные методы упрочнения позволяют
повысить износостойкость инструмента в 2 и более раза.
В настоящее время большое внимание уделяется
получению и изучению свойств наноструктурных и микрокристаллических материалов,
обладающих мелкозернистой, с характерными размерами от единиц до десятков
нанометров, микроструктурой, предназначенных для работы в различных областях
техники. Среди существующих методов получения таких материалов особый интерес
представляют тонкие микронанокристаллические покрытия, полученные в вакууме
различными методами физического осаждения, а именно, магнетронным распылением и
вакуумно-дуговым осаждением (метод КИБ). Метод КИБ, технологически доступен и
позволяет управлять свойствами инструментальных материалов в широких пределах и
достигать требуемых эксплуатационных характеристик.
С помощью метода КИБ применяя нанотехнологии
наносят самые современные покрытия, например, нанокомпазиционныe,
наноградиентные, наноструктурированные, покрытия с монослоями, с нанослоиями,
нанокристаллические и др. покрытия, а так же покрытия с упрочняющими
наночастицами.
Поэтому представляет интерес получение и
изучение упрочняющих покрытий с нанофазой методом ионно-плазменной конденсации
в вакууме и нанесение такого покрытия на режущие инструменты используемые в
кожевенно-меховом производстве.
3. Объекты и методы исследования
3.1 Номенклатура и характеристики режущих
инструментов используемые в кожевенно-меховых производствах
На современных кожевенных заводах и меховых
фабриках применяются десятки типов машин и аппаратов. Только для удовлетворения
потребностей кожевенной промышленности требуется до 90 типов технологического
оборудования. Постоянно совершенствуется технология и продолжается
технологическое перевооружение отрасли. Современные предприятия оснащаются новыми
машинами и аппаратами, в которых используется последние достижения науки и
техники, не только Российского производства, но и зарубежного. Из зарубежных
стран в основном машины, с обработкой резанием, поставляет Турция фирма
«Оздерсан», Италия «Рици». Стационарные ножи рубильных и стригальных машин
изготавливает Германия, которые используется в турецких и российских машинах.
В данной работе для определения стойкости в
производственных условиях покрытие наносили на дисковый нож от мездрильной
машины ДМ-3М. Дисковые ножи в России изготавливает ООО «Самара ЗИМ-Инструмент»
из стали 9ХФ.
В таблице 3.1 указаны режущие инструменты
используемые в кожевенно-меховых производствах ОАО «Мелита», ООО «Меховщик» и
ОАО «Сафьян».
Таблица 3.1 - Номенклатура и характеристики
режущих инструментов используемые в кожевенно-меховых производствах.
|
Наименование
|
Размеры,
мм
|
Материал
|
Условие,
среда работы
|
Твердость
материала по Раквеллу
|
|
1
|
2
|
3
|
4
|
5
|
|
Дисковый
нож от машины ДМ-3М
|
Ø300
|
9ХФ
|
рН
от 7 до 10
|
60÷70
|
|
Разбивочный
нож от машины РМ-2
|
106х140
|
Р6М5
|
нейтральная
|
55÷60
|
|
Ленточный
нож от машины «Рици» SR-1800
|
Ширина
прохода-1800
|
X15Cr13
EN1.4024
|
рН
8÷9
вода
|
55÷65
|
|
Винтовой
нож мездрильной машины ММ-1625
|
Ширина
прохода-1625
|
У8А
|
рН
8÷9
вода
|
60÷70
|
|
Винтовой
нож мездрильной машины Оздерсан 1200
|
Ширина
прохода-1200
|
S12-1-4-5
EN 1.3202
|
рН
8÷9
вода
|
65÷75
|
|
Винтовой
нож мездрильной машины «Рицци» SG-3-2200
|
Ширина
прохода-2200
|
S12-1-4-5
EN 1.3202
|
рН
8÷9 вода
|
55÷60
|
|
Винтовой
нож строгальной машины МСГ600-3-КРЭ
|
Ширина
прохода-600
|
У8А
|
рН
4÷6
|
60÷70
|
|
Винтовой
нож строгальной машины «Рицци» RLA-1300
|
Ширина
прохода-1300
|
S12-1-4-5
EN 1.3202
|
рН
4÷6
|
55÷60
|
|
Стационарный
нож рубильной машины МР-1200-1М
|
Длина-1400
|
У8А
|
нейтральная
|
40÷55
|
|
Стационарный
нож стригальной машины Оздерсан-1250
|
Длина-1450
|
S6-5-2
EN 1.3343
|
нейтральная
|
56÷60
|
|
Стационарный
нож стригальной машины КСМ2-1200
|
Длина-1400
|
У8А
|
нейтральная
|
58÷60
|
.2 Оборудование для нанесения покрытий
Фотография оборудования для нанесения покрытий
на рисунке 3.1.
Рисунок 3.1 - Вакуумная установка
ионно-плазменного напыления ННВ 6,6 И1.
Установка состоит из вакуумной камеры, вакуумной
системы, дуговых испарителей, системы натекания газа, системы вращения изделий,
электрических источников питания дуги, опорного напряжения, напряжения очистки,
системы измерения вакуума, системы охлаждения и подогрева камеры, системы
автоматики и блокировок, системы измерения токов, напряжений и контроля
температуры. Вакуумная камера предназначена для крепления основных узлов
установки и размещения в ней изделий. Она герметична, имеет герметичную дверцу,
герметические электроизолированные вводы вращения, фланцы для присоединения
вакуумной системы, дуговых испарителей, приборов контроля вакуума и температуры.
Имеет смотровые окна, рубашку водяного обогрева и охлаждения. Вакуумная система
состоит из форвакуумного золотникового или роторно-пластинчатого насоса. Насосы
обеспечивают достижение среднего вакуума 10-2- 10-3 мм. рт. ст. По обходной
байпасной магистрали через вакуумные вентили насосы связаны с вакуумной камерой
и паромасляным диффузионным насосом высокого вакуума. Высоковакуумный затвор
имеет выход в камеру установки.
Установка имеет один или несколько дуговых
испарителей, предназначенных для создания и подачи в камеру (на изделие) потока
металлической плазмы. Испарители имеют герметический водоохлаждаемый корпус, в
глухом конце которого расположен изолированный от корпуса и водоохлаждаемый
катод. У катода имеется система инициирования дуги. Имеется система ее
стабилизации в виде катушки соленоида, намотанной поверх корпуса испарителя.
Далее по потоку плазмы расположена фокусирующая катушка. Анодом служит корпус
дугового испарителя.
Система вращения изделий состоит из планетарного
механизма вращения с гнездами или подвесками. Вращатель расположен в камере,
электрически изолирован от камеры и имеет вакуумный ввод вращения. Планетарная
система вращения способствует более равномерному покрытию изделий защитным
покрытием.
Электрические источники питания дуги, опорного
напряжения, напряжения очистки оформлены отдельными блоками, имеют специальные
нагрузочные характеристики и общую мощность 20-50 кВт. Кроме того, установки
имеют источники поджига дуги, питания стабилизирующих и фокусирующих катушек и
другие источники. Источник питания дуги имеет постоянное напряжение холостого
хода 80-100 В, рабочее напряжение 25-40 В при рабочем токе 50-200 а. Источник
имеет крутопадающую нагрузочную характеристику.
Источник опорного напряжения имеет жесткую
нагрузочную характеристику. Дает регулируемое напряжение постоянного тока от 0
до 300 В при токе до 10 А. Снабжен электронным устройством защиты от короткого
замыкания, как защита от микродуговых разрядов на изделии. Источник питания
ионной очистки дает постоянное регулируемое напряжение от 100 до 2000 В при
токе до 20 А, имеет жесткую нагрузочную характеристику, снабжен системой защиты
от коротких замыканий и прерывания микродуговых разрядов.
Система измерения вакуума состоит обычно из
термопарного для низкого вакуума и ионизированного для высокого вакуума
приборов. Термопарная часть вакуумера измеряет вакуум до 10-2 мм. рт. ст. и не
боится напуска системы воздухом. Низкий вакуум обычно измеряется на входе
вакуумной магистрали. Ионизационная часть вакуумметра измеряет вакуум от 10-2
до 10-7 мм. рт. ст. Высокий вакуум измеряется в камере установки и
измерительная система связана с блокировками по вакууму.
Система охлаждения и прогрева камеры
предназначены для отвода тепла при работе установки в режиме конденсации покрытия
и прогрева камеры перед её открыванием для исключения конденсации на стенках
камеры влаги. Система состоит из трубопроводов, электроклапанов, реле протока и
подогрева воды.
Система контроля температуры изделий включает
смотровое окно со шторкой, разделяющее вакуум камеры и окружающую среду.
Система автоматики и блокировок предназначена
для исключения неправильных действий персонала при работе на установке.
Блокировки предотвращают образование аварийной ситуации, соблюдение условий
техники безопасности, отключение установок в аварийных ситуациях. Так,
например, блокировки не позволяют оператору открыть высоковакуумный затвор при
наличии в камере атмосферного давления, или подать на изделие высокое
напряжение при открытой дверце вакуумной камеры.
Установка снабжена контроль- измерительными
приборами, по показаниям которых судят о режиме ее работы. Контролируется ток
дуги, ток фокусировки и стабилизации, опорное напряжение. Некоторые установки
снабжаются блоками автоматического набора вакуума, управления дугой, очисткой и
т.д. Последние модели снабжены микропроцессорной техникой, позволяющей
полностью по заданной программе производить нанесение покрытий.
.3 Методика нанесения покрытий на инструменты
Покрытия на инструмент наносятся методом
конденсации из плазменной фазы в условиях ионной бомбардировки (метод КИБ) на
вакуумной установке ионно-плазменного напыления ННВ 6,6 И1.
Важной особенностью метода КИБ является
образование интенсивных ионизированных потоков испаряемого дугой металла. В
процессе осаждения поверхность растущего покрытия подвергается интенсивной
ионной бомбардировке. В результате происходит повышение температуры поверхности
и соответственно активация плазмо-химических реакций металла с азотом в зоне
формирования покрытия.
Метод конденсации покрытий из плазменной фазы в
условиях ионной бомбардировки основан на взаимодействии в плазменном состоянии
(плазмохимические реакции) металлической плазмы элементов III, IV группы и
некоторых других элементов таблицы Менделеева с плазмой химических элементов
IV,V групп.
Покрытия КИБ получают следующим образом. В
вакууме (10-3 мм.рт.ст.) горит на катоде вакуумная дуга. Катод изготовлен из
металла III, IV группы, например, титана. В катодных пятнах дугового разряда
достигается температура 104 К. Катод имитирует электроны, металл катода при
этом испаряется и частично ионизируется в электрополе дугового источника. Поток
электронов течет в сторону анода (корпуса), а ионы испарившегося материала-
катода бомбардируют катод.
За счет потока электронов с катода, металлической
плазмы и остаточной газовой металлической плазмы в промежутке анод-катод
поддерживается электропроводность и течет электрический ток. Металлическая
плазма и пары материала катода за счет газодинамических сил, обусловленных
разностью давлений в дуговом испарителе и камере, истекают в рабочее
пространство вакуумной камеры. Здесь находятся изделия, на поверхность которых
необходимо конденсировать покрытие, например, из нитрида титана. Изделие
находится под отрицательным потенциалом, создаваемым специальным источником.
Под действием электростатических сил ионы титана (металлическая плазма)
движутся в сторону изделия. Энергия металлической плазмы легко регулируется
величиной потенциала изделия, а размеры потока плазмы легко регулируются
магнитным полем фокусирующей катушки электродугового испарителя. В вакуумной
камере находится реагирующий газ- азот при давлении около 10-3 мм.рт. ст. под
действием металлической плазмы азот ионизируется и его ионы вступают в реакцию
с ионами металла, образуя на поверхности изделия покрытие нитридов. Для того,
чтобы пленка нитрида была по плотности близкой к 100%, процесс организуют так,
что ионы металла катода постоянно бомбардируют изделие, повышая его температуру
до 300-600 ˚С и уплотняя покрытие.
Равномерность покрытия изделия обеспечивается
вращением изделия в вакуумной камере или пространственным расположением
нескольких дуговых испарителей в камере.
.4 Характеристика применяемых материалов
Спирт этиловый ректификат ГОСТ 8300-72
Бензин БР-1 («Галоша») ГОСТ 443-76
Азот газообразный (ГОСТ 9293-74)- инертный газ
без цвета и запаха плотностью 1,25046 кг/м при 0 °С и давлении 101,3 кПа.
Удельный объем газообразного азота равен 860,4 дм/ кг при давлении около 10 Па
и температуре 290 К.
Титан ВТ1-00 серебристо- белый металл.
Химический символ Тi.
Относительная атомная масса- 47,88± 0,03
Температура плавления -1671 ˚ С
Температура кипения - 3260 ˚ С
Нитрид титана - условная химическая формула Ti2N
- TiN
Содержание неметалла, % (по массе) - 10- 22,6
Температура плавления - 2950 ˚С
Бязь марки х/б ГОСТ 1108-74
3.5 Методики определения характеристик
инструмента с покрытием
Определение микротвердости покрытия.
Метод определения микротвердости предназначен
для оценки твердости очень малых (микроскопических) объемов материалов. Его
применяют для измерения твердости мелких деталей, тонкой проволоки или ленты,
тонких поверхностных слоев, покрытий и т. д. Главное назначение - оценка
твердости отдельных фаз или структурных составляющих сплавов, а также разницы в
твердости отдельных участков этих составляющих.
Метод стандартизован (ГОСТ 9450-76). В качестве
индентора при измерении микротвердости чаще всего, как и в случае определения
твердости по Виккерсу, используют правильную четырехгранную алмазную пирамиду с
углом при вершине 136°. Эта пирамида плавно вдавливается в образец при
нагрузках 0,05-5Н. Число микротвердости Нм, МПа, определяется по формуле:
HV= 1,854∙105 ∙F/d2
где F - нагрузка, Н; d - диагональ отпечатка;
1,854 - площадь боковой поверхности полученного пирамидального отпечатка.
По ГОСТу число микротвердости. МПа, записывают
без единицы измерения, например HV=1050. Микротвердость массивных образцов
измеряют на металлографических шлифах, приготовленных специальным образом.
Глубина вдавливания индентора при определении микротвердости (d/7) составляет
несколько микрометров и соизмерима с глубиной получаемого в результате
механической шлифовки и полировки наклепанного поверхностного слоя. Поэтому
методика удаления этого слоя особенно важна.
Рисунок 3.2 - Микротвердомер ПМТ-3
Образец устанавливается на основание (стеклянную
или металлическую плоскую пластину) через подложку из пластилина,
обеспечивающую, с помощью специального пресса, параллельность поверхности шлифа
и плоскости стола прибора ПМТ-3, находящегося в положении измерения
микротвердости (повернут до упора по часовой стрелке). С помощью винтов 5и 6
осуществляется наводка на резкость. А перемещением стола микрометрическими
винтами 12 и 13 выбирается место нанесения отпечатка микротвердости той или
иной структурной составляющей. Затем стол переводится в положение нанесения
отпечатка плавным его поворотом против часовой стрелки до упора с помощью
рукоятки 2. На механизм нагружения прибора ПМТ-3 устанавливается груз,
соответствующий необходимой величине нагрузки (в данном случае - 0,98 Н).
Поворотом рукоятки 18 механизма нагружения
против часовой стрелки до упора, последующей выдержкой отпечатка под нагрузкой
и возвратом рукоятки 18 в исходное положение осуществляется цикл нанесения отпечатка
микротвердости. Поворотом стола в положение измерения отпечатка микротвердости
(по часовой стрелке до упора) помещаем отпечаток в поле микроскопа (при
необходимости корректируем наводку на резкость). Совмещая перекрестие
микроскопа последовательно с правым и левым углом отпечатка, считываем
соответствующие показатели d1 и d2 со шкалы (сотни мкм) и лимба (десятки и
единицы мкм) 10 микроскопа.
Рисунок 3.3 - Измерение диагонали отпечатка
микротвердости.
Определение толщины покрытия.
Толщину покрытий определяли на изломах пленок,
нанесенных на хрупкие твердосплавные подложки. В качестве хрупкого материала
можно использовать поликорунд.
Излом поликорунда с покрытием прикрепляется
перпендикулярно на стол микротвердомера ПМТ-3.
Рисунок 3.4 - Покрытие TiN в разрезе
С помощью винтов 5 и 6 (рис 3.1) осуществляется
наводка на резкость. Далее совмещая перекрестие микроскопа считываем толщину со
шкалы (сотни мкм) и лимба (десятки и единицы мкм) 10 микроскопа.
Определение наличия наночастиц из монооксида
титана
Рельеф и механические свойства сверхтвердых
покрытий исследовался методами сканирующей зондовой микроскопии,
наноиндентирования и склерометрии с помощью сканирующего нанотвердомера «НаноСкан-3D».
Сканирующие нанотвердомер «НаноСкан»
предназначен для исследования рельефа и структуры поверхностей и измерения
механических свойств (твердости и модуля упругости) материалов и тонких пленок
на субмикронном и нанометровом масштабе.
Сканирующий нанотвердомер «НаноСкан» работает на
принципах, схожих с положенными в основу сканирующей силовой микроскопии.
Главным отличием данного прибора от классических сканирующих зондовых
микроскопов (СЗМ) является применение пьезорезонансного кантилевера камертонной
конструкции с высокой изгибной жесткостью консоли. Использование режима
резонансных колебаний позволяет осуществлять контроль контакта острия зонда с
поверхностью по двум параметрам: изменение амплитуды и частоты колебаний зонда.
Резонансный режим работы зонда обеспечивает высокую стабильность амплитуды и
частоты колебаний и гарантирует достаточно мягкий контакт острия с твердой
поверхностью исследуемого материала во время сканирования.
Рисунок 3.5 Сканирующий нанотвердомер
«НаноСкан-3D». Общий вид.
В то же время высокая изгибная жесткость консоли
зонда позволяет острию зонда проникать сквозь вязкий слой до контакта с упругой
поверхностью, а также модифицировать поверхность -проводить индентирование и
нанесение царапин (склерометрия). Конструкция зонда допускает использование
алмазных наконечников различных типов и размеров. Изгиб пьезорезонансного зонда
контролируется с помощью высокоточного датчика перемещений, позволяющего
измерять силу нагружения в процессе наноиндентирования.
На базе «НаноСкан» реализован метод измерения
твердости, основанный на измерении и анализе зависимости нагрузки при
вдавливании индентора в поверхность материала от глубины внедрения индентора.
Данный метод лежит в основе стандарта на измерение твердости ISO 14577.
Для механических испытаний применяется индентор
типа Берковича, который представляет из себя трехгранную алмазную пирамиду с
углом при вершине около 142º.
Метод измерительного динамического
индентирования заключается в следующем: индентор вдавливается в поверхность
образца с постоянной скоростью, при достижении заданной нагрузки индентор
отводится в обратном направлении. В процессе такого испытания производится
запись значений нагрузки и соответствующего ей смещения индентора.
Типичная для этого метода экспериментальная
кривая в виде графика зависимости нагрузки (P) от глубины вдавливания (h)
представлена на Рис. 4. Она состоит из двух частей, соответствующих процессу
нагружения и разгрузки. В рамках данного метода твердость H образца
определяется уравнением:
Здесь Ас - это площадь проекции отпечатка при
максимальном значении приложенной нагрузки Pmax.
Рисунок 3.6 Общий вид кривой нагружения, и схема
контакта с обозначениями величин, используемых в методике расчета модуля
упругости и твердости.
Площадь контакта при максимальной нагрузке Ас
определяется геометрией индентора и глубиной контакта hc и описывается так
называемой функций формы иглы Ac = f (hc ).
Измерения площади отпечатка на субмикро- и
нанометровом масштабах ограничивается разрешающей способностью оптических
микроскопов. В этом случае весьма эффективным способом является применение
методов СЗМ, позволяющих получать изображения восстановленных отпечатков с
нанометровым пространственным разрешением.
Значение твердости в методе рассчитывается по
формуле Мейера и представляет собой отношение максимальной приложенной к
индентору нагрузки к площади проекции отпечатка, измеренной по его изображению.
Процесс индентирования в данном методе
происходит по алгоритму, аналогичному методу измерительного динамического
индентирования. Максимальная нагрузка, приложенная к индентору, измеряется по
сигналу оптического датчика.
После индентирования производится сканирование
восстановленного отпечатка в режиме СЗМ. Нанесение отпечатка и его последующее
сканирование производится одним и тем же зондовым датчиком с одним и тем же алмазным
индентором, что позволяет избежать трудностей при поиске областей измерений. В
результате сканирования строится растровое трехмерное изображение, по которому
измеряются геометрические параметры отпечатка и вычисляются необходимые для
расчета твердости параметры. Определение геометрических параметров
восстановленного отпечатка производится по специально разработанному алгоритму.
Наличие нанофазы в покрытие можно узнать по
графику зависимости значения твёрдости от глубины внедрения индентора при
измерении методом динамического наноиндентирования.
3.6 Технология нанесения покрытий
Первый этап это подготовка инструментов к
обработке. Инструменты очищается этиловым спиртом или бензином для того чтобы
убрать жирные следы и грязь, в случае необходимости рабочая поверхность
полируется.
Далее инструмент завешивается на подвески
(крючки) вращателя, который заранее очищается от металлической грязи, и после
этого дверца вакуумной камеры закрывается. Включается установка. Открывается
кран с охлаждающей водой. Снимается сигнал блокировок. Закрывается клапан для
входа воздуха. Включается форвакуумный насос. Далее открывается клапан откачки
диффузионного насоса. Включается нагреватель дифнасоса. Закрывается клапан
откачки дифнасоса, открывается клапан байпасной магистрали. При достижении
минимального остаточного давления в камере закрывается байпасная магистраль,
открывается форвакуумная откачка из дифнасоса. По истечении 30-35 мин. с
момента включения нагревателя дифнасоса открывается высоковакуумный затвор и
регистрируется изменение вакуума на форвакуумной магистрали термопарным
датчиком. При достижении в форвакуумной магистрали давления остаточного вакуума
камеры с байпасной откачкой, включается ионизационная часть вакуумметра. По
ионизационной части регистрируется темп набора вакуума в камере в течение 20
минут.
Далее охлаждающая вода подается на камеру и на
испарители. Включается привод вращателя и регулируется скорость вращения.
Следующий этап это ионная очистка. Опорное напряжение ставим на 600-1000 В и
включаем дуговые испарители. При интенсивной бомбардировке поверхность
очищается и постепенно нагревается. После того как температура инструмента
дойдет до 200 градусов прекращаем очистку. Опорной напряжение ставим на 250 В,
в камеру пускаем азот, регулируется давление азота, ток дуги и опорное
напряжение.
Получение нанофазы монооксида титана
регулируется током дуги испарителей и парциальным давлением кислорода в
реагирующем газе.
После нанесения покрытия установка выключается.
В вакууме 20- 30 мин. инструменты охлаждаются и готовые образцы вынимаются из
камеры.
4.
Результаты экспериментальных исследований и их обсуждение
4.1 Исследование влияния параметров нанесения
покрытия на характеристики режущих инструментов
Основными параметрами ионно-плазменной обработки,
существенно влияющими на структуру и свойства покрытий системы титан-азот
являются: давление реакционного газа (азота), ток дуги, потенциал смещения,
температура подложки, время обработки и геометрия расположения образцов в
вакуумной камере. Давление реакционного газа определяет, в первую очередь,
формирование состава получаемых покрытий - элементного и фазового. Величина
тока дуги влияет на содержание в ионно-плазменном потоке, возникающего при
эрозии титанового катода, кластеров, макро- и микрочастиц капельной фазы. От
изменения потенциала смещения (опорного напряжения) существенно зависит
скорость роста пленки. При этом меняются микроструктура, твердость и величина
микро- и макронапряжений модифицированной ионно-плазменными потоками
поверхности. Температура конденсации также определяет микроструктуру и величину
остаточных напряжений.
Процесс формирования покрытия протекает в две
стадии. На первой к инструменту прикладывается напряжение порядка 1,0-1,5 кВ
при давлении в вакуумной камере порядка 10-4 мм рт. ст. В результате ионной
бомбардировки происходит очистка, активация и разогрев поверхности инструмента.
Оптимальная температура изделий при напылении с точки зрения высоких
адгезионных свойств покрытия составляет 200-700 ºС
[26,27]. В то же время надо учитывать температуру отпуска подложки, например,
для стали 9ХФ она составляет 250ОС. На второй стадии в камеру поступает
реактивный газ, напряжение на инструменте снижается до 200 В и происходит
собственно процесс осаждения покрытия за счет прохождения плазмохимических
реакций.
Из литературных источников [28, 29, 30]
известно, что потенциал основы в пределах 20-400В не влияет на основные
физико-механические характеристики покрытия, оказывая влияние только на толщину
покрытия. При опорных напряжениях до 20 и выше 400 В микротвердость
незначительно снижается, поэтому оптимальное значение опорного напряжения
находится в пределах 20-400 В.
Увеличение тока разряда дуги приводит к
увеличению толщины покрытия, однако при возрастании тока свыше 130 А снижается совершенство
структуры и резко повышается количество капельной фазы a-Ti,
которая является причиной снижения прочности сцепления подложки с покрытием.
При малой мощности разряда (ток дуги <80-90 А) из-за уменьшения коэффициента
ионизации плазмы в пленку «замуровываются» нейтральные частицы реакционного
газа и титана, что способствует повышению концентрации дефектов покрытия(a-Ti,
пористости, наплывов).
Время процесса напыления в соответствии с
островковой моделью нанесения покрытий нелинейно увеличивает толщину покрытия:
в начальный момент роста пленка формируется в виде островков и интенсивность
отражения частиц от подложки сравнительно мала; при дальнейшем росте островки
начинают сливаться, доля покрытой поверхности увеличивается и увеличивается
равновероятность прохождения процессов осаждения и распыления покрытия.
Следовательно, толщина покрытия интенсивно возрастает в течение первых 1,5-2
минут, а в дальнейшем ее рост замедляется (рисунок 4.2). При увеличении толщины
пленки ухудшаются морфологические свойства покрытия, поэтому максимум
прочностных характеристик приходится на ее размер в пределах 5..10 мкм [28].
Рисунок 4.1 - График зависимости толщины
покрытия от времени конденсации.
С изменением давления азота в камере цвет
покрытия образцов изменяется от светло-золотисто-желтого(P = 0,035 Па) до
темно-золотисто-желтого(P = 1,04 Па). У образца, напыленного при P = 0,013 Па,
цвет покрытия светло-серо-желтый. При низком давлении азота (P = 0,013-0,035
Па) образуются плотные бестекстурные беспористые покрытия с большим содержанием
капельной фазы, которая в случае расположения на границе конденсат - подложка
является причиной снижения прочности их сцепления. Такое большое содержание
капельной фазы объясняется снижением реакционной способности азота и
увеличением длины свободного пробега ионов титана при низких значениях давления
реакционного газа. При давлении азота P = 0,058-0,81 Па формируется мелкая
плотная текстура, близкая к стехиометрическому составу TiN, которая характеризуется
оптимальным, с точки зрения металлических свойств, соотношением металлической и
ионной составляющих связи. При этом содержание капельной фазы уменьшается, а
количество пор и отслоений увеличивается. При дальнейшем повышении давления
большое число свободных ионов азота приводит к резкому увеличению количества
пор и отслоений.
Рисунок 4.2 - Зависимость
микротвердости TiN - покрытия от давления азота
Проанализировав результаты
исследования, можно сделать вывод о том, что образцы, полученные при давлении
азота Р = 0,081-0,81 Па, имеют наиболее равномерно распределенную мелкую
плотную структуру, минимальное содержание капельной фазы, пор, наплывов,
отслоений и наибольшие значения микротвердости (рисунок) и, следовательно,
будут наиболее работоспособны при использовании на режущих инструментах.
Исследовался рельеф образцов
методами сканирующей зондовой микроскопии, наноиндентирования и склерометрии с
помощью сканирующего нанотвердомера «НаноСкан-3D». Микроскопический анализ
пленок выявил неоднородность структуры и образование микрокапельной
металлической фазы (рисунок 4.3).
Рисунок 4.3 - Рельеф образца. СЗМ
(сканирующий зондовый микроскоп) изображение. Размер изображения 15,4×25,4 мкм.
Основным недостатком установки
ННВ6.6-И1 является наличие "капельной фазы", т.е. капель металла
вырванных с поверхности катода при его плавлении. Дефекты покрытия от
"капельной фазы" проявляются в виде повышения параметра шероховатости,
выступания капель металла над покрытием и получению неоднородного покрытия из
нитридов и капель металла в нем.
Для исключения микрокапельной
металлической фазы разработана дополнительная система способствующая уменьшению
пористости покрытия, уменьшению шероховатости, повышению стойкости.
Каплеуловитель выполнен из керамического материала, электрически изолирован от
корпуса и установлен от катода на расстоянии, равном диаметру катода, причем
диаметр каплеуловителя равен диаметру катода.
Рисунок 4.4 - Устройство улавливания
капельной фазы металла дуговых испарителей: катод-2, вакуумная камера-1,
каплеуловитель-9
Условие электроизоляции
каплеуловителя от всех элементов устройства обеспечивает высокую
производительность процесса, благодаря беспрепятственному прохождению в объем
камеры ионов испаряемого металла, которые в основном и формируют покрытие.
Данное устройство позволяет получать качественные однородные конденсаты без
капельной фазы с высокой производительностью. Данное устройство является
патентоспособным. Нами подана заявка на получение патента на полезную модель
№2011113754 от 08.04.11.
.2 Характеристики нитридтитанового
покрытия
Для определения характеристик и
режимов нанесения покрытия в качестве подложки использовали металлорежущие
инструменты. Основными параметрами, которыми следует оперировать для управления
свойствами покрытия, являются следующие: давление реактивного газа в камере,
ток дуги испарителя, напряжение ионной очистки опорное напряжение, время
нанесения покрытия. Как показали эксперименты исследования, протекание процесса
нанесения покрытия зависит от массы инструмента, его геометрических размеров и
количества инструментов, загруженных в камеру. Для равномерного прогрева
необходимо загружать в камеру инструменты одного типоразмера.
Начальная очистка инструмента
осуществляется в тлеющем разряде с плавным увеличением напряжения. При
появлении на поверхности инструментов микродуговых разрядов напряжение
фиксируют. После очистки тлеющим разрядом проводится ионная бомбардировка
поверхности инструментов с одним работающим испарителем. Об окончании ионной
очистки свидетельствует постоянное и неменяющееся напряжение очистки. Нанесение
покрытия осуществляется на двух испарителях при постоянном контроле температуры
инструмента пирометром AR862K - бесконтактный ИК термометр (рисунок 4.5).
Рисунок 4.5 - Пирометр бесконтактный
AR862K.
Величины всех параметров нанесения
покрытия приведены в таблице 4.1.
Таблица 4.1- Параметры нанесения
покрытий.
|
Технологический
процесс
|
Очистка
ионной бомбардировкой
|
Нанесение
покрытия
|
|
1
|
2
|
3
|
|
Материал
катода
|
Ti
|
Ti
|
|
Материал
покрытия
|
-
|
TiN
+наноTiО
|
|
Ток
дуги, А
|
2Ч65±5
|
2Ч65±3
|
|
Давление
в камере, мм.рт.ст.
|
(2-3)·10-4
|
(1-2)·10-3
|
|
Время
конденсации, мин.
|
5-10
|
60±5
|
|
Опорное
напряжение, В
|
600-1500
|
250
|
|
Ионный
ток, А
|
1-3
|
0,5-2
|
|
Скорость
вращения, об/мин
|
1,8
|
1,8
|
|
Средняя
яркостная температура, ОС
|
300-400
|
250-400
|
Особенности, присущие технологическому процессу
нанесения износостойких покрытий методом КИБ, накладывают некоторые ограничения
на характер размещения инструментов в камере установки. Конструкция
приспособлений должна обеспечивать равномерное нанесение покрытия и постепенный
разогрев инструмента. Приспособления должны иметь минимальную массу, надежно контактировать
с инструментом, не затенять рабочих элементов инструмента и исключать
соприкосновение отдельных инструментов друг с другом при вращении.
С учетом указанных требований было разработано
два типа приспособлений: для нанесения покрытия на мездрильные дисковые ножи
(рисунок 4.1) и для нанесения на метчики, фрезы и сверла (рисунок 4.2).
Рисунок 4.5 - Приспособление для нанесения
покрытий на мездрильные дисковые ножи.
Рисунок 4.6 - Приспособление для нанесения
покрытий на метчики фрезы и сверла.
Технологическую оснастку необходимо разместить в
центре вакуумной камеры точно напротив выходов электродуговых испарителей в
зоне наибольшей концентрации ионов испаряемого материала. Приспособление для
крепления дисковых ножей представляет собой полую цилиндрическую конструкцию,
выполненную из нержавеющей стали (12ХН10Т), диаметром 30 мм и высотой 260 мм.
Приспособление устанавливается в центральное гнездо планетарного механизма
вращения. Дисковые ножи для упрочнения горизонтально одеваются на
цилиндрическую часть технологической оснастки и зафиксируется с помощью
шплинтами 5x40 ГОСТ 397-79. Во время обработки приспособление вращается, что
обеспечивает равномерное нанесение покрытия. Для нанесения использовались
катоды из титана (ВТ1- 00) и азот по ГОСТ 9293-74.
Для крепления фрез, сверл и метчиков
использовали технологическую оснастку, показанное на рисунке 4.6. Перечень
металлорежущих инструментов показаны в таблице 4.1, где указаны их характеристики
до упрочнения и после упрочнения. Металлорежущие инструменты испытывались в
производственных условиях в ООО «Татнефть-МехСервис» г. Альметьевск.
Таблица 4.1 - Перечень упрочняемых
металлорежущих инструментов и их характеристики.
|
Наименование
инструмента
|
Мате-риал
инстру-мента
|
Твер-дость,
HRC
|
Обрабатываемые
детали, воздействие
|
Дефекты
инструмента с покрытием после промышленных испытаний
|
Повышение
стойкости, раз
|
|
Фреза
червячная (желтая)
|
Р6М5
|
62
|
Валы
из стали 40Х, резание
|
Режущая
кромка затупляется
|
2-3
|
|
Сверло
центровочное
|
Р6М5
|
63
|
Валы,
резание
|
Режущая
кромка затупляется
|
2-3
|
|
Резец
червячный
|
Р6М5
|
63
|
Валы,
резание
|
Режущая
кромка затупляется
|
2-3
|
|
Резец
резьбовой
|
Р6М5
|
63
|
Валы,
резание
|
Режущая
кромка затупляется
|
2-3
|
|
Резец
фасонный
|
Р6М5
|
63
|
Валы,
резание
|
Режущая
кромка затупляется
|
2-3
|
|
Резец
подрезной
|
Р6М5
|
62
|
Валы,
резание
|
Скол
острого узла, подгорание кромки
|
1,5-2
|
|
Фреза
пальчиковая
|
Р6М5
|
63
|
Корпуса,
резание
|
Затупление
кромки
|
3-4
|
|
Сверло
Д 65мм
|
Р6М5
|
62
|
Заготовки
под торцевые ключи, резание
|
Сколы
|
1,5-2
|
|
Пластины
|
ВК60М
|
98
HRA
|
Валы,
резание
|
Сколы
|
1,5-2
|
|
Пуансон
|
Х12М
|
55
|
Корпуса,
выдавливание
|
Деформация,
истирание
|
2-3,5
|
|
Пуансон
|
Х12М
|
55
|
Корпуса,
выдавливание
|
Деформация,
истирание
|
2-3,5
|
|
Сверло
перовое
|
Р6М5
|
64
|
Калибровка,
резание
|
Затупление
|
2-2,5
|
|
Сверло
|
Р6М5
|
63
|
Слесарные
изделия
|
Затупление
|
1,1-1,5
|
|
Ролик
накатной
|
Р18
|
65
|
Валы,
накатка
|
Затупление
|
2-2,5
|
|
Ролик
накатной
|
Х12М
|
55
|
Валы,
накатка
|
Затупление
|
1
|
|
Метчик
|
Р6М5
|
63
|
Отверстия,
резание
|
Затупление
|
2-2,5
|
Из таблицы 4.1 видно, что покрытие защищает
металлорежущий инструмент и повышает его стойкость в 2-3 раза.
Толщину покрытий определяли на изломах пленок,
нанесенных на хрупкие твердосплавные подложки. В качестве хрупкого материала
использовали поликорунд 20х40. Толщина покрытия при таких режимах нанесения
составила 3-4 мкм.
Для определения увеличения микротвердрсти после
упрочнения в качестве объекта исследования были выбраны образцы от стационарных
ножей рубильных и стригальных машин кожевенно-мехового производства, а также
образцы из стали У7А, 40Х12, 12Х19Т. Далее определяли микротвердость. В таблице
4.2 указаны значения микротвердости образцов до нанесения и после нанесения
покрытия.
Таблица 4.2 - Микротвердость образцов.
|
Образцы
|
Без
покрытия
|
С
покрытием TiN
|
|
Диаметр
отпечатка, мкм
|
Микро-твердость
кгс/мм2
|
Средне-арифметичес-кое
значение микротвердос-ти кгс/мм2
|
Диа-метр
отпе-чатка, мкм
|
Микро-твердость
кгс/мм2
|
Средне-арифмети-ческое
значение микро-твердости кгс/мм2
|
|
Образец
1 сталь У7А
|
24,5
26 26,7
|
310
278 267
|
285
|
18,1
20,1 21,3
|
572
464 420
|
485,3
|
|
Образец
2 сталь 40Х12
|
25
24,5 25,1
|
302
311 292
|
301,6
|
21
19,8 20
|
420
514 464
|
466
|
|
Образец
3 сталь 12Х19 Т
|
25,8
26,2 26,6
|
281
268 263
|
270,6
|
24,3
23,4 23,4
|
322
351 351
|
341,3
|
|
Образец
4 от стационарного ножа рубильной машины РМ-1200
|
18
17,1 17,7
|
572
642 611
|
608,3
|
16,5
14,1 15,3
|
724
946 824
|
831,3
|
|
Образец
5 немецкая сталь от стационарного ножа «Оздерсан-1250»
|
16,5
16,2 16,8
|
704
724 680
|
702,6
|
12,9
13,8 13,2
|
1201
1030 1097
|
1109,3
|
|
Образец
6 турецкая сталь от стационарного ножа «Оздерсан-1250»
|
17,7
15,9 17,1
|
612
773 642
|
675,6
|
14,7
16,2 14,4
|
940
724 950
|
871,3
|
Рисунок 4.7 - Диаграмма микротвердости образцов
Микротвердость измерили на микротвердомере
ПМТ-3М с нагрузкой на индентор 100г. Из рисунка видно что, микротвердость
образцов после нанесения нитридтитанового покрытия возрастает до 2 раза и
зависит от исходной твердости поверхности. Это связано с тем, что при толщине
3-4 мкм и при нагрузке на индентор 100г алмазная пирамидка микротвердомера
ПМТ-3М проходит сквозь покрытие. А при меньших нагрузках на индентор не удалось
обнаружить отпечаток алмазной пирамидки на поверхности покрытия.
В связи с этим, были проведены исследования на
твердомере «НаноСкан3D».
Рисунок 4.8 - График зависимости значения
твёрдости от глубины внедрения индентора при измерении методом динамического
наноиндентирования
Физический анализ пленок TiN на твердомере
«НаноСкан3D» выявил многофазный состав при различных условиях осаждения. Это,
вероятно, связано с конденсацией оксида титана во время роста покрытия. Структурные
вакансии из монооксида титана упрочняют нитридтитановую матрицу и повышает
эффективность покрытия. Из рисунка 4.8 видно, что на глубине 60 нм покрытие
имеет твердость до 50 ГПа. Это говорит о том, что в этом месте имеется фаза из
монооксида титана.
Для определения стойкости покрытие наносили на
дисковые ножи от мездрильной машины ДМ-3М (рисунок 4.9). Испытание проходили на
ОАО «Мелита» в производственных условиях.
Рисунок 4.9 - Дисковый нож с нитридтитановым
покрытием.
Ножи с нитридтитановым покрытием были переданы в
мездрильные и строгальные цеха ОАО «Мелита», где мездрировали и строгали шкурки
норки и кролика. Акт испытания дискового ножа указан в приложении Г. Результаты
испытаний показаны в таблице 4.3
Таблица 4.3 - Результаты испытаний дискового
ножа.
|
Операции
|
Затупление
ножа, число шкурок
|
|
Без
покрытия
|
С
покрытием
|
|
норка
|
кролик
|
норка
|
кролик
|
|
Мездрение.
После процесса отмоки
|
180÷205
|
206÷220
|
340÷380
|
350÷380
|
|
Строгание.
После процесса дубления
|
110÷120
|
115÷130
|
240÷250
|
260÷290
|
Из данных приведенных в таблице 4.3 видно, что
покрытие защищает нож от износа и повышает его стойкость.
4.3 Технико-экономическое обоснование
В кожевенно-меховом производстве, в результате
изнашивания, режущая кромка инструмента теряет свою первоначальную форму и, как
следствие, режущую способность. Для восстановления режущей способности
инструмента производится затачивание его рабочих поверхностей. В процессе
затачивания инструмента с его рабочей части срезаются довольно большие слои дорогостоящего
инструментального материала. Кроме того, на смену затупившегося инструмента
затрачивается время, которое увеличивает продолжительность операции
механической обработки, а следовательно и ее стоимость. В таблице 4.4 указаны
основные технико-экономические показатели строгания шкурки норки.
Таблица 4.4 - Технико-экономические показатели
операции строгания
|
Наименование
показателя
|
Обозна-чение
|
Единица
измерения
|
Значение
|
|
Стоимость
основного оборудования
|
N
|
руб.
|
56000
|
|
Амортизационные
расходы
|
А
|
руб/мес.
|
930
|
|
Зар.
плата рабочего
|
Z
|
руб/мес.
|
14000
|
М
|
руб.
|
3000
|
|
Стоимость
1 заточки
|
P
|
руб.
|
50
|
|
Производительность
ДМ3-30: строгание шкурки норки
|
К
|
шт/мес.
|
12000
|
|
Расходы
электроэнергии
|
J
|
руб/мес.
|
4400
|
|
Количество
заточек ножа без покрытия в месяц
|
Qб
|
шт/мес.
|
80
|
|
Количество
строганных шкур норки на 1 нож без упрочнения
|
|
шт/нож
|
600
|
|
Стоимость
нанесения покрытия
|
B
|
руб/нож
|
32
|
|
Количество
заточек ножа c упрочнением в месяц
|
QTiN
|
шт/мес.
|
40
|
|
Количество
строганных шкур норки на 1 нож c упрочнением
|
|
шт/нож
|
1200
|
Для определения экономической эффективности
сравнивали стоимость строгания одной шкурки норки ножом без упрочнения и с
упрочнением.
Стоимость строгания одной шкурки норки с ножом
без покрытия:
Стоимость строгания одной шкурки норки с
упрочненным ножом:
После упрочнения дискового ножа стоимость
строгания уменьшилась на 23%.
Заключение
В данной работе исследовалось
повышение стойкости режущих инструментов кожевенно-меховых производств, а так
же металлообрабатывающие инструменты упрочнением рабочей поверхности твердыми
покрытиями. Наносились нитридтитановые покрытия с упрочняющей нанофазой
вакуумно-дуговым осаждением, методом КИБ. Обоснованы ионно-плазменные методы
упрочнения, подготовлены установки, разработана оснастка. Определены
оптимальные режимы нанесения покрытия: ток дуги испарителей 2
65А, опорное напряжение - 250В,
время конденсации 60мин., скорость вращения изделия - 1,8 об/мин. Проведен
подбор номенклатуры быстроизнашиваемых режущих инструментов используемые в
производстве кожи и меха. Проведена серия экспериментов по нанесению на
поверхность ножа. Исследованы свойства полученных упрочненных режущих
инструментов.
Из анализа данных исследований по
повышению стойкости режущих инструментов кожевенно-меховых производств получены
следующие результаты:
повышение стойкости режущего
инструмента с покрытием TiN возможно только при соблюдении строго
оптимизированного технологического процесса. При этом температура нагрева
инструмента с учетом адгезионных свойств должна находится в диапазоне 200-400
ОС;
микротвердость покрытия из TiN
зависит от его толщины и стабилизируется при толщине покрытия свыше 5 мкм, и
она составляет 20 ГПа;
разработана комплект технической
документации на технологический процесс нанесения упрочняющих покрытий методом
КИБ;
проведены производственные испытания
нового покрытия для мездрильных ножей, стойкость которых увеличилась в 2-2,5
раза;
оценен экономический эффект
упрочнения режущих инструментов.
Таким образом, данная технология
упрочнения режущих инструментов позволяет: повысить твердость до 40 ГПа;
увеличить срок службы режущих инструментов кожевенно-мехового производства, в
том числе и металлорежущих инструментов до 3 раза; снизить стоимость операции
строгания на 23%.
Список использованных источников
Бурмистров
А.Г. Машины и аппараты производства кожи и меха - М: КолосС, 2006. - 384с.
Гойфман
Б.Г., Чекмаров В.Л.. Оборудование предприятий меховой промышленности. М.:
Легпромбытиздат, 1991. - 320 с.
В.К.
Афонин, Б.С. Ермаков, и др. «Металлы и сплавы, справочник» Санкт-Петербург.
2003г.
А.П.
Гуляев Металловедение. - М.: Металлургия, 1977.
Орлов
П.И. Основы конструирования. Справочник, методическое пособие. - Москва:
Машиностроение, 1983.
Алхимов
А. П., Нестерович Н. И., Папырин А. Н. Экспериментальное исследование обтекания
тел сверхзвуковым двухфазным потоком. - ПМТФ, 1982, № 2, с.66-74.
Алхимов
А. П., Косарев В. Ф., Папырин А. Н. Метод «холодного» газодинамического
напыления. - Докл. АН СССР, 1990, т.315, № 5, с.1062-1065.
Алхимов
А. П., Клинков С. В., Косарев В. Ф., Фомин В. М. Холодное газодинамическое
напыление. Теория и практика. - М. Физматлит, 2010, 536 с.
Каширин
А. И., Шкодкин А. В. Газодинамическое напыление металлических покрытий -
возникновение метода и его современное состояние. - Упрочняющие технологии и
покрытия. 2007, № 12(36), с. 22-33.
Буздыгар
Т. В., Каширин А. И., Клюев О. Ф. Портнягин Ю. И. Способ получения покрытий. -
Патент РФ № 2038411, 1993.
Энциклопедический
словарь Брокгауза и Ефрона. Санкт-Петербург, 1890-1907
Хасуи
А., Моригаки О. Наплавка и напыление. Пер. с яп. Москва «Машиностроение» 1985
г.
Орлов
П.И. Основы конструирования. Справочник, методическое пособие. - Москва:
Машиностроение, 1983.
Орлов
П.И. Основы конструирования. Справочник, методическое пособие. - Москва:
Машиностроение, 1983.
Мацевитый
В.М., Борушко М.С., Береснев В.М., Романова Л.М., Удовенко Е.С. Структура и
механические свойства вакуумно-плазменных покрытий TiCN // Известия высших
учебных заведений. Черная металлургия.- № 3. -1984.
Волин
Э.М. Ионно-плазменные методы получения износостойких покрытий. Технология
легких сплавов.-№ 10.-1984.
Заявка
20935 Англия. Механические свойства пленок нитрида титана. Плазменное осаждение
пленок нитрида титана / Мюзил Дж., Вискожид Дж., Баснер Р., Уэллер Ф. Опубл.
1985.
Третьяков
И.П., Верещака А.С. Режущие инструменты с износостойкими покрытиями. - Москва:
Машиностроение, 1986.
Локтев
Д., Ямашкин Е. Методы и оборудование для нанесения износостойких покрытий
«Наноиндустрия» №4. -2007. -С. 18-24.
ВНИИИНСТРУМЕНТ.
Технологии ионно-плазменного напыления. [Электронный ресурс] - Режим доступа:
#"796182.files/image047.gif">
80 мм ОСТ 1.900107-73 10г/цикл
|
О13
|
01
Произвести ионную очистку приспособлений, плавно увеличивая напряжение
|
|
Р14
|
воздух
(5-8) 10-5 мм рт ст (500-600) (600-1200)В 2 (65 5) А 7-10 мин
|
|
15
|
|
|
16
|
|
|
|
|
мк/кттп
|
|
|
|
|
|
|
|
|
|
|
|
|
|
|
|
|
|
|
|
|
|
|
|
|
|
|
|
|
|
|
|
|
|
|
|
|
|
|
|
|
|
|
|
|
|
|
ГОСТ
3.1118-84 Форма 1б
|
|
|
|
|
|
|
|
Дубл.
|
|
|
|
|
|
|
|
|
|
|
Взам.
|
|
|
|
|
|
|
|
|
|
|
|
|
|
|
|
Подл.
|
|
|
|
|
|
|
|
|
|
|
|
|
|
|
|
КХТИ02271.0001
|
10
|
|
|
|
|
|
|
|
|
|
|
|
|
КХТИ10271.0004
|
|
|
|
|
|
|
|
|
|
|
|
|
|
|
|
|
|
|
|
|
|
|
|
|
|
|
|
А
|
цех
|
УЧ.
|
РМ
|
опер.
|
код,
наименование операции
|
Обозначение
документа
|
|
Б
|
код,
наименование оборудования
|
СМ
|
проф.
|
Р
|
УТ
|
КР
|
КОИД
|
ЕН
|
ОП
|
КШТ
|
ТП
3.
|
ТШТ
|
|
к/м
|
наименование
детали, сб. единицы или материала
|
Обозначение,
код
|
ОПП
|
ЕВ
|
ЕН
|
КН
|
Н.расх
|
|
Р01
|
среда
давление температура напряжение ток дуги время
|
|
А02
|
075
7118 Нанесение покрытия
|
|
Б03
|
Установка
для нанесения покрытий ИЕВГ.681311.001-ЛУ1
|
|
Т04
|
Приспособление
для напыления КХТИ01.00.00.СБ, П21.1000.00.СБ
|
|
05
|
Каплеуловитель
КХТИ02.01.00.СБ
|
|
М06
|
Азот
газообразный ГОСТ 9293-74 0,01 м3/цикл
|
|
07
|
Титан
ВТ1-00, круг  80 мм ОСТ 1.900107-73 10г/цикл
|
|
08
|
|
|
О09
|
01
Провести напыление покрытия титана на изделия ИОТ№01-10
|
|
Р10
|
воздух
(5) 10-5 мм рт ст (200-300) (220-260)В 2 (65 5) А 3 мин
|
|
О11
|
02
Провести конденсацию покрытия нитрида титана на изделия ИОТ№01-10
|
|
Р12
|
азот
(1-3) 10-3 мм
рт ст (200-300) (220-260)В 2 (65 5) А 40 мин
|
|
О13
|
03
Выключить дуговой испаритель, закрыть подачу азота, снять опорное напряжение,
|
|
14
|
закрыть
высоковакуумный затвор КХТИ25071.0007
|
|
О15
|
04
Выдержать инструменты в вакуумной камере 30 мин
|
|
16
|
|
|
17
|
|
|
мк/кттп
|
|
|
|
|
|
|
|
|
|
|
|
|
|
|
|
|
|
|
|
|
|
|
|
|
|
|
|
|
|
|
|
|
|
|
|
|
|
|
|
|
|
|
|
|
|
|
|
ГОСТ
3.1118-84 Форма 1б
|
|
|
|
|
|
|
|
|
|
Дубл.
|
|
|
|
|
|
|
|
|
|
|
|
Взам.
|
|
|
|
|
|
|
|
|
|
|
|
|
|
|
|
|
Подл.
|
|
|
|
|
|
|
|
|
|
|
|
|
|
|
|
|
КХТИ02271.0001
|
11
|
|
|
|
|
|
|
|
|
|
|
|
|
|
КХТИ10271.0004
|
|
|
|
|
|
|
|
|
|
|
|
|
|
|
|
|
|
|
|
|
|
|
|
|
|
|
|
А
|
цех
|
УЧ.
|
РМ
|
опер.
|
код,
наименование операции
|
Обозначение
документа
|
|
|
Б
|
код,
наименование оборудования
|
СМ
|
проф.
|
Р
|
УТ
|
КР
|
КОИД
|
ЕН
|
ОП
|
КШТ
|
ТП
3.
|
ТШТ
|
|
|
к/м
|
наименование
детали, сб. единицы или материала
|
Обозначение,
код
|
ОПП
|
ЕВ
|
ЕН
|
КН
|
Н.расх
|
|
|
Р01
|
среда
давление температура напряжение ток дуги время
|
|
|
А02
|
080
0167 Развакуумирование
|
|
|
Б03
|
Установка
для нанесения покрытий ИЕВГ.681311.001-ЛУ1
|
|
|
О04
|
01
Произвести напуск атмосферы в вакуумную камеру КХТИ25071.0007
|
|
|
05
|
|
|
|
06
|
|
|
|
А07
|
085
0407 Выгрузка
|
|
|
Б08
|
Установка
для нанесения покрытий ИЕВГ.681311.001-ЛУ1
|
|
|
Т09
|
Приспособление
для напыления КХТИ01.00.00.СБ, П21.1000.00.СБ
|
|
|
10
|
Хлопчатобумажные
перчатки ГОСТ 5007-87
|
|
|
11
|
Пинцет
ТУ 64-1-37-78
|
|
|
О12
|
01
Произвести выгрузку изделий из вакуумной камеры
|
|
|
13
|
02
Произвести выгрузку образца-свидетеля из вакуумной камеры КХТИ25202.0008
|
|
|
14
|
Примечание:
выгрузку производить в хлопчатобумажных перчатках
|
|
|
15
|
|
|
|
16
|
|
|
|
|
|
|
мк/кттп
|
|
|
|
|
|
|
|
|
|
|
|
|
|
|
|
|
|
|
|
|
|
|
|
|
|
|
|
|
|
|
|
|
|
|
|
|
|
|
|
|
|
|
|
|
|
|
|
|
|
|
ГОСТ
3.1118-84 Форма 1б
|
|
|
|
|
|
|
|
Дубл.
|
|
|
|
|
|
|
|
|
|
|
Взам.
|
|
|
|
|
|
|
|
|
|
|
|
|
|
|
|
Подл.
|
|
|
|
|
|
|
|
|
|
|
|
|
|
|
|
КХТИ02271.0001
|
12
|
|
|
|
|
|
|
|
|
|
|
|
|
КХТИ10271.0004
|
|
|
|
|
|
|
|
|
|
|
|
|
|
|
|
|
|
|
|
|
|
|
|
|
|
|
|
А
|
цех
|
УЧ.
|
РМ
|
опер.
|
код,
наименование операции
|
Обозначение
документа
|
|
Б
|
код,
наименование оборудования
|
СМ
|
проф.
|
Р
|
УТ
|
КР
|
КОИД
|
ЕН
|
ОП
|
КШТ
|
ТП
3.
|
ТШТ
|
|
к/м
|
наименование
детали, сб. единицы или материала
|
Обозначение,
код
|
ОПП
|
ЕВ
|
ЕН
|
КН
|
Н.расх
|
|
Р01
|
среда
давление температура напряжение ток дуги время
|
|
А02
|
090
0200 Контроль
|
|
Б03
|
Стол
контрольный
|
|
О04
|
01
Контролировать качество покрытия изделий внешним осмотром. Покрытие должно
быть
|
|
05
|
ровным,
однородным, золотистого цвета, без трещин и сколов
|
|
06
|
02
Контроль толщины покрытия производить согласно технологической инструкции
|
|
07
|
КХТИ25071.0007
|
|
08
|
|
|
09
|
|
|
10
|
|
|
11
|
|
|
12
|
|
|
13
|
|
|
14
|
|
|
15
|
|
|
16
|
|
|
17
|
|
|
мк/кттп
|
|
|
ГОСТ
3.1121-84 Форма 4а
|
|
|
|
|
|
|
|
|
|
Дубл.
|
|
|
|
|
|
|
|
|
|
|
|
|
|
|
|
|
|
|
|
|
|
|
|
|
|
|
|
|
|
|
|
|
|
|
|
|
|
|
|
|
|
|
|
|
|
|
|
|
|
|
|
|
|
|
|
|
|
|
|
|
|
|
|
|
|
|
Взам.
|
|
|
|
|
|
|
|
|
|
|
|
|
|
|
|
|
Подл.
|
|
|
|
|
|
|
|
|
|
|
|
|
|
|
|
|
|
КХТИ02271.0001
|
6
|
2
|
|
|
Разраб.
|
|
|
|
|
|
|
|
|
|
|
|
КХТИ44271.0005
|
|
|
Пров.
|
|
|
|
|
|
|
|
|
|
|
|
|
|
|
|
|
|
|
|
|
|
|
|
|
|
|
|
|
С
|
НПП
|
Наименование
изделия
|
Обозначение
изделия
|
|
|
|
М
|
Код
|
ЕВ
|
МД
|
ЕН
|
Н.
расх
|
КИМ
|
Код
заготовки
|
Профиль
и размеры
|
КД
|
МЗ
|
|
|
Ш
|
цех
|
УЧ.
|
РМ
|
Опер
|
КОИД
|
ОП
|
Т
п.з.
|
Тшт
|
Цех.
|
Уч.
|
РМ
|
Опер.
|
КОИД
|
ОП
|
Т
п.з.
|
Т
шт
|
|
|
Р
|
среда
давление температура напряжение ток дуги время
|
Тв
|
Тс
|
|
|
А01
|
050
0144 Очистка
|
|
|
Б02
|
Установка
для нанесения покрытий ИЕВГ.681311.001-ЛУ1
|
|
|
Т03
|
Технологическая
оснастка для червячных фрез П21.1003.00.СБ
|
|
|
04
|
Каплеуловитель
КХТИ02.01.00.СБ
|
|
|
Р05
|
воздух
(5-8) 10-5 мм рт ст (300-400) (600-1000)В 2 (65 5)А (5-15) мин
|
|
|
06
|
|
|
|
А07
|
075
7118 Нанесение покрытия
|
|
|
Б08
|
Установка
для нанесения покрытий ИЕВГ.681311.001-ЛУ1
|
|
|
Т09
|
Технологическая
оснастка для червячных фрез П21.1003.00.СБ
|
|
|
10
|
Каплеуловитель
КХТИ02.01.00.СБ
|
|
|
Р11
|
азот
(титан) (1-3) 10-3 мм рт ст 300-400 (240 5)В 2 (65 5)А (60 2) мин
|
|
|
С12
|
02
Фреза червячная Р6М5 ГОСТ 19265-73
|
|
|
13
|
|
|
|
14
|
|
|
|
15
|
|
|
|
|
|
|
ВТП/У
|
Ведомость
деталей
|
|
|
ГОСТ
3.1121-84 Форма 4а
|
|
|
|
|
|
|
|
|
|
|
|
|
|
|
|
|
|
|
|
|
|
|
|
|
|
|
|
|
|
|
|
|
|
|
|
|
|
|
|
|
|
|
|
|
|
|
|
|
|
|
|
|
|
|
|
|
|
|
|
|
|
|
Дубл.
|
|
|
|
|
|
|
|
|
|
|
Взам.
|
|
|
|
|
|
|
|
|
|
|
|
|
|
|
|
Подл.
|
|
|
|
|
|
|
|
|
|
|
|
|
|
|
|
|
КХТИ02271.0001
|
6
|
3
|
|
Разраб.
|
|
Пров.
|
|
|
|
|
|
|
|
|
|
|
|
|
|
|
|
|
|
|
|
|
|
|
|
|
|
|
С
|
НПП
|
Наименование
изделия
|
Обозначение
изделия
|
|
|
М
|
Код
|
ЕВ
|
МД
|
ЕН
|
Н.
расх
|
КИМ
|
Код
заготовки
|
Профиль
и размеры
|
КД
|
МЗ
|
|
Ш
|
цех
|
УЧ.
|
РМ
|
Опер
|
КОИД
|
ОП
|
Т
п.з.
|
Тшт
|
Цех.
|
Уч.
|
РМ
|
Опер.
|
КОИД
|
ОП
|
Т
п.з.
|
Т
шт
|
|
Р
|
среда
давление температура напряжение ток дуги время
|
Тв
|
Тс
|
|
А01
|
050
0144 Очистка
|
|
Б02
|
Установка
для нанесения покрытий ИЕВГ.681311.001-ЛУ1
|
|
Т03
|
Технологическая
оснастка для метчиков, фрез и сверл КХТИ01.02.00.СБ
|
|
04
|
Каплеуловитель
КХТИ02.01.00.СБ
|
|
05
|
воздух
(5-8) 10-5 мм рт ст (300-400) (600-1000)В 2 (65 5)А (5-10) мин
|
|
06
|
|
|
Р07
|
|
|
А08
|
075
7118 Нанесение покрытия
|
|
Б09
|
Установка
для нанесения покрытий ИЕВГ.681311.001-ЛУ1
|
|
Т10
|
Технологическая
оснастка для метчиков, фрез и сверл КХТИ01.02.00.СБ
|
|
11
|
Каплеуловитель
КХТИ02.01.00.СБ
|
|
Р12
|
азот
(титан) (1-3) 10-3 мм рт ст 300-400 (240 5)В 2 (65 5)А (60 2) мин
|
|
13
|
03
Сверло центровочное Р6М5 ГОСТ 19265-73
|
|
14
|
04
Сверло 65 Р6М5
ГОСТ 19265-73
|
|
15
|
05
Сверло Р6М5 ГОСТ 19265-73
|
|
16
|
06
Сверло перовое Р6М5 ГОСТ 19265-73
|
|
|
|
ВТП/У
|
Ведомость
деталей
|
|
|
|
|
|
|
|
|
|
|
|
|
|
|
|
|
|
|
|
|
|
|
|
|
|
|
|
|
|
|
|
|
|
|
|
|
|
|
|
|
|
|
|
|
|
|
|
|
|
|
|
|
Приложение Б (обязательное)
Чертежи приспособлений
Приложение В (обязательное)
Конструкция - дополнительный блок.
Каплеуловитель
Приложение Г (обязательное)
Акт промышленного испытания дискового ножа от
мездрильной машины ДМ-3М
Акт испытания дискового ножа
Настоящий акт составлен в том, что на
предприятии ОАО «Мелита» проводились испытания дискового ножа с диаметром 300
мм от мездрильной машины ДМ-3 упрочненный нитридом титана с нанофазой в
промышленных условиях. К мездрению подвергались шкурки норки, кролика, бобра.
Испытания показали, что стойкость ножа с нитрид титановым покрытием увеличивается
в среднем в 2,5 раза. Стойкость ножа без покрытия составляет 120-150 шкурок, с
покрытием 340-390 шкурок.
Главный механик цеха пушнины OAO «Мелита»
Нач. цеха пушнины Берсюлева М.Ю.OAO «Мелита»